分部工程质量验收记录(路基)
- 格式:doc
- 大小:45.50 KB
- 文档页数:2
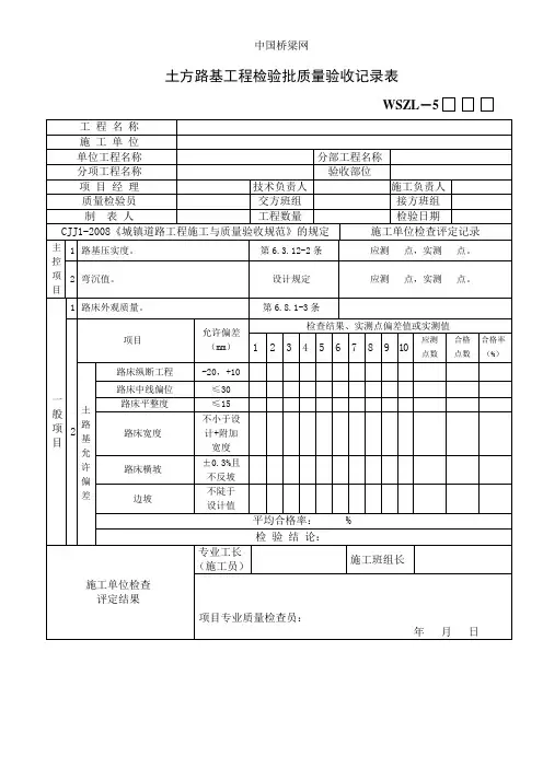
土方路基工程检验批质量验收记录表
土方路基分项工程质量验收记录表
路基分部(子分部)工程质量验收记录表
石灰土基层工程检验批质量验收记录表
水泥稳定土类基层工程检验批质量验收记录表
石灰土基层分项工程质量验收记录表
水泥稳定土类基层分项工程质量验收记录表
道路基层分部(子分部)工程质量验收记录表
水泥混凝土面层工程检验批质量验收记录表
水泥混凝土面层分项工程质量验收记录表
道路面层分部(子分部)工程质量验收记录表
Word资料
Word资料。
土方路基(路床)工程检验批质量验收记录
质验表(路)— 1 建设单位:南京市浦口区经济开发总公司监理单位:江苏金丰华工程监理咨询有限公司合同号:
施工单位:南京东南路桥工程有限公司编号:
单位(子单位)工程名称标准化厂房附属道路项目经理范翔
分部(子分部)工程名称道路路基执行标准CJJ 1-2008 验收部位1-2-9-10# 厂房西侧道路 6%灰土填筑 NO.2
施工质量验收规范的规定施工单位检查评定记录监理单位验收记录
主项目实测值
控
项
目
应符合第 6.3.12-2 93.5 93.3 94.0 94.5
1 压实度( %)
条要求
2 弯沉值( mm)不大于设计规定符合要求
一项目允许偏差( mm)偏差值
般路床应平整、坚实,无显著轮迹、翻浆、
项
1 波浪、起皮等现象,路堤边坡应密实、符合要求
目稳定、平顺等。
2 纵断高程-20, +10 +7 -9 -12 -16 +8 +5
-16 +7 -8 +5
3 中线偏位≤ 30 22 15 13 16 18 18
4 平整度≤1
5 9 8 8 11 7 15
5 宽度不小于设计值 (8.88m) 8.89 8.90 8.90 8.88 8.91 8.90
6 横坡± 0.3%且不反坡-0.2 -0.1 -0.2 0.1 -0.2 0.1
-0.2 -0.1 0.1 -0.2 -0.1 0.2
7 边坡不陡于设计值符合设计要求
专业工长(施工员)陈佳炜施工班组长刘尚明施工单位检查评定结果
质量检查员:年月日监理单位验收结论
专业监理工程师:年月
南京市市政公用工程质量安全监督站监制
日。
分部工程验收记录一、项目信息项目名称:×××工程项目地址:×××建设单位:×××公司监理单位:×××公司施工单位:×××公司验收时间:××年××月××日二、工程概况本次验收的是××部分工程。
该部分工程包括×××,主要包括×××等。
工程实施过程中,各方依法履行相应义务,施工单位按照设计图纸和技术要求进行施工,建设单位提供必要的支持与配合,监理单位进行监督与检查。
三、验收内容及结果1.设计文件核对了部分工程的设计文件,包括设计文件编码、名称、版本号等,并查阅了设计变更记录。
确认设计文件与施工实际一致,未发现设计上的问题。
2.材料验收对部分工程的材料进行了验收。
验收内容包括材料名称、产地、规格、数量等。
材料的质量与数量均符合相关规定,无明显的质量问题。
3.施工工艺与质量控制施工单位根据设计要求进行施工,并落实了相应的质量控制措施。
现场查看了施工现场,施工质量符合相关标准,各项工艺措施得到了有效的落实。
4.安全生产检查现场查看了安全生产措施的落实情况,施工单位有专门的安全管理人员,施工现场安全设施齐全,作业人员佩戴防护用品,在进行高空作业和电气工作时,都有相应的安全措施,未发现安全隐患。
5.现场整洁与环境保护施工现场整洁,杂物得到及时清理,有效避免扬尘和异味污染。
施工单位按照相关规定进行垃圾分类处理,环境保护工作得到了较好的落实。
四、存在的问题及整改措施1.问题:部分工艺节点存在施工不规范现象。
整改措施:要求施工单位对不规范的工艺进行整改,确保施工符合相关要求。
2.问题:现场管理人员配备不足。
整改措施:要求施工单位增加管理人员,确保施工现场的安全和质量。
第三节分项工程质量验收记录表(相应填写开会发表所列举的分项工程)分项工程质量验收记录表36 (相应填写开会(会议发表所列举的分部工程)分部工程质量验收记录表37下面的是2016年经典励志语录,需要的朋友可以欣赏,不需要的朋友下载后可以编辑删除!!谢谢!!1、有来路,没退路;留退路,是绝路。
2、为目标,晚卧夜半,梦别星辰,脚踏实地,凌云舍我其谁!3、做一题会一题,一题决定命运。
4、静下来,铸我实力;拼上去,亮我风采。
5、拼一载春秋,搏一生无悔。
6、狠抓基础是成功的基础,持之以恒是胜利的保证。
7、把汗水变成珍珠,把梦想变成现实!8、拧成一股绳,搏尽一份力,狠下一条心,共圆一个梦。
9、每天都是一个起点,每天都有一点进步,每天都有一点收获!10、22.对命运承诺,对承诺负责11、我自信,故我成功,我行,我一定能行。
12、不敢高声语,恐惊读书人。
13、高三高考高目标,苦学善学上好学。
14、争分夺秒巧复习,勤学苦练创佳绩、攀蟾折桂,舍我其谁。
15、眼泪不是我们的答案,拼搏才是我们的选择。
16、站在新起点,迎接新挑战,创造新成绩。
17、遇难心不慌,遇易心更细。
18、乐学实学,挑战高考;勤勉向上,成就自我。
19、努力造就实力,态度决定高度20、忘时,忘物,忘我。
诚实,朴实,踏实。
21、精神成人,知识成才,态度成全。
22、作业考试化,考试高考化,将平时考试当高考,高考考试当平时。
23、我高考我自信我成功!24、23.再苦再累不掉队,再难再险不放弃25、拼搏高考,今生无悔;越过高三,追求卓越!26、挑战人生是我无悔的选择,决胜高考是我不懈的追求。
27、山高不厌攀,水深不厌潜,学精不厌苦:追求!28、学练并举,成竹在胸,敢问逐鹿群雄今何在?师生同志,协力攻关,笑看燕赵魁首谁人得。
29、快马加鞭君为先,自古英雄出少年。
30、太阳每天都是新的,你是否每天都在努力。
31、把握现在、就是创造未来。
32、25.我因X班而自豪,X班因我而骄傲33、我心飞翔,路在脚下。
分部工程质量验收记录1. 引言本文档记录了分部工程质量验收的过程和结果。
分部工程质量验收是指对分部工程的质量进行检查和评估,以确保分部工程符合相关的质量标准和要求。
本次分部工程质量验收确认工程施工的质量是否达到了验收条件,以保证工程的质量和安全。
2. 验收对象本次分部工程质量验收的对象为以下几个分部工程:•电气工程•暖通工程•火灾报警工程•给水排水工程3. 验收人员本次分部工程质量验收的人员组成如下:•专业监理工程师•建设单位代表•施工单位代表4. 验收标准以下是本次分部工程质量验收所需符合的标准和要求:•国家相关工程建设标准•工程设计文件•相关规范要求•安全生产规定5. 验收内容本次分部工程质量验收的具体内容包括以下几个方面:5.1. 施工工艺对分部工程的施工工艺进行检查和评估,确保施工过程中没有违反安全规定和工程设计文件要求的情况。
5.2. 材料使用对分部工程所使用的材料进行检查,包括材料的质量、型号、规格等是否符合工程设计文件和相关标准要求。
5.3. 施工设备对分部工程所使用的设备进行检查,确保设备的性能稳定可靠,并符合施工要求。
5.4. 工程质量验收记录对分部工程的质量验收记录进行审核,确保验收记录完整、准确,并符合相关要求。
6. 验收过程本次分部工程质量验收的具体过程如下:6.1. 准备工作在验收开始之前,验收人员会准备好相关的验收标准、文件和工具,并对需要验收的分部工程进行了解和准备。
6.2. 现场检查验收人员对分部工程的施工现场进行检查,包括施工工艺、材料使用和施工设备的检查。
6.3. 文件审核验收人员对分部工程的工程质量验收记录进行审核,确保记录的完整性和准确性。
6.4. 讨论和总结验收人员根据现场检查和文件审核的结果,进行讨论和总结,确定分部工程质量验收的结论。
7. 验收结果经过对分部工程的检查和评估,本次分部工程质量验收的结果为:•电气工程:符合验收标准,通过验收•暖通工程:符合验收标准,通过验收•火灾报警工程:符合验收标准,通过验收•给水排水工程:符合验收标准,通过验收8. 总结和建议本次分部工程质量验收的结果表明,分部工程的质量符合相关的要求和标准,工程的质量和安全得到了保证。
路基2工程检验批质量验收记录项目名称:XXX公路路基工程2段工程编号:XXX-2024-002项目施工单位:XXX建设有限公司建设单位:XXX交通局监理单位:XXX工程监理有限公司记录时间:2024年5月10日一、工程概况本次工程为XXX公路路基工程2段,工程总长度XXX公里,起点位于XXX,终点位于XXX。
工程内容包括路基填筑、路面铺设、边坡整治等。
施工单位是经过资质审查的正规建设公司,具备丰富的工程经验和技术力量,并按照相关规定组建了施工队伍。
监理单位是经过评标确定的专业工程监理公司,具备相应的资质和经验。
二、检验批质量验收情况本次检验批质量验收范围为路基填筑工程,具体检验内容包括土质试验、填土质量、平整度等。
1.土质试验根据《公路工程施工质量检验规范》及相关标准,对本工程填土的土质进行了试验,并按照试验结果进行填土层次和质量要求的确定。
试验结果显示填土层土质符合设计要求,在密实性、含水率等方面满足要求。
填土层次合理,填土质量良好。
2.填土质量对现场进行了填土质量的抽检。
抽取的土样经实验室测定后,符合设计要求,填土质量良好。
3.平整度对填土后的路基进行了平整度检测。
平整度检测结果显示,路基的平整度在设计范围内,满足施工质量要求。
具体平整度数据记录如下:位置平整度(mm)A段5.2B段4.8C段6.04.其他问题填土过程中没有发现明显的问题,施工单位按照规范要求进行了填土层次的控制和质量的保证。
三、验收结论经过检验批质量验收,路基2工程填土工程质量符合设计要求和相关规范要求,能够满足实际使用需要。
施工单位在工程施工过程中,按照规范要求进行了填土层次的控制和质量的保证。
监理单位对施工单位的施工质量进行了监督,保障了工程的质量。
因此,路基2工程填土工程通过质量验收。
四、问题整改在本次质量验收过程中,没有发现质量问题和不合格项。
施工单位和监理单位应继续加强工程质量监督,及时发现并处理工程质量问题。
五、附图六、其他本次质量验收记录应作为后续工程施工的参考和验收依据,施工单位和监理单位应妥善保管,并根据需要向建设单位提交。
路基检验批质量验收记录
一、前言
路基工程是道路建设中重要的一环,其质量直接关系到道路使用的安全性和稳定性。
为了确保路基工程的质量,需要进行质量验收工作。
本文档旨在记录路基检验批质量验收的过程和结果,以便于追溯和总结经验。
以下是路基检验批质量验收记录的详细内容。
二、项目信息
项目名称:XXXX道路工程
项目地点:XXXX
验收日期:XXXX
三、验收人员
本次质量验收由以下相关人员参与:
1. 主持人:XXX(职务)
2. 验收人员:XXX(职务)、XXX(职务)、XXX(职务)
四、检验批信息
1. 检验批编号:XXX
2. 施工单位:XXX公司
3. 检验工程量:XXX(单位:XXX)
4. 检验标准:根据《XX道路工程技术规范》第X章X节的要求进行验收。
五、质量验收内容
本次质量验收主要包括对以下几个方面进行检查和评估:
1. 路基材料的质量:包括土壤、石方等材料的种类、质量和使用情况。
2. 路基的平整度:检查路基表面的平整程度,观察是否存在明显的凹凸不平或坡度过大等问题。
3. 路基的坚实度:通过对路基进行强度测试,评估其承载能力和稳定性。
4. 路基的排水情况:检查路基是否存在积水、渗水等问题,并评估排水设施的效果。
路基分部(子分部)工程质量验收记录
博世公司价值观:卓越、创新、可靠与责任
作为全球领先的技术与服务供应商,博世公司以其卓越的品质、持续的创新、高度的可靠性和坚定的责任感,赢得了全球消费者的广泛赞誉。
这些价值观不仅构成了博世公司的核心竞争力,也是其持续发展和成功的基石。
卓越是博世公司的核心价值观之一。
博世始终坚持高标准、严要求,致力于为客户提供最优质的产品和服务。
无论是在产品质量、技术创新还是服务水平上,博世都力求做到最好,以满足客户不断升级的需求。
创新是博世公司的另一核心价值观。
博世深知,在快速发展的科技时代,只有不断创新才能保持竞争优势。
因此,博世始终将创新作为公司发展的核心动力,不断投入研发,推动技术创新和产业升级。
可靠性是博世公司的重要品质。
博世深知,一个企业的信誉和口碑是建立在产品和服务的质量基础上的。
因此,博世始终坚持严格的品质管理,确保每一个产品、每一项服务都能达到客户的期望和要求,赢得客户的信任和满意。
责任是博世公司的社会责任和道德底线。
博世始终认为,企业不仅要追求经济效益,更要积极履行社会责任,关注环境保护、员工福利和社区发展。
博世积极投身于公益事业,以实际行动践行企业社会责任,为社会的发展贡献自己的力量。
总之,卓越、创新、可靠与责任是博世公司的核心价值观和品质追求。
这些价值观不仅构成了博世公司的独特魅力,也为其在全球市场上的成功奠定了坚实的基础。
未来,博世将继续秉持这些价值观,不断创新和发展,为全球消费者提供更优质的产品和服务。
市政道路工程单位工程质量验收记录市政道路工程是城市建设中非常重要的一部分,对于确保道路的安全和便利起着至关重要的作用。
而工程质量验收记录则是对市政道路工程的施工质量进行评估和检验的过程,以确保工程质量符合相关标准和要求。
以下是一份市政道路工程单位工程质量验收记录的范例,供参考。
项目名称:XXXX市X区XX道路工程单位名称:XXXX公司施工单位:XXXX工程建设有限公司质量验收日期:XXXX年XX月XX日一、验收的主要内容1.施工单位按照合同书和工程设计要求进行了施工,并提交了相应的工程质量验收材料。
2.基础工程的实施情况:包括地基处理、路面平整度、施工工艺等。
3.道路硬质面层材料的掺入、配合比的准确性以及硬度测试等。
4.道路软基层材料的压实效果、层间界面的粘结情况等。
5.道路工程的排水系统,包括雨水和污水系统,以及相应设备的安装和运行情况。
6.道路交通安全设施的安装情况,如护栏、交通信号灯等。
7.道路照明设施的安装情况,包括灯具的数量和布局,照明效果等。
8.道路绿化设施的完成情况,如植树、铺草坪等。
二、验收的依据和方法1.依据相应的建设标准和规范进行验收,包括《道路工程质量验收规范》等。
2.采用目测、测量、试验等方法进行验收。
3.对照相关图纸和设计要求,检查施工单位提交的相关工程质量验收材料的完整性和准确性。
三、验收的结果1.施工单位按照设计要求进行了施工,基础工程和硬质面层材料的质量符合要求。
2.软基层材料的压实效果良好,层间界面粘结牢固。
3.排水系统的安装和运行良好,达到相关要求。
4.交通安全设施和照明设施的安装准确,运行正常。
5.道路绿化设施完成情况良好,符合要求。
四、存在的问题和整改意见1.在施工过程中,施工单位未按照设计要求进行部分施工,导致部分工程质量未达到标准要求。
提出整改意见,要求施工单位进行整改并提交相关整改报告。
2.材料配合比不符合要求,提出整改意见,要求施工单位重新配制并提交材料测试报告。
表A.0.3 分项工程质量检验记录表A.0.3 分项工程质量检验记录表A.0.3 分项工程质量检验记录表A.0.4 分部工程质量检验记录表A.0.3 分项工程质量检验记录表A.0.3 分项工程质量检验记录表A.0.3 分项工程质量检验记录表A.0.4 分部工程质量检验记录表A.0.3 分项工程质量检验记录表A.0.3 分项工程质量检验记录表A.0.3 分项工程质量检验记录表A.0.3 分项工程质量检验记录表A.0.3 分项工程质量检验记录表A.0.3 分项工程质量检验记录表A.0.4 分部工程质量检验记录表A.0.3 分项工程质量检验记录表A.0.3 分项工程质量检验记录表A.0.3 分项工程质量检验记录表A.0.3 分项工程质量检验记录表A.0.3 分项工程质量检验记录表A.0.3 分项工程质量检验记录表A.0.3 分项工程质量检验记录表A.0.3 分项工程质量检验记录表A.0.4 分部工程质量检验记录表A.0.3 分项工程质量检验记录表A.0.3 分项工程质量检验记录表A.0.3 分项工程质量检验记录表A.0.3 分项工程质量检验记录表A.0.4 分部工程质量检验记录表A.0.3 分项工程质量检验记录表A.0.3 分项工程质量检验记录表A.0.4 分部工程质量检验记录表A.0.3 分项工程质量检验记录表A.0.3 分项工程质量检验记录表A.0.4 分部工程质量检验记录表A.0.3 分项工程质量检验记录表A.0.3 分项工程质量检验记录表A.0.3 分项工程质量检验记录表A.0.4 分部工程质量检验记录表A.0.3 分项工程质量检验记录表A.0.3 分项工程质量检验记录表A.0.4 分部工程质量检验记录表A.0.3 分项工程质量检验记录表A.0.3 分项工程质量检验记录表A.0.4 分部工程质量检验记录表A.0.3 分项工程质量检验记录表A.0.3 分项工程质量检验记录表A.0.4 分部工程质量检验记录。