例1某系统的结构图如图所示试求系统的传递函数
- 格式:ppt
- 大小:1.47 MB
- 文档页数:31
《自动控制原理1》试卷 第1 页 共4 页中国计量大学2019年硕士研究生招生考试试题考试科目代码:801 考试科目名称:自动控制原理1所有答案必须写在报考点提供的答题纸上,做在试卷或草稿纸上无效。
一、(15分)已知系统方框图如图1所示。
图11. 画出系统的信号流图;(5分)2. 试求闭环传递函数)()(s R s C 及输入端定义的误差传递函数)()(s R s E 。
(10分)二、(15分)电子心脏起搏器心律控制系统结构图如图2所示,其中模仿心脏的传递函数相当于一个纯积分环节。
图21. 若5.0=ξ对应最佳响应,问起搏器增益K 应取多大?(5分)2. 若期望心率为60次/min ,并突然接通起搏器,问1s 后实际心率为多少?瞬间最大心率多大?(10分)《自动控制原理1》试卷 第2 页 共4 页三、(15分)系统结构图如图3所示,[]()()()e t r t b t =−。
图31. 已知G 1(s )的单位阶跃响应为21e t −−,试求G 1(s );(5分) 2. 利用求出的G 1(s ),当r (t )=10·1(t )时,试求:①系统的稳态输出;②系统的超调量、调节时间和稳态误差。
(10分)四、(15分)已知系统结构图如图4所示:图41. 绘出K *从0→+∞变化时系统的根轨迹;(8分)2. 确定系统处于欠阻尼条件下的K *范围;(4分)3. 确定系统稳定时的最小阻尼比。
(3分)五、(15分)已知系统传递函数为)52)(2()(2+++=s s s K s G ,1. 画出奈奎斯特图;(10分) 2. 当K =52,利用奈奎斯特稳定判据判断其闭环系统的稳定性。
(5分)六、(15分)已知最小相位开环系统的渐近对数幅频特性如图5所示,试求: 1. 系统的开环传递函数;(4分) 2. 截止频率c ω和相角裕量γ;(8分)3. 若使截止频率s rad c /10=ω,其放大倍数应取多少?(3分)《自动控制原理1》试卷 第3 页 共4 页七、(20分)已知采样系统结构如图6所示,其中采样周期s T 4.0=。
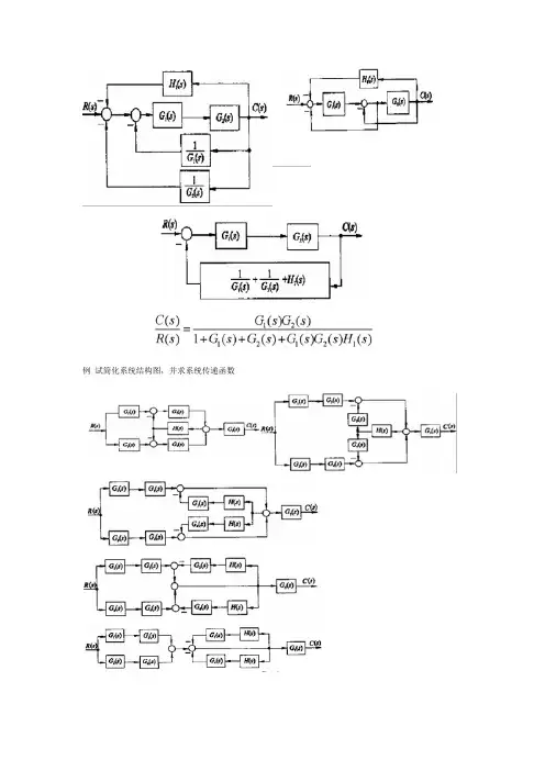
例试简化系统结构图,并求系统传递函数3、信号流图的组成及性质(1)、信号流图的组成:由节点和支路组成的一种信号传递网络。
A、节点:即变量,用小圆圈表示,为流向该节点的信号的代数和。
B、支路:定向线段,标支路增益,相当于乘法器,表因果关系。
(2)、信号流图的性质A、节点标志系统的变量;B、支路相当于乘法器;C、信号沿箭头单向传递;D、系统的信号流图不是惟一的。
下图为典型的信号流图(3)、常用术语源节点(或输入节点):只有输出支路而没有输入支路的节点,如图中的节点X1 。
阱节点(或输出节点):只有输出支路而没有输入支路的节点,如图中的节点X5 。
混合节点:既有输入支路又有输出支路的节点,如图中的节点X2X3X4X5。
前向通路:信号从输入节点到输出节点传递时,每个节点只通过一次的通路。
从源节点X1到阱节点X5,共有两条前向通路:一条是X1->X2->X3->X4->X5,其前向通路总增益P1=abc;另一条是X1->X2->X5,其前向通路总增益P2=d。
回路:起点和终点在同一节点,而且信号通过每一节点不多于一次的闭合通路。
X2->X3->X2,其回路增益L1=ae,X3->X4->X3其回路增益L2=bf;X5->X5 的自回路,其回路增益是g。
不接触回路:回路之间没有公共节点时,这种回路叫做不接触回路。
一对X5->X5 是和X2->X3->X2;另一对是X5->X5和X3->X4->X3。
4、信号流图的绘制(1)由系统微分方程绘制信号流图微分方程先拉氏变换,指定系统变量,按因果关系排列,连成信号流图。
下面结合示例说明:例试绘制RC无源网络的信号流图。
设电容初始电压为U1(0)。
解由基尔霍夫定律,列写微分方程式如下:各微分方程式进行拉氏变换,则有对变量Ui(s),Ui(s)-U0(s),I1(s),I2(s),I(s),U0(s)及U1(0)分别设置七个节点;然后,用相应增益的支路将个节点连接起来,便得到RC无源网络的信号流图。
安徽大学2009 —2010学年第 一学期《 自动控制理论》(A 卷)考试试题参考答案及评分标准一、系统的结构图如图所示,试求该系统的闭环传递函数)()(s R s C 。
解:图中有2条前向通路,5个回路,,,,112321211=∆==∆=G P G G P,,,,,22135342132212121H G H G L G L G G L H G G L H G L =-=-=-=-=,)(154321L L L L L ++++-=∆则有∆∆+∆=2211)()(P P s R s C 2213321221123211H G H G G G G H G G H G G G G -+++++=二、(1)闭环传递函数为 21132223211()75007500()234.675007500n n n n s K s K s s s s K s s s K ωζωωω++Φ==++++++ 特征方程为321()34.6750075000D s s s s K =+++= 列劳斯表如下:321s s s s 11134.634.67500750034.67500K K ⨯- 1750075000K 根据劳斯判据得到:1034.6K <<时,系统稳定。
(2)令s=s 1-1代入到原特征方程,得到新的特征方程:321111()(1)34.6(1)7500(1)75000D s s s s K =-+-+-+=整理得:321111()34.67433.875007466.40D s s s s K =+++-=()列劳斯表如下:321s s s s 11131.631.67433.875007466.431.675007466.4K K ⨯---() 17433.875007466.40K - 根据劳斯判据得到:1032.3K <<时,闭环系统的极点全部位于s=-1垂线之左。
(3)31()R s s =, 单位反馈系统的误差传递函数()1()e s s Φ=-Φ故2321(34.6)()34.675007500s s e s s s s K +Φ=+++2332001320111(34.6)()lim ()()lim 34.675007500(34.6)34.61lim 7500375034.675007500s s s s s E s sR s e s s s s s s K s K s s s K →→→+=Φ=++++===+++三、1.绘制根轨迹的典型步骤如下:(1) 开环极点为0,-1,-2,见图,它们是根轨迹各分支上的起点。
机械控制工程基础期末考试试卷课程名称: 机械控制工程基础1;试卷编号:卷;考试时间:120分钟;考试形式:闭卷一、填空( 每小题4分,共20分)得分 评卷人复查人1、某系统传递函数为21s,在输入t t r 3sin 2)( 作用下,输出稳态分量的幅值为 。
2、谐波输入下,系统的 响应称为频率响应。
3、已知某系统开环传递函数的零点都在左半S 平面,其开环频率特性曲线如图1.5所示,则该系统位于右半S 平面的极点数有 个。
4、控制系统的基本要求主要有: , , 。
5、Nyquist 图上以原点为圆心的单位圆对应于Bode 图上 的 线。
二、选择题( 每小题3分,共30分 )1、关于反馈的说法,正确的是( )A .反馈实质上就是信号的并联B .反馈都是人为加入的C .正反馈就是输入信号与反馈相加D .反馈就是输出以不同方式作用于系统 2、关于系统模型的说法,正确的是( )A .每个系统只有一种数据模型B .动态模型在一定条件下可简化为静态模型C .动态模型比静态模型好D .静态模型比动态模型好 3、某环节的传递函数为s 1,则该环节为( )A. 惯性环节B. 积分环节 C .微分环节 D .比例环节 4、系统的传递函数( )学院 专业班级 年级姓名 学号 装订线(答题不得超过此线)A .与外界无关B .反映了系统、输出、输入三者之间的关系C .完全反映了系统的动态特性 D. 与系统的初始状态有关 5、二阶欠阻尼系统的上升时间为( )A .阶跃响应曲线第一次达到稳定值的98%的时间B .阶跃响应曲线达到稳定值的时间C .阶跃响应曲线第一次达到稳定值的时间D .阶跃响应曲线达到稳定值的98%的时间 6、关于线性系统时间响应,说法正确的是( )A .时间响应就是系统输出的稳态值B .由单位阶跃响应和单位脉冲响应组成C .由强迫响应和自由响应组成D .与系统初始状态无关 7、系统的单位脉冲响应函数为te t w 2.03)(-=,则系统的传递函数为( )A .2.03)(+=S s G B. 32.0)(+=S s GC .2.06.0)(+=S s G D .36.0)(+=S s G8、以下系统中,属于最小相位系统的是( ) A .s s G 01.011)(-= B .s s G 01.011)(+=C .101.01)(-=s s G D .)1.01(1)(s s s G -=9、一个线性系统稳定与否取决于( )A .系统的结构和参数B .系统的输入C .系统的干扰D .系统的初始状态 10、一个系统稳定的充要条件是( )A .系统的全部极点都在[S]平面的右半平面内B .系统的全部极点都在[S]平面的上半平面内C .系统的全部极点都在[S]平面的左半平面内D .系统的全部极点都在[S]平面的下半平面内三、系统结构图如下图所示,求)()(s R s Y (15分)四、系统在静止平衡状态下,加入输入信号t t r +=1)(,测得响应为9.09.0)(10+-=-tet t C试求系统的传递函数。
自动控制原理期末试卷一、简答:(共30分,每小题10分)1、说明闭环控制系统的基本组成,并画出其典型结构方框图。
2、什么叫稳定裕量,在如下所示的图中标出相角稳定裕量和增益稳定裕量。
3、说明非线性控制系统中具有哪些运动特征(与线性控制系统相比较)。
二、已知系统结构图如图所示,试求出系统的传递函数。
(共10分)三、已知反馈系统的开环传递函数为)6)(3()1()(2+++=s s s s K s G 。
(共10分) (1)试确定使系统稳定的K 的取值范围。
(5分)(2)若要求系统对于输入r(t)= t 2作用下的静态误差e SS ≤0.5,试确定K 的取值范围。
(5分)四、已知最小相位系统开环对数幅頻特性图如图所示,写出相应的传递函数。
(共10分)五、已知单位负反馈系统的开环传递函数为 )1)(1()(21++=s T s T s Ks G 。
(共10分)(1)试概略画出G (s )对应的Nyquist 图。
(5分) (2)由Nyquist 稳定判据给出闭环系统稳定的条件。
(5分) 六、已知系统的开环传递函数为)1()3(2)(+++=s s s s K s G )(绘制负反馈的根轨迹图,并确定使系统处于欠阻尼的K 值范围。
(共15分) 七、某采样控制系统的结构如图所示,已知τ=1,求: (1)求系统的脉冲传递函数。
(10分) (2)求系统稳定的K 值范围。
(5分)答案一、 简答:(共30分,每小题10分)1、答案:闭环控制系统的基本组成:检测元件、比较元件、放大元件、执行元件、给定元件、校正元件及被控对象。
(共6分,除被控对象外,每一个元件给1分)典型结构方框图(4分,可以没有局部反馈)2、答案:稳定裕量是系统距离稳定 的边界所具有的余量(5分)。
相角稳定裕量(3分)。
增益稳定裕量(2分)。
3、答案:与线性控制系统相比非线性控制系统表现出如下的特征: (1)非线性控制系统的运动不满足态的迭加原理。
《 自动控制原理》典型考试试题(时间120分钟)院/系 专业 姓名 学号第二章:主要是化简系统结构图求系统的传递函数,可以用化简,也可以用梅逊公式来求一、(共15分)已知系统的结构图如图所示。
请写出系统在输入r(t)和扰动n(t)同时作用下的输出C(s)的表达式。
G4H1G3G1G 2N(s)C(s)R(s)--+++二 、(共15分)已知系统的结构图如图所示。
试求传递函数)()(s R s C ,)()(s N s C 。
三、(共15分)已知系统的结构图如图所示。
试确定系统的闭环传递函数C(s)/R(s)。
G1G2R(s)-++C(s)-+四、(共15分)系统结构图如图所示,求X(s)的表达式G4(s)G6(s)G5(s)G1(s)G2(s)N(s)C(s)R(s)--G3(s)X(s)五、(共15分)已知系统的结构图如图所示。
试确定系统的闭环传递函数C(s)/R(s)和C(s)/D(s)。
G1G2R(s)-++C(s)-+D(s)G3G4六、(共15分)系统的结构图如图所示,试求该系统的闭环传递函数)()(s R s C 。
七、(15分)试用结构图等效化简求题图所示各系统的传递函数)()(s R s C一、(共15分)某控制系统的方框图如图所示,欲保证阻尼比ξ=0.7和响应单位斜坡函数的稳态误差为ss e =0.25,试确定系统参数K 、τ。
二、(共10分)设图(a )所示系统的单位阶跃响应如图(b )所示。
试确定系统参数,1K 2K 和a 。
三、(共15分)已知系统结构图如下所示。
求系统在输入r(t)=t 和扰动信号d(t)=1(t)作用下的稳态误差和稳态输出)(∞C2/(1+0.1s)R(s)-C(s)4/s(s+2)E(s) D(s)四、(共10分)已知单位负反馈系统的开环传递函数为:2()(2)(4)(625)KG s s s s s =++++试确定引起闭环系统等幅振荡时的K 值和相应的振荡频率ω五、(15分)设单位反馈系统的开环传递函数为12 )1()(23++++=s s s s K s G α若系统以2rad/s 频率持续振荡,试确定相应的K 和α值第三章:主要包括稳、准、快3个方面稳定性有2题,绝对稳定性判断,主要是用劳斯判据,特别是临界稳定中出现全零行问题。
现代控制理论试卷一、简答题(对或错,10分)(1)描述系统的状态方程不是唯一的。
(2)用独立变量描述的系统状态向量的维数不是唯一的。
(3)对单输入单输出系统,如果1()C sI A B --存在零极点对消,则系统一定不可控或者不可观测。
(4)对多输入多数出系统,如果1()sI A B --存在零极点对消,则系统一定不可控。
(5)李雅普诺夫直接法的四个判定定理中所述的条件都是充分条件。
(6)李雅普诺夫函数是正定函数,李雅普诺夫稳定性是关于系统平衡状态的稳定性。
(8)线性定常系统经过非奇异线性变换后,系统的可控性不变。
(9)用状态反馈进行系统极点配置可能会改变系统的可观测性。
(10)通过全维状态观测器引入状态反馈来任意配置系统的闭环极点时,要求系统必须同时可控和可观测。
对一个线性定常的单输入单输出5阶系统,假定系统可控可观测,通过设计输出至输入的反馈矩阵H 的参数能任意配置系统的闭环极点。
二、试求下述系统的状态转移矩阵()t Φ和系统状态方程的解x 1(t)和x 2(t)。
(15分)1122()()012()()()230x t x t u t x t x t ⎡⎤⎡⎤⎡⎤⎡⎤=+⎢⎥⎢⎥⎢⎥⎢⎥--⎣⎦⎣⎦⎣⎦⎣⎦12(0)0,(),0(0)1tx u t e t x -⎡⎤⎡⎤==≥⎢⎥⎢⎥⎣⎦⎣⎦ 三、设系统的传递函数为()10()(1)(2)y s u s s s s =++。
试用状态反馈方法,将闭环极点配置在-2,-1+j ,-1-j 处,并写出闭环系统的动态方程和传递函数。
(15分) 四、已知系统传递函数2()2()43Y s s U s s s +=++,试求系统可观标准型和对角标准型,并画出系统可观标准型的状态变量图。
(15分)五、已知系统的动态方程为[]211010a x x uy b x ⎧⎡⎤⎡⎤=+⎪⎢⎥⎢⎥⎨⎣⎦⎣⎦⎪=⎩,试确定a ,b 值,使系统完全可控、完全可观。
机械控制工程基础复习题11、 选择填空(30分,每小题2分)(下列各题均给出数个答案,但只有一个是正确的,请将正确答案的序号写在空白 处)1.1在下列典型环节中,属于振荡环节的是 。
(A) 101.010)(2++=s s s G (B) 101.01)(2++=s s s G (C) 101)(+=s s G 1.2系统的传递函数定义为在零初始条件下输出量的Laplace 变换与输入量的Laplace变换之比,其表达式 。
(A )与输入量和输出量二者有关(B )不仅与输入量和输出量二者有关,还与系统的结构和参数有关 (C )只与系统的结构和参数有关,与输入量和输出量二者无关 1.3系统峰值时间p t 满足 。
(A )0)(=pp o dt t dx (B ))()(∞=o p o x t x (C ))()()(∞⋅∆≤∞-o o p o x x t x其中,)(t x o 为系统的单位阶跃响应。
1.4开环传递函数为G (s )的单位反馈系统的静态速度误差系数的计算式为 。
(A) )(lim 0s G K s v →= (B) )(lim 2s G s K s v →=(C) )(lim 0s sG K s v →=1.5最大百分比超调量(%)p M 的定义式为 。
(A ))()(max (%)∞-=o o p x t x M (B) %100)()()(max (%)∞∞-=o o o p x x t x M(C ))()(max(%)t x t x M i o p = 其中,)(t x i 为系统的输入量,)(t x o 为系统的单位阶跃响应,)(max t x o 为)(t x o 的最大值。
1.6给同一系统分别输入)sin()(11t R t x i ω=和)sin()(2t R t x r i ω=这两种信号(其中,r ω是系统的谐振频率,1ω是系统正常工作频率范围内的任一频率),设它们对应的稳态输出分别为)sin()(1111ϕω+=t C t x o 和)sin()(222ϕω+=t C t x r o ,则 成立。
+ C (s )G 4 (s )G 2 (s )G 3 (s )R (s ) E (s )C (s )--10 s (s + 1)Kτs一、(10 分)系统结构图如题一图所示,求系统闭环传递函数C(s) R(s) 。
题一图二、(10 分)系统结构图如题二图所示, 已知系统单位阶跃响应的超调量σ % = 16.3% 峰值时间t p = 1s 。
题二图(1) 求系统的开环传递函数G (s ) ; (2) 求系统的闭环传递函数Φ(s ) 。
(3) 根据已知的性能指标σ % , t p ,确定系统参数 K ,τ三、(10 分)已知负反馈系统的开环传递函数为G (s )H (s ) =7(s + 1)s (s + 4)(s 2 + 2s + 2)2试求输入信号为r (t ) = 1(t ) + t ⋅1(t ) 时,系统的稳态误差。
四、(15 分)设某控制系统方框图如题四图所示 (1)求使系统稳定的T 的取值范围(2)求使该二阶系统阻尼比ζ 最小的T 值,以及相应的ζ min 。
R (s ) +-题四图五、(15 分)闭环系统的开环传递函数为G (s )H (s ) =K (s + 5)s (s 2 + 4s + 8)(1)绘制系统的根轨迹图;(2)当 K 为何值时,系统是稳定的;(3)判断 s 平面上的点(-1, j 0) 是不是根轨迹的点,如果是,请计算出该点对应的 K 值。
2 C (s )Ts (s + 1) + 2s一、(10 分)已知系统结构图如题1 图所示,图中R(s) 为输入信号,N (s) 为干扰信号,试求传递函数C(s),C(s)。
R(s) N (s)R(s)G1- -N (s) - C(s)题 1 图二、(10 分)已知系统的阶跃响应为c(t) = 1 + 0.2-60t - 1.2e-10t ,试求:(1)系统的单位脉冲响应;(2)系统的阻尼比ς和自然振荡频率ωn ,最大超调量及上升时间。
一、(9分)设单位负反馈系统开环零极点分布如图所示,试绘制其一般根轨迹图。
(其中-P 为开环极点,-Z 为开环零点)二、(12分)已知系统结构图如下,试求系统的传递函数)()(,)()(s R s E s R s C 三、(15分)已知系统结构图如下,试绘制K 由0→+∞变化的根轨迹,并确定系统阶跃响应分别为衰减振荡、单调衰减时K 的取值范围。
四、(15分)离散系统如下图所示,试求当采样周期分别为T=0.1秒和T=0.5秒输入)(1)23()(t t t r ⋅+=时的稳态误差。
题2图1G 2G 3G 5G CR+E−−4G +6G五、(10分)系统闭环传递函数为2222)(nn ns s G ωξωω++=,若要使系统在欠阻尼情况下的单位阶跃响应的超调量小于16.3%,调节时间小于6s ,峰值时间小于6.28s ,试在S 平面上绘出满足要求的闭环极点可能位于的区域。
(8分)六、(15分)已知最小相位系统的对数幅频特性曲线如下图所示(分段直线近似表示)七、(15分)某离散控制系统如下图,采样周期T=0.2秒,试求闭环稳定的K 1、K 2的取值范围。
八、(10分)已知系统的结构图如下,试求:(1)闭环的幅相特性曲线;(2)开环的对数幅频和相频特性曲线;(3)单位阶跃响应的超调量σ%,调节时间ts ;(4)相位裕量γ,幅值裕量h。
九、(10分)图所示离散系统开环传递函数()()110o +=s s s G 的Z 变换为:()()()()111110−−−−−=e z z ze z G 试求闭环系统的特征方程,并判定系统的稳定性。
注:72.2e =。
十、(15分)已知单位负反馈系统的开环传递函数为22)1()1)(1()(−+−=S S K s G ,试绘制K 由0→+∞变化的根轨迹,并确定系统阶跃响应为衰减振荡时K 的取值范围。
十一、(12分)已知系统结构图如下,试求系统的传递函数)()(s R s C 。
一、求下图所示系统的传递函数)(/)(0s U s U i 。
(10分))1()()(3132320+++-=CS R R R R CS R R s U s U i一、控制系统方块图如图所示:(1)当a =0时,求系统的阻尼比ξ,无阻尼自振频率n ω和单位斜坡函数输入时的稳态误差;(2)当ξ=0.7时,试确定系统中的a 值和单位斜坡函数输入时系统的稳态误差; 系统的开环传函为s a s s G )82(8)(2++=闭环传函为8)82(8)()(2+++=s a s s R s Y 25.0 83.2 36.0===ss n e ωξ 4 25.0==ss e a设某控制系统的开环传递函数为)22()(2++=s s s ks G 试绘制参量k 由0变至∞时的根轨迹图,并求开环增益临界值。
(15分)1)j p j p p --=+-==1103212)πππϕσ35,,332=-=a a (10分)3)ω=j 2±,c k =4,开环增益临界值为K=2设某系统的特征方程为23)(234+--+=s s s s s D ,试求该系统的特征根。
列劳斯表如下022*******234s ss s ---(4分)得辅助方程为222=+-s ,解得1,121-==s s(4分)最后得1,243=-=s s设某控制系统的开环传递函数为)()(s H s G =)10016()12.0(752+++s s s s 试绘制该系统的Bode 图,并确定剪切频率c ω的值剪切频率为s rad c /75.0=ω某系统的结构图和Nyquist 图如图(a)和(b)所示,图中2)1(1)(+=s s s G 23)1()(+=s s s H 试判断闭环系统稳定性,并决定闭环特征方程正实部根的个数。
(16分)解:由系统方框图求得内环传递函数为:ss s s s s s H s G s G +++++=+23452474)1()()(1)((3分)内环的特征方程:04742345=++++s s s s s (1分)由Routh 稳定判据:1:0310:16:44:171:01234s s s s s七、设某二阶非线性系统方框图如图所示,其中 4 , 2.0 , 2.00===K M e 及s T 1=,试画出输入信号)(12)(t t r ⋅=时系统相轨迹的大致图形,设系统原处于静止状态。