物资管理处仓库6S管理制度
- 格式:doc
- 大小:90.00 KB
- 文档页数:4
2018月(下)行政事业资产财务与医院物资库房6S 管理模式的建立张一枝(南京医科大学附属淮安第一医院江苏淮安)摘要:本文对医院物资的库房工作流程的梳理以及库房管理现况的调研,发现物资存储、配送中存在的问题,运用6S 建立新的管理模式。
医院运用6S 管理促进物资库房的规范化管理,避免物资积压、过期;降低物资库存量、减少仓储成本、提高周转率;提高配送的准确性和及时性。
最终实现物资库房的精细化管理。
关键词:物资库房;6S 管理;分拣中心随着我国经济体制和医疗改革的不断深入,作为公立医院,必须探索精细化管理的模式,寻求降低成本的方法。
而随着医院运行规模的不断扩大,物资消耗量呈现持续上升趋势,物资管理在医院经营活动中的作用越发突出,建立制度化、合理化、信息化的物资管理体系则显得尤为重要。
近年来,6S 管理相继渗透到医院的质量管理、服务品质、安全、效率、人员素质及形象提升等各个层面,也将成为医院物资库管理的重要工具。
6S 即整理(SEIRI )、整顿(S E I TO N )、清扫(S E I S O )、清洁(SEIKETSU )、素养(SHITSUKE )、安全(SECURITY )。
一、物资库房存在的问题传统的库房物资搬运作业包括卸货、储存、分拣、配送。
目前我院物资库房由四个库房组成:两个医用耗材仓库,两个总务仓库。
四个库房分散四处,各库分开配送,配送流程制度操作繁杂,工作人员一般按经验进行领取、发放,使得物资在配送中很难兼顾及时性和准确性,而且容易造成物资丢失的现象,也造成了搬运作业中工作人员无效行走时间所占的比例越来越大。
库房物资的摆放十分随意,没有分类,没有标识,使得管理没有重点,无形中增加了工作人员的劳动强度,降低了工作效率,造成人力的极大浪费。
HRP 系统中物资的上下限都是采购员和仓库保管员按经验设定,没有经过准确的核算,经常出现物资缺货和长期积压的现象。
二、实施6S 管理1.整理(SEIRI )整理是指定期对库房进行整理,处理废弃、过期物资,防止物资积压。
6s管理制度(管理制度)第一篇:6管理制度6管理一、6管理的概念1、6管理:即指“整理、整顿、清扫、清洁、素养、安全”;2、6词语由来:由于前五个词组日的罗马拼写和第六个词组英的字母拼写中,第一个字母均为“”,故简称为“6”;3、6管理起源:6管理起源于日本,现已成为国际上许多大中型企业现场管理的经典之作。
二、6管理之内容1、整理:首先,对工作现场物品进行分类处理,区分为必要物品和非必要物品、常用物品和非常用物品、一般物品和贵重物品等;2、整顿:对非必要物品果断丢弃,对必要物品要妥善保存,使工作现场秩序昂然、井井有条;并能经常保持良状态。
这样才能做到想要什么,即刻便能拿到,有效地消除寻找物品的时间浪费和手忙脚乱;3、清扫:对各自岗位周围、办公设施进行彻底清扫、清洗,保持无垃圾、无脏污;4、清洁:维护清扫后的整洁状态;5、素养:将上述四项内容切实执行、持之以恒的贯彻执行下去,从而养成一种良习惯;6、安全:上述一切活动,始终贯彻一个宗旨:围绕其工作环境改善,实现“安全第一,预防为主”。
三、6管理的意义及处(一)对的意义及处1、工作态度的改变;2、增加荣誉感;3、增加责任感;4、改善沟通能力;5、改善管理能力;6、改变工作习惯;7得到的工作环境;改变心态,改善管理沟通能力,改变工作习惯,得到能力整体提升。
(二)对企业的意义及处1、工作态度;2、改善流程;3、改进管理;4、增加放权授能;5、提高效率;6、提升形象;7、合理利用场地;8、提高竞争力;9、改善沟通与信息流通渠道;顾客满意、管理流程改善、提高效率、节约成本、提高竞争力、业绩成长。
四、如何推动6管理(一)责任部门1、行政部统一管理公司6的推动工作,负责组建一个由各部门指定人员参加的6管理小组,该小组有权对各部门6开展情况进行指导、监督、检查、评比、奖罚和发布;2、各部门组建本部门6管理小组,定期参加公司6管理进行指导、监督、检查、评比、奖罚和发布工作。
6s管理制度(管理制度)-仓库6s管理制度整理、整顿、清扫、清洁、素养、安全目的保证仓库环境的清洁、明亮、安全,减少工作中的失误。
范围成品仓、半成品仓、原辅材料仓责任1. 仓管员负责个人责任区域内的日常6s管理。
2. 仓库主管负责对仓库6s的管理情况进行督促,检查。
工作内容1.整理:现场的检查、区分必需与非必需品、随时清理非必需品、非必须品的处理、定期循环整理。
通过整理能及时发现库中的呆、滞料,及办公区中的非必要品,并能及时的进行呆、滞料的申报及非必须品的清理。
2 .整顿:要把需要的物品加以定量、定位。
通过整顿,能合理的布置不同物料的库位,以便需要时能在最快速的情况下取到可用之物,从而达到大幅度提高工作效率的目的。
3. 清扫:仓管员根据个人责任分担区的划分,每日早8:00-8:15分进行彻底清扫,清扫要及时、彻底。
定期保养、及时的维修异常的搬运工具。
清扫主要集中以下几个方面:3.1 清扫从地面到工作区到货架。
3.2 定期对仓库的搬运工具、量具进行保养,如有异常时及时通报有关部门进行维修。
3.3 及时发现污染源,切断污染途径,彻底解决污染问题。
仓库主管将不定期对每日的清扫情况进行检查。
4. 清洁:经过整理、整顿、清扫后,应认真进行维护,保持完美和最佳状态。
清洁的地方包括:过道、仓库货位、货架、运输工具、文件等。
通过对前三项的坚持和深入能够创造一个良好的工作环境,对提高工作效率和改善整体的绩效是很有帮助的。
5.安全:仓库是公司物资存储的重要场所,在日常工作中除正常工作接触的相关人员外,要杜绝其它闲散人员在仓库中逗留,仓库中的电器要严格按照使用规范进行操作,不准私自乱接电器设备,每次从储藏柜中取出物品后应及时上锁。
每日交班、下班前要认真检查需要关闭的电器是否关闭,仓门是否上锁,仓管员要对所管理库房的防火、防盗负责。
6.素养:要把日常的整理、整顿、清扫、清洁形成一种习惯,从而产生一种责任感,使6s的工作长时间的坚持下去。
6S管理基本要素
一、整理(Seiri)
(1)、将工作现场的所有物品分为必要的和不必要的;(2)、彻底清除不必要的废弃物。
二、整顿(Seiton )
(3)、所有设备、设施放置到标志指示位置;
(4)、材料、工(器)具要码放整齐,摆放有序,取送方便;(5)、保证所需物资的数量和质量。
三、清洁(Sanitary)
(6)、清扫责任区内的杂物垃圾,保持工作场所整洁干净;(7)、保养设备工具,使其整洁完好;
(8)、整理个人装束,保持个人清洁;
(9)、按照设定的时间跨度完成清洁。
四、规范(Standrdize)
(10)、按时完成工序作业和工作任务;
(11)、遵守作业规程,严禁违章作业;
(12)、按照标准操作,实现过程和结果的标准化;
(13)、实行目视管理,增加透明度。
五、素养(Shitsuke)
(14)、确立全新的思想观念;
(15)、养成良好的工作习惯;
(16)、遵循标准的工作程序;
(17)、提高技术业务水平和操作技能;(18)、言行文明;
(19)、协作配合;
(20)、遵守职业道德规范;
(21)、不准迟到、早退、脱岗;
(22)、爱护公共设施,不损害、私拿公共财物。
六、安全(Safety)
(23)、不发生人身事故;
(24)、不发生设备、设施事故;
(25)、防火、防盗。
6S管理要与不要判断标准一、目的:为使生产作业区域整洁、有序,将必需与非必需品区分开,在生产作业区只放必需物品,制定本原则。
二、要与不要区分方式:根据物品的使用频率来决定它的放置和管理方法。
使用频率是每个小时、每天、每周或者每月都在用的,确定为必需品。
反之为非必需品。
三、要与不要的原则(一)要1、正常的设备、机器或电气装置2、附属设备3、推车4、正常使用中的工具5、正常的工作椅、板凳6、尚有使用价值的消耗用品7、原材料、半成品、成品8、尚有利用价值的边料9、垫板、塑胶框、防尘用品10、使用中的垃圾桶、垃圾袋11、使用中的样品12、办公用品、文具13、使用中的清洁用品14、美化用的海报、看板15、推行中的活动海报、看板16、有用的书稿、杂志、报表、档案17、其他(私人用品)(二)不要1、地板上的A、废纸、灰尘、杂物、烟蒂B、油污C、不再使用的设备、工夹具、模具D、不再使用的办公用品、垃圾筒E、破垫板、纸箱F、废料或过期样品2、桌子或橱柜A、破旧的书籍、报纸B、破椅垫C、老旧无用的报表、帐本D、损耗的工具、余料、样品3、墙壁上的A、蜘蛛网B、过期海报、看报C、过时的月历、标语4、吊着的A、不再使用的配线配管B、不堪使用的手工夹具E、更改前的部门牌四、物品归类和处理表(一)生产作业区要与不要物品归类和处理负责人签字:领导签字:五、生产作业区检查要点1、现场摆放的物品是否符合规定;2、物料架、模具架、工具架等是否正确使用与清理;3、桌面及抽屉有没有定时清理;4、物品、材料、废料、余料等是否置放清楚;5、模具、量具、工具等是否正确使用,有无预防保养;6、机器上有没有摆放不必要的物品、工具等。
机器安装是否牢靠;7、非立即需要或过期的资料、物品是否被定位或入柜管理;8、茶杯、私人用品及衣物等是否定位置放;9、资料卡、保养卡、点检表是否定期记录,定位放置;10、手推车、小拖车、材料车、转运车等是否制动放置;11、塑料篮、铁箱、纸箱等搬运器具是否定位摆放;12、润滑油、切削油、清洁剂等用品是否定位放置并做了标示;13、作业场所有没有划分区域、并标识;14、消耗品(如抹布、手套、扫把等)是否得到妥善管理;15、材料、可疑材料、产品、半成品等是否有序摆放;16、走道是否保持畅通,通道内有没有摆放或跨越物品,如电线、货盘;17、生产中的下脚料是否得到回收;18、是否划定位置收藏不良品、破损品及使用频度低的东西;19、有油之抹布等易燃物品,是否定位摆放和隔离;20、目前或短期不用的物品,是否被放置在合理的地方;21、人员离开工作岗位或放学后,现场物品是否整齐放置;22、重要设备有没有加设防护物和警告牌;23、下班前有没有进行五分钟打扫和收拾物品;24、垃圾、纸屑、烟蒂、塑胶袋、破布等有没有及时扫除;25、机器设备、场地、门、窗户、等有没有清理干净;26、废料、余料、呆料、等有没有处理完毕;27、作业区的油污有没有及时清扫;28、垃圾箱、桶内外是否清扫干净;29、蜘蛛网是否已扫除;30、工作环境是否随时保持干净整洁;31、长期置放(一周以上)的物品、材料、设备等有没有加盖防尘;32、照明器具上有无灰尘;33、墙壁油漆剥落或地上画线油漆剥落有没有加以修补;34、是否遵守作息时间,如不迟到、早退、无故旷课;35、学生实训态度是否良好,有无擅自离岗、谈天、说笑、打盹、吃东西等;36、穿戴是否整齐,有无衣冠不整、穿拖鞋等现象;37、使用完的公物,能否确实归位,并保持清洁;38、公共厕所是否干净,蹲位是否足够;39、学生是否有违纪现象六、“不要物”处理流程不再有任何用途的物资(不含固定资产)扔掉;对学校不再有任何用途但有废物利用价值的由学校统一布置;重新分配给其他用得到的部门;在学校统一布置下外卖;归还给原来使用的部门;暂时不用的放入专门的仓库,待用。
仓库6S管理规范一﹑目的规范现场管理,指导各原料库和成品库“6S”工作规范化开展,创造干净、整洁、舒适、安全的工作环境,提高职工工作效率及准确性。
二、范围适用于物资管理处所属仓库区域的“6S”管理现场。
三、6S含义1、整理(SEIRI):工作现场,区别要与不要的东西,只保留有用的东西,撤除不需要的东西。
目的:腾出空间,空间活用,防止误用,塑造清爽的工作场所。
2、整顿(SEITON):把要用的东西,按规定位置摆放整齐,并做好标识进行管理。
目的:工作场所一目了然,消除寻找物品的时间,整整齐齐的工作环境,消除过多的积压物品。
3、清扫(SEISO):将岗位保持在无垃圾、无灰尘、干净整洁的状态。
目的:稳定品质,减少工业伤害。
4、清洁(SEIKETSU):将整理、整顿、清扫进行到底,并且制度化、规范化。
目的:创造明朗现场,维持上面3S成果。
5、素养(SHISUKE):对规定了的事,大家都要遵守执行。
目的:培养有好习惯、遵守规则的职工,营造团队精神。
6、安全(SECURITY):重视职工安全教育,每时每刻都有安全第一观念,防范于未然。
目的:建立起安全生产的环境,所有的工作应建立在安全的前提下。
四、目标1、“两齐”:库容整齐、堆放整齐2、“三清”:数量、质量、规格清晰3、“三洁”:货架、货物、地面整洁4、“三相符”:帐、卡、物一致5、“四定位”:区、架、层、位,对号入座五、仓库区域划分1、仓库根据空间划分为原料A库、原料B库、辅料库、内包材库、常温成品库、原料冻库、成品冻库,划分所负责的区域给仓管员。
2、区域划分按照同一时间在同一地点只能有一人负责的原则。
3、个人负责的区域必需有明确的界线,不允许与他人区域交叉。
4、个人对自己所负责区域的6S执行情况负全部责任,主管对本管理区的6S执行情况负全部责任。
六、执行标准1、区域与标识1)区域划分清晰,区域名称、责任人明确标识。
2)货架上的区域号码应准确、牢固, 所有物品都有一个清楚的物料卡(名)和固定的摆放位置(家),标示左进右出.3)外包装箱上的标识必须清晰、牢固,标识中的物料名称、规格、数量必须与箱内的实物一致。
6S管理制度一、6S管理定义:6S即整理(SEIRI)、整顿(SEITON)、清扫(SEISO)、清洁(SEIKETSU)、素养(SHITSUKE)、安全(SAFETY)1S----整理(SEIRI):对物品进行分类处理,区分为必要物品和非必要物品、常用物品和非常用物品、一般物品和贵重物品等;目的:腾出空间,提高工作效率。
2S----整顿(SEITON):对非必要物品果断丢弃,对必要物品要妥善保存,使办公现场秩序昂然、井井有条;并能经常保持良好状态。
这样才能做到想要什么,即刻便能拿到,有效地消除寻找物品的时间浪费和手忙脚乱;目的:排除寻找的浪费。
3S----清扫(SEISO):对各自岗位周围、办公设施定期进行彻底清扫、清洗,保持无垃圾、无脏污;目的:使不足、缺点明显化,是品质的基础。
4S----清洁(SEIKETSU):维护清扫后的整洁状态;目的:通过制度化来维持成果,并显现“异常”之所在。
5S----素养(SHITSUKE):将上述四项内容切实执行、持之以恒,从而养成习惯;目的:提升“人的品质”,养成对任何工作都持认真态度的人。
6S----安全(SAFETY):上述一切活动,始终贯彻一个宗旨:安全第一。
目的﹕杜绝安全事故、规范操作、确保产品质量。
二、6S管理目的:1、实行6S管理,是理顺工作现场秩序和提高工作效率的重要管理手段,通过规范现场、现物,营造干净、整洁的工作环境,培养员工良好的工作习惯。
2、实行6S管理,培养各级管理人员工作标准化、规范化、程序化、系统化的工作方式,管理各种物品及文件资料,及时准确地按工作内容、工作程序分类定置,便于及时处理各种信息,从而提高工作效率。
同时办公室是个窗口,为了发挥窗口的作用,树立企业良好的对内对外形象。
三、职责1、体系处负责协调“6S”管理的各项工作。
2、生产处、安全处负责“6S”管理的推动落实。
3、管理处负责“6S”管理的考核。
4、各部门负责“6S”在本部门的具体实施。
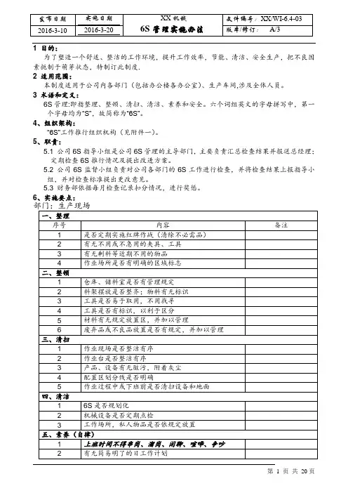
1 目的:
为了塑造一个舒适、整洁的工作环境,提升工作效率,节能、清洁、安全生产,把不良因素扼制于萌芽状态,特制订此制度.
2 适用范围:
本制度适用于公司内各部门(包括办公楼各办公室)、生产车间,涉及全体人员。
3 术语和定义:
6S管理:即指整理、整顿、清扫、清洁、素养和安全。
六个词组英文的字母拼写中,第一个字母均为“S”,故简称为“6S”。
4、组织架构:
“6S”工作推行组织机构(见附件一)。
5、职责:
5.1 公司6S指导小组是公司6S管理的主导部门,主要负责汇总检查结果并报送总经理;
定期检查6S推行情况及提出改进方案。
5.2 公司6S监督小组负责对公司各部门的6S工作进行检查,并将检查结果上报指导小
组,并对检查标准提出更改意见。
5.3 财务部依据每月检查记录扣分情况,进行奖惩。
6、实施要点:
附件一:“6S”工作推行组织机构
附件三:部门工作细则:
1:部门:客户部 1.1区域:包装区域
1:部门:客户部 1.2区域:仓库区域
2:部门:制造部 2.5区域:铸件毛刺工区域
2:部门:制造部 2.6区域:数控操作区域
2:部门:制造部 2.7区域:钻床、攻丝机、喷丸区域
2:部门:制造部 2.7区域:冲压车间
3:部门:技术部 3.1区域:模具钳工工作台
3:部门:技术部 3.7:区域:摇臂钻加工区域
第21 页共20页。
物资管理处仓库6S管理制度一、总则二、6S管理原则1. 清理(Seiri):按照仓库的需求,对仓库内的物品进行分类和清理,保留必要的物品,清除无用的或过期的物品。
2. 整顿(Seiton):将清理后的物品进行整理,并按照一定的规则和标准进行布局,合理利用仓库空间。
3. 清洁(Seiso):定期对仓库进行清洁,包括地面、货架、货物等的清洁,并保持仓库的整洁和卫生。
4. 清楚(Seiketsu):建立整齐、清晰的工作标准和作业流程,保持仓库内的物品和设备的标识清晰。
5. 节能(Shitsuke):培养和加强仓库工作人员的责任心和自律性,养成良好的工作习惯和行为规范。
6. 安全(Anzen):确保仓库的安全,做好安全教育和培训,保障物品和人员的安全。
三、各项管理细则1.清理细则(1)定期对仓库内物品进行分类清理。
(2)严禁私自携带物品进仓库。
(3)及时清除过期和无用的物品,并做好登记备案。
2.整顿细则(1)对仓库内物品进行整理和摆放,确保物品有固定的位置。
(2)建立合理的存储布局,将常使用的物品放置在易取得的位置。
(3)要求仓库内的货架和存储设备保持整洁有序。
3.清洁细则(1)按照规定的清洁周期对仓库进行定期清洁。
(2)要求仓库内的地面、货架和货物保持干净整洁。
(3)定期对仓库内的垃圾进行清理和处理。
4.清楚细则(1)建立仓库物品目录和标识牌,确保物品的存放和取出有记录可查。
(2)建立物品存放和取出的标准操作流程,明确仓库工作人员的职责和权限。
(3)保持库位管理的准确性,对更换库位的物品进行清楚标识。
5.节能细则(1)提高仓库设备的能源利用效率,如定期检查维护设备。
(2)合理使用仓库的照明设备,确保时有时无,不浪费能源。
6.安全细则(1)建立仓库安全制度,明确物资储存和保管的责任和义务。
(2)加强仓库安全教育和培训,提高工作人员的安全意识和操作能力。
四、6S管理的具体操作步骤1.制定6S管理计划,明确目标和时间节点。
导书标题:6S管理实施规程页码1/13受控印章审核/日期:批准/日期:修改记录日期版号更改号更改内容摘要填写人批准人第一章概述6S起源于日本,6S即日文的整理(SEIRI)、整顿(SEITON)、清扫(SEISO)、清洁(SEIKETSU)、素养(SHITSUKE)、安全(SAFETY)这六个单词,又被称为“六常法则”或“六常法”。
6S管理是通过规范现场、现物,营造一目了然的工作环境,培养员工良好的工作习惯,是日式企业独特的一种管理方法,其最终目的是提升人的品质:◇除马虎之心,养成凡事认真的习惯(认认真真地对待工作中的每一件“小事”);◇遵守规定的习惯;◇自觉维护工作环境整洁明了的良好习惯;◇文明礼貌的习惯。
第二章 6S管理实施要领一、1S整理1、整理定义将工作场所任何东西区分为有必要的与不必要的,把必要的东西与不必要的东西明确地、严格地区分开来,把不必要的东西尽快处理掉。
2、目的腾出空间,空间活用;防止误用、误送;塑造清爽的工作场所。
3、注意点要有决心,不必要的物品应断然地加以处置。
4、实施要领◇自己的工作场所(范围)全面检查,包括看得到和看不到的;◇制定「要」和「不要」的判别基准;◇将不要物品清除出工作场所;◇对需要的物品调查使用频度,决定日常用量及放置位置;◇制订废弃物处理方法。
二、2S整顿1、整顿定义对整理之后留在现场的必要的物品分门别类放置,排列整齐;明确数量并进行有效地标识。
2、目的使工作场所一目了然,并节省寻找物品的时间,消除过多的积压物品。
3、注意点这是提高效率的基础。
4、实施要领◇前一步骤整理的工作要落实;◇流程布置,确定放置场所;◇规定放置方法、明确数量;◇划线定位,场所、物品标识。
5、整顿的“3要素”----场所、方法、标识5.1放置场所◇物品的放置场所原则上要100%设定;◇物品的保管要定点、定容、定量;◇生产线附近只能放真正需要的物品。
5.2放置方法◇易取;◇不超出所规定的范围;◇在放置方法上多下工夫。
6S管理规定1.目的通过6S管理提升企业形象,减少浪费、保障安全、提高工作效率。
“规范现场现物”,从细处着手,营造一个整洁舒心的工作环境,培养员工良好的工作习惯,其最终目的是提升人的品质,满足生产与产品需要,特制定本办法。
2.适用范围本规定适用于惠州至精精密技术(镇隆)分公司各事业部的办公室、生产车间及仓6S管理。
3.术语和定义6S即:整理(Seiri)、整顿(Seiton)、清扫(Seisu)、清洁(Seiketsu)、素养(Shitsuke)安全(Safety),以上6个项目,因日语的拼音均以“S”开头,故简称6S。
4.职责4.1各事业部生产部门4.1.1 开展6S培训、宣传、教育活动,促进员工养成遵守各项规定的习惯;4.1.2 选出2名内部6S稽核人员,每日检查内部6S工作,并将每天的检查结果公布;4.1.3 责任部门对检查出的问题填写对策、进行改善;4.1.4 对6S责任区的环境安全、产品物料进行控制;4.1.5 全面实施“6S管理制度”,保证仓库、生产现场及其它6S责任区整洁有序,文明安全。
4.2 生管物料部门4.2.1合理安排生产计划,提高车间一次完成率;物料及时到位,不使车间出现欠料、尾数等状况;4.2.2 配合车间、仓库及时处理呆滞品和不合格品,保持车间现场整洁。
4.3维修部组织车间对生产设备进行日常保养,保证生产设备清洁、润滑、运转完好;4.4 人力行政部4.4.1 不断健全6S执行要求与检查制度,建立“6S”督查小组并领导其活动;4.4.2 每周对检查结果进行汇总并反馈给各相关车间、科室,并提出相应纠正措施与整改时间,按时进行验证;4.4.3 组织各车间、事业部、办公室全面实施《6S管理制度》,月底落实对各事业部、车间、办公室执行情况并考核。
5.具体实施5.1 6S要求原则5.1.1整理:通过清理,将办公场所和工作现场中的物品按用和不用分开,需要品留下来,妥善保管,不需要品进行处理或报废,现场只保留必要的物品,进而改善作业环境,增加作业面积,提高工作效率;5.1.2 整顿:在清理的基础上,合理规划现场空间和工作场所,将需要品依据定位、定品、定量的标准,摆放整齐,予以标识,令所有人都清楚、都明白,使寻找需要品的时间减少为零,提高工作效率。
仓库6S管理制度第一章总则第一条目旳为了达到如下目旳,特制定本制度。
1. 营造良好旳工作环境及和谐融洽旳管理氛围。
2. 保持仓库整洁、整洁、安全,做好仓库物资管理工作。
第二条合用范畴本制度合用于仓库管理过程中整顿、整顿、清洁、打扫、素养、安全活动旳开展。
第三条术语解释6S是指整顿(Seiri)、整顿(Seiton)、打扫(Seiso)、清洁(Setketsu)、素养(Shitsuke)、安全(Safety)六个项目,因日语旳罗马拼音均以“S”开头,简称6S管理。
第四条管理职责1.6S履行小组负责制定仓库6S管理规范,并监督、检查、考核6S管理旳实行状况。
2. 仓储主管负责实行仓库6S管理工作。
3. 各有关人员配合仓库进行6S管理。
第五条仓库6S管理旳目旳履行仓库6S管理是为了达到如下目旳。
1. 库容整洁、堆放整洁。
2. 仓库物资旳数量、质量、规格清晰。
3. 货架、货品、地面清洁。
4. 物资旳账、卡、物一致。
5. 库存区域、货架、货位精拟定位。
6.保证仓库安全、严守公司机密。
第二章仓库6S管理第六条学习仓库6S管理规范仓库6S管理规范体系完毕后,仓库主管应组织学习仓库6S管理规范体系,保证仓库所有员工均掌握仓库6S工作实行要点,为6S活动旳履行打好基本。
第七条整顿仓库主管在进行6S管理规范体系之后,则需进行6S管理旳整顿工作。
1. 整顿是指将工作场合内旳物品分类,并把不要旳物品清理掉。
2. 仓库整顿工作可以达到腾出空间、避免误送误用旳目旳,可塑造整洁旳工作环境。
3. 整顿过程中,应特别注意仓库呆废料、返修品、报废品以及工具等旳解决,保持仓库旳有序。
4. 整顿过程中应对仓库进行全面检查,不易看到旳地方也要检查。
5. 仓库员工每天还需进行自我检查。
第八条整顿整顿是指把有用旳物品按规定分类摆放好,并做合适旳标记,杜绝乱堆、乱放、物品混淆不清等无序现象旳发生。
1. 整顿旳目旳是使工作场合一目了然,减少寻找物品旳时间,清除过多旳积压物品。
6s管理制度6s管理制度(精选11篇)在现实社会中,制度对人们来说越来越重要,制度泛指以规则或运作模式,规范个体行动的一种社会结构。
这些规则蕴含着社会的价值,其运行表彰着一个社会的秩序。
想学习拟定制度却不知道该请教谁?下面是小编收集整理的6s管理制度,希望能够帮助到大家。
6s管理制度篇11、目的为了塑造一个舒适、整洁的工作环境,提升工作效率,节能、清洁、安全生产,把不良因素扼制于萌芽状态,特制订此制度。
2、范围2.1本制度规定了公司在清洁生产工作中对“6S”绩效的奖励和处罚标准;2.2本制度适用于XXXX食品厂各部门(包括办公楼各办公室)、生产车间及其全体人员。
3、6S术语详见附件一《6S管理术语》。
4、组织架构“6S”现场管理检查小组成员:组长:副组长:组员:5、职责5.1公司6S执行小组是公司6S管理的主导部门,负责对公司各部门、生产车间在6S工作中的绩效进行考核。
5.2公司6S执行小组根据本制度相关规定,提出奖惩明细,报6S 负责人审核同意,下达奖惩考核决定。
5.3人力资源部负责对相应的奖惩给予核对。
5.4财务部依据奖惩考核,负责执行。
5.5各部门本着“谁主管、谁负责”的原则,根据本制度负责对部门各班组、在岗员工在6S生产工作中的绩效进行考核。
5.6公司6S执行小组负责对公司部门(车间)、在全年6S生产工作中的绩效进行考核。
6、检查及奖惩6.1检查方法6.1.1公司6S检查共分为集中检查及日常巡查,其中集中检查为3-4次/月、日常巡查视工作开展需要进行,无明确次数;6.1.2检查范围包括但不限于附件二《6S检查范围及执行标准》。
6.2考核6.2.1每月6S执行小组根据设备部A、B区的设备一级保养专项检查、安委会对消防与安全生产(含工伤预防)的专项检查和“6S执行小组”在日常巡查的三项检查结果,综合评比出前三名和后四名(月度评比),按当月6S检查得分综合评比产生,按照相应比例给予奖励和惩罚;6.2.2相关部门管辖范围内的生产现场不符合要求时,在日常巡查发现的,及时通知并督促该部门(车间)主管进行整顿;对于第一次检查不合格的,内网公布其检查结果,并要求作出立即整改;三日后复查如还未整改且又无充分理由的,按执行标准扣罚相应车间主管、责任线主管(技术员),(重大责任事故另行处理);内网公布复查结果;6.2.3对非本部门在本部门管辖范围内的场地施工、作业造成本部门场地脏、乱的,本责任部门有权督促其及时清洁、处理;如未及时作出处理的,一经查出,由本责任部门主管、责任线主管(技术员)全权负责承担;6.2.4月度集中检查采取评分制,即每个区域以100分为基准,每发现一项扣取相应的分数(每项一分/该区域的加权系数),得出每个区域的相应分数;日常巡查采取首次发现不合格项给予整改,第二次复查同类不合格项根据“附件二”的标准予以罚款,第三次在第二次罚款的标准上予以翻番罚款,依次类推;6.2.5公司各部门(车间)可实行内部自检,其奖惩标准不能高于本文件的执行标准。
物资库房管理规章制度第一章总则第一条为了规范和管理物资库房,确保物资安全使用和准确统计,提高物资利用效率,保障学校正常运转,特制定本规章制度。
第二条库房管理要坚持以服务校园建设为宗旨,以提高管理效率为核心,全面加强库房管理工作。
第三条库房管理遵循科学合理、严格规范、便捷高效的原则,加强物资管理,保障物资安全。
第四条库房管理采取分层次、负责任、逐级管理的原则,明确各级责任。
第五条库房管理员应当具有熟悉物资管理流程和规章制度的能力和负责人态度,服从上级的管理和指挥。
第六条库房管理要加强内部管理,形成良好的工作氛围,确保物资库房管理工作的顺利进行。
第七条库房管理要严格按照规章制度和操作流程进行操作,严防疏漏和浪费。
第二章库房管理职责第八条库房管理员应当按照学校规定,认真履行以下职责:1. 负责库房的日常管理工作,制定合理的库房管理计划,准确统计库存物资。
2. 负责物资的接收、存储、分发和清点,对物资的进出进行记录和管理。
3. 负责库存物资的保管和保养,定期进行检查和清理,确保物资安全。
4. 负责库房管理台账的更新,定期进行盘点和报告,保证数据的准确性。
5. 负责做好库房资料的整理和归档工作,便于查阅和借阅。
第九条库房管理员应当加强对库房工作人员的管理,指导和培训工作人员,提高工作效率和质量。
第十条库房管理员应当与相关部门保持密切联系,及时了解学校物资需求和变化,协调好各方面工作,发现问题及时处理。
第十一条库房管理员应当积极参与管理者组织的相关培训和学习,不断提高自身的管理水平和能力。
第三章库房管理制度第十二条物资管理制度是库房管理工作的基本准则,库房管理员应当认真遵守并执行下列制度:1. 物资采购制度:库房管理员应当严格按照学校规定的采购流程进行采购工作,保证采购物资的合理性和有效性。
2. 物资接收制度:库房管理员应当及时对接收的物资进行清点和验收,保证物资的完整性和质量。
3. 物资存储制度:库房管理员应当合理规划物资存放位置,定期进行整理和清理,保持库房的整洁和有序。
仓库6S管理制度
一、目的
规范现场管理,指导各生产库、原料库和成品库“6S”工作规范化开展,创造干净、整洁、舒适、安全的工作环境,提高职工工作效率及准确性。
二、范围
适用于物资管理处所属仓库区域的“6S”管理现场。
三、6S含义
1、整理(SEIRI):工作现场,区别要与不要的东西,只保留有用的东西,撤除不需要的东西。
目的:腾出空间,空间活用,防止误用,塑造清爽的工作场所。
2、整顿(SEITON):把要用的东西,按规定位置摆放整齐,并做好标识进行管理。
目的:工作场所一目了然,消除寻找物品的时间,整整齐齐的工作环境,消除过多的积压物品。
3、清扫 (SEISO) :将岗位保持在无垃圾、无灰尘、干净整洁的状态。
目的:稳定品质,减少工业伤害。
4、清洁 (SEIKETSU):将整理、整顿、清扫进行到底,并且制度化、规范化。
目的:创造明朗现场,维持上面3S成果。
5、素养 (SHISUKE) :对规定了的事,大家都要遵守执行。
目的:培养有好习惯、遵守规则的职工,营造团队精神。
6、安全(SECURITY):重视职工安全教育,每时每刻都有安全第一观念,防范于未然。
目的:建立起安全生产的环境,所有的工作应建立在安全的前提下。
四、目标
1、“两齐”:库容整齐、堆放整齐
2、“三清”:数量、质量、规格清晰
3、“三洁”:货架、货物、地面整洁
4、“三相符”:帐、卡、物一致
5、“四定位”:区、架、层、位,对号入座
五、仓库区域划分
1、仓库根据空间划分为生产库、成品库、原料库,各组班长将所负责的区域划归给个人。
2、区域划分按照同一时间在同一地点只能有一人负责的原则。
3、个人负责的区域必需有明确的界线,不允许与他人区域交叉。
4、个人对自己所负责区域的6S执行情况负全部责任,班长对本管理区的6S执行情况负全部责任。
六、6S小组
为了保证6S活动顺利,并且不断改进,成立6S小组,组织结构如下:
七、执行标准
1、区域与标识
1)区域划分清晰,区域名称、责任人明确标识。
2)货架上的区域号码应准确、牢固。
3)外包装箱上的标识必须清晰、牢固,标识中的零件名称、规格、数量必须与箱内的实物一致。
4)高库位的托盘右下角必须贴有该库位的库位号。
2、整理
1)高库位的货物上不许存在飘挂物(缠绕膜、绷带等)。
2)货架上的货物放置应遵从如下原则:
A、同一类型或同一项目的货物集中放置
B、重量按照由重到轻的次序
C、取用频次由多到少
3)同一种零件只有一个非整包装。
4)破损的包装应及时修补或者更换。
5)托盘中除存储物品外不得有任何杂物。
6)区域内不得存放非本区域的货物。
7)消防区域内无杂物。
3、整顿
1)各区域中货物占用的托盘必须平行、同向码放,不得歪斜排列。
2)码放在托盘上的货物,原则上不允许超出托盘,货物码放应整齐,不许斜放。
3)同一托盘中的同一种货物要码放在一起,并且确保有一箱的标识冲外。
4)一层(含)以上库位上的木托盘朝向通道的部分,应部分超出货架横梁,确保木托盘均衡的压在货架上。
5)所有包装不得敞口放置,已经拆开使用的包装必须封闭(胶带)。
6)通道中备料暂存物料的托数原则上为4托,不允许超过5托,且暂存的物料需靠通道的一头码放。
4、清扫
1)存储的货物干净无灰尘、水渍等。
2)地面无散落的零件及废纸、包装、胶带等垃圾。
3)消防器材整齐洁净。
5、清洁
1)现场的各类工具必须定位、定人管理,并按时清洁保养。
6、素养
1)工服、工帽穿戴整齐,符合公司要求。
2)遵守《仓库管理规定》的各项规章制度。
3)注意节电节水。
7、安全
1)除正常工作接触的相关人员外,要杜绝其他闲散人员在仓库中逗留。
2)仓库内严禁吸烟和禁止明火。
3)仓库中的电器要严格按照使用规范进行操作,不准私自接电线和使用电器用品。
4)每日下班前要认真检查需要关闭的电器是否关闭,仓门是否上锁。
5)每周检查消火栓、灭火器,发现问题立即处理。
八、6S检查办法
1、每周二和周五16:00 6S小组对仓库的6S情况进行检查,检查表详见附表。
2、检查完毕后,公布检查结果(汇总各检查员的结果)。
3、各部门就出现的问题给出改进措施及时间。
4、各部门每天依据该检查表对本管理区进行检查,并记录检查结果。
九、实施
该规定自下发之日起实施。
附表:仓库6S检查表
仓库6S检查表
检查日期: 检查人:管理区:得分总计:。