燃气有机热载体锅炉安装使用说明书
- 格式:doc
- 大小:486.00 KB
- 文档页数:30
有机热载体锅炉操作规程范本一、安全操作规程1. 操作前应仔细阅读设备操作说明书,了解设备的结构、工作原理和技术参数,掌握操作规程和安全注意事项。
2. 确保设备处于正常工作状态,检查锅炉本体、燃气系统、电气系统、安全装置等各项设备的完好性。
3. 在操作过程中,注意观察各个指示仪表的工作状态,如压力、温度、流量指示仪表,必要时及时调整操作参数。
4. 严禁超过锅炉额定工作压力和温度范围,严禁随意调整设备的工作参数。
5. 随时注意设备周围的燃气、油品储存情况,防止燃气泄漏和油品的泄露、溢出等事故的发生。
二、启动和停止规程1. 启动操作:(1)检查燃料供应系统,确保燃料供应正常,燃料储罐的油位充足。
(2)打开给水系统阀门,确认给水系统正常运行,并确保水泵工作正常。
(3)确认鼓风机和引风机工作正常,确保燃烧器正常供氧。
(4)打开锅炉电源,将温控器设定到设定温度,并按下启动按钮。
(5)观察锅炉运行情况,检查各个仪表的工作状态。
2. 停止操作:(1)先关闭锅炉燃料供应系统,将锅炉耗尽燃料。
(2)关闭给水系统,关闭水泵,并排空给水管路。
(3)关闭鼓风机和引风机,将燃烧器停止供氧。
(4)将温控器设定到最低温度,并断开电源。
(5)观察锅炉停止运行情况,检查各个仪表是否正常。
三、日常操作规程1. 定期检查锅炉的煤气、油品储存系统,确保安全阀、压力表、温度计、液位计等各种安全设备的正常工作。
2. 定期检查锅炉的电器设备,查看电气线路是否损坏或老化,及时更换损坏的电器元件。
3. 定期清洗锅炉燃烧器,检查燃烧器的点火装置和火焰控制装置的工作情况,确保燃烧器的工作可靠。
4. 定期检查锅炉的水处理剂,并根据水质参数及时补充和更换水处理剂。
5. 定期检查锅炉的烟道和冷凝器,清除积灰和结焦物,防止烟气阻塞和烟气中的腐蚀物质对设备的侵蚀。
四、应急处理规程1. 发现锅炉有异常情况时,应立即切断燃料供应,并关闭电源。
2. 在紧急情况下,使用灭火器或用湿布封堵火源,防止火势扩散。
(安装篇)目录一.说明 (2)二.安装的一般注意事项 (2)三.安装前的准备工作 (2)四.基本尺寸 (2)五.锅炉参数 (2)六.安全方面 (2)七.锅炉安装基准 (4)八.管道安装 (5)九.锅炉整体水压试验 (7)十.保温施工及油漆 (7)十一.电气安装 (7)十二.烟囱的施工 (8)十三.燃烧器安装 (8)十四.锅炉前门安装调整 (9)十五.有压锅锅炉安全阀调整 (9)十六.煮炉 (9)十七.试运行 (9)十八.总体验收........................................... (10)一.说明1.该说明书目的是为了使用户了解青岛FERROLI公司烟油、燃气热水锅炉的正确安装方法。
2.锅炉的安装、使用、检验应符合《热水锅炉安全技术监察》GB5041《锅炉房设计规范》、GB50273-98《工业锅炉安装工程施工及验收规范》等相应的国家规定。
3.安装单位必须持有特种设备检查机构颁发的相应资质安装许可证.锅炉安装前,应当按照《特种设备安全监察条例》和相关安全技术规范的规定,在向锅炉使用地的直辖市或者社区的市级质量技术驾管部门书面告知后,向当地承担相应范围的监察机构申请监督检验,并附以下资料(或者复印件)各一份:(1)特种设备安装改造维修告知书:(2)施工合同;(3)施工计划:4.锅炉给水水质应符合GB1576-2001m《工业锅炉水质》的要求。
5.锅炉应按JBI612《锅炉水压试验技术条件》的要求进行水压试验。
二.安装的一般注意事项1.在没有阅读和理解本说明书之前,请不要安装锅炉,请不要安装锅炉。
请妥善保管本说明书,以便备查。
2.本说明书记载的事项和锅炉及附属设备中表示的注意事项并没有包含所有的危害事项.所以安装锅炉时,并不限于本说明书所记载的注意事项。
请根据安装现场的具体情况,充分考虑安全对策问题。
4.对于本说明书有疑问,或者需要详细的资料,请与本公司或公司所有办事处联络。
YLW型生物质有机热载体锅炉安装和使用说明书XXXXXX目录安装说明书一、概述 (2)二、产品特点及规格 (2)三、应用范围 (3)四、产品组成及工艺流程 (3)五、安装工作 (5)六、系统吹扫与压力试验 (8)七、管道保温 (8)八、导热油的选用 (8)使用说明书一、调试前的准备工作 (9)二、调试 (10)三、运行操作 (12)四、停炉 (13)五、操作注意事项 (13)六、维护和保养 (19)七、故障分析与排除 (14)八、使用管理 (15)九、客户服务 (16)安装说明书一、概述有机热载体炉(简称加热炉)是一种新型的供热设备,以生物质、煤、油、气为燃料及烟道气为热源,以导热油(如L-QB、L-QC、L-QD)为热载体通过循环油泵强制热载体液相循环,将热量输送给用热设备后,再返回加热炉重新加热的高温、低压、节能设备,供热温度可高达340℃,而一般在工作压力1.0MPa以下,因为工作在液相状态,安全可靠。
1、锅炉安装说明锅炉安装应向当地锅炉安全监察部门办理安装审批手续。
锅炉房布置应符合TSG G0001《锅炉安全技术监察规程》规定,锅炉房的设计应由有相应设计资格的单位进行设计。
锅炉的安装使用应符合TSG G0001《锅炉安全技术监察规程》、GB50273《锅炉安装工程及施工验收规范》、GB13271《锅炉大气污染物排放标准》、TSG G0002《锅炉节能技术监督管理规程》、GB50041《锅炉房设计规范》的要求。
2、经济运行操作说明:锅炉房系统设计时,应当在保证安全性能的前提下,充分提高能源利用效率,减少水、电、自用热以及其它消耗,促进热能回收和梯级利用。
锅炉房设备布置时应当尽量减少管道、烟风道的长度及其弯头数量,以减少流动阻力。
锅炉炉墙、烟风道、各种热力设备、热力管道以及阀门应当具有良好的密封和保温性能,当周围环境温度为25℃时,距门(孔)300mm 以外的炉体外表面温度不得超过50℃,炉顶不得超过70℃,各种热力设备、热力管道以及阀门表面温度不得超过50℃。
YQL(W)- Q系列有机热载体燃气加热炉安装使用说明书河北艺能锅炉有限责任公司敬告用户:安装使用热载体加热炉,必须按规定在当地质量技术监督部门办理登记审批手续。
本锅炉必须由国务院特种设备安全监督部门批准发证的单位安装.有机热载体炉的操作人员,应经过有机热载体炉方面知识的培训,并经质量技术监督部门考核发证。
※※※为了使您迅速了解和正确掌握本产品的使用方法,发挥该产品的最佳性能,获得预期的经济效果,敬请认真阅读本使用说明书。
对掌握本机性能和排除故障,这本说明书会带给您很大帮助。
目录一、概述 (1)1.1产品型号: (1)1.2产品特点: (1)1.3用途: (2)二、产品组成 (2)2.1燃气加热炉主机: (2)2.2配套辅机: (3)2.3出厂技术资料: (3)三、供热系统说明 (3)3.1工作原理(图一:注入式工作原理图): (4)3.2导热油: (4)3.3设备功能简介: (6)3.4供热系统工艺流程图请参见出厂文件 (8)3.5操作说明 (8)四、燃烧系统说明 (8)4.1燃烧系统的组成及工作流程 (9)4.2燃气管路设置要点 (9)4.3燃气燃烧器 (10)五、电器控制系统说明 (10)5.1工艺流程控制点 (10)5.2燃气锅炉的一般控制程序 (11)六、安装 (12)6.1 锅炉房及设备布置要求 (12)6.2 基础施工 (12)6.3 主机安装 (13)3.4 辅机安装 (13)6.5 电控制柜安装 (13)6.6 管线安装 (13)七、调试 (15)7.1 冷态调试 (15)7.2 热态调试 (16)7.3 点火升温 (16)7.4 注意事项 (18)八、运行操作 (19)8.1准备 (19)8.2启动 (19)8.3锅炉供油温度的调节 (19)8.4停炉 (20)8.5突然停电或紧急停炉处理 (20)8.6导热油的补充与更换 (20)8.7电气控制 (21)8.8锅炉的运行检查与记录 (22)九、维护保养 (22)十、故障的诊断与排除 (23)十一、关于如何延长导热油使用寿命 (24)十二、致用户 (25)一、概述有机热载体燃气加热炉,是以各种具有热值的气体为燃料,导热油为载热体,利用循环油泵强制液相循环将热能输送给用热设备后,继而返回重新加热的特种工业炉。
有机热载体炉操作规程有机热载体炉的工作压力比较低,锅内介质温度高,且大多是易燃易爆物质,有的还有毒性,一且在运行中发生泄漏,即会引起火灾、爆炸造成人员伤亡。
一、热载体炉点火前的准备工作( 一 ) 热载体炉内外部的检查和准备1. 热载体炉内部残存水放尽、吹干,锅炉与集箱内无杂物,人孔手孔等所有门孔都密闭,使用密封填料符合热载体炉介质要求。
2. 安全附件和保护装置的检查(1) 压力表存液弯管前的针形阀或者截止阀处于全开状态。
压力表精度、量程、表盘符合要求,无压力时指针回到零位。
(2) 液位计连接管阀门处于开启状态,放液管阀门处于关闭状态,放液管接通贮存罐。
(3)各种热工仪表装置齐全、完好。
(4) 温度计及自动记录校验合格,超温和超压报警及自动保护装置已投入 , 电气控制各接点正常。
( 二 ) 介质化验及冷态循环1. 介质化验有机热载体炉使用的热载体质量是否合格,对热载体炉安全运行关系很大,所以首先应对使用的热载体取样化验确认 :(1) 热载体最高使用温度是否与锅炉供热条件一致,热载体允许使用温度比锅炉出口温度至少低 30-40℃,否则热载体在使用中会很快分解变质 , 提前失效。
(2) 抽样化验 , 测定热载体的外观质量、闪点、粘度、酸值、残炭和水分,与热载体创造厂提供的质量证明书是否相符,同时为今后运行中介质质量变化的监测提供依据。
2. 装油化验合格的热载体 , 是用注油泵往锅炉内注油。
在注油泵向系统注油时 , 应检查炉体、用热设备,管道系统的排污阀、放油阀是否关好, 以免热载体流失。
同时将管道和炉体上的排汽阀逐一打开排除空气,直至有油流出时关闭,然后再启动循环油泵进行冷油循环。
3. 冷油循环冷油循环的目的是试验整个供热系统是否有滞阻现象 ,设备、管路、阀门等处有无渗漏、循环油泵的流量和扬程能否满足生产要求。
由于冷油粘度较高 , 故热载体炉迸出口压差比较大,管路系统的流动阻力也较大,油泵启动试车,使冷油在系统内循环 6-8h。
有机热载体锅炉操作规程第一章总则第一条为了保证有机热载体锅炉的安全运行,提高其工作效率,延长设备的使用寿命,制定本操作规程。
第二条本操作规程适用于有机热载体锅炉的操作人员。
第三条操作人员必须严格按照本操作规程的要求进行操作,禁止任何违反规程的行为。
第四条本操作规程内容包括设备的基本要求、操作流程、运行安全、事故处理、保养维护等。
第二章设备基本要求第五条有机热载体锅炉必须符合国家相关技术标准和规定,安装必须经过专业人员检查合格。
第六条有机热载体锅炉的操作人员必须熟悉设备的基本结构、工作原理和运行要求。
必须具备相关的操作证书。
第七条有机热载体锅炉必须安装正确、牢固,各连接处应密封可靠。
第八条有机热载体锅炉的管道、阀门等部件必须经常检查,确保完好无损。
第九条有机热载体锅炉的水位、压力、温度等仪表必须校准准确。
第十条有机热载体锅炉的使用寿命一般为10年,过期必须进行全面检修或更换。
第三章操作流程第十一条操作人员必须熟悉有机热载体锅炉的开机、停机流程,按照正常流程操作。
第十二条开机前必须检查各连接管道、阀门是否漏气、漏水,确保没有泄漏。
第十三条开机前按照正常操作程序进行预热,待温度稳定后,可以正常投入使用。
第十四条在运行过程中,必须保持稳定的燃烧状态,实时监控水位、压力、温度等参数。
第十五条运行过程中,如发现压力、温度异常等情况,必须及时停机检修,确保设备安全。
第十六条停机前必须按照正常操作程序进行冷却,待温度降低后方可停机。
第四章运行安全第十七条操作人员必须经常巡视设备,确保运行安全,发现问题及时处理。
第十八条操作人员须佩戴必要的防护用品,严禁穿拖鞋、裸露皮肤等操作。
第十九条有机热载体锅炉运行时,禁止在附近堆放可燃物品,确保周围环境安全。
第二十条在操作过程中,如发生火灾、爆炸等紧急情况,必须立即按照应急预案处理。
第二十一条在高温操作过程中,必须谨防烫伤,防止对人身和设备造成损害。
第五章事故处理第二十二条在操作过程中如发生事故,必须立即停机,切断电源,并进行相应的应急处理。
有机热载体炉(导热油炉)安装使用说明书一.结构简介:有机热载体炉是一种新型的特种锅炉又称导热油炉,具有低压、高温工作特性,其供热温度可达到液相340℃或汽相400℃度。
凡是需要均匀稳定地加热,且不允许火焰直接加热的工艺加热温度在150℃-380℃之间的各种生产场合中都可以采用有机热载体供热。
有机热载体炉一般以煤、油、汽为燃料,以导热油为介质,利用热油循环油泵强制介质进行液相循环,将热能输送给用热设备后再返回加热炉重新加热,具有在低的压力下获得高的工作温度,并且能对介质运行进行高精密控制工作。
系统热利用率高,运行维修方便,是一种安全、高效、节能的理想首选供热设备。
YGL型有机热载体炉采用传统的燃烧技术,燃料煤从燃烧炉门投入在炉排上燃烧,高温烟气在内盘管内壁进行辐射换热。
然后经由内盘管顶部旋转180°进入内、外盘管的夹层区形成对流受热面。
含在烟气中的细小碳黑及灰尘由集灰口落在炉排上重然新燃烧,而烟气却在夹层的底部进入外盘管的与护壳夹层区经除尘后由烟道进入湿式除尘器。
通过引风机到烟囱排入大气。
,经烟囱排入大气。
二.性能特点:(1)、获得低压高温热介质,调节方便,供热均匀,可以满足精确的工艺温度。
(2)、液相循环供热,无冷凝排放热损失,供热系统热效率高。
(3)、工作介质受热及放热和温度升降对体积的变化,在系统内有补偿技术措施。
(4)、循环供热前有严格控制工作介质内空气、水分及其他低挥发物含量的技术措施。
三.出厂简况:锅炉出厂时分件包装如下:1、锅炉大件包括本体、燃烧室卫燃带。
2、高位膨胀槽、储油槽。
3、油汽分离器、过滤器。
4、烟囱。
5、电器控制柜。
6、阀门、仪表及其另件。
7、循环泵包括电机8、注油泵。
9、随炉供应用户出厂技术文件,及产品出厂清单,安装说明。
四.设备功能:⑪.加热炉:主体是加热炉系统的主机部分,有机热载体由此获得热能,主机部分为炉本体与底座两大部分。
⑫.热油循环泵:热油循环泵是导热油闭路强制循环的动力,要求每台加热炉配置两台泵,其中一台为备用。
燃煤液相有机热载体炉安全操作规程一、点火升温:(一)导热油炉投入运行前的必备条件1、办理有机热载体炉登记手续,领取使用登记证。
新炉安装后应经当地锅炉检验所检查验收合格,使用单位填好“锅炉登记卡",到当地质量技术监督局锅炉安全监察部门办理登记手续,领取使用登记证.无证炉不得投入运行。
2、司炉人员应经质量技术监督部门考核,持有《热载体炉司炉操作证》,司炉人员除了符合工业锅炉司炉工条件外,还应经过热载体炉专门知识培训。
3、使用单位应有健全的管理制度及安全操作规程.(二)点火前的准备工作1、有机热载炉内、外部的检查和准备,包括:有机热载炉内部残存水已放尽、吹干;炉膛内杂物清除干净;各检查孔、人孔等都已密闭,使用填料符合热载体炉介质要求.安全附件和保护装置的检查:1)压力表弯管前端的针形阀或截止阀处全开状态。
压力表精度、量程、表盘直径符合要求,无压力时指针回零。
2)液位计放油管阀门处关闭状态,放液管已与储存罐正确联接。
3)温度计及自动记录仪表已校验合格;超温超压报警、自动连锁保护装置已投入,电器控制各接点无异常。
4)燃烧通风设备检查,无异常。
2、介质化验及冷态循环:化验:有机热载炉使用的热传导液质量合格,对热载体锅炉安全运行关系极大,所以,应先对使用的热传导液取样化验或有供应方的相关质量证明,应明确:1)热传导液最高使用温度是否与有机热载体炉供热条件一致。
炉出口温度至少应比热传导液允许使用温度低30℃-40℃,否则热传导液在使用中会很快分解变质,提前失效.2)抽样化验,测定热传导液的外观质量、闪点、粘度、酸值、残炭和水分,与热传导液生产厂提供的质量证明书是否相符,同时也为今后运行中介质质量变化监测提供依据。
装油:将化验合格的热传导液用加油泵往炉内和膨胀器内注入热传导液。
在加油泵向系统注热传导液时,应再检查一遍炉体、用热设备、管道系统的排污阀、放油阀是否关好,以免热传导液流失.同时将管道和炉体上的排汽阀逐一打开,排除空气,直至有油流出时关闭。
SZS17.5-1.6/150/90-Q双锅筒水管燃气热水锅炉产品安装使用说明书目录第一部分锅炉规范及简介-----------------------------------------------------(2)-(3)(一)锅炉规范及结构简介------------------------(2)-(3)(二)锅炉出厂配置------------------------------(3)第二部分安装说明-------------------------------------------------------------(4)-(5)(三)安装前的准备工作--------------------------(4)(四)锅炉本体的安装----------------------------(4)(五)防爆门的安装------------------------------(4)(六)燃烧器的安装------------------------------(4)(七)平台扶梯的安装----------------------------(4)(八)省煤器的安装------------------------------(4)(九)管道、阀门仪表及附件的安装----------------(4)-(5)(十)烟道的安装------------------------------- (5)(十一)电器控制箱的安装-------------------------(5)(十二)引风机的安装-----------------------------(5)(十三)水压试验---------------------------------(5)第三部分使用说明-------------------------------------------------------------(6)-(11)(十四)烘炉--------------------------------------(6)(十五)煮炉-------------------------------------(6)-(7)(十六)升火-------------------------------------(7)(十七)密封试验---------------------------------(7)-(8)(十八)供(暖)水-------------------------------------(8)(十九)正常运行---------------------------------(8)-(9)(二十)停炉-------------------------------------(9)(二十一)锅炉维护保养-----------------------------(10)(二十二)受压元件的检验和水压试验-----------------(10)-(11)(二十三)说明-------------------------------------(11)本产品锅炉执行标准《工业锅炉通用技术文件》J B/T10094-2002SZS10-1.25-YQ双锅筒水管燃油汽锅炉产品安装使用说明书第一部分锅炉规范及简介1.锅炉规范及结构简介1.1 SZS17.5-1.6/150/90-Y(Q)双锅筒水管燃气锅炉主要规范该锅炉为双锅筒纵向布置水管燃气热水锅炉,散装出厂,现场组装后需安装管道、阀门、仪表、平台扶梯、省煤器、烟道及各项辅机。
燃气有机热载体炉操作规程一、燃气有机热载体炉参数1. 有机热载体炉设计参数产品型号:YYQW-3500Y(Q)额定热功率: 3.5MW 额定工作压力:0.8MPa额定出油口温度:320 ℃额定回油口温度:290℃2. 燃烧机设计参数产品型号:TH635/PN我厂使用工艺参数1.出油口温度:288℃报警温度:300℃2.导热油进出口压差0.1-0.2Mpa3、燃气进口压力:0.025MPa4、DPA 中控导热油进油报警温度上限295℃、下限260℃二、开机前检查工作1. 检查调压站阀门是否开启,高压阀开启后观察高压压力表数值是否在0-0.4MPa之间,供气是否正常。
燃气总量≥6万立方米。
检查燃气导热油炉前燃气压力≤0.04Mpa2、检查导热油高位槽、低位槽液位情况,相关阀门开启情况,循环泵情况,进行冷油循环。
3. 检查鼓风机、燃烧机、燃气管路、电磁阀、其他阀门情况。
4. 检查安全附件和保护装置,包括压力表、安全阀、液位计、温度计、过滤器等;及导热油出口的超温报警、超温保护连锁、循环泵停运连锁、差压报警等是否完好可用可靠。
5、检查尾锅(余热锅炉)水位情况,液位1/3-2/3。
6、导热油炉调至及相关设置6.1油温设置,进口油温上限、下限设定,出口油温高限报警设置6.2进出口压差控制,一般0.1-0.15MPa6.3出口低流量报警设置,连锁设置。
三、燃烧操作与调整1. 启动鼓风机,开大风门清扫炉膛5分钟,然后关小风门,打开电源仪表控制柜,开启燃气减压站电源开关,,按下点火制作按钮,打开燃烧机供气阀进行供气,在开阀前应排空管路中的空气与冷凝水。
2. 调整进气量与风量,混合良好,使燃烧处于正常稳定状态。
2.1燃烧器及炉膛不能有结焦现象。
2.2燃气火焰为淡蓝色旋转形状,不偏斜和明亮不均现象。
2.3烟囱几乎无烟(白色)2.4火焰在炉膛前至中段燃烧,不得有拉长现象。
3. 负荷调整调整顺序:增加负荷,应先增加风量,后燃气进气压力。
为了使您迅速了解和掌握本产品的安装及使用方法,发挥产品的最佳性能,获得预期的经济效果,敬请认真阅读本安装使用说明书。
说明书对掌握本产品性能和排除故障,会带给您很大的帮助。
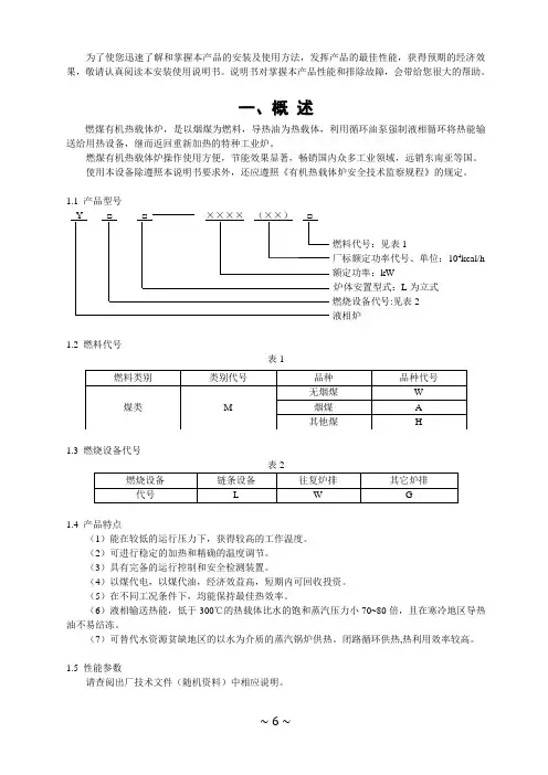
一、概 述燃煤有机热载体炉,是以烟煤为燃料,导热油为热载体,利用循环油泵强制液相循环将热能输送给用热设备,继而返回重新加热的特种工业炉。
燃煤有机热载体炉操作使用方便,节能效果显著,畅销国内众多工业领域,远销东南亚等国。
使用本设备除遵照本说明书要求外,还应遵照《有机热载体炉安全技术监察规程》的规定。
1.1 产品型号燃料代号:见表1 厂标额定功率代号、单位:104kcal/h 额定功率:kW炉体安置型式:L 为立式 燃烧设备代号:见表2液相炉1.2 燃料代号表11.3 燃烧设备代号表21.4 产品特点(1)能在较低的运行压力下,获得较高的工作温度。
(2)可进行稳定的加热和精确的温度调节。
(3)具有完备的运行控制和安全检测装置。
(4)以煤代电,以煤代油,经济效益高,短期内可回收投资。
(5)在不同工况条件下,均能保持最佳热效率。
(6)液相输送热能,低于300℃的热载体比水的饱和蒸汽压力小70~80倍,且在寒冷地区导热油不易结冻。
(7)可替代水资源贫缺地区的以水为介质的蒸汽锅炉供热。
闭路循环供热,热利用效率较高。
1.5 性能参数请查阅出厂技术文件(随机资料)中相应说明。
二、产品组成为方便您使用,我们向您成套提供有机热载体炉系统的主机、辅机及相关技术文件,希望能使您满意,请逐一查收,并请熟悉它的组成及其作用。
2.1燃煤有机热载体炉主机燃煤有机热载体炉主机由炉本体和燃烧室两大部分组成。
2.2配套辅机燃煤有机热载体炉系统由供热系统、燃烧系统、电器控制系统三大部分组成。
供热系统的辅机由膨胀槽、储油槽、热油循环泵、注油泵、油过滤器、油气分离器等组成。
燃烧系统的辅机由鼓风机、引风机、除尘器、调速箱、上煤机、出渣机、空气预热器等组成。
根据用户的不同要求还可以配置省煤器。
安装锅炉时注意事项·安装锅炉,受委托所购代理店或有资格的专业部门。
·不得将阀门安装在压力释放管上。
·必须装有补充水箱,不能直接与自来水管连接。
·供热水管,应与屋顶水箱连接,不要直接接自来水。
·锅炉不要安装在潮湿的地方。
·气表与锅炉要保持一定的距离,设立防火墙,保证锅炉运作的安全性。
根据当地水质情况,锅炉应增加排污次数,次数由操作人员自行设定。
蒸汽锅炉必须使用软水设备,热水锅炉推荐选用(硅磷晶)水处理。
不安装水处理时基本是一年好,二年赖,三年就烧坏。
因为水垢也将付出更多的使用成本(燃料)水垢原因还可能引起锅炉爆炸开机工作程序1 将手动键切换成自动位置;按下点火键, 燃烧器开始工作,锅炉投入全自动工作程序:燃烧器工作8--10分钟后,观察烟囱冒烟情况,若没有黑烟,说明各系统比例合理,燃烧器运转正常,若有黑烟,则应调整燃烧器的风门,直至不冒黑烟时为止;2 锅炉在运行中,当水位降到最低安全水位线时,电控箱能自动亮起危险水位灯,并报警蜂鸣响,同时,启动水泵工作,这时应及时查看水泵是否按指令工作,止由于控制系统或水泵失误,影响正常运行;3 锅炉在运行中,若观察不到水位计的水位线位置时,必须立即在水位计处放水,如果出水流畅,则说明供水过满,这时需手动停止水泵工作,继续放水,直正水位位线时,再换成自动运行。
若水位计放不出水,说明水位己经低于水位计的最低可见边缘,此时,必须立即停止锅炉运行,关停燃烧器和水泵,开启排污阀,如果排水过急,则应立即关闭排污阀,检查水泵和电控箱的线路是否失控,修复后,锅炉才能继续投入运行。
如果排污阀排水缓慢,甚至没有水排出来,仅冒少量蒸汽,此时说明锅炉已严重缺水,已处于“烧干锅”的状态。
此时,千万不能进水,以免发生破坏性的严重后果。
这时,锅炉必须停止运行1小时以上,并打开手孔,卸下燃烧器和炉顶板,仔细检查锅护的损坏情况,并上报上级主管部门和当地锅炉监督部门,作进一步检查。
有机热载体锅炉操作手册目录1、概述2、工作原理与系统组成3、GYD系列电加热导热油锅炉供热系统循环示例4、GYD系列电加热导热油锅炉的主要性能及结构参数5、电加热导热油锅炉的安装调试6、电加热导热油锅炉的控制系统7、模拟操作8、升温运行操作9、电加热导热油锅炉的检查与维修10、注意事项1.概述1.1产品特点GYD系列电加热导热油锅炉是一种“低压高温”型的高效节能供热设备。
1.1.1能在较低的工作压力下(<0.5MPa=获得较高的工作温度(≤340℃),供热温度在300℃时,运行压力仅为水的饱和蒸汽压的七十分之一。
1.1.2热效率高(>95%)。
1.1.3可以进行稳定均匀的加热,并且能够达到精确的温度调控(控温精度可在±1℃范围内)。
1.1.4具有先进完备的控制系统和安全监测装置。
1.1.5供热系统传热介质是有机热载体--导热油,该介质无味、无毒、无环境污染、对操作工人健康无影响、对设备无腐蚀、使用寿命长。
1.1.6电加热导热油锅炉可以就近水平安装在热用户(用热设备或用热环境)附近,不用打地基。
1.1.7一般情况下,3-6个月可以回收投资。
1.2产品适用工作环境海拔不超过1000m;环境温度在5-40℃范围内;环境最大相对湿度不大于90%;周围没有导电尘埃、爆炸性气体以及能严重破坏金属和绝缘的腐蚀性的气体;无明显的震动。
如对产品有防爆等特殊要求,或在其它条件下使用,用户在订货时与本厂具体协商。
2.产品工作原理与系统组成GYD系列电加热导热油锅炉是一种新型的热能转换加热设备。
其工作原理是:以电力为能源,通过电热元件将电能转换成热能;以有机热载体(导热油)作为传热介质,通过高温油泵将导热油在系统中进行强制性循环,使其被周而复始的加热,从而达到满足热用户(用热设备或用热循环)连续获得所需热能的目的;并可满足生产流程中设定的工艺温度以及高精度控温的要求。
通常,电加热导热油锅炉主机(加热体、高温油泵及滤油器)、膨胀槽、电控柜等是作为一整套设备与用热设备共同组装形成强制性液相循环的加热系统。
有机热载体锅炉安全操作规程1、司炉人员持证上岗,应熟识本锅炉的工艺指标及主要参数。
2、点火前的检查和预备:检查项目包括密封状况、受压元件、变速机构、阀门开启位置、安全附件自控装置等是否符合规范等,预备项目包括热载体油、引火物、冷却水等。
3、点火前,全开烟道挡板和灰门,自然通风10分钟。
如有引风机,开引风机5分钟,然后关闭灰门。
在炉排上铺木柴及引火物,再撒一层薄煤,在薄煤上再放一些木柴。
4、点燃燃料上的木柴等导引物,严禁用挥发性强的柴油引火。
链条将炉点引火物后将火送到距煤匣板1―1.5米。
5、升温操作(1)循环泵前,应先接通冷却水,再开泵、点火。
(2)打开高位膨胀槽上和系统最高点上的放空管排气阀。
(3)点火升温时应严格执行热载体升温曲线图进行。
当温度升到200℃以上,应对设备及整个系统进行一次全面检查。
(4)在升温过程中做到“一慢二停”原则,即升温速度要掌握在10℃/时;二停即在95℃--100℃和210℃--230℃要停止升温,维持一段时间再升温。
(5)液相沪在点火升压过程中,应多次打开锅炉上的排气阀,以排净空气,水及有机热载体混合蒸汽。
(6)对于气相炉当有机热载体的温度与压力符合对应关好后,应停止排气,进入正常运行。
(7)在升温过程中,留意热载体的膨胀量,低于100℃应掌握±6%,100―200℃±7%,200―300℃±7.5%,若膨胀槽的液位过高应打开放液管。
(8)升温至工作温度后每小时要进行一次巡回检查,并做上记录。
6、运行时排烟温度一般不得超过300℃7、一旦停电(如无自备电),应先打开炉门扒出红火,切断锅炉与其它设备的联系,关闭进出口阀门。
打开高位膨胀槽与炉体的连接阀,让高位冷油,流入锅内,同时将锅内热油放入低位槽,待油温低于100℃以下为止。
如有自备电、起用循环泵、一直循环至油温100℃以下,方可停泵。
8、正常运行巡回检查及运行记录:司炉人员在值班时,除了作好燃烧调整,保证供热外,还应定时进行巡回检查,并做好记录。
有机热载体锅炉操作规程模版一、目的和范围本操作规程是为了确保有机热载体锅炉的安全、稳定运行,保护人身安全和设备设施,提高工作效率,保证热能供应质量。
适用于有机热载体锅炉的操作人员。
二、操作人员要求1. 操作人员必须经过专业培训,掌握有机热载体锅炉的基本原理和操作技能。
2. 操作人员要做好个人防护,佩戴好安全帽、工作服、安全鞋等必要的防护用品。
3. 操作人员必须遵守公司规章制度,服从工作安排和命令。
三、操作流程1. 锅炉的启动1.1 检查水位:确保水位在正常范围内,注水泵工作正常。
1.2 检查燃料供应系统:确认燃料供应充足,清除堵塞。
1.3 检查点火系统:检查点火系统是否正常工作。
1.4 检查排烟系统:确保排烟系统畅通,防止二次燃烧。
1.5 检查安全保护装置:检查安全阀、压力表、温度计等是否正常工作。
1.6 开启给水泵:开启给水泵,注入适量的水,保持正常水位。
1.7 点火:按照操作规程,将燃料点火。
2. 锅炉的运行2.1 观察指示:观察水位、压力、温度等指标,确保在正常范围内。
2.2 燃料调控:根据实际需求,调整燃料供应。
2.3 注水:根据水位指示,及时注入适量的水。
2.4 排污:定期对排污阀进行排污操作,排除水垢和杂质。
2.5 清灰:定期对锅炉进行清灰操作,清除积灰。
2.6 检查安全装置:定期检查安全阀、压力表、温度计等安全装置是否正常工作。
3. 锅炉的停机3.1 渐减负荷:在停机前,逐渐减少负荷,减少温度和压力。
3.2 切断燃料供应:停止燃料供应,燃料泄漏情况监测。
3.3 切断电源:切断锅炉的电源。
3.4 关闭排污阀:关闭排污阀,停止排污操作。
四、紧急处理1. 火灾事故:发生火灾事故时,立即切断燃料供应,使用灭火器进行扑救,如扑救无效,立即报警并撤离现场。
2. 泄漏事故:发生泄漏事故时,立即切断燃料供应,进行现场封堵,并启动应急排烟系统。
3. 电力故障:发生电力故障时,切勿迅速切断燃料供应,避免出现煤气爆炸。
有机热载体锅炉使用事项一、有机热载体脱气和脱水1、锅炉冷态启动时,在系统循环升温过程中膨胀罐内的介质温度达到110℃~ 120℃的条件下,应当对有机热载体进行脱气和脱水操作。
2、系统内在用有机热载体中低沸点物质聚集到5%以上时,应当采取适当措施进行脱气操作,并且将其冷凝物安全收集。
解释:对有机热载体脱气和脱水的规定一、有机热载体脱气和脱水的目的1、在用有机热载体中存在的水分和低沸点物质。
2、水分和低沸点物质在锅炉启动升温过程中会发生汽化。
3、汽化产生的气泡会使管道内产生气阻力,破坏锅炉介质的循环。
4、汽化产生的气泡会使循环泵发生气蚀。
5、有机热载体脱气和脱水的目的就是清除在用有机热载体中存在的水分和低沸点物质。
二、对有机热载体脱气和脱水的规定1、锅炉冷态启动时,在系统循环升温过程中膨胀罐内的介质温度达到110℃~ 120℃的条件下,应当对有机热载体进行脱气和脱水操作。
2、系统内在用有机热载体中低沸点物质聚集到5%以上时,应当采取适当措施进行脱气操作,并且将其冷凝物安全收集二、系统的有机热载体补充锅炉正常运行过程中系统需要补充有机热载体时,应当将该冷态有机热载体首先注入膨胀罐,然后通过膨胀罐将有机热载体间接注入系统主循环回路。
解释:对系统有机热载体补充的规定一、系统有机热载体补充的理由1、由于在用有机热载体中存在的水分和低沸点物质。
2、对有机热载体进行脱气和脱水时,系统内有机热载体会部分减少。
3、为了保证锅炉的正常运行,所以系统内必须补充部分有机热载体。
二、对系统有机热载体补充的规定锅炉正常运行过程中系统需要补充有机热载体时,应当将该冷态有机热载体首先注入膨胀罐,然后通过膨胀罐将有机热载体间接注入系统主循环回路。
三、锅炉和系统的维护和修理1、系统检修时,循环系统内的组件的焊接应当在易燃气体和空气的混合物被惰性气体完全吹扫后进行;2、在整个焊接过程中,吹扫操作应当连续进行;3、系统中被有机热载体侵蕴过的保温材料不应当继续使用,已经发生燃烧的保温层不应当立即打开,必须在保温层被充分冷却后再将其拆除更换。
YQL(W)- Q系列有机热载体燃气加热炉安装使用说明书河北艺能锅炉有限责任公司敬告用户:安装使用热载体加热炉,必须按规定在当地质量技术监督部门办理登记审批手续。
本锅炉必须由国务院特种设备安全监督部门批准发证的单位安装.有机热载体炉的操作人员,应经过有机热载体炉方面知识的培训,并经质量技术监督部门考核发证。
※※※为了使您迅速了解和正确掌握本产品的使用方法,发挥该产品的最佳性能,获得预期的经济效果,敬请认真阅读本使用说明书。
对掌握本机性能和排除故障,这本说明书会带给您很大帮助。
目录一、概述 (1)1.1产品型号: (1)1.2产品特点: (1)1.3用途: (2)二、产品组成 (2)2.1燃气加热炉主机: (2)2.2配套辅机: (3)2.3出厂技术资料: (3)三、供热系统说明 (3)3.1工作原理(图一:注入式工作原理图): (4)3.2导热油: (4)3.3设备功能简介: (6)3.4供热系统工艺流程图请参见出厂文件 (8)3.5操作说明 (8)四、燃烧系统说明 (8)4.1燃烧系统的组成及工作流程 (9)4.2燃气管路设置要点 (9)4.3燃气燃烧器 (10)五、电器控制系统说明 (10)5.1工艺流程控制点 (10)5.2燃气锅炉的一般控制程序 (11)六、安装 (12)6.1 锅炉房及设备布置要求 (12)6.2 基础施工 (12)6.3 主机安装 (13)3.4 辅机安装 (13)6.5 电控制柜安装 (13)6.6 管线安装 (13)七、调试 (15)7.1 冷态调试 (15)7.2 热态调试 (16)7.3 点火升温 (16)7.4 注意事项 (18)八、运行操作 (19)8.1准备 (19)8.2启动 (19)8.3锅炉供油温度的调节 (19)8.4停炉 (20)8.5突然停电或紧急停炉处理 (20)8.6导热油的补充与更换 (20)8.7电气控制 (21)8.8锅炉的运行检查与记录 (22)九、维护保养 (22)十、故障的诊断与排除 (23)十一、关于如何延长导热油使用寿命 (24)十二、致用户 (25)一、概述有机热载体燃气加热炉,是以各种具有热值的气体为燃料,导热油为载热体,利用循环油泵强制液相循环将热能输送给用热设备后,继而返回重新加热的特种工业炉。
本公司是原劳动部颁证生产有机热载体炉的专业厂,与原化工部第一设计院有着多年的技术合作,有丰富的有机热载体炉设计制造经验。
现在按照GB/T17410-2008《有机热载体炉》标准设计生产。
有机热载体燃气加热炉,操作方便,控温精度高,应用范围广,节能、环保效果显著,畅销国内20多个省、市、自治区的工业领域,并远销印尼、印度、非洲等众多发展中国家。
使用本设备除遵照说明书要求外,还应遵照原劳动部《有机热载体炉安全技术监察规程》的有关要求。
1.1产品型号:——燃料代号:气体燃料额定热功率:KW炉体安置型式代号,L:立式;W:卧式燃烧设备代号:气体燃烧器炉类型代号:液相炉1.2产品特点:①能在较低的压力下,获得较高的工作温度。
②可进行稳定的加热和精确的温度调节。
③能自动进行燃烧过程的检测、调整和控制。
④具有完备的运行控制和安全监测装置。
⑤在不同工况条件下,均能保持最佳热效率。
⑥液相输送热能,且在寒冷地区不易冻结。
⑦可替代水资源贫缺地区的以水为介质的蒸汽锅炉供热,闭路循环供热,热利用效率较高。
1.3用途:本系列导热油炉广泛应用于以下行业:石油化学工业:聚合、熔融、缩合、蒸馏、脱H2。
油脂工业:脂及酸蒸馏、油脂分解、浓缩、酯化、真空脱臭、高温蒸炒、高级色拉油。
合成纤维工业:聚合、熔融、纺丝、延伸、干燥。
纺织印染行业:热定型、热熔染色、热熔轧光烘干、高温拉幅、浆纱。
塑料及橡胶行业:热压、热延、硫化成型、轧光喷射注机、胶桨搅拌机、传送带式烘干机、螺杆挤压机。
造纸行业:干燥、波纹纸加工、蛋托、食品纸壳烘干、轧光机、辊筒。
木材行业:多合板、纤维板热压成型、贴面板、木材干燥、汽蒸设备。
建材行业:公路沥青加热、石膏板烘干、沥青混凝土加热、混凝土构件养护、干燥设备。
空调行业:工业厂房,民用及旅馆的建筑采暖。
洗涤剂工业:蒸煮锅炉、高压釜、喷雾洗涤塔、传送带式烘干机、脂肪分解设备蒸馏塔。
汽车工业:隧道式烘房、脱脂浴池、磷酸盐处理设备。
电器设备工业:轧光机、压板机、真空锅、烘干机。
二、产品组成向您成套提供热载体加热炉系统的主体、辅机及相关资料文件,是我们站在为方便您使用的立场而进行的周密考虑,希望能使您满意并请熟悉他们的组成及其作用和逐一查收。
2.1燃气加热炉主机:燃气加热炉主机主要是指锅炉炉本体,分为卧式放置和立式放置两种,主要由用户现场的场地和工艺设备要求情况决定。
2.2配套辅机:整个加热炉系统主要由供热系统、燃烧系统、电器控制系统三大部分组成。
供热系统辅机由膨胀槽、储油槽、热油循环泵、注油泵、油过滤器、油气分离器等组成。
燃烧系统辅机由燃气燃烧器(包含燃气阀组)、防爆门、烟囱等组成,个别情况应用户要求,还包含空气预热器、引风机等设备。
电器控制系统辅机由电器控制柜及各个测量元件等组成。
2.3出厂技术资料:a)锅炉安装总图;b)基础条件图;c)供热工艺流程示意图;d)设备布置参考图;e)自动控制原理图、接线图;f)交货清单;g)主要受压元件强度计算书或强度计算汇总表;h)锅炉使用说明书;i)产品合格证及质量证明书。
三、供热系统说明凭借充分掌握导热油的性能和对有机热载体炉长期研究的成果及丰富的经验,我们在出厂技术文件中向您提供了“液相强制循环供热工艺流程图”,该图对供热系统的整个工艺流程和具体操作做了详细说明。
在现场设计和施工时,请参考此图,这是充分发挥和利用本产品供热功能的关键。
根据强制循环方式的不同,有机热载体炉分为注入式和抽吸式两种,我厂生产的产品均以注入式设计,本说明书也以注入式产品进行介绍。
3.1工作原理(图一:注入式工作原理图):图一:注入式工作原理图3.2导热油:3.2.1导热油特点:①无毒、无臭、无任何毒性、无致癌物、无难闻气味。
②挥发性小,安全可靠,闪点在200℃左右,自燃点在500℃以上。
③酸度低;PH值近中性,对设备无腐蚀性。
④馏程高蒸发损耗小;馏程的初始温度高于200℃以上。
使用温度不超过最高使用温度时,蒸发损耗低。
⑤热稳定性好,抗氧化性强;在不高于最高温度下使用,其热分解的速度极慢,油质相对稳定,年添加量仅为5%左右。
3.2.2导热油主要理化性能及质量指标(见表1):3.2.3导热油的确定:导热油的确定首先应考虑工艺温度要求及导热油最高允许使用温度之间的关系,导热油严禁超温使用,因此,选择导热油最高允许使用温度应比工艺需用的主流体最高工作温度高出10℃~15℃。
其次,选择导热油应考虑导热油性能特点,包括密度、粘度、闪点、酸值、残炭及馏分等,同时,还应考虑温度与导热油的比热、粘度、导热系数的关系。
3.2.4导热油需要量:导热油需要量:1.2(A+B+C+D)式中:A—加热炉炉管容油量;m3B—用热设备容油量;m3C—膨胀槽内容油量;m3D—供热管线容油量;m33.2.5导热油失效的判别:导热油长期在高温下使用,其品质会缓慢地发生变化,它的变化是不可逆的,在超温条件下运行,品质劣变加速。
因此,定期对导热油取样分析(最长不得超过一年),要着重控制和观察分析以下几项指标:①酸值(mgKOH/g)达到0.5时应引起重视(按GB264-88方法测定)②粘度变化达到15%时应引起重视(按GB265-88方法测定)③闪点变化达到20%以上时应引起重视(按GB267-88方法测定)④残炭(W%)达到1.5时应引起重视(按GB268-87方法测定)当分析导热油上述指标时,不能孤立的看其中的某一项,但有两项以上指标不合格时,该导热油应予更换。
3.3设备功能简介:1.加热炉加热炉是加热炉系统的主机部分,有机载热体由此获得热能。
炉本体分为立式圆筒型和卧式圆筒型两种。
2.热油循环泵热油循环泵为导热油闭路强制循环提供动力,要求每台加热炉至少配置两台泵,其中一台为备用。
热油泵结构及其参数参见随机文件。
3.膨胀槽(高位槽)膨胀槽用作导热油因温度变化而产生体积变化的补偿,从而稳定系统热载体的压力,同时还可以帮助系统脱水排汽,因此,膨胀槽应设置在比系统所有设备或管道的最高点高出1.5~2m标高处,正常工作时应保持高液位状态,当突然停电或热油循环泵发生故障而需紧急停炉时,可以将冷油置换阀打开,此时高位槽的冷油利用其位能流经炉管而入贮油槽,从而防止炉管内导热油超温过热。
其调节容积应不小于液相炉和管网系统中有机热载体在工作温度下因受热膨胀而增加的容积的1.3倍。
4.贮油槽(低位槽)贮油槽主要用来贮存高位槽、炉管及系统排出的导热油。
正常工作时应处于低液位状态,随时准备接受外来导热油。
排气口(呼吸口)应接到安全区,且不得设置阀门(用氮气保护的系统除外)。
贮油槽的容积应不小于有机热载体炉中有机热载体总量的1.2倍。
5.注油泵(齿轮泵)KCB齿轮注油泵,用来向系统补充或抽出导热油。
泵体上箭头方向应是主轴旋转方向,也是介质的流动方向。
6.过滤器(或Y型过滤器)过滤器用来过滤并清除供热系统中的异物。
7.油气分离器油气分离器用来分离并排除供热系统中的空气、水蒸汽及其它气体,从而确保导热油在液相无气、水的状态下稳定运行。
8.安全阀安全阀应设置在加热炉主管线上,且与炉本体之间不得设置阀门。
安全阀主要用来防止阀门的误操作而引起的导热油升温超压。
9.温度表温度表应设置在热载体炉出口主管线上与进口主管线上,且便于司炉工观察。
10.压力表压力表应设置在热载体炉出口主管线上与进口主管线上,表头必须竖直向上安置,面盘应朝向司炉工便于观察的方向。
表头下面必须有压力表旋塞阀及压力表弯管。
11.铂热电阻铂热电阻设置在热载体炉出口主管线、进口主管线上及出烟口处。
(安装方向如图二)12.燃烧系统辅机燃烧系统辅机的使用请参照相应的使用说明书,在此不作说明。
13.其它仪表、电器控制系统详见本说明书及技术文件14.热水器热水器是锅炉余热利用的设备,将冷水通过换热加热为所需要的热水,并且有效地降低锅炉的排烟温度,提高了锅炉的热效率。
热水器是常压设备,可用水泵抽取热水器内的水。
3.4供热系统工艺流程图请参见出厂文件3.5操作说明供热系统操作说明详见“供热工艺流程图”,请对照熟悉之。
四、燃烧系统说明燃烧系统就是将燃气和空气引入燃烧器,并使之进行混合、点燃和燃烧,生成的烟气在锅炉中放热后再经烟道和烟囱排入大气的全部装置系统。
整个燃烧系统采用高效节能燃烧器,保证气体燃料充分燃烧,燃烧效率极高,同时,由于其先进的自控性能,可以对导热油的加热温度精确控制,保证用热设备工况稳定,其自控先进性也表现在能自动监察故障的发生,发出报警信号并自动关机,充分保证了系统运行的安全可靠。