PLC基本指令
- 格式:ppt
- 大小:7.65 MB
- 文档页数:97
FC系列可编程控制器的基本指令如下:Array1、2表示操作数LDIX0 与母线连接OUT Y0 LD X1 OUTM1 驱动指令OUTY3LDX0AND X3 串联接点OUT Y0 AND X1OUTY1● 直接连到母线上时使用,或者在一个接点组开始时使用。
● LD 表示常开接点,LDI 表示常闭接点。
● OUT 指令是对输出继电器、内部继电器的线圈驱动指令,对输入线圈只能作中间接点使用。
●并列的OUT 命令能多次使用。
●用AND ,ANI 指令串联连接1个接点。
在逻辑运算开始接点后面,串联连接的接点使用此指令。
在线圈驱动指令后面,串联连接在该线圈驱动指令前面的回路上的接点也使用此指令。
●AND 表示常开接点,ANI 表示常闭接点。
●用OR,ORI指令并联连接1个接点。
如果有两个以上的接点串联连接,并将这种串联回路块与其他回路并联连接时,采用后面的ORLD指令。
●OR,ORI是指该指令与前面的LD、LDI指令进行并联连接。
●OR表示常开接点,ORI表示常闭接点。
LD= W10K10OUT M30LD<> W201 W200OUT M111 如果寄存器W10的数据和常数10相等,则条件成立,M30接通。
2 如果寄存器W201的数据与寄存器W200的数据不等,则条件成立,M11接通。
LD X0AND= W20 K10AND<> W100 W101OUT Y2当X0接通时,如果寄存器W20的数据等于10且寄存器W100的数据与W101的数据不等,则条件成立,Y2接通。
●LD=,LD<>指令用于将比较等于接点连接到母线上或其他分支接点处。
●LD=指令是指被比较数据等于比较数据时,接点接通;被比较数据不等于比较数据时,接点断开。
LD<>是指被比较数据等于比较数据时,接点断开;比较数据不等于比较数据时,接点接通。
回路表示●用AND=,AND<>指令可串联一个比较等于接点。
三菱PLC功能指令1.位操作指令:位操作指令用于读取、写入和修改位级别的数据。
常见的位操作指令包括LD(逻辑与)、ORR(逻辑或)、AND(逻辑与)、XOR(异或)等。
2.数据操作指令:数据操作指令用于读取、写入和修改字节、字和双字级别的数据。
常见的数据操作指令包括MOV(赋值)、ADD(加法)、SUB(减法)、MUL(乘法)、DIV(除法)等。
3.计数器指令:计数器指令用于实现计数功能。
有三种类型的计数器指令:上升沿计数器、下降沿计数器和阶段计数器。
计数器指令可以用于进行数量统计、进度监测等应用。
4.定时器指令:定时器指令用于实现定时功能。
有两种类型的定时器指令:上升沿定时器和下降沿定时器。
定时器指令可以用于进行时间监测、延时操作等应用。
5.移位指令:移位指令用于将数据的位进行移动。
常见的移位指令包括SHL(左移)、SHR(右移)等。
移位指令通常用于数据处理和位拼接等应用。
6.比较指令:比较指令用于比较两个数值的大小。
常见的比较指令包括CMP(比较)、EQ(等于)、NE(不等于)、GT(大于)等。
比较指令可以用于实现条件判断和逻辑控制等应用。
7.转移指令:转移指令用于控制程序的流程。
常见的转移指令包括JMP(无条件跳转)、JE(等于时跳转)、JNE(不等于时跳转)、JG(大于时跳转)等。
转移指令可以用于实现程序的循环和条件判断等应用。
8.存储器控制指令:存储器控制指令用于读取和写入存储器的数据。
常见的存储器控制指令包括LD(读取)、ST(写入)等。
存储器控制指令可以用于实现数据存储和加载等应用。
9.数学指令:数学指令用于实现各种数学运算。
常见的数学指令包括SIN(正弦)、COS(余弦)、SQRT(平方根)等。
数学指令可以用于实现数据处理和数值计算等应用。
10.基本运算指令:基本运算指令用于实现基本的数值运算。
常见的基本运算指令包括加法、减法、乘法和除法等。
基本运算指令通常用于实现逻辑计算和数据处理等应用。
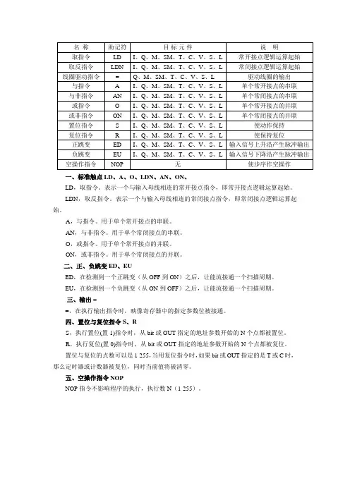
PLC的基本指令一、位操作类指令位操作类指令依靠两个数字1和0进行工作,这两个数字组成了二进制系统,数字1和0称之为二进制数或简称位。
在触点与线圈中,1表示启动或通电,0表示启动或未通电。
1.标准触点指令梯形图表示:语句表表示:“LD bit ”;“LDN bit”。
Bit触点的范围:V、I 、Q、M、SM、T、C、S、L(位)。
功能及说明常开触点在其线圈不带电时,触点是断开的,触点的状态为Off或为0。
当线圈带电时,其触点是闭合的,触点的状态为ON或为1。
该指令用于网络块逻辑运算开始的常开触点与母线的连接。
常闭触点在其线圈不带电时,触点是闭合的,触点的状态为ON或为1。
当线圈带电时,其触点是断开的,触点的状态为OFF或为0。
该指令用于网络块逻辑运算开始的常闭触点与母线的连接。
2.立即触点指令梯形图表示:语句表表示:“LDI bit ”;“LDNI bit”。
Bit触点的范围:I(位)。
功能及说明当常开立即触点位值为1时,表示该触点闭合。
当常闭立即触点位值为0时,表示该触点断开。
指令中的“I”表示立即的意思。
执行立即指令时,CPU直接读取其物理输入点的值,而不是更新映像寄存器。
在程序执行过程中,立即触点起开关的触点作用。
3.输出操作指令(线圈驱动指令)梯形图表示:语句表表示:“=bit ”Bit触点的范围:V、I 、Q、M、SM、T、C、S、L(位)。
功能及说明输出操作是把前面各逻辑运算的结果复制到输出线圈,从而使输出线圈驱动的输出常开触点闭合,常闭触点断开。
输出操作时,CPU是通过输入/输出映像区来读/写输出操作的。
4.立即输出操作指令梯形图表示:语句表表示:“=I bit ”Bit的范围:Q(位)。
功能及说明立即输出操作是把前面各逻辑运算的结果复制到输出线圈,从而使立即输出线圈驱动的输出常开触点闭合,常闭触点断开。
当立即输出操作时,CPU立即输出。
除将结果写到输出映像区外直接驱动实际输出。
5.逻辑与、或操作指令梯形图表示:逻辑与操作由标准触点或立即触点串联构成;逻辑或操作由标准触点或立即触点的并联构成。
PLC功能指令范文PLC(可编程逻辑控制器)是一种用于自动化控制系统的电子设备,它能够根据预设的程序和输入信号,控制和监控各种工业设备和过程。
PLC的功能指令是用于编写PLC程序的基本指令集,它们包括了数字逻辑运算、数学运算、定时器、计数器、数据移位、比较和控制等多种指令,下面是一些常见的PLC功能指令。
1. LD(Load)指令:用于将信号或者寄存器中的数据加载到内部存储器中,以供后续操作使用。
2.AND、OR、XOR(逻辑运算)指令:分别用于逻辑与、逻辑或和逻辑异或运算,比较输入的信号状态并给出相应的输出信号。
3.ADD、SUB、MUL、DIV(数学运算)指令:用于执行加法、减法、乘法和除法运算,对输入信号进行数学运算并得出结果。
4.TON(定时器)指令:实现定时功能,根据设定的时间延迟后输出一个脉冲信号,可以用于控制设备的启停以及延时操作。
5.CTU(计数器)指令:用于计数一些事件的发生次数,当计数器达到指定值时输出一个脉冲信号,常用于统计数量或者控制循环操作。
6.MOV(数据移位)指令:将数据在不同的存储单元之间移动,可以用于复制、转移和交换数据。
7.CMP(比较)指令:用于比较两个数据的大小关系,根据比较结果判断是否满足一些条件,常用于控制开关状态或者判断数值范围。
8.SET、RST(控制)指令:分别用于设置和复位一些指定的位,可以用于控制开关状态或者设定标志位。
9.JMP(跳转)指令:根据条件跳转到程序中的指定位置,可以实现程序的分支和循环。
10.CALL、RET(调用和返回)指令:用于在子程序间传递控制和数据,实现模块化编程和程序的结构化设计。
11.MOV、LOAD、STORE(数据传输)指令:用于数据在不同存储单元之间的传输,比如移动数据、存储数据到寄存器或者点位状态。
12.OUT、IN(输入输出)指令:用于读取输入信号的状态(如传感器信号)或者控制输出信号的状态(如执行器驱动信号)。
第一节根本指令的种类根本指令一览表:根本指令 . 步进梯形图指令FX1S可编程序控制器的根本顺控指令和步进梯形图指令的种类及其功能以下所示:助记符功能格式和操作软元件LD常开触点逻辑运算初步( 常开触点与取左母线连结 )LDI常闭触点逻辑运算初步( 常闭触点与取反左母线连结〕LDP上升沿检测 ( 检测到信号的上升沿时取脉冲闭合一个扫描周期 )上升沿LDF下降沿检测 ( 检测到信号的下降沿时取脉冲闭合一个扫描周期 )下降沿AND串通连结 ( 常开触点与其他触点或触与点组串通连结 )ANI串通连结 ( 常闭触点与其他触点或触与非点组串通连结 )ANDP上升沿串通连结 ( 检测到位软元件上与脉冲升沿信号时闭合一个扫描周期 )上升沿ANDF下降沿串通连结 ( 检测到位软元件下与脉冲降沿信号时闭合一个扫描周期 )下降沿OR并联连结 ( 常开触点与其他触点或触或点组并联连结 )ORI并联连结 ( 常闭触点与其他触点或触或非点组并联连结 )ORP脉冲上升沿检测并联连结( 检测到位或脉冲软元件上升沿信号时闭合一个扫描上升沿周期 )ORF脉冲下降沿检测并联连结( 检测到位或脉冲软元件下降沿信号时闭合一个扫描下降沿周期 )ANB并联电路块的串通连结( 电路块与其电路块与他触点或触点组串通连结)ORB串通电路块的并联连结( 电路块与其电路块或他触点或触点组并联连结)OUT线圈驱动输出SET使线圈接通并保持动作置 1RST使线圈断开 , 除掉动作保持 , 存放器复零清零PLS上升沿微分输出 ( 当检测到输入脉冲上升沿的上升沿时 , 指令的操作元件闭合一脉冲个扫描周期 )PLF下降沿微分输出 ( 当检测到输入脉冲下降沿的下降沿时 , 指令的操作元件闭合一脉冲个扫描周期 )MC公共串通接点的连结( 将左母线临时主控指令移到一个所需地址, 产生一临时左母线 , 形成主控电路块 )MCR公共串通接点的除掉( 取消临时左母主控复位线 , 将左母线返回到原来的地址, 结束主控电路块 )MPS进栈 ( 将逻辑运算结果存入栈储藏进栈指令器 , 储藏器中原来的储藏结果依次向栈储藏器基层推移 )MRD读栈 ( 将储藏器一号单元的内容读读栈指令出 , 且詹储藏器中的内容不发生变化 )MPP出栈 9 将储藏器中一号单元的结果出栈指令取出 , 储藏器中其他单元的数据依次向上推移 )INV运算结果取反取反NOP无动作空操作END输入输出办理以及返回到 0 步结束STL步进接点开始 ( 将步进接点接到左母步进接点线 )RET步进接点开始 ( 使副母线返回到原来步进结束的左母线地址 )第二节根本指令介绍FX1S的根本指令形式、功能和编程方法。
PLC基本指令PLC基本指令是指PLC程序中最常用的指令,它们可以操作PLC的输入和输出、数据传输、逻辑运算、算术操作、定时器和计数器等功能,实现各种控制功能。
以下是几种常见的PLC基本指令:1. LD指令LD是Load的缩写,该指令用于将输入点的值(0或1)传输到内存中的寄存器(R)中。
例如,LD X0表示将输入点X0的值传输到R0中。
2. OUT指令OUT是Output的缩写,该指令用于将内存(R)中的寄存器值传输到输出点上。
例如,OUT Y0表示将R0中的值传输到输出点Y0上。
3. AND指令AND是And的缩写,该指令用于逻辑“与”运算。
例如,AND X0,X1表示将X0和X1两个输入点进行“与”运算,得到一个结果,如果两个输入点的值都为1,则结果为1,否则结果为0。
4. OR指令OR是Or的缩写,该指令用于逻辑“或”运算。
例如,OR X0,X1表示将X0和X1两个输入点进行“或”运算,得到一个结果,如果两个输入点的值都为0,则结果为0,否则结果为1。
5. ADD指令ADD是Addition的缩写,该指令用于两个数的加法运算。
例如,ADD R0,#10表示将R0中的值加上10。
6. SUB指令SUB是Subtraction的缩写,该指令用于两个数的减法运算。
例如,SUB R0,#5表示将R0中的值减去5。
7. TIM指令TIM是Timer的缩写,用于创建一个定时器。
例如,TIM T0,10表示创建一个周期为10的定时器T0。
8. CTU指令CTU是Count Up的缩写,用于创建一个计数器。
例如,CTU C0,100表示创建一个计数器C0,计数范围为0-100。
这些PLC基本指令可以结合使用,实现复杂的控制功能。
在掌握这些基本指令的基础上,还可以通过使用子程序、中断和移位指令等扩展指令,实现更加复杂的逻辑运算和计算功能。
因此,对PLC的学习和掌握,PLC基本指令是非常重要的。
PLC基本指令PLC(可编程逻辑控制器)是一种专门用于自动化控制系统的计算机设备,它通过执行一系列的指令来实现对工业过程的控制。
PLC基本指令是PLC编程中最基础的部分,掌握了这些指令,就能够进行更加复杂的控制操作。
一、LD指令LD指令是PLC中最基本的输入指令,它用于将一个输入点的状态传递给一个输出点。
LD指令的语法结构为:LD 输入点;例如,LD X0;表示将输入点X0的状态传递给输出点。
二、AND指令AND指令是PLC中的逻辑与指令,它用于判断多个输入点的状态是否同时为真。
AND指令的语法结构为:AND 输入点1,输入点2,...,输入点n;例如,AND X0,X1,X2;表示判断输入点X0、X1和X2的状态是否同时为真。
三、OR指令OR指令是PLC中的逻辑或指令,它用于判断多个输入点的状态是否有一个为真。
OR指令的语法结构为:OR 输入点1,输入点2,...,输入点n;例如,OR X0,X1,X2;表示判断输入点X0、X1和X2的状态是否有一个为真。
四、NOT指令NOT指令是PLC中的逻辑非指令,它用于将一个输入点的状态取反。
NOT指令的语法结构为:NOT 输入点;例如,NOT X0;表示将输入点X0的状态取反。
五、OUT指令OUT指令是PLC中最基本的输出指令,它用于将一个输入点的状态传递给一个输出点。
OUT指令的语法结构为:OUT 输出点;例如,OUT Y0;表示将输入点的状态传递给输出点Y0。
六、SET指令SET指令是PLC中的置位指令,它用于将一个输出点的状态置为真。
SET指令的语法结构为:SET 输出点;例如,SET Y0;表示将输出点Y0的状态置为真。
七、RST指令RST指令是PLC中的复位指令,它用于将一个输出点的状态复位为假。
RST指令的语法结构为:RST 输出点;例如,RST Y0;表示将输出点Y0的状态复位为假。
以上就是PLC基本指令的简单介绍,通过学习和掌握这些指令,我们可以进行更加复杂的PLC编程,实现对工业过程的精确控制。
PLC基本指令
PLC指令是指控制系统中用于控制输入设备和输出设备的指令程序。
它们可以是编程软件或者硬件,可以根据用户定义的指令对控制器进行操作。
它们可用于控制普通的机械装置,也可用于控制复杂的系统,如PLC、DCS、SCADA等。
经常用到的基本指令
1. 读取指令:读取指令用于从PLC中读取指定的寄存器,存储器或者输入设备的值,这样就可以读取当前的状态,并可以使用这些数据来决定之后的控制行为。
2. 写入指令:写入指令可以将数据写入PLC中,这样就可以控制PLC内部的寄存器,存储器或者输出设备。
3. 比较指令:比较指令可以比较两个或多个值,如果满足一定的条件,就表示比较成功,可以执行后续的指令。
4. 逻辑指令:逻辑指令可以根据比较指令的结果来控制PLC的输出设备,从而实现一些复杂的逻辑控制。
5. 循环指令:循环指令可以重复执行某个指令,直到满足一定的条件,才停止循环操作。
6. 时间指令:时间指令用于定时执行某些指令,从而实现定时,定期操作。
- 1 -。
PLC功能指令的基本知识什么是PLCPLC指可编程逻辑控制器(Programmable Logic Controller),是一种电子控制设备,适用于自动化控制领域。
PLC的主要作用是接收信号,判断输入信号状态,根据程序逻辑进行运算,发出输出信号以控制现场设备的工作。
PLC功能指令的分类PLC功能指令主要分为以下几类:常规控制指令常规控制指令是最基本的PLC指令,包括运算指令、比较指令、逻辑指令等。
常见的指令有AND、OR、XOR、NOT等。
数据处理指令数据处理指令主要用于对数据进行处理,包括数据传送指令、移动指令、逻辑指令等。
常见的指令有MOV、SFTL、SFTR等。
计数器指令计数器指令是用于计数器操作的指令。
常见的计数器指令有CTU、CTD、TON等。
定时器指令定时器指令是用于定时器操作的指令。
常见的定时器指令有TON、TOF、TP等。
运动控制指令运动控制指令主要用于运动控制,包括位置控制指令、速度控制指令、加速度控制指令等。
常见的指令有MOVJ、MOVL、SPD、ACC等。
通讯指令通讯指令主要用于PLC之间或PLC与其他设备间的通讯。
常见的通讯指令有读/写I/O指令、读/写存储器指令、发送/接收指令等。
PLC功能指令的特点高可靠性PLC功能指令的运行稳定可靠,可靠性较高。
PLC的指令在运行时,它不会卡死、不会死机,也不会崩溃。
灵活性强PLC功能指令可以根据控制需要进行编程,PLC控制系统的灵活性很强。
PLC功能指令的主要特性是具有可编程性,操作系统的可编程性可以通过系统软件进行调整,以适应控制需求的变化。
具有实时性PLC功能指令可以实现实时控制,指令运行速度快,控制精度高。
其系统执行指令的速率、控制精度、运算速度都非常高。
扩展性好PLC功能指令可以通过接口扩展,以实现更多的控制功能。
扩展设备可以对PLC的存储器空间进行扩展,同时可以通过扩展卡、模块等方式,拓展更多类型的I/O口。
PLC功能指令的应用PLC功能指令广泛应用于自动化控制领域,如工业生产、仓库物流、能源、建筑等。
PLC基本指令介绍PLC(可编程逻辑控制器)是一种常用于自动化控制系统的电子设备,它可以通过编程来实现不同的逻辑功能和控制操作。
PLC基本指令是PLC编程的基础,是PLC实现逻辑控制的基本工具。
1. LD(Load)指令:LD指令用于将逻辑输出输入的状态装载到PLC的存储器中,以供后续的逻辑运算和判断使用。
2.AND指令:AND指令用于进行逻辑与运算,当两个或多个输入信号同时为真时,输出信号为真,否则输出信号为假。
3.OR指令:OR指令用于进行逻辑或运算,当两个或多个输入信号中至少一个为真时,输出信号为真,否则输出信号为假。
4.NOT指令:NOT指令用于进行逻辑非运算,将输入信号取反,即如果输入信号为真,则输出信号为假,反之亦然。
5. BCD指令:BCD(Binary Coded Decimal)指令用于将二进制数转换为十进制数,或者将十进制数转换为二进制数。
6. ADD(Addition)指令:ADD指令用于进行加法运算,将两个输入信号相加,得到的结果保存在输出信号中。
7. SUB(Subtraction)指令:SUB指令用于进行减法运算,将一个输入信号减去另一个输入信号,得到的结果保存在输出信号中。
8. MUL(Multiplication)指令:MUL指令用于进行乘法运算,将一个输入信号乘以另一个输入信号,得到的结果保存在输出信号中。
9. DIV(Division)指令:DIV指令用于进行除法运算,将一个输入信号除以另一个输入信号,得到的结果保存在输出信号中。
10. JMP(Jump)指令:JMP指令用于跳转到程序中的指定位置,可以实现循环和分支等运算。
11. LBL(Label)指令:LBL指令用于标记程序中的位置,可以通过LBL指令实现程序的结构化管理。
12. OUT(Output)指令:OUT指令用于将输出信号发送到外部设备,实现对外部设备的控制。
13. ANI(Analog Input)指令:ANI指令用于读取模拟信号的输入值,可以读取温度、压力等模拟量。
plc20个基本指令PLC的基本指令包括以下几种:
1. LD(Load):表示动合触点。
2. LDN(Load Not):表示动断触点。
3. A(And):表示与动合触点串联。
4. AN(And Not):表示与动断触点串联。
5. O(Or):表示或动合触点并联。
6. ON(Or Not):表示或动断触点并联。
7. =(Out):表示线圈输出。
8. OLD(Or Lode):块或。
9. ALD(And Lode):块与。
10. LPS(Logic Push):逻辑入栈。
11. LRD(Logic Read):逻辑读栈。
12. LPP(Logic Pop):逻辑出栈。
13. NOT(not):非。
14. NOP(No Operation):空操作。
15. END:程序结束指令。
16. MPS(Multiple Push):多重入栈。
17. MPD(Multiple Pop):多重出栈。
18. MPP(Multiple Push Pop):多重入出栈。
19. PLS(Pulse):脉冲输出指令。
20. PLF(Pulse Not):非脉冲输出指令。
以上是PLC的基本指令,不同的PLC品牌和型号可能会有一些差异,因此具体使用时需要根据实际情况选择相应的指令。
plc常用的基本指令PLC常用的基本指令PLC(Programmable Logic Controller)是一种广泛应用于工业自动化领域的控制设备,它通过编程控制来实现对生产过程的监控和控制。
在PLC的程序中,常用的基本指令起着至关重要的作用,下面将介绍几个常用的基本指令及其功能。
一、常用的逻辑指令1. 与指令(AND):用于将两个逻辑量进行与运算,当两个逻辑量都为真时,输出为真。
在PLC程序中,与指令常用于实现多个条件同时满足时的控制逻辑。
2. 或指令(OR):用于将两个逻辑量进行或运算,当两个逻辑量中至少一个为真时,输出为真。
在PLC程序中,或指令常用于实现多个条件中至少一个满足时的控制逻辑。
3. 非指令(NOT):用于对一个逻辑量取反,当输入为真时,输出为假;当输入为假时,输出为真。
在PLC程序中,非指令常用于实现条件的取反操作。
二、常用的定时器指令1. 延时ON指令(TON):用于实现延时功能,当输入信号在规定的时间内保持为真时,输出信号才为真。
TON指令可以用于控制延时启动或延时关闭的设备。
2. 延时OFF指令(TOF):与TON指令相反,用于实现延时关闭功能。
当输入信号在规定的时间内保持为假时,输出信号才为真。
TOF指令常用于延时断电或延时停止设备。
三、常用的计数器指令1. 上升沿计数器指令(CTU):用于对输入信号的上升沿进行计数。
当输入信号从假变为真时,计数器的值加1。
CTU指令可以用于实现对事件发生次数的计数。
2. 下降沿计数器指令(CTD):与CTU指令相反,用于对输入信号的下降沿进行计数。
当输入信号从真变为假时,计数器的值减1。
CTD指令常用于实现对事件的倒计数。
四、常用的移位指令1. 左移位指令(SHL):用于将一个操作数向左移动指定的位数。
左移位指令常用于实现对数据的乘以2的幂次方运算。
2. 右移位指令(SHR):与SHL指令相反,用于将一个操作数向右移动指定的位数。
一、顺控指令1 触点指令00 LD 逻辑操作开始01 LDI 逻辑非操作开始02 AND 逻辑乘03 ANI 逻辑乘非04 OR 逻辑加05 ORI 逻辑加非2 连接指令06 ANB AND逻辑块与07 ORB OR逻辑块或08 MPS 存储操作结果09 MRD 从MPS读取操作结果10 MPP 从MPS读取操作结果并清除结果3 输出指令11 OUT 软元件输出12 SET 软元件置位13 RST 软元件复位14 PLS 在输入信号的上升沿15 PLF 在输入信号的下降沿16 CHK 软元件输出翻转4 移位指令17 SFT 元件移1位18 SFTP 元件移1位5 主控指令19 MC 主控开始20 MCR 主控复位6 结束指令21 FEND 结束主程序22 END 总的程序末尾,返回第0步7 其它指令23 STOP 停止24 NOP 空操作二基本指令1 比较指令16位数据比较25 LD= 当S1=S2, 接通,当S1≠S2, 断开26 AND=27 OR=28 LD<> 当S1≠S2, 接通,当S1=S2, 断开29 AND<>30 OR<>31 LD> 当S1>S2, 接通,当S1≤S2, 断开32 AND>33 OR>34 LD<= 当S1≤S2, 接通,当S1>S2, 断开35 AND<=36 OR<=37 LD< 当S1<S2, 接通,当S1≥S2, 断开38 AND<39 OR<40 LD>= 当S1≥S2, 接通,当S1<S2, 断开41 AND>=42 OR>=32位数据比较43 LDD= 当(S1+1,S1)=(S2+1,S2), 接通44 ANDD=45 ORD=46 LDD<> 当(S1+1,S1)≠(S2+1,S2),接通47 ANDD<>48 ORD<>49 LDD> 当(S1+1,S1)>(S2+1,S2), 接通50 ANDD>51 ORD>52 LDD<= 当(S1+1,S1)≤(S2+1,S2),接通53 ANDD<=54 ORD<=55 LDD< 当(S1+1,S1)<(S2+1,S2), 接通56 ANDD<57 ORD<58 LDD>= 当(S1+1,S1)≥(S2+1,S2),接通59 ANDD>=60 ORD>=2 算术运算指令二进制16位加/减61 + (D)+(S)→(D)62 +P63 + (S1)+(S2)→(D)64 +P65 - (D)-(S)→(D)66 -P67 - (S1)-(S2)→(D)68 -P二进制32位加/减69 D+ (D+1,D)+(S+1,S)→(D+1,D)70 D+P71 D+ (S1+1,S1)+(S2+1,S2)→(D+1,D)72 D+P73 D- (D+1,D)-(S+1,S)→(D+1,D)74 D-P75 D- (S1+1,S1)-(S2+1,S2)→(D+1,D)76 D-P 77 * (S1)×(S2)→(D+1,D)78 *P79 / (S1)/(S2)→商(D), 余数(D+1)80 /P81 D* (S1+1,S1)×(S2+1,S2)→(D+3,D+2,D+1,D)82 D*P83 D/ (S1+1,S1)/(S2+1,S2)→商(D+1,D),余数(D+3,D+2)84 D/P85 B+ (D)+(S)→(D)86 B+P87 B+ (S1)+(S2)→(D)88 B+P89 B- (D)-(S)→(D)90 B-P91 B- (S1)-(S2)→(D)92 B-P93 DB+ (D+1,D)+(S+1,S) →(D+1,D)94 DB+P95 DB+ (S1+1,S1)+(S2+1,S2)→(D+1,D)96 DB+P97 DB- (D+1,D)-(S+1,S)→(D+1,D)98 DB-P99 DB- (S1+1,S1)-(S2+1,S2)→(D+1,D)100 DB-P101 B* (S1)×(S2)→(D+1,D)102 B*P103 B/ (S1)/(S2)→商(D),余数(D+1)104 B/P105 DB* (S1+1,S1)×(S2+1,S2)→(D+3,D+2,D+1,D)106 DB*P107 DB/ (S1+1,S1)/(S2+1,S2)→商(D+1,D),余数(D+3,D+2)108 DB/P109 INC (D)+1→(D)110 INCP111 DINC (D+1,D)+1→(D+1,D)112 DINCP113 DEC (D)-1→(D)114 DECP115 DDEC (D+1,D)-1→(D+1,D)116 DDECP3 BCD—二进制转换117 BCD (S)→(D)BCD转换118 BCDP119 DBCD (S+1,S)→(D+1,D)120 DBCDP121 BIN (S)→(D)二进制转换122 BINP123 DBIN (S+1,S)→(D+1,D)124 DBINP4 数据传送指令125 MOV (S)→(D)126 MOVP127 DMOV (S+1,S)→(D+1,D)128 DMOVP129 CML (S)→(D)130 CMLP131 DCML (S+1,S)→(D+1,D)132 DCML133 DCMLP134 BMOV (S)→(D)n个135 BMOVP136 FMOV (S)→(D)n个137 FMOVP138 XCH (D1)←→(D2)139 XCHP140 DXCH (D1+1,D1)←→(D2+1,D2) 141 DXCHP5 程序分支指令142 CJ 条件满足,跳转到P**处143 SCJ 条件满足后紧接的扫描周期,跳转到P**处144 JMP 无条件跳转到P**处145 CALL 执行P**处子程序146 CALLP147 RET 从子程序返回148 EI 允许中断149 DI 禁止中断150 IRET 从中断程序返回151 SUB 执行n指定的程序152 SUBP6 程序切换指令153 CHG 在主副程序间切换7 刷新指令154 COM 执行通讯刷新155 EI 允许通讯刷新156 DI 禁止通讯刷新157 SEG 对应软元件的刷新,仅执行1个扫描周期,M9052 ON时有效三应用指令1 逻辑运算指令158 WAND (D) AND (S)→(D)159 WANDP160 WAND (S1) AND (S2)→(D)161 WANDP162 DAND (D+1,D) AND (S+1,S)→(D+1,D)163 DANDP164 WOR (D) OR (S)→(D)165 WORP166 WOR (S1) OR (S2)→(D)167 WORP168 DOR (D+1,D) OR (S+1,S)→(D+1,D)169 DORP170 WXOR (D) XOR (S)→(D)异或171 WXORP172 WXOR (S1) XOR (S2)→(D)173 WXORP174 DXOR (D+1,D) XOR (S+1,S)→(D+1,D)175 DXORP176 WXNR (D) XOR (S)→(D)177 WXNRP178 WXNR (S1) XOR (S2)→(D)179 WXNRP180 DXNR (D+1,D) XOR (S+1,S)→(D+1,D)181 DXNRP182 NEG 0-(D)→(D)补码183 NEGP2 旋转指令184 ROR n位右转185 RORP186 RCR n位右转(带进位)187 RCRP188 ROL n位左转189 ROLP190 RCL n位左转(带进位)191 RCLP192 DROR n位右转193 DRORP194 DRCR n位右转(带进位)195 DRCRP196 DROL n位左转197 DROLP198 DRCL n位左转(带进位)199 DRCLP3 移位指令200 SFR n位右移201 SFRP202 SFL n位左移203 SFLP204 BSFR 1位右移205 BSFRP206 BSFL 1位左移207 BSFLP208 DSFR 1位右移209 DSFRP210 DSFL 1位左移211 DSFLP4 数据处理指令212 SER 数据搜索213 SERP214 SUM 位检查215 SUMP216 DSUM217 DSUMP218 DECO 译码编码219 DECOP220 ENCO221 ENCOP222 SEG 7段编码223 BSET 对字中n位置位224 BSETP225 BRST 对字中n位复位226 BRSTP227 DIS 组合分离228 DISP229 UNI230 UNIP231 ASC ASCII转化5 先进先出指令232 FIFW FIFO写233 FIFWP234 FIFR FIFO读235 FIFRP6 内存缓冲区存取指令236 FROM 从特殊功能模块读取数据237 FROMP238 DFRO239 DFROP240 TO 向特殊功能模块写数据241 TOP242 DTO243 FROM 从远程I/O站读数据244 FROMP245 DFRO246 DFROP247 TO 向远程站写数据248 TOP249 DTO250 DTOP7 FOR/NEXT指令251 FOR 重复n次252 NEXT8 本地站、远程I/O站存取指令253 LRDP 从本地站读数据254 LWTP 向本地站写数据255 RFRP 从远程特殊功能模块读数据256 RTOP 向远程特殊功能模块写数据9 显示指令257 PR 从指定的8点字软元件输出16个字符的ASCII码258 PR 顺序向输出模块输出ASCII码, 直到结束符NUL(00H)259 PRC 将字软元件的注释转换成ASCII码,并输出260 LED 将指定的8点字软元件显示16个字符的ASCII码261 LEDA 显示指定的英文数字字符262 LEDB263 LEDC 显示软元件S的注释264 LEDR 显示复位10 其它指令265 WDT WDT复位266 WDTP267 CHK 故障检测268 SLT 按参数设定的条件,数据被锁定269 SLTR 状态锁存复位,且执行SLT270 STRA 按参数设定的条件,采样数据存入271 STRAR 采样跟踪复位,且允许执行272 STC 进位标志(M9012)ON 273 CLC 进位标志(M9012)OFF 274 DUTY 用户定义时钟11 伺服指令275 DSFRP 请求启动伺服程序276 PSFLP 数据修改特殊继电器和特殊寄存器一特殊继电器M清单M9000 熔丝断M9002 I/O组件校验出错M9004 MINI网通讯出错M9005 AC电源掉电检测M9006 电池电压低M9007 电池电压低锁存M9008 自诊断出错M9009 信号报警器检测M9010 运算出错标志M9011 运算出错标志锁存M9012 进位标志M9016 数据存储区清零标志M9017 数据存储区清零标志M9018 数据通讯监控切换M9020 0号用户定时时钟M9021 1号用户定时时钟M9022 2号用户定时时钟M9023 3号用户定时时钟M9024 4号用户定时时钟M9025 时钟数据设置请求M9026 时钟数据出错M9027 时钟数据显示M9028 时钟数据读请求M9030 0.1秒时钟M9031 0.2秒时钟M9032 1秒时钟M9033 2秒时钟M9034 1分钟时钟M9036 常开M9037 常闭M9038 RUN后第一个扫描周期ONM9039 运行标志M9040 暂停PAUSE允许线圈M9041 PAUSE状态触点M9042 停止状态触点M9043 采样跟踪完成M9044 采样跟踪M9046 采样跟踪M9047 采样跟踪准备M9048 RUN LED闪烁标志M9049 切换输出字符数目M9050 存放操作结果的存储区交换触点M9051 CHG指令执行禁止M9052 SEG指令切换M9053 EI/DI指令切换M9054 单步运行标志M9055 状态锁存完成标志M9056 主程序P, I设置请求M9057 副程序P, I设置程序M9060 副程序2P, I设置程序M9061 副程序3P, I设置程序M9060 远程终端出错M9061 通讯出错M9065 分离传送状态M9066 传送处理切换M9067 I/O组件出错检测M9068 测试模式M9069 线路故障时的输出M9073 WDT出错标志M9074 PCPU准备完成标志M9075 测试模式标志M9076 外部急停输入标志M9077 手动脉冲发生器轴设置错误标志M9078 测试模式请求出错标志M9079 伺复程序设置出错标志M9081 对远程模块的通讯请求M9082 最终站数不一致M9084 出错检测M9086 运行标志BASIC程序M9087 暂停(PAUSE)标志M9091 操作运行出错细节标志M9091 微机子程序调用出错标志M9092 双电源模块过热M9093 双工电源模块出错M9094 I/O改变标志M9095 双工运行校验出错M9096 A3VCPU A自校出错M9097 A3VCPU B自校出错M9098 A3VCPU C自校出错M9099 A3VTU自校出错M9100 SFC程序登记M9101 SFC程序起/停M9102 SFC启动状态M9103 连续步转移有效/失效M9104 连续转移防止标志M9108 步转移监控定时器起始(对应D9108)M9109 步转移监控定时器起始(对应D9109)M9110 步转移监控定时器起始(对应D9110) M9111 步转移监控定时器起始(对应D9111)M9112 步转移监控定时器起始(对应D9112)M9113 步转移监控定时器起始(对应D9113)M9114 步转移监控定时器起始(对应D9114)M9180 激活步采样跟踪完成标志M9181 激活步采样跟踪执行标志M9182 激活步采样跟踪有效M9196 在块停止时控制输出M9197~9198 保险丝熔断,I/O校核出错显示切换二特殊寄存器D9000 保险丝断D9001 保险丝断D9002 I/O组件校验出错D9003 SUM指令检测位数D9004 MINI网主通讯组件出错D9005 AC掉电计数D9006 电池不足D9008 自诊断出错D9009 信号报警器检测D9010 出错步D9011 出错步D9014 I/O控制模式D9015 CPU运行状态D9016 ROM/RAM设置D9017 最小扫描时间D9018 当前扫描时间D9019 最大扫描时间D9020 恒定扫描D9021 扫描时间D9022 1秒计数器D9025 时钟数据(年,月)D9026 时钟数据(日,时)D9027 时钟数据(分,秒)D9028 时钟数据(星期)D9021~D9034 远程终端组件参数设置D9035 远程I/O组件的通讯属性D9035 扩展文件寄存器D9036 总的站数D9036~9037 供指定扩展文件寄存器软件地址D9038~9039 LED显示优先级D9044 采样跟踪D9050 SFC程序出错代码D9051 出错块D9052 出错步D9053 转移出错D9054 出错顺控步D9055 状态锁存步序号D9061 通讯出错代码D9072 PC通讯检测D9081 对远程终端模块的已执行的通讯请求数D9082 最后的站号D9090 微机子程序输入数据区首软元件号D9091 指令出错D9094 待更换的I/O组件的首地址D9095 A3VTS系统和A3VCPU的运行状态D9096 A3VCPU A自检出错D9097 A3VCPU B自检出错D9098 A3VCPU C自检出错D9099 A3VTU 自检测出错D9100~D9107 断保险丝的组件D9100 保险丝熔断的组件D9108~D9114 步转移监控定时器设置D9116~D9123 I/O组件校验出错D9124 信号器报警数量检测D9125~D9132 信号报警器地址号D9133~D9140 远程终端卡信息D9141~D9172 通讯重发次数D9173 模式设置D9174 设置重发次数D9175 线缆出错模块出错代码D9180~9193远程终端模块出错代码D9180 轴1和轴2的限位开关输出状态存储区D9181 轴3和轴4的限位开关输出状态存储区D9182 轴5和轴6的限位开关输出状态存储区D9183 轴7和轴8的限位开关输出状态存储区D9184 CPU出错的原因D9185 伺服放大器接线数据D9187 手动脉冲发生器轴设置出错D9188 在TEST模式下启动轴号请求出错D9189 出错程序号D9190 数据设置出错D9191 伺服放大器类型D9196~9199 故障站检测D9200 LRDP处理结果D9201 LWTP处理结果D9204 通讯状态D9205 执行回送的站D9206 执行回送的站D9207 通讯扫描时间(最大值)D9208 通讯扫描时间(最小值)D9209 通讯扫描时间(当前值)D9210 重发次数D9211 环路切换计数D9212 就地站运行状态(1~16)D9213 就地站运行状态(17~32)D9214 就地站运行状态(33~48)D9215 就地站运行状态(49~64)D9216 就地站出错检测(1~16)D9217 就地站出错检测(17~32)D9218 就地站出错检测(33~48)D9219 就地站出错检测(49~64)D9220 就地站参数不匹配或(1~16)远程站I/O分配出错D9221 就地站参数不匹配或(17~32)远程站I/O分配出错D9222 就地站参数不匹配或(33~48)远程站I/O分配出错D9223 就地站参数不匹配或(49~64)远程站I/O分配出错D9224 主站与从站和远程I/O站之间的初始通讯(1~16)D9225 主站与从站和远程I/O站之间的初始通讯(17~32)D9226 主站与从站和远程I/O站之间的初始通讯(33~48)D9227 主站与从站和远程I/O站之间的初始通讯(49~64)D9228 就地站或远程I/O站出错(1~16)D9229 就地站或远程I/O站出错(17~32)D9230 就地站或远程I/O站出错(33~48)D9231 就地站或远程I/O站出错(49~64)D9232 就地站或远程I/O站环路出错D9233 就地站或远程I/O站环路出错D9234 就地站或远程I/O站环路出错D9235 就地站或远程I/O站环路出错D9236 就地站或远程I/O站环路出错D9237 就地站或远程I/O站环路出错D9238 就地站或远程I/O站环路出错D9239 就地站或远程I/O站环路出错D9240 检测到接收出错的次数D9243 本站站号检测D9244 从站的总数D9245 检测到的接收出错次数D9248 就地站运行状态D9249 就地站运行状态D9250 就地站运行状态D9251 就地站运行状态D9252 就地站出错检测D9253 就地站出错检测D9254 就地站出错检测D9255 就地站出错检测各种软元件一览表项目A1,A1NA1S A2,A2NA2C A2-S1A2N-S1 A3,A3NA3A A2U,A3UA4UI/O软元件点256 512 1024 2048 8192输入继电器X 0~FF 0~1FF 0~3FF 0~7FF0~FFF输出继电器Y 0~FF 0~1FF 0~3FF 0~7FF0~FFF辅助继电器内部继电器(1000点)M0~M999 M0~M999, M2048~8191特殊继电器(256点)M9000~M9255锁存继电器(1048点)L1000~L2048通讯用继电器(2048点)B0~B3FF B0~BFFF定时器100ms定时器(200点)T0~T19910ms定时器(56点)T200~T255100ms记忆定时器(0点)计数器(256点)C0~C255寄存器数据寄存器(1024点)D0~D1023 D0~D6143特殊寄存器(256点)D9000~D9255通讯寄存器(1024点)W0~W3FF W0~WFFF累加器(2点)A0,A1变址寄存器(2点)Z, V Z,Z1~Z6(7点), V,V1~V6(7点)嵌套(8点)N0~ N7指针(256点)P0~P255中断指针(32点)I0~I31常数十进制K (16位)-32768~+32767(32位)-2147483648 ~+2147483647十六进制H (16位)0~FFFF(32位)0~FFFFFFFF分类指令助记符功能说明对应不同型号的PLCFX0S FX0N FX1S FX1N FX2NFX2NC程序流程00 CJ 条件跳转 P P P P P01 CALL 子程序调用Î Î P P P02 SRET 子程序返回Î Î P P P03 IRET 中断返回 P P P P P04 EI 开中断 P P P P P05 DI 关中断 P P P P P06 FEND 主程序结束 P P P P P07 WDT 监视定时器刷新 P P P P P08 FOR 循环的起点与次数 P P P P P09 NEXT 循环的终点 P P P P P传送与比较10 CMP 比较 P P P P P11 ZCP 区间比较 P P P P P12 MOV 传送 P P P P P13 SMOV 位传送Î Î Î Î P14 CML 取反传送Î Î Î Î P15 BMOV 成批传送Î P P P P16 FMOV 多点传送Î Î Î Î P17 XCH 交换Î Î Î Î P18 BCD 二进制转换成BCD码 P P P PP19 BIN BCD码转换成二进制 P P P PP 算术与逻辑运算20 ADD 二进制加法运算 P P P P P21 SUB 二进制减法运算 P P P P P22 MUL 二进制乘法运算 P P P P P23 DIV 二进制除法运算 P P P P P24 INC 二进制加1运算 P P P P P25 DEC 二进制减1运算 P P P P P26 WAND 字逻辑与 P P P P P27 WOR 字逻辑或 P P P P P28 WXOR 字逻辑异或 P P P P P29 NEG 求二进制补码Î Î Î Î P循环与移位30 ROR 循环右移Î Î Î Î P31 ROL 循环左移Î Î Î Î P32 RCR 带进位右移Î Î Î Î P33 RCL 带进位左移Î Î Î Î P34 SFTR 位右移 P P P P P35 SFTL 位左移 P P P P P36 WSFR 字右移Î Î Î Î P37 WSFL 字左移Î Î Î Î P38 SFWR FIFO(先入先出)写入Î Î P PP39 SFRD FIFO(先入先出)读出Î Î P PP数据处理40 ZRST 区间复位 P P P P P41 DECO 解码 P P P P P42 ENCO 编码 P P P P P43 SUM 统计ON位数Î Î Î Î P44 BON 查询位某状态Î Î Î Î P45 MEAN 求平均值Î Î Î Î P46 ANS 报警器置位Î Î Î Î P47 ANR 报警器复位Î Î Î Î P48 SQR 求平方根Î Î Î Î P49 FLT 整数与浮点数转换Î Î Î Î P高速处理50 REF 输入输出刷新 P P P P P51 REFF 输入滤波时间调整Î Î Î Î P52 MTR 矩阵输入Î Î P P P53 HSCS 比较置位(高速计数用)Î PP P P54 HSCR 比较复位(高速计数用)Î PP P P55 HSZ 区间比较(高速计数用)Î ÎÎ Î P56 SPD 脉冲密度Î Î P P P57 PLSY 指定频率脉冲输出 P P P P P58 PWM 脉宽调制输出 P P P P P59 PLSR 带加减速脉冲输出Î Î P P P方便指令60 IST 状态初始化 P P P P P61 SER 数据查找Î Î Î Î P62 ABSD 凸轮控制(绝对式)Î Î P PP63 INCD 凸轮控制(增量式)Î Î P PP64 TTMR 示教定时器Î Î Î Î P65 STMR 非凡定时器Î Î Î Î P66 ALT 交替输出 P P P P P67 RAMP 斜波信号 P P P P P68 ROTC 旋转工作台控制Î Î Î Î P69 SORT 列表数据排序Î Î Î Î P外部设备70 TKY 10键输入Î Î Î Î P71 HKY 16键输入Î Î Î Î P72 DSW BCD数字开关输入Î Î P P P73 SEGD 七段码译码Î Î Î Î P74 SEGL 七段码分时显示Î Î P P P75 ARWS 方向开关Î Î Î Î P76 ASC ASCI码转换Î Î Î Î P77 PR ASCI码打印输出Î Î Î Î P78 FROM BFM读出Î P Î P P79 TO BFM写入Î P Î P P外围设备80 RS 串行数据传送Î P P P P81 PRUN 八进制位传送(#) Î Î P P P82 ASCI 16进制数转换成ASCI码Î PP P P 83 HEX ASCI码转换成16进制数Î P PP P84 CCD 校验Î P P P P85 VRRD 电位器变量输入Î Î P P P86 VRSC 电位器变量区间Î Î P P P87 - -88 PID PID运算Î Î P P P89 - -浮点数运算110 ECMP 二进制浮点数比较Î Î Î ÎP111 EZCP 二进制浮点数区间比较Î ÎÎ Î P118 EBCD 二进制浮点数→十进制浮点数Î Î Î Î P119 EBIN 十进制浮点数→二进制浮点数Î Î Î Î P120 EADD 二进制浮点数加法Î Î Î ÎP121 EUSB 二进制浮点数减法Î Î Î ÎP122 EMUL 二进制浮点数乘法Î Î Î ÎP123 EDIV 二进制浮点数除法Î Î Î ÎP127 ESQR 二进制浮点数开平方Î Î ÎÎ P129 INT 二进制浮点数→二进制整数Î Î Î Î P130 SIN 二进制浮点数Sin运算Î Î ÎÎ P131 COS 二进制浮点数Cos运算Î Î ÎÎ P132 TAN 二进制浮点数Tan运算Î Î ÎÎ P147 SWAP 高低字节交换Î Î Î Î P定位155 ABS ABS当前值读取Î Î P P Î156 ZRN 原点回归Î Î P P Î157 PLSY 可变速的脉冲输出Î Î P PÎ158 DRVI 相对位置控制Î Î P P Î159 DRVA 绝对位置控制Î Î P P Î时钟运算160 TCMP 时钟数据比较Î Î P P P161 TZCP 时钟数据区间比较Î Î P PP162 TADD 时钟数据加法Î Î P P P163 TSUB 时钟数据减法Î Î P P P166 TRD 时钟数据读出Î Î P P P167 TWR 时钟数据写入Î Î P P P169 HOUR 计时仪Î Î P P外围设备170 GRY 二进制数→格雷码Î Î Î Î P171 GBIN 格雷码→二进制数Î176 RD3A 模拟量模块(FX0N-3A)读出ÎP Î P Î177 WR3A 模拟量模块(FX0N-3A)写入Î P Î P Î触点比较224 LD= (S1)= (S2)时起始触点接通Î Î P P P225 LD> (S1)> (S2)时起始触点接通Î Î P P P226 LD< (S1)< (S2)时起始触点接通Î Î P P P228 LD<> (S1)<> (S2)时起始触点接通Î Î P P P229 LD≦ (S1)≦ (S2)时起始触点接通Î Î P P P230 LD≧ (S1)≧ (S2)时起始触点接通Î Î P P P232 AND= (S1)= (S2)时串联触点接通Î Î P P P233 AND> (S1)> (S2)时串联触点接通Î Î P P P234 AND< (S1)< (S2)时串联触点接通Î Î P P P236 AND<> (S1)<> (S2)时串联触点接通Î Î P P P237 AND≦ (S1)≦ (S2)时串联触点接通Î Î P P P238 AND≧ (S1)≧ (S2)时串联触点接通Î Î P P P240 OR= (S1)= (S2)时并联触点接通Î Î P P P241 OR> (S1)> (S2)时并联触点接通Î Î P P P242 OR< (S1)< (S2)时并联触点接通Î Î P P P244 OR<> (S1)<> (S2)时并联触点接通Î Î P P P245 OR≦ (S1)≦ (S2)时并联触点接通Î Î P P P246 OR≧ (S1)≧ (S2)时并联触点接通Î Î P P P。
PLC基本指令介绍PLC(可编程逻辑控制器)是一种数字电子装置,用于控制机械或工业过程中的自动化设备。
PLC使用一种特定的编程语言来控制设备的运行,该编程语言基于一组基本指令。
在本文中,我们将介绍PLC的一些基本指令及其功能。
1. XIC(X输入座)指令:XIC指令用于检测输入是否为ON(或True)。
当输入位为ON时,该指令返回True。
该指令通常用于读取传感器状态或其他输入设备的状态。
2. XIO(X输入整反)指令:XIO指令与XIC指令相反。
它用于检测输入是否为OFF(或False)。
当输入位为OFF时,该指令返回True。
XIO指令通常在需要读取非激活状态的传感器或其他输入设备状态时使用。
3.OTE(输出通常开)指令:OTE指令将输出位设置为ON状态。
该指令通常用于控制继电器、马达或其他输出设备。
4.OTL(输出通常开锁存)指令:OTL指令类似于OTE指令,但会将输出锁定在ON状态,直到重置指令被执行。
这意味着即使在执行了其他指令之后,输出位仍然保持ON状态。
5.OTU(输出通常关锁存)指令:OTU指令与OTL指令相反。
它将输出位设置为OFF状态,并在锁存到OFF状态前保持OFF。
6.ONS(输出一次周转)指令:ONS指令用于完成一次输出操作。
当条件满足时,该指令仅执行一次输出操作。
7.OSF(输出一次输入锁存分子)指令:OSF指令类似于ONS指令,但它与输入相关联。
当条件满足时,OSF指令将读取输入状态并执行一次输出操作,然后锁存该输入状态直到被重置指令执行。
8.MOV(移动)指令:MOV指令用于将一个输件(或输入位)的状态复制到一个输出位。
这对于控制信号传递、使能信号或数据输入到输出等情况非常有用。
9.ADD(加法)指令:ADD指令用于将两个操作数相加,并将结果保存在指定的地址中。
这对于计算数据值或执行计数操作非常有用。
10.SUB(减法)指令:SUB指令用于将两个操作数相减,并将结果保存在指定的地址中。