物业设备房管理可视化标准(图文)MicrosoftWORD文档
- 格式:doc
- 大小:251.00 KB
- 文档页数:15
设备可视化与定置管理标准1. 引言设备可视化与定制管理是指通过科技手段将设备的运行情况、状态和参数等通过图形化界面进行展示,并提供对设备进行远程监控和管理的能力。
这一技术在现代工业和生活中扮演着重要的角色,能够提高设备运行的效率和可靠性,降低运维成本,改善用户体验。
本文档旨在提供设备可视化与定制管理的标准规范,以保证设备监控系统的稳定性、安全性和易用性。
2. 设备可视化标准设备可视化是指将设备的运行情况以可视化的方式展示给操作人员。
以下是设备可视化的标准要求:2.1 设备状态展示设备可视化界面应能够直观地展示设备的运行状态,包括设备的开关状态、工作模式、运行时间等。
使用合适的图标和颜色来表示不同的状态,例如绿色表示正常运行,红色表示故障。
2.2 参数监测设备可视化界面应能够实时监测设备的关键参数,例如温度、湿度、电压等。
这些参数的变化应能够通过图形或数字方式直观地展示,并能提供数据趋势分析功能。
2.3 报警与通知设备可视化界面应能够及时发出报警并提供相应的通知,以便操作人员能够及时采取措施。
警报应以明确的方式呈现,例如弹窗、声音或短信通知。
3. 设备定置管理标准设备定置管理是指通过远程操作对设备进行管理和控制,包括设备的开关、模式调节、参数设置等。
以下是设备定置管理的标准要求:3.1 远程访问设备定置管理系统应提供远程访问能力,即操作人员可以通过互联网或网络连接远程管理设备。
安全性是远程访问的重要考虑因素,系统应采取合适的措施来保护设备免受未经授权访问。
3.2 精确的设备控制设备定置管理系统应能够实现精确的设备控制,包括开关、模式选择、参数设置等功能。
操作人员可以通过界面上的按钮、滑块或输入框等方式进行操作,并能够及时反馈操作结果。
3.3 定时任务设备定置管理系统应支持定时任务功能,即可以预设设备的开关时间、模式切换时间等,并能够按照预设任务自动执行。
这种功能可以提高设备的自动化程度,减少人工干预的需求。
小区物业设施设备管理标准图表公用设施定期检查项目一览表说明:检查结果填入《定期检查记录表》,此表按不同的检查周期分别填写。
公用设施定期保养项目一览表说明:1.平时如发现问题,也应及时维修。
2.维修养护情况填入《本体设施维修、养护记录》。
公共设施定期检查记录表单位:检查周期:注:按不同周期分别填写。
公共设施保养计划表单位:年月日公共设施维修养护审批记录公共设施配套完善项目申报记录公共设施维修、保养记录单位:年月日汽车道闸月保养记录单位:年月日说明:机电维修工程部和管理处由负责现有汽车道闸的保养员做记录。
公共天线系统月保养记录小区(大厦)名称:年月日防盗监视系统月保养记录小区(大厦)名称:年月日对讲报警系统月保养记录小区(大厦)名称:年月日防盗报警对讲电话保养记录设备编号:年月日 NO:保安闭路电视保养记录年月日 NO:设备清单小区(大厦)名称:年月日设备台账小区(大厦)名称:年月日设备标识卡小区(大厦)名称:年月日设备保养计划表部门:年月日设备(机具)外委维修申请表小区(大厦)名称:编号:设备维修记录小区(大厦)名称:年月日设备检查保养计划表年月日 NO:拟制:审核:设备保养记录表设备名称:型号:设备编号:设备事故报告单小区(大厦)名称:年月日故障报告单机电设备基本情况记录表所属系统:零部件更换及大修记录值班记录表单位:年月日操作票小区(大厦)名称:年月日注:操作完成一项在起序号前打“√”。
机电安装维修工程部周检表年月日注:1.主检人为部门经理,参检人为各班班长。
2.检查结果栏填“合格”或记录不合格原因。
配电房、水泵房巡查记录小区(大厦)名称:年月日干式变压器保养记录小区(大厦)名称:年月日发电机季度保养记录大厦名称:年月日配电柜、控制柜保养记录小区(大厦)名称:年月日配电柜检修工作票小区(大厦)名称:年月日发电机运行记录大厦名称:年月日电梯日巡视记录大厦名称:年月日巡视检查人:巡视时间:电梯维修记录大厦名称:年月日说明:1.此表为参考表,也可以使用电梯分包单位的表格。
物业设备房管理可视化标准(图文)2018-01-0207:47结束了一天忙碌的工作,拖着疲惫的身躯,就着夜色回家,小区的街灯初上,为您的安全护航。
家人们在精心准备地晚餐,让您在踏入门的那一刻,就能闻到爱的味道。
休闲的假日,带着孩子在小区公园玩耍,或者游泳、打球、健身......想必这就是我们的理想生活了吧~而这一切都在您看不到的地方物业工作人员的默默付出我们关注着、重视着这个为您提供安全舒适生活的地方它隐藏在楼宇、地库、花丛中等不显眼的角落它,就是设备房。
设备房涵盖了生活/消防/泳池泵房、配电房、发电机房、电梯机房、中央空调机房、风机房和消防监控中心,其管理情况与安全居住环境紧密相连!此外,雅生活集团品质中心更贴心地编制了图文并茂版的《设备房管理可视化标准》,下面,就带您走进这个影响家庭幸福的重要地方——设备房,了解物业背后高标准、专业的管理工作吧。
设备房管理可视化标准设备房门前管理通用标准:1)设备房门外环境整洁,无堆放杂物、乱停放车辆等堵塞通道现象;2)设备房门外划警戒线并标上“禁止停放车辆及堆放杂物”字样;3)门外警戒线标识按图示尺寸要求制作。
设备房门窗管理通用标准:1)设备房门窗完好,无变形、无脱漆、生锈,开/关灵活;2)门窗整洁,框边无装修污染,线条平直;3)设备房门上锁,监控中心存放备用钥匙。
门口挡鼠板管理通用标准:1)安装在机房出入门口;2)安装高度50cm,厚1cm,宽度以门宽相等。
采用PVC胶板或不锈钢板,可抽除;3)防鼠板两面顶部中间位置设置双排文字“防鼠挡板,小心跨越”标识;4)挡鼠板周边设置5cm宽黄黑相间警界线;5)防鼠板要求完好、整洁、无生锈,安装牢固。
设备房地面管理通用标准:1)地面铺防滑地砖或刷绿色/灰色地坪漆;2)地砖要求铺贴平整,无明显高低差(接缝高低差:0mm-0.5mm),地面砖与墙面之间收口缝隙顺直、严密,地砖无严重色差、无破损、无空鼓;3)刷地坪漆前要求先用水泥沙浆找平、压光后再刷漆,收光平整、无脱漆、无污染、不返沙;4)地面整洁、无污渍。
物业设备房管理可视化标准(图文)2018-01-02 07:47结束了一天忙碌的工作,拖着疲惫的身躯,就着夜色回家,小区的街灯初上,为您的安全护航。
家人们在精心准备地晚餐,让您在踏入门的那一刻,就能闻到爱的味道。
休闲的假日,带着孩子在小区公园玩耍,或者游泳、打球、健身......想必这就是我们的理想生活了吧~而这一切都在您看不到的地方物业工作人员的默默付出我们关注着、重视着这个为您提供安全舒适生活的地方它隐藏在楼宇、地库、花丛中等不显眼的角落它,就是设备房。
设备房涵盖了生活/消防/泳池泵房、配电房、发电机房、电梯机房、中央空调机房、风机房和消防监控中心,其管理情况与安全居住环境紧密相连!此外,雅生活集团品质中心更贴心地编制了图文并茂版的《设备房管理可视化标准》,下面,就带您走进这个影响家庭幸福的重要地方——设备房,了解物业背后高标准、专业的管理工作吧。
设备房管理可视化标准设备房门前管理通用标准:1)设备房门外环境整洁,无堆放杂物、乱停放车辆等堵塞通道现象;2)设备房门外划警戒线并标上“禁止停放车辆及堆放杂物”字样;3)门外警戒线标识按图示尺寸要求制作。
设备房门窗管理通用标准:1)设备房门窗完好,无变形、无脱漆、生锈,开/关灵活;2)门窗整洁,框边无装修污染,线条平直;3)设备房门上锁,监控中心存放备用钥匙。
门口挡鼠板管理通用标准:1)安装在机房出入门口;2)安装高度50cm,厚1cm,宽度以门宽相等。
采用PVC胶板或不锈钢板,可抽除;3)防鼠板两面顶部中间位置设置双排文字“防鼠挡板,小心跨越”标识;4)挡鼠板周边设置5cm宽黄黑相间警界线;5)防鼠板要求完好、整洁、无生锈,安装牢固。
设备房地面管理通用标准:1)地面铺防滑地砖或刷绿色/灰色地坪漆;2)地砖要求铺贴平整,无明显高低差(接缝高低差:0mm-0.5mm),地面砖与墙面之间收口缝隙顺直、严密,地砖无严重色差、无破损、无空鼓;3)刷地坪漆前要求先用水泥沙浆找平、压光后再刷漆,收光平整、无脱漆、无污染、不返沙;4)地面整洁、无污渍。
物业工程管理标准化手册第一部分设备房管理标准化一、配电室管理可视化标准(一)配电室标识1.字迹醒目,标识明显;具有特殊标志。
2.设置相关提示语:非工作人员禁止入内;有点危险闲人免进等。
3.墙面、地面干净整洁标牌、标线、标识清晰齐全设置温湿度计,挡鼠板等设施。
4.地面铺地砖或刷地坪漆,在配电设备设施操作范围内铺上对应电压等级的绝缘脚垫。
消防设施齐全,开关标识清晰,作业流程规范等。
5.机房内运行记录齐全、进行点位管理,填写规范无漏项缺项,记录本完好无破损、整洁无污渍。
(二)机房挡鼠板1.机房设置挡鼠板,按照要求,高度不低于50厘米。
2.制作要求:挡鼠板可以制作为固定式,也可以制作移动式,可以红白相间,也可以黄黑相间。
(三)灭火器配备1.设备房配备灭火器,必须保证灭火器压力充足,未过期。
机械把手灵活能使用,安放于显眼处并画好定位线。
二、水泵房管理可视化标准(一)水泵房标识1.要求:水泵房门口张贴标识牌字迹醒目,标识明显;特殊标志;2.提示:机房重地,非请勿入。
3.机房内运行记录齐全、进行点位管理,填写规范无漏项缺项,记录本完好无破损、整洁无污渍;室内照明充足,标识标牌清晰齐全,悬挂张贴得体整齐;设备表面清洁无灰尘、无油污,阀门润滑良好,丝杆加套管防护;地面平整清洁,无积水无污渍,定位线清晰齐整美观大方。
三、消防泵房管理可视化标准(一)消防泵房标识1.要求:消防泵房门口张贴标识牌字迹醒目,标识明显;特殊标志;2.提示:消防泵房,闲人免进。
3.消防泵房内照明充足墙面洁白干净,地面清洁光滑无污渍;设备表面干净无油污,警示色清晰分明;室内排水沟清洁无垃圾,水篦子安装牢固;设备标识牌齐全,管道走向标识明确;各阀门润滑良好加套管防护,螺栓进行刷漆防锈保养。
4.各管道阀门均应有醒目状态标识;阀门状态标识固定悬挂平稳可靠,表面无污渍;标识信息清晰便于内部工作人员以及相关外来单位参观人员识别。
5.微型消防站要设专人进行管理,站内配置齐全有效,物品摆放整齐有序、清洁;各消防用具功能正常无损坏,方便拿取使用。
01 日常管理与服务1、管理处设置:小区内设置管理处、客户接待中心。
配置办公家具、电话、传真机、电脑、打印机、网络连接等办公设施及办公用品。
2、人员要求:小区管理人员、技术作业人员按照有关规定分别取得物业服务从业资格证书或岗位证书,挂牌上岗,统一着装,仪表整洁。
小区项目经理有中级以上职称或大专以上学历,有4年以上的物业服务工作经历并有2年以上小区项目经理任职经历。
3、服务时间:周一至周日在客户接待中心进行12小时业务接待并提供服务,其余时间设有值班接待。
4、工作计划:制定小区物业服务与物业服务年度和季度工作计划并组织实施,每季度向委托方报告一次计划实施情况。
5、管理制度:(1)有明确的值班制度和交接班制度,工作有记录。
(2)制定管理处内部管理制度、考核制度和培训制度。
6、制度公示:服务场所公示办事制度、办事规章、服务标准、收费依据、收费标准、急修服务内容、投诉渠道。
7、服务费收支:每半年向业主公布财务状况一次,公共水电费分摊每季度向业主公布一次。
8、满意度调查:每年二次对业主或使用人进行满意情况普测,平时采取多种形式与业主或使用人沟通,沟通面不低于小区住户的45%,对测评结果分析并及时整改。
9、特约、便民服务:能提供四种以上特约服务(有偿)和八种以上便民(无偿)服务。
10、档案管理:建立档案管理制度,建立健全小区物业服务档案 [包括物业竣工验收档案、设备管理档案、业主或使用人资料档案(含业主或使用人房屋装修档案)、日常管理档案等]。
11、财务管理:建立健全的财务管理制度,对物业服务费和其它费用的收支进行财务管理,做到运作规范,账目清晰。
12、维修资金:建立维修资金管理使用台帐,做到运作规范,账目清晰。
13、装修事项:告知业主或使用人装修须知,与业主签订《装修服务协议》,加强装修过程中的监督和管理,对违章装修、违章搭建应及时劝阻、制止并报告相关部门。
14、接管项目:承接项目时,对小区共用部位、共用设施设备进行查验,并出具接管验收报告。
物业设备房管理可视化标准(图文)2018-01-02 07:47结束了一天忙碌的工作,拖着疲惫的身躯,就着夜色回家,小区的街灯初上,为您的安全护航。
家人们在精心准备地晚餐,让您在踏入门的那一刻,就能闻到爱的味道。
休闲的假日,带着孩子在小区公园玩耍,或者游泳、打球、健身......想必这就是我们的理想生活了吧~而这一切都在您看不到的地方物业工作人员的默默付出我们关注着、重视着这个为您提供安全舒适生活的地方它隐藏在楼宇、地库、花丛中等不显眼的角落它,就是设备房。
设备房涵盖了生活/消防/泳池泵房、配电房、发电机房、电梯机房、中央空调机房、风机房和消防监控中心,其管理情况与安全居住环境紧密相连!此外,雅生活集团品质中心更贴心地编制了图文并茂版的《设备房管理可视化标准》,下面,就带您走进这个影响家庭幸福的重要地方——设备房,了解物业背后高标准、专业的管理工作吧。
设备房管理可视化标准设备房门前管理通用标准:1)设备房门外环境整洁,无堆放杂物、乱停放车辆等堵塞通道现象;2)设备房门外划警戒线并标上“禁止停放车辆及堆放杂物”字样;3)门外警戒线标识按图示尺寸要求制作。
设备房门窗管理通用标准:1)设备房门窗完好,无变形、无脱漆、生锈,开/关灵活;2)门窗整洁,框边无装修污染,线条平直;3)设备房门上锁,监控中心存放备用钥匙。
门口挡鼠板管理通用标准:1)安装在机房出入门口;2)安装高度50cm,厚1cm,宽度以门宽相等。
采用PVC胶板或不锈钢板,可抽除;3)防鼠板两面顶部中间位置设置双排文字“防鼠挡板,小心跨越”标识;4)挡鼠板周边设置5cm宽黄黑相间警界线;5)防鼠板要求完好、整洁、无生锈,安装牢固。
设备房地面管理通用标准:1)地面铺防滑地砖或刷绿色/灰色地坪漆;2)地砖要求铺贴平整,无明显高低差(接缝高低差:0mm-0.5mm),地面砖与墙面之间收口缝隙顺直、严密,地砖无严重色差、无破损、无空鼓;3)刷地坪漆前要求先用水泥沙浆找平、压光后再刷漆,收光平整、无脱漆、无污染、不返沙;4)地面整洁、无污渍。
某物业服务有限公司设备房管理标准一、设备房管理的目标为了确保设备房的安全、运行稳定及有效管理,某物业服务有限公司制定了以下设备房管理标准。
二、设备房管理的责任1. 确保设备房内设备设施的正常运行和管理有序;2. 提供设备房使用的技术支持和维护服务;3. 配备专门的管理人员,负责设备房的日常管理和维护;4. 定期对设备房进行巡检和维护,并及时发现和处理设备故障。
三、设备房管理的标准程序1. 设备房应定期进行安全检查,确保设备设施的正常运行;2. 设备房管理人员应定期制定设备维护和管理计划,并按计划进行实施;3. 设备房内的设备设施应定期清洁和维护,确保设备的工作效率;4. 设备房管理人员应及时处理设备故障,并协调相关人员进行维修;5. 对设备的维修和更新应按照规定程序进行,并确保设备使用安全和高效。
四、设备房管理的监督和检查1. 设备房管理人员应定期对设备房的管理和维护情况进行检查,并定期向管理部门汇报;2. 设备房的使用人员应根据规定的程序进行设备的使用和维护,并及时向管理部门反馈设备情况。
五、设备房管理的改进1. 设备房管理人员应针对设备房管理中出现的问题进行全面的分析和改进;2. 设备房管理人员应加强对设备房维护的技术培训,提高管理水平;3. 设备房管理人员应定期组织设备房管理人员进行交流和学习,不断完善管理经验。
以上为某物业服务有限公司设备房管理标准,希望能够确保设备房的安全稳定运行,提高管理水平,为客户提供更好的服务。
设备房管理的是一个涉及多方面知识和技能的综合性工作。
一个设备房的管理好坏直接关系到公司的设备设施的完好程度和有效利用程度。
因此,某物业服务有限公司制定的设备房管理标准不仅仅是为了保证设备房内设备设施的正常运行和管理有序,更是为了提高服务水平,满足客户对设备房管理的需求。
在实际操作中,设备房管理涉及到多种重要的职能和责任。
首先是设备房管理人员的职责,他们负责设备房内设备设施的维护和管理,包括定期巡查设备运行状态,发现问题及时处理,管理设备维修计划,制定设备维护计划等。
物业基础化管理可视化标准一、设备设施管理可视化1. 设备设施清单清晰明了,包括设备名称、型号、数量、使用状态等信息,张贴在设备房和相关区域。
2. 设备运行数据实时监控,包括温度、湿度、压力、液位等参数,通过数据报表和分析图表展示。
3. 设备维护计划和记录可视化,包括定期保养、检修、更换等操作,及时更新记录并张贴在相关区域。
4. 设备安全操作规程可视化,包括操作步骤、注意事项、应急处理等内容,张贴在操作现场。
二、清洁保洁管理可视化1. 清洁保洁工作计划可视化,包括清洁区域、项目、频率、时间等内容,张贴在办公室和相关区域。
2. 清洁保洁工作记录可视化,包括工作项目、用料用量、人员安排等信息,及时更新记录并张贴在相关区域。
3. 清洁保洁标准可视化,包括清洁卫生标准、消毒标准等要求,张贴在相关区域。
4. 清洁保洁工作考核可视化,包括考核指标、奖惩制度等信息,张贴在办公室和相关区域。
三、安全保卫管理可视化1. 安全保卫管理制度可视化,包括安全保卫规定、值班制度等要求,张贴在办公室和相关区域。
2. 安全保卫工作记录可视化,包括巡查记录、交接班记录等信息,及时更新记录并张贴在相关区域。
3. 安全保卫设施设备可视化,包括消防设施、安全器材等设备的位置和使用说明,张贴在相关区域。
4. 安全保卫应急预案可视化,包括应急流程、责任分工等预案内容,张贴在办公室和相关区域。
四、绿化景观管理可视化1. 绿化景观清单可视化,包括植物名称、品种、数量、分布等信息,张贴在绿化区域。
2. 绿化景观维护计划可视化,包括修剪、施肥、除虫等维护项目的时间和要求,张贴在绿化区域。
3. 绿化景观工作记录可视化,包括维护项目、用料用量、人员安排等信息,及时更新记录并张贴在相关区域。
4. 绿化景观效果展示可视化,包括展示绿化景观的整体效果和细节展示等信息,通过照片、图表等方式展示在公共区域。
五、客户服务管理可视化1. 客户服务流程可视化,包括接待流程、投诉处理流程等流程图,张贴在接待区域。
物业可视化标准手册物业可视化标准手册参考内容1. 引言1.1 介绍物业可视化的概念和意义1.2 本手册的目的和范围2. 物业可视化概述2.1 定义物业可视化2.2 物业可视化的分类2.3 物业可视化的应用领域3. 物业可视化的基本原则3.1 清晰性原则3.1.1 可视化要突出物业的关键信息和要素 3.1.2 避免信息冗余和混乱3.2 简洁性原则3.2.1 不得过多展示不必要的细节3.2.2 避免过度复杂的图表和图形3.3 美观性原则3.3.1 采用合适的颜色和字体搭配3.3.2 注重图表和图形的比例和对称3.4 可拓展性原则3.4.1 图表和图形要易于修改和更新3.4.2 能够适应不同尺寸和分辨率的屏幕4. 物业可视化标准规范4.1 图表和图形设计规范4.1.1 图表和图形的选择和设计原则4.1.2 符号和图例的使用规范4.2 数据呈现规范4.2.1 数据的分类和处理规范4.2.2 数据的图形化表达规范4.3 文字与标注规范4.3.1 文字的选择和排版规范4.3.2 标注的使用规范4.4 布局和组织规范4.4.1 页面和屏幕布局规范4.4.2 物业可视化元素的组织和排序规范5. 物业可视化工具推荐5.1 图表和图形设计工具5.1.1 矢量图形设计软件推荐5.1.2 数据可视化软件推荐5.2 文字和排版工具5.2.1 字体和字体管理软件推荐5.2.2 排版软件和插件推荐5.3 数据处理和分析工具5.3.1 数据处理软件推荐5.3.2 数据分析和统计软件推荐6. 物业可视化案例分析6.1 不同类型物业可视化案例分析6.2 案例分析的优点和不足6.3 案例分析的启示和借鉴7. 物业可视化培训和素材资源7.1 物业可视化培训资源推荐7.2 物业可视化素材资源推荐8. 结论8.1 总结物业可视化的重要性和优势8.2 展望物业可视化的未来发展趋势以上是一个物业可视化标准手册的参考内容,包括了介绍、概述、基本原则、规范、工具推荐、案例分析、培训和素材资源以及结论等方面的内容,该手册可供物业管理者和从事物业可视化相关工作人员参考和使用。
物业公司办公区域5s可视化标准(仅供参考)
办公区域可视化标准
standardization
1.办公桌物品定置标准
2.办公卡座抽屉内物品定置标准
3.电话机位置标示方法
4.水杯位置标示标准
5.办公文具(笔筒)标示方法
6.电脑显示器位置
7.打印机的标示方法
8.台历位置标示方法
9.办公桌面文件架(盒)、文件夹标示方
法
10.抽屉标示方法
11.电脑电源线绑扎方法
12.电源开关标示方法
13.电源插座的标示方法
14.开关的标示方法
15.文件柜的定位方法
16.文件柜的标示方法
17.文件柜内文件盒的标示方法
18.书籍脊背的标识方法
19.打印纸的标示方法
20.安全帽的摆放与标示方法
21.沙发与茶几的定位方法
22.垃圾篓的定位方法
23.卫生洁具的标示方法
24.花盆花卉的标示方法
25.报纸架的标示方法
26.饮水机的标示方法
27.饮水机及开关的标示方法
28.开门形迹线的标示方法
29.门推拉的标示方法
30.空调的标示方法
31.卡座式岗位标识牌的标示方法
32.非卡座式标识牌的标示方法
33.办公室值日可视化
34.灭火器警戒线涂划标准
35.办公用椅定位管理
36.规章制度可视化牌标示方法
37.人员去向看板管理
标准的制定易,标准的落地难。
物业公司在面对可视标准的实现面对着一系列的问题,以下仅给出参考供大家参照,真心的希望每一个开始贯彻实行的物业公司能够坚持下来。
物业区域设备机房管理的要求和标准1.上墙文件、图1.1设备房管理制度。
1.2设备系统图1.2.1符合实际。
1.2.2变电房:一次模拟图。
1.2.3配房:配电系统图。
1.2.4水泵房:给、排水系统图。
1.2.5监控机房:报警装置系统图。
1.3电梯突发事故处理过程。
2.质量记录2.1设备卡。
2.1.1设备上悬挂。
2.2设备房进出登记记录。
2.2.1墙上悬挂。
2.3设备房巡察记录。
2.3.1墙上悬挂。
3. 标识3.1设备房名称。
3.2警示标志3.2.1“机房重地,非请勿入”。
3.2.2“止步,高压危急”;“禁止攀登,高压危急”。
3.2.3禁烟标志。
3.3设备外表油漆颜色3.3.1生活水泵:绿色、银白色。
3.3.2消防泵:红色。
3.4管道外表颜色3.4.1上水管:绿色、银白色。
3.4.2 消防管:红色。
3.4.3 排污管:黑色。
3.4.4煤气管:黄色。
3.5设备房颜色3.5.1机座:黄色。
3.6液体流向标志:白色。
3.7设备标识3.7.1设备名称标志。
3.7.2设备登记号标志。
3.7.3设备内部编号。
3.8设备状态标志3.8.1“开”。
3.8.2“关”。
3.8.3“检修”。
3.8.4“保养”。
3.9设备房附属装置名称标志。
4. 设备房附属装置配备4.1消防器材4.1.1灭火机:每年检验合格。
指定安放。
4.1.2黄沙桶。
指定安放。
4.2照明器材4.2.1室内照明:完好无损,固定牢靠。
4.2.2照明开关:完好无损,固定牢靠。
4.2.3应急照明:断电工作时间大于30分钟。
完好无损,固定牢靠。
变配电房、发电机房、水泵房配置应急照明装置。
4.3温湿度表:指示正确,完好无损,固定牢靠。
4.4去湿机、空调机、换气扇:完好无损,功能良好。
4.5变配电器材4.5.1高压电笔:每半年测试合格。
指定安放。
4.5.2接地线:完好无损,每半年测试合格。
指定安放。
4.5.3开关操作手柄:完好无损。
指定安放。
4.5.4移动警示牌:完好无损。
物业设备房管理可视化标准(图文)2018-01-02 07:47
结束了一天忙碌的工作,
拖着疲惫的身躯,就着夜色回家,
小区的街灯初上,为您的安全护航。
家人们在精心准备地晚餐,
让您在踏入门的那一刻,
就能闻到爱的味道。
休闲的假日,
带着孩子在小区公园玩耍,
或者游泳、打球、健身......
想必这就是我们的理想生活了吧~
而这一切都在您看不到的地方
物业工作人员的默默付出
我们关注着、重视着
这个为您提供安全舒适生活的地方
它隐藏在楼宇、地库、花丛中
等不显眼的角落
它,就是设备房。
设备房涵盖了生活/消防/泳池泵房、配电房、发电机房、电梯机房、中央空调机房、风机房和消防监控中心,其管理情况与安全居住环境紧密相连!此外,雅生活集团品质中心更贴心地编制了图文并茂版的《设备房管理可视化标准》,下面,就带您走进这个影响家庭幸福的重要地方——设备房,了解物业背后高标准、专业的管理工作吧。
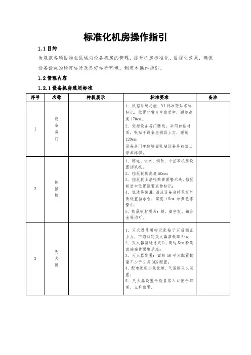
设备房管理可视化标准
设备房门前
管理通用标准:
1)设备房门外环境整洁,无堆放杂物、乱停放车辆等堵塞通道现象;2)设备房门外划警戒线并标上“禁止停放车辆及堆放杂物”字样;3)门外警戒线标识按图示尺寸要求制作。
设备房门窗
管理通用标准:
1)设备房门窗完好,无变形、无脱漆、生锈,开/关灵活;
2)门窗整洁,框边无装修污染,线条平直;
3)设备房门上锁,监控中心存放备用钥匙。
门口挡鼠板
管理通用标准:
1)安装在机房出入门口;
2)安装高度50cm,厚1cm,宽度以门宽相等。
采用PVC胶板或不锈钢板,可抽除;
3)防鼠板两面顶部中间位置设置双排文字“防鼠挡板,小心跨越”标识;
4)挡鼠板周边设置5cm宽黄黑相间警界线;
5)防鼠板要求完好、整洁、无生锈,安装牢固。
设备房地面
管理通用标准:
1)地面铺防滑地砖或刷绿色/灰色地坪漆;
2)地砖要求铺贴平整,无明显高低差(接缝高低差:0mm-0.5mm),地面砖与墙面之间收口缝隙顺直、严密,地砖无严重色差、无破损、无空鼓;
3)刷地坪漆前要求先用水泥沙浆找平、压光后再刷漆,收光平整、无脱漆、无污染、不返沙;
4)地面整洁、无污渍。
警戒划线、物品定位线
管理通用标准:
1)在距离设备安全近距70cm设置黄黑相间警戒线,设有“黄线内非专业人员请勿进入”警示标识;
2)在放置灭火器和清洁用具周边正面延伸30cm设置定位线,定位线内有放置相应物品的名称标识;
3)警戒线宽10cm,黄黑相间警界线要求黄黑线宽5cm,45°倾斜,可采用油漆刷涂或警示胶带粘贴。
墙面、天花
管理通用标准:
1)刷白色乳胶漆,表面平整、明亮,色泽均匀无色差,墙面整洁、无发霉、泛黄和污渍,无裂纹、无起皮掉灰;
2)高出地面15cm铺贴黄色瓷砖或刷深灰色踢脚线,踢脚线上口平直;
3)墙面阴阳角顺直、方正;
4)墙面和天花无渗漏水现象。
消防器材
管理通用标准:
1)机房内消防电话通话正常,语音清晰,正上方张贴“消防电话”标识,标识牌上有电话编号;
2)根据设备房需求,水泵房、电梯机房、监控中心、消防风机房等一般性设备机房配置ABC干粉灭火器,单个机房至少配1瓶,面积超过15㎡的按2kg/15㎡配备;大型配电房、发电机房、网络机房需配置七氟丙烷或手推车式干粉灭火器;
3)灭火器摆放在出入门口1.5米范围内,便于取用,装箱摆放或灭火器离地20cm 吊装,其正上方墙上处张贴“消防器材,非火灾严禁挪用”标识牌;
4)要求每月检查一次,灭火器在有效期内,能正常使用。
机房通风
管理通用标准:
1)机房通风良好,有对流通风口,通风设备(或空调)运行正常;
2)通风设备设独立开关控制,不得与照明灯共用开关;
3)通向室外的排气扇出风口需安装防雨罩,且有不锈钢护网;4)在墙上记录表格旁悬挂温湿度计;
5)机房要求温度低于38℃,相对湿度低于75%。
机房照明、应急照明
管理通用标准:
1)机房照明灯具完好,光线充足,灯具安装位置合理,灯光无遮挡;
2)机房内有应急照明或安装双头应急灯;
3)单个机房配置应急灯不少于1盏,机房面积大于20㎡配置2盏;
4)要求功能完好、按试验按钮时应急灯正常亮灯,外表整洁、无生锈、安装稳固;
5)应急灯安装高度2.2-2.5米,并确保能够通过应急光源紧急进行作业。
上墙文件
管理通用标准:
1)设备房管理制度、安全操作流程、应急预案上墙;
2)采用A3版铝框安装,周边用木饰条围边;
3)安装在设备房内靠近门口左侧或右侧墙壁显眼处,底边离地160cm安装;4)要求安装固牢,整齐美观;
5)要求上墙文件为受控文件,内容清晰、无发黄、无损坏。
记录表格
管理通用标准:
1)悬挂在上墙文件墙下,底边离地120cm,文件夹吊装;
2)采用A4版表格加封面,封面字体:微软雅黑,字号:72号,封面有公司logo;
3)按三标文件要求记录,包括《设备房巡查记录表》、《设备运行记录表》、《设备保养记录表》、《外来人员登记表》;
4)表格记录整洁、无涂改,字迹清晰不潦草。
设备房责任人信息
管理通用标准:
1)张贴在上墙文件旁;
2)采用A4版铝框安装,或原有尺寸框装;
3)信息内容包括设备责任人姓名、5寸相片、相关上岗证复印件。
线管、线槽
管理通用标准:
1)设备房内所有电线必须走线管或线槽,不得外露;
2)线管、线槽走向横平坚直,布线整齐不凌乱;
3)线管、线槽外观完好、整洁,色泽光亮,无脱漆生锈、无装修污染;
4)线槽盖无缺失、安装牢固;
5)突出地面的线槽应刷黄黑相间界戒线。
应急工具
管理通用标准:
1)在配电房、发电机房、水泵房配备应急工具箱,内有工具:活动扳手1把、平钳1把、十字批1把、一字批1把、卡簧钳1把、铁锤1把、梅花开口板手1套、套筒板手1套、内六角板手一套等;
2)工具箱挂于记录表格旁的墙上,工具箱下沿离地120cm;
3)工具整洁、完好,能正常使用。
设备和环境卫生
管理通用标准:
1)设备干净、无灰尘、无污渍;
2)设备油漆完好、色泽光亮,无脱漆生锈现象;
3)设备房环境整洁,严禁堆放易燃、易爆物品及杂物。
标识牌、设备卡
管理通用标准:
1)设备上应粘贴相应的设备名称标识牌、设备卡和运行状态标识牌;
2)设备名称和运行状态标识牌应粘贴于设备正面显眼位置;水泵类的设备名称标示牌粘贴于电机风罩上,设备卡粘贴于电机接线盒盖子上;配电柜、控制柜、控制箱类的设备名称标示牌粘贴于柜体/箱体的正上方,设备卡粘贴于右上角;
3)设备标识、标牌粘贴整齐美观,同类标识粘贴高度一致;
4)所有设备标识按公司VI手册要求制作,不得采用打印过塑的方式,设备名称标识牌和设备卡应采用背胶粘贴,运行状态标识牌采用磁条磁贴。