地质灾害危险性评估报告评分表
- 格式:doc
- 大小:39.00 KB
- 文档页数:2
地质灾害稳定性判别、危害程度和危险性分级表
1、地质灾害稳定性分为稳定性差、稳定性较差、稳定性好三级。
2、地质灾害危害程度按灾情和险情分为小、中、大、特大四级;当需要按三级划分时,可将大和特大均视为大。
3、下表适用于地质灾害调查和危险性评估。
表1 滑坡稳定性野外判别表
表5 地质灾害危害程度(灾情和险情)分级标准
注:①灾情分级——灾情采用“死亡人数”和“直接经济损失”栏指标评价;
②险情分级——险情采用“受威胁人数”和“潜在经济损失”栏指标评价。
表7 地质灾害危险性分级表
表8 地质灾害危性分级表。
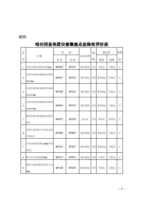
附件哈巴河县地质灾害隐患点危险性评价表序号位置坐标灾害类型规模稳定性危险性东径北纬现状趋势1 白哈巴南村库都克东南1km 86°48′50″48°45′25″潜在崩塌小型不稳定不稳定小2白哈巴南村欧勒格得克曲格南0.5km86°46′57″48°41′25″潜在滑坡中型基本稳定不稳定大3白哈巴南村欧勒格得克曲格南东0.7km86°47′08″48°41′21″潜在滑坡小型基本稳定不稳定大4白哈巴南村欧勒格得克曲格南东0.7km86°46′44″48°41′37″潜在崩塌小型基本稳定不稳定小5铁热克提乡欧勒格德克曲洛沟口86°46′55″48°41′56″泥石流小型低易发低易发大6白哈巴南村柯当卡布拉克哈巴河东岸86°42′00″48°39′05″潜在崩塌小型基本稳定不稳定小7白哈巴牧道哈图北3km(中哈边界)86°41′21″48°38′25″潜在滑坡中型基本稳定不稳定大8 柯当卡布尕依西南3km 86°41′55″48°38′12″潜在崩塌小型不稳定不稳定小9国防公路塔勒恰特沟口北2km86°41′46″48°33′58″潜在崩塌小型不稳定不稳定小10扎玛纳什桥西岸岸边86°38′11″48°26′05″潜在崩塌小型不稳定不稳定大11扎玛纳什河大桥西北1km 86°38′28″48°26′14″滑坡小型基本稳定不稳定大12铁热克提乡艾列克沟口86°44′54″48°21′51″泥石流小型低易发中等易发大13 铁热克提河西岸86°42′15″48°32′38″崩塌小型不稳定基本稳定小14 哈巴河其巴其列克村86°37′37″48°28′06″崩塌小型不稳定基本稳定小昆屯林觉尼库拉斯蒙琼库尔86°42′14″48°15′37″滑坡中型基本稳定不稳定小15沟昆屯林觉尼库拉斯蒙琼库尔86°42′09″48°15′39″滑坡中型基本稳定不稳定小16沟昆屯林觉尼库拉斯蒙琼库尔86°42′18″48°15′42″滑坡大型不稳定不稳定大17沟昆屯林觉尼昆库拉斯蒙琼库86°42′54″48°15′48″潜在崩塌小型基本稳定不稳定大18尔沟萨尔塔木乡沙牙勒铁列克沟86°47′18″48°13′46″泥石流小型低易发中等易发中19口昆屯林觉尼库拉斯蒙琼库尔86°41′44″48°15′56″滑坡中型基本稳定基本稳定小20沟昆屯林觉尼库拉斯蒙琼库尔86°41′35″48°15′56″滑坡小型基本稳定基本稳定小21沟艾登西特塔尔得金鑫金矿南86°31′46″48°09′22″潜在崩塌小型不稳定不稳定中22西4km23 昆屯林塔依索依干村86°41′29″48°16′00″滑坡小型基本稳定基本稳定小24 加依勒玛乡也勒克加拉克村86°34′56″48°18′02″潜在滑坡小型不稳定不稳定中则提别克兹勒却勒布拉克矿86°36′10″48°12′26″潜在崩塌小型不稳定不稳定小25点阿希勒南1km阿克奇金矿废86°39′14″48°10′46″潜在崩塌小型不稳定不稳定中26弃矿坑阿希勒南1.5km阿克奇金矿86°39′15″48°10′44″潜在崩塌小型不稳定不稳定中27采矿点托库勒巴依阿克奇金矿采矿86°36′40″48°09′42″潜在崩塌小型不稳定不稳定小28点加依勒玛乡喀拉苏金矿废弃86°32′55″48°08′04″潜在崩塌中型不稳定不稳定中29点减列克斯空墩林布拉克南86°37′20″48°17′08″潜在滑坡小型不稳定不稳定小302km减列克斯空墩林布拉克南86°36′25″48°17′23″潜在滑坡小型不稳定不稳定小310.9km减列克斯空墩林布拉克南东86°37′00″48°17′19″潜在滑坡小型不稳定不稳定小321.2km减列克斯空墩林布拉克南86°36′59″48°17′24″潜在滑坡小型不稳定不稳定小330.6km齐巴尔乡山口水电站大坝东86°25′37″48°11′00″崩塌小型不稳定不稳定小34岸35 库勒拜乡姜居列克村小学86°13′46″48°16′51″地面塌陷小型不稳定不稳定大库勒拜姜居列克村德尔达86°13′51″48°16′49″地面塌陷小型不稳定不稳定大36汗、曼阿密家萨尔布拉克乡昌河金矿选矿86°03′17″48°19′47″潜在崩塌小型基本稳定不稳定小37厂38 萨尔布拉克乡三矿采矿点86°02′34″48°19′18″潜在崩塌小型基本稳定不稳定中加那尕什村库木阿依热河东85°54′26″48°21′04″滑坡小型基本稳定不稳定小39岸萨尔布拉克玉峡峡村喀拉沙86°07′22″48°24′22″滑坡小型基本稳定基本稳定小40特沟沟口41 库勒拜乡加曼哈巴夏牧场86°27′27″48°24′56″潜在崩塌小型不稳定不稳定中库勒拜乡其巴拉阿西加孜牧86°29′24″48°23′36″滑坡小型基本稳定不稳定小42场库勒拜乡其巴拉阿西加孜牧86°29′08″48°23′38″滑坡小型基本稳定不稳定小48场库勒拜乡其巴拉阿什哈比登86°33′47″48°25′40″滑坡中型基本稳定基本稳定小44家库勒拜乡其巴拉阿什哈比登86°33′12″48°25′15″滑坡小型稳定稳定小45家46 齐巴尔乡巴乌巴克沟86°48′48″48°27′25″泥石流小型低易发低易发小47 齐巴尔乡于昆琼库勒夏牧场86°52′17″48°29′25″滑坡小型基本稳定不稳定小48齐巴尔乡阿拉太依山于昆琼库勒西南0.7km86°51′59″48°29′18″滑坡小型基本稳定不稳定小49齐巴尔乡别格别立根恰尕巴拉萨孜南4km86°55′59″48°28′58″滑坡小型基本稳定不稳定小50齐巴尔乡阿列木哈拉尕依林业公路86°55′42″48°24′17″滑坡小型基本稳定基本稳定小51齐巴尔乡于昆巴依卡火英云勒托沟86°50′31″48°21′09″潜在崩塌小型不稳定不稳定中52齐巴尔乡于昆巴依卡火英云勒托沟86°49′50″48°21′27″崩塌小型不稳定不稳定中53齐巴尔乡于昆巴依卡火英云勒托沟86°49′18″48°21′36″崩塌小型不稳定不稳定中54铁列克至哈巴河茂易特木材检查站86°44′34″48°23′29″潜在崩塌小型不稳定不稳定中55铁列克至哈巴河茂易特木材检查站86°44′26″48°23′11″潜在崩塌小型不稳定不稳定中56 科克赛依(萨尔塔木夏牧场)86°56′18″48°57′42″崩塌小型基本稳定不稳定小喀拉布拉克(萨尔塔木夏牧86°55′56″48°55′03″崩塌小型基本稳定不稳定小57场)58 那伦侧沟(萨尔塔木夏牧场) 87°00′57″48°59′28″泥石流小型低易发低易发小那伦上游(萨尔塔木塔依索依87°03′13″49°02′56″崩塌小型基本稳定不稳定小59干)60 那伦上游(萨尔塔木夏牧场) 87°03′33″49°03′16″崩塌小型基本稳定不稳定小欧勒滚上游(萨尔塔木夏牧87°05′29″49°03′17″泥石流小型低易发低易发小61场)卡拉迪尔(库勒拜喀拉希力87°10′29″49°01′52″潜在滑坡小型不稳定不稳定中62克)欧勒滚上游(萨尔塔木哈布哈87°07′55″49°05′32″潜在滑坡小型基本稳定不稳定小63塔勒)欧勒滚上游(萨尔塔木哈布尔87°07′54″49°06′36″泥石流小型低易发低易发小64哈勒)65 白哈巴-那伦公路塔拉赛依86°54′38″48°45′39″潜在崩塌小型基本稳定不稳定小66 牙马阿特(萨尔塔木夏牧场) 86°53′02″48°45′09″泥石流小型低易发低易发小卡拉布拉克(加依勒玛夏牧87°00′57″48°56′16″崩塌小型基本稳定不稳定小67场)68 加斯库勒(加依勒玛夏牧场) 87°00′14″48°53′01″崩塌小型基本稳定不稳定小科当卡拉尕依(铁热克提乡国86°43′09″48°39′03″崩塌小型基本稳定不稳定中69防公路)科当卡拉尕依(铁热克提乡国86°42′54″48°38′57″崩塌小型基本稳定不稳定中70防公路)铁热克提乡沙勒哈木山西86°42′22″48°38′27″崩塌小型基本稳定不稳定中717.5km铁热克提乡沙勒哈木山西86°42′13″48°38′13″崩塌小型基本稳定不稳定中727.2km铁热克提乡沙勒哈木山西86°42′49″48°38′09″崩塌小型基本稳定不稳定中737.0km铁热克提乡沙勒哈木山西86°43′05″48°38′18″潜在崩塌小型基本稳定不稳定中746.5km铁热克提乡沙勒哈木山西86°42′51″48°37′48″潜在崩塌小型基本稳定不稳定中757.3km铁热克提乡哈图国防公路86°41′22″48°35′56″崩塌小型基本稳定不稳定中7636km处铁热克提乡塔勒恰特沟沟口86°41′55″48°34′09″崩塌小型基本稳定不稳定中77北2km铁热克提乡塔勒恰特沟沟口86°42′02″48°33′46″潜在崩塌小型基本稳定不稳定中78北1.4km79 铁热克提乡塔勒恰特沟沟口86°42′22″48°33′07″崩塌小型基本稳定不稳定中哈巴河县人民政府办公室2018年3月19日印发。
地质灾害稳定性判别、危害程度和危险性分级表
1、地质灾害稳定性分为稳定性差、稳定性较差、稳定性好三级。
2、地质灾害危害程度按灾情和险情分为小、中、大、特大四级;当需要按三级划分时,可将大和特大均视为大。
3、下表适用于地质灾害调查和危险性评估。
表1 滑坡稳定性野外判别表
表5 地质灾害危害程度(灾情和险情)分级标准
注:①灾情分级——灾情采用“死亡人数”和“直接经济损失”栏指标评价;
②险情分级——险情采用“受威胁人数”和“潜在经济损失”栏指标评价。
表7 地质灾害危险性分级表
表8 地质灾害危性分级表。
附录A(规范性)地质灾害程度评价判定标准崩塌稳定性判别崩塌稳定性划分为不稳定、欠稳定、基本稳定和稳定四级。
崩塌稳定性判别应按表A.l、A.2执行。
表A.1崩塌稳定性定性判定表表A.2崩塌稳定性定量判定表滑坡稳定性判别滑坡稳定性划分为不稳定、欠稳定、基本稳定和稳定四级。
滑坡稳定性判别应按表A.3执行。
表A.3滑坡稳定性判别依据注2:FSI-滑坡稳定性安全系数,根据滑坡防治工程等级及其对工程的影响综合确定泥石流沟易发程度判别泥石流易发性评价等级划分为极易发、中易发、轻度易发和不易发四级。
泥石流沟易发程度数量化综合评判应按表A.4和A.5执行。
表A.4泥石流沟易发程度评价指标量化表表A.4泥石流沟易发程度评价指标量化表(续)表A.5泥石流沟易发程度分级表地面塌陷稳定性判别地面塌陷稳定性划分为不稳定、基本稳定和稳定三级。
地面塌陷稳定性判别应按表A.6执行。
表A.6地面塌陷稳定性判别表附录B(资料性)山洪地质灾害隐患排查记录表山洪地质灾害隐患排查应逐点开展,记录可按表B.1执行。
表B.1山洪地质灾害隐患排查记录表表B.1山洪地质灾害隐患排查记录表(续)附录C (资料性) 遥感解译点信息表对于遥感调查中新识别的疑似隐患,应进行野外核查,记录可按表CJ 执行。
表C.1遥感解译点信息表附录D (资料性)解译单位:解译人:解译时间:险证人: 项目负责:验证时间:山洪地质灾害防汛隐患排查报告提纲第一章序言主要内容:包括任务来源、目的任务、社会与经济发展概况;本次排查工作的时间、范围、内容、工作方法、标准和完成工作量.第二章环境条件简述环境条件、地质条件,重点论述人类工程活动变化及其与灾害发生发展之间关系。
第三章灾害形成分析主要内容:包括灾害类型、规模、数量、灾情、险情等方面变化情况的对比分析、灾害发育分布特征、灾害形成条件、影响因素与成灾机理、稳定性评价和趋势预测;典型隐患点分析、评价。
第四章排查成果分述孕灾环境条件、致灾体和承灾体变化特征,总结防治措施现状及问题;提出防治建议。
第五章地质灾害危险性分区评价5.1评价思路城市地质灾害危险性评价是建立在地质灾害易发性与地质灾害的社会经济易损性基础上的,易发性偏重于地质环境的自然属性,而易损性偏重于社会属性。
对一个地质灾害点而言,首先是易于发生地质灾害,并且对社会造成一定损失(易损),我们可认定地质灾害具有很大的危险性。
因此,危险性评价是由易发性与易损性叠加而成,反映地质灾害危害程度。
地质灾害危险性评价思路见框图5-1,分为两部分:易发性和易损性,易发性从五个方面分别予以评价,其中包括:崩塌、滑坡、泥石流、塌陷和其他地质灾害的易发性评价。
易损性评价包括四个方面的内容:生命损失、财产损失、社会经济损失和资源与环境损失。
图5-1 地质灾害危险性要素图5.2地质灾害易发分区评价城市地质灾害易发性是指城市的地质结构体可能发生地质灾害的程度。
根据城市崩塌、滑坡、泥石流、岩溶塌陷等灾种的形成条件、诱发因素以及稳定状态和发展趋势,建立不同灾种的地质灾害易发程度的判别模式,对工作区的各地质环境分区单元进行地质灾害易发程度评判,做出城市地质灾害易发分区评价图。
地质灾害易发区是指容易产生地质灾害的区域,分为高易发区、中易发区、低易发区和不易发区四种不同类型区域。
5.2.1滑坡易发程度判别方法1、滑坡形成的环境条件(1)地层岩性不同地层岩性,其物理力学指标不同(表5-1,2),岩土抗破坏强度也不相同。
结构松散,抗剪强度和抗风化能力低,在水力作用下容易发生变化的松散覆盖层、粘土、页岩、泥岩、煤系地层、凝灰岩、片岩、板岩、千枚岩等易滑岩土体是产生滑坡的内在物质基础(表5-3,4)。
表5-1 西南地区岩石物理力学指标统计表表5-3 四川主要易滑岩土体及其分布(2)地质构造及岩体结构岩体结构面是岩体薄弱面,其结构面的强度明显低于岩块的强度(表5-5),对岩体稳定性起到决定性的控制作用。
岩体中的各种节理、裂隙、层理面、岩性界面、断裂发育的斜坡,平行和垂直的陡倾结构面及顺坡缓倾的结构面是产生滑坡的内在地质条件。
表5-1 评估区地质灾害综合评估一览表
说明: 经-A :嘉兴经济开发区-城南街道,经-B :嘉兴经济开发区-长水街道,经-C :嘉兴经济开发区-嘉北街道 ,经-D :嘉兴经济开发区-塘汇街道,
南-A :南湖区-东栅街道,南-B :南湖区-建设街道 ,南-C :南湖区-解放街道 ,南-D :南湖区-南湖街道 ,南-E :南湖区-七星镇 ,南-F :南湖区-新嘉街道 ,南-G :南湖区-新兴街道 ,
秀-A :秀洲区
-高照街道 ,秀-B :秀州区-新城街道。
表5-1续 评估区地质灾害综合评估一览表
说明: 经-A:嘉兴经济开发区-城南街道,经-B:嘉兴经济开发区-长水街道,经-C:嘉兴经济开发区-嘉北街道,经-D:嘉兴经济开发区-塘汇街道,
南-A:南湖区-东栅街道,南-B:南湖区-建设街道,南-C:南湖区-解放街道,南-D:南湖区-南湖街道,南-E:南湖区-七星镇,南-F:南湖区-新嘉街道,南-G:南湖区-新兴街道,
秀-A:秀洲区-高照街道,秀-B:秀州区-新城街道。
表5-2-1 区块Ⅰ-1a地质灾害防治措施一览表
表5-2-2 区块Ⅰ-1b地质灾害防治措施一览表
表5-2-3 区块Ⅰ-2a地质灾害防治措施一览表
表5-2-4 区块Ⅰ-2b地质灾害防治措施一览表
表5-2-5 区块Ⅱ-a地质灾害防治措施一览表
表5-2-6 区块Ⅱ-b地质灾害防治措施一览表。
地质灾害规模、危害程度分级标准一、《县市地灾调查细则》各类地质灾害的规模划分标准:表6 滑坡、崩塌(危岩体)、泥石流规模级别划分标准表7 地裂缝规模分级标准表8 地面塌陷分级标准表13 地质灾害灾情和险情分级标准注:①灾情分级——灾情采用“死亡人数”和“直接经济损失”栏指标评价;②险情分级——险情采用“受威胁人数”和“潜在经济损失”栏指标评价。
二、江西省县市地灾调查分级标准:地质灾害规模分级标准表1地质灾害危害程度分级标准表2三、《地质灾害危险性评估规范》DZT0286-2015:表2 地质灾害危害程度分级表四、《地质灾害防治条例》:第四条地质灾害按照人员伤亡、经济损失的大小,分为四个等级:(一)特大型:因灾死亡30人以上或者直接经济损失1000万元以上的;(二)大型:因灾死亡10人以上30人以下或者直接经济损失500万元以上1000万元以下的;(三)中型:因灾死亡3人以上10人以下或者直接经济损失100万元以上500万元以下的;(四)小型:因灾死亡3人以下或者直接经济损失100万元以下的。
五、《国家突发地质灾害应急预案》:4地质灾害险情和灾情分级地质灾害按危害程度和规模大小分为特大型、大型、中型、小型地质灾害险情和地质灾害灾情四级:(1)特大型地质灾害险情和灾情(Ⅰ级)。
受灾害威胁,需搬迁转移人数在1000人以上或潜在可能造成的经济损失1亿元以上的地质灾害险情为特大型地质灾害险情。
因灾死亡30人以上或因灾造成直接经济损失1000万元以上的地质灾害灾情为特大型地质灾害灾情。
(2)大型地质灾害险情和灾情(Ⅱ级)。
受灾害威胁,需搬迁转移人数在500人以上、1000人以下,或潜在经济损失5000万元以上、1亿元以下的地质灾害险情为大型地质灾害险情。
因灾死亡10人以上、30人以下,或因灾造成直接经济损失500万元以上、1000万元以下的地质灾害灾情为大型地质灾害灾情。
(3)中型地质灾害险情和灾情(Ⅲ级)。