消防安全管理常用表格
- 格式:doc
- 大小:417.00 KB
- 文档页数:25
消防安全相关表格1. 消防设施检查表消防设施存在问题处理情况灭火器缺失/失效更换/购买自动喷水系统漏水/堵塞维修/清洗消防栓损坏/缺失维修/安装疏散通道阻塞/堵塞清理/维修电气设备留意安全等待维修2. 灭火器使用规范表灭火器类型适用火源使用方法干粉灭火器纸张、布料、竹木制品等易燃物,液体、气体火源拉开安全销,握住喷嘴,距离火源1-2米处,快速喷射粉末消火二氧化碳器电器设备、油脂类火源、液体火源拉起安全销,扶住提把,距离火源1.5-2米处,逆时针旋转快速喷射泡沫灭火器油脂类火源,液体火源拉起安全销,握住喷嘴,距离火源2-3米处,快速喷射泡沫消火氨水灭火器小面积固体火源,电器设备火源在安全距离下将灭火器喷口对准火源,按喷发装置上的开启按钮氯化制灭火器金属火源首先拉起安全销,将灭火器垂直并将其面对着着火地点,然后按下把手注:使用灭火器时,请确定自己是清楚明白的。
如果对灭火器不确定,最好避免使用,及时通知专业人员或消防队伍前来处理。
3. 疏散逃生演练记录表内容时间结果通知时间疏散开始时间疏散结束时间疏散人员数量受伤人员数量失踪人员数量指挥部组织是否落实疏散时间是否合理有错误/无错误市场管理单位是否参与是/否市场管理单位及时是/否4. 防火检查记录表具体内容待改正事项完成时间电气设备使用老旧有危险隐患的设备易燃物品存储位置不合理隐蔽区域未清理堆积杂物消防设施缺失/失效整体安全评估改进方案注:防火检查应该是定时的,每隔足够长的时间进行检查,确保安全,在实施防火措施后,要送专业人员复查,确保没漏洞。
上述消防安全相关表格涉及到消防设施的检查、使用及防火演习、防火检查等方面,不仅对于消防安全工作的开展具有重要意义,更重要的是能够最大程度地避免火灾事故的发生。
因此,在消防安全方面,做好工作,就是为自己筑起安全防线,让自己安全无虑。
在此,我们也呼吁随着人民生活水平的提高,将消防安全当做一项重要的举措,让我们一起为打造消防安全示范市城市奋斗。
消防安全管理常用表格为进一步体现社会单位消防责任制落实情况,明确岗位职责及工作针对性,全面建全消防管理档案,有力推动社会单位“四个能力”建设,确保社会单位消防管理人员持证上岗,更加促进消防监督部门高效率地开展消防检查、培训、宣传工作。
根据公安部《机关、团体、企业、事业单位消防安全管理规定》(61号令)规定特制定《社会单位、消防安全重点单位档案示例》。
该档案的应用主要为:一督促社会单位人员进一步掌握其应掌握的消防法律法规;二促使社会单位以红头文件的形式明确消防安全责任人和管理人,解决责任人和管理人不任命、不明确,责任不落实的问题,三督促社会单位消防人员持证上岗、合格上岗;四防止由于社会单位消防管理人员更替造成档案遗失;五进一步方便消防监督部门检查,有效提高了执法效率。
目录1、社会单位消防安全档案说明2、单位基本情况表3、内装修检查表4、消防安全制度登记5、每月防火检查登记表6、每日防火巡查记录表7、消防设施、器材、电气、燃气检测、维修记录登记表8、灭火和应急疏散预案9、灭火和应急疏散预案演练记录10、消防控制柜运行日登记表11、动火审批单12、清场记录13、火灾隐患整改通知书14、员工消防知识技能培训登记表社会单位消防安全档案说明根据公安部61号令第四十四条规定:社会单位应当将本单位的基本概况、公安消防机构填发的各种法律文书、与消防工作有关的材料和记录等统一保管备查。
1. 消防安全基本情况应当包括以下内容:1.1单位基本概况和消防安全重点部位情况;1.2建筑物或者场所施工、使用或者开业前的消防设计审核、消防验收以及消防安全检查的文件、资料;1.3消防管理组织机构和各级消防安全责任人;1.4消防安全制度;1.5建筑消防设施维护管理责任落实情况。
建筑物的产权单位或受其委托管理建筑消防设施的单位,明确建筑消防设施的维护管理部门,明确具体管理人员;同一建筑物有两个以上产权、使用单位的,明确建筑消防设施的维护管理责任,对建筑消防设施实行统一管理;1.6消防设施、灭火器材情况;1.7专职消防队、义务消防队人员及其消防装备配备情况;1.8与消防安全有关的重点工种人员情况;1.9新增消防产品、防火材料的合格证明材料;1.10灭火和应急疏散预案。
(完整版)消防安全每月记录表格模板
-CAL-FENGHAI-(2020YEAR-YICAI)_JINGBIAN
消防安全每月检查记录表
年月日
检查员(签字):主管人员(签字):
附件12:
消防安全重点单位每日防火巡查记录表
年月日
巡查员(签字):主管人员(签字)
附件13:
消防重点单位消防管理档案基本内容
一、消防安全检查档案:每日巡查、每月检查、重大节日检查;
二、消防安全职责档案:消防组织、义务消防队、各级消防安全责任人,岗位职责、消防安全责任书;消防奖惩情况记录;
三、火灾隐患整改档案:消防部门下发的法律文书、重点单位内部整改通知单和复查意见。
火灾隐患及其整改情况记录;
四、消防安全教育档案:参加消防部门的培训复印件、内部培训资料;与消防安全有关的重点工种人员情况;
五、消防管理制度档案:各项消防管理制度;
六、消防设施维护档案:消防设施、灭火器材情况,包括消防产品,消防设施定期检查记录,自动消防设施全面检查测试的报告以及维修保养的记录、消防维护合同;
七、消防疏散演练档案:照片、方案等;
八、消控中心值班档案:每日值班记录;
九、消防管理文件档案:建筑物或者场所施工、使用或者开业前的消防设计审核、消防验收以及消防安全检查的文件、资料,以及主管部门的各类文件;
九、消防安全基本档案:单位基本概况和消防安全重点部位情况等;
十、消防会议记录档案:每月消防工作总结及下月工作部署及主管部门文件贯彻落实情况;
十一、年度消防总结档案:消防重点单位消防工作计划年度工作总结、各部门消防安全总结等。
基本概况
的相应栏目和内容,列入《基本概况》一表之后
灭火和应急疏散方案
制作日期:年月日
重点部位情况
建筑消防设施维修保养记录
消防设施情况
火灾隐患情况记录表
消火栓系统
检测报告
NO 第页共页
批准:审核:序制: NO 第页共页
NO 第页共页
自动喷水灭火系统
检测报告
NO 第页共页
批准:审核:序制:NO 第页共页
NO 第页共页
NO 第页共页
第页共页NO
检测说明
消防安全有关的重点工种人员登记表
灭火器的维护保养、维修检查记录表
动用明火情况记录
消防安全管理制度登记表
消防奖惩情况记录
火灾情况记录
填写人:填写时间:
消防安全培训记录表(一)
消防安全培训记录表(一)
_______________ 培训班记录表培训时间:年月日至年月日
防火检查记录表
防火巡查记录表
注:此表适用于防火巡查应当至少每两小时一次的单位
(义务)消防队人员名单
出租房屋场地消防安全情况记录
灭火和应急疏散预案演练记录
消防管理组织机构。
消防安全管理制度表格
一、消防设施管理
1.维护消防设施完好:包括灭火器、消防栓、疏散通道等。
2.定期检查消防设施,确保正常可用。
3.对消防设施进行定期维修保养,记录维修情况。
二、消防演练计划
1.制定消防演练计划,至少每季度进行一次消防演练。
2.对演练进行评估,并记录评估结果。
3.定期组织消防培训,提高员工的消防应急能力。
三、火灾风险评估
1.定期进行火灾风险评估,发现隐患立即整改。
2.制定火灾应急预案,包括火灾报警程序、疏散方案等。
3.定期对火灾应急预案进行演练,确保员工了解应急程序。
四、员工消防安全培训
1.新员工入职时进行消防安全培训。
2.对员工定期进行消防安全知识培训,提高员工的消防意识和应急能力。
3.定期组织消防演练,让员工熟悉应对火灾的程序。
五、消防安全监督检查
1.每周对消防设施进行一次检查,记录检查结果。
2.定期进行消防安全隐患排查,及时进行整改。
3.对消防设施的维护保养、演练情况等进行定期检查,确保消防安全制
度的有效执行。
通过以上消防安全管理制度表格,公司能够规范管理消防安全工作,提高员工
的消防意识和应急能力,确保组织内部消防安全工作的顺利进行。
1.基本概况2.灭火和应急疏散方案3.重点部位情况4.建筑消防设施维修保养记录5.消防设施情况6.火灾隐患情况记录表7.消防安全有关的消防安全人员登记表8.灭火器的维护保养、维修检查记录表9.动用明火情况记录10.消防安全管理制度登记表11.消防奖惩情况记录12.火灾情况记录13.消防安全培训记录表(一)14.消防安全培训记录表(二)15.防火检查记录表16.防火巡查记录表17.义务消防队(安全员)人员名单18.灭火和应急疏散预案演练记录19.消防管理组织机构20.月巡检细则21.季巡检细则22.年巡检细则23.控制器日检查登记表24.消防工程维修单25.消防维修工程排故报告单26.消防设施维护保养综合检测记录27.消防设施维护保养综合检测记录28.消防设施维护保养综合检测记录29.消防设施维护保养综合检测记录30.消防设施维护保养综合检测记录31.消防设施维护保养综合检测记录32.消防设施维护保养综合检测记录33.防排烟系统维护保养综合检测记录34.防火卷帘维护保养工作表35.应急广播系统维护保养工作表注:消防安全重点单位可结合自身消防安全工作的特点,适当增加有关本单位消防工作实际需要的相应栏目和内容。
灭火和应急疏散方案年月日注:单位确定重点部位后,每个重点部位均高应填写此表,可根据实际一个重点部位填写一张表消防设施情况消防安全有关的工作人员登记表动用明火情况记录消防安全管理制度登记表消防奖惩情况记录火灾情况记录消防安全培训记录表(二)义务消防队(安全员)人员名单月巡检细则季巡检细则年巡检细则控制器日检查登记表消防工程维修单消防维修工程排故报告单单位名称:编号:消防设施维护保养综合检测记录系统名称:火灾自动报警系统共3页第1页消防设施维护保养综合检测记录系统名称:火灾自动报警系统共3页第2页消防设施维护保养综合检测记录备注:检查内容符合要求打不符合要求打“乂”,并在备注栏中注明情况。
系统名称:自动喷水灭火系统共页第页消防设施维护保养综合检测记录备注:检查内容符合要求打不符合要求打“乂”,并在备注栏中注明情况。
消防安全相关表格1.基本概况2.灭火和应急疏散方案3.重点部位情况4.建筑消防设施维修保养记录5.消防设施情况6.火灾隐患情况记录表7.消防安全有关的消防安全人员登记表8.灭火器的维护保养、维修检查记录表9.动用明火情况记录10.消防安全管理制度登记表11.消防奖惩情况记录12.火灾情况记录13.消防安全培训记录表(一)14.消防安全培训记录表(二)15.防火检查记录表16.防火巡查记录表17.义务消防队(安全员)人员名单18.灭火和应急疏散预案演练记录19.消防管理组织机构20.月巡检细则21.季巡检细则22.年巡检细则23.控制器日检查登记表24.消防工程维修单25.消防维修工程排故报告单26.消防设施维护保养综合检测记录27.消防设施维护保养综合检测记录28.消防设施维护保养综合检测记录29.消防设施维护保养综合检测记录30.消防设施维护保养综合检测记录31.消防设施维护保养综合检测记录32.消防设施维护保养综合检测记录33.防排烟系统维护保养综合检测记录34.防火卷帘维护保养工作表35.应急广播系统维护保养工作表栏目和内容。
灭火和应急疏散方案消防设施情况消防安全有关的工作人员登记表消防安全管理制度登记表火灾情况记录消防安全培训记录表(一)消防安全培训记录表(二)注:此表适用于防火巡查应当至少每两小时一次的单位义务消防队(安全员)人员名单灭火和应急疏散预案演练记录月巡检细则季巡检细则年巡检细则控制器日检查登记表巡检员:甲方值班员:第页共页消防工程维修单消防维修工程排故报告单单位名称:编号:消防设施维护保养综合检测记录消防设施维护保养综合检测记录消防设施维护保养综合检测记录系统名称:火灾自动报警系统共3页第3页消防设施维护保养综合检测记录系统名称:自动喷水灭火系统共2页第1页消防设施维护保养综合检测记录系统名称:自动喷水灭火系统共2页第2页消防设施维护保养综合检测记录系统名称:气体灭火系统共2页第1页消防设施维护保养综合检测记录系统名称:气体灭火系统共2页第2页防排烟系统维护保养综合检测记录防火卷帘维护保养工作表工程名称:注:有问题的器件单独填列表格.应急广播系统维护保养工作表工程名称:维护装置部位:日期:年月日备注:有问题的器件单独填列表格说明:1、所列设备,原则上每月由保养公司、甲方、双方联合进行检测。
第三章消防安全重点单位档案建设由单位消防责任人、消防安全管理人或相关岗位责任人据实填写,反映单位消防工作的真实情况;有消防控制室的单位消防工作档案一般应放置消防控制中心,公安机关消防机构检查时,应主动出示档案。
消防基础档案单位:建档时间:一、单位基本情况填写说明一、单位基本情况:填写单位总体情况。
(一)单位名称:应与单位合法身份证明文件相一致,并应填写全称。
(二)单位性质:按集团、团体、企业、事业、个体工商户等填写。
(三)使用性质按重点单位分类填写:(1)公共娱乐场所:影剧院、礼堂、游艺、游乐场所、歌舞厅、卡拉OK厅等歌舞娱乐场所、夜总会、音乐茶座、其他(2)公众聚集场所:宾馆、饭店、商场、超市、集贸市场、车站、码头、机场、地铁站、体育场馆、会堂、餐饮场所、其他(3)人员密集场所:医院门诊、住院楼学校养老院、福利院、文博馆劳动密集型生产、加工企业宿舍、旅游、宗教活动场所其他(4)国家机关:中央级、省级、市级、县级国家机关(5)广播电台、电视台和邮政、通信枢纽(6)档案馆以及具有火灾危险性的县级以上文物保护单位(7)发电厂(站)和电网经营企业(8)易燃易爆化学物品的生产、充装、储存、供应、销售单位(9)重要的科研单位(10)高层公共建筑(11)城市地下铁道、地下隧道等地下建筑(12)粮、棉、木材、百货等物资仓库和堆场(13)国家和省级重点工程的施工现场(14)其他发生火灾可能性较大以及一旦发生火灾可能造成人身重大伤亡或重大财产损失的单位(四)经济所有制:按国有、集体、股份合作、联营、私营、港澳台合资、外商、其他填写。
(五)生产类别、储存类别:按甲、乙、丙、丁、戊分类填写。
二、消防许可情况登记表:单位的所有审批、验收、安全检查等法律文书均应登记并打孔装订在档案内“消防许可情况登记表”的后面。
三、单位消防管理组织机构图:单位的消防管理组织机构图可以“树状图”形式制定,制定后打孔装订在档案内“单位消防管理组织机构图”的后面。
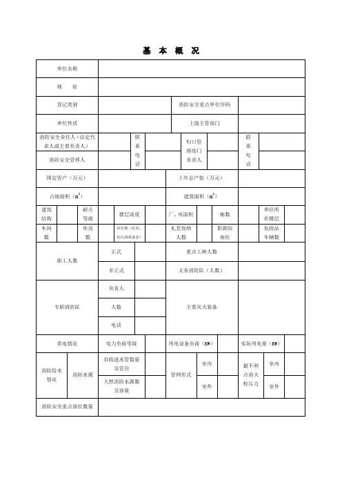
基本概况单位名称地址登记类别消防安全重点单位序码单位性质上级主管部门消防安全责任人(法定代表人或主要负责人)联系电话归口管理部门负责人联系电话消防安全管理人固定资产(万元)上年总产值(万元)占地面积(m2)建筑面积(m2)建筑结构耐火等级楼层高度厂、库面积栋数单位所在楼层车间数库房数床位数(医院、幼儿园或旅业)礼堂容纳人数影剧院座位危险品车辆数职工人数正式重点工种人数非正式义务消防队(人数)专职消防队负责人主要灭火装备人数电话供电情况电力负荷等级用电设备负荷(KW)实际用电量(KW)消防给水情况消防水源市政进水管数量及管径管网形式室内最不利点消火栓压力室内天然消防水源数及容量室外室外消防安全重点部位数量消防安全重点部位名称消防安全重点部位名称消防安全重点部位名称消防安全重点部位名称消防安全重点部位名称主要原料(名称、数量、用途)主要产品或储存物品(名称、数量)审核验收情况是否已审核是否已验收备注注:消防安全重点单位可结合行业自身消防安全工作的特点,适当增加有关本单位消防工作实际需要的相应栏目和内容,列入《基本概况》一表之后灭火和应急疏散方案制作日期:年月日单位名称地址辖区公安消防队增援消防队消防安全责任人联系电话专职消防队队长义务消防队队长人数人数车辆数主要装备组织机构总指挥副总指挥灭火组通讯组疏散组救护组报警方式报警和接警程序:重点部位1重点部位2应急疏散程序及措施:扑救初起火灾程序及措施:通讯联络、安全防护的程序和措施:重点部位情况名称建筑耐火等级面积(m2)层数高度(m)人数消防安全责任人基本情况火灾危险性预防措施扑救措施注:单位确定重点部位后,每个重点部位均高应填写此表,可根据实际一个重点部位填写一张表建筑消防设施维修保养记录委托单位维修保养单位维修保养人员维修保养日期建筑名称项目维修保养情况备注消火栓系统室内消火栓室外消火栓消防水泵水泵接合器消防水池屋顶水箱通风空调风机防火阀防烟排烟系统防火阀送风机排烟阀排烟机火灾自动报警系统集中报警器区域报警器感烟探测器感温探测器应急广播手动按钮其他探测器项目维修保养情况备注自动喷水灭火系统喷洒头报警控制阀水流指示器压力开关水泵稳压泵气压水罐管道阀门其他气体灭火系统喷头瓶头阀分配阀远程启动装置联动开启装置手动开启装置紧急出动储罐其他安全疏散系统疏散指示标志消防电源应急照明消防电梯防火门防火卷帘其他消防设施情况名称规格数量设置位置备注火灾隐患情况记录表检查部位检查人员检查日期火灾隐患整改意见被检查部位负责人意见签名:_____年月日消防安全管理人意见签名:_____年月日消防安全责任人意见签名:_____年月日处理结果消火栓系统检测报告NO:第页共页委托单位委任时间建筑名称系统名称设计单位设计资质施工单位施工资质名称和型号数量制造厂出厂年月主要装备检测结(检测报告专用章)论填发日期年月日备注批准:审核:序制:检测项目检测内容实测记录评价普通检查电源负荷等级切换方式配电线路消防水箱容量消防用水保障措施室外消火栓管网布置管径消火栓安装外观室内消火栓管网布置管径消火栓手动按钮配套件安装外观检测项目检测内容实测记录评价管网试压室外管网试验压力保压时间试验情况室内管网试验压力保压时间试验情况功能检测室外消火栓最不利点压力最有利点压力室内消火栓最不利点压力最有利点压力消防水泵流量扬程运转情况联动试验检测说明自动喷水灭火系统检测报告NO:第页共页委托单位委任时间建筑名称系统名称设计单位设计资质施工单位施工资质名称和型号数量制造厂出厂年月主要设备检测结(检测报告专用章)论填发日期年月日备注批准:审核:序制:检测项目检测内容实测记录评价普通检查电源负荷等级切换方式配电线路消防水箱容量水量保障稳压装置选型布置配套件安装外观报警阀及组件选型组件控制锁定地面排水安装外观管网布置管径变径处理检测项目检测内容实测记录评价普通检查管网支吊架放水装置水流指示器减压装置安装外观喷头选型布置安装数量外观管道试压试验压力保压时间试验情况管道冲洗流速流量出口水质水源容量水质检测项目检测内容实测记录评价功能检查消防泵流量、扬程启停泵压力运转情况联动试验稳压装置启泵压力停泵压力启泵频率运转情况末端放水试验报警阀放水试验警铃动作时间水流指示器信号压力开关信号消防泵联动消防泵启停信号检测说明消防安全有关的重点工种人员登记表工种姓名性别出生年月文化程度技术级别上岗培训机构培训证号灭火器的维护保养、维修检查记录表灭火器类型购买时间设置位置数量检查维修单位(人员)检修情况其他动用明火情况记录动火地点动火时间动火范围动火现场监护人动火项目负责人动火方案消防安全措施有无动火许可证审批部门意见动火前与有关相临部门联系情况及采取消防安全措施情况动火地点附近水源、灭火器具及消防队现场保护情况动火前和动火期间安全保卫部门检查消防安全措施落实和监护人、动火负责人落实情况动火作业结束后现场清理情况备注消防安全管理制度登记表制度名称建立或修订日期主要内容执行情况附:各项消防安全管理制度]消防奖惩情况记录奖励时间受奖励单位或个人奖励内容授奖单位备注火灾情况记录填写人:填写时间:起火时间起火部位火灾基本情况起火原因损失直接经济损失(万元)间接经济损失(万元)伤亡人员死人轻伤重伤烧毁(损)主要财物名称、数量烧毁(损)建筑(平方米)处理情况及分析其他培训时间培训对象人数培训内容培训部门合格率________培训班记录表培训时间:年月日至年月日姓名性别出生年月工种职务培训内容培训发证情况备注防火检查记录表被检查部门检查时间检查人员检查内容检查情况处置结果火灾隐患的整改、防范措施落实情况安全疏散通道、疏散指示标志、应急照明和安全出口消防车通道、消防水源灭火器材配置及有效情况用火用电有无违章重点工种、其他人员消防知识掌握情况消防安全重点部位管理情况易燃易爆危险物品和场所防火防爆落实情况以及其他、重要物资防火安全情况检查内容检查情况处置结果消防(控制室)值班情况和设施运行、记录情况防火巡查情况消防安全标志的设置及完好、有效情况其他需要检查的内容检查人意见签名:年月日被检查部门负责人意见签名:年月日消防安全管理人意见签名:年月日消防安全责任人意见签名:年月日防火巡查记录表巡查时间巡查情况处理结果被检查单位主管人员签名巡查人员签名备注主管人员审阅签名注:此表适用于防火巡查应当至少每两小时一次的单位(义务)消防队人员名单姓名性别出生年月参加工作时间职务消防培训情况备注出租房屋场地消防安全情况记录产权单位租赁单位租方法人代表(消防安全责任人)职工人数义务消防队人数租赁起始时间联系电话甲乙双方有无防火责任书租方有无逐级防火责任制租方防火安全制度名称出租房屋场地位置使用情况消防器材配置数量房屋、场地出租后存在哪些火灾隐患给本单位消防工作带来何种不利因素:灭火和应急疏散预案演练记录时间地点演练内容指挥参加部门出动人数出动车数效果消防管理组织机构管理机构名称人数成立时间消防安全工作负责人职务机构成员名单行政职务部门责任范围联系电话。
消防安全管理各类表格及记录一、消防安全教育培训记录 (1)二、消防安全例会会议记录 (2)三、安全疏散设施检查记录 (3)四、消防控制室值班记录 (4)五、建筑消防设施功能检查记录表 (5)六、单位火灾隐患当场整改通知单 (9)七、单位火灾隐患限期整改通知单 (10)八、单位火灾隐患整改复查单 (11)九、单位临时用火、用电作业审批表 (12)十、义务消防队业务技能学习记录 (13)十一、灭火和应急疏散预案演练记录 (14)十二、电器设备检查记录 (15)十三、值班(值宿)记录表 (16)十四、消防安全工作考评和奖惩记录 (17)十五、消防宣传记录 (18)十六、内部装修审批单 (19)十七、消防安全培训登记表 (20)十八、医院消防安全重点部位专项检查记录表 (21)十九、每周防火检查情况记录表 (22)二十、每月防火检查情况记录表 (24)二十一、每日防火巡查(夜查)记录表 (28)消防安全教育、培训记录消防安全例会会议记录安全疏散设施检查记录消防控制中心值班记录第季度建筑消防设施功能检查记录表单位火灾隐患当场整改通知单编号::我防火检查人员于年月日对你,进行了防火检(巡)查,发现下列第项问题:(一)违章进入生产、储存易燃易爆危险物品场所的;(二)违章使用明火作业或者在具有火灾、爆炸危险的场所吸烟、使用明火等违反禁令的;(三)将安全出口上锁、遮挡,或者占用防火间距、堵塞疏散通道的;(四)消防设施、灭火器材被遮挡等妨碍使用或者挪作他用的;(五)常闭式防火门处于开启状态,或者防火卷帘下堆放物品的;(六)违章关闭消防设施、切断消防电源的;(七)违反消防安全规定,生产、使用、储存、销售、运输或者销毁易燃易爆危险物品的;(八)其它应当立即改正的消防违法行为:。
现责令当场改正签名:年月日收文人签字:注:本通知单一式二份,一份交存在隐患的部门或岗位的责任人,一份存入本单位消防管理档案单位火灾隐患限期整改通知单单位火灾隐患整改复查单编号:单位临时用火、用电作业审批表编号:义务消防队业务技能学习记录灭火和应急疏散预案演练记录电气设备检查记录值班(值宿)记录表消防安全工作考评和奖惩记录消防宣传记录内部装修审批单消防安全培训登记表医院消防安全重点部位专项检查记录表每周防火检查情况记录表每月防火检查情况记录表检查人员签字:负责人签字:每日防火巡查(夜查)内容及时间记录表巡查时间:月日巡查部位:共同巡查交班人员:共同巡查接班人员:员安全疏散⑧存在其它问题:四消防设施、器材管理情况①违章关闭消防设施②消火栓被遮挡、挤占、埋压,不完整有效③灭火器被挪作他用、埋压,未按指定位置摆放④自动喷水灭火系统洒水喷头被遮挡、改动位置或拆除⑤火灾自动报警系统探测器被遮挡、改动位置或拆除⑥消火栓箱、灭火器箱上锁⑦防火卷帘控制按钮上锁⑧消防标志不完好清晰⑨存在其它问题:□□□□□□□□□□□□□□□□□□□□□□□□□□□□□□□□□□□□□□□□□□□□□□□□□□□□□□□□□□□□□□□□□□□□□□□□□□□□□□□□□□□□□□□□□□□□□□□□□□□□□□□□□□□□五值班情况①消防安全重点部位值班人员脱岗②值班人员违反消防值班制度③未填写值班记录④存在其它问题:□□□□□□□□□□□□□□□□□□□□□□□□□□□□□□□□□□□□□□□□□□□□□□□□处置方式①立即整改②落实防范措施限期改正③逐级报告④停业整改□□□□□□□□□□□□□□□□□□□□□□□□□□□□□□□□□□□□□□□□□□□□□□□□处置情况签名30。
消防安全每月检查记录表
年月日
检查员(签字):主管人员(签字):
附件12:
消防安全重点单位每日防火巡查记录表
年月日
巡查员(签字):主管人员(签字)
附件13:
消防重点单位消防管理档案基本内容
一、消防安全检查档案:每日巡查、每月检查、重大节日检查;
二、消防安全职责档案:消防组织、义务消防队、各级消防安全责任
人,岗位职责、消防安全责任书;消防奖惩情况记录;
九、消防安全基本档案:单位基本概况和消防安全重点部位情况等;
十、消防会议记录档案:每月消防工作总结及下月工作部署及主管部
门文件贯彻落实情况;
十一、年度消防总结档案:消防重点单位消防工作计划年度工作总结、
各部门消防安全总结等。
消防安全例会会议记录提醒:有住宿的是消防重点单位才填写每天这个表格,没有住宿不用打印,打印时删除本句提醒每日防火巡查(夜查)记录表23每周防火检查情况记录表检查时间:月日检查人员签字:负责人签字:填表说明:检查时发现问题在对应的□内画“√”存在其他问题手写注明,并在发现问题处置情况栏注明处置方式每月防火检查情况记录表检查时间:月日填表说明:检查时发现问题在对应的□内画“√”,存在其他问题手写注明,并在备注栏中注明处置情况打印前,没有的设施请删掉,本提醒删掉建筑消防设施功能检查记录表填表说明:检查时发现问题在对应的□内画“√”,并在备注栏中注明处置情况。
消防宣传记录消防安全教育、培训记录消防安全培训合格登记表填表说明:成绩栏填写“合格”或“不合格”安全疏散设施检查记录检查人员签字:检查时间:填表说明:检查时发现问题在对应的□内画“√”,并在备注栏中注明处置情况。
编号::我防火检查人员于年月日对你,进行了防火检(巡)查,发现下列第项问题:(一)违章进入生产、储存易燃易爆危险物品场所的;(二)违章使用明火作业或者在具有火灾、爆炸危险的场所吸烟、使用明火等违反禁令的;(三)将安全出口上锁、遮挡,或者占用防火间距、堵塞疏散通道的;(四)消防设施、灭火器材被遮挡等妨碍使用或者挪作他用的;(五)常闭式防火门处于开启状态,或者防火卷帘下堆放物品的;(六)违章关闭消防设施、切断消防电源的;(七)违反消防安全规定,生产、使用、储存、销售、运输或者销毁易燃易爆危险物品的;(八)其它应当立即改正的消防违法行为:。
现责令当场改正签名:年月日收文人签字:注:本通知单一式二份,一份交存在隐患的部门或岗位的责任人,一份存入本单位消防管理档案单位火灾隐患整改复查单编号:燃气、电气设备检查记录检查人员签字:检查时间:填表说明:检查时在相应的□内画“√”,并在备注栏中注明处置情况。
单位临时用火、用电作业审批表编号:灭火和应急疏散预案演练记录值班(值宿)记录及情况上报表消防安全工作考评和奖惩记录消防控制室值班记录义务消防队业务技能学习记录易燃易爆化学物品领取登记表易燃易爆化学物品备案表。
消防制度管理表
一、消防责任部门及人员
•消防责任部门:公司消防安全管理部门
•主要负责人:XXX
•消防安全管理人员:YYY
二、消防设施及装备管理
1. 消防设施
•灭火器:每个楼层至少配备X个合格灭火器
•消防栓:每X米设置一个消防栓
•烟雾报警器:每个房间至少安装一个烟雾报警器
2. 消防装备
•消防服装:每位员工配备符合要求的消防服装
•逃生设备:每个楼层设有应急疏散标识和应急逃生设备
三、消防培训与演练
•全员消防培训:每季度进行一次全员消防培训
•应急演练:每半年进行一次消防应急演练
四、消防安全检查
•每周定期消防设施巡查
•每月消防装备保养检查
五、消防应急预案
•制定完善的消防应急预案
•确保每位员工熟悉应急预案并定期演练
结语
消防制度管理表的制定和执行是保障企业人员生命财产安全的重要举措。
希望通过全员的努力和配合,形成良好的消防安全意识,为公司的安全生产和发展保驾护航。
消防安全管理常用表格
为进一步体现社会单位消防责任制落实情况,明确岗位职责及工作针对性,全面建全消防管理档案,有力推动社会单位“四个能力”建设,确保社会单位消防管理人员持证上岗,更加促进消防监督部门高效率地开展消防检查、培训、宣传工作。
根据公安部《机关、团体、企业、事业单位消防安全管理规定》(61号令)规定特制定《社会单位、消防安全重点单位档案示例》。
该档案的应用主要为:一督促社会单位人员进一步掌握其应掌握的消防法律法规;二促使社会单位以红头文件的形式明确消防安全责任人和管理人,解决责任人和管理人不任命、不明确,责任不落实的问题,三督促社会单位消防人员持证上岗、合格上岗;四防止由于社会单位消防管理人员更替造成档案遗失;五进一步方便消防监督部门检查,有效提高了执法效率。
目录
1、社会单位消防安全档案说明
2、单位基本情况表
3、内装修检查表
4、消防安全制度登记
5、每月防火检查登记表
6、每日防火巡查记录表
7、消防设施、器材、电气、燃气检测、维修记录登记表
8、灭火和应急疏散预案
9、灭火和应急疏散预案演练记录
10、消防控制柜运行日登记表
11、动火审批单
12、清场记录
13、火灾隐患整改通知书
14、员工消防知识技能培训登记表
社会单位消防安全档案说明
根据公安部61号令第四十四条规定:社会单位应当将本单位的基本概况、公安消防机构填发的各种法律文书、与消防工作有关的材料和记录等统一保管备查。
1. 消防安全基本情况应当包括以下内容:
1.1单位基本概况和消防安全重点部位情况;
1.2建筑物或者场所施工、使用或者开业前的消防设计审核、消防验收以及消防安全检查的文件、资料;
1.3消防管理组织机构和各级消防安全责任人;
1.4消防安全制度;
1.5建筑消防设施维护管理责任落实情况。
建筑物的产权单位或受其委托管理建筑消防设施的单位,明确建筑消防设施的维护管理部门,明确具体管理人员;同一建筑物有两个以上产权、使用单位的,明确建筑消防设施的维护管理责任,对建筑消防设施实行统一管理;
1.6消防设施、灭火器材情况;
1.7专职消防队、义务消防队人员及其消防装备配备情况;
1.8与消防安全有关的重点工种人员情况;
1.9新增消防产品、防火材料的合格证明材料;
1.10灭火和应急疏散预案。
社会单位须做好表1、2相关记录,将应包括的情况一并附在
档案内,并统一保管备查。
2. 消防安全管理工作有关的材料
2.1单位应定期组织开展防火巡查、检查,及时发现并消除火灾隐患,及时填写巡查、检查记录并签名,严格落实交接制度。
2.1.1消防安全责任人、消防安全管理人每月至少组织一次检查,单位内设部门负责人每周至少对本部门落实消防安全制度和消防安全管理措施、执行消防安全操作规程等情况开展一次防火检查;员工每天上班前、下班后进行本岗位防火检查,及时发现火灾隐患。
2.1.2单位及其内设部门组织开展下列防火检查内容:
1、消防安全管理制度、消防安全管理措施和消防安全操作规程的执行和落实情况;
2、灭火器材配置及完好情况,室内外消火栓、水泵接合器有无损坏、埋压、遮挡、圈占等影响使用情况,消防水源是否充足;
3、消防设施、控制设备运行、记录情况;
4、消防车通道、安全出口、疏散通道是否畅通,有无堵塞、锁闭情况;
5、安全疏散指示标志、应急照明设置及完好情况;
6、有无违章使用易燃可燃材料装修、装饰情况;
7、电气线路是否破损、老化、连接松动,有无私拉乱接电线、违章使用电器等违章用电情况;
8、有无违章用火、用电情况;
9、消防控制室、消防安全重点部位的人员在岗在位情况,各项记录是否真实准确,突发事件处置是否得当;
10、灭火和应急疏散演练预案的编制是否合理科学,演练是否经常;
11、员工消防知识掌握情况;
12、易燃易爆危险品生产、储存、销售单位、场所的工艺装置、紧急事故处理设施是否完好有效,防火、防爆、防雷、防静电措施落实情况;
13、其他消防安全情况。
2.1.3单位组织开展防火巡查内容:
1、用火、用电有无违章情况;
2、安全出口、疏散通道是否畅通,有无堵塞、锁闭情况;
3、消防器材、消防安全标志完好情况;
4、消防安全重点部位人员在岗在位情况;
5、常闭式防火门是否处于关闭状态、防火卷帘下是否堆放物品影响使用等情况。
6、其他消防安全情况。
2.1.4员工上班前、下班后防火检查内容:
1、用火、用电有无违章情况;
2、安全出口、疏散通道是否畅通,有无堵塞、锁闭情况;
3、消防器材、消防安全标志完好情况;
4、场所有无遗留火种。
5、其他消防安全情况。
2.1.5单位及其内设部门的防火检查、防火巡查以及员工上班前、下班后的防火检查应做好记录并形成完整的纸质档案资料;单位设有互联网电脑的,应将相关信息及时录入社会单位消防e 网管理系统。
社会单位须做好表3、4、5、6、7、8、9、10相关记录,将应包括的情况一并附在档案内,并统一保管备查。
2.2单位应实行火灾隐患整改责任制。
2.2.1单位消防安全责任人对火灾隐患整改负总责,单位消防安全管理人、有关部门负责人、员工应当认真履行火灾隐患整改责任。
2.2.2 发现的火灾隐患应当立即改正;对不能立即改正的,发现人应当向消防工作归口管理职能部门或消防安全责任人、消防安全管理人报告,按要求整改并做好记录。
2.2.3消防工作归口管理职能部门或消防安全管理人接到火灾隐患报告后,应当立即组织核查。
研究制定整改方案,确定整改措施、整改期限、整改责任人和部门,报单位消防安全责任人审批。
对随时可能引发火灾的隐患,应立即采取确保安全的防范措施。
单位的消防安全责任人应当督促落实火灾隐患整改措施,为整改火灾隐患提供经费和组织保障。
2.2.4火灾隐患整改责任人和部门应当按照整改方案要求,落实整改措施,并加强整改期间的安全防范,确保消防安全。
2.2.5火灾隐患整改完毕后,消防安全责任人应当组织验收并做好记录。
2.2.6 对公安机关消防机构或公安派出所责令改正的火灾隐患,应当立即着手整改,并将整改情况报告公安机关消防机构或公安派出所。
社会单位须做好表11相关记录,将应包括的情况一并附在档案内,并统一保管备查。
2.3单位应当制定内容全面、可操作性强的年度消防宣传教育培训计划或实施方案。
员工上岗、转岗前,应经过岗前消防安全培训合格;在岗人员每半年进行一次消防安全教育培训并做好记录。
社会单位须做好表12相关记录,将应包括的情况一并附在档案内,并统一保管备查。
表格1
单位基本情况表
专业资料
专业资料
表格2
内装修检查表
专业资料
专业资料
专业资料
表3
消防安全制度登记
表4
每月防火检查登记表
表5 每日防火巡查记录表
巡查人:主管人:月日
2、第次巡查时均应填写巡查记录,无情况的填写正常。
对存在隐患问题的,要在对应栏目填写清隐患部位、数量、处理、报告情况并及时填发隐患通知书。
3、公共聚集场所在营业期间的防火巡查应至少每二小时一次,其他场所应加强夜间防火巡查。
4、每日巡查记录表由巡查人员及主管人员签名确认,每月成册,交消防归口管理部门存档。
专业资料
表6
消防设施、器材、电气、燃气检测、维修记录登记表
注:单位可根据实际确定表中检测、维修项目,其中黑体部分每年至少检测一次。
灭火器应分批检测维修。
表7
灭火和应急疏散预案
表8
灭火和应急疏散预案演练记录
专业资料
表9
消防控制柜运行日登记表
本表由值班人员如实填写。
专业资料
表10 动火审批单
此表一式两份,一份由消防归口管理部门留存,一份交执行动火单位。
表11
清场记录
清场时间: 部门负责人:
清场记录
:
清场时间: 部门负责人
表12
火灾隐患整改通知书
编号:[]第号
:
年月日检查时,发现你部门(岗位)存有下列火灾隐患,你部门(岗位)应于日内(立即)整改完毕。
整改期间要确保消防安全,整改完毕后报部门(消防归口管理部门)。
年月日
部门(岗位)责任人(签字):
此表一式两份,一份交整改部门,一份由消防归口管理部门存档。
表13
员工消防知识技能培训登记表。