采矿设计制图规范
- 格式:doc
- 大小:97.50 KB
- 文档页数:5
金属非金属矿山采矿制图标准(GB/T 50564-2010)目次1 总则 (1)2 基本规定 (1)2.1 一般规定 (1)2.2 图纸规格 (1)2.3 图纸标题栏 (4)2.4 比例 (5)2.5 文字与数字 (6)2.6 图线 (6)2.7 字母与符号 (8)3 图形及画法 (10)3.1 投影及视图 (10)3.2 尺寸标注 (13)3.3 标高 (18)3.4 方向与坐标 (19)4 图例 (25)5 附录 (40)附录一本标准用词说明 (40)1 总则1.0.1 为统一金属、非金属矿山采矿设计制图标准,实现制图标准化,提高制图效率,保证图面质量,不用或少用文字说明便能表达设计意图,使设计、施工和生产之间有简捷共同语言,特制定本标准。
1.0.2 本标准适用于采矿专业和井建专业各设计阶段的设计图和通用图(包括CAD绘图),制图中涉及其它专业时,应按有关专业制图标准执行。
1.0.3 本标准遵照国际标准,图纸中使用的简化汉字、计量单位名称及符号,应符合国家现行有关标准、规范和规程的规定。
1.0.4 在复制地质图时,仍采用原地质图例进行复制,需要在复制图中增加内容时,应按规定的图例绘制。
2、基本规定2.1 一般规定2.1.1 图纸应首先考虑视图简便,在符合各咨询和各设计阶段内容深度要求前提下,力求制图简明、清晰、易懂。
2.1.2 工程咨询和设计图纸的度量单位,无论图面上和图中的文字说明,均应以法(规)定的计量单位表示。
2.1.3 各咨询和各设计阶段的图纸均应编制图纸目录,图纸目录应符合图2.1.3的规格、内容、要求,图纸目录的序号应按各咨询、设计单位自行规定的各设计专业的编号顺序、子项(施工图设计阶段)编号顺序和孙项(施工图设计阶段)编号顺序进行编制。
图2.1.3图2.1.3 图纸目录幅面格式2.1.4 应根据不同咨询设计阶段、不同设计专业要求,采用适当的规格和比例的图纸;图面布局要合理,图面表达设计内容、要求应完整、简明,图形投影正确;图中数字、文字、符号表示准确,各种线条粗细符合本标准规定。
作业规程绘图标准一、总体要求1、图纸布局合理、美观、清晰、紧凑。
2、图纸使用统一标准符号,标注、文字、数字等样式统一。
3、图纸符合实际,准确无误,能够起到指导生产作用。
4、附图样式、数量符合要求。
二、具体要求(一)图纸幅面要求1、在图纸上必须用粗实线画出图框,格式分为不留装订边和留有装订边两种。
图框格式如图1-1、1-2、1-3、1-4所示图1-1 不留装订边的图纸图框格式一图1-2不留装订边的图纸图框格式二图1-1 留装订边的图纸图框格式一图1-2 留装订边的图纸图框格式二2、图框尺寸,应符合表1-1的规定。
特殊情况时可将表1-1中图纸长、宽边都可加长。
加长部分应为原边长的1/8及其整数倍数。
表1-1 图框尺寸(mm)(二)图纸标题栏标准1、图纸必须设有标题栏,以表明该图纸名称、设计日期、设计者和各级审核者等。
标题栏应位于图纸右下角,特殊情况时可位于图纸右上角。
2、标准标题栏必须具备更改区、签字区、名称及代号区等部分,格式符合规范要求,并作为统一标识不得修改。
3、标题栏的外框用粗实线画出,分栏线用细实线画出,标题栏中的文字方向为看图方向。
4、图纸标题栏均宜采用下图格式,见图2-1所示。
图2-1 图纸标题栏格式(三)标注标准1、尺寸标注①图纸上的尺寸数字,规定以毫米或米为单位,(在1∶50~1∶500比例的图纸上采用毫米为单位,在1∶1000~1∶10000比例的图纸上采用米为单位)。
如不按照上述规定时,则必须在各尺寸数字右边回流所采用计量单位,同时在图纸附注中均应注明单位。
②图纸的尺寸应以标注的尺寸数值为准,同一尺寸一般只标注一次,并应标注在表示该结构最清晰的图形上;对表达设计意图没有意义的尺寸,不应标注。
③尺寸线与尺寸界线应用细实线绘制。
尺寸线起止符号可用箭头、圆点、短斜线绘制,见图3-1。
同一张工程图中,一般宜采用一种起止符号形式,当采用箭头位置不够时,可用圆点或斜线代替。
半径、直径、角度和弧度的尺寸起止符宜用箭头表示。
矿井11种图纸绘制标准及要求第1条、计算机绘制矿图必须做到准确、齐全、及时,符号运用要正确、统一,图纸容应布置适当,着色准确;矿图必须依据《煤矿安全规程》、《煤矿防治水规定》、《煤矿测量规程》及通、防、机电提运、测量规等法律、法规、条例和规定要求制作的基本矿图。
第2条、矿图上的容、标注、符号、图幅及编号要符合规定技术标准,比例尺应符合规定。
图纸中的采、掘巷道、工作面、安全生产的设备、设施等必须是实测资料,并能真实、现时的反映矿井生产及安全状况。
各种注记必须齐全、规。
图纸中必须有图框线、图名、比例、图签、图例;图签栏容应齐全,必须有煤矿法人或矿长及主要技术负责人的亲笔签字,并加盖本单位公章。
第3条、矿图要根据实际变化及时填绘和标注。
第4条、各种矿图均须使用统一的坐标系统。
第5条、计算机绘图人员要具有一定专业知识,掌握相关技术标准,采掘绘图员具有一定的矿井地质、水文、测量、采掘和储量的知识,通防和机电绘图员应有一定的本专业的知识。
第6条、图纸资料来源明确,图号清晰,编制、审核、校对分工明确。
第7条、绘制各类矿图时,必须由专业技术人员参与,正确使用图例,图纸精度要符合测量要求,保证矿图的质量。
第8条、各种矿图的绘制符合准确、及时、完整、美观的原则。
达到线条均匀、圆滑,接头间无疙瘩,点线、虚线间隔大小一致,平行线间距相等,各种文字、数字注记规,字隔、字向符合要求,颜色标准、着色均匀、容齐全、完整、几何关系正确。
第9条、图纸要按规定定期填绘:采掘工程平面图由生产科每月3日前根据测量结果、地质情况绘制;矿井充水性图、月度预报图、月度计划图根据采掘工程平面图每月补充、修改、填绘一次;矿井涌水量与各种相关因素动态曲线图每月绘制一次;井上下对照图每季填绘一次;其他图纸每半年根据生产情况修正完善一次;应急图纸要随时填绘。
采掘工程平面图绘制要求第一章基本要求第 1条.绘制采掘工程平面图的容、精度以及绘制方法是依据《煤矿测量规程》、《煤矿地质测量图例》、《地形图图式》的要求,结合公司的具体情况制定的。
陕西太白黄金矿业有限责任公司生产部CAD工程设计制图总则------------------------------------------------------------------------------------------------------------------1 范围本标准规定了采用计算机辅助设计(以下简称CAD)技术编制设计文件的一般要求,其中包括CAD图的绘制以及文字文件的编制和表格文件的编制。
本标准适用于陕西太白黄金矿业有限责任公司CAD工程设计制图的全过程。
2 引用标准下列标准所包含的条文,通过在本标准中引用而构成为本标准的条文。
本标准出版时,所示版本均为有效。
所有标准都会被修订,使用本标准的各方应探讨使用下列标准最新版本的可能性。
GB/T 17825.4—1999CAD文件管理编制规则GB/T 14665--1998 机械工程CAD制图规则GB/T 10609.1-89技术制图--标题栏GB/T 10609.2-89 技术制图--明细栏GB/T 4457.1-84 机械制图--图纸幅面及格式GB/T 4457.3-84 机械制图--字体GB/T 4457.4-84 机械制图--图线GB/T 4457.4-84 机械制图—剖面符号GB/T 4458.4-84 机械制图--尺寸标注法3 一般要求3.1 编制CAD文件时,应正确地反映该产品或工程项目的有关要求。
3.2 编制CAD文件时,应正确地贯彻有关标准的规定。
3.3 CAD文件中的计量单位,应符全GB3100的有关规定。
3.4 提供CAD设计文件使用的各种工程数据库、图形符号库、标准件库等应符合现行标准的相关规定。
3.5 同一代号的CAD文件上的字型与字体应协调一致。
3.6 必要时,允许CAD文件与常规设计的图样和设计文件同时存在。
4 CAD图的绘制4.1 比例4.1.1 CAD图中所采用的比例应按GB/T14690的有关规定。
采矿设计制图标准采设制标二 O O 八目次1总 (1)2基规 (1)2.1一规 (1)2.2图规 (1)2.3图标栏 (4)2.4比 (5)2.5文与字 (6)2.6图 (6)2.7字与号 (8)3图及法 (10)3.1投及图 (10)3.2尺标 (13)3.3标 (18)3.4方与标 (19)4图 (25)5附...........................................................................40录标用说 (40)1总1.0.1为一属非属山矿计图准实制标化高图率保图质,用少文说便表设意图使计施和产间简共语,制本准1.0.2本准用采专和建业设阶的计和图包 CAD 图,图涉其专时应有专制标执。
1.0.3本准照际准图中用简汉、量位称及号应合家行关准规和程规。
1.0.4在制质时仍用地图进复,要复图中加容,按定图绘。
2基规2.1 般定2.1.1图应先虑图便在合咨和设阶内深度求提,求图明清、明白2.1.2工咨和计纸度单,论面和中文说明均以()的量位示2.1.3各询各计段图均编图目,纸录符合2.1.3 规、容要,纸录序应各询设位行定各计业编顺、项施图计段编号序孙(工设阶)号序行制图2.1.31图2.1.3 纸录面式2.1.4应据同询计段不设专要,用当规格比的纸图布要理图表设内、求完、简,形影确图数、字符表准,种条细合标规。
2.1.5 标技术应用《金山矿语准 YS/T5022 94的关定2.2图规2.2.1 阶设图的面图尺,符图2.2.1 表2.2.1 1 规。
殊况可表2.2.11 的A0A3纸长或加。
A0纸能长边A1A3纸、边可长加部应原长 1/8 其数数按幅格 2.2.12 取图 2.2.11A0 A1 A2 A3纸式面图 2.2.12 A4纸式面图 2.2.13A1A2 A3纸式面2表 2.2.11图幅及框寸mm表 2.2.12图规表mm2.2.2 A0A1A2纸框有确尺标分应图框角零,纵方排。
采矿设计制图标准及图例
一、图框
设计图纸的幅面及图框尺寸,应符合下表要求:
A0图纸只能长边加长,A1-A3图纸长、宽边都可以加长。
加长部分应为原边长的1/8及其整数倍数。
留装订边时:
A0、A1、A2图纸装订边的图框装订边留25mm、其余三边10mm;A3、A4图纸装订边的图框装订边留25mm、其余三边5mm。
不留装订边时:
A0、A1图纸四边都留20mm;A2、A3、A4图纸四边逗留10mm。
二、文字
1.采矿设计字体均为宋体,包含:汉字、英文字母、阿拉伯数字、罗马数字。
2.块矿名称、标题字体、公司及矿权名称字体大小为5号字。
3.设计中的说明文字字体大小为4号字。
4.设计中图表内文字、坐标数字、标注字体大小为3号字。
5.平面图中坐标数字要求字头指向北方向。
6.图纸中表示数量的数字,应采用阿拉伯数字表示。
拉丁字母、希腊字母或阿拉伯数字,如需写成斜体字时,其斜度应与水
平上倾75°
三、线形
注:每幅图必须严格分图层,在图中使用多段线。
四、比例
1.工程图常用比例按下表选取:
2.同一视图,采用纵向和横向两种不同比例绘制时,应加以注明;长细比较大,且不需要详细标注的视图,可不按比例绘制。
3.全图只有一种比例时,应将比例注写在标题栏内。
不同视图比例注写在相应视图名的下方,如下图:
4.不能按比例绘图时,必须注有“示意图”字样。
五、字母与符号
常用技术术语字母符号宜参照下表:
六、图例
制图常用充填图案及要求:
制图常用图例:。
矿井11种图纸绘制标准及要求(结合最新规范)采掘工程平面图绘制要求第1章基本要求第 1条.绘制采掘工程平面图的内容、精度以及绘制方法是依据《煤矿测量规程》、《煤矿地质测量图例》、《地形图图式》的要求,结合公司的具体情况制定的。
第 2条.绘制图种和比例尺,采掘工程平面图比例尺1:2000第 3条绘制内容1、井田技术边界,保安煤柱及其它边界线,注明名称及批准文号;2、本煤层以及与开采本煤层有关的巷道(主要巷道应注明名称和月末工作面位置,斜巷应注明倾向和倾角,巷道交叉口、变坡以及平行等特征点,在图上每隔50~100mm应注记底板高程);3、回采工作面及采空区。
注记工作面月末位置,平均采厚、煤层倾角、开采方法、开采年度和煤层小柱状,丢煤区应注明丢煤区原因和煤量;注销区应注明批准文号和煤量;4、永久导线点和水准点,注明点号和高程;临时点根据需要注记;5、钻孔、勘探线、煤层露头线、风化带、煤层变薄区、尖灭区、陷落柱和火成岩侵入区、煤厚点、煤样点以及实测的主要地质构造;6、发火区、积水区、煤及瓦斯突出区、冒流砂区等。
应注明发生时间等有关数据;7、井田边界外100m以内的临矿采掘工程和地质情况,井田范围内的小煤窑及其开采等有关情况;8、煤层底板等高线、根据图面允许情况和实际要求,加绘地面重要工业建筑、居民区、铁路、重要公路、大的河流、湖泊;9、水闸墙、水闸门、永久风门、防火门、突水点、抽放水钻孔,标注近期巷道、工作面探放水钻孔数量。
第4条图种编绘原则及精度要求1:2000采掘工程平面图的井巷部分按实际比例绘制,1:2000采掘工程平面图图例符号按相同比例尺的要求绘制。
重要地物与地物轮廓相对附近控制点的平面位置误差<图上0.6mm;次要地物、地物轮廓<图上0.8mm;井巷轮廓与最近控制点的相对位置误差<图上0.6mm;两相邻点边长误差<图上0.3mm;第 5条.图面整饰1.采掘工程平面图按上北下南方向绘制。
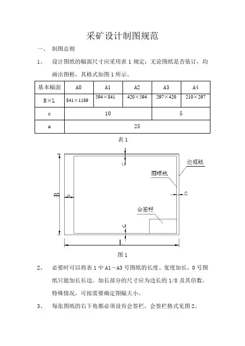
采矿设计制图规范一、制图总则1、设计图纸的幅面尺寸应采用表1规定;无论图纸是否装订,均画出图框,其格式如图1所示。
表1图12、必要时可以将表1中A1~A3号图纸的长度、宽度加长,0号图纸只能加长长边。
加长部分的尺寸应为边长的1/8及其倍数。
特殊情况,可按需要确定图幅大小。
3、每张图纸的右下角都必须设有会签栏,会签栏格式见图2。
图24、每张图纸右侧图纸必须有图例、施工说明和施工安全。
排列格式见图3。
图35、图框、会签栏的外框线用0.8的组实线绘制。
6、图纸必须按比例绘制,不能按比例绘制时,必须注有“示意图”字样。
7、比例必须采用阿拉伯数字表示,制图比例宜按1:(1,2,5)×10n系列选用,特殊情况时可选取其间比例。
8、常用技术术语字母符号宜参照表2的规定执行。
表29、 储量和采矿工程量的数值应与图形一致,数值计算应达到必要的精度。
数值精度按表3规定执行。
表310、标注点的坐标时,从该点引出一条线,引出位置必须清晰可见。
如图4所示。
线的上方为该点X 轴坐标,线的下方为该点Y 轴坐标。
图411、表示巷道、水沟、斜坡道坡度时,应将标注坡度的箭头指向下坡方向,箭头上方标注坡度数值,变坡处应标出变坡的界限。
12、巷道轨道曲线段的标注格式见图5。
图5二、中深孔爆破设计制图1、炮孔排面图采用A3出图,比例为1:500;炮孔断面图采用A4出图,比例为1:200。
2、炮孔排面图中,炮孔排数采用阿拉伯数字表示,数字高度为2。
3、炮孔断面图中,炮孔序号采用阿拉伯数字表示,数字高度为4;标注数字高度为4,箭头大小为2;炮孔采用0.6粗实线绘制;右侧需绘制炮孔断面参数表格,规格见图5。
图5三、采切工程设计制图1、采切工程根据实际情况确定图幅尺寸,但必须符合制图总则1、2条。
2、采切工程设计部分应采用虚线绘制。
四、巷道断面图1、巷道断面图采用A4纸出图,比例为1:50。
2、巷道断面图中,标注文字高度为3,箭头大小为2;文字高度为4。
金佳矿制图标准规范
1、图签栏:
贵州盘江精煤股份有限公司金佳矿----------仿宋5mm,宽高比例1:1 17号煤层采掘工程平面图------------------ 黑体7.5mm,宽高比例1:1 制图,审核,科长,地测副总,总工程师,矿长,比例尺,制图日期----------------------------------------------------仿宋5mm,宽高比例1:1
2、煤层颜色规定:
3、断层构造
(1)、落差大于1米的断层在平面图上画出交面线。
(2)、落差小于1米的断层画出揭露点。
如图四-1和四-2:
图四-1
4、巷道线宽及几何尺寸表示
一般巷道按照规定颜色制定标准,小于4米的巷道按照4米宽度绘制,大于4米宽的巷道按照实际巷道断面绘制。
钻场及放炮硐室等必须在图中标明实际位置,巷道线宽为0.3mm,采空区线宽为1mm,线型为continuous
5、煤层柱状的绘制(保留2位小数):
6、指北针
说明:细线圆R=12、线型和线宽为默认,粗线圆R=24、线型为默认线宽为1mm,斜线间隔比例1.0。
新版煤矿制图标准1 总则1.0.1为规范煤矿矿井采矿专业工程制图规则,保证制图质量,提高制图效率,做到图面清晰、简明,符合设计、施工、存档的要求,适应煤矿矿井建设需要,制定本标准。
1.0.2本标准适用于煤矿矿井各阶段采矿专业工程制图。
1.0.3煤矿矿井采矿专业工程制图,除应符合本标准外,尚应符合国家现行有关标准的规定。
2 基本规定2.1 图纸幅面2.1.1图纸基本幅面尺寸宜采用表2.1.1所规定的基本幅面。
2.1.2必要时,可按图2.1.2选用加长幅面。
也可在基本幅面的基础上,按A4幅面的短边或者长边成整数倍加长。
表2.1.1 图纸基本幅面尺寸图2.1.2 图纸幅面注:1、粗实线所示为基本幅面;2、细实线、细虚线所示为加长幅面2.2 图框格式2.2.1在图纸上应用粗实线画出图框,并应采用留有装订边的图框格式(图2.2.1),装订边宜位于图框左侧。
基本幅面图框尺寸应符合表2.2.1规定。
(a) X型(b) Y型(图中1应为5)图2.2.1 图框格式1—纸边界线;2—图框线;3—周边;4—会签栏;5--标题栏表2.2.1 基本幅面图框尺寸2.2.2加长幅面的图框尺寸,宜按所选用的基本幅面大一号的图框尺寸确定。
2.3 标题栏2.3.1图纸应设置标题栏(图2.3.1)。
标题栏宜由更改区、签字区、名称区、代号及其他区组成。
也可按实际需要增加或减少,并应符合下列规定:1更改区宜由更改标记、数量、修改和批准者签名和日期等组成。
2签字区宜由设计、审核、审定签名和年月等组成。
3名称区宜由项目隶属单位及工程名称或文件名称、单位工程名称和图纸名称等组成。
4代号及其他区宜由图纸代号、共页第页、质量、比例及设计编制单位名称等组成。
2.3.2标题栏的位置应位于图纸的右下角。
2.3.3标题栏格式宜符合图2.3.1的规定。
图2.3.1 标题栏格式2.3.4 必要时,可在图纸左上侧设置图号栏。
2.3.5 复制的地质图应采用本标准规定的标题栏。
(冶金行业)采矿专业制图规范(内容)陕西太白黄金矿业有限责任X公司生产部CAD工程设计制图总则------------------------------------------------------------------------------------------------------------------1范围本标准规定了采用计算机辅助设计(以下简称CAD)技术编制设计文件的壹般要求,其中包括CAD图的绘制以及文字文件的编制和表格文件的编制。
本标准适用于陕西太白黄金矿业有限责任X公司CAD工程设计制图的全过程。
2引用标准下列标准所包含的条文,通过在本标准中引用而构成为本标准的条文。
本标准出版时,所示版本均为有效。
所有标准都会被修订,使用本标准的各方应探讨使用下列标准最新版本的可能性。
GB/T17825.4—1999CAD文件管理编制规则GB/T14665--1998机械工程CAD制图规则GB/T10609.1-89技术制图--标题栏GB/T10609.2-89技术制图--明细栏GB/T4457.1-84机械制图--图纸幅面及格式GB/T4457.3-84机械制图--字体GB/T4457.4-84机械制图--图线GB/T4457.4-84机械制图—剖面符号GB/T4458.4-84机械制图--尺寸标注法3壹般要求3.1编制CAD文件时,应正确地反映该产品或工程项目的有关要求。
3.2编制CAD文件时,应正确地贯彻有关标准的规定。
3.3CAD文件中的计量单位,应符全GB3100的有关规定。
3.4提供CAD设计文件使用的各种工程数据库、图形符号库、标准件库等应符合现行标准的相关规定。
3.5同壹代号的CAD文件上的字型和字体应协调壹致。
3.6必要时,允许CAD文件和常规设计的图样和设计文件同时存在。
4CAD图的绘制4.1比例4.1.1CAD图中所采用的比例应按GB/T14690的有关规定。
目录第一章总则 (1)第二章制图标准 (1)第一节图幅规格及标题栏 (1)第二节比例 (3)第三节图线 (4)第四节文字与数字 (5)第五节图形画法 (8)第六节尺寸标注 (10)第七节坐标标注 (15)第八节数值精度 (18)第九节图纸所附各种表格 (18)第十节图例 (20)第一章总则第1条为统一冶金矿山采矿设计制图标准,进一步提高图面质量,使设计者有章可循,审核有据可查,使设计和施工之间有简捷共同语言,特制定本标准。
第2条采矿专业各设计阶段的图纸,必须按本标准绘制。
第3条设计图纸必须满足设计深度要求。
第4条制图中涉及其它专业时,应按有关专业制图标准执行。
第5条必须认真编排好图纸目录,各图纸之间应衔接合理,协调统一。
第6条制图中应做到比例选择适合,图面布局合理,表达设计意图全面、清楚,图形投影正确,线条粗细适度,数字、文字和符号清晰,图面整洁。
第7条图纸中使用的简化汉字、计量单位的名称及符号,必须按照国家现行规定标准执行。
第二章制图标准第一节图幅规格及标题栏第8条设计图纸的幅面尺寸应采用表1和图1的规定。
第9条无论图纸是否装订,均应画出图框,其格式如图1所示。
图1第10条必要时可以将表1中1~3号图纸的长度、宽度加长,0号图纸只能加长长边。
加长部分的尺寸应为边长的1/8及其倍数,参见表2规格选取。
特殊情况(如受地质原始资料的限制),可按需要确定图幅大小。
第11条每张图纸的右下角都须设有标题栏,以表明图纸的性质、内容和职责。
第12条图纸内容与外专业有关联,并需要认可时,必须在图框外左下角设会签栏,其高度视会签单位多少而定,其格式见图2图2第二节比例第13条图纸必须按比例绘制,不能按比例绘制图,必须注有“示意图”字样。
第14条制图比例要选择适当,使图面布局合理、美观、清晰、紧凑,尽量选用1∶1~6×10n的比例。
第15条同一视图,有时亦可采用纵向和横向两种不同比例绘制,但需注明。
第16条比例以阿拉伯数字注写,图幅中采用一种比例时,只在标题栏中注写比例。
黑龙江科技学院采矿工程专业课程设计绘图要求(讨论稿)资源与环境工程学院采矿工程系二О一二年五月一、图纸幅面要求1、图纸基本幅面尺寸宜选用基本幅面(见表1)。
表1 图纸基本幅面尺寸2、根据地质条件的需要,可以按照图1选用加长幅面。
也可以在基本幅面的基础上,按照A4幅面的短边或者长边整数倍加长。
图1 图纸幅面注:粗实线所示为基本幅面;2.细实线、细虚线所示为加长幅面二、图框格式要求1、在图纸上应用粗实线画出图框,并应采用留有装订边的图框格式(见图2),装订边宜位于图框左侧。
基本幅面图框尺寸应符合表2的规定。
没有特殊要求时,图纸宜选用X型图框格式。
图2 图框格式1-纸边界线;2-图框线;3-周边;4-标题栏幅面代号A0 A1 A2 A3 A4尺寸B×L(mm)1189×841 841×594 594×420 420×297 297×210c 10 5a 252、加长幅面的图框尺寸,宜按所选用的基本幅面大一号的图框尺寸确定。
三、标题栏要求1、标题栏的画法(尺寸为mm)及格式要求图3 标题栏的绘制及填写要求2、标题栏的位置应位于图纸的右下角。
四、绘图比例采矿制图常用比例应符合表3的规定。
采区平、剖面图制图比例一般选择1:2000。
表3 采矿制图常用比例 图名常用比例 采区巷道布置及机械配备图 平面:1:2000 1:5000 1:10000剖面:1:2000采区车场布置图 平面 1:200 1:500 1:100 断面 1:50剖面 1:200 1:100巷道断面图1:50 五、字体字体应选择长仿宋字体(T 仿宋_GB2312),字体的高度不小于3.5mm ,字体宽度比例为0.7。
六、线宽1、图边线:b=0.8mm2、断层线、采区剖面图中煤层线:0.6mm由指导老师填写由审核老师填写8号字体5号字体10号字体3、标题栏外线:0.30mm;标题栏内线:0.18mm4、斟探线:0.20mm5、巷道线:0.40mm6、方格网线、煤层底板等高线、标注(引)线、其它线:0.2mm7、采掘工程平面图巷道宽度:2.0mm七、图例八、其他要求1、坐标的标注应在内外边框中间标注比例内外边框能放下的比例,煤层底板等高线标高标在整条等高线的中间上侧。
目录第一章总则 (1)第二章制图标准 (1)第一节图幅规格及标题栏 (1)第二节比例 (3)第三节图线 (4)第四节文字与数字 (5)第五节图形画法 (8)第六节尺寸标注 (10)第七节坐标标注 (15)第八节数值精度 (18)第九节图纸所附各种表格 (18)第十节图例 (20)第一章总则第1条为统一冶金矿山采矿设计制图标准,进一步提高图面质量,使设计者有章可循,审核有据可查,使设计和施工之间有简捷共同语言,特制定本标准。
第2条采矿专业各设计阶段的图纸,必须按本标准绘制。
第3条设计图纸必须满足设计深度要求。
第4条制图中涉及其它专业时,应按有关专业制图标准执行。
第5条必须认真编排好图纸目录,各图纸之间应衔接合理,协调统一。
第6条制图中应做到比例选择适合,图面布局合理,表达设计意图全面、清楚,图形投影正确,线条粗细适度,数字、文字和符号清晰,图面整洁。
第7条图纸中使用的简化汉字、计量单位的名称及符号,必须按照国家现行规定标准执行。
第二章制图标准第一节图幅规格及标题栏第8条设计图纸的幅面尺寸应采用表1和图1的规定。
第9条无论图纸是否装订,均应画出图框,其格式如图1所示。
图1第10条必要时可以将表1中1~3号图纸的长度、宽度加长,0号图纸只能加长长边。
加长部分的尺寸应为边长的1/8及其倍数,参见表2规格选取。
特殊情况(如受地质原始资料的限制),可按需要确定图幅大小。
第11条每张图纸的右下角都须设有标题栏,以表明图纸的性质、内容和职责。
第12条图纸内容与外专业有关联,并需要认可时,必须在图框外左下角设会签栏,其高度视会签单位多少而定,其格式见图2图2第二节比例第13条图纸必须按比例绘制,不能按比例绘制图,必须注有“示意图”字样。
第14条制图比例要选择适当,使图面布局合理、美观、清晰、紧凑,尽量选用1∶1~6×10n的比例。
第15条同一视图,有时亦可采用纵向和横向两种不同比例绘制,但需注明。
第16条比例以阿拉伯数字注写,图幅中采用一种比例时,只在标题栏中注写比例。
采矿设计制图规范
一、制图总则
1、设计图纸的幅面尺寸应采用表1规定;无论图纸是否装订,均画出图框,其格式如图1所示。
基本幅面 A0 A1 A2 A3 A4
420×594 297×420 210×297 594×841841×1189 B×L
c 10 5
a 25
表1
图1
2、必要时可以将表1中A1,A3号图纸的长度、宽度加长,0号图纸只能加长长边。
加长部分的尺寸应为边长的1/8及其倍数。
特殊情况,可按需要确定图幅大小。
3、每张图纸的右下角都必须设有会签栏,会签栏格式见图2。
图2
4、每张图纸右侧图纸必须有图例、施工说明和施工安全。
排列格式见图3。
图3
5、图框、会签栏的外框线用0.8的组实线绘制。
6、图纸必须按比例绘制,不能按比例绘制时,必须注有“示意图”字样。
n7、比例必须采用阿拉伯数字表示,制图比例宜按1:(1,2,5)×10系列选用,特殊情况时可选取其间比例。
8、常用技术术语字母符号宜参照表2的规定执行。
名称符号名称符号名称符号
度量面积体积质量时间长度 L l 质量 m 时间 T t 宽度 B b 重量 G g 支护与掘进高度或深度 H h 比重γ 巷道壁厚 T 厚度δ d 力巷道拱厚 d 0半径 R r 力矩 M 充填厚δ 直径 D d 集中动荷载 T 掘进速度 v 切线长 T 加速度 a 其它物理量眼间距 a 重力加速度 g 转数 n 排距 b 均布动荷载 F 线速度v 最小抵抗线 W 集中静荷载 P 风压 H h 坡度 i 均布静荷载 Q 风量 Q α β 角度垂直力 N 风速度 V
θ 面积 S 水平力 H 涌水量 Q q 净面积 S 支座反力 R 岩(矿)石硬度系数 f J
掘进面积 S 剪力 Q 摩擦角、安息角φ M
通风面积 S 切向应力τ 松散系数 k t
体积 V v 制动力 T 巷道通风摩擦系数α
座标摩擦力 F 渗透系数、安全系数 K 经距 Y 摩擦系数μ f 动力系数 K 纬距 X 温度弹性模量 E 标高 Z 温度 t 惯性矩 I 比例 M 华氏 ? 截面系数 W 方位角α 摄氏 ? 压强 P
表2
9、储量和采矿工程量的数值应与图形一致,数值计算应达到必要
的精度。
数值精度按表3规定执行。
计算数值到序号量的名称单位小数点后位数
1 巷道长度米;毫米 2;0
2 掘进体积立方米 2
3 矿石量吨;万吨 2;2
4 金属千克;吨;克拉 2;2;2
5 金属品位 , 2
6 废石量立方米;万立方米 2;2
米/万吨或米/千吨 1 7 掘采比立方米/万吨或立方米/千吨 1
吨/吨 1
8 剥采比立方米/立方米 1
立方米/吨 1
表3
10、标注点的坐标时,从该点引出一条线,引出位置必须清晰可见。
如图4所示。
线的上方为该点X轴坐标,线的下方为该点Y轴坐标。
图4
11、表示巷道、水沟、斜坡道坡度时,应将标注坡度的箭头指向下坡方向,箭头上方标注坡度数值,变坡处应标出变坡的界限。
12、巷道轨道曲线段的标注格式见图5。
图5
二、中深孔爆破设计制图
1、炮孔排面图采用A3出图,比例为1:500;炮孔断面图采用A4
出图,比例为1:200。
2、炮孔排面图中,炮孔排数采用阿拉伯数字表示,数字高度为2。
3、炮孔断面图中,炮孔序号采用阿拉伯数字表示,数字高度为4;
标注数字高度为4,箭头大小为2;炮孔采用0.6粗实线绘制;
右侧需绘制炮孔断面参数表格,规格见图5。
图5
三、采切工程设计制图
1、采切工程根据实际情况确定图幅尺寸,但必须符合制图总则1、
2条。
2、采切工程设计部分应采用虚线绘制。
四、巷道断面图
1、巷道断面图采用A4纸出图,比例为1:50。
2、巷道断面图中,标注文字高度为3,箭头大小为2;文字高度为
4。