电线电缆选型样本
- 格式:pdf
- 大小:1.63 MB
- 文档页数:35
YJV 0.6/1KV 交联聚乙烯绝缘聚氯乙烯护套电力电缆
YJV 10KV 交联电缆技术参数
35KV
额定电压Uo/U分为0.6/1kV、1.8/3kV、3.6/6kV、6/6kV、6/10kv、8.7/15kV、12/20kv、21/35kV、26/35kV。
①导体长期允许的最高工作温度为90℃,短路时(最长持续时间不超过5秒),电缆导体的最高温度不超过250℃;
③导体直流电阻符合GB3956的规定。
④敷设时的环境温度不低于0℃,低于0℃时应先加热。
最小弯曲半径不小于电缆外径的15倍。
⑤电缆敷设不受落差限制。
⑥工频耐电压试验:
Uo为3.6kV及以下电缆:2.5Uo+2kV/5min不击穿;Uo为3.6kv以上电缆:2.5Uo /5min不击穿。
⑦局部放电试验:
Uo为1.8kV及以上和18kV以下时1.5Uo下放电量不大于20pc;Uo为18kV以上,1.5Uo下放电量不大于10pC。
⑧阻燃特性:
阻燃电缆能经受GBl2666.5(1EC332-3)规定的成束燃烧试验。
低烟低卤阻燃电缆能经受GBl2666.5(1EC332-3)规定的成束燃烧试验,且燃烧时烟浓度应符合
GBl2666.7(1ECl034)的规定、燃烧析出气体中HCL含量应≤100mg/g,并符合IEC574-1的要求。
低烟无卤阻燃电缆能经受GBl2666.7(1EC332-3)规定的成束燃烧试验、且燃烧时的烟浓度应符合GBl2666.7(1ECl034)的规定,燃烧析出气体水溶液的PH值≥4.3,导电率≤10us/mm并符合IEC754-2的要求。
选用电线电缆的一般原则及其它注意事项一、电线电缆选用的一般原则在选用电线电缆时,一般要注意电线电缆型号、规格 (导体截面)的选择。
⒈电线电缆型号的选择选用电线电缆时,要考虑用途,敷设条件及安全性;例如:根据用途的不同,可选用电力电缆、架空绝缘电缆、控制电缆等;根据敷设条件的不同,可选用一般塑料绝缘电缆、钢带铠装电缆、钢丝铠装电缆、防腐电缆等;根据安全性要求,可选用阻燃电缆、无卤阻燃电缆、耐火电缆等。
⒉电线电缆规格的选择确定电线电缆的使用规格 (导体截面)时,一般应考虑发热,电压损失,经济电流密度,机械强度等选择条件。
根据经验,低压动力线因其负荷电流较大,故一般先按发热条件选择截面,然后验算其电压损失和机械强度;低压照明线因其对电压水平要求较高,可先按允许电压损失条件选择截面,再验算发热条件和机械强度;对高压线路,则先按经济电流密度选择截面,然后验算其发热条件和允许电压损失;而高压架空线路,还应验算其机械强度。
若用户没有经验,则应征询有关专业单位或人士的意见。
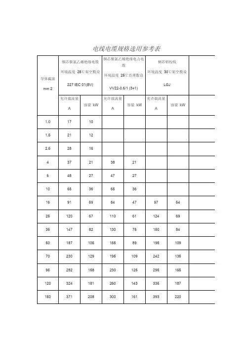
一般电线电缆规格的选用参见下表:电线电缆规格选用参考表1、同一规格铝芯导线载流量约为铜芯的0.7倍,选用铝芯导线可比铜芯导线大一个规格,交联聚乙烯绝缘可选用小一档规格,耐火电线电缆则应选较大规格。
2、本表计算容量是以三相380V、Cosφ=0.85为基准,若单相220V、Cosφ=0.85,容量则应× 1/3。
3、当环境温度较高或采用明敷方式等,其安全载流量都会下降,此时应选用较大规格;当用于頻繁起动电机时,应选用大2~3个规格。
4、本表聚氯乙烯绝缘电线按单根架空敷设方式计算,若为穿管或多根敷设,则应选用大2~3个规格。
5、以上数据仅供参考,最终设计和确定电缆的型号和规格应参照有关专业资料或电工手册。
二、电线电缆的使用特性产品使用特性详见具体产品介绍。
三、电线电缆的运输和保管⒈运输中严禁从高处扔下电缆或装有电缆的电缆盘,特别是在较低温度时 (一般为5℃左右及以下),扔、摔电缆将有可能导致绝缘、护套开裂。
电线电缆的选型及方法⒈电线电缆型号的选择选用电线电缆时,要考虑用途,敷设条件及安全性等;根据用途的不同,可选用电力电缆、架空绝缘电缆、控制电缆等;根据敷设条件的不同,可选用一般塑料绝缘电缆、钢带铠装电缆、钢丝铠装电缆、防腐电缆等;根据安全性要求,可选用阻燃电缆、无卤阻燃电缆、耐火电缆等。
⒉电线电缆规格的选择确定电线电缆的使用规格(导体截面)时,应考虑发热,电压损失,经济电流密度,机械强度等条件。
根据经验,低压动力线因其负荷电流较大,故一般先按发热条件选择截面,然后验算其电压损失和机械强度;低压照明线因其对电压水平要求较高,可先按允许电压损失条件选择截面,再验算发热条件和机械强度;对高压线路,则先按经济电流密度选择截面,然后验算其发热条件和允许电压损失;而高压架空线路,还应验算其机械强度。
若用户没有经验,则应征询有关专业单位或人士的意见。
一般电线电缆规格的选用参见下表:3、同一规格铝芯导线载流量约为铜芯的0.7倍,选用铝芯导线可比铜芯导线大一个规格,交联聚乙烯绝缘可选用小一档规格,耐火电线电缆则应选较大规格。
4、本表计算容量是以三相380V、Cosφ=0.85为基准,若单相220V、Cosφ=0.85,容量则应× 1/3。
3、当环境温度较高或采用明敷方式等,其安全载流量都会下降,此时应选用较大规格;当用于頻繁起动电机时,应选用大2~3个规格。
5、本表聚氯乙烯绝缘电线按单根架空敷设方式计算,若为穿管或多根敷设,则应选用大2~3个规格。
6、以上数据仅供参考,最终设计和确定电缆的型号和规格应参照有关专业资料或电工手册。
7.运输中严禁从高处扔下电缆或装有电缆的电缆盘,特别是在较低温度时(一般为5℃左右及以下),扔、摔电缆将有可能导致绝缘、护套开裂。
8.尽可能避免在露天以裸露方式存放电缆,电缆盘不允许平放。
9.吊装包装件时,严禁几盘同时吊装。
在车辆、船舶等运输工具上,电缆盘要用合适方法加以固定,防止互相碰撞或翻倒,以防止机械损伤电缆。
电缆选型参考表本文介绍了不同型号电缆的参数,供选型使用。
一、常规电缆的型号、名称及用途带着诚意和远山交个朋友广告二、特种电缆的型号、名称及用途注: 1. X-表示常规的电缆型号。
展开剩余93%2. 特种电缆型号表示方法是在常规电缆型号前加特种电缆的表示符号。
例:特种电缆低烟无卤阻燃交联聚乙烯绝缘电力电缆,就表示为WDZR-YJV。
三、电缆的生产范围及结构尺寸10.6/1kV 聚氯乙烯绝缘阻燃和非阻燃电力电缆结构尺寸及载流量1、0.6/1kV 单芯聚氯乙烯绝缘聚氯乙烯护套电力电缆2、0.6/1kV 2芯聚氯乙烯绝缘聚氯乙烯护套电力电缆及钢带铠装电力电缆3、0.6/1kV 3芯聚氯乙烯绝缘聚氯乙烯护套电力电缆及钢带铠装电力电缆4、0.6/1kV 4芯聚氯乙烯绝缘聚氯乙烯护套电力电缆及钢带铠装电力电缆5、0.6/1kV 5芯聚氯乙烯绝缘聚氯乙烯护套电力电缆及钢带铠装电力电缆6、0.6/1kV (3+1)芯聚氯乙烯绝缘聚氯乙烯护套电力电缆及钢带铠装电力电缆7、0.6/1kV (3+2)芯聚氯乙烯绝缘聚氯乙烯护套电力电缆及钢带铠装电力电缆8、0.6/1kV (4+1)芯聚氯乙烯绝缘聚氯乙烯护套电力电缆及钢带铠装电力电缆20.6/1kV 交联聚乙烯绝缘电力电缆结构尺寸及载流量1、0.6/1kV 单芯交联聚乙烯绝缘聚氯乙烯/聚乙烯护套电力电缆2、0.6/1kV 2 芯交联聚乙烯绝缘聚氯乙烯/聚乙烯护套电力电缆及钢带铠装电力电缆3、0.6/1kV 3 芯交联聚乙烯绝缘聚氯乙烯/聚乙烯护套电力电缆和钢带铠装电力电缆4、0.6/1kV 4 芯交联聚乙烯绝缘聚氯乙烯/聚乙烯护套电力电缆和钢带铠装电力电缆5、0.6/1kV 5 芯交联聚乙烯绝缘聚氯乙烯/聚乙烯护套电力电缆和钢带铠装电力电缆6、0.6/1kV (3+1)芯交联聚乙烯绝缘聚氯乙烯/聚乙烯护套电力电缆和钢带铠装电力电缆7、0.6/1kV (3+2)芯交联聚乙烯绝缘聚氯乙烯/聚乙烯护套电力电缆和钢带铠装电力电缆8、0.6/1kV (4+1)芯交联聚乙烯绝缘聚氯乙烯/聚乙烯护套电力电缆和钢带铠装电力电缆3塑料绝缘控制电缆结构1、电缆的绝缘厚度2、聚氯乙烯绝缘聚氯乙烯护套控制电缆3、聚氯乙烯绝缘钢带铠装聚氯乙烯护套控制电缆四、电缆的主要性能1导体的直流电阻2交流电压试验2.1 电力电缆应经受下表中对应的工频试验电压5min 不击穿;其中U0 为6~8.7kV电缆试验电压按IEC60502 从2.5U0提高到3.5U0;额定电压26/35(26/45)kV 电缆按IEC60840 应经受工频65kV/30min 不击穿。
=====电力电缆=====电缆的额定电压、标称截面及芯数电缆结构尺寸及主要技术参数0.6/1KV单芯交联聚乙烯绝缘聚氯乙烯护套电力电缆0.6/1KV二芯交联聚乙烯绝缘聚氯乙烯护套电力电缆0.6/1KV三芯交联聚乙烯绝缘聚氯乙烯护套电力电缆0.6/1KV三芯交联聚乙烯绝缘聚氯乙烯护套电力电缆0.6/1KV三芯交联聚乙烯绝缘聚氯乙烯护套电力电缆0.6/1KV四芯交联聚乙烯绝缘聚氯乙烯护套电力电缆0.6/1KV(3+1)芯交联聚乙烯绝缘聚氯乙烯护套电力电缆0.6/1KV(3+2)芯交联聚乙烯绝缘聚氯乙烯护套电力电缆0.6/1KV5(4+1)芯交联聚乙烯绝缘聚氯乙烯护套电力电缆0.6/1KV五芯交联聚乙烯绝缘聚氯乙烯护套电力电缆0.6/1KV二芯交联聚乙烯绝缘钢带铠装聚氯乙烯护套电力电缆0.6/1KV三芯交联聚乙烯绝缘钢带铠装聚氯乙烯护套电力电缆0.6/1KV四芯交联聚乙烯绝缘钢带铠装聚氯乙烯护套电力电缆0.6/1KV四(3+1)芯交联聚乙烯绝缘钢带铠装聚氯乙烯护套电力电缆0.6/1KV五(3+2)芯交联聚乙烯绝缘钢带铠装聚氯乙烯护套电力电缆0.6/1KV五芯(4+1)交联聚乙烯绝缘钢带铠装聚氯乙烯护套电力电缆0.6/1KV五芯交联聚乙烯绝缘钢带铠装聚氯乙烯护套电力电缆3.6/6KV单芯交联聚乙烯绝缘聚氯乙烯护套电力电缆6/6KV,6/10KV单芯交联聚乙烯绝缘聚氯乙烯护套电力电缆8.7/10KV,8.7/15KV单芯交联聚乙烯绝缘聚氯乙烯护套电力电缆12/20KV单芯交联聚乙烯绝缘聚氯乙烯护套电力电缆18/20KV单芯交联聚乙烯绝缘聚氯乙烯护套电力电缆21/35KV单芯交联聚乙烯绝缘聚氯乙烯护套电力电缆26/35KV单芯交联聚乙烯绝缘聚氯乙烯护套电力电缆3.6/6KV三芯交联聚乙烯绝缘聚氯乙烯护套电力电缆8.7/10KV,8.7/15KV三芯交联聚乙烯绝缘聚氯乙烯护套电力电缆12/20KV三芯交联聚乙烯绝缘聚氯乙烯护套电力电缆26/35KV三芯交联聚乙烯绝缘聚氯乙烯护套电力电缆3.6/6KV三芯交联聚乙烯绝缘钢带铠装聚氯乙烯护套电力电缆6/6KV,6/10KV三芯交联聚乙烯绝缘钢带铠装聚氯乙烯护套电力电缆8.7/10KV,8.7/15KV三芯交联聚乙烯绝缘钢带铠装聚氯乙烯护套电力电缆12/20KV三芯交联聚乙烯绝缘钢带铠装聚氯乙烯护套电力电缆21/35KV三芯交联聚乙烯绝缘钢带铠装聚氯乙烯护套电力电缆26/35KV三芯交联聚乙烯绝缘钢带铠装聚氯乙烯护套电力电缆交货长度电缆交货长度不小于100m,允许长度不小于30m的短电缆交货,其长度不超过交货总长度的10%,根据双方协议允许任何长度的电缆交货。
=====电力电缆=====电缆的额定电压、标称截面及芯数电缆结构尺寸及主要技术参数0.6/1KV单芯交联聚乙烯绝缘聚氯乙烯护套电力电缆0.6/1KV五芯交联聚乙烯绝缘聚氯乙烯护套电力电缆电缆缆0.6/1KV五芯(4+1)交联聚乙烯绝缘钢带铠装聚氯乙烯护套电力电缆0.6/1KV五芯交联聚乙烯绝缘钢带铠装聚氯乙烯护套电力电缆3.6/6KV单芯交联聚乙烯绝缘聚氯乙烯护套电力电缆6/6KV,6/10KV单芯交联聚乙烯绝缘聚氯乙烯护套电力电缆8.7/10KV,8.7/15KV单芯交联聚乙烯绝缘聚氯乙烯护套电力电缆12/20KV单芯交联聚乙烯绝缘聚氯乙烯护套电力电缆18/20KV单芯交联聚乙烯绝缘聚氯乙烯护套电力电缆21/35KV单芯交联聚乙烯绝缘聚氯乙烯护套电力电缆26/35KV单芯交联聚乙烯绝缘聚氯乙烯护套电力电缆3.6/6KV三芯交联聚乙烯绝缘聚氯乙烯护套电力电缆8.7/10KV,8.7/15KV三芯交联聚乙烯绝缘聚氯乙烯护套电力电缆3.6/6KV三芯交联聚乙烯绝缘钢带铠装聚氯乙烯护套电力电缆缆电力电缆21/35KV三芯交联聚乙烯绝缘钢带铠装聚氯乙烯护套电力电缆26/35KV三芯交联聚乙烯绝缘钢带铠装聚氯乙烯护套电力电缆交货长度电缆交货长度不小于100m,允许长度不小于30m的短电缆交货,其长度不超过交货总长度的10%,根据双方协议允许任何长度的电缆交货。
长度计量误差为±0.5%。
0.6/1KV聚氯已烯绝缘电力电缆电缆近似外径及近似量单芯聚乙烯绝缘及护套电力电缆(0.6/1KV)4(3+1)芯聚乙烯绝缘及护套电力电缆(0.6/1KV)电缆结构尺寸。
常规电缆的型号、名称及用途■常规电缆的型号、名称及用途1VV VLV VY VLY聚氯乙烯绝缘聚氯乙烯/聚乙烯护套电力电缆敷设在室内、隧道及管道中,电缆不能承受机械外力作用VV22 VLV22 VV23 VLV23聚氯乙烯绝缘聚氯乙烯/聚乙烯护套钢带铠装电力电缆敷设在室内、隧道内直埋土壤,电缆能承受机械外力作用VV32 VLV32 VV33 VLV33VV42 VLV42 VV43 VLV43聚氯乙烯绝缘聚氯乙烯/聚乙烯护套钢丝铠装电力电缆敷设在高落差地区,电缆能承受机械外力作用及相当的拉力2YJV YJLV YJY YJLY交联聚乙烯绝缘聚氯乙烯/聚乙烯护套电力电缆敷设在室内、隧道及管道中,电缆不能承受机械外力作用YJV22 YJLV22 YJV23 YJLV23交联聚乙烯绝缘聚氯乙烯/聚乙烯护套钢带铠装电力电缆敷设在室内、隧道内直埋土壤,电缆能承受机械外力作用YJV32 YJLV32 YJV33 YJLV33YJV42 YJLV42 YJV43 YJLV43交联聚乙烯绝缘聚氯乙烯/聚乙烯护套钢丝铠装电力电缆敷设在高落差地区,电缆能承受机械外力作用及相当的拉力3KVV KVVR KVY KVYR聚氯乙烯绝缘聚氯乙烯/聚乙烯护套控制电缆敷设在室内、电缆沟、管道内及地下KVV22 KVV23聚氯乙烯绝缘聚氯乙烯/聚乙烯护套钢带铠装控制电缆敷设在室内、电缆沟、管道内及地下,电缆能承受机械外力作用KVVP KVVP2 KVVRP聚氯乙烯绝缘聚氯乙烯护套铜带/铜丝编织屏蔽控制电缆敷设在室内、电缆沟、管道内及地下,电缆具有防干扰能力KYJV KYJVR KYJY KYJYR交联聚乙烯绝缘聚氯乙烯/聚乙烯护套控制电缆敷设在室内、电缆沟、管道内及地下KYJV22 KYJV23交联聚乙烯绝缘聚氯乙烯/聚乙烯护套钢带铠装控制电缆敷设在室内、电缆沟、管道内及地下,电缆能承受机械外力作用KYJVP KYJYP2 KYJYRP交联聚乙烯绝缘聚氯乙烯/聚乙烯护套铜带/铜丝编织屏蔽控制电缆敷设在室内、电缆沟、管道内及地下,电缆具有防干扰能力4 JKV JKLV JKY JKLY JKYJJKLYJ聚氯乙烯/聚乙烯/交联聚乙烯绝缘架空电缆用于架空电力传输等场所JKTRYJ 软铜芯交联聚乙烯绝缘架空电缆用于变压器引下线JKLYJ/Q 交联聚乙烯绝缘轻型架空电缆用于架空电力传输等场所JKLGYJ JKLGYJ/Q钢芯铝绞线交联聚乙烯绝缘架空电缆用于架空电力传输等场所,并能承受相当的拉力5 LJ LGJ 铝绞线及钢芯铝绞线用于架空固定敷设6227IEC01(BV)227IEC002(RV) 227IEC05(BV) 227IEC06(RV)227IEC07(BV—90)227IEC08(RV—90)227IEC10(BVV)227IEC52(RVV)227IEC53(RVV) BLV BVRBVV BLVV BVVB BLVVB聚氯乙烯绝缘电线用于室内布线特种电缆的型号、名称及用途1 ZR-X 阻燃电缆敷设在对阻燃有要求的场所,GZR电缆敷设在阻燃要求特别高的场所2 GZR-X 隔氧层阻燃电缆3 WDZR-X 低烟无卤阻燃电缆敷设在对低烟无卤和阻燃有要求的场所,GWDZR电缆敷设在要求低烟无卤阻燃性能特别高的场所4 GWDZR-X 隔氧层低烟无卤阻燃电缆5 NH—X 耐火电缆敷设在对耐火有要求的室内、隧道及管道中,GNH电缆除耐火外要求高阻燃的场所6 GNH—X 隔氧层耐火电缆7 WDNH—X 低烟无卤耐火电缆敷设在有低烟无卤耐火要求的室内、隧道及管道中,GWDNH电缆除低烟无卤耐火特性要求外,对阻燃性能有更高要求的场所8 GWDNH-X 隔氧层低烟无卤耐火电缆9 FS-X 防水电缆敷设在地下水位常年较高,对防水有较高要求的地区10 H—X 耐寒电缆敷设在环境温度常年较低,对抗低温有较高要求的地区11 FYS—X 环保型防白蚁、防鼠电缆用于白蚁和鼠害严重地区以及有阻燃要求地区的电力电缆、控制电缆12 FYSZR—X 环保型防白蚁、防鼠阻燃电缆注: 1。
电线电缆规格选用参考表21平方毫米铜电源线的安全载流量--17A。
1.5平方毫米铜电源线的安全载流量--21A。
2.5平方毫米铜电源线的安全载流量--28A。
4平方毫米铜电源线的安全载流量--35A 。
6平方毫米铜电源线的安全载流量--48A 。
10平方毫米铜电源线的安全载流量--65A。
16平方毫米铜电源线的安全载流量--91A 。
25平方毫米铜电源线的安全载流量--120A。
单相负荷按每千瓦4.5A(COS&=1),计算出电流后再选导线.10平方铜电线家庭安全使用标准是:如果是暗装取5A/平方.明装7A/平方.那么10平方铜电线明装通过电流为70A在220V电压下可带功率为:15KW;暗装时也只有11KW了这是由于线路敷设在墙里影响了线路的散热工程上粗略计算方法是平方数的5倍,但是越细的越允许高一些,记得当年考电工的题目,不同的电缆允许最大电流为:4平方毫米36A、6平方毫米46A、10平方毫米64A、16平方毫米85A、25平方毫米113A、35平方毫米138A、50平方毫米173A、70平方毫米215A、给电缆截面的选取根据电流来选截面1.用途各种导线的截流量(安全用电)通常可以从手册中查找。
但利用口诀再配合一些简单的心算,便可直接算出,不必查表。
导线的截流量与导线的截面有关,也与导线的材料(铝或铜)、型号(绝缘线或裸线等)、敷设方法(明敷或穿管等)以及环境温度(25℃左右或更大)等有关,影响的因素较多,计算也较复杂。
2.口诀铝心绝缘线截流量与截面的倍数关系: S(截面)=0.785*D(直径)的平方10下5,100上二,25、35,四三界,70、95,两倍半。
①穿管、温度,八九折。
②裸线加一半。
③铜线升级算。
④3.说明口诀是以铝芯绝缘线、明敷在环境温度25℃的条件为准。
若条件不同,口诀另有说明。
绝缘线包括各种型号的橡皮绝缘线或塑料绝缘线。
口诀对各种截面的截流量(电流,安)不是直接指出,而是用“截面乘上一定倍数”来表示。