外墙劈开砖技术标准
- 格式:doc
- 大小:31.50 KB
- 文档页数:9
浅谈劈开式外墙饰面砖施工要点(高级工程师薛增玉)外墙面砖是指用于建筑物外墙的瓷质或炻质装饰砖,有施釉和不施釉之分,具有不同的质感和颜色。
它不仅可以保护建筑物的外墙表面不被大气侵蚀,而且可使建筑物整体美观。
劈开式无釉挤压陶瓷砖风格独特、表面粗犷。
针对该饰面砖特点,如何做好施工,确保良好的铺贴效果,是我们必须了解和重视的问题。
本文对此谈一些粗浅认识。
一、主要技术性能1.尺寸偏差2.外观质量外观完好,表面呈凹凸状,至少有95%的砖主要区域无明显缺陷。
(表面起装饰作用的麻面,凸起等不算作缺陷;产品背面不允许有影响使用效果的缺陷,如劈离不齐,肋条残留等。
)3.物理性能1)吸水率:平均值3.0%<E≤6.0%;单个值≤6.5%。
2)破坏强度:厚度≥7.5mm破坏强度平均值不小于950N。
厚度<7.5mm破坏强度平均值不小于600N。
3)断裂模数:平均值≥20 N/mm2;单个值≥18 N/mm2。
4)抗热震性、抗冻性能:经试验后报告结果无裂纹。
5)耐磨性:无釉砖体积磨损不超过393mm3。
6)耐化学腐蚀性(A)耐酸性:3%HCl溶液浸12d后检验分级。
(B)耐碱性:30g/L KOH溶液浸12d后检验分级。
二、工具及辅助材料选用1.常用工具:切割机、灰匙、水平尺、方尺、橡皮锤子、墨斗、笤帚、铁抹子、钢丝刷、橡胶片、海绵等。
2.辅助材料:325#以上普通硅酸盐水泥加以筛网滤过的细砂(比例1:1);或选用专用胶粘剂及勾缝剂。
三、粘贴工艺流程面砖粘贴可按下列工艺流程施工:四、技术要点1.基体检查为了保证饰面砖的平整、垂直,施工前要对墙面基层的平整度、垂直度及空鼓、裂纹等进行严格检查,必须符合规范要求。
2.基层处理施工前请用钢刷、扫把等清除墙体表面的浮灰、杂物等,平滑的墙体要加工成粗糙的面状后再施工。
在施工的前一天用水湿润施工面,次日施工前再喷湿一次,以增加产品铺贴后的粘附强度。
3.放线、排砖按照铺贴设计要求和施工样板,在干燥的找平层上进行放线、排砖,并按砖的实际规格弹出分格线,确定砖与砖的灰缝距离(建议留缝在8~10mm左右),排砖宜使用整砖,对必须使用非整砖的部位,非整砖宽度不宜小于整砖宽度的1/3。
外墙砖、涂料及外墙保温技术要求一、招标技术要求1外墙砖(参照图集:F1-1M)1.1外墙砖材料:陶土劈开砖,尺寸:145*45*12mm1.2采用陶土砖专用粘合剂粘贴,粘结砂浆厚度为3~5mm,缝宽5mm,采用专用陶土砖勾缝剂,在砖粘贴完2~3天后进行勾缝,先填缝待2~3小时后在压缝。
2外墙保温(参照图集:10BJ2-11,外墙F1-1、F1-1M)2.1外墙保温材料:夹芯岩棉保温板,板厚80mm。
2.2工艺:保温板与墙体固定采用粘结砂浆错缝条粘,胀栓@400固定,外侧挂耐碱挂塑网格布抹3~5mm的抗裂砂浆。
装饰面层为贴砖或涂料。
2.3细部:女儿墙、檐口、挑板、线脚、勒脚、窗井及进排风道等部位均应采取断桥保温措施,做法见10BJ2-11建筑外保温(防火)。
窗外侧四周均做保温处理(报价含在外墙综合单价中,结算时不另行计算工程量及结算价)。
2.4墙身变形缝处保温构造见88J2-10补3(费用含在外墙夹芯岩棉保温板综合单价中,结算时不计入结算工程量及结算价)。
2.5接触室外空气的楼板保温参见10BJ2-11棚温4改,50厚硬泡聚氨酯加8厚无机防火砂浆(要求燃烧性能达到A级),施工部位与项目技术部沟通,如施工中有此保温项按此项投标报价结算。
2.6 30mm厚胶胶粉聚苯颗粒保温(如施工中此项投标人施工,按报价计算,但必须满足以上招标结算要求的内容)。
3.外墙涂料(参照图集:10BJ2-11,外墙F1-1)3.1白色外墙涂料(光面),报价时提供样品两块,按提供样板报价。
待甲方确定样品后,各投标单价按确认样品进行报价。
(注明涂料种类及工艺做法)。
3.2涂料施工前要对墙面基层进行处理,材料为柔性耐水腻子,满刮2—3遍。
4.变形缝4.1外墙变形缝做法参见88jz3 14页3a 外墙面(SER1橡胶嵌平型)橡胶密封条颜色同面砖。
4.2屋面变形缝做法参见2~6#楼建筑图纸E2-20第13节点详图。
5.室外花池外装饰石材安装施工5.1抹灰层以外的施工做法包括:龙骨安装、石材安装等为投标人施工范围,做法见附图1二、招标报价要求1.甲供材料:陶土劈开砖、专用粘结砂浆及勾缝剂、外墙涂料、花池石材。
D型房外墙劈开砖技术交底一、施工控制要点1.排砖在阳角砖、窗套周围排砖固定后,再排其余部位。
2.镶贴原则每一大面基本色调统一协调,排砖合理,颜色搭配详见交底第五点:节点说明。
3.确定抹灰厚度结构施工完成后,实量砖墙垂直度,根据每立面砖数计算抹灰厚度,每个立面、每栋都要做这项工作。
4.装饰线抹灰在贴砖前完成,与面砖同步施工.5.砖缝为8~10mm,窗套与墙面交接处缝宽15mm.6.结构施工误差在转角及不明显部位调整.7.为保证墙面面砖完整美观,贴完面砖后再安装雨水管。
二、准备工作(一)施工材料砖:长条砖规格 :240*60*10mm颜色 :深红色、浅红色;深米色、浅米色。
转角砖(168+50)*60*10mm颜色 :深红色、浅红色;深米色、浅米色。
粘接砂浆:采用1:2水泥砂浆,水泥为425#普通硅酸盐水泥。
粘贴前粘贴面要求进行界面处理,要求采用TC-1胶对界面进行界面处理。
粘贴砂浆要求使用8407胶(中建局科研所产品),使用时严禁掺水,掺量调整依据便于操作的稠度原则,若冬季施工要求使用防冻型TC-1粘接剂(二期B工程冬施施工要求)1、防冻剂掺量及施工方法1)冬施期间,镶贴砂浆采用TC-1防冻粘结剂和425#普通硅酸盐水泥,提高结合强度。
配合比:TC-1(D)型防冻粘结剂:水泥:砂子=1:2:(4~6)重量比:1:2.5水泥砂浆中掺水泥重的40%的防冻粘结剂。
(粘稠度依据便于操作的原则要求)2)砂浆中禁止加水,以防受冻。
3)砂为干砂,在使用前进行充分晾晒,不得含有水分和冰碴。
此项工作现在就可进行,晒完后将其袋装以便备用。
4)粘贴前,基层表面先刷一遍防冻剂,粘贴砂浆厚度为3~4mm。
5)使用前防冻剂搅拌均匀,砂浆一次不宜配置过多,且不宜过夜使用。
6)勾缝砂浆采用FX-122III型防冻剂调和的1:1水泥砂浆,掺量为水泥重量的4%。
7)镶贴面砖前,外架迎风面用彩条布封闭,面砖镶贴后用塑料布固定于墙面,以防受冻。
劈开砖参数一、什么是劈开砖?劈开砖,又称为切割砖、剖面砖,是一种特殊形态的建筑材料。
它的特点是呈现出一个平面切割面,可以用于墙体、地面和屋顶等部位的装饰。
二、劈开砖的参数1. 尺寸劈开砖的尺寸通常为长方形或正方形,常见规格有200×50mm、240×60mm、300×60mm等。
根据实际需要,可以定制不同规格和尺寸的劈开砖。
2. 厚度劈开砖的厚度通常在15~30mm之间。
厚度越大,强度越高,但同时也增加了重量和成本。
3. 颜色劈开砖的颜色可以根据需要进行定制。
常见颜色有红色、黄色、棕色、灰色等。
4. 材质劈开砖材质多样,包括天然岩石、人造岩石、陶土等。
其中天然岩石是最常见的材质之一,如花岗岩、大理岩等。
5. 表面处理方式劈开砖表面处理方式包括磨光、烧面、喷砂等。
不同的处理方式可以呈现出不同的质感和效果。
三、劈开砖的应用1. 墙体装饰劈开砖可以用于室内和室外墙体的装饰。
其平面切割面呈现出自然的纹理和色彩,使墙体具有良好的质感和视觉效果。
2. 地面铺装劈开砖可以用于室内和室外地面的铺装。
其平整表面和自然纹理可以营造出舒适自然的氛围,同时也具有防滑、耐磨等特点。
3. 屋顶覆盖劈开砖可以用于屋顶覆盖,其自然纹理和色彩可以与周围环境融为一体,营造出自然美感。
4. 其他应用劈开砖还可以用于花坛、水池等建筑物的装饰,以及景观设计中的各种场景营造。
四、如何选择合适的劈开砖?1. 根据使用环境选择材质在选择劈开砖时需要根据使用环境选择材质。
如果是室外环境,建议选择天然岩石材质,具有更好的耐久性和抗风化能力;如果是室内环境,可以选择人造岩石或陶土材质。
2. 根据颜色和纹理选择在选择劈开砖时需要根据颜色和纹理进行选择。
如果需要营造自然的氛围,可以选择天然岩石材质,并根据实际需要选择不同颜色和纹理;如果需要营造现代感,可以选择人造岩石或陶土材质,并根据实际需要选择不同颜色和纹理。
3. 根据尺寸和厚度选择在选择劈开砖时需要根据尺寸和厚度进行选择。
保温材料性能指标岩棉板的性能指标:抗拉强度等级TR80(垂直于表面的抗拉强度≥80kpa)24小时吸水量≤1.0kg/m2 酸度系数≥1.6 导热系数≤0.048 W/m.K尺寸稳定性≤1.0% 压缩强度≥40kpa燃烧等级为A级(不燃)真石漆材料性能指标腻子性能指标:底漆性能指标:真石漆涂料性能指标:罩面漆性能指标:劈开砖性能指标:1)吸水率≤6%;砖平整方正,厚度一致,至少95%的砖主要区域无明显缺陷。
2)破坏强度:厚度≥7.5mm 平均不小于950N;厚度<7.5mm 平均不小于600N。
3)面砖断裂模数平均值不小于20 MPa,单个值不小于18 MPa。
4)色差:距离砖面3m处目测不明显(或双方约定2m站立目测无色差),窑变砖允许存在色差,但需经万创确认。
5)颜色稳定性:500W汞弧灯照射28天,不褪色。
石材性能指标:1、尺寸允许偏差应符合表1规定表1 单位:mm注:拼缝板材正面与侧面的夹角不得大于90°2、各项物理性能指标天然建筑板材的物理性能应符合表2的规定。
表2外墙保温施工要求1、EPS板保温层施工相关要求2.1基层墙体处理2.2.1彻底清除墙体表面的油、灰尘、污垢、脱模剂、风化物等影响粘结强度的材料。
2.2.2基层找平:用1:3水泥砂浆找平,表面不压光。
用2m靠尺检查最大偏差应小于4mm,并保证无空鼓、脱层和裂缝等缺陷。
2.2保温层施工2.3.1苯板施工前,须用界面剂在粘贴一侧满刷一遍做界面处理,刷好界面剂的应在三小时内用完,超过4小时应重刷一次。
2.3.2门窗洞口粘贴苯板时,门窗口外上下应挂通线,苯板打满胶粘结,如有高出部分用打磨工具将保温板打磨平整,使上下窗口在一条直线上。
2.3安装固定件2.3.1苯板粘结牢固后,一般在24小时以后安装固定件。
2.3.2固定件个数涂料饰面每m2约6个;注:造型复杂的建筑,可根据实际情况适当增加固定件数量。
每块大于0.1 m2的苯板上至少有一个锚栓。
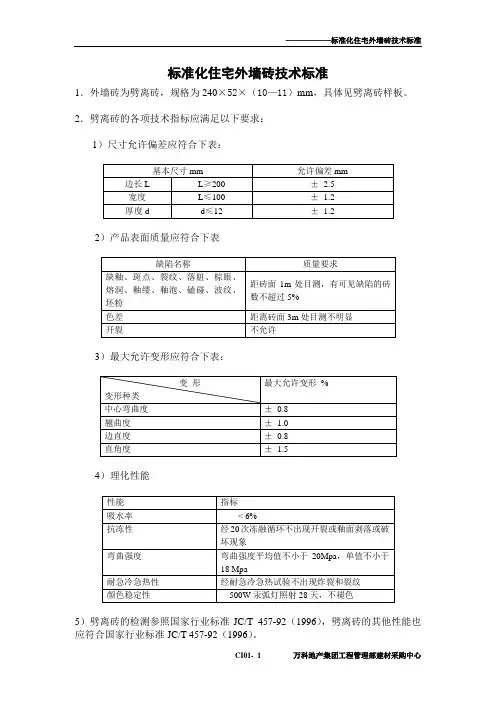
标准化住宅外墙砖技术标准
1.外墙砖为劈离砖,规格为240×52×(10—11)mm,具体见劈离砖样板。
2.劈离砖的各项技术指标应满足以下要求:
1)尺寸允许偏差应符合下表:
2)产品表面质量应符合下表
3)最大允许变形应符合下表:
)理化性能
4
外墙劈离砖技术要求一
外墙劈离砖的各项技术指标应满足以下要求:
一、标准
劈离砖的检测参照中华人民共和国建材行业标准JC/T 457-92(1996),劈离砖的其他性能也应符合中华人民共和国建材行业标准JC/T 457-92(1996)。
1
2
二、特殊指标要求
1、对应JC/T 457-92(1996)标准4.1“尺寸允许偏差”指标,万科要求如下表:
2、对应JC/T 457-92(1996)标准4.2“表面质量”指标,万科要求符合一级品
标准。
外墙劈离砖技术要求二
外墙劈离砖的各项技术指标应满足以下要求:
二、标准
劈离砖的检测参照中华人民共和国建材行业标准JC/T 457.4-2002,劈离砖的其他性能也应符合中华人民共和国建材行业标准JC/T 457.4-2002。
二、特殊指标要求
3、对应JC/T 457.4-2002标准3.1.1“产品规格”指标,万科要求符合精细标准。
4、对应JC/T 457.4-2002标准3.1.3“边直度、直角度和表面平整度”指标,万
科要求符合精细标准。
劈开砖外墙施工方案一、引言劈开砖是一种常见的施工方法,主要应用于外墙改造、装修等场景。
本文将介绍劈开砖外墙施工的具体方案及操作步骤。
二、施工准备在开始施工之前,需要进行以下准备工作:1. 安全措施在施工现场设置安全警示标志,并根据实际情况采取必要的安全措施,如戴好安全帽、穿好防护服等。
2. 工具与材料准备•电锤:用于劈开砖的工具,在选择电锤时应确保其质量可靠、操作灵活方便。
•手锤:用于精修墙体开裂的工具,一般情况下,手锤用于对劈开的砖进行整理和修整。
•平头锤:用于敲击砖头,清理掉砖的碎片与粉尘。
•墙刀:用于将砖迅速劈开。
•眼镜和口罩:保护施工人员的安全。
•砖钳:用于拔除劈开或劈裂的砖块。
3. 现场清理在施工现场进行彻底的清理,将墙面上的灰尘、污渍等清除干净。
确保环境整洁,避免对施工过程造成影响。
三、施工步骤1. 标线首先,根据需要劈开的位置,在墙面上进行标线。
可以使用水平仪和铅笔进行标记,确保标线的准确性。
2. 钻孔使用电锤,按照标线进行钻孔。
钻孔的深度可以根据墙体的情况来确定,一般要深入墙体内部10至15厘米。
3. 劈开砖钻孔完成后,使用墙刀将砖劈开。
在劈砖的过程中,应确保劈砖的方向和标线一致,并避免对墙体产生过大的冲击力,以免造成墙体开裂。
4. 整理和修整劈开砖后,使用手锤进行整理和修整。
将砖块的边缘擦拭干净,确保砖块的平整度和美观度。
5. 清理并拔除砖块清理墙面上的碎片和粉尘,并使用砖钳拔除劈开或劈裂的砖块。
确保墙面整洁,并且不影响下一步的施工。
6. 后续处理劈开砖后,可以根据需要进行后续处理。
可以进行粉刷、贴砖或其他装饰工作,以达到预期的效果。
四、注意事项1. 安全第一在施工过程中,一定要注意安全。
佩戴好安全帽、手套、口罩等个人防护装备,避免施工过程中发生意外。
2. 考虑墙体结构在进行劈开砖施工之前,需要考虑墙体的结构,并根据实际情况选择合适的工具和方法进行施工。
3. 施工顺序施工时,应按照严格的顺序进行操作,确保每一步工序的质量和准确性。
劈开砖施工方法
第一步:底层处理:建筑物表面一般采用1:3水泥沙浆打底找平。
厚度不小于10—15mm,镶贴时应清除混凝土表面疏松、麻面、蜂窝及其他玷污物,并洒水湿润。
第二步:划线:根据设计铺贴纹样的要求,确定排砖的方案,在找平层上弹(或划)出墙砖铺贴位置及砖缝位置线。
砖缝宽度一般为10-12mm为宜.ﻫ第三步:镶贴:用1:1—2水泥砂浆,砂浆中可适量加入107胶水,增加粘结强度,均匀涂满背面特别是燕尾槽处,也可用专用外墙砖粘结剂,效果更好,镶贴时注意毛纹应向下,对准线随即贴上、拍平。
第四步:勾缝:可以根据设计要求,配置相应颜色的水泥砂浆,也可用专用嵌缝剂,勾缝厚度应不少于面砖厚度的三分之二,灰缝一定要勾严密,并不要将砂浆溢到砖面,更不可以用刷帚掸缝。
ﻫ第五步:清洁:铺贴时,随时将污染物清除,切忌弄脏砖面,如仍有少量砂浆粘附毛面,可用钢丝刷轻轻刷除,污染物即随着毛面细微砂粒一起刷除.
常用规格:
产品技术标准(拉毛砖、手工砖)
劈开砖面使用方法(供参考):
劈开砖面砖技术标准:。
【 tips 】本文由李雪梅老师精心收编整理,同学们定要好好复习!外墙劈开砖、涂料施工工艺标准外墙劈开砖施工工艺标准一、工艺流程1、合用范围外墙劈开砖采纳专用粘结剂及勾缝剂施工。
2、工艺流程样板确认弹线分格排砖浸砖贴劈开砖保养劈开砖勾缝冲洗。
3、样板确认外墙面砖施工前,需做一层的施工样板(含勾缝及冲洗),请技术部查收外墙面砖成效及各部位面砖摆列方式、粘贴要求等。
现场制作施工样板,以确立施工质量要求。
4、弹分格线为控制砖缝水平度、垂直度及宽度,贴砖前,需在墙面上弹出水平线、垂直线。
5、排砖在抹灰前,需要对每个面进行排砖,以确立抹灰厚度,贴砖时,应再次确认排砖状况,免得贴砖与抹灰厚度不一样,门窗洞口排砖应保证对称,半砖应尽量排到阴角处,小于1/3 块砖长的砖不得使用,阳角部位采纳磨角拼接。
6、浸砖劈离砖铺贴前应在清水中浸透(一般 1 小时左右),拿出晾干其表面不可以有流动水(一般0.5 小时左右)方能铺贴。
7、贴砖采纳专用粘接剂粘贴,先在墙面上刮一层贴粘接,约 1 个平方,而后将粘接胶浆刮在劈开砖反面,再将面砖贴在墙上,粘接胶浆厚度6~8mm,用靠尺经过标准点调整平面垂直度。
而后实时用海绵湿水拧干擦洁净砖面剩余的胶浆。
为了保持砖面的洁净,铺贴次序宜为从上至下铺贴。
粘贴时应注意砖缝平均、水平、垂直。
阳角部位采纳磨角拼接,以保证阳角顺直。
窗台、线条、女儿墙压顶等应知足排水要求。
劈开砖表面塑料纸应在冲洗达成后揭掉。
8、保养贴砖达成 12 小时后,应浇水保养 3 天。
9、勾缝粘贴达成 24 小时后,先前检查劈离砖能否粘贴坚固,并整改完成。
再采纳专用勾缝剂勾缝。
采纳胶枪喂缝,先勾水平缝,再勾垂直缝,勾好后要求凹进砖表面2-3mm。
尽量防止填缝资料弄赃砖面,若发生,马上用洁净布或海绵湿水擦抹洁净。
勾缝达成后浇水保养 2 天。
10、冲洗冲洗前先检查灰缝有无开裂,若遇开裂实时修理。
填缝竣工后 15~24 小时(详细可依据当时的天气而定),且砖粘结到必定强度后,用清水从上至下全面洗刷砖面直至洁净为止。
11劈开砖(一) 劈开砖主要施工工艺做法图参考序号施工工艺流程重要工艺工法1 施工准备抹底子灰应确保窗台、腰线、檐口、雨篷等部位的流水坡度;2 弹线结合图纸及现场情况弹线保证模数3 分模数在抹好的底子灰上,按排砖大样图和水平、垂直控制线弹出模数线,根据模数调整抹灰厚度;4 排砖根据深化设计图和实际尺寸,结合面砖规格进行现场排砖,排砖时水平缝应与门窗口平齐,竖向应使各阳角和门窗口处为整砖;同一墙面上的横、竖排列,不应有一行以上的非整砖,非整砖行应排在不明显处,即阴角或次要部位,且不宜小于 1/2整砖或50mm,通常用缝宽度来调整面砖排列尺寸,但砖缝宽度应不小于 5mm,一般不得采用密缝;墙面突出的卡件、孔洞处面砖套割应吻合,排砖应美观;5 粘贴面砖先粘贴标砖作为基准,控制面砖的垂直、平整度和砖缝位置、出墙厚度,然后在每一分格内均挂横竖通线,作为粘贴的标准,自下而上进行粘贴;先在各分格第一皮面砖的下口位置上固定好托尺,第一皮面砖落在托尺上与墙面贴牢,用水平通线控制面专的外皮和上口,然后逐层向上粘贴;阳角面砖拼接做法有两种,阳角对角拼缝、阳角倒角拼缝。
在窗台或阳台下口需做滴水位置应采取立面中最下一排立面砖下口应低于底面砖 4―6mm的做法,使其起到滴水线(槽)的作用图2:粘贴面砖图1:按排砖打样图和水平、垂直控制线弹出模数121劈开砖(二)做法图参考细部技术构造做法要点阳角处的细部构造如图31.1阳角碰角保证左右两边砖缝在同一水平1.2阳角处为海棠角,夹角为90°二、勒脚的细部构造:勒脚位置设置在±0.000以上300mm高位置;顶端做45°斜口收口。
如图4地下室总坪防水上翻至+0.000以上300mm;防水保护层用60mm厚页岩保护砖外墙贴砖至-0.100图3:阳角碰角做法为90°角上口用C20细石砼做成45°斜角收口三、滴水线西部构造如图5,图63.1滴水线位置保证内高外低3.2内外高差至少保证5mm图4:勒脚位置与墙体成45°斜角;防水保护层用实心页岩砖做保护层,标高为+0.000以上300mm.341劈开砖(三)做法图参考·1、饰面砖的品种、规格、图案、颜色和性能必须符合设计要求;2、饰面砖粘贴工程的找平、防水、粘贴和勾缝材料及施工方法应符合设计要求及国家现行产品标准和工程技术标准的规定;3、饰面砖粘贴必须牢固;4、饰面工程饰面砖应无空鼓、裂缝、泛碱;5、饰面砖表面平整、洁净、色泽一致,无裂痕和缺损6、阴阳角处搭接方式、非整砖使用部位应符合设计要求,饰面砖在大门、门窗边、阳角砖宜用整砖,非整砖安排在不明显处且不宜小于 1/2整砖或50mm ;7、墙面突出物周围的饰面砖应整砖套割吻合,边缘应整齐,突出墙面的厚度应一致; 8、饰面砖接缝应平直、光滑,嵌填应连续、密实,宽度和深度应符合设计要求;9、有排水要求的部位应作滴水槽(线),滴水槽(线)应顺直美观,流水坡向正确,坡度符合设计要求; 10、饰面砖工程伸缩缝、沉降缝等的设置应符合设计要求,缝内用柔性材料嵌缝,并保证缝的使用功能和饰面的完整性;11、外墙分割缝宽度为 20-30mm ,深度为 20mm ,分隔缝设在每层楼面下50mm 处(分隔条对应部位应是钢筋砼梁,以防渗漏),每隔两层设置一道,采用专用勾缝剂勾缝。
外墙劈开砖施工方案1. 引言外墙劈开砖施工是一种常用的拆改工法,用于改变建筑外墙的开窗位置、增加门窗等。
本文档将介绍外墙劈开砖施工的方案和注意事项。
2. 施工方案外墙劈开砖施工方案通常包括以下步骤:2.1 考察与测量在施工前,需要仔细考察外墙的结构和材料,以及劈开砖的位置和尺寸。
使用合适的测量工具,如激光测距仪等,测量准确的尺寸、位置和高度。
确保施工后的效果符合设计要求。
2.2 砌筑支撑墙在劈开砖的位置,首先需要砌筑支撑墙,用于承托外墙砖。
支撑墙应该与原有墙体结构相连,并且具备足够的承重能力。
选择合适的砖块和建筑胶水,按照墙体结构设计要求进行砌筑。
2.3 劈开砖施工劈开砖施工的关键是选择合适的工具和操作技术。
以下是一般的施工步骤:2.3.1 打线使用尺子和直角工具,在外墙上标记出劈开砖的位置和尺寸。
使用木槌和锤子打线,确保直线和平整。
2.3.2 封切使用电锯或手持锯等工具,在打好的线上进行封切。
封切旨在防止砖块破裂,也有助于提高施工精度。
2.3.3 劈开利用堆灰砖、钢筋和手持锤子等工具,对砖块进行劈开。
根据设计需要,可以劈开整块砖、劈开砖的一部分或者劈开多块砖。
2.3.4 嵌入支撑墙将劈开的砖块嵌入支撑墙中,使用建筑胶水确保稳固。
需要注意的是,劈开的砖块要与原有墙体的砖缝对齐,保证施工后的整体效果。
2.4 清理和修补在施工完成后,需要对外墙进行清理和修补。
清理过程中,应该清除垃圾、砂浆和胶水等杂物。
修补工作主要包括填补砖缝、修复砖块表面等,保证外墙整体美观。
3. 注意事项在外墙劈开砖施工过程中,需要注意以下事项:3.1 安全施工人员必须佩戴合适的劳动防护用具,如安全帽、防护眼镜、工作手套等。
确保施工过程中不发生意外伤害。
3.2 结构考虑施工前需要评估外墙的结构稳定性,确保施工后的结果不会影响建筑的整体结构。
必要时,可以请专业结构工程师参与评估和指导。
3.3 施工工具和材料选择适当的施工工具和材料非常重要。
外墙劈开砖做法及施工工艺交底内容:一、施工准备1、材料:陶瓷砖专用粘结剂(或水泥)、陶瓷砖专用嵌缝剂(或3:1水泥砂浆)、水、劈开砖。
2、工具:切割机、灰匙、水平尺、墨斗、橡胶片、海绵。
二、作业条件1、外架子应提前支搭和安设好,多层房屋最好选用双排架子或桥架,其横竖杆及拉杆等应离开墙面和门窗口角150~200mm。
架子的步高要符合施工要求。
2、阳台栏杆预留孔洞及排水管等应处理完毕。
3、墙面基层清理干净,脚手眼、窗台、窗套等事先砌堵好。
4、按面砖的尺寸、颜色进行选砖,并分类存放备用。
5、粘贴时作业环境温度不宜低于10℃,也不宜高于40℃。
6、室外施工时应避免雨淋和烈日暴晒。
7、工程施工前,应对找平、粘结及勾缝材料进行试配,小面积试贴,经检验合格后方可大面积使用。
三、工艺流程检查找平层质量→弹线分格→湿润找平层→用专用粘结剂粘贴劈开砖→调缝→勾缝→清擦表面→检查验收1、检查找平层质量找平层应无开裂、空鼓、平整度偏差≤2mm,垂直度偏差≤4mm。
2、弹线分格:分格时要综合考虑面砖的模数,分清砖的批号,确定砖与砖的灰缝距离(留缝在8mm),确定铺贴设计要求,在干燥的找平层上按铺贴设计要求和砖的实际规格弹出分格线。
3、调制专用粘结剂粘贴劈开砖,将调匀的专用粘结剂均匀抹在砖的背部,并铺满砖底,不留空隙,依照弹出的贴面砖控制线将面砖粘贴上墙,用铁抹子拍平,挤压出面砖粘贴面的气泡。
将个别尺寸不均匀,缝宽不一致的面砖用拨刀调整均匀,调整后的面砖务必用力拍紧、压实。
剔除个别有裂缝、砂眼、色差的面砖,补上完好的面砖,调缝后压实。
粘贴完毕后,用棉纱将面砖表面擦试干净4、勾缝与擦缝:面砖铺贴拉缝时,用外墙面砖专用勾缝剂勾缝,先勾水平缝再勾竖向缝,勾好后要求凹进砖外表面2~3mm,要求横竖缝深度一致,交叉处均出十字叉;面砖缝勾完后,用布或棉丝擦洗干净。
勾缝要连续密实,必须用嵌子压一遍,防止出现干缩裂纹,面砖必须擦干净。
5、检查验收凡空鼓、歪斜、缺棱掉角的面砖应及时更换,对垂直度、平整度、阳角方正、接缝平直、接缝高低超出允许偏差范围的部位及时调整,质量合格后才允许下降外架。
标准化外墙劈离砖1、适用范围本技术要求适用于一方大连区域所有标准化项目外墙劈离砖的制安工程招投标及现场施工指导。
2、 依 据2.1 除另有注明外,本工程须符合设计、图纸和相关国家、地方及行业标准,主要包括但不限于:《工程建设标准强制性条文》2002年版《建筑工程施工质量验收统一标准》(GB50300-2001)《外墙饰面砖工程施工及验收规程》JGJ126-2000《挤压陶瓷砖第3部分:细炻砖(吸水率3%<E≤6%)》JC/T 457.3-2002《挤压陶瓷砖第4部分:炻质砖(吸水率6%<E≤10%)》JC/T 457.4-2002省安装工程施工技术操作规程结构要求及装饰要求详附件图纸2.2 若承包商对以下要求有任何疑义,应立即向一方地产提出,由一方地产做最终决定,否则视为接受。
3、 材料、设备及配件要求3.1 水泥、砂(1)水泥宜选用32.5或42.5级普通硅酸盐水泥,不可采用矿渣水泥。
(2) 防水砂浆:0.9公斤杜拉纤维/立方米砂浆+掺水泥用量3.8%的防水粉。
(3)勾缝材料采用水泥砂浆(水泥:细砂=1:1)掺胶或(品牌)的勾缝材料(划线部分填充,余同)。
颜色为,并经万创确认。
(4)水泥砂浆找平层采用中河砂,含砂量不大于5%;粘结、勾缝用细砂,含泥量不大于3%。
3.2 劈离砖(1)吸水率≤6%;砖平整方正,厚度一致,至少95%的砖主要区域无明显缺陷。
(2)破坏强度:厚度≥7.5mm 平均不小于950N;厚度<7.5mm 平均不小于600N。
(3)面砖断裂模数平均值不小于20 MPa,单个值不小于18 MPa。
(4)色差:距离砖面3m处目测不明显(或双方约定2m站立目测无色差),窑变砖允许存在色差,但需经万创确认。
(5)颜色稳定性:500W汞弧灯照射28天,不褪色。
4、 设计、制作、安装及施工要求4.1 设计要求■ 外墙贴劈离砖的高度参照各地建设主管部门的规定。
■ 设计部定劈离砖样板,包括品种、规格、图案、颜色均匀性的要求,并确定墙面排砖图。
外墙劈开砖施工技术摘要:外墙砖以它的美观、多变、清洁、耐久等众多的优点在建筑飞速发展的现代被设计师列为外墙装修的首选材料。
与此同时,开发商和建设单位为了让建筑外立面拥有鲜艳的感觉,为了赢得更好的印象,也大多采用外墙面砖进行了外墙装修。
而且选用劈开砖作为外墙饰面砖,采用预埋扁钢加强、卸荷等施工技术,同时配合深色平缝,保证劈开砖粘贴牢固可靠,达到了传统清水砖外墙的饰面效果。
本文对外墙劈开砖施工技术进行简要分析,并给出相应对策。
关键词:劈开砖;黏结砂浆;施工质量;工艺一、外墙劈开砖相关介绍及质量要求普通黏土砖自重大,能耗高,占用耕地土,受生产工艺和工人技术水平影响,很难达到清水砖效果。
通过对外墙饰面砖的对比研究,对工程实体的考察以及对外墙饰面砖的性能复试,决定选用240mm×60mm×10mm,单块质量0.39kg劈开砖作为外墙饰面砖。
劈开砖选料为优质天然矿土,经过粉碎筛选和高吨位压机强压成坯料砖,坯料素烧不施釉,经1200℃高温窑煅烧后成型。
产品的抗折抗压强度、冷热急变性、吸水率及耐酸性等各项指标可达到设计及规范要求。
劈开砖的外形尺寸、观感质量及颜色与青砖相同,转角部位采用配套阳角砖。
面砖黏结剂及勾缝剂选用保温系统专用柔性瓷砖黏合剂和嵌缝剂,颜色与面砖相近。
1)面砖的品种、规格、外观和尺寸满足设计要求。
2)面砖粘结材料、填缝剂材料符合现行国家标准,施工严格按产品使用说明进行施工。
3)面砖枯结必须牢固。
4)满粘法施仁的砖无空鼓、缺角、歪斜等缺陷。
一般项目:1面砖表面应平整、洁净、颜色一致。
2面砖接缝“自互、科学合理排砖,达到美观效果。
3窗户上下I.有排水要求的地方,做到内高外低,坡度符合设计要求。
二、施工注意事项从材料的性能指标表可以看出,无釉劈开砖的吸水率相对于一般瓷砖(≤1%)大,故其防水性能欠佳。
目前许多框架结构建筑都采用轻质砖作为填充墙体,就更要做好基层的防水处理,以防雨季外墙出现渗漏的问题。
标准化外墙劈离砖
1、适用范围
本技术要求适用于一方大连区域所有标准化项目外墙劈离砖的制安工程招投
标及现场施工指导。
2、依据
2.1 除另有注明外,本工程须符合设计、图纸和相关国家、地方及行业标准,主要包括但不限于:
? 《工程建设标准强制性条文》2002年版
? 《建筑工程施工质量验收统一标准》(GB50300-2001)
? 《外墙饰面砖工程施工及验收规程》JGJ126-2000
? 《挤压陶瓷砖第3部分:细炻砖 (吸水率3%<E≤6%)》JC/T 457.3-2002
? 《挤压陶瓷砖第4部分:炻质砖 (吸水率6%<E≤10%)》JC/T 457.4-2002
? 省安装工程施工技术操作规程
? 结构要求及装饰要求详附件图纸
2.2 若承包商对以下要求有任何疑义,应立即向一方地产提出,由一方地产
做最终决定,否则视为接受。
3、材料、设备及配件要求
3.1 水泥、砂
(1)水泥宜选用32.5或42.5级普通硅酸盐水泥,不可采用矿渣水泥。
(2)防水砂浆:0.9公斤杜拉纤维/立方米砂浆+掺水泥用量3.8%的防水粉。
(3)勾缝材料采用水泥砂浆(水泥:细砂=1:1)掺胶或(品牌)的勾缝材料(划线部分填充,余同)。
颜色为,并经万创确认。
(4)水泥砂浆找平层采用中河砂,含砂量不大于5%;粘结、勾缝用细砂,含泥量不大于3%。
3.2 劈离砖
(1)吸水率≤6%;砖平整方正,厚度一致,至少95%的砖主要区域无明显缺陷。
(2)破坏强度:厚度≥7.5mm平均不小于950N;厚度<7.5mm 平均不小于600N。
(3)面砖断裂模数平均值不小于20 MPa,单个值不小于18 MPa。
(4)色差:距离砖面3m处目测不明显(或双方约定2m站立目测无色差),窑变砖允许存在色差,但需经万创确认。
(5)颜色稳定性:500W汞弧灯照射28天,不褪色。
4、设计、制作、安装及施工要求
4.1 设计要求。