高速公路路面工程项目部驻地建设标准
- 格式:docx
- 大小:549.31 KB
- 文档页数:14
目录一、工程概况 (1)1。
1、新通扬运河桥 ........................................................ 错误!未定义书签。
1。
2、连心桥................................................................... 错误!未定义书签。
二、组织机构设置 (1)三、驻地建设方案编制依据及原则 (1)3。
1、编制依据 (1)3。
2、编制原则 (1)3.3、编制范围 (2)四、项目经理部选址 (2)五、项目部驻地建设总体规划 (2)六、项目部驻地建设具体布置、主要工序施工及要求 (3)6。
1、场地硬化 (3)6.2、驻地大门 (5)6.3、围墙 (5)6.4、办公房屋 (6)6.5、旗台 (8)6.6、生活房屋及设施 (8)6.7、室外活动区及设施 (10)6.8、工地试验室 (10)6。
9、临时用电 (11)6.10、消防设施 (20)6。
11、排水设施 (20)6。
12、环境卫生 (21)6.13、办公通讯 (21)七、驻地建设活动板房施工方案及技术措施 (22)7.1、搭设基本要求 (22)7。
2、活动板房施工工艺流程 (22)7.3、质量要求 (23)7。
4、工程验收 (26)7.5、抗风荷载及加固方案 (26)八、施工现场质量、环境保护、安全施工保证措施 (28)8。
1、质量保证措施 (28)8。
2、施工现场环境保护保证措施 (29)8。
3、安全施工保证措施 (30)九、节约、节能措施 (33)9.1、节约用电的具体措施 (33)9。
2、节约用水的具体措施 (33)9.3、节约材料的具体措施 (33)十、施工工期目标及工期保证措施 (34)10.1、工期目标 (34)10。
2、工期保证组织机构 (34)10.3、保证工期的组织措施 (34)十一、应急救援预案 (34)11。
1、适用范围 (34)11。
内蒙古自治区高速和一级公路施工标准化管理指南(试行)内蒙古自治区交通运输厅二○一一年六月目录第一章驻地建设 (1)一、承包人驻地 (1)二、监理驻地 (9)第二章工地试验室 (5)一、机构设置、人员、仪器配备标准 (7)二、工地试验室建设 (8)三、试验室标示标牌 (9)四、工地试验室认定、试验与检测 (9)五、其他.................................第三章场站建设. (7)一、拌和站 (13)二、钢筋加工场 (13)三、预制场 (14)四、小型构件预制场 (35)五、原材料、半成品、成品存放场及库房 (38)六、仓库 (40)第四章路基工程 (43)一、路基施工 (15)二、安全文明 (43)第五章路面工程 (49)一、路面施工 (49)二、安全文明 (49)第六章桥梁工程 (22)一、桥梁施工 (52)二、安全文明 (54)第七章隧道工程 (62)一、隧道施工 (62)二、安全文明 (62)第八章施工便道、便桥 (66)第一章驻地建设一、承包人驻地1、一般要求承包人应按照投标文件有关承诺,规范用房及场地建设。
项目部驻地除具备便利的交通、通电、通水、通电话条件外,还应积极创造信息化办公管理条件。
办公和生活用房应安全、坚固、实用、美观、隔热通风,符合招投标文件及施工管理需要.办公用房面积和办公家具应满足办公规范化的要求.项目部大门门牌、告示牌、工程简介牌、组织机构牌、安全管理制度牌、施工标牌和相关的防火、交通警示等文明施工标志,应齐全规范.工程竣工后施工驻地设施应按规定及时拆迁,清除废弃污染物。
(1)禁止选择在矿山采空区、顺层滑坡体以及堆积层、坡积层及坡度在45度以上的山区、泥石流、河道、水库下游等地形、地质、水文不良地带,避开塌方、落石、滑坡、危岩、雷击、积沙、积雪等地段.避开取土、弃土场地,且必须离集中爆破区500m距离以上。
避开高压线路及高大树木,与通信线路保持一定距离.(2)项目部办公生活区宜采用封闭式管理,应有固定的出入口,有条件时应设置大门。
高速公路建设标准高速公路是国家交通运输的重要组成部分,对于国家经济发展和人民生活水平的提高具有重要意义。
因此,高速公路的建设标准显得尤为重要。
高速公路建设标准主要包括线路选址、设计标准、施工工艺、材料选用等方面,下面将对这些方面进行详细介绍。
首先,线路选址是高速公路建设的第一步,它直接关系到后期的施工和使用。
在选址过程中,需要考虑地形地貌、环境保护、交通需求等因素,确保线路的合理性和安全性。
同时,还需要考虑未来的发展规划,避免因为规划不周导致后期的改建和拓宽。
其次,设计标准是高速公路建设的关键,它直接影响到公路的使用寿命和安全性。
设计标准包括路基、路面、桥梁、隧道等各个方面,需要根据地质条件、气候特点、交通流量等因素进行科学合理的设计。
在设计过程中,需要充分考虑车辆的运行速度、荷载情况,确保公路的承载能力和耐久性。
施工工艺是保证高速公路建设质量的重要环节,它直接关系到公路的使用效果和安全性。
在施工过程中,需要严格按照设计要求进行施工,采用先进的施工设备和工艺,确保施工质量和进度。
同时,还需要加强施工现场管理,确保施工安全和环境保护。
材料选用是高速公路建设的重要环节,它直接关系到公路的使用寿命和安全性。
在材料选用过程中,需要选择质量可靠、性能优良的材料,确保公路的耐久性和安全性。
同时,还需要加强对材料的质量监控和检测,确保材料的合格性和稳定性。
综上所述,高速公路建设标准是保障公路质量和安全的重要保障,需要从线路选址、设计标准、施工工艺、材料选用等方面进行科学合理的规划和实施。
只有做好这些方面的工作,才能保证高速公路的安全、快速、舒适地运行,为国家经济发展和人民生活水平的提高提供有力支撑。
苏州市中环快速路北段项目项目经理部驻地标准化建设一、基本要求1.项目经理部应按靠近主线、交通便利的原则选择驻地位置,距离主线最远不宜超过1km,同时应满足通电、通水、通路和通讯的要求。
2.主体工程(路基、桥梁、路面)的项目经理部占地面积不应小于4000m2,办公用房建筑面积一般不宜少于600m2,庭院场地占地面积不宜小于800m2,生活区用房建筑面积可根据人员数量而定。
3.办公、生活用房宜采用装配式标准化简易房结构,最多不能超过二层,房屋坚固、安全、耐用,须满足抵抗10级台风标准并且安装防雷装置;有条件的也可租用沿线合适的单位或民用房屋,但必须坚固、安全、耐用,满足工作要求,且须经得指挥部同意,同时须对房屋内外进行粉刷装修。
4.项目经理部驻地应实施分区隔离,即项目的生产区、办公区、生活区分开隔离。
办公区应设有各业务办公室、会议室、档案资料室、工地试验室、国旗台、停车场等;生活区须设有宿舍、食堂、浴室、厕所、盥洗处及文体活动室等;各区房屋布局合理,整洁美观。
5.项目部建设及管理宜积极推广绿色营地,节能减排理念。
制定合理制度减少一次性物品(如筷子、杯子等)的使用;积极推广使用耗能少的太阳能淋浴、节能灯等电器;宜修建废水循环再利用系统,可在场地允许的情况下可种植绿色蔬菜,饲养家畜,满足部分项目部需求。
二、办公用房要求1.办公区应设有项目经理室、项目副经理室、项目总工室、各业务办公室、会议室、档案资料室、工地试验室等;各科室应统一贴挂门牌,规格为30cm×12cm,铝合金材质,银灰底蓝色黑体字,左边标识企业标识。
在项目经理部及其他醒目位置设立分区平面示意图及指路导向牌。
2.会议室面积不小于80m2,能满足40人以上开会的要求,地面必须硬化并铺设浅色地砖,须安装两台柜式空调和投影影像设备,摆放花卉荟植物,会议室整体布局要协调统一,美观大方。
会议室内管理图表均应装裱上墙,正面宜裱挂企业标识、企业精神、质量方针等,侧面应裱挂施工平面图、工程形象进度图、工程概况、项目管理组织机构框图、质量保证体系框图、安全生产管理体系框图、开展劳动竞赛活动和展现企业文化的有关图表、晴雨表等。
公路施工作业区布设标准:
公路施工作业区的布设标准主要包括以下几个方面:
1.警示区长度:根据道路施工条件和交通流量的不同,警示区的长度会有所不同。
一
般来说,警示区长度不应小于1500米,并且在该区域内应设置明显的警示标志和交通标志,以提醒驾驶员注意安全。
2.上游过渡区长度:上游过渡区的长度应根据实际情况进行设置,一般不应小于300
米。
在该区域内,应设置交通标志和路障等设施,以控制车辆的行驶速度和流量。
3.缓冲区长度:缓冲区的长度应根据实际情况进行设置,一般不应小于30米。
在该区
域内,应设置路障和隔离墩等设施,以确保施工区域的安全。
4.工作区长度:工作区的长度应根据施工需要和交通流量进行设置,但一般不应超过
500米。
在该区域内,应设置明显的施工标志和交通标志,以提醒驾驶员注意安全。
5.下游过渡区长度:下游过渡区的长度一般不应小于100米。
在该区域内,应设置交
通标志和路障等设施,以确保车辆的正常行驶。
6.终止区长度:终止区的长度一般不应小于30米。
在该区域内,应设置解除限制标志
和交通标志等设施,以恢复道路的正常通行。
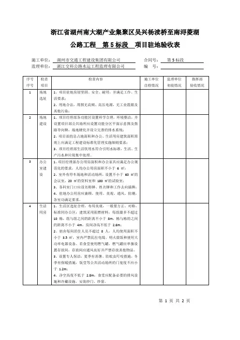
浙江省湖州南大湖产业集聚区吴兴杨渎桥至南浔菱湖公路工程第5标段项目驻地验收表
施工单位:湖州市交通工程建设集团有限公司合同号:第5标段
监理单位:浙江交科公路水运工程监理有限公司编号:
第 1 页共2 页
第 2 页共2 页
浙江省湖州南大湖产业集聚区吴兴杨渎桥至南浔菱湖公路工程第5标段钢筋加工场建设验收表
施工单位:湖州市交通工程建设集团有限公司合同号:第5标段
第 1 页共2 页
第 2 页共2 页
浙江省湖州南大湖产业集聚区吴兴杨渎桥至南浔菱湖公路工程第5标段试验室建设验收表
施工单位:湖州市交通工程建设集团有限公司合同号:第5标段
浙江省湖州南大湖产业集聚区吴兴杨渎桥至南浔菱湖公路工程第5标段施工便道、便桥建设验收表施工单位:湖州市交通工程建设集团有限公司合同号:第5标段。
高速公路工程工地建设标准化细则(试行)2013年9月目次1 总则.............................................................. - 1 -2 驻地建设........................................................... - 2 -2.1 一般规定...................................................... - 2 -2.2 驻地选址...................................................... - 2 -2.3 场地建设...................................................... - 2 -2.4 硬件设施...................................................... - 3 -2.5 实验室建设.................................................... - 3 -2.6 其他要求...................................................... - 7 -3 场站建设........................................................... - 9 -3.1 一般规定...................................................... - 9 -3.2 场站选址...................................................... - 9 -3.3 拌和站....................................................... - 10 -3.4 钢筋加工场................................................... - 13 -3.5 预制梁场..................................................... - 15 -3.6 小型构件预制场............................................... - 19 -4 材料存放场房建设.................................................. - 20 -4.1 半成品、成品存放............................................. - 20 -4.2 库房存放..................................................... - 20 -5 临时工程.......................................................... - 23 -5.1 一般规定..................................................... - 23 -5.2 临时用电..................................................... - 23 -5.3 施工便道便桥................................................. - 24 -6 施工现场.......................................................... - 26 -6.1 一般规定..................................................... - 26 -6.2 路基施工现场................................................. - 27 -6.3 路面工程施工现场............................................. - 27 -6.4 桥涵工程施工现场............................................. - 28 -6.5 附属工程..................................................... - 29 - 附录A 驻地标识标牌设置............................................. - 26 -附录B 场站标识标牌设置............................................. - 26 -附录C 达标验收标准................................................. - 26 -附录D 标识标牌示意图............................................... - 32 -1 总则1.1 为规范山东省xx至xx高速公路工地建设管理,改善高速公路参建人员生产、生活环境,充分发挥工厂化、集约化施工的优势,提高工作效率,提升工程质量、安全、环保管理管理水平和行业文明施工形象,结合其他高速公路标准化建设的先进经验并结合实际情况,编制本办法。
工地建设标准化管理实施方案大广高速公路白洋淀支线汇通路桥建设集团有限公司LQ2标段项目部2011年9月1日目录一、总则 (1)1、目的 (1)2、编制依据 (1)3、主要内容 (1)二、项目部 (1)1、组织机构 (1)2、项目部总体布置 (3)3、部室设置 (4)4、项目部配套设施建设. (6)5、人员配置 (7)三、工地试验室建设方案 (8)1、组织机构 (8)2、人员配置 (8)3、工地试验室建设规模. (8)4、试验室布置 (9)5、试验室建立以下规则及操作规程并悬挂上墙 (9)6、其他事项 (10)四、场站建设 (11)1、水泥混凝土拌合站. (11)2、水泥稳定碎石拌合站. (12)3、沥青混凝土拌合站. (14)4、拌合站的质量、安全、文明环保控制措施 (14)5、钢筋加工场 (16)6、预制场 (17)五、施工现场 (19)1、路基工程 (19)2、路面工程 (22)3、桥涵工程 (24)六、施工便道建设方案 (29)七、十公开 (30)八、以下禁止、警告警示、指令、提示、限速限高标志、标牌样本 (31)工地建设标准化管理实施方案一、总则1、目的为规范我标段工地建设,贯彻落实河北省高管局标准化施工年活动,加强事前控制、提高安全管理及文明施工水平、保证工程质量、打造“汇通路桥”品牌,特编制本实施方案。
2、编制依据2.1《河北省高速公路管理局高速公路标准化施工手册范本(工地建设)》2.2《河北省大广高速公路白洋淀支线工地建设标准化管理实施细则》3、主要内容本实施方案共七部分,分为:总则、项目部、工地实验室、场站建设、施工现场、施工便道、“十公开”。
二、项目部1、组织机构1.1 项目部下设“六部二室”共八个职能部门,分别为:工程部、质检部、计划合同部、物资设备部、安全环保部、财务部、中心试验室、综合办公室。
质检部下设质检组,工程部下设测量队。
1.2项目部下设七个施工队。
包括桥涵施工队两个、路基施工队两个(每队各设软基处理分队、土方分队、防护排水分队各一个)、路面施工队两个、附属工程施工队一个。
工程项目施工现场驻地建设方案一、工程概况本标段实施内容为环线互通式立交中的C、D匝道,其中C线(CK0+311.260~CK1+415.434)全长 1.1km,D线(DK0+263.061~DK0+759.644)全长496.6m,两匝道设计车速80Km/h,均采用III型单向双车道,右侧设置停车带。
路面净宽11m,断面宽度为12.5m。
二、项目部地理位置本项目部施工驻地位于滨海新区海宁高速公路工程连接B匝道西侧辅路旁,利用原1标项目部地基,占地面积约2053㎡,钢筋加工及物资存放区位于B匝道和主路之间,占地面积共约1560㎡。
三、驻地建设方案1、项目部建设为保证工程的顺利进行,本项目部驻地建设分为项目部和钢筋加工及物资存放区两个部分进行。
驻地地面全部硬化,先铺上20的碎石作基层,上面用10㎝厚的C20砼作为面层。
项目部占地总面积为2053m²,其中会议室80m²、办公室118.8m²、管理人员双层宿舍316.8m²,试验室118.8m²。
项目驻地房屋均采用彩钢板活动板房,彩钢房采用 3.62m×5.5m标准间进行搭设,生活区房屋均采用双层彩钢房活动板房。
项目部的宿舍坚固、美观,房间净空高度为3m,门窗齐全,设置可开启式窗户,保证通风;食堂与办公区、宿舍有效距离均不小于10m,操作与就餐分设;卫生间、洗浴间男女分设,按照标准化要求建设。
为了保证场地的有序整洁以及场地内无积水,计划在场地内设置主排水沟与辅排水沟两种类型的排水沟相互联通并根据需要设置一定纵坡统一收集引至场地外沉积池内确保整个场地内不出现积水现象。
1)主排水沟:在驻地四周设置一条25X25cm(宽 X 深)主排水沟。
2)辅排水沟:辅助排水沟设置在施工道路两侧和每排彩钢房之间。
断面形式 15X15cm(宽 X 深)排水沟顶面铺设钢筋网片盖板为可撤除式,定时清理沟内杂物确保排水畅通。
高速公路施工标准化技术指南驻地建设广西交通投资集团有限公司二〇一一年四月目录第一章施工单位驻地标准化建设技术指南............ (1)第一节项目部(含分部、工区)建设....................... (1)第二节项目部标示标牌......................... ...... (5)第三节工人驻地................................ . (6)第四节工地试验室.......................................... (8)附录相关铭牌图例 (9)第二章总监理工程师办公室标准化建设技术指南 (16)第一节监理驻地选址 (16)第二节监理驻地标示标牌 (17)第三节工地试验室 (18)附录相关铭牌图例 (19)第三章中心试验室驻地标准化建设技术指南 (25)第一节中心试验室选址........................ ........ .. (25)第二节中心试验室标示标牌............................ . ..... .. .26 第三节中心试验室其他要求 (27)附录相关铭牌图例.......... ........ . ..... .. . .. ........ (27)第一章施工单位工地(驻地建设)标准化建设技术指南第一节项目部(含分部、工区)建设一、项目部(含分部、工区)选址项目部选址由项目经理负责在进场前组织相关人员按照安全和管理的要求进行调查,确定选址方案后,报业主备案。
总体要求:承包人应合理选定项目经理部地点,可租用当地已有房屋或自建项目经理部,租用当地已有民房要结合标准化的有关要求进行适当改造。
项目经理部办公和生活用房与施工机具停放场地适当分开。
项目经理部办公和生活用地建筑面积必须满足使用需要,占地面积一般应在1000平方米以上,其中办公室面积不低于300平方米,会议室面积不低于100平方米;场地必须硬化处理,房屋进行基本粉饰,并应有围墙,设置有明显大门,做好排水设施,配备足够的消防设施。
驻地建设标准化方案1.项目经理部驻地标准化1.1 场地选址本项目部驻地为租用房,选在我标施工路线的中间位置,项目部进出通道连接现有的X218县道,交通便利,便于日后的施工,用水为市政自来水,用电与市政电网连接,搅拌站用电向供电部门申请专用变压器与高压电网连接,保证搅拌站施工的用电。
驻地内拥有一栋三层的宿舍楼;一栋两层的办公楼,一栋两层的工地试验室;一栋一层两间的仓库和娱乐室!具体尺寸详见《驻地平面示意图》。
总体建筑面积约为:2700平方米。
依据《招标文件》与《合同范本驻地建设技术规范》,严格执行《广东省高速公路建设标准化管理规定》,规划驻地建设。
1.2驻地建设规划1.2.1宿舍:A、一栋三层,面积约为:1358平方米,二、三层共有26间房,一层4间,共30间,每间面积30平方米,共900平方米,计划每间安排4人居住,人均面积7.5平方米,对项目部主要管理人员安排2人或者1人每间,管理人员约70人,按6m2/人算,需420 m2;人均住宿面积完全满足!每人一床两层,床铺面积、间距离地高度严格按标准摆设,没有通铺!B、宿舍内外墙壁、门、窗全部粉刷,地板平整,前后对流通风,阳台排水畅通,门锁全部安装球头锁,加强防盗;C、监理、业主、公司领导宿舍内设置卫生间、冲凉房!房间内冲凉房、卫生间约5间。
D、一楼设置两间集体冲凉房,男女分开,男的有5间,女的有3间,共八间,设置更衣室,与淋浴间分开,更衣间内设置长凳、储衣柜或挂衣架。
同时在宿舍里面安排5个冲凉房,地板地面作防滑处理,使用防水灯具和开关,定时保证充足的冷、热水供给,排水通风良好,淋浴喷头数量与人员比例满足1:5。
每层配备8个灭火器,有消防栓,消防水喉!宿舍内严禁有易燃、易爆物品,严禁在宿舍内生火做饭和使用大功率的电器设备。
1.2.2厠所:在二、三楼设置共8间,男女分开,加上宿舍内设置的厠所5间,共13间;厠所安装抽风机保证通风良好、可冲洗式,并设有符合抗渗要求的带盖化粪池,蹲位满足5%的要求。
第一章总则1.1 目的为进一步加强和规范桥梁建设项目的标准化管理,安全优质高效的完毕各个项目的施工建设任务,规范桥梁施工的各项工序操作,消除不合理的施工工序及工艺,提高管理水平和工程质量水平,树立良好社会形象,促进桥梁施工质量再上一个新台阶。
1.2 章节划分本指南按照现行的《公路质量验收评估标准》桥梁部分划分为基础工程、下部构造、上部构造及附属结构进行分章节。
第二章、必备条件本章重要对自接到中标告知书后45天内对标段内桥梁的施工场地、驻地建设、项目人员配备、拌和站建设、工地临时实验室建设、安全质量保证体系建设进行了具体规定。
2.1 驻地建设标准化2.1.1项目部驻地的规范化建设自接到中标告知书45天以内必须完毕项目部的各项设施的建设,涉及办公设备、工地实验室的建设。
2.1.1.1项目部组织机构的建设项目部应根据项目的大小与本项目的工程任务特点,符合业主项目机构的规定,保证本项目的质量、安全、进度和投资等各项目得以顺利实现。
一般情况组织机构必须设立总工、工程技术部(根据项目大小必须设立3~4名桥梁工程师)、计划经营部、工地实验室、物资设备部、安全质量监控部及综合办公室。
2.1.1.2项目部无论是租赁房屋或是自行搭建房屋作为工作或生活房屋,必须保证要有不小于60m2可以容纳20人的会议室,不小于20m2的资料室及不小于150m2的工地实验室,并且项目部门口要有一定的场地停放车辆。
2.1.1.3会议室的标准化布置项目部会议室要根据室内的情况必须按照以下几点设立:(1)张贴工程简介、组织机构框图、线路平纵断面缩图、安全质量保证体系项目的质量目的及质量方针、晴雨表及总体工期安排网络图。
(2)设立一块0.8m2左右的小黑板及会议签到簿。
(3)在项目部门口醒目位置设立宣传栏、报刊阅读窗口、工期倒计时牌及安全生产牌。
2.1.1.4项目部各部门门前必须悬挂部门标记牌,项目管理人员上班时间必须佩带统一的胸牌,各部门的岗位职责及工作制度一律上墙。
高速公路路面工程项目部驻地建设标准承包人项目部建设按统一标准修建,具体标准如下:(一)驻地建设标准1、总体要求(1)项目部尽量靠近施工现场,做到安全、美观、卫生、环保;(2)项目部选址,考虑交通、通讯等方面的问题;(3)项目部大门附近公路边应埋设进驻项目部的标示牌,注明“长临高速公路第项目部”等字样,(此指路牌安装,需同交通部门联系,按要求设置)。
制作要求:材质:灯箱布;工艺:喷绘;尺寸:4000*1000*300mm颜色:路桥蓝C.98 M:56 Y:1 K:0院内道路进行硬化(含项目部进出道路)和绿化,在办公楼前中心位置,设置国旗台;在院内适当位置用白油漆划出N 个停车位,项目部围墙采用砖垛加铁艺栏杆。
项目部领导和综合办公室必须安装固定电话和上网设备。
2、房屋建设标准统一为白色彩钢板房,门窗边框、屋顶为红色,冬季统一采用锅炉采暖,每间15~20 平方米。
(1)项目经理2 间(配空调);(2)项目总工和副经理各1 间(配空调);(3)主要中层管理人员每人1 间;(4)其他技术人员和管理人员每两人1 间;(5)辅助人员每4 人1 间;(6)客房4 间(配空调);(7)会议室1 间(可容纳50 人,配空调);(8)综合办公室1 间(不小于30 平方米);(9)厨房操作室、餐厅4 间(其中含1 个单间,配空调),食堂铺地板砖,安装纱门,纱窗及通风、污水、排水等设施;(10)供暖用锅炉房4 间(包括洗澡间);(11)环保型厕所3 间,厕所必须建为水厕,要环保、文明、方便,定期消毒、消灭蚊蝇,确保干净卫生,有专人负责清洁工作;(12)项目部要设门房,配备门卫和专职保卫人员昼夜值班,有值班电话、值班记录,与施工无关人员不准随意进入项目部。
3、室内悬挂图表标准:(1)组织机构框图;(2)安全、质量保证体系;(3)晴雨表;(4)项目质量方针和质量目标;(5)工期倒计时牌;(6)工程形象进度图;(7)网络计划图;(8)工程简介牌(含平面图效果图);(制作要求:⑴、⑵、⑶、⑷、⑸项规格尺寸图见下图1;⑹、⑺项见示意图2;⑻项见示意图3)(图1)颜色:路桥蓝C.98 M:56 Y:1 K:0制作要求:规格尺寸为 60cm×90cm,材料:KA 板+灰边+室内背胶标题字体:方正黑体颜色:M100 Y100 正文字体:方正黑体颜色:K100(图2)颜色:路桥蓝C.98 M:56 Y:1 K:0制作要求:规格尺寸为120cm×240cm,材料:KA 板+灰边+室内背胶标题字体:方正黑体颜色:M100 Y100 正文字体:方正黑体颜色:K100(图3)颜色:路桥蓝C.98 M:56 Y:1 K:0制作要求:规格尺寸为120cm×240cm,材料:方钢标题字体:方正黑体颜色:M100 Y100 正文字体:方正黑体颜色:K100综合办公室及各主要负责人办公室张贴如下图表(包括拌合场办公区):(1)各种规章制度;(2)岗位职责(规格尺寸图见下图)。
北沿江高速公路滁州至马鞍山段第五合同段驻地建设方案滁马高速05标项目经理部安徽省路桥工程集团有限责任公司二零一三年一月项目部驻地建设方案一、选址方案我项目部通过对沿线环境条件的调查研究,结合本工程的实际情况,根据业主要求,依据《安徽省高速公路施工标准化指南》要求,本着安全、便捷、少占耕地、有利于管理的思想,初步拟定选取K56+600处S206处为我标段项目经理部驻地。
二、规划建设方案1、总体方案项目部规划使用面积约为6000m2,采用自建的方式建设。
项目经理部办公生活区采用封闭式管理,设固定的出入口,并在出入口处设置自动式收缩大门及值班室,且设专职保安人员值班。
主要道路统一采用7m宽水泥混凝土路面,连接房前走廊与车辆道路。
项目部办公区、生活区相对独立,驻地正中为办公区,北侧为生活区,办公区及生活区房屋坚固、房间净空高度均不低于2.6m;门窗齐全,同时设置可开启窗户,保证通风;房顶选用阻燃、防水材料,地面硬化防潮湿且办公区用房其地面铺设地砖;室内均设置空凋,保证职工在高温或低温季节正常办公或休息。
2、办公区建设方案办公区设置1栋2层办公楼,为活动板房结构。
1#办公楼占地245 m2,一层设置地方办公室、资料室、工程部、安全部、材料部、办公室及农民工学校;二层设置经理办公室及小会议室、总工室、副经理办公室、财务部、质检部、合同部。
其中项目经理室除配置办公桌椅、设备外,并增配桌椅、茶几等家具,且摆设盆景装饰;大会议室使用面积为144m2,配备必要的会议桌和椅子,投影仪等常用会议设施和1 m2左右的写字板。
每个办公室使用面积均为22 m2,满足标准化及使用要求。
3、生活区建设方案项目部生活区共建有3排房屋,均为彩钢板活动板房,板房采用阻燃材料,屋顶采用“人字形”双面破,屋顶排水畅通且房屋四周设排水沟。
项目部驻地北侧建2排1层彩钢板活动板房,板房占地475 m2,长为39.6m,宽为7.2m,此处板房为职工宿舍区,宿舍区设宿舍22间,每间宿舍使用面积为22 m2;宿舍内采用单层床,每人设生活专业组合柜,室外设有标识的垃圾箱、消防池并配备4个灭火器。
广西壮族自治区百色至靖西高速公路路面NO.3标(K50+070-K66+760路面工程)1#水稳拌和站、沥青砼拌和站及项目部驻地标准化建设方案编制:审核:审批:中冶交通工程技术有限公司百靖高速公路路面NO.3标项目经理部2012年12月30日目录一、编制依据二、工程概况三、选址依据四、拌和站、项目部驻地建设方案及各项标准化建设五、大临建设计划及人员配置六、安全防护及保证措施七、文明施工及环保措施八、1#水稳拌和站、沥青砼拌和站及项目部驻地平面布置图九、水稳拌和站平面布置图十、沥青砼拌和站平面布置图广西壮族自治区百色至靖西高速公路路面三标1#水稳拌和站、沥青砼拌和站及项目部驻地建设方案一、编制依据1、广西百色至靖西高速公路施工分包招标文件2、广西壮族自治区交通运输厅《关于印发广西高速公路施工标准化指导意见的通知》(桂交建管发[2011]20号文)3、百色至靖西公路路面工程两阶段施工图设计4、《公路沥青路面施工技术规范》 JTG F40-2004《公路路面基层施工技术规范》 JTJ 034-20005、通过对施工场地现场及其周边环境的考察所取得的建筑位置的地形、道路交通、水电情况等资料;6、《ISO9001:2008国际质量体系标准》及我公司颁布实施的有关企业技术质量标准、施工工艺和操作规程;7、国家现行安全施工法规;8、我公司历年来总结形成的有关类似工程的科技成果、工法以及既有的施工资源、装备能力、施工经验和管理水平;二、工程概况百色至靖西高速公路路面三标起讫桩号K50+070—K66+760,含主线、德保互通、德保南互通、德保联线、S210改路,路面结构设计中主线:20cm级配碎石垫层+20cm3.5%水泥稳定碎石底基层+33cm5%水泥稳定碎石基层+1cm同步沥青碎石封层+8cm粗粒式密级配沥青砼下面层(AC-25C)+6cm中粒式密级配SBS改性沥青砼中面层(AC—20C)+4cm密级配SBS改性沥青砼上面层(AC-13C).本标段水泥砼用量8616 m3,级配碎石垫层用量约116984m3,水泥稳定碎石基层302898.6 m3,沥青砼中、下面层69754.3m3,沥青砼上面层22375。
高速公路路面工程项目部驻地建设标准
承包人项目部建设按统一标准修建,具体标准如下:
(一)驻地建设标准
1、总体要求
(1)项目部尽量靠近施工现场,做到安全、美观、卫生、环保;
(2)项目部选址,考虑交通、通讯等方面的问题;
(3)项目部大门附近公路边应埋设进驻项目部的标示牌,注明“长临高速公路第项目部”等字样,(此指路牌安装,需同交通部门联系,按要求设置)。
制作要求:材质:灯箱布;工艺:喷绘;尺
寸:4000*1000*300mm
颜色:路桥蓝C.98 M:56 Y:1 K:0
院内道路进行硬化(含项目部进出道路)和绿化,在办公楼前中心位置,设置国旗台;在院内适当位置用白油漆划出N 个停车位,项目部围墙采用砖垛加铁艺栏杆。
项目
部领导和综合办公室必须安装固定电话和上网设备。
2、房屋建设标准
统一为白色彩钢板房,门窗边框、屋顶为红色,冬季统一采用锅炉采暖,每间15~20 平方米。
(1)项目经理2 间(配空调);
(2)项目总工和副经理各1 间(配空调);
(3)主要中层管理人员每人1 间;
(4)其他技术人员和管理人员每两人1 间;
(5)辅助人员每4 人1 间;
(6)客房4 间(配空调);
(7)会议室1 间(可容纳50 人,配空调);
(8)综合办公室1 间(不小于30 平方米);
(9)厨房操作室、餐厅4 间(其中含1 个单间,配空调),食堂铺地板砖,安装纱门,纱窗及通风、污水、排水等设施;
(10)供暖用锅炉房4 间(包括洗澡间);
(11)环保型厕所3 间,厕所必须建为水厕,要环保、文明、方便,定期消毒、消灭蚊蝇,确保干净卫生,有专人负责清洁工作;
(12)项目部要设门房,配备门卫和专职保卫人员昼夜值班,有值班电话、值班记录,与施工无关人员不准随意进入项目部。
3、室内悬挂图表标准:
(1)组织机构框图;
(2)安全、质量保证体系;
(3)晴雨表;
(4)项目质量方针和质量目标;
(5)工期倒计时牌;
(6)工程形象进度图;
(7)网络计划图;
(8)工程简介牌(含平面图效果图);
(制作要求:⑴、⑵、⑶、⑷、⑸项规格尺寸图见下图1;⑹、⑺项见示意图2;⑻项见示意图3)
(图1)
颜色:路桥蓝C.98 M:56 Y:1 K:0
制作要求:规格尺寸为 60cm×90cm,材料:KA 板+灰边+室内背胶
标题字体:方正黑体颜色:M100 Y100 正文字体:方正黑体颜色:K100
(图2)
颜色:路桥蓝C.98 M:56 Y:1 K:0
制作要求:规格尺寸为120cm×240cm,材料:KA 板+灰边+室内背胶
标题字体:方正黑体颜色:M100 Y100 正文字体:方正黑体颜色:K100
(图3)
颜色:路桥蓝C.98 M:56 Y:1 K:0
制作要求:规格尺寸为120cm×240cm,材料:方钢
标题字体:方正黑体颜色:M100 Y100 正文字体:方正黑体颜色:K100
综合办公室及各主要负责人办公室张贴如下图表(包括拌合场办公区):
(1)各种规章制度;
(2)岗位职责(规格尺寸图见下图)。
颜色:路桥蓝C.98 M:56 Y:1 K:0
制作要求:规格尺寸为 60cm×90cm,材料:KA 板+灰边+室内背胶
标题字体:方正黑体颜色:M100 Y100 正文字体:方正黑体颜色:K100
项目部驻地建成后效果图可参照以下图片
(图一,大门效果图)
(图二,办公楼效果图)
(图三,宿舍楼效果图)
(图四,综合办公区效果图)
4、室外标识牌要求
(1)各项目部铜牌尺寸为50cmx70cm,标准字体,颜色为黑色,内容与项目部的公章内容一致;
(2)各项目部党支部铜牌尺寸为50cmx70cm,标准字体,颜色为红色,内容与党支部的公章内容一致;
(3)各项目部工地试验室铜牌尺寸为 50cmx70cm,标准字体,颜色为黑色,内容与工地试验室的公章内容一致。
位置在靠近试验室前醒目位置;
(4)各类房间的名称标识牌,规格尺寸12cm×30cm,金色闪光底,红色字,黑色镶边1cm(效果如下图)。
(房间标识牌)制作要求:规格尺寸为12cm×30cm
(项目部宣传栏区效果图)
5、标语
(1)项目部标语内容统一为:“打造一流管理团队、创建一流高速工程”,规格为白底红字,每个字高不小于1.2m。
将本条标语悬挂于驻地最醒目位置。
(2)需悬挂标语:“人文高速、科学高速、绿色高速、和谐高速”,规格为白底红字,每个字高不小于1.0m。
(3)除了第1 条、第2 条规定必须悬挂的标语外,各施工单位应根据驻地实际情况,再悬挂2-3 条标语,内容
为本公司企业文化或管理(建设)总体目标等,规格为红
底白字。
以上所有的标语尺寸原则上应一致。
6、工地文化设施建设标准
各项目部要认真贯彻落实“以人为本”管理理念,搞
好工地文化设施建设,丰富员工文化娱乐活动,杜绝不良
行为。
(以下为必建项目)
(1)各项目部需设职工活动室、阅览室、农民工夜校(面积不小于60m2);
(2)在项目部驻地、拌合站生活区适当位置建羽毛球场;
(3)在拌合场办公生活区,建标准篮球场。
(二)人员配置要求
1、项目部人员配置要求见表1-1。
项目部人员配置要求表1-1。