水泥砂浆面层分项工程质量验收记录表
- 格式:doc
- 大小:14.99 KB
- 文档页数:2
水泥混凝土面层检验批质量验收记录表编号:__________水泥混凝土原材料检验批质量验收记录表编号:__________目填土方路基检验批质量验收记录表Ⅲ(支路及其他小路)编号:__________填土方路基检验批质量验收记录表编号:__________填土方路基检验批质量验收记录表Ⅱ(次干路)编号:__________编号:__________编号:__________挖土方路基检验批质量验收记录表编号:__________现浇钢筋混凝土挡土墙钢筋加工与安装检验批质量验收记录表编号:__________编号:__________现浇钢筋混凝土挡土墙栏杆制作与安装检验批质量验收记录表编号:__________现浇钢筋混凝土人行地道结构检验批质量验收记录表编号:__________雨水支管与雨水口检验批质量验收记录表编号:__________预制安装钢筋混凝土人行地道结构地基检验批质量验收记录表编号:__________预制安装钢筋混凝土人行地道结构墙板、顶板安装检验批质量验收记录表编号:__________预制安装钢筋混凝土人行地道结构预制墙板、顶板检验批质量验收记录表编号:__________预制混凝土砌块面层检验批质量验收记录表编号:__________粘层、透层与封层检验批质量验收记录表编号:__________装配式钢筋混凝土挡土墙基础检验批质量验收记录表编号:__________编号:__________编号:__________。
水泥混凝土面层检验批质量验收记录表1. 基本信息1.工程名称:2.工程地点:3.工程编号:4.检验批号:5.验收日期:2. 材料与设备检查2.1 水泥•规格:•等级:•制造厂家:•检验报告编号:2.2 砂•规格:•等级:•制造厂家:•检验报告编号:2.3 石料•规格:•等级:•制造厂家:•检验报告编号:2.4 骨料•规格:•等级:•制造厂家:•检验报告编号:2.5 添加剂•规格:•等级:•制造厂家:•检验报告编号:2.6 配合比•水泥:•砂:•石料:•骨料:•添加剂:2.7 设备•搅拌机:•水泥罐:•砂罐:•石料罐:•骨料罐:3. 浇注检查3.1 模板•材质:•规格:•安装情况:•钢筋骨架:3.2 浇注•管理员:•工艺操作是否规范:•浇注厚度检查:•浇注密实度检查:3.3 抹光•管理员:•工艺操作是否规范:•抹光是否平整:•抹光是否光滑:3.4 能见度•管理员:•检查位置:•能见度是否达标:4. 强度检测4.1 试块制作•管理员:•试块数量:•试块尺寸:•所采取的试块数量是否足够:4.2 试块养护•管理员:•养护方法:•养护时间:•试块编号:4.3 试块检测•检测单位:•检测时间:•检测方法:•报告编号:5.本次检验批混凝土面层的质量验收结果为合格。
6. 备注1.检验员签名:2.监理签名:3.施工单位签名:。
水泥砂浆施工质量验收记录表
项目信息
- 项目名称:
- 施工单位:
- 验收日期:
验收人员
- 验收人员1:
- 验收人员2:
施工质量验收内容
1. 砂浆配合比
砂浆配合比应符合设计要求,以下为具体检查内容:
- 检查砂浆配合比是否按照设计要求进行;
- 检查砂浆配比中材料比例是否合理;
- 检查砂浆配比中所使用的水泥牌号、水泥用量是否符合要求。
2. 施工过程控制
在施工过程中,需要注意以下控制要点:
- 检查砂浆的搅拌过程是否充分;
- 检查搅拌后的砂浆是否具有均匀性;
- 检查砂浆的保水措施是否得当;
- 检查施工人员是否按要求进行了罩面。
3. 成品砂浆质量
验收时需要对成品砂浆进行检查,以下为具体内容:
- 检查成品砂浆的颜色、均匀度;
- 检查成品砂浆的抗压强度是否符合设计要求;
- 检查成品砂浆的抗渗性能。
验收结果
根据以上的检查内容,结合实际施工情况,给出以下验收结果:
- 砂浆配合比:合格/不合格;
- 施工过程控制:合格/不合格;
- 成品砂浆质量:合格/不合格。
验收意见
根据以上的验收结果,给出以下验收意见:
- 如果出现不合格情况,需要详细描述具体问题,并提出整改措施;
- 如果全部合格,则可以给予施工单位肯定和表扬。
验收人员签字
- 验收人员1:__________________
- 验收人员2:__________________
备注
- 其他需要补充的内容或备注信息可以在此处填写。
水泥混凝土面层检验批质
量验收记录表
The following text is amended on 12 November 2020.
水泥混凝土面层检验批质量验收记录表
编
号:__________
水泥混凝土原材料检验批质量验收记录表
编号:__________
填土方路基检验批质量验收记录表Ⅲ
(支路及其他小路)
编
号:__________
填土方路基检验批质量验收记录表
编号:__________
填土方路基检验批质量验收记录表Ⅱ
(次干路)
编号:__________
土工材料处理软土路基检验批质量验收记录表
编
号:__________
挖石方路基检验批质量验收记录表
编号:__________
挖土方路基检验批质量验收记录表
编号:__________
现浇钢筋混凝土挡土墙钢筋加工与安装检验批质量验收记录表
编
号:__________
现浇钢筋混凝土挡土墙混凝土主体检验批质量验收记录表
编
号:__________
现浇钢筋混凝土挡土墙栏杆制作与安装检验批质量验收记录表
编
号:__________
现浇钢筋混凝土人行地道结构检验批质量验收记录表
编
号:__________
雨水支管与雨水口检验批质量验收记录表
编
号:__________
预制安装钢筋混凝土人行地道结构地基检验批质量验收记录表
编
号:__________。
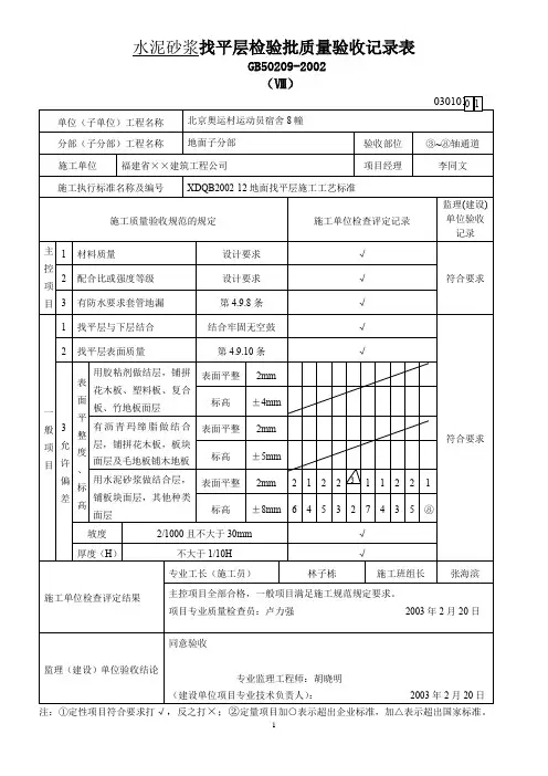
砂浆、混凝土找平层分项工程检验批质量验收记录 TJ4.3.3工程名称江苏省常州高级中学新北校区新建工程教学实验楼检验批部位教学楼南屋面施工执行标准名称及编号GB50209-2002施工单位常州第一建筑集团有限公司项目经理谢跃星专业工长董和增分包单位分包项目经理施工班组长序号GB50209 – 2002的规定施工单位检查评定记录监理(建设)单位验收记录主控项目1找平层采用碎石或卵石的粒径不应大于其厚度的2/3,含泥量不应大于2%;砂为中粗砂,其含泥量不应大于3%。
/2水泥砂浆体积比或水泥混凝土强度等级应符合设计要求,且水泥砂浆体积比不应小于1:3(或相应的强度等级);水泥混凝土强度等级不应小于C15。
20厚1:3水泥砂浆找平层,符合要求3有防水要求的建筑地面工程的立管、套管、地漏处严禁渗漏,坡向应正确、无积水。
/一般项目1 找平层与其下一层结合牢固,不得有空鼓。
符合要求2 找平层表面应密实,不得有起砂、蜂窝和裂纹等缺陷。
符合要求3项次项目允许偏差(mm)1表面平整度毛地板拼花实木(复合)地板面层 3其它种类面层 5用沥青马蹄脂做结合层铺设拼花木板、板块面层3用水泥砂浆做结合层铺设板块面层5用胶粘剂做结合层铺设拼花木板、塑料板、强化复合地板、竹地板面层22标高毛地板拼花实木(复合)地板面层±5其它种类面层±8用沥青马蹄脂做结合层铺设拼花木板、板块面层±5用水泥砂浆做结合层铺设板块面层±8用胶粘剂做结合层铺设拼花木板、塑料板、强化复合地板、竹地板面层±43 坡度不大于房间相应尺寸的2/1000,且不大于304 在个别地方不大于设计厚度的1/10。
2 1 2 1 1 1 2 0 1 2 施工单位检查评定结果主控项目合格,一般项目符合要求项目专业质量检查员:年月日监理(建设)单位验收结论监理工程师(建设单位项目专业技术负责人):年月日砂浆、混凝土找平层分项工程检验批质量验收记录 TJ4.3.3工程名称江苏省常州高级中学新北校区新建工程教学实验楼检验批部位教学楼南一至五层卫生间楼地面施工执行标准名称及编号GB50209-2002施工单位常州第一建筑集团有限公司项目经理谢跃星专业工长董和增分包单位分包项目经理施工班组长序号GB50209 – 2002的规定施工单位检查评定记录监理(建设)单位验收记录主控项目1找平层采用碎石或卵石的粒径不应大于其厚度的2/3,含泥量不应大于2%;砂为中粗砂,其含泥量不应大于3%。
水泥混凝土面层检验批质量验收记录表编号:__________水泥混凝土原材料检验批质量验收记录表编号:__________填土方路基检验批质量验收记录表Ⅲ(支路及其他小路)编号:__________填土方路基检验批质量验收记录表编号:__________填土方路基检验批质量验收记录表Ⅱ(次干路)编号:__________土工材料处理软土路基检验批质量验收记录表编号:__________编号:__________挖土方路基检验批质量验收记录表编号:__________现浇钢筋混凝土挡土墙钢筋加工与安装检验批质量验收记录表编号:__________编号:__________现浇钢筋混凝土挡土墙栏杆制作与安装检验批质量验收记录表编号:__________现浇钢筋混凝土人行地道结构检验批质量验收记录表编号:__________雨水支管与雨水口检验批质量验收记录表编号:__________预制安装钢筋混凝土人行地道结构地基检验批质量验收记录表编号:__________预制安装钢筋混凝土人行地道结构墙板、顶板安装检验批质量验收记录表编号:__________预制安装钢筋混凝土人行地道结构预制墙板、顶板检验批质量验收记录表编号:__________预制混凝土砌块面层检验批质量验收记录表编号:__________粘层、透层与封层检验批质量验收记录表编号:__________目装配式钢筋混凝土挡土墙基础检验批质量验收记录表编号:__________编号:__________编号:__________。