完整版网络综合布线项目设备清单
- 格式:docx
- 大小:17.68 KB
- 文档页数:7
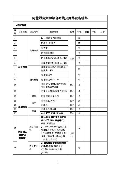
附表1:(综合布线及网络设备清单)一、综合布线(须提综合布线、网络设备、触摸屏厂家授权书原件)序号设备类型设备名称具体参数品牌单位数量1RJ45非屏蔽超五类网线捆102水晶头、套等套353标号管个354超五类网络模块个355防尘面板(按实际用另计算)个356终端布线标准底座(按实际用另计算)个357非屏蔽跳线(2~3米)(按实际用另计算)条708标准理线架个29标准配线架(24口)可选:IBMACS 、FOREVER 、Leviton 个210布线PVC 管槽、配件等(按实际信息点另计算)国产点3511配线部分语音电话布线(采有三类线)国产点1212综合布线机柜金盾22U 配接入交换机国产个1用(评标室用)13视频线RVV75-5国产米150014线材电源线国产米120015摄像头专用电源国产个1516视频布线配件布线PVC 管槽、配件等国产点1517三层交换机(技术参数要求见附表1)IPv4/IPv6双协议三层交换机(24FE 口+4千兆端口) 参数:背板带宽≥37.6G ;IPv4/IPv6包转发率≥9.6M ;4个SFP 光接口和4个电口接口,光口和电口复用;(提供IPv6 Ready 第二阶段认证证书)台118二层交换机24口智能网管交换机(带两扩展槽)参数:背板带宽≥12.8G ;线速包转发率≥6.6M ;台319网络设备(要求五年保修)防火墙(技术参百兆防火墙/VPN 网关物理参数:固化7个百兆端口,包括4个交换端口,可选:锐捷、CISCO 思科、H3C ;台1数要求见附表2)性能不受规则数及会话数的影响20服务器(技术参数要求见附表3)四核英特尔至强处理器53352.0GHz/EM64T,1066MHz前端总线, 8MB L2 缓存(最大支持2个CPU), 2*1GB PC2-5300fully buffered DIMMsDDR2 ECC(最大12插槽), 0GB SAS 热插拔硬盘(可内置6个硬盘),双千兆以太网适配器,CD-RW/DVD-ROM Combo,3年免费保修台121阵列卡ServeRAID-8k SASController块122硬盘146GB 15K 3.5” SAS 热插拔HDD块423服务器显示15”液晶彩显要求同一品牌台1器24网络机柜核心交换机柜(42U 、加深)国产个225稳压电源中大10KVA 精密稳压电源国产台126电源UPS 电源APC 5KVA 纯在线式UPS 电源(配1小时电池)国产台127嵌入式硬盘录像机(8路)国产台128嵌入式硬盘录像机(12路)国产台129录像机250G 硬盘(配录像机用)配套个43016路视频分割器(用于监控室)国产个231录像机及分割器视频控制4路视频切换器(用于监控室)国产个232室内红外低照度半球摄像机(进口品牌)套633摄像头室外防水低照度半球摄像机(进口品牌)套134室外红外灯个135视频设备辅助设备高保真拾音器可选:SAMRIM 、SONY 、三星个636监听设备监控音箱(用于监控室)国产个237监控用CRT显示器(20寸)国产台438显示器17"CRT显示器(录像机用)国产台239触摸屏查询系统触摸屏触摸屏(带17“液晶)17.1英寸SGS红外智能感应触摸屏,免维护、抗光干扰、防刮防暴、性能稳定技术成熟、防尘防污防水、适应性强(款式技术要求相当于首钢环星i5060-17LB触摸一体机)投标的品牌要求通过ISO9001:2000质量标准认证;通过国家3C认证;符合国家信息产业部发布的《触摸查询一体机通用规范》标准;符合SGS体系标准;提供证明材料及厂家投标授权书台140电脑主机945GC/ICP420/512MDDRII/SATA2 80G(7200转) /声卡/集成百兆网卡/集成显卡/键盘/USB 光电鼠标/180W 电源/三年有限保修要求品牌电脑台141操作系统Microsoft Windows2003操作系统(服务器标准版)microsoft套142应用软件防病毒软件(技术参数要求见附表4)Virus 企业网络版杀毒软件/基于B/S 架构的集中式管理/1管理中心+5服务端+30用户+1年病毒库升级服务可选:Ahn 安博士、MACFEE 、Virus 驱逐舰;提供厂家投标授权书确保正版套143防静电地板(600X600钢制高承载型地板)国产㎡2044地板配套支架等国产㎡2045机房装修(含空调)机房地板地板施工安装(含开口、钻孔等)定制㎡2046地板门口封边(大理石或其它)定制项147天花吊顶(含材料、配件及安装)国产㎡048机房天花照明灯具国产项049隔墙配套(铁支架、铝塑板材料及施工)国产项150空调(格力2匹)国产台251隔墙玻璃隔墙(玻璃、配件材料及施工)国产项152ASP AM2/3 防雷箱套153ASP 防雷插座国产个254机房地板地线(BVV6平方铜芯线)米3555防雷箱地线(BVV8平方铜芯线)米10056防雷保护防雷系统机房电源线(BVV6平方铜芯线)国产米6057小计网络项目要求、布线规范要求:整个网络的布线和设计要符合规定的GB/T 50311-2000《建筑与建筑群综合布线系统工程设计规范》网络中心机房位于六楼,其他信息点都与该中心机房联接。
附表1:(综合布线及网络设备清单)网络项目要求、布线规范要求:整个网络的布线和设计要符合规定的GB/T 50311-2000《建筑与建筑群综合布线系统工程设计规范》网络中心机房位于六楼,其他信息点都与该中心机房联接。
承建商在施工时先设计各楼层布线的走线、各信息点的安装分布图,经用户同意后进行安装,否则要求返工,并且所有返工的费用全部由承建方负责。
、对网络设备及网络线材的要求:为保证校园网络运行的稳定性。
要求提供成功应用案例较多的品牌中选择(提供典型用户列表)。
产品进口设备必须按国家规定进口。
为方便以后统一网络管理平台,投标产品必须满足交换机、防火墙等网络设备采用同一品牌。
整个网络的布线产品厂商均要求通过ISO等相关质量体系认证(提供证明材料)。
为了防止假冒产品使用在该项目中,中标承建商在开始施工前必须向用户方提供所有网络设备、综合布线、杀毒软件厂家提供的针对该项目的正品出货证明原件。
综合布线系统中标后提供质保年限承诺证明原件。
所有产品必须为正规厂家原装合格产品,材料、设备到场后由用户验收合格后方可施工。
对投标方及售后服务的要求投标方须配合用户根据用户的实际情况做好网络的相关配置及网络安全系统并可有效的智能防网络攻击,网络病毒等。
2、网络硬件建设是信息化建设的基础,承建商必须提供网络技术支持、协助其他基于网络应用的工程承建商搞好用户的信息化建设。
技术参数要求:附表1:▲24FE口+4千兆端口IPv4/IPv6双协议三层交换机参数要求表:附表2:▲防火墙指标参数要求表:附表3:▲服务器参数要求表:附表4:防病毒软件参数要求表:附表5:▲综合布线材料参数要求表:说明:1、以上带“★”号部分技术参数及设备清单列表中参数为必须响应指标,否则视为无效投标处理。
2、标有“▲”的产品必须提供由生产厂家出具的详细的参数响应偏离表,表内必须清晰列明所有参数具体数值,未列明具体参数数值的视为负偏离。
并提供生产厂家投标授权书原件,未提供上述资料视为无效投标处理。
综合布线系统设备清单1. 综合布线系统概述综合布线系统是建筑物内部网络通信的基础设施,它负责将各种数据、语音和视频信号传输到建筑各个区域和终端设备上。
综合布线系统主要由电缆、连接器、配线架、面板端口和其他相关设备组成。
该文档将提供一份综合布线系统的设备清单,其中包括常见的设备类型和规格,并描述了每种设备的功能和用途。
2. 综合布线系统设备清单2.1 电缆•类别 5e 电缆:用于传输以太网数据信号,支持最高传输速率为1Gbps。
•类别 6 电缆:用于传输以太网数据信号,支持最高传输速率为10Gbps。
•光纤电缆:用于传输高速数据信号,支持更长的传输距离和更高的带宽。
2.2 连接器•RJ45 连接器:用于连接电缆和网络设备,支持类别 5e 和类别 6 电缆。
•光纤连接器:用于连接光纤电缆和网络设备,常见的类型包括 LC、SC 和 ST 等。
2.3 配线架•机架式配线架:用于支持连接器和电缆,通常安装在机房或配线间。
常见的规格有 24U、42U 等。
•墙壁式配线架:用于支持连接器和电缆,通常安装在办公室或会议室的墙壁上。
2.4 面板端口•类别 5e 面板端口:用于连接电缆和设备的类别 5e 接口。
•类别 6 面板端口:用于连接电缆和设备的类别 6 接口。
•光纤面板端口:用于连接光纤电缆和设备的光纤接口。
常见的类型包括 LC、SC 和 ST 等。
2.5 其他设备•管线槽:用于布设电缆和连接器的管道,通常安装在墙壁、地板或天花板上。
•吊线架:用于支持电缆和连接器的架空安装方式,常见于大型办公楼或商业中心。
•机柜:用于安装网络设备和配线架,保护设备并提供整齐的布线环境。
3. 综合布线系统设备的选择和安装要点在选择和安装综合布线系统设备时,需要考虑以下要点:•选择合适的电缆类型和规格,根据系统的需求和预算确定最佳选择。
•确保连接器的质量和兼容性,保证信号传输的可靠性和稳定性。
•根据实际布线需求选择配线架的类型和规格,满足设备的数量和布线的复杂程度。
D01综合布线系统设备清单(方案一)序号设备名称型号原产地/品牌数量单位单价金额1单口面板M10CF-262AVAYA/美国168块2双口面板M12CF-262AVAYA/美国89块36类RJ45模块MGS400BH-262AVAYA/美国253个4超5类RJ45模块(语音用)MPS100E-262AVAYA/美国93个524口六类非屏蔽配线架PM-GS3-24AVAYA/美国16个6100对配线架110ABL-100FT AVAYA/美国4个7300对配线架110ABL-300FT AVAYA/美国1个824口光纤箱(机柜安装)AVAYA/美国1个912口光纤箱(机柜安装)AVAYA/美国4个10光纤耦合器AVAYA/美国20个11线槽式治理架AVAYA/美国20个1219英寸机柜40U HYB1966-20中国/鸿雁5个13附件中国/杭州1批设备合计施工安装费光纤熔接费总计D01综合布线系统设备清单(方案二)序号设备名称型号原产地/品牌数量单位单价金额1单口面板009-110-FP-1BSP通贝/美国168块2双口面板009-110-FP-2BSP通贝/美国89块36类RJ45模块009-6-RJ45110U通贝/美国253个4超5类RJ45模块(语音用)0PJNUD通贝/美国93个524口六类非屏蔽配线架009-6-24U-24P通贝/美国16个6100对配线架009-110BA-100通贝/美国4个7300对配线架009-110BA-300通贝/美国1个824口光纤箱(机柜安装)通贝/美国1个912口光纤箱(机柜安装)通贝/美国4个10光纤耦合器通贝/美国20个11线槽式治理架通贝/美国20个1219英寸机柜40U HYB1966-20中国/鸿雁5个13附件中国/杭州1批设备合计施工安装费光纤熔接费总计D01有线电视系统设备清单序设备名称型号原产地/品牌数量单位单价金额号1 双向干线放大器嘉兴/嘉华 1 台2 四分配器嘉兴/嘉华 2 只3 三分配器嘉兴/嘉华 3 只4 四分支器嘉兴/嘉华12 只5 二分支器嘉兴/嘉华13 只6 用户终端嘉兴/嘉华59 只7 附件 1 批设备合计施工安装费总计D01公共广播系统设备清单序号设备名称型号原产地/品牌数量单位金额备注12 6W吸顶扬声器 1 DSP-116 广东DSP 37 只13 6W壁挂扬声器 6 DSP-501 广东DSP 45 只14 6W音量开关WH-1F 广东DSP 45 只设备合计施工安装费总计安装工程预算表(套用94定额)建设单位:金华职业技术学院工程名:教学楼D01序号定额编号项目名称工程量单位单位价值(元)总价值(元)备注主材安装费其中工资主材安装费其中工资12-703砖.混泥土结构暗配电线管敷设公称口径20mm49.87100米永康升达KBG管22-702砖.混泥土结构明配电线管敷设公称口径25mm27.07100米永康升达KBG管32-713砖.混泥土结构明配钢管敷设公称口径50mm0.45100米42-715砖.混泥土结构明配钢管敷设公称口径100mm0.67100米52-943暗装接线盒安装接线盒39.610个62-944暗装接线盒安装开关盒51.510个710-505桥式桥架安装螺栓固定200*100117.810米杭州鸿雁或远大桥架810-505桥式桥架安装螺栓固定(100+50)*1002510米杭州鸿雁或远大桥架910-505桥式桥架安装螺栓固定100*501910米杭州鸿雁或远大桥架1010-505桥式桥架安装螺栓固定300*100510米杭州鸿雁或远大桥架112-490焊端接线端子16mm2以内85.410个122-768金属软管敷设管经32mm1000mm以内83.710米13ZSC-1-1金属膨胀螺栓钻孔安装M10*10035410套142-939明装接线箱300*200*150 2.610个152-939明装接线箱600*400*200110个安装工程预算表建设单位:金华职业技术学院工程名:教学楼D01序号定额编号项目名称工程量单位单位价值(元)总价值(元)备注主材安装费其中工资主材安装费其中工资162-501一样铁构件制作(镀锌) 1.6吨(平米)172-502一样铁构件安装 1.6吨(平米)1812-659 天诚SYWV-75-7 11.81100米上海天诚19C2-659 天诚SYWV-75-5 10.9100米上海天诚20C2-783H1美国AVAYA或通贝超五类线51.44100米AVAYA 1061004CSL通贝009-5E-24U4P-BL21C2-783H1美国AVAYA或通贝六类线188.7100米AVAYA 1081004ESL通贝009-6-24U-4P222-773 上海天诚ZR-4*1.0阻燃工程音响线30.7100米上海天诚232-695H 美国AVAYA或通贝5类25对大对数线缆 6.1100米AVAYA 106125CSL 通贝009-5-24U-25P242-695H 美国AVAYA或通贝八芯多模光缆 5.5100米AVAYA通贝009-MD-IDF-8C25C2-659 天诚ZR-SYV75-5 2 100米`上海天诚262-773 天诚ZR-RVV3*1.0电源线、操纵线4100米上海天诚272-773 天诚ZR-RVVP4*1.5 2100米上海天诚安装工程预算表建设单位:金华职业技术学院工程名:教学楼D01序号定额编号项目名称工程量单位单位价值(元)总价值(元)备注主材安装费其中工资主材安装费其中工资282-703接地槽挖.填方坚土,槽0.910立方米292-702钢性套管制作(1)8010个合计教学楼D01报价表建设单位:金华职业技术学院工程名:教学楼D01序号项目名称金额(人民币元)备注1 综合布线系统2 有线电视系统3 公共广播系统4 管线安装工程5 其他不可预见费用6 配合费7 税金总计优待报价。
用料清单服务器:核心交换机:一到四楼交换机:五、六楼交换机:服务器机柜:交换机机柜:RJ-45模块:RJ-45面板:RJ-11模块:RJ-11面板:水晶头:PC管:PC线槽:整幢楼的用线量=ΣNC(m)•N--楼层数;•C--每层楼用线量;•C=[0.55×(L+S)+6]×n(m);•L--本楼层离水平间最远的信息点距离;•S--本楼层离水平间最近的信息点距离;•n--本楼层的信息插座总数;•0.55--备用系数;•6--端接容差。
一楼:信息点(31,31)管理间离最远信息点距离:74M管理间离最近信息点距离:16M所需网络长度S1=(0.55*90+6)*31=1720.5二楼:信息点(36,36)管理间离最远信息点距离:74M管理间离最近信息点距离:12M所需网络长度S2=(0.55*82+6)*34=1737.4三楼:信息点(36,36)管理间离最远信息点距离:74M管理间离最近信息点距离:16M所需网络长度S3=(0.55*90+6)*36=1998四楼:信息点(36,36)管理间离最远信息点距离:74M管理间离最近信息点距离:16M所需网络长度S4=(0.55*90+6)*36=1998五楼:信息点(45,45)管理间离最远信息点距离:70M管理间离最近信息点距离:12M所需网络长度S5=(0.55*82+6)*45=2299.5六楼:信息点(45,45)管理间离最远信息点距离:70M管理间离最近信息点距离:12M所需网络长度S6=(0.55*82+6)*38=1941.8七、八楼离管理间的距离分别是:S7=30M、S8=36M,信息点数量:(2、2)、(2、2)S=S1+S2+S3+S4+S5+S6+S7+S8=11695.2则用线箱数=S/305+1=11695.2/306=39双绞线产品如下:跃图超五类非屏蔽双绞线375元产品适用:1000Base-T最大单段:100米传输速率:100Mbps包装长度:305米双绞线总价格:T1=39*375=14625元水晶头:双绞线——西门创通超五类4对非屏蔽电缆UTP型/DTT-C5-11048水晶头——SunnyGreen 超五类水晶头参数(2元)RJ—45模块——TCL 超五类免打线式RJ45信息模块参数(27)RJ—11模块——辉宏时代电话语音模块(HHT-RJ11M)参数(7元)RJ—45面板——Rosenberger 86型RJ45单孔平接面板参数(6元)核心交换机-----艾泰SG3224F,该交换机属于千兆级交换机,能够满足学校作为核心交换机的需要机房或者实训室交换机——H3C S1526(1050元),阮洪利1:05:54一到四楼教室交换机——TP-Link TL-SF1048(1050元),阮洪利1:06:11服务器机柜--------WE-02威尔机柜(3465元),产品优点:前后网孔门,外型美观,方便散热,适合长途运输!信价比最高的一款机柜!阮洪利1:06:19交换机机柜--------奥科OKE 普通型机柜(OKE18812B)(380元)。