某集团公司文书档案管理流程
- 格式:doc
- 大小:21.50 KB
- 文档页数:1
文书档案管理制度文书档案管理是企业规范化管理的重要内容,也是企业发展过程中的重要见证资料。
文书档案的规范化管理是企业走向规范和成熟的重要条件,为进一步完善文书档案管理工作,结合本公司实际,制订本制度。
一、收文制度1、凡公司收到的文件、函、电报均由收发人员统一签收、拆封、编号、登记(函、电报直接分送有关部门),及时送质管部主管领导签批后,分送有关领导阅批,部门阅办,并在文件传阅、处理单上签字。
文件阅后及时收回归档,送各部门的文件,由各部门指定专人保管,阅后及时送还。
2、公司领导及有关部门及时阅文,凡需收回的文件如数退回,不得积压、丢失。
3、外出参加会议带回的公文应交文书登记,个人不得保存任何文件。
二、发文制度1、凡以公司名义发出的公文,拟稿人必须用规定文稿纸撰稿,由部门领导签字,统一送秘书核稿,经领导审核签发(属董事会的由董事长签发,属公司的由总经理签发),由文书统一登记、统一印制。
凡本公司缮印发出的公文(含定稿和两份打印的正件与附件、批复请示、转发文件含被转发的原件)交两份给文书统一收集管理。
2、公司会签外单位文件,经相关部门和领导审核后会签。
外单位会签公司的文稿,由相关部门起草,秘书核稿,公司领导签发后,再送有关部门会签。
3、联合发文经公司领导及联合发文单位领导分别签批后由文书统一编号、印发。
三、档案管理制度(一)归档范围1、本公司的历史沿革、大事记及反映本公司重要活动的剪报、照片、录音、录像等。
2、重要会议材料,包括会议____通知、报告、决议、领导人讲话、典型发言、会议简报、会议记录等。
3、公司在发展过程中获得的被国家或社会认证或认可的证明其实力和相关资格的证书材料等。
4、公司经营管理活动中产生的各种文件材料(即内____文件),如规章制度、调研材料、机构调整、人事任免、部门管理职能性文件、部门岗位职责等。
5、上级机关发来的与本公司有关____决定、决议、指示、命令、条例、规定、计划等文件材料。
文件档案管理制度流程(7篇)文件档案管理制度流程(7篇)在社会经济不断繁荣富强的今天,无论是什么工作的管理,都少不了规章制度的制定。
那么,你真正懂得怎么制定制度吗下面是由小编给大家带来的文件档案管理制度流程7篇,让我们一起来看看!文件档案管理制度流程篇1一、为规范公司档案管理,增强公司档案的实用性和有效性,特制定本制度。
二、归档范围公司的规划、年度计划、统计资料、财务审计、会计档案、劳动工资、经营情况、人事档案、会议记录、决定、委托书、协议、合同、项目方案、通知等具有参考价值的文件资料。
三、公司的档案管理由总经理办公室档案室档案管理员负责。
四、档案管理员的职责:保证公司及各部门的原始资料及单据齐全完整、安全保密和使用方便。
五、资料的收集与整理1、公司的归档资料实行季度归档及年度归档制度,即:每年的四、七、十和次年的一月和每年二月份为公司档案资料归档期。
2、在档案资料归档期,由档案管理员分别向各主管部门收集应该归档的原始资料。
各主管部门经理应积极配合与支持。
3、凡应该及时归档的资料,由档案管理员负责及时归档。
4、各部门专用的收、发文件资料,按文件的密级确定是否归档。
凡机密以上级的文件必须把原件放入档案室。
5、档案管理员根据公司的《文书立卷归档管理制度》实施档案归档整理。
六、资料的分类与归档1、公司档案资料的分类依据《文书立卷归档管理制度》的有关规定执行。
2、公司档案资料的归档每年一次,属于平时立卷归档的不在此规定范围内。
七、档案的借阅1、总经理、副总经理、总监、总经理办公室主任借阅非密级档案可直接通过档案管理员办理借阅手续。
2、因工作需要,公司的其他人员需借阅非密级档案时,由部门经理办理《借阅档案申请表》送总经理办公室主任核批。
3、公司档案密级分为绝密、机密、秘密三个级别,绝密级档案禁止调阅,机密级档案只能在档案室阅览,不准外借;秘密级档案经审批可以借阅,但借阅时间不得超过4小时。
秘密级档案的借阅必须由总经理或分管副总经理批准。
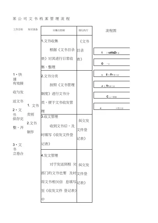
某公司文书档案管理流程工作目标
1•快
速
有效接
收与发
送文书
2•文书
保存完整、齐
3•文书
立卷合1.
关键点控制细化执行
1.文书收集
根据《文书目录
表》对其进行日常收
集、整理
《文书
目录
表》
2.文书分类
按照《文书管理
制度》进行文书分
类,便于文书收发管
理
3.收文管理
收到文书后,及
时填写《收发文件登
记表》
糾攵发
文件登
记表》
4.发文管理
对于发送到相关
部门的文书也要及时
将文书相关信息填写
至《收发文件登记表》
中
糾攵发
文件登
记表》
知识准备
文书
类别
2.文书
制作
流程图
1 于rztfidZr 隹
O "卄
Q il竹Fr霑工田
A左Yr甜工田
C △宀型钿
a兴霑工田。
集团公司档案管理工作流程(12项)1. 引言档案管理是集团公司运营中非常重要的一个环节。
一个良好的档案管理系统能够确保公司的信息安全和高效性。
在本文档中,我们将详细说明集团公司档案管理的12个重要步骤。
2. 梳理档案类型在开始档案管理的工作流程之前,首先需要梳理集团公司的档案类型。
这些档案类型可以包括财务报表、合同文件、员工档案、产品文档等等。
通过对档案类型的梳理,可以更好地组织和管理档案。
3. 设立档案管理部门档案管理需要专门的人员进行负责。
因此,集团公司需要设立档案管理部门,并确定档案管理部门的职责和权限。
档案管理部门负责管理和维护公司的档案系统,并为其他部门提供档案查询和借阅服务。
4. 制定档案管理政策和流程集团公司需要制定一套档案管理政策和流程,以确保档案管理的规范性和一致性。
这些政策和流程应该包括档案的归档、借阅、销毁等环节,并明确相关的操作规范和责任人。
5. 数字化档案管理系统的建立在现代化的信息技术环境下,数字化档案管理系统是必不可少的。
集团公司需要投资建立一个高效的数字化档案管理系统,以便更好地管理和查询档案。
该系统应该具备安全性、可靠性和易用性。
6. 档案归档流程档案归档是档案管理的重要环节之一。
在集团公司档案归档流程中,需要明确档案的归档标准和归档要求,并指定相关的归档人员。
归档人员应该按照标准和要求将档案进行分类、整理和记录,并确保档案的完整性和安全性。
7. 档案借阅流程档案借阅是指其他部门或人员向档案管理部门申请借阅档案。
在档案借阅流程中,需要建立一个申请和审批的机制,并规定借阅的时间和条件。
借阅人员在借阅之后需要保证档案的安全,并按时归还档案。
8. 档案销毁流程档案管理工作中,必然会有一些档案需要进行销毁。
在档案销毁流程中,需要明确销毁的标准和程序,并指定相关的销毁人员。
销毁人员应该负责将要销毁的档案进行核实,并按照规定的程序进行销毁,以保证档案的信息安全和保密性。
9. 档案迁移流程在集团公司的发展过程中,可能会出现档案迁移的情况。
公司档案管理制度及流程(优秀3篇)在当下社会,很多情况下我们都会接触到制度,制度是一种要求大家共同遵守的规章或准则。
到底应如何拟定制度呢?这次xxx为您整理了公司档案管理制度及流程(优秀3篇),您的肯定与分享是对小编最大的鼓励。
人事档案管理流程篇一一、受理条件:接收档案的对象1、国有、集体企事业单位,混合所有制企业,私营企业,外商投资企业,民办科研机构、社会公益事业组织以及其他无主管部门单位的在职(法定退休年龄之内)人员;2、律师、会计、审计、公证等社会中介机构,各社会团体的在职人员;3、自主创业和暂未落实工作单位的大中专毕业生;4、出国(境)留学人员;5、辞职或者被辞退的机关工作人员;与用人单位终止或者解除劳动关系的人员以及企事业单位改革中的分流人员。
6、成教、自考、远程教育毕业生(必须有教育部学历认证电子注册备案表)。
二、申请材料:人事档案及人事档案材料原件三、办理流程:1、接收档案的程序(1)、人事档案在学校里的应历届大中专毕业生由所在院校直接将人事档案寄到人才市场管理办管理;(2)、人事档案在各地市人才交流机构管理的流动人员凭本人身份证原件及毕业证书复印件、金华市本级单位录聘用证明(点击下载》》》》》》》)(原籍为金华的毕业生可不提供)到人才市场管理办开具调档函将人事档案转入;(3)、本地户籍的成教、自考、远程教育毕业生(必须有教育部学历认证电子注册备案表),直接将高中档案及大专或本科的学籍档案送到人才市场管理办归档。
2、档案材料归档要求:从中学开始至当事人最高学历,每一阶段的学籍材料、每一阶段工作经历材料都要归档(材料必须完整齐全),包括下列材料:(1)、整套学籍档案;(2)、干部履历表现或职工登记表;(3)、历年年度考核表;(4)、历年工资审批表;(5)、毕业生报到及调动介绍信、工作调动的审批表等;(6)、解除聘用关系的审批表或批复、退工证明等;(7)、劳动合同;(8)、加入党团组织材料;(9)、职称初定、评聘或资格考试材料;(10)、其他如奖惩材料、职务任免材料等按规定应归入档案的材料3、档案转出:人事档案转出须交清档案管理费用。
公司文件档案管理制度一、总则为规范公司文件档案管理工作,提高档案管理效率和安全性,依据相关法律法规和公司管理制度,制定本档案管理制度。
二、档案管理范围本制度适用于公司所有部门、单位的文件档案管理工作,包括纸质档案和电子档案。
三、档案管理职责1.公司文件档案管理部门负责整个公司的档案管理工作,包括档案的采集、整理、归档和借阅等工作。
2.各部门负责本部门文件档案的管理工作,保证文件档案的完整性、真实性、保密性和可查性。
3.公司领导负责档案管理工作的监督和检查,确保档案管理工作的顺利进行。
四、档案管理流程1.档案采集:各部门每天定时将产生的文件进行采集,分门别类整理。
2.档案归档:对已整理好的文件进行归档,按照文件的类型、重要程度进行分类存放。
3.档案借阅:员工需要查阅档案时,填写借阅申请表格,经过部门主管审批后方可查阅。
4.档案销毁:对于已经过期或无用的档案,按照相关规定进行销毁处理。
五、档案管理原则1.真实性原则:对于档案内容应真实准确,不得篡改或隐瞒任何信息。
2.保密性原则:对于需要保密的档案应加密存放,避免泄露。
3.可查性原则:对于需要查阅的档案应方便员工进行查询。
4.整理规范原则:文件档案的整理应按照一定的序列和规范进行,便于管理和查阅。
5.保护原则:对于重要档案应加强保护,防止遭到损坏或丢失。
六、档案安全保护1.对于电子档案,设置密码进行保护,定期备份数据,防止数据丢失。
2.对于纸质档案,设置保险箱或密封柜进行保护,避免被人非法取阅。
3.严格控制档案的借阅权限,避免档案泄露。
4.定期检查档案的存放状态,保持档案的完好性。
七、违规处理对于违反档案管理制度的行为,公司将视情节轻重给予相应的处理,包括警告、记过、记大过等处罚。
八、附则1.本档案管理制度经公司领导批准后施行,如有需要修改,须经公司领导同意后方可调整。
2.本档案管理制度解释权归公司领导层所有。
以上为公司文件档案管理制度,各部门和员工要严格遵守,确保公司档案管理工作顺利进行。
一、总则为加强公司文书档案的管理,确保档案的完整、准确、安全和有效利用,根据《中华人民共和国档案法》及相关法律法规,结合公司实际情况,特制定本制度。
二、档案管理机构及职责1. 公司设立档案管理部门,负责公司文书档案的统一管理、监督和指导。
2. 档案管理部门职责:(1)贯彻执行国家有关档案管理的法律法规和方针政策;(2)制定公司档案管理制度和实施细则;(3)负责公司文书档案的收集、整理、鉴定、归档、保管、统计、提供利用等工作;(4)组织档案工作人员的培训、考核;(5)负责档案的保密工作。
三、档案管理范围及内容1. 档案管理范围:(1)公司内部形成的各种文件、资料、图表、照片、录音、录像等;(2)公司对外交流、合作、招投标等活动中形成的文件、资料;(3)公司各类合同、协议、许可证、资质证书等。
2. 档案管理内容:(1)公司组织机构、人事变动、规章制度、会议记录等;(2)公司生产经营、项目管理、技术改造、研发等活动形成的文件、资料;(3)公司对外交流、合作、招投标等活动中形成的文件、资料;(4)公司各类合同、协议、许可证、资质证书等。
四、档案管理制度及流程1. 档案收集制度:(1)各部门应按照档案管理要求,及时将形成的文件、资料送交档案管理部门;(2)档案管理部门对收集的档案进行审查、整理、归档。
2. 档案整理制度:(1)档案管理部门对收集的档案进行分类、编号、编目;(2)对档案进行鉴定、整理、装订;(3)对档案进行数字化处理,实现档案电子化管理。
3. 档案保管制度:(1)档案管理部门应建立健全档案保管制度,确保档案安全;(2)档案库房应保持通风、防潮、防虫、防鼠、防火、防盗等;(3)档案管理人员应定期检查档案保管情况,发现问题及时处理。
4. 档案利用制度:(1)档案管理部门应建立健全档案利用制度,确保档案的合理利用;(2)档案利用者应遵守档案利用规定,不得擅自复制、泄露档案内容;(3)档案管理人员应做好档案利用登记工作。
第一章总则第一条为加强公司文书档案管理工作,确保档案的完整、准确、安全和有效利用,依据《中华人民共和国档案法》及相关法律法规,结合公司实际情况,特制定本制度。
第二条本制度适用于公司内部所有文书档案的收集、整理、保管、利用、鉴定和销毁等工作。
第三条公司各部门应积极配合档案管理部门,共同做好文书档案管理工作。
第二章档案管理机构及职责第四条公司设立档案管理部门,负责公司文书档案的统一管理和监督。
第五条档案管理部门的主要职责:(一)贯彻执行国家档案法律法规和政策,制定公司档案管理制度及操作流程;(二)负责公司文书档案的收集、整理、归档、保管、鉴定、销毁等工作;(三)负责档案库房的管理,确保档案安全;(四)负责档案的查询、借阅、利用等工作;(五)负责档案统计、报告和年度总结等工作;(六)负责档案管理人员的培训和业务指导。
第三章文书档案的收集与整理第六条文书档案的收集:(一)各部门应按照档案管理要求,及时将形成的具有保存价值的文书档案报送档案管理部门;(二)档案管理部门应定期检查各部门档案收集情况,确保档案收集齐全。
第七条文书档案的整理:(一)档案管理部门对收集到的文书档案进行分类、编号、编目、装订等整理工作;(二)档案管理部门应按照档案保管期限表对档案进行分类,分别立卷、归档。
第四章文书档案的保管与利用第八条文书档案的保管:(一)档案管理部门应建立健全档案库房,确保档案安全;(二)档案管理部门应采取防火、防盗、防潮、防虫、防尘等措施,确保档案实体安全;(三)档案管理部门应定期对档案进行检查、维护,确保档案完整。
第九条文书档案的利用:(一)档案管理部门应按照档案管理要求,为用户提供档案查询、借阅等服务;(二)档案管理人员应严格执行借阅制度,确保档案安全;(三)档案管理人员应指导用户正确使用档案,提高档案利用效率。
第五章文书档案的鉴定与销毁第十条文书档案的鉴定:(一)档案管理部门应按照档案保管期限表,对档案进行鉴定;(二)鉴定工作应遵循客观、公正、科学的原则,确保档案鉴定结果准确。
办公室档案管理工作流程办公室档案管理工作相关人员工作职责、工作标准1文书员1.1工作职责1.1.1负责公文档案的初步收集保存工作。
负责公文档案的整理编号工作。
1.1.2负责公文档案的装订成册工作。
负责公文档案的移交工作。
1.2工作标准1.2.1不得私自借于外单位及个人公文档案,保证所有公文档案的完整性。
1.2.2制定详细的公文编号及索引目录。
1.2.3将公文按行文性质和日期先后顺序分类,并装订成册。
1.2.4每年三月份以前将上一年所有公文档案移交档案室,并办理档案交接手续。
2档案管理员2.1工作职责2.1.1负责档案资料的整理工作。
2.1.2负责档案资料的分类、编号、索引编制工作。
2.1.3负责档案资料的归类入库工作。
2.1.4负责日常档案资料的维护和保养工作。
负责档案室的卫生保洁及通风工作。
2.2工作标准2.2.1档案资料分类正确、编号明确、索引健全。
档案保存完好无缺。
日常维护及时正确。
2.2.2档案库房内资料摆放按自然形成规律和内部有机联系摆放,方便查找利用,严格做好档案“八防”工作,保证档案资料妥善保存;保证档案柜无浮灰、档案室温度恒定。
2.2.3严禁泄密。
3办公室主任3.1工作职责3.1.1负责办公室档案管理的全面监督管理工作。
3.2工作标准3.2.1审核归档材料的完好情况,确保资料完整无缺。
3.2.2及时督促各业务科室做好材料归档工作。
3.2.3将归档材料及时移交档案室,做到不拖延、不泄密。
3.2.4每季度至少组织一次档案室各项工作大检查,发现问题及时指导整改。