软硬包基础知识及施工工艺注意事项
- 格式:pdf
- 大小:7.51 MB
- 文档页数:19
软硬包基础知识及加工工艺软硬包Soft and hard package材料版块【软硬包】材料探秘关键词:#软包知识#硬包知识#软包吊顶#1 软包简介■软包、硬包是现代室内装饰中重要的组成部分。
■软包是指一种在室内墙表面用柔性材料加以包装的墙面装饰方法。
■软包是由:板材、面料、填充物、其他试件四种组成。
■板材:夹板(胶合板)、密度板(密度好,质地光滑)、阻燃板(防火阻燃性能达到E1级)。
■面料:PVC(质地硬,耐磨)、PU(手感柔软)、韩国进口面料(防潮、吸湿、耐脏)。
■填充物:聚氨酯泡沫(海绵)质地柔软,不耐火。
■软包的作用•柔化整体空间氛围,其纵深的立体感亦能提升家居档次。
•它具有阻燃,吸音,隔音,防潮,防霉,抗菌,防水,防油,防尘,防污,防静电,防撞的功能。
•软包具有防震、缓冲的作用。
•易于保养。
表面浮尘及碎屑用吸尘器处理即可,若发现污渍应及时祛除,一般先用稀释的清洁剂在污渍处刷,再用干净的抹布擦去泡沫即可。
•健康环保。
施工时只需以专用环保胶水直接黏贴,既节省前期墙面处理工序,又杜绝了化学品。
清洁方面也比较方便。
■适用范围高档宾馆、会所、KTV、高档小区的商品房、别墅。
■在软包种类可划分为3大类•常规传统软包。
施工工艺:先用基层板(9厘或12厘板)铺设,然后上面加一层3~5CM厚的泡抹垫,再用布艺或者人造皮革或者真皮饰(包)面。
•型条软包。
施工工艺:先将型条按需要图形固定在墙面,中间填充海绵,最后用塞刀把布或皮革塞在型条里。
•皮雕软包.皮雕软包是一种新型软包。
是用专用模具经高温一次热压成型。
款式新颖,阻燃耐磨。
■软包的优势■软包背景墙装修材料选择•注重软包材料的耐脏性:软包一般不能清洗,所以必须选择耐脏,防尘性良好的专业软包材料。
•注重软包材料的防火性:对软包面料及填塞料的阻燃性能需要严格把关,达不到防火要求的,坚决不能使用。
•根据装修风格选软包材料:对于软包材料的选择,应该根据风格等来选择,以便营造所需要的环境气氛。
锂电池PACK基础知识及电芯组装应用介绍锂电池PACK(Pack Assembly Circuit Kit)是指由多个锂电芯组成的电池组件块,主要用于储存和提供电能。
PACK是锂电池应用领域的重要组成部分,广泛应用于电动汽车、移动电子设备和储能系统等领域。
以下将介绍锂电池PACK的基础知识及其电芯组装应用。
一、锂电池PACK的基础知识1.锂电芯2.电芯包装电芯在组装成锂电池PACK之前需要进行包装,常用的包装方式有软包装和硬包装两种。
软包装具有灵活性好、散热性能好等优点,主要用于移动电子设备。
硬包装由金属材料制成,具有较高的安全性和耐用性,主要用于电动汽车等领域。
3.电芯管理系统电芯管理系统(Battery Management System,BMS)是指对电芯进行检测、监控和控制的系统。
BMS能够实时监测电芯的电压、温度、电流等参数,保证电芯的安全、稳定运行。
BMS还具有均衡充放电、故障诊断等功能,提高了锂电池PACK的性能和可靠性。
二、锂电池PACK的电芯组装应用1.电动汽车2.移动电子设备随着智能手机、平板电脑和笔记本电脑等移动电子设备的普及,锂电池PACK在这些设备中的应用也越来越广泛。
移动电子设备对锂电池PACK的要求主要包括体积小、重量轻、能量密度高等方面。
同时,为了提高电池的使用寿命,移动电子设备通常采用充电管理系统对电池进行管理,包括电池的充放电控制和温度监测等功能。
3.储能系统储能系统是将电能进行储存和调度的系统,用于平衡电网的供需关系。
锂电池PACK在储能系统中的应用主要包括储能电站和家庭储能系统。
储能电站通常由大容量的锂电池PACK组成,用于储存太阳能和风能等可再生能源的电能。
家庭储能系统则主要用于家庭电力的储存和供应,提高家庭的能源利用效率。
总结:锂电池PACK是由多个锂电芯组装而成的电池组件块,广泛应用于电动汽车、移动电子设备和储能系统等领域。
锂电池PACK的组装过程需要注意电芯的包装方式、电芯管理系统的选择和质量控制等因素,以保证电池组的性能和安全性。
印刷、制版基础知识第一节印刷基本知识一、印刷的五大要素1.原稿:原稿是整个制版、印刷工艺中的依据,直接关系到印刷品的艺术效果和复制还原效果。
凹印制版常见原稿有:黑稿、彩稿、印刷品原稿、摄影原稿、设计光盘原稿等。
2.印版:印版即提供印刷用的模版,它是由原稿到印刷品的印刷过程中重要的媒介物。
印版因着墨和不着墨部分的结构形式不同而分为凸版、凹版、平版和孔版四类。
其功能是根据原稿,区分出图文部分与非图文部分,使非图文部分形成空白不接受油墨,而图文部分则接受油墨,在印刷时,使附着油墨的图文转移到承印物的表面,从而完成一色的印刷。
3.油墨:油墨是获得印刷图文的主要材料之一,是体现原稿色彩的重要因素。
油墨的种类很多,主要根据印版种类、印刷形式、承印材料的不同而区分,凹版包装印刷油墨主要有里印油墨、表印油墨两大类,其中里印油墨又可分为PVC用油墨、OPP用油墨、PET用油墨等。
4.承印材料:承印材料指印刷过程中承载图文墨色的材料。
凹版包装印刷的承印材料主要有纸张、薄膜、铝箔等。
薄膜又包括聚乙烯(PE)、聚丙烯(PP)、聚氯乙烯(PVC)、聚脂(PET)等。
5.印刷设备:印刷设备主要指印刷、复合等机械,是实现印刷品生产的关键。
二、印刷种类1.凸版印刷:凸版印刷简称凸印,俗称铅印,历史最久。
目前我国印刷行业采用较多的活字版和铜锌版印刷。
2.凹版印刷:凹版印刷简称凹印,其图文部分低于印版表面的空白部分。
我国的软包装印刷主要是采用凹版印刷。
右图为凹版印刷方式图解。
3.平版印刷:其印版上的图文和空白两部分几乎处在同一平面上,故称为平版印刷。
胶印是常见的平版印刷方式。
平版印刷不是直接印刷,而间接印刷。
4.孔版印刷:孔版属于透过性印刷,利用细金属网透空的特性,将图文部分镂空而非图文部分以抗墨性胶质体保护,油墨置于版面上以刮版刮压,油墨透过镂空的图文部分转移到承印物上。
常见的孔版印刷方式是丝网印刷,现在仍然应用广泛。
第二节凹版印刷的特点及国内凹印的发展一、凹版印刷的特点1.墨层厚实,墨色均匀。
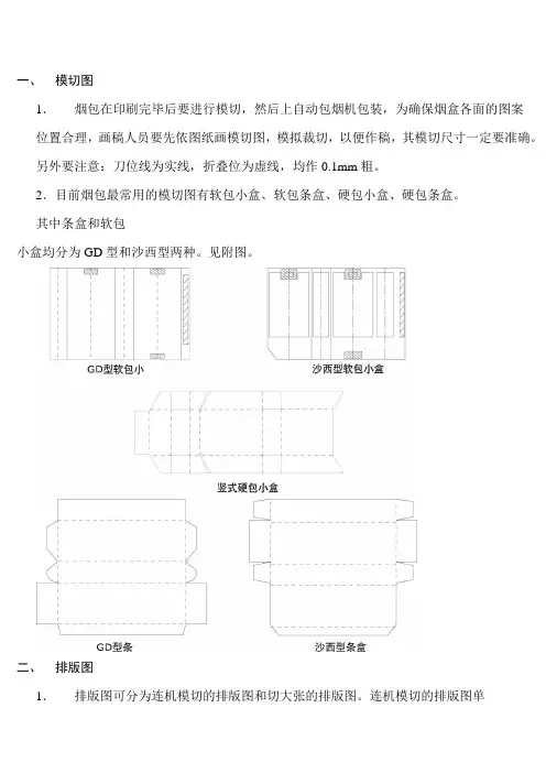
一、模切图1.烟包在印刷完毕后要进行模切,然后上自动包烟机包装,为确保烟盒各面的图案位置合理,画稿人员要先依图纸画模切图,模拟裁切,以便作稿,其模切尺寸一定要准确。
另外要注意:刀位线为实线,折叠位为虚线,均作0.1mm粗。
2.目前烟包最常用的模切图有软包小盒、软包条盒、硬包小盒、硬包条盒。
其中条盒和软包小盒均分为GD型和沙西型两种。
见附图。
二、排版图1.排版图可分为连机模切的排版图和切大张的排版图。
连机模切的排版图单元在周向一定是无缝接的。
排版图主要有两个方面:一方面是整体尺寸的计算,加一方面是各种印刷标记。
在制作排版图时,首先要根据客户的原始资料确定整体尺寸将排版图分区,划出虚线框,然后再根据客户要求制作各种印刷标记。
2.印刷标记可分为三大类:A、印刷套准标记,用于监控印刷过程中各色版辊套印准确。
1.用于电眼扫描的套印标记:色标(1)每一种印刷机型都有其相对固定的色标规格。
(2)一般色标上下20MM不能有其它色块,左右1-2MM不能有其它色块(视色块的大小而定)(3)色标三要素(作色、位置、尺寸)有严格的要求。
2.人眼识别的套印标记:(1)没有严格的位置要求,但不能影响成品盒,不能干扰电扫描。
(2)一般包括套印“十”字线、套印检测框、套印纠偏线及方向箭头,作色至少为两色相压。
B:裁切标记和模切标记:1.电眼扫描的裁切标记和人眼识别的裁切标记。
(1)电眼扫描的裁切标记:光电点,其三要素有明确的要求,电眼扫描到光电点后进行切大张。
(2)人眼识别的裁切标记:侧规线、前规线。
侧规线对横向位置有严格要求,前规线对周向位置有严格要求。
前规线与侧规线适用切大张的排版图中用于检测切大张的偏差,以便模切时适当调整模切版的位置。
2.电眼跟踪的模切标记和人眼识别的模切标记。
(1)大多BOBST机有电眼扫描的模切信号,有横向排列的模切信号、纵向排列的模切信号。
模切信号三要素有严格的要求。
玉溪环球与玉溪创新也有模切标记。
软包装销售基础知识专题讲座1. 软包装的概念和特点软包装是一种新型的包装形式,相比传统的硬包装,软包装更加灵活、轻便,并且具有良好的印刷性能。
软包装可以应用于食品、饮料、日化产品等各个领域,成为现代包装业不可或缺的一部分。
软包装的特点主要体现在以下几个方面:•灵活性高:软包装可以根据产品形状和尺寸进行自由调整,能够适应各种不同的包装需求。
•轻盈便携:相比硬包装,软包装更轻薄,便于携带和储存,有利于降低运输成本。
•良好的密封性和保鲜性:软包装通常具有良好的密封性能,能够有效地保护产品的新鲜度和质量。
•良好的印刷性能:软包装材料通常表面光滑,能够实现高质量的印刷效果,提升产品的品质和形象。
2. 软包装销售的重要性软包装在商品销售中起到了至关重要的作用。
软包装作为产品的外包装,不仅仅是保护产品的作用,更重要的是能够通过包装设计和印刷技术,提升产品的形象和品质,吸引消费者的眼球,增加产品的销售。
软包装销售的重要性主要表现在以下几个方面:•产品形象塑造:软包装是产品与消费者之间的桥梁,通过包装设计和印刷技术,能够有效地塑造产品的形象,使产品更具吸引力,增加销售机会。
•品质保障:软包装能够提供良好的密封性和保鲜性能,保证产品在运输和储存过程中的品质,增加消费者对产品的信任度。
•消费者体验:软包装通常具有良好的触感和便携性,能够提升消费者的使用体验,从而增加产品的满意度和忠诚度。
•营销手段:软包装上的印刷信息可以用于产品的宣传和营销,有效地传递产品的特点和优势,吸引更多消费者购买。
3. 软包装销售的策略在软包装销售中,有一些策略可以帮助企业提高销售额和市场份额。
3.1 品牌建设建立一个有影响力的品牌形象是软包装销售的关键之一。
企业应重视包装设计,通过吸引人的外观和独特的标识,塑造品牌形象,在激烈的市场竞争中脱颖而出。
3.2 产品定位软包装销售中,产品的定位非常重要。
企业需要了解目标消费者的需求和偏好,根据市场研究结果对产品的功能、质量和价格进行合理的定位,以满足消费者的需求并提高销售额。
硬包施工方案一、概述硬包施工方案是指在建筑工程中使用硬材料进行封装和装饰的施工方案。
硬包材料一般是指具有一定硬度和强度的材料,如瓷砖、大理石、木材、金属等。
硬包施工方案可以提供良好的防水、防火、隔音和装饰效果,广泛应用于公共建筑、商业空间、住宅等领域。
二、施工前准备1. 设计方案确认:根据建筑设计图纸和客户的需求,制定详细的施工方案。
2. 材料采购:根据设计方案确定所需硬包材料的类型、规格和数量,并进行采购。
3. 施工道具准备:准备好所需的施工工具和辅助设备,如切割机、电钻、螺丝刀、砂纸等。
三、施工步骤1. 表面处理:在施工前,对要进行硬包的表面进行处理。
清除旧涂层、涂料或其他杂质,并修补表面的缺陷和裂缝。
2. 基层处理:根据硬包材料的要求,对基层进行处理。
基层处理包括找平、打磨、刷底漆等工序,以确保基层的平整度和附着力。
3. 板材安装:根据设计方案,对板材进行切割,然后使用专用胶黏剂或螺丝固定在基层上。
板材之间应保持一定的间隙,根据硬包材料的特性选择合适的间隙填充材料。
4. 砖石贴砌:将砖石按照设计方案进行排列和贴砌。
在贴砌过程中,使用专用的砂浆将砖石与基层牢固连接。
贴砌后需要进行打磨和清洁,以获得平整而美观的表面。
5. 涂漆施工:使用适当的涂料对基层进行涂装,以提供保护和装饰效果。
涂漆施工应注意涂料的均匀性和涂层的厚度,避免漏涂或多涂现象。
6. 防护处理:对已完成的硬包施工进行防护处理,以防止施工过程中的污染或损坏。
可以使用覆盖膜、保护胶带等材料进行保护。
四、质量控制1. 施工过程的质量控制:在施工过程中,应定期进行验收和检查,确保施工质量达到预期要求。
对于施工中出现的问题,要及时采取措施进行处理。
2. 施工后的质量控制:施工完成后,进行最终验收,确保硬包施工的质量符合相关标准和要求。
如有发现质量问题,及时修复或更换。
五、安全措施1. 施工人员要佩戴好安全防护装备,如安全帽、防护眼镜、口罩等。
潮湿地区“自呼吸”防霉软(硬)包安装施工工法一、前言随着城市建设和人口增长,如何防止建筑物因潮湿导致的霉菌滋生成为建筑工程面临的一个重要问题。
在建筑物的装修和改建过程中,施工人员经常会遇到因潮湿而导致的问题,因此需要采用一些特殊的工艺和设备来解决。
本篇文章将详细介绍一种针对潮湿地区建筑物中“自呼吸”防霉软(硬)包安装施工工法,帮助读者了解该工法的特点、适用范围、工艺原理、施工工艺、劳动组织、机具设备、质量控制、安全措施、经济技术分析和工程实例等方面的相关内容。
二、工法特点该工法是通过安装软(硬)包在建筑内部形成一个隔离层,以达到防霉的目的。
该工法具有以下特点:1.易于施工:施工过程简单,无需大量的技术工人和高端设备,经济实惠。
2.防水效果显著:软硬包可以防止室内进水,有效解决室内潮湿问题,从而防止霉菌的滋生。
3.环保有效:该工法采用环保材料,不会对环境以及人体健康造成影响。
4.对建筑物造成的破坏小:软硬包装的安装过程不需要在建筑物上打孔或者进行切割等操作,因此不会对建筑物造成任何破坏。
5.施工周期短:施工周期相对较短,可以在较短时间内完成施工任务。
三、适应范围该工法适用于多种类型的建筑物,包括民用住宅、商业办公楼、工业厂房等。
尤其对于处于潮湿地区的建筑物,更加适用。
四、工艺原理该工法的基本原理是通过软(硬)包的材料特性以及施工工艺,形成一个隔离层以防止建筑物受潮。
具体的施工工艺如下:1.筛选材料:根据实际施工环境的特点,选择适合的材料,包括软硬包、粘合剂和密封材料等。
2.准备施工工具:准备好所需要的工具和机器,如手钻、电动机、梯子、施工架等。
3.测量尺寸:根据建筑物的实际尺寸进行准确的测量,并制定合理的施工方案。
4.切割板材:根据实际测量结果和施工方案,使用机器或工具对板材进行切割,以便于安装和拼接。
5.安装板材:首先在建筑物内部的墙体或者天花板上进行粘合处理,然后在粘合剂还没有干透之前安装板材,使用密封材料密封板材与墙体之间的空隙。
软硬沥青复配温拌沥青混合料施工工法软硬沥青复配温拌沥青混合料施工工法一、前言软硬沥青复配温拌沥青混合料是一种新型的道路材料,具有较高的质量和性能,广泛应用于道路施工领域。
本文将介绍软硬沥青复配温拌沥青混合料施工工法的特点、适应范围、工艺原理、施工工艺、劳动组织、机具设备、质量控制、安全措施、经济技术分析以及工程实例。
二、工法特点软硬沥青复配温拌沥青混合料施工工法具有以下特点:1. 通过软硬沥青复配,充分利用两种沥青的特性,提高了混合料的性能和耐久性。
2. 采用温拌技术,可以在常温下进行施工,减少了能源消耗和对环境的污染。
3. 混合料具有较高的抗老化能力,能够长期保持稳定的性能。
4. 施工速度快,施工质量易于控制。
5. 适应性强,可以用于各种不同的道路工程。
三、适应范围软硬沥青复配温拌沥青混合料适用于各种道路工程,包括高速公路、城市道路、乡村道路等。
尤其适用于温度较低的寒冷地区或高寒地区,能够在低温环境下保持良好的性能。
四、工艺原理软硬沥青复配温拌沥青混合料施工工法的原理是在混合料中同时添加软沥青和硬沥青,通过热搅拌使两种沥青充分溶解,形成具有良好性能的沥青混合料。
软沥青具有高黏度、高弹性的特点,能够提高料层的粘结性和寿命;硬沥青具有低黏度、高稳定性的特点,能够提高料层的稳定性和承载能力。
通过复配软硬沥青,可以使混合料达到性能和耐久性的最佳状态。
五、施工工艺软硬沥青复配温拌沥青混合料施工工艺主要包括以下几个阶段:1. 原材料准备:准备好软硬沥青、骨料、填料和添加剂等原材料,并按照设计配比进行称量。
2. 温拌搅拌:将原材料投入到温拌设备中,并通过搅拌使沥青和骨料充分混合,形成均匀的混合料。
3. 运输与卸料:将混合料运输到施工现场,并通过卸料设备将混合料均匀铺设在道路基层上。
4. 压实与养护:使用压路机对混合料进行压实,使其达到设计的密实度;然后进行养护,使沥青混合料充分固化。
六、劳动组织软硬沥青复配温拌沥青混合料施工需要组织一支专业的施工队伍,包括工程师、技术人员、操作工和管理人员等。
大一施工工艺知识点施工工艺是指在建筑工程施工过程中,按照行业规范和技术要求进行施工的方法和步骤。
掌握大一施工工艺知识点,对于新入行的施工人员非常重要。
本文将从安全施工、测量放样、基坑施工、混凝土工程、钢筋工程和砌筑工程六个方面介绍大一施工工艺的基本知识。
一、安全施工安全施工是建筑工程中的首要任务,包括施工现场的安全措施和安全操作规程。
施工现场需要设立安全警示标志,合理布置通道和安全防护设施。
对于高空作业以及危险区域,必须使用安全带和安全网进行保护。
施工人员必须穿戴好头盔、安全鞋等个人防护用品,并遵守相关的安全操作规程。
二、测量放样测量放样是建筑工程中的基础工作,包括平面测量和高程测量。
平面测量主要用于确定建筑物的形状和位置,而高程测量则用于确定建筑物的高度和水平。
测量放样需要使用测量仪器,如测量尺、水平仪、经纬仪等,并遵循测量的精确方法和步骤,以保证建筑物的准确施工。
三、基坑施工基坑施工是建筑工程中的重要环节,涉及到地基处理和基础施工。
地基处理包括挖土、回填和夯实等工作,需要遵循地基处理的标准和技术要求。
基础施工包括地下室、基础墙和地板等的施工,需要使用适当的模板和支撑结构,并按照建筑图纸进行施工。
四、混凝土工程混凝土工程是建筑工程中的重要组成部分,包括混凝土的搅拌、浇筑和养护等工作。
在混凝土搅拌过程中,需要控制水泥、砂浆和骨料的比例,并使用搅拌机进行充分搅拌。
在混凝土浇筑过程中,需要使用模板和支撑结构固定混凝土,并保证浇筑质量和施工速度。
在混凝土养护过程中,需要定期浇水和保持湿润,以确保混凝土的强度和稳定性。
五、钢筋工程钢筋工程是建筑工程中的重要环节,主要包括钢筋的预制、绑扎和固定等工作。
在钢筋预制过程中,需要按照设计要求和构造图纸进行长度和弯曲处理,并保证钢筋的质量和数量。
在钢筋绑扎过程中,需要使用钢筋扎带进行绑扎,并保证绑扎牢固和间距均匀。
在钢筋固定过程中,需要使用支撑和模板将钢筋固定在预定位置,并进行调整和修整。
软包工艺流程基层处理→龙骨、底板施工→整体定位、放线→内衬及预制镶嵌块施工→面层施工→理边、修整→完成其他涂饰材料要求1.机、针织物:织物的材质、纹理、颜色、图案及幅宽应符合设计和招标文件要求和国家现行有关产品规程规范的规定.织物表面不得有明显的跳线、断丝和疵点。
织物本身应符合设计的防火等级要求,否则必须对织物进行阻燃或防火处理。
2.内衬材料:采制、厚度应符合设计和招标文件要求和国家有关产品规程规范的规定。
一般应采用环保、阻燃型泡沫塑料做内衬,厚度一般不大于15mm。
禁止使用非环保型内衬材料。
3.基层及辅助材料:基层龙骨、底板及其他辅材的材质、厚度、规格尺寸、型号应符合设计要求和国家有关材质规程规范的规定。
针织物面层用的气钉应选用蚊钉、胶、防腐剂、防潮剂等均必须满足环保要求。
作业条件1.软包墙、柱面上的水、电、风专业预留预埋必须全部完成,且电气穿线、测试完成并合格,各种管路打压、试水完成并合格。
2。
室内湿作业完成,地面和顶棚施工已经全部完成(地毯可以后铺),室内清扫干净.3.不做软包的部分墙面面层施工基本完成,只剩最后一遍涂层。
4。
门窗工程全部完成(做软包的门窗除外),房间达到可封闭条件.5。
各种材料、工机具已全部到达现场,并经检验合格,各种木制品满足含水率不大于12%的要求。
6.基层墙、柱面的抹灰层已干透,含水率达到不大于8%的要求。
施工方法1、基层处理:(1)在需做软包的墙面上按设计要求的纵横龙骨间距进行弹线,设计无要求时,间距一般控制在400-600mm之间。
再按弹好的线用电锤打孔,孔间距小于200mm、孔径大于φ12mm、深不小于70mm,然后将经过防腐处理的木楔打入孔内。
(2)墙面为抹灰基层或临近房间较潮湿时,做完木砖后必须对墙面进行防潮处理,然后再进行下道工序。
(3)软包门扇的基层面底油涂刷不得少于两道,拉手及门锁应后装。
2、龙骨、底板施工:(1)在事先预埋的木砖上用木螺丝安装木龙骨,木螺丝长度〉龙骨高度+40mm。
长距离穿越软硬不均地层密闭式泥水顶管施工工法长距离穿越软硬不均地层密闭式泥水顶管施工工法一、前言随着城市地下管网建设的不断发展,长距离穿越软硬不均地层的施工需求日益增加。
为了解决这一问题,密闭式泥水顶管施工工法应运而生。
该工法通过采取一系列的技术措施和采用专用的机具设备,能够在软硬不均地层中进行长距离穿越管道施工,具有较高的施工效率和较低的施工风险。
本文将从工法特点、适应范围、工艺原理、施工工艺、劳动组织、机具设备、质量控制、安全措施、经济技术分析和工程实例等方面进行详细介绍。
二、工法特点密闭式泥水顶管施工工法的主要特点包括:施工过程中实施严格的密闭措施,确保工作环境安全;施工效率高,操作简单;适应性强,能够应对各种地质条件;对施工工艺进行全面控制,确保施工质量;对施工机具设备要求较高,保证施工顺利进行。
三、适应范围密闭式泥水顶管施工工法适用于软硬不均地层,能够穿越的地质层包括:软土、砂土、黏土、饱和沙、碎石层、岩石层等。
同时,工法也适用于不同的管道类型,如水利、给排水、石油、天然气等。
四、工艺原理密闭式泥水顶管施工工法的工艺原理主要包括以下几个方面:1.与设计等级泥水平衡。
通过密闭设备与泥浆循环系统协调,保持设计等级泥水层,并通过压力平衡技术控制地表和地下的水平衡。
2.利用推进力达到长距离推进。
通过各种推进力,如机械推力、液压推力等,实现长距离的推进。
3.合理调整施工参数。
通过合理调整推进速度、注浆参数和增加注浆强度等措施,保证顶管的推进稳定性和安全性。
4.控制顶管的姿态和位置。
通过激光水平仪和遥测设备等技术手段,实时控制顶管的姿态和位置,保证施工的准确性和精度。
五、施工工艺密闭式泥水顶管施工工艺主要包括以下几个施工阶段:1.地面准备工作。
包括施工区域的清理和平整,安装施工设备和管道支架,组织好人员和材料。
2.开挖坑道。
采用机械开挖或人工开挖的方式,开挖出符合设计要求的坑道。
3.安装顶管。
将顶管组件逐节安装进入坑道,并采取密闭措施,保证施工过程的安全。
软包装基础课程第一部分包装基材和辅材的基本知识和包装基本工艺一、包装基材的基本种类和性能1、膜类代码及其变化:PET 聚酯 PP 聚丙烯PA(NY)聚酰胺(尼龙) PE 聚乙烯AL 纯铝箔 A.B.C.D 四级油污度PVDC 聚偏二氯乙烯PT 赛珞酚(玻璃纸)PVC 聚氯乙烯EVOH(EVAL)/EVA 乙烯-醋酸乙烯共聚物EMAA 乙烯-甲基丙烯酸共聚物EAA 乙烯-丙烯酸共聚物纸BOPET “B”代表双向“O”代表拉伸(单向拉伸)CPP “C”代表流延KPET “K”表示涂布PVDCKNY 涂布PVDC的NY(80℃以下,10分钟水煮以下)IPP “I”代表吹膜类LDPE “L”代表“低”“D”代表密度HDPE/MDPE “H”代表“高”,“M”代表“中‘MOPP “M” mate,表示消光膜POPP 珠光膜2、几种常用包装基材的特性① PE聚乙烯* 制造工艺:吹膜法、流延法* 特性:无臭,无毒,手感似蜡,具有优良的耐低温性能(最低使用温度可达-70~-100℃),化学稳定性好,能耐大多数酸碱的侵蚀(不耐具有氧化性质的酸),常温下不溶于一般溶剂,吸水性小,电绝缘性能优良..一般来说,随密度升高,机械性能和阻隔性提高,耐热性也好。
*种类: LDPE:低密度聚乙烯、高压聚乙烯LLDPE:线形低密度聚乙烯MDPE:中密度聚乙烯、双峰树脂HDPE:高密度聚乙烯、低压聚乙烯UHMWPE:超高分子量聚乙烯改性聚乙烯:CPE、交联聚乙烯(PEX)*主要用途:如农业用薄膜、地面覆盖薄膜、农膜、蔬菜大棚膜等;包装用膜如糖果、蔬菜、冷冻食品等包装;液体包装用吹塑薄膜(牛奶、酱油、果汁、豆腐、豆奶);重包装袋,收缩包装薄膜,弹性薄膜,内衬薄膜。
UHMWPE:超高分子量聚乙烯的强度非常高,可以用来做防弹衣。
② PP聚丙烯* 制造工艺:流延法(CPP),双向拉伸法(BOPP)*特性:BOPP物理稳定性、机械强度、气密性较好,透明度和光泽度较高,坚韧耐磨,是目前应用最广泛的印刷薄膜,一般使用厚度为20~40 μ m ,应用最广泛的为20 μ m 。