威能锅炉安装流程
- 格式:docx
- 大小:178.57 KB
- 文档页数:7
威能壁挂炉如何安装(四)烟道的安装(2011-08-06 22:06:56)▼威能进口燃气壁挂炉 turboTEC plus 和 turboTEC pro 使用的同轴烟道尺寸均为60/100,用水钻在墙上开孔的孔径建议为110mm 。
从墙上烟道中心到壁挂炉顶部的距离为125mm烟道中心到壁挂炉底部的距离为925mm建议:烟道中心到水暖接口的距离为1125mm(壁挂炉底部到水暖接口安装距离预留200mm)下图烟道中心到背面的距离对于烟道背出安装的没有多大意义,但对于烟道侧出安装比较重要,因为此尺寸可以确定烟道中心的位置,147mm。
威能国产燃气壁挂炉 turbo 18kw 24kw 使用的同轴烟道尺寸为60/100,用水钻在墙上开孔的孔径建议为110mm。
从墙上烟道中心到壁挂炉顶部的距离为110mm烟道中心到壁挂炉底部的距离为850mm建议:烟道中心到水暖接口的距离为1050mm(壁挂炉底部到水暖接口安装距离预留200mm)威能国产燃气壁挂炉 turbo 28kw 35kw 使用的同轴烟道尺寸为80/125,用水钻在墙上开孔的孔径建议为140mm。
从墙上烟道中心到壁挂炉顶部的距离为160mm烟道中心到壁挂炉底部的距离为960mm建议:烟道中心到水暖接口的距离为1160mm(壁挂炉底部到水暖接口安装距离预留200mm)下图烟道中心到背面的距离对于烟道背出安装的没有多大意义,但对于烟道侧出安装比较重要,因为此尺寸可以确定烟道中心的位置。
威能燃气壁挂炉烟道安装1. 根据上面给出的烟道中心到挂板的尺寸,把威能燃气壁挂炉拷到墙上。
2. 将烟道连同密封墙垫一起通过墙孔伸出墙外,然后向内拉,直到密封墙垫紧贴在外墙上。
3. 将90°弯头插入水平烟道的排烟管中4. 将90°弯头另一端压入壁挂炉的排烟/进气口内。
5. 保证出墙烟道端口距墙110mm。
6. 烟道出墙处应向下倾斜2-3°,以使冷凝水不会倒流入燃气采暖热水炉。
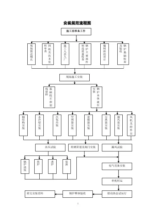
安装规范流程图1一、施工前准备工作一、现场情况确认(1)根据合同要求,与业主方了解土建施工进度计划,与设计部门了解设计进度及完成时间,确定施工的起止时间,在此期间与采购部门确定好采购计划及到厂时间,确定施工单位,施工单位根据土建完成情况,及设备到厂时间制定进入现场时间及制定施工节点计划。
(2)人员入厂培训,根据建设方进厂要求,对施工单位进厂人员办理入厂手续,安全培训教育,制作培训档案存档,并定期对施工人员进行安全思想培训,提高个人安全意识。
二、锅炉图纸及技术资料审查:1、安装前应先查阅和熟悉锅炉图纸及有关技术文件,了解锅炉的结构、特点、安装技术要求和工作参数。
在查阅锅炉技术资料时应逐项登记以下内容;⑴锅炉总图是否有质量技术监督部门的审核章记;⑵锅炉图纸是否齐全(总图、安装图、主要受压部件图);⑶受压元件强度计算书、安全阀排放量计算书是否齐全;⑷锅炉产品质量证明书,包括出厂合格证、金属材料、焊接质量、水压等质量证明和锅炉监检部门监检证明是否齐全;⑸有无安装使用说明书和金属铭牌,应与锅炉制造厂相符。
2、锅炉房平面布置图及工艺图会审锅炉房平面布置图,施工工艺图是锅炉安装实施的依据。
会审主要有以下内容:⑴锅炉房施工图纸是否具备施工条件,是否符合《规程》要求;⑵锅炉房平面布置图和施工工艺图是否经锅炉监察部门审查批准。
若暂时没有,需要求锅炉生产方提供产片编号及出厂证明,然后向锅检所报备。
⑶是否备有锅炉安装许可通知书(锅炉监察部门签发)。
三、锅炉基础检查及验收根据锅炉房平面布置图及锅炉基础验收标准进行基础验收,一般由建设单位、安装单位及土建单位三方人员共同参加基础验收工作。
做好详细验收记录,对验收结果无异议后三方在验收记录上签字确认。
锅炉及其辅助设备基础允许偏差验收项目及其标准如表。
㈢锅炉主要部件制造质量的检查设备进入现场后,要及时将设备卸载在合适位置,第一时间与安装施工单位到现场确认设备型号,数量是否与订货单上一致,并要求施工单位签收,并将到货情况反馈给采购部门,留存到货清单复印件以备以后查阅,锅炉安装前应对其制造质量进行检查,并逐项作好记录,主要检查以下内容:⑴外部检查,主要对锅炉的外观质量进行检查,查看有无锅炉制造质量问题和出厂运输所造成的损坏;⑵锅炉主要部件的尺寸是否与图纸相符;⑶锅炉的安全部件如水位表、压力表、安全阀、排污阀等是否符合设计要求;⑷锅炉辅机质量情况;如分汽缸、风机、给水及水处理设备等(分汽缸应有产品质量证明书);⑸做好其它零部件的清点检查。
锅炉安装流程及安装技术探讨【摘要】锅炉是电厂机组广泛使用的重要设备,是发电机组中的3 大主机之一。
保证锅炉平稳可靠地运行是电厂安全生产的前提,因此,锅炉安装质量控制尤为重要。
锅炉在生产制造、检验测试、安装维护方面都有着明确的规范要求,再加上其安装工艺也十分复杂,所以,对安装锅炉的流程和技术措施进行探讨,以保证锅炉的安装质量,具有非常重要的意义。
【关键词】锅炉安装;流程;技术1.锅炉的安装流程锅炉的安装流程包括以下几个部分:(1)安装前准备阶段。
在开始安装锅炉前,需要先检查锅炉的设备状态和安装技术文件,然后结合实际情况来制定锅炉的安装施工方案。
首先要确定锅炉各种技术资料的完整和齐全,然后在此基础上检查锅炉设备和附件的质量,并且组织相关设计人员对施工人员进行技术交底,确保施工人员能够准确掌握施工各环节的技术要点、安装顺序和问题发生时的控制方法。
(2)安装作业阶段。
锅炉的安装具有工艺复杂且工作量大的特点,安装作业过程中非常容易出现问题,因此必须采取适当的安装技术来确保其安装质量。
锅炉安装作业阶段涉及的工作主要是吊装焊接顶板梁、安装水冷壁校正组、安装顶部过热器和其他大件等。
作为锅炉安装流程中最为重要的环节,安装作业阶段直接影响锅炉的可靠运行,因此必须予以足够的重视。
(3)后期安装和试行阶段。
这个阶段包括安装锅炉的各种辅助设备,如本体管、燃烧器、汽水管和安全阀等。
作为整个安装过程中最容易出现质量问题的阶段,必须严格控制后期安装的技术和工艺,有效控制各部位间的连接。
待各种辅助设备安装完毕后,再开始进行空机的试行,根据试行的结果来调试各组成部件的性能,从而确保锅炉的安全运行和各部件性能的最大发挥。
等空机试行和各部件调试完毕后,就可以移交进行相应的验收。
2.锅炉的主要安装技术2.1锅炉钢架和平台的安装技术首先,要对锅炉钢架和平台的质量进行检查,包括检查构件的外形尺寸和焊缝质量是否符合要求,检查构件是否出现变形、裂纹、锈蚀和损坏,检查附件的规格和数量,检查构件的直径、开孔位置和数量是否符合要求。
锅炉设备安装施工方案一、前言锅炉是工业生产中常用的热能设备,安装施工的质量直接影响锅炉的正常运行和使用寿命。
本文档旨在介绍锅炉设备的安装施工方案,确保安装过程规范、高效,以保证锅炉的安全运行。
二、施工前准备工作1.确定锅炉设备的安装位置和布局,既要满足生产需求,又要考虑安全因素;2.对安装位置进行勘测和测量,确定各种管道、设备的连接点和位置;3.准备施工所需的材料、设备和工具,确保施工过程中的物资供应;4.制定施工方案和施工进度计划,明确施工任务和责任。
三、基础工程安装1.地基处理:选择承重能力强、稳定性好的地基,对地基进行处理,包括挖土、夯实、平整等工作;2.基础施工:根据锅炉设备的尺寸要求和负荷分布,进行基础的建设,包括沉降井、立柱、基槽等;3.基础检查:在基础施工完成后,进行基础检查,确保基础的平整度和强度达到要求。
四、设备安装1.锅炉本体安装:将锅炉本体吊装至安装位置,根据设备尺寸和重量,采取合理的吊装方案;2.排烟系统安装:安装烟囱和排烟管道,确保烟道的导热性能和安全性;3.进水系统安装:安装进水管道和阀门,确保进水系统的正常供水;4.出水系统安装:安装出水管道和阀门,确保排水系统的正常排放;5.配套设备安装:安装与锅炉相关的配套设备,如泵、阀门等,确保设备的正常运行。
五、管道连接1.管道布置:根据锅炉设备的特点和生产需求,合理布置管道线路,确保管道通畅且便于维护;2.管道连接:根据图纸和规范要求,进行管道的连接,采用焊接、螺纹连接等方式;3.管道测试:对连接完成的管道进行压力测试,确保管道的密封性和可靠性;4.管道固定:对连接完成且通过测试的管道进行固定,确保管道的稳定和安全。
六、电气安装1.电气系统设计:根据锅炉设备的功率和负荷要求,设计合理的电气系统,包括主控柜、电缆配线等;2.电气设备安装:安装主控柜、仪表仪表盘等电气设备,确保电气系统的正常运行;3.电缆敷设:敷设电缆,连接各个电气设备,确保电气信号的传输畅通;4.接地系统建设:建设设备接地系统,确保电气设备的安全使用。
威能锅炉安装流程威能公司现规定普通锅炉的安装由威能指定的第三方进行安装,锅炉由第三方仓库发货,规定安装流程如下:⑷威能温控器和同步控制器接线与炉体连接,水罐感温线与炉体的连接,连接线由我司施工人员提供;⑸壁挂炉本体和威能温控器调试,负责调试炉子,如果采用非威能温控器,第三方安装不负责调试3.系统安装问题或不具备调试条件造成调试不成功,需要由我司负责本次200元/次上门费。
4.施工班组要准备的相关辅材,包括电线、波纹管、PPR管和管件、加长烟道、吊卡等,如需要带货安装方携带需要提前告知,付费使用,因第三方安装携带辅材价格较贵,不建议让其携带辅材安装。
5.因个人或部门原因,第三方安装出现费用问题,由责任人承担。
5、壁挂炉禁止安装在燃气灶台、水池上方;应保证壁挂炉安装位置与燃气管路及燃气表之间的距离符合国家的现行规定标准。
6、壁挂炉尽量安装在承重墙上,若无法安装在承重墙上,必须保证壁挂炉可以牢固安装。
7、壁挂炉尽量安装在厨房,设备间或封闭的阳台。
如果安装在未封闭的阳台,必须保证设备有安全的半封闭背阴环境,不能受到日光照晒和雨淋,保证水电气充足供应,最低环境温度应保证在5℃以上;威能壁挂炉为室内安装机型,不允许安装在室外。
8、壁挂炉安装需要至少保持以下距离:壁挂炉安装后距离地面安全同燃气壁挂炉耗气量匹配;燃气管路安装必须牢固固定;燃气表的选择:18kw-36kw炉型选用4m3燃气表,≥36kw-50kw炉型选用6m3燃气表,≥50kw-80kw炉型选用10m3燃气表;更大功率根据实际耗气量进行选择。
三、水管路连接壁挂炉下方应预留排水地漏,壁挂炉安装完毕后必须连接安全阀泄压管至地漏处或泄水口;采暖系统管路应安装过滤器;有龙门系统应安装自动排气阀;采暖系统管径应按需求进行严格计算;所有水路管路必须与墙面或地面进行安装固定。
四、烟道安装注:此表为TurboTEC系列壁挂炉烟道要求;每增加一个90°弯头,烟道长度减少1m;每增加一个45°弯头,烟道长度减少0.5m;垂直烟道超过0.5m,必须加装冷凝水收集器。
第1篇一、施工准备1. 核实技术资料:认真核对锅炉的设计图纸、设备清单、施工方案等相关技术资料,确保其完整性和准确性。
2. 确定施工方案:根据技术资料和现场实际情况,制定详细的施工方案,包括施工顺序、施工方法、安全措施等。
3. 施工人员培训:对施工人员进行技术培训,确保其掌握锅炉安装的相关知识和技能。
4. 施工材料、设备准备:准备所需的施工材料、设备,如钢材、焊接材料、密封材料、吊装设备等。
5. 施工现场准备:清理施工现场,确保施工环境安全、整洁。
二、基础施工1. 基础验收:对基础进行验收,确保其满足设计要求。
2. 基础放线:按照设计图纸,放线确定锅炉基础的位置。
3. 基础浇筑:按照设计要求,进行基础浇筑,确保其强度和稳定性。
4. 基础养护:基础浇筑完成后,进行养护,确保其达到设计强度。
三、锅炉本体安装1. 锅炉本体运输:将锅炉本体运输至施工现场。
2. 锅炉本体就位:采用合适的吊装设备,将锅炉本体吊装至基础。
3. 锅炉本体找正:使用水准仪、经纬仪等测量工具,对锅炉本体进行找正,确保其水平、垂直度符合设计要求。
4. 锅炉本体固定:使用膨胀螺栓等固定设备,将锅炉本体固定在基础上。
5. 锅炉本体焊接:对锅炉本体进行焊接,确保焊缝质量符合设计要求。
四、管道安装1. 管道材料准备:准备所需的管道材料,如管道、阀门、法兰等。
2. 管道预制:根据设计图纸,对管道进行预制。
3. 管道安装:按照设计要求,进行管道安装,确保管道连接牢固、密封良好。
4. 管道焊接:对管道进行焊接,确保焊缝质量符合设计要求。
五、锅炉附件安装1. 安装附件:按照设计图纸,安装锅炉附件,如安全阀、水位计、压力表等。
2. 附件调试:对锅炉附件进行调试,确保其功能正常。
六、系统调试1. 系统试压:对锅炉系统进行试压,确保其密封性良好。
2. 系统调试:对锅炉系统进行调试,确保其运行稳定、安全。
七、竣工验收1. 施工单位自检:施工单位对锅炉安装工程进行自检,确保工程质量符合设计要求。
锅炉安装主要部件顺序1、锅炉本体构架基础交接,基础划线2、锅炉本体构架分层安装3、汽包安装4、空气预热器下、中、上级安装5、水冷壁管排安装6、燃烧器安装7、下级省煤器安装8、包墙过热器安装9、上级省煤器安装10、低温过热器安装11、高温过热器安装12、屏过安装,下降管安装13、顶棚管安装14、减温器安装15、汽水连接管安装16、大风箱安装17、出口烟道安装18、送风机安装以440T锅炉为例,以工作亲自经历为主,和大家交流,没有课件,不是上课,也不一定和书本上的一致。
能起到一个激励作用,能为你们今后工作多点启发,多点警示就足够了。
按安装先后顺序讲1、锅炉构架(构造)安装说明书P17 2.4摘录1.锅炉钢结构是支撑和悬挂锅炉本体设备的立体框架,是锅炉本体各种设备安装、找正的基础和依据。
锅炉钢结构安装质量和形象进度对锅炉本体的安装质量和顺利施工起着重要的保证作用。
2.锅炉钢结构部件包括钢架(柱、梁、垂直支撑、水平支撑、顶板等)、平台、扶梯、栏杆及其他附属钢结构等组成。
3.锅炉构架有焊条连接、高强度螺栓连接与焊接连接的组合结构形式。
4.锅炉开始安装前必须根据验收记录进行基础复查,并应符合下列要求:4.1.基础符合设计和相关技术规范的规定。
4.2.锅炉基础定位轴线与外形尺寸允许偏差见DL5190.2《电力建设施工技术规范》(第2部分):锅炉机组》附录F。
4.3.锅炉基础划线允许偏差如下:立柱间距: L≤10m时,ΔL=±1mm;L>10m时,ΔL=±2mm。
立柱相应对角线:L≤20m时,ΔL=±5mm;L>20m时,ΔL=±8mm。
柱脚中心与基础划线中心:±5mm立柱标高与设计标高:±5mm横梁标高:±5mm横梁水平2: 5mm各立柱上、下两平面相应对角线不大于15各立柱垂直度最大不大于15各立柱相互间标高差: 3mm顶板的各横梁间距±3mm顶板标高±5mm大板梁的垂直度不大于5mm平台标高±10mm平台与立柱中心线相对位置±10mm4.4.钢构架地脚螺栓采用预埋方法时,对定位板的要求:1)各立柱间距离偏差:≤间距的1/1000,且≤5mm。
锅炉设备安装施工方案锅炉设备安装施工方案一、安装环境要求1. 施工现场应保持干燥、通风良好的环境。
2. 施工现场应具备满足设备安装的安全和操作空间,并保证施工顺利进行。
3. 地面必须平坦,承重能力足够,以确保设备安装后的稳定性。
4. 设备安装区域应有足够的排放通风能力和防火措施。
5. 施工现场应符合国家相关安全标准。
二、材料和工具准备1. 根据设备的规格和要求,准备好符合国家标准的管道、阀门、附件等材料。
2. 准备好所需的焊接设备、点焊机、电动工具等施工工具。
3. 确保所有材料和工具的质量合格,并进行检查。
三、施工流程1. 安装设备前,先进行施工现场的基础工程施工,确保设备安装的牢固和稳定。
2. 根据设备的设计图纸,结合现场实际条件,进行设备的定位和布置,并进行测量和标注。
3. 根据设备要求和管道设计方案,进行管道的切割、焊接和连接,保证管道的紧密和密封性。
4. 根据设备的要求安装附件和阀门,并进行调试和检测,确保安装的正常使用。
5. 完成设备的安装后,进行设备的试运行,根据设备的要求进行调试和参数的调整,确保设备的正常运行。
6. 完成试运行后,进行设备的验收检测,确认设备符合相关标准和要求。
四、安全措施1. 施工人员必须佩戴安全帽、安全鞋等个人防护装备,严禁穿拖鞋、高跟鞋等不安全的服装。
2. 施工现场必须设置警示标志,禁止未经许可的人员进入施工区域,确保施工的安全。
3. 施工过程中,严禁使用明火进行工作,防止发生火灾和爆炸事故。
4. 严格执行施工现场的作业规程和安全操作规程,确保施工安全。
以上是锅炉设备安装施工的一般方案,具体的施工方案还需根据不同设备的要求和现场条件进行调整和实施。
在施工过程中,务必严格遵守安全操作规程,做好施工记录和监督,确保设备的安装质量和施工的安全性。
威能锅炉主机设计、安装、调试注意事项
需注意以下事项:
一,设计与安装的注意事项
1,禁止室外安装,不对防冻、防雨承担责任;
2,不允许威能主机配其他品牌水箱供应生活热水;
3,禁止使用双用锅炉利用热水管网设计循环热水;
4,安装串联外置循环水泵必须与主机循环水泵型号一致,必须安装威能水泵同步控制器;
5,锅炉安装必须在采暖供回水管上安装水箱保养阀(2只)、冷水进水阀上安装Z型阀;
6,锅炉烟道必须符合烟道安装规范;
7,威能水箱安装必须根据水箱大小安装对应威能水箱安全组件;
以上是几项基本注意事项,安装须仔细查看安装手册,符合规范要求。
二,程序注意事项:
1,提取主机时需留下设备安装的详细客户信息。
包括:客户全名、电话、详细安装地址;
2,威能设备仅能安装在南京地区,特殊情况必须提前向我司即时报备;
3,我司将提供一次免费上门设备调试(限市区、限一次),浦口江北等地区我司调试收取交通费;
4,对于非设备质量原因造成的二次上门及多次上门调试,我司将收取200元/次的费用;
5,我司完成调试后,将尽快将客户信息数据报备至威能数据库,为杜绝安装后久不调试,我司将在主机提走后一个半月内将数据报备至威能数据库,二者先到者为准。
从报备之
日起将进入售后服务质保阶段;。
IST 03 C 476 - 12安装、使用以及维护亲爱的顾客:感谢您选购本公司锅炉。
请认真阅读本说明书,以便正确安装、使用及维护本设备。
禁止乱动器具密封。
所有器具密封如有破裂应要修复和重密封,所有的调整装置应密封。
安装人员、维修技术人员以及用户基本常识本说明书是本产品不可或缺的重要组成部分。
安装人员必须将本说明书交付给用户。
用户应妥善保管本说明书,以便日后参考使用。
出售锅炉或以及转让其所有权时必须附带本说明书。
本锅炉必须由合格专业人员,根据适用的法律、标准以及厂家在本说明中规定的要求安装。
安装不当可能会导致人员及/或动物伤害或财产损失。
对于此类伤害和损失,厂家概不负责。
厂家不承担任何合同内及合同外,因安装不当或使用不当或未遵守厂家要求而引起的伤害或损失。
安装之前,检查锅炉技术参数是否符合在系统中正确使用的要求。
检查锅炉是否完好无损,运输以及搬运过程中是否有损坏。
请勿安装受损及/或存在缺陷的设备。
请勿堵塞进气口。
只能安装厂家批准和提供的配件或选件(包括电气配件)以免降低产品的安全性 。
请妥善处理产品包装,鉴于本产品所有包装材料均可回收利用,应将包装材料送至专门的垃圾管理场所。
儿童和不会使用的人不应该操作器具 儿童严禁玩弄器具,请将包装材料放在远离儿童的地方,否则可能成为危险源。
请将包装材料放在儿童接触不到地方,否则可能成为危险源。
设备故障及/或运转异常时,请关闭锅炉。
联系专业维修技师,切勿尝试自行维修。
锅炉维修时只能使用厂家批准和提供的部件。
违反上述要求可能影响锅炉的安全性并危及人员、动物和财产。
厂家强烈建议顾客联系专业服务中心寻求维护维修帮助,他们均受过良好的相关培训。
如果锅炉长时间不使用,应切断它与市电的连接,关闭煤气旋塞。
注意:锅炉的电子防冻功能将无法运行。
锅炉面临冰冻风险时,加入防冻剂:请勿排空系统,否则会导致危险;请使用适合多金属加热系统的专用防冻剂产品。
3厂家不承担任何合同内及合同外,因安装不当或使用不当或未遵守厂家要求而引起的伤害及/或损失。
威能地暖壁挂炉安装使用说明〔系列二〕4 操作4.1 操作元件概览4.1.1 turboTEC plus 操作元件图4.1 turboTEC plus 操作元件用户要打开前盖板,请用手扣住凹槽将其向下拉。
现在您会看到具有以下功能的操作元件〔参见图4.1〕:1 显示屏,显示当前供暖系统的注水压力、供暖供水温度或某些附加信息。
2 信息查询键“i〞。
3 装控制器〔配件〕。
4 主开关,用于启动或关停燃气采暖热水炉。
5 “+〞按钮,用于向前滚动显示屏上的信息〔威能技术服务人员在设置参数和排除故障时使用〕和切换到显示当前供暖供水温度。
6 “-〞按钮,用于显示屏的显示信息向回翻页〔威能技术服务人员在设置参数和排除故障时使用〕。
7 “复位〞按钮,用于复位某些故障。
8 用于设置供暖供水温度的旋钮。
9 仅针对集成有生活热水供给的turboTEC:用于设置热水出水温度的旋钮。
仅针对连接有热水储水罐的turboTEC:用于设置储水罐水温的旋钮。
数字化信息和分析系统(DIA)图4.2 显示屏〔turboTEC plus 取用生活用水时〕turboTEC pro / turboTEC plus 系列燃气采暖热水炉配备有一个数字化信息与分析系统。
该系统可以提供燃气采暖热水炉运行状态的信息并帮助您排除故障。
在燃气采暖热水炉正常运行期间,显示屏(3) 显示供暖系统的当前注水压力〔在示例中为1.2 bar = 0.12 MPa〕。
如果出现故障,一个错误代码将取代注水压力的显示。
此外,还可以从所显示的符号获得以下信息:* 只适用于集成有生活热水供给(VUW) 的turboTEC plus 系列燃气采暖热水炉。
** 只适用于连接有热水储水罐(VU) 的turboTEC plus 系列燃气采暖热水炉。
表4.1 显示屏上符号的含义按住“-〞按钮约5 秒钟将显示从供暖供水温度切换为系统注水压力,反之亦然。
4.1.2 turboTEC pro 操作元件图4.3 turboTEC pro 操作元件操作元件具有如下功能〔参见图4.3〕:1 显示屏,显示当前供暖系统的注水压力、供暖供水温度或某些附加信息。
锅炉安装的步骤锅炉在安装前到安装现场,察看现场情况和安装环境,核实安装位置、预留空间及支架、预埋件的位置,为下一步进场安装提前作好工具、材料的准备。
一、设备查验:①查看锅炉设备数量。
②检查设备是否完好,发现有损伤的,马上汇报,采取措施。
③邀请建设单位代表到现场对设备进行查验,做到让用户放心。
④将随机附件、说明书等资料集中保管,以便安装时统一发放。
二、蓄热水箱制作:1.蓄热水箱现场制作:在已做好的土建基础上,用做好防锈处理的10#槽钢井字形固定在上面后,做水箱底部保温(先垫一层橡塑板后垫一层岩棉)并将底板铺设在槽钢上。
2.水箱底板焊接采用搭接形式单面焊接,箱身的焊接采用V型对接焊缝,箱身由多块钢板拼接时,应避免十字交叉,两条纵向焊缝间距应不小于100mm,焊条采用E4303。
3.水箱制作完毕后,应作满水渗透试验,将水箱充满水,经2-3小时后用锤,沿焊缝两侧约150mm的地方轻敲,不得有漏水现象,若发现有漏水的地方须铲去重新焊接,再进行试验,盛水试验合格后,对水箱进行防腐处理。
三、锅炉及其辅机设备安装:1、锅炉检验安装:①安装前应熟悉掌握锅炉及附属设备图纸及锅炉房设计图纸,并检查技术文件审批情况。
②检验设备基础是否达到安装强度,基础外观不允许有蜂窝、麻面、裂纹、孔洞等。
③基础放线,基础尺寸及位置应符合下列要求:④锅炉就位后,用垫铁找平,找正,锅炉与基础横向允许偏差±2mm,纵向允许偏差±10mm。
2、水泵安装:①在检查的同时画出泵底座(无底座时按有关图集现场制作)四边的中心点和基础上水泵安装纵横线。
②吊装就位:吊装时绳索系在泵和电机的吊环上,调整底座位置,使底座上中心点与基础上的中心线重合。
③水平调整:将水平尺放在水泵底座加工面上,调整水泵的水平度,其水平度不得超过0.1mm/m。
④一泵三阀:即泵的入口应装有止回阀和蝶阀,出口装有蝶阀。
⑤水泵进出水管多为挠性连接,进出水口加装软节头。
沈阳威能壁挂炉安装方法引言壁挂炉是一种方便、高效、节能的暖气设备,受到了越来越多家庭的青睐。
沈阳威能壁挂炉作为市场上的一款知名产品,其安装方法也备受关注。
本文将为大家介绍沈阳威能壁挂炉的安装步骤和主要注意事项。
安装步骤安装一台壁挂炉需要一定的工具和基本的安装知识。
在进行安装之前,需详细阅读产品说明书,了解该型号壁挂炉的特点和安装要求。
第一步:选择安装的位置选择一个干燥、通风良好、便于维修的位置安装壁挂炉。
通常情况下,壁挂炉安装在室内主卧室或客厅的壁挂上。
第二步:准备安装工具和材料准备所需的工具和材料包括电钻、墙钻、膨胀螺栓、水管、煤气管、电线等。
第三步:挂壁炉架使用墙钻在墙壁上钻孔,安装炉架。
根据壁挂炉使用说明书上的示意图,将炉架固定在墙壁上。
第四步:连接水管根据建筑物的具体情况,将冷热水管连接到壁挂炉的进水口和出水口。
确保连接牢固,并使用密封胶垫防止漏水。
第五步:连接煤气管将煤气管连接到壁挂炉的气体进口,注意检查气体接口是否有泄漏。
第六步:连接电源将壁挂炉的电源线与家庭电源线连接,确保接线正确和牢固。
第七步:安装排烟管道确保壁挂炉的排烟口与排烟管道连接,排烟管道的斜度要适当,清除管道内的灰尘和杂物。
第八步:供水调试接通水源后,打开壁挂炉的供水电源,调整水压,确保壁挂炉正常工作。
注意事项在安装沈阳威能壁挂炉的过程中,需要注意以下几点:1. 安装前应仔细阅读产品说明书,了解产品的安装要求和维护指南,确保操作正确。
2. 安装过程中需按照产品说明书的要求和步骤进行,不可随意拆卸和改动。
3. 选择合适的位置进行安装,确保通风和排烟畅通,以确保壁挂炉的正常使用。
4. 安装前应检查电源、煤气管道和水管道是否有泄漏,确保安全性。
5. 在安装过程中,应仔细查看安装是否牢固并正确连接,避免使用中出现安全隐患。
6. 安装完成后,应进行供水调试,确保壁挂炉能正常运行。
7. 安装完成后,定期检查壁挂炉的运行情况,注意防止灰尘和杂物堵塞,保持设备的清洁。
威能壁挂炉如何安装(四)烟道的安装(2011-08-06 22:06:56)▼威能进口燃气壁挂炉 turboTEC plus 和 turboTEC pro 使用的同轴烟道尺寸均为60/100,用水钻在墙上开孔的孔径建议为110mm 。
从墙上烟道中心到壁挂炉顶部的距离为125mm烟道中心到壁挂炉底部的距离为925mm建议:烟道中心到水暖接口的距离为1125mm(壁挂炉底部到水暖接口安装距离预留200mm)下图烟道中心到背面的距离对于烟道背出安装的没有多大意义,但对于烟道侧出安装比较重要,因为此尺寸可以确定烟道中心的位置,147mm。
威能国产燃气壁挂炉 turbo 18kw 24kw 使用的同轴烟道尺寸为60/100,用水钻在墙上开孔的孔径建议为110mm。
从墙上烟道中心到壁挂炉顶部的距离为110mm烟道中心到壁挂炉底部的距离为850mm建议:烟道中心到水暖接口的距离为1050mm(壁挂炉底部到水暖接口安装距离预留200mm)威能国产燃气壁挂炉 turbo 28kw 35kw 使用的同轴烟道尺寸为80/125,用水钻在墙上开孔的孔径建议为140mm。
从墙上烟道中心到壁挂炉顶部的距离为160mm烟道中心到壁挂炉底部的距离为960mm建议:烟道中心到水暖接口的距离为1160mm(壁挂炉底部到水暖接口安装距离预留200mm)下图烟道中心到背面的距离对于烟道背出安装的没有多大意义,但对于烟道侧出安装比较重要,因为此尺寸可以确定烟道中心的位置。
威能燃气壁挂炉烟道安装1. 根据上面给出的烟道中心到挂板的尺寸,把威能燃气壁挂炉拷到墙上。
2. 将烟道连同密封墙垫一起通过墙孔伸出墙外,然后向内拉,直到密封墙垫紧贴在外墙上。
3. 将90°弯头插入水平烟道的排烟管中4. 将90°弯头另一端压入壁挂炉的排烟/进气口内。
5. 保证出墙烟道端口距墙110mm。
6. 烟道出墙处应向下倾斜2-3°,以使冷凝水不会倒流入燃气采暖热水炉。
锅炉安装工操作规程前言为了确保锅炉安装的质量和安全性,可以降低锅炉在在使用时的故障率,提高锅炉的使用寿命,制定本锅炉安装工操作规程。
该规程适用于所有的锅炉安装工,操作前应仔细阅读并掌握操作流程和注意事项,切实遵守本操作规程。
操作步骤步骤一:现场勘察安装工应仔细阅读锅炉的安装图纸以及相关资料。
然后,到现场仔细勘察地形,检查锅炉的安装地基是否平整,支座是否牢固。
如发现异常情况及时报告,不能私自修改。
步骤二:进场检验在锅炉进场之前,进行检修和调整。
检查锅炉的各个部件是否完整,如有缺失应及时备件。
检查各个管道和阀门的设计规格是否符合要求。
步骤三:搬运和安装将锅炉搬上安装基础,逐步吊装、定位和焊接。
专业工具应该用于安装,以确保锅炉的准确安装。
检查锅炉的管道安装情况,确保管道的密封紧固且没有冷却水和污垢。
步骤四:焊接工作焊接起始点,然后在焊缝上工作。
焊接时,应注意填充金属的质量和方法,确保焊接完整。
一旦完成,焊接应进行钝化处理。
步骤五:管道打压对所有管道进行打压测试,并检查是否存在漏水和渗透现象。
步骤六:终端调试安扎电气补丁,将电气电缆引入到仪表箱内并保持电缆充分延伸。
分别接线到各个电气设备上。
注意事项•参照锅炉的安装图纸和相关资料操作;•现场操作应有专人负责安全;•上岗前,应进行锅炉安装操作的基本知识培训;•操作中翻阅图纸等资料须两手操作,以免造成安全隐患;•进行锅炉操作前,应按照相应要求检查锅炉的各个部件,并对其进行维护和检修。
结语本规程的出台,旨在提高锅炉安装工的安全意识,规范锅炉安装操作,加强对锅炉的维护和保养,确保锅炉的正常运行。
希望各位锅炉安装工严格按照操作规程进行操作,认真负责,切实保证锅炉的质量和安全性。
第1篇一、施工准备1. 施工图纸及技术资料:在施工前,必须准备好锅炉的施工图纸、设备清单、技术规范等相关资料,确保施工过程中的各项操作符合设计要求。
2. 施工现场:施工现场应具备良好的排水、照明、通风等条件,确保施工人员的人身安全和设备正常运行。
3. 人员配备:施工队伍应具备丰富的锅炉安装经验,包括焊工、起重工、电气工等。
4. 施工机具:根据施工需求,配备相应的施工机具,如卷扬机、千斤顶、链式起重机、砂轮机、套丝机、手电钻、冲击钻、砂轮锯、电焊机等。
二、施工过程1. 锅炉本体安装:按照施工图纸,将锅炉本体安装在预定位置。
安装过程中,注意保持锅炉水平、垂直度,确保安装精度。
2. 管道及附件安装:按照设计要求,安装锅炉管道及附件,如阀门、仪表、支架等。
在安装过程中,确保管道连接牢固、密封良好。
3. 烟道及烟囱安装:根据锅炉类型和设计要求,安装烟道及烟囱。
在安装过程中,注意烟道和烟囱的连接,确保烟气顺畅排放。
4. 自动化控制系统安装:按照设计要求,安装锅炉的自动化控制系统,包括温度、压力、流量等参数的检测与控制。
5. 系统调试:完成锅炉本体、管道、附件、烟道及烟囱等安装后,进行系统调试。
调试过程中,检查锅炉运行参数是否正常,确保锅炉安全、稳定运行。
6. 验收:在锅炉安装完成后,进行竣工验收。
验收内容包括:设备安装质量、系统运行参数、安全设施等。
确保锅炉符合国家相关标准和规范。
三、质量保证1. 施工人员:施工人员必须具备相关资质,确保施工质量。
2. 施工材料:选用符合国家标准的优质材料,确保设备质量。
3. 施工工艺:严格按照施工规范和操作规程进行施工,确保施工质量。
4. 施工监督:建立健全质量监督体系,对施工过程进行全程监控,确保工程质量。
5. 检验检测:在施工过程中,对关键工序进行检验检测,确保工程质量。
总之,锅炉施工安装工程是一项技术性、安全性、严谨性较高的工作。
在施工过程中,必须严格按照相关规范和标准进行操作,确保锅炉安全、稳定运行。
威能锅炉安装流程 Document number【SA80SAB-SAA9SYT-SAATC-SA6UT-SA18】
威能锅炉安装流程
威能公司现规定普通锅炉的安装由威能指定的第三方进行安装,锅炉由第三方仓库发货,规定安装流程如下:
备注:
1.报第三方安装时,现场要具备锅炉的安装条件。
要求水、电、气
路已经全部安装到位并且冲洗干净、打压正常,电路安全且安装规范;各接口与连线已做好保护与壁挂炉连接即可无需增加任何附件,烟道孔已经打好,增加的附件在现场已将准备齐全。
2.第三方安装的工作范围是:
⑴正常工作环境下的壁挂炉本体挂机;
⑵安装烟道,包括加长烟道,吊卡和冷凝水收集器(壁挂炉烟道计算法米内免工费,材料属于收费服务项目),故加长烟管和弯头需我司自行准备。
⑶ 4根水管,泄压管和燃气管与炉体连接,负责壁挂炉本体端接口连接,系统或阀门端连接由我司施工人员负责;
⑷威能温控器和同步控制器接线与炉体连接,水罐感温线与炉体的连接,连接线由我司施工人员提供;
⑸壁挂炉本体和威能温控器调试,负责调试炉子,如果采用非威能温控器,第三方安装不负责调试
3. 系统安装问题或不具备调试条件造成调试不成功,需要由我司负责本次200元/次上门费。
4.施工班组要准备的相关辅材,包括电线、波纹管、PPR管和管件、加长烟道、吊卡等,如需要带货安装方携带需要提前告知,付费使用,因第三方安装携带辅材价格较贵,不建议让其携带辅材安装。
5.因个人或部门原因,第三方安装出现费用问题,由责任人承担。
威能公司壁挂炉安装位置标准
1、禁止安装在卧室、起居室和浴室等生活房间、楼梯和安全出口附近(5 米以外不受限制)、易燃易爆物品堆放处。
2、液化石油气和液化石油混合气的采暖炉禁止安装在地下室或半地下室。
3、如果壁挂炉安装在地下室或半地下室时,应符合以下规定:(1) 地下室或半地下室应有手动和自动两种启动方式的防爆机械通风装置,且应设置防爆型燃气和一氧化碳泄漏自动报警切断装置,并应和机械通风装置连锁;(2)必须要有排水系统,烟道长度严格按照本页中烟道安装长度规范执行。
4、安装的位置应尽可能靠近外墙,应保证壁挂炉的烟道安装长度在其允许范围内;尽量减少安装烟道附件。
5、壁挂炉禁止安装在燃气灶台、水池上方;应保证壁挂炉安装位置与燃气管路及燃气表之间的距离符合国家的现行规定标准。
6、壁挂炉尽量安装在承重墙上,若无法安装在承重墙上,必须保证壁挂炉可以牢固安装。
7、壁挂炉尽量安装在厨房,设备间或封闭的阳台。
如果安装在未封闭的阳台,必须保证设备有安全的半封闭背阴环境,不能受到日
光照晒和雨淋,保证水电气充足供应,最低环境温度应保证在5℃以上;威能壁挂炉为室内安装机型,不允许安装在室外。
8、壁挂炉安装需要至少保持以下距离:壁挂炉安装后距离地面安全间距:1200mm-1400mm;Turbo 系列5 面距阻碍物间距:底部
300mm;左、右侧面50mm;顶部300mm;正面600mm;TurboTEC 系列5 面距阻碍物间距:底部250mm; 左、右侧面10 mm;顶部400mm;正面500mm;壁挂炉距可燃物或易燃物的间隔距离:上、下方300mm;左、右侧方:100mm;前方:600mm ;当炉体安装在其它燃具上方时,炉体与其它燃具水平净距不得小于300mm。
9、壁挂炉电源要可靠接地线,杜绝造成电击或事故。
壁挂炉安装后下沿45°以内禁止安装无防水电源插座。
二、燃气管道的安装
燃气管道与炉体必须使用带螺纹接头的金属管道或燃气专用铝塑复合管连接,并在炉前应设置阀门;燃气壁挂炉为连续运转的自动化燃具,考虑其安全性,不允许采用胶管与燃气管道连接;燃气管径必须同燃气壁挂炉耗气量匹配;燃气管路安装必须牢固固定;燃气表的选择:18kw-36kw 炉型选用4m3 燃气表,≥36kw-50kw 炉型选用6m3 燃气表,≥50kw-80kw 炉型选用10m3 燃气表;更大功率根据实际耗气量进行选择。
三、水管路连接
壁挂炉下方应预留排水地漏,壁挂炉安装完毕后必须连接安全阀泄压管至地漏处或泄水口;采暖系统管路应安装过滤器;有龙门系统
应安装自动排气阀;采暖系统管径应按需求进行严格计算;所有水路管路必须与墙面或地面进行安装固定。
四、烟道安装
1、壁挂炉烟道为同轴内外平衡双管烟道,严禁使用不合格烟道连接;严禁使用非威能烟道连接威能产品;加长烟道每段加长节需做至少一个固定支撑;
2、同轴烟道室内部分与可燃、易燃物距离至少在200mm 以上;同轴内外烟道安装必须牢靠严密,不互相窜气,保证进排气通畅;
3、烟道切割时需严格按照说明书进行,保证接口平滑,避免划伤烟道密封圈;
4、非冷凝炉烟道从炉子本体通过墙体到室外必须有向下2~3°的坡度,冷凝炉烟道应有向上2~3°的坡度;
5、烟道尽量避免安装在吊顶内,如环境特定必须安装在吊顶内,烟道所有接口处预留至少400x400mm 的检修孔,便于日常维护。
6、烟道最长长度要求和计算方法:
注:此表为TurboTEC 系列壁挂炉烟道要求;每增加一个90°弯头,烟道长度减少1m;每增加一个45°弯头,烟道长度减少;垂直烟道超过,必须加装冷凝水收集器。
Turbo 系列壁挂炉烟道最长长度为5m(含一个90°弯头),计算方法一致。
7、烟道出口位置要求:保证前进前出式?60/100烟道端口距墙
110mm;侧进侧出式?60/100烟道端口距墙220mm;保证?80/125烟道端口距墙220mm;侧进侧出烟道距对面遮挡物≥600mm;前进前出烟道距对面遮挡物≥1000mm;烟道距离上方窗户≥300mm;烟道距离侧墙的距离≥50mm(仅针对只有一侧外墙,另一侧为开放空间);两烟道面对面出口距离≥1200mm;两根烟道水平距离≥300mm;两根烟道垂直距离≥1500mm;当烟道位于人行通道并低于2m 时,需加保护罩。
五:储水罐的安装
1、任何型号水罐必须安装安全组件及温感;将安全阀泄压管连接到地漏;温感线使用导线,最长可延长导线20-30m;
2、储水罐要求完工后高出地面10-15mm;严禁安装在浴室或湿度超过65%的房间;安装上部预留镁棒长度+100mm 的净空,便于更换镁棒使用;有条件用户可使用电子镁棒;自来水连接口应安装过滤网;
3、请根据壁挂炉大小选择水罐容积,避免因功率偏差过大出现问题。