提高预制箱梁外观一次交验合格率QC小组
- 格式:ppt
- 大小:44.26 MB
- 文档页数:45
提高预制梁安装质量合格率台州远信建设工程有限公司浙江水晶光电新厂区一期工程QC小组一、工程概况浙江水晶光电科技股份有限公司新厂区一期工程,总建筑面积75968.6m2,由联合厂房一和研发楼组成。
联合厂房一占地面积为18525.3m2,建筑为3层,一至三层层高均为6米,建筑高度为19.7米,框架剪力墙结构。
其中架空层地坪采用预应力预制梁整浇结构。
研发楼占地面积为1462.7 m2,地上9层,地上建筑面积为12046.4m2,地下室1层,地下建筑面积为1537.3 m2,建筑高度为39.250m,框架剪力墙结构。
二、QC小组概况QC小组概况一览表小组名称台州远信建设工程有限公司浙江水晶光电新厂区一期项目部QC小组小组类型现场型课题名称提高预制梁安装质量合格率活动时间2015.3~2015.6小组人数11人平均接受TQC教育时间40小时活动次数12次小组注册号YXJS-2015-001课题注册号YXJSQC-2015-001K小组成员序号姓名岗位职务性别年龄文化程度职称小组职务小组分工1陈方丽公司总工女50本科高工组长全面负责2倪海平技术质量部男35本科工程师副组长方案制定3陈海平项目经理女37本科工程师副组长策划组织4李申项目技术负责人男36本科高工副组长技术负责5叶会明施工员男36大专工程师组员现场负责6马传宋质量员男25大专助工组员质量负责7王庭安全员男32大专助工组员现场实施8徐怡安全员女28大专助工组员现场实施9阮舒雅安全员女30大专助工组员现场实施10魏伟伟资料员男26大专助工组员资料整理、收集11张理田预算男39大专——组员成本核算制表人:魏伟伟制表日期:2015年3月1日三、选题理由难点大1、本工程联合厂房一架空地坪采用预应力预制整浇结构,单层面积大,预制梁共有2870根,工期短时间紧,采用汽车吊吊装,质量控制难度大。
目标明确2、由于生产车间设备安装精度要求高,确保厂房地坪施工质量。
该工程为创优工程,工程伊始就确定了创“钱江杯”的质量目标现场现状3、预制梁实际施工应用不常见,预制梁安装更是缺乏相关的施工经验,迫切需要攻克难关。
目录一、工程概况 --------------------------------------------01二、小组简介---------------------------------------------01三、选题理由---------------------------------------------03四、现状调查---------------------------------------------03五、活动目标---------------------------------------------04六、可行性分析-------------------------------------------04七、PDCA循环---------------------------------------------05八、活动效果 --------------------------------------------08九、标准化及巩固措施 ------------------------------------09十、遗留问题及今后的打算---------------------------------09 附:QC活动相关图片---------------------------------------11一、工程概况泗宿高速公路路基工程第13合同段,为符离集互通立交工程,主线起于K89+035,止于K92+470,全长3.435公里,匝道全长11.035公里;其中桥梁总长5.043公里,路基总长9.427公里。
合同工期为20个月。
互通区共有19座桥梁,其中预制箱梁共有665片,分两个预制场进行集中预制。
本QC活动针对目前已经生产箱梁的一号预制场箱梁而开展。
一号预制场位于主线桥第32跨左边,占地约26亩,其中存梁区2975m2,预制区4200 m2,钢筋加工、存放区1200 m2,便道1250 m2,其余为办公区和生活区。
小组成员简介制表日期:2016年7月5日小组活动计划表制表人:孙向红制表日期:2016年7月5日三、选题理由(1)、创品牌树形象本工程是我公司重点工程,做好该精品工程,有利于公司在市场创品牌、树形象。
(2)、质量创优需要工程创优目标为“钱江杯”,采用全预制装配式框架结构体系,预制率达到25%,预制范围包含:预制梁、板、楼梯等。
(3)、积累创优经验提高创优水平本工程是我公司在诸暨预制装配式施工首只项目,施工经验不足,装配式建筑吊装工艺复杂、施工机械化程度高、施工安全保证措施要求高。
我们对上海分公司在建项目PC构件施工质量进行了实地考查,得出预制构件施工质量合格率为87%。
在建项目预制构件安装与连接允许偏差汇总表项目规范要求公司目标值测量点数合格点数合格率(%)各抽检点的总体合格率轴线位置55504284标高±5±41008686预制梁平整度44504590轴线位置55504080制表人:孙向红制表日期:2016年7月14日四、现状调查2016年7月15日,我们QC小组成员召开了专题研讨会,经过对上海时代中央花园项目78个不合格点的归类分析,发现导致不合格点的主要因素有7个方面:预制构件安装问题、预制构件生产问题、现浇混凝土质量问题、预制构件运输问题、钢筋焊接问题、支撑系统等问题,并列出统计表。
标高±5±41008888平整度44504284轴线位置55504488标高±5±4504590预制楼梯平整度441009090合计60052287质量问题排列图制表人:孙向红制表日期:2016年7月15日结论:影响预制装配式建筑施工质量的关键问题是:预制构件安装问题。
小组成员经过分析认为,项目部技术力量雄厚,有公司技术部支持,采取切实有效的措施,在理论状态下,如果解决“预制构件安装问题”质量问题的80%,则施工质量合格率将达到94%。
计算式:87%+(1 00%-87%)×(67%×80%)=94%。
中国水电十局优秀QC小组成果课题名称:提高预制T梁预应力张拉一次合格率小组名称:水电十局渝广高速公路项目部QC小组二〇一五年十一月目录一、工程概况 (1)二、小组简介 (1)三、选题理由 (3)四、现状调查 (3)五、设定目标 (5)六、原因分析 (6)七、要因确认 (7)八、制定对策 (8)九、对策实施 (9)十、效果检查 (11)十一、巩固措施 (12)十二、总结与今后打算 (13)一、工程概况重庆渝北至四川广安高速公路是成渝经济区的重要路段,起于重庆市绕城高速公路,经重庆市北碚区复兴镇和静观镇、合川区清平镇、三汇镇、双槐镇和香龙镇、四川省岳池县中和镇、岳池县罗渡镇、广安市枣山镇,止于南充至广安高速公路,与广安至巴中段相接,是重庆市连接西安、北京最便捷通道。
渝广高速公路总承包部土建第一分部里程桩号为K3+257.35~K22+500,路线全长19.249Km,路幅宽度33.5m,设计时速为100Km/h,车辆荷载为公路–Ⅰ级。
桥梁总长度为3644.6m,桥梁总长占全线总长18.9%。
其中特大桥1座、大桥5座,加宽桥1座。
上部结构均为先简支后连续钢筋砼预应力T梁,共需预制T 梁1387片,详见表1。
表1-渝广项目T梁明细表制表人:程木星制表日期: 2015年9月26日二、小组简介为了贯彻公司质量目标,与时俱进、追求卓越,科学、规范管理,和谐发展,塑造企业的一流品牌,并为顾客提供高质量产品使顾客满意。
中国水利水电第十工程局有限公司渝广高速公路项目部于2015年9月25日成立以“提高预制T梁预应力张拉一次合格率”为活动内容的现场QC活动小组。
该小组由10人组成,其中高级工程师2人,工程师2人,助理工程师4人,操作人员2名。
小组成员全面、系统地学习了《预制T梁现场施工工艺管理办法》、《桥涵施工技术规范》、《工程质量评定标准》等技术文件和规范,整体素质较高。
围绕预制T梁预应力张拉施工控制中所出现的问题,从基础资料调查入手,通过统计分析找出关键因素,并研究解决方案和保证措施。
运用QC方法提高预制小箱梁的外观质量摘要:本文以预制小箱梁施工为例,探讨了目前小箱梁普遍存在的外观质量通病及其产生的原因,并从原材料、混凝土配合比、混凝土振捣及浇筑施工工艺、钢筋骨架保护层等方面提出了质量控制措施,为类似小箱梁的生产施工提供了参考。
关键词:小箱梁,外观质量控制,原材料,配合比一、工程概况我公司负责施工的某高速工程,其中跨线桥为预制小箱梁结构。
桥梁结构形式较为繁多,对结构混凝土施工要求高,业主要求达到“内实外美”。
由于桥梁结构采用耐久性混凝土,再加之我们公司在最近几年内没有进行预制小箱梁的施工,因此可供借鉴的经验有限,混凝土外观质量成为控制难题。
我们项目共有25m预制小箱梁324片,30m预制小箱梁36片,共计360片;采用后张法集中预制,采用固定式钢筋混凝土台座30个和定制钢模板6套施工。
配备起重能力为2×60t的龙门吊移梁、浇筑砼和起吊模板等,预制场内设混凝土搅拌站一座。
二、存在的问题从开始制梁的现场观察,我们明确了影响箱梁外观质量缺陷的主要因素是:1、预制梁体外观存在水纹、鱼鳞纹;2、预制梁体外观出现气孔、蜂窝麻面;3、预制梁体外观出现山水画现象。
同时我们对预制梁体端头缺棱断角等其它问题也进行了相关的分析,并采取相应措施进行了治理。
三、具体实施措施针对我标段在预制后张法预应力混凝土小箱梁施工过程中,预制梁体表面混凝土出现的一些外观质量缺陷,我部专门成立箱梁外观质量QC小组对主要因素进行讨论,借鉴以往工程的施工实践并探索、总结了一些提高施工质量的措施、改善梁体外观的对策:这些外观缺陷的克服必须要从原材料、混凝土配合比及混凝土施工工艺上去找原因,加以排除处理,事前采取措施进行治理,同时也对混凝土施工工艺即从混和料的拌和、浇筑、振捣这三个环节上加以控制。
(一)加强技术培训在施工过程中,项目部专门派技术人员从施工的各个方面对协力队伍进行了培训,包括混凝土施工、钢筋施工、模板施工、预埋件安装、各种脱模剂、减水剂使用、成品梁养护等,在集中培训的同时,还派技术人员到现场指导并监督执行,提高员工和协力队伍的施工技能。
提高客专箱梁施工质量小组名称:中铁十九局集团五公司第六项管部良庆制梁场QC小组发表人:张廷宝发表时间:二O一一年中铁十九局集团第五工程有限公司良庆制梁场成果报告目录一、工程概况--------------------------------------1二、小组简介--------------------------------------1三、选题理由--------------------------------------1四、现状调查--------------------------------------2五、确定目标--------------------------------------2六、原因分析--------------------------------------3七、制定对策--------------------------------------5八、按对策实施------------------------------------5九、检查效果-------------------------------------10十、巩固措施-------------------------------------12十一、总结及今后打算------------------------------12一、工程概况:中铁十九局集团第五工程有限公司良庆制梁场承担南钦铁路客运专线箱梁预制任务,供应南钦铁路N Q1标28座桥梁349孔箱梁预制任务,其中32m箱梁327榀,24m 箱梁22榀,制梁场设在广西壮族自治区南宁市良庆区那马镇东平村北侧,占地面积138.0亩,场内设制梁区、存梁区、箱梁吊运区、拌合区、生活办公区等。
箱梁预制在制梁区完成,采用3套H Z S90型拌合站集中拌制混凝土,6台混凝土罐车配合3台泵车的方式完成混凝土浇筑作业;梁体在制梁台座上初张后,由900吨轮胎式提梁机移至存梁区存放,最大生产能力60孔/月,最大存梁能力106孔。
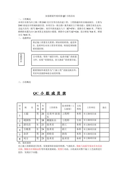
加强箱梁外观质量QC 小组活动一、工程概况本项目名称为阜王路三期S305史庄至李庄段改建工程,工程跨越阜阳市城南新区,主要为S305南延出阜阳城南新区段。
本项目为一级公路(兼具城市主干路功能),道路呈南北走向,北起大治沟(桩号K4+250),南至阜新高速出入口(K7+870),道路全长3610米。
芦桥沟桥桥跨布置为3×20米简支变连续小箱梁,桥跨中心桩号K7+326。
设计桥宽70.6米,桥梁全长76.92米。
二、选题理由三、小组概况QC 小 组 成 员 表序号姓 名性别年龄工作职务技术职称(工人级别)文化程度工作单位备注1 王超 男 28 安质环部部长工程师本科 阜王路项目部 2 胡国伟 男 26 测量队长 工程师专科 阜王路项目部 3 漆光启 男 25 技术员 助工 本科 阜王路项目部 4 方晓奎 男24 技术员助工 本科 阜王路项目部 5 余洋 男 24 质检员 助攻 本科 阜王路项目部 6刘方男 23 技术员技术员本科 阜王路项目部四、现状调查对已施工的箱梁进行检查,发现梁体砼表面有铁锈,气泡较多,腹板与底板导角处有水纹波出现,腹板存在钢筋显影等外观质量缺陷,附图片对此,小组成员对整个施工工艺流程进行监控,发现以下问题。
选题理由保证施工质量至关重要:国家质检机构、建设单位、监理单位对该工程非常重视,特别是预制箱梁质量控制。
公司要求:坚持“诚信守约,追求卓越”的质量方针,实现“质量优良,业主满意”的质量目标。
箱梁预制外观是作为“门面工程”直接反映在外,其好坏直接影响着企业的形象。
具体时间及工作方法介绍对其中各种原因进行调查,发现其对外观质量影响统计表如下:表面锈蚀 表面气泡 梁体裂缝 水波纹 钢筋显影 频数6 84 10 0 0 累计频数(%) 6 90 100 100 100 累计率(%)690100100100砼表面铁锈 梁表面气泡 腹板与底板导角处有水纹波出现 腹板存在钢筋显影梁体产生微裂缝梁外观质量差 模板除锈不干净振捣不到位,砼塌落度过浇筑后,未及时覆盖养生 每层砼浇筑过高 钢筋保护层不够,振捣接触钢筋太久由上表分析而出,主要影响我部箱梁质量外观的是气泡较多,对气泡较多进行进一步分析附图人 人 机 料法 法 环五、要因分析确认怎么分析出来的??(会议讨论?现场实时监测?等)砼表面汽泡要因确认表原因与砼表面气泡相关度 主要因素振捣人员不足 交底不透彻责任心不强 振动器功率低 振动器不足 石子级配差 砂含水率大 水灰比过大 振捣时间不够 振捣间距过大交底不透彻 责任心不强振捣人员不足 振动器功率低 振动器不足 石子级配差 砂含水率大 水灰比过大 局部环境影响振捣时间不够 振捣间距过大 分层高度过大 梁体气泡过多分层高度过大局部环境影响备注强相关弱相关主要因素六、活动目标严保箱梁外观质量,外观质量合格率99%以上。
提高连续刚构箱梁外观合格率广东省基础工程公司广州地铁四号线区间5标QC 小组一、小组概况广州地铁四号线区间5标QC 小组成立于2006年1月18日,由9名现场施工管理人员组成,小组成立后,根据现场实际情况,选定提高连续刚构箱梁外观质量为课题,积极开展活动,采取实际调查,分析研究解决问题,在此期间,小组成员共组织了9次活动并参加了总公司举办的QC 小组培训班,通过认真学习、交流、提高了小组成员的分析问题、解决问题的能力。
成员情况见表一。
表一:QC 小组成员简况表小组名称 广州地铁四号线区间5标QC 小组 注册时间 06年1月18日课题名称提高连续刚构箱梁外观合格率登记号0704 活动次数9次 小组接受TQC 教育情况 本QC 小组成员均接受TQC 教育48小时以上,并获得合格证 课题类型 现场型 姓名 性别 年龄 文化程度 职称 职务组内职务 杨 军 男 42 本科 工程师 常务项目部经理 组长 郭志坤 男 29 本科 工程师 技术负责人 副组长 刘 亮 男 28 本科 工程师 施工主管 组员 袁壮飞 男 28 本科 工程师 施工员 组员 余喜平 男 26 本科 助工 技术员 组员 余庆意 男 26 本科 助工 技术员 组员 罗 欣 女 27 本科 助工 质检负责人 组员 施建广 男 40 大专 助工 试验工 组员 庄天宝男45高中技工班长组员制表人:余庆意 日期:2006年1月18日二、工程简介沙湾大桥位于广州市轨道交通四号线上的一座特大型四跨预应力混凝土连续刚构桥,主桥全长380m ,跨径设置为70m+2×120m+70m 。
该桥箱梁0号块长12m ,每个“T ”构沿纵桥方向分为14个对称梁段,梁段数及梁段长度从根部至跨中分别为3×3m ,11×4m ,箱梁采用单箱单室截面。
顶板宽9.3m ,底板宽从墩顶的5.084m 以变宽度形式过度到跨中的6.0m ,外翼板悬臂长1.2m ,梁高由0号块处的6.5m 以半抛物线形式从根部过度到跨中的3.5m 。
提高30米预制箱梁钢筋保护层厚度合格率临海高等级公路赣榆段龙王河特大桥项目QC小组前言随着我单位在江苏省连云港市公路交通市场的不断拓展,承接的工程在逐年增加,承接了几座特大桥工程。
连云港市的临海高等级公路就是一条靠近沿海的公路,我单位承接的龙王河特大桥就是跨过龙王河入海口的一座桥梁。
桥梁的上部结构为先简支后连续箱梁,箱梁腹板钢筋净保护层为20mm,受海洋气候的影响,要想达到桥梁耐久性使用要求,提高预制箱梁的钢筋保护层合格率是非常重要的一项工作。
一、小组概况小组概况表表1二、工程概况2011年6月公司承揽了临海高等级公路赣榆段LHGY-LQ4标龙王河特大桥工程项目起迄点桩号为K25+763.800~K27+046.200,本工程为一级公路标准,设计时速100km/h,桥梁设计荷载公路-Ⅰ级。
桥梁设计总宽26m,净宽为2×净-11.5m。
全桥预制箱梁共计320片,其中30米预制箱梁为200片,35米预制箱梁为120片,梁体砼设计强度为C50级,梁体在正常使用条件下结构设计使用年限为100年,设计钢筋最小静保护层厚度顶板为40mm,腹板为20mm,底板为30mm。
施工时确保预制箱梁的保护层厚度是保证梁体使用寿命的关键因素之一。
由于箱梁预制是整个桥梁工程的关键性工作,因此能否快速、高质量地完成制梁任务,不仅影响到公司的经济效益,而且还将直接影响整个工程的总工期。
三、选题理由选定课题:提高预制箱梁钢筋保护层厚度合格率四、现状调查1、为了全面了解箱梁砼的保护层厚度施工的现状,2011年10月28日小组成员对施工完成的3片预制箱梁进行了梁体保护层检测,检测结果如下:保护层测试仪检测记录表表22、根据检测结果统计表绘制排列图如下:3、结论;从排列图可以看出“腹板外层”和“腹板内侧”是影响预制箱梁保护层厚度的主要山东天元路桥工程有限公司关联图制图:吕凤勇日期:2011年11月20日七、要因确认从上面的关联图中我们找出了影响这两个主要问题的所有末端原因,并逐条进行了要因确认。
提高预制梁安装质量合格率台州远信建设工程有限公司浙江水晶光电新厂区一期工程QC小组一、工程概况浙江水晶光电科技股份有限公司新厂区一期工程,总建筑面积75968.6m2,由联合厂房一和研发楼组成。
联合厂房一占地面积为18525.3m2,建筑为3层,一至三层层高均为6米,建筑高度为19.7米,框架剪力墙结构。
其中架空层地坪采用预应力预制梁整浇结构。
研发楼占地面积为1462.7 m2,地上9层,地上建筑面积为12046.4m2,地下室1层,地下建筑面积为1537.3 m2,建筑高度为39.250m,框架剪力墙结构。
二、QC小组概况QC小组概况一览表小组名称台州远信建设工程有限公司浙江水晶光电新厂区一期项目部QC小组小组类型现场型课题名称提高预制梁安装质量合格率活动时间2015.3~2015.6小组人数11人平均接受TQC教育时间40小时活动次数12次小组注册号YXJS-2015-001课题注册号YXJSQC-2015-001K小组成员序号姓名岗位职务性别年龄文化程度职称小组职务小组分工1陈方丽公司总工女50本科高工组长全面负责2倪海平技术质量部男35本科工程师副组长方案制定3陈海平项目经理女37本科工程师副组长策划组织4李申项目技术负责人男36本科高工副组长技术负责5叶会明施工员男36大专工程师组员现场负责6马传宋质量员男25大专助工组员质量负责7王庭安全员男32大专助工组员现场实施8徐怡安全员女28大专助工组员现场实施9阮舒雅安全员女30大专助工组员现场实施10魏伟伟资料员男26大专助工组员资料整理、收集11张理田预算男39大专——组员成本核算制表人:魏伟伟制表日期:2015年3月1日三、选题理由难点大1、本工程联合厂房一架空地坪采用预应力预制整浇结构,单层面积大,预制梁共有2870根,工期短时间紧,采用汽车吊吊装,质量控制难度大。
目标明确2、由于生产车间设备安装精度要求高,确保厂房地坪施工质量。
该工程为创优工程,工程伊始就确定了创“钱江杯”的质量目标现场现状3、预制梁实际施工应用不常见,预制梁安装更是缺乏相关的施工经验,迫切需要攻克难关。
提高预制装配式建筑施工一次合格率QC成果报告小组名称:产业园研发中心工程一期项目部QC小组编制单位:浙江展诚建设集团股份有限公司发表人:孙向红编制日期:2017年2月提高预制装配式建筑施工一次合格率浙江展诚建设集团股份有限公司产业园研发中心工程一期项目部QC小组一、工程概况展诚产业园研发中心(一期)由研发楼、员工宿舍、检测中心、研发楼地下室组成,位于诸暨市陶朱街道建工路以南、鸿程路以西。
该工程框架结构,建筑面积15111㎡。
工程于2016年7月1日开工。
工程部分采用全预制装配式框架结构体系,预制率达到30%,预制范围包含:预制梁、板、楼梯等。
小组成员简介Array制表人:王健制表日期:2016年7月5日小组活动计划表制表人:孙向红制表日期:2016年7月5日三、选题理由(1)、创品牌树形象本工程是我公司重点工程,做好该精品工程,有利于公司在市场创品牌、树形象。
(2)、质量创优需要工程创优目标为“钱江杯”,采用全预制装配式框架结构体系,预制率达到25%,预制范围包含:预制梁、板、楼梯等。
(3)、积累创优经验提高创优水平本工程是我公司在诸暨预制装配式施工首只项目,施工经验不足,装配式建筑吊装工艺复杂、施工机械化程度高、施工安全保证措施要求高。
我们对上海分公司在建项目PC构件施工质量进行了实地考查,得出预制构件施工质量合格率为87%。
在建项目预制构件安装与连接允许偏差汇总表项目规范要求公司目标值测量点数合格点数合格率(%)各抽检点的总体合格率轴线位置55504284标高±5±41008686预制梁平整度44504590轴线位置55504080制表人:孙向红制表日期:2016年7月14日四、现状调查2016年7月15日,我们QC小组成员召开了专题研讨会,经过对上海时代中央花园项目78个不合格点的归类分析,发现导致不合格点的主要因素有7个方面:预制构件安装问题、预制构件生产问题、现浇混凝土质量问题、预制构件运输问题、钢筋焊接问题、支撑系统等问题,并列出统计表。
提高30米预制箱梁钢筋保护层厚度合格率临海高等级公路赣榆段龙王河特大桥项目QC小组前言随着我单位在江苏省连云港市公路交通市场的不断拓展,承接的工程在逐年增加,承接了几座特大桥工程。
连云港市的临海高等级公路就是一条靠近沿海的公路,我单位承接的龙王河特大桥就是跨过龙王河入海口的一座桥梁。
桥梁的上部结构为先简支后连续箱梁,箱梁腹板钢筋净保护层为20mm,受海洋气候的影响,要想达到桥梁耐久性使用要求,提高预制箱梁的钢筋保护层合格率是非常重要的一项工作。
一、小组概况小组概况表表1二、工程概况2011年6月公司承揽了临海高等级公路赣榆段LHGY-LQ4标龙王河特大桥工程项目起迄点桩号为K25+763.800~K27+046.200,本工程为一级公路标准,设计时速100km/h,桥梁设计荷载公路-Ⅰ级。
桥梁设计总宽26m,净宽为2×净-11.5m。
全桥预制箱梁共计320片,其中30米预制箱梁为200片,35米预制箱梁为120片,梁体砼设计强度为C50级,梁体在正常使用条件下结构设计使用年限为100年,设计钢筋最小静保护层厚度顶板为40mm,腹板为20mm,底板为30mm。
施工时确保预制箱梁的保护层厚度是保证梁体使用寿命的关键因素之一。
由于箱梁预制是整个桥梁工程的关键性工作,因此能否快速、高质量地完成制梁任务,不仅影响到公司的经济效益,而且还将直接影响整个工程的总工期。
三、选题理由选定课题:提高预制箱梁钢筋保护层厚度合格率四、现状调查1、为了全面了解箱梁砼的保护层厚度施工的现状,2011年10月28日小组成员对施工完成的3片预制箱梁进行了梁体保护层检测,检测结果如下:保护层测试仪检测记录表表22、根据检测结果统计表绘制排列图如下:3、结论;从排列图可以看出“腹板外层”和“腹板内侧”是影响预制箱梁保护层厚度的主要部位,必须予以重视和解决。
五、小组活动目标及可行性论证 1、设定目标通过讨论小组最终将腹板内外侧钢筋保护层厚度合格率目标值确定为95%。