土壤和沉积物石油烃(C-C
- 格式:pdf
- 大小:751.74 KB
- 文档页数:13
■ IN F O 丨资讯生态环境部发布六项国家环保标准为贯彻《中华人民共和国 环境保护法》,保护生态环境, 保障人体健康,规范生态环境 监测T 作,生态环境部近日批 准并发布6项国家环境保护标 准。
此次发布的6项标准分别 为《地块土壤和地下水中挥发 性有机物采样技术导则》(HJ1019- 2019)、《土壤和沉积物 石油烃(C 6-C 9)的测定吹扫捕 集/气相色谱法》(HJ 1020- 2019)、《土壤和沉积物 石油烃(C 10-C 40)的测定气相 色谱法》(HJ 1021-2019)、 《土壤和沉积物苯氧竣酸类农 药的测定高效液相色谱法》(HJ 1022-2019), 〈〈土壤和沉积物有机磷类和拟除虫菊酯类等 47种农药的测定气相色谱- 质谱法》(HJ 1023-2019)、<(± 壤和沉积物铜、锌、铅、镍、 铬的测定火焰原子吸收分光光度法》(HJ 491-2019)。
北京制定《关于落实农业农村优先发展 扎实推进乡村振兴战略实施的工作方案》为深入贯彻落实《中共 中央、国务院关于坚持农业 农村优先发展做好“三农” 工作的若干意见》,确保顺利 完成承诺的到2020年底农村 改革发展目标任务,北京市 特制定《关于落实农业农村优先发展扎实推进乡村振兴战略实施的工作方案》。
《方案》提出将实施“百村示范、 千村整治”工程专项行动; 开展村庄清洁专项行动;推 进农村厕所革命专项行动; 推进农村生活垃圾治理专项行动;推进农村生活污水治理专项行动;推进乡村绿化美化专项行动;推进“四好 农村路”建设专项行动。
加 快补齐农村人居环境短板, 营造乡村新面貌。
《内蒙古自治区重点流域断面水质污染补偿办法(试行)》下发近日,内蒙古自治区生态 环境厅、财政厅制定了《内蒙古 自治区重点流域断面水质污染 补偿办法(试行)》。
该办法是以 保护河流生态环境、促进人与 自然和谐发展为目的,运用经 济手段,调节流域上中下游之间、水环境破坏者与受害者及 保护者之间的经济利益关系,推动流域水污染防治联防联控 制度建设。
土壤中石油烃(C10~C40)的前处理方法研究摘要:随着经济的快速发展,人们对石油类产品的需求急剧增加,大量的石油碳氢化合物在石油产品的开采、运输、加工和储存及使用过程中泄露至环境中,全球每年约有800万t石油污染物进入生态环境,我国每年也约有60万t石油污染物进入环境,对生态环境造成持久且难以修复的破坏,严重威胁着人类的健康。
与此同时,石油烃中含有的长链烷烃和多环芳香烃等因其结构稳定难以被降解,给修复带来了严峻的挑战。
石油烃污染的修复技术可分为物理修复、化学修复和生物修复三大类。
其中,物理修复方法是指通过物理手段将石油烃污染物质移除或转化为低毒或者无毒形态的技术手段,主要包括有土壤置换、气相抽取、萃取洗脱、电动修复、热脱附等技术。
基于此,本篇文章对土壤中石油烃(C10~C40)的前处理方法进行研究,以供参考。
关键词:土壤;石油烃(C10~C40);前处理方法引言随着国内石油化工产业的快速发展,由于石油泄漏以及老旧厂区退役造成的石油烃污染土壤日趋增多。
相关资料显示,我国部分石油化工园区土壤中石油烃质量分数高达10000μg/g,每年新污染土壤1×108kg。
土壤中的石油烃在改变土壤环境的同时,还会通过植物吸收进入人体,长期接触可造成不可逆的损害。
石油烃污染土壤常用的修复技术主要有物理修复、化学修复以及生物修复等。
其中,热脱附技术具有修复周期短、去除效率高等明显优势而受到广泛关注。
研究了温度、土壤质地以及时间等对土壤中柴油污染去除过程的影响,结果表明吸附过程和解吸效率受土壤质地的影响,处理温度和时间是影响修复过程的关键因素。
研究了被高浓度柴油污染的土壤在不同工艺条件下的热脱附过程,结果表明随着加热温度的升高,平均反应速率常数增加,说明热脱附过程变得更快更有效。
试验结果表明,较低的压力环境有利于提高多氯联苯热脱附效率。
目前大部分研究主要集中在多环芳烃、多氯联苯等污染物,而对土壤中不同碳数范围的石油烃组分热脱附行为的研究相对较少。
环境监测人员上岗考核试题(土壤和沉积物石油烃(C6-C9)的测定吹扫捕集/气相色谱法HJ1020)姓名:________ 评分:________ 不定项选择题(每题5分,共100分)1、《土壤和沉积物石油烃(C6-C9)的测定吹扫捕集/气相色谱法》(HJ 1020-2019)适用于()中石油烃(C6-C9)的测定。
A、地表水B、沉积物C、土壤D、固废2、《土壤和沉积物石油烃(C6-C9)的测定吹扫捕集/气相色谱法》(HJ 1020-2019),当取样量为 5.0 g 时,本标准测定石油烃(C6-C9)的方法检出限为() mg/kg,测定下限为() mg/kg。
A、0.02 0.08B、0.04 0.16C、0.06 0.24D、0.08 0.323、以下说法正确的有()。
A、土壤和沉积物中的石油烃(C6-C9)经高纯氮气吹扫后吸附于捕集管中,将捕集管加热并以高纯氮气反吹,被热脱附出来的组分经气相色谱柱分离后,用氢火焰离子化检测器(FID)检测,根据保留时间窗定性,外标法定量。
B、分析时均使用符合国家标准的分析纯试剂,实验用水为新制备的不含目标物的纯水。
C、本方法标准物质的溶剂是乙醇。
D、本方法可直接购买有证标准溶液。
4、本方法采样时使用的样品瓶规格是()mL棕色广口玻璃瓶。
A、40B、60C、80D、1005、本方法分析时使用的样品瓶规格是()mL棕色玻璃瓶,具硅橡胶-聚四氟乙烯衬垫螺旋盖。
A、40B、60C、80D、1006、以下说法正确的有()。
A、按照 HJ/T 166 中挥发性有机物的相关要求采集和保存土壤样品。
B、按照 HJ /T 164的相关要求采集水体沉积物样品。
C、按照 GB 17378.3 的相关要求采集海洋沉积物样品。
D、样品采集后,4℃以下避光保存,14 d 内完成分析。
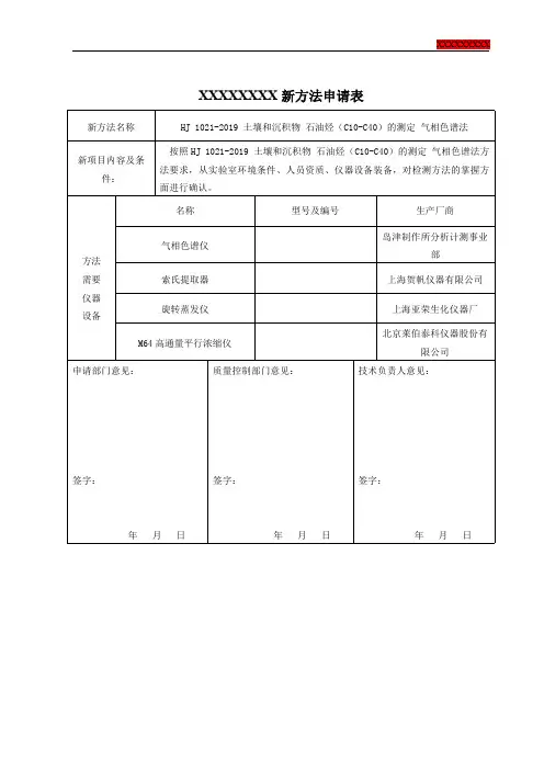
XXXXXXXX新方法申请表新方法名称HJ1021-2019土壤和沉积物石油烃(C10-C40)的测定气相色谱法新项目内容及条件:按照HJ1021-2019土壤和沉积物石油烃(C10-C40)的测定气相色谱法方法要求,从实验室环境条件、人员资质、仪器设备装备,对检测方法的掌握方面进行确认。
方法需要仪器设备名称型号及编号生产厂商气相色谱仪岛津制作所分析计测事业部索氏提取器上海贺帆仪器有限公司旋转蒸发仪上海亚荣生化仪器厂M64高通量平行浓缩仪北京莱伯泰科仪器股份有限公司申请部门意见:签字:年月日质量控制部门意见:签字:年月日技术负责人意见:签字:年月日XXXXXXXX新方法评审表名称石油烃依据规范HJ1021-2019土壤和沉积物石油烃(C10-C40)的测定气相色谱法参加评审人员评审依据HJ168-2010环境监测分析方法标准制修订技术导则评审内容一、环境条件:满足二、仪器设备:检定有效期内、状态标识合格三、人员:持证上岗,工作经验丰富四、检测方法结果验证指标标准方法指标本实验室检测指标是否验证合格线性相关系数石油烃(C10-C40)≥0.999石油烃(C10-C40):0.9999是方法检出限石油烃(C10-C40):6mg/kg石油烃(C10-C40):0.7mg/kg是空白石油烃(C10-C40):<6mg/kg N.D是精密度石油烃(C10-C40)相对偏差≤25%4.0%是准确度空白加标回收率范围为70%≤X≤120%样品加标回收率范围为50%≤X≤140%样品加标回收率:69.4%是评审意见签字:年月日HBJT/QD–TSYTY30XXXXXXXX新方法验收表名称HJ1021-2019土壤和沉积物石油烃(C10-C40)的测定气相色谱法验收组成员起始日期完成日期项目总结实验室在环境条件、人员、仪器设备、方法的掌握方面,满足HJ 1021-2019土壤和沉积物石油烃(C10-C40)的测定气相色谱法的要求,具备开展该检测项目的能力。
1 引言石油烃是目前环境中广泛存在的有机污染物之一, 主要来源于汽油、煤油、柴油、润滑油、石蜡和沥青等,是多种烃类(正构烷烃以及异构烷烃、环烷烃、烷基苯、烷基萘和多环芳烃)的混合物。
过量的石油烃一旦进入土壤将很难予以排除,将给社会、经济和人类造成严重的危害。
目前,测定[1][2]土壤中的总石油烃的方法有气相色谱法、重量法、红外分[3-4][5]光光度法等,预处理方法有索氏萃取法、加速溶剂萃取[1][6]法、超声波萃取法等。
本文采用加速溶剂萃取-气相色谱法测定土壤中的总石油烃(C -C ),该方法萃取效率高,所需溶剂较少,能满1040足大量土壤样品中总石油烃(C -C )检测的需要。
10402 仪器及试剂GC-2010Plus气相色谱仪(日本岛津公司);快速溶剂萃取仪(美国热电);氮吹仪(上海亚荣生化仪器厂);弗罗里硅土柱:cnw florisil SPE小柱(1g/6mL);丙酮、正己烷、二氯甲烷均为农残级、硅藻土(经400℃干燥4h)。
3 样品前处理3.1 样品的采集与保存样品采集后密闭储存于棕色玻璃瓶中,应尽快分析。
若不能及时分析,应冷冻(≤-18℃)保存,保存期为30d。
3.2 提取准确称取20.00g(精确到0.01g)新鲜土壤样品,加入适量硅藻土脱水拌匀,装入合适的萃取池中。
以正己烷—丙酮(1:1)溶液,按以下条件进行萃取:萃取温度100℃,萃取压力1500psi,静态萃取时间5min,氮气吹扫时间60s,萃取循环次数2次,收集提取液。
3.3 水洗与浓缩将提取液转入250mL分液漏斗种,加入100mL 纯水洗涤2次,静置分层后,将正己烷相收集于收集瓶并加入无水硫酸钠脱水,无损转移至浓缩瓶,在35℃的水浴中旋转蒸发浓缩有机相,当样品浓缩至2mL左右,用巴士滴管无损转移至浓缩瓶,用正己烷淋洗3次,每次2mL左右,全部收取至浓缩瓶,设置温度38℃,压力一档,氮吹至1mL左右,待净化。
3.4 净化与浓缩将上述预处理好的溶液加入依次用10mL 正己烷/二氯甲烷溶液(4+1)、10mL正己烷活化好的弗罗里硅土柱,用3mL正己烷完全转移,在净化层刚刚露出空气之前,加10mL正己烷+二氯甲烷(4+1)淋洗液洗脱净化柱,靠重力自然流下,收集所有洗脱液于干净的50mL浓缩瓶中。
我国污染场地土壤石油烃环境质量标准体系的现状与趋势2014年公布的《全国土壤污染状况调查公报》显示,我国采油区土壤主要污染物为石油烃和多环芳烃(PAHs);化工类园区及周边土壤的主要污染物为PAHs[1]。
目前,石油烃污染场地已经成为国内外污染场地的重要关注类型之一。
为加强对土壤中石油烃类污染物的风险管控,生态环境部已将石油烃类列为土壤中的主要污染项目并加以限制。
继2016年《土壤污染防治行动计划》颁布以来,我国土壤污染防治相关标准和技术规范不断完善[2]。
然而由于石油烃组成复杂的,各组分的物理、化学、毒理性质差别很大,亟待推出土壤中石油烃的配套测定方法标准和石油烃类标准样品。
2018年最新颁布的《土壤环境质量建设用地土壤污染风险管控标准(试行)》(GB 36600—2018)(以下简称国家建设用地土壤标准)制定了基于人体健康的土壤污染风险筛选值,使土壤环境质量评估工作步入了一个崭新的阶段[3]。
为了兼顾分析方法的可操作性,此标准只对可萃取性石油烃(C10~C40)作了限值规定。
在前人研究的基础上,本文梳理了国内土壤环境质量标准体系的建立与发展历程,分析了石油烃类污染物检测方法的现状与趋势,并对比分析了各标准制定的石油烃及其指示化合物的风险评估筛选值,旨在为今后开展基于人体健康风险的土壤环境质量评估工作提供理论支撑,也为完善土壤石油烃及其指示化合物的环境质量评价标准体系提供一定的保障。
1 标准体系的建立与发展石油主要由碳、氢、硫、氮、氧等无机元素和多种微量金属元素组成,是一种含有多种烃类(正烷烃、支链烷烃、环烷烃、芳香烃)及少量其他有机物(硫化物、氮化物、环烷酸类等)的复杂混合物。
烃类是其中重要的组成成分,包括苯系化合物(BTEXs)、PAHs等。
由于每种烃类的组分含量测定不具有实际可操作性,因而常用总石油烃来衡量这类物质的总量。
较为常见的BTEXs、PAHs等烃类物质由于毒性较大且对生态环境具有极其严重的潜在危害,因而常常作为石油烃污染场地的指示化合物。
XX公司作业指导书土壤和沉积物石油烃(C10-C40)的测定气相色谱法修订页1编制依据本方法依据《土壤和沉积物石油烃(C10-C40)的测定气相色谱法》(HJ 1021-2019)编制。
2适用范围本标准规定了测本标准规定了测本标准规定了测本标准规定了测土壤和沉积物中石油烃(C10 -C40)的气相色谱法。
本标准适用于本标准适用于本标准适用于土壤和沉积物中石油烃(C10 -C40)的测定。
当取样量为10.0 g,定容体积为1.0 ml,进样体积为1.0 µl 时,本标准测定石油烃(C10 -C40)的方法检出限为6 mg/kg,测定下限为24 mg/kg。
3 术语和定义下列术语和定义适用于本标准。
3.1石油烃(C10-C40)petroleum hydrocarbons(C10-C40)在本标准规定的条件下,能够被正己烷(或正己烷-丙酮)提取且不被硅酸镁吸附,在气相色谱图上保留时间介于正癸烷(包含)与正四十烷(包含)之间的有机化合物。
4方法原理土壤和沉积物中的石油烃(C10-C40)经提取、净化、浓缩、定容后,用带氢火焰离子化检测器(FID)的气相色谱仪检测,根据保留时间窗定性,外标法定量。
5试剂和材料除非另有说明,分析时均使用符合国家标准的分析纯试剂,实验用水为新制备的不含目标物的纯水。
5.1 正己烷(C6H14):HPLC 级。
5.2 丙酮(C3H6O):HPLC 级。
5.3 二氯甲烷(CH2Cl2):HPLC 级。
5.4 正己烷-丙酮混合溶剂:1+1。
5.5 正己烷-二氯甲烷混合溶剂:1+1。
5.6 无水硫酸钠(Na2SO4)。
在450℃下灼烧 4 h,冷却后装入磨口玻璃瓶中,置于干燥器中保存。
5.7 硅藻土:0.60 mm ~0.85 mm (30 目~20 目)。
在450℃下灼烧 4 h,冷却后装入磨口玻璃瓶中,置于干燥器中保存。
5.8 硅镁型吸附剂:层析级,0.15 mm~0.25 mm(100 目~60 目)。
方法验证报告方法名称:土壤和沉积物石油烃(C10-C40)的测定方法编号: HJ 1021-2019 分析项目:石油烃(C10-C40)编制人:日期:审核人:日期:批改人:日期:《土壤和沉积物石油烃(C10-C40)的测定气相色谱法HJ1021-2019》方法验证报告一、人员本实验分析人员为**,*,25岁,大学本科学历,化学工程与工艺专业,从事大型仪器分析1年,具有石油烃(C10-C40)气相色谱项目上岗证。
本实验采样人员为**,*,30岁,大学本科学历,应用化学专业,中级工程师,从事现场监测和采样工作6年,具有土壤采样等上岗证。
本实验采样人员为***,男,31岁,大学本科学历,资源环境与城乡规划管理专业,从事现场监测和采样工作5年,具有土壤采样等上岗证。
本实验室已于2019年8月对上述人员开展《土壤和沉积物石油烃(C10-C40)的测定气相色谱法》的培训及理论考试,成绩合格,上述人员对标准中采样方法、实验室检测方法、质控要求均能熟练掌握,且在日常工作中熟悉危险化学品等安全防护知识。
二、仪器实验室具备开展《土壤和沉积物石油烃(C10-C40)的测定气相色谱法》现场采样、样品保存运输和制备、实验室分析及数据处理等监测工作各环节所需的仪器设备。
三、试剂与材料1.标准物质石油烃(C10-C40)混合标准溶液:31000mg/L,溶剂为正己烷,证书编号:ZH0B04,批号:V1900199,有效期至2024年3月29日。
2.试剂2.1正己烷:色谱纯,上海安浦实验科技股份有限公司,4L/瓶;2.2二氯甲烷:色谱纯,山东禹王和天下新材料有限公司,500ml/瓶;2.3石英砂:分析纯,天津永晟精细化工有限公司,500g/瓶;2.4硅藻土:色谱纯,上海安浦实验科技股份有限公司,1kg/瓶;3耗材3.1佛洛里硅土净化小柱:广州菲罗门科学仪器有限公司,1g/6mL上述试剂材料均为市售,标准溶液均有证书。
经空白试剂验证,无杂峰。
矿物岩石地球化学通报・综 述・Bulletin of Mineralogy ,Petrology and GeochemistryVol 126No 13,J uly 2007收稿日期:2005Ο11Ο04收到,2006Ο11Ο09改回基金项目:国家重点基础研究发展规划项目(2004CB418502)第一作者简介:郭伟(1978—),男,博士研究生,专业方向:环境污染化学.E Οmail :guoweihoff mann @.土壤/沉积物中石油烃微生物降解研究综述郭 伟,何孟常,杨志峰北京师范大学环境学院环境模拟和污染控制国家联合重点实验室,北京100875摘 要:结合目前国内外研究进展,综述了土壤和沉积物中石油烃污染物的来源、危害和生物降解的菌种及降解途径,分析了微生物性质和包括氧、营养物、温度、土壤/沉积物理化性质等环境因素对石油烃降解的影响,指出这些研究往往局限于某种特殊污染物、特殊污染降解菌种和单一条件下辅助降解方面,引入了人为因素的影响,造成与实际不符的降解假象。
因此,自然条件下石油烃生物降解将成为重要的研究课题。
关 键 词:石油烃;土壤;沉积物;生物降解;影响因素中图分类号:X131.3 文献标识码:A 文章编号:1007Ο2802(2007)03Ο0276Ο08A R evie w of Studies on the Degradation of Petroleum H ydrocarbonin Soils and Sediments by Microorganism GUO Wei ,H E Meng Οchang ,YAN G Zhi ΟfengS tate Key J oint L aboratory of Envi ronmental S imulation and Poll ution Cont rol ,S chool of Envi ronment ,B ei j ing N ormal Universit y ,B ei j ing 100875,ChinaAbstract :This paper has comprehensively summarized t he advances of the research on t he sources ,hazards ,and t he biodegradation strains and pathways of petroleum hydrocarbon pollutant s in soils and sediment s ,analyzed the influ 2ence on biodegradation of petroleum hydrocarbon caused by t he microorganism properties and environmental factors including oxygen ,nutriment s ,temperature and t he physicochemical properties of soils and sediment s ,and indicated t hat t he of biodegradation are limited in certain kind of petroleum hydrocarbon pollutant s in soils and sediment s degraded by some special kinds of microorganisms at certain condition.The influence of artificial factors caused the false appearance of degradation.Therefore ,to st udy t he degradation of petroleum hydrocarbon pollutant s under nat ural condition is a very important research subject.K ey w ords :petroleum hydrocarbon ;soil ;sediment ;biodegradation ;influence factors 石油对环境的污染主要发生在水体和土壤中,石油开采和使用的每一个环节都可能产生污染物[1~3]。
专利名称:一种检测土壤和沉积物中总石油烃C~C的方法专利类型:发明专利
发明人:石银俊,龚祖星,吴述超,曹攽
申请号:CN202010522965.2
申请日:20200610
公开号:CN111521715A
公开日:
20200811
专利内容由知识产权出版社提供
摘要:本发明公开了一种检测土壤和沉积物中总石油烃C~C的方法,土壤和沉积物中的总石油烃C~C经提取、在线净化、浓缩、定容后,经带氢火焰离子化检测器的气相色谱仪检测,根据保留时间窗定性,外标法定量。
本发明所述的填充在萃取池内的吸附材料为弗罗里硅土,能够被正己烷或者正己烷‑丙酮提取且不被硅酸镁吸附,采用样品、吸附剂混匀‑在线净化的加速溶剂萃取法,净化过程都在萃取池的封闭体系中完成,样品和吸附剂直接混合均匀,与其它净化方法相比,无需分层填入吸附剂和样品,避免额外加入纤维滤膜,减少操作步骤,避免了提取液净化过程多次转移产生的损耗,减少有机溶剂使用量,提高样品回收率。
申请人:浙江省地质矿产研究所
地址:310007 浙江省杭州市西湖区体育场路508号
国籍:CN
代理机构:杭州中成专利事务所有限公司
更多信息请下载全文后查看。
土壤沉积物石油烃的测定方法
1. 嘿,你知道吗?土壤沉积物中石油烃的测定可以用重量法呀!就像称体重一样,直接称出其中的石油烃含量。
比如在那片被石油污染过的土地上,我们就可以用这种方法。
这多简单直接呀,是不是很厉害?
2. 哇塞!还有一种方法叫气相色谱法呢!这就好像给石油烃来个“大分家”,把它们一个个清楚地分辨出来。
想想看,在分析土壤沉积物时用上它,那不是一下就弄清楚里面石油烃的成分啦!
3. 嘿呀,分光光度法也很棒呀!它就如同一个神奇的“探测器”,能准确探测到土壤沉积物中石油烃的存在。
像是在那片充满未知的土地上,它能给出确切的答案,太牛了吧!
4. 告诉你哦,红外光谱法也能测呢!它就像一双锐利的眼睛,能看穿土壤沉积物中石油烃的秘密。
比如说在研究一个污染区域时,它肯定能发挥大作用,难道不是吗?
5. 哇哦,荧光分析法也不要小瞧呀!它就像是夜晚的星星般闪亮,能让土壤沉积物中的石油烃无所遁形。
在面对复杂的情况时,它绝对能给出惊人的结果,厉害吧!
6. 还有一种方法叫滴定法哟!这简直就是测量石油烃的一把好手。
就好似精确的标尺,能准确衡量出土壤沉积物中石油烃的量。
在解决实际问题时,肯定超级实用呀!我觉得这些方法都各有千秋,根据不同的情况选择合适的方法才能更好地测定土壤沉积物中的石油烃呀!。
土壤总石油烃c10-c40标准物质下载提示:该文档是本店铺精心编制而成的,希望大家下载后,能够帮助大家解决实际问题。
文档下载后可定制修改,请根据实际需要进行调整和使用,谢谢!本店铺为大家提供各种类型的实用资料,如教育随笔、日记赏析、句子摘抄、古诗大全、经典美文、话题作文、工作总结、词语解析、文案摘录、其他资料等等,想了解不同资料格式和写法,敬请关注!Download tips: This document is carefully compiled by this editor. I hope that after you download it, it can help you solve practical problems. The document can be customized and modified after downloading, please adjust and use it according to actual needs, thank you! In addition, this shop provides you with various types of practical materials, such as educational essays, diary appreciation, sentence excerpts, ancient poems, classic articles, topic composition, work summary, word parsing, copy excerpts, other materials and so on, want to know different data formats and writing methods, please pay attention!土壤总石油烃C10C40标准物质的定义与意义1. 引言土壤污染是当今社会面临的严重问题之一。
土壤和沉积物 总石油烃的测定 气相色谱法
土壤和沉积物中总石油烃的测定是一个重要的环境监测指标。
气相色谱法是一种常用的测定土壤和沉积物中总石油烃含量的方法。
气相色谱法是一种基于化学分离原理的分析方法,它通过将样品中的总石油烃化合物分离出来,然后通过气相色谱仪进行检测和定量分析。
气相色谱法具有检测灵敏度高、分离效果好、分析速度快等优点。
在进行土壤和沉积物中总石油烃的测定时,需要采集样品并进行前处理,包括样品的提取、净化和浓缩等步骤。
在样品的前处理过程中,需要注意避免样品的污染和损失,保证测定结果的准确性和可靠性。
总的来说,气相色谱法是一种可靠、高效的测定土壤和沉积物中总石油烃含量的方法,其应用具有重要的环境监测和评价意义。
中华人民共和国国家环境保护标准HJ 1020-2019土壤和沉积物 石油烃(C 6-C 9)的测定吹扫捕集/气相色谱法Soil and sediment —Determination of petroleum hydrocarbons(C 6-C 9)—Purge and trap /gas chromatography(发布稿)本电子版为发布稿。
请以中国环境出版集团出版的正式标准文本为准。
2019-05-12发布 2019-09-01实施目次前言............................................................................................................................................... i i1 适用范围 (1)2 规范性引用文件 (1)3 术语和定义 (1)4 方法原理 (1)5 试剂和材料 (1)6 仪器和设备 (2)7 样品 (2)8 分析步骤 (3)9 结果计算与表示 (4)10 精密度和准确度 (6)11 质量保证和质量控制 (7)12 废物处理 (8)13 注意事项 (8)附录A (资料性附录)方法精密度和准确度 (9)i前言为贯彻《中华人民共和国环境保护法》和《中华人民共和国土壤污染防治法》,保护生态环境,保障人体健康,规范土壤和沉积物中石油烃(C6-C9)的测定方法,制定本标准。
本标准规定了测定土壤和沉积物中石油烃(C6-C9)的吹扫捕集/气相色谱法。
本标准的附录A为资料性附录。
本标准为首次发布。
本标准由生态环境部生态环境监测司、法规与标准司组织制订。
本标准起草单位:上海市环境监测中心。
本标准验证单位:天津市生态环境监测中心、工业和信息化部电子第五研究所、宁波市环境监测中心、上海实朴检测技术服务有限公司、上海纺织节能环保中心和上海市浦东新区环境监测站。
本标准生态环境部2019年5月12日批准。
本标准自2019年9月1日起实施。
本标准由生态环境部解释。
土壤和沉积物石油烃(C6-C9)的测定吹扫捕集/气相色谱法警告:实验中使用的溶剂和标准溶液对人体健康有害,溶液配制及样品前处理过程应在通风橱内进行;操作时应按要求佩戴防护器具,避免直接接触皮肤和衣物。
1 适用范围本标准规定了测定土壤和沉积物中石油烃(C6-C9)的吹扫捕集/气相色谱法。
本标准适用于土壤和沉积物中石油烃(C6-C9)的测定。
当取样量为5.0 g时,本标准测定石油烃(C6-C9)的方法检出限为0.04 mg/kg,测定下限为0.16 mg/kg。
2 规范性引用文件本标准引用了下列文件或其中的条款。
凡是不注日期的引用文件,其有效版本适用于本标准。
GB 17378.3 海洋监测规范第3部分样品采集、贮存与运输GB 17378.5 海洋监测规范第5部分沉积物分析HJ 494 水质采样技术指导HJ 613 土壤干物质和水分的测定重量法HJ/T 166 土壤环境监测技术规范3 术语和定义下列术语和定义适用于本标准。
3.1石油烃(C6-C9) petroleum hydrocarbons(C6-C9)在本标准规定的条件下,在气相色谱图上保留时间介于2-甲基戊烷(包含)与正癸烷(不包含)之间的有机化合物。
4 方法原理土壤和沉积物中的石油烃(C6-C9)经高纯氮气吹扫后吸附于捕集管中,将捕集管加热并以高纯氮气反吹,被热脱附出来的组分经气相色谱柱分离后,用氢火焰离子化检测器(FID)检测,根据保留时间窗定性,外标法定量。
5 试剂和材料除非另有说明,分析时均使用符合国家标准的分析纯试剂,实验用水为新制备的不含目1标物的纯水。
5.1 甲醇(CH3OH):优级纯。
5.2 石油烃(C6-C9)标准贮备液:ρ(C6-C9)=5000 mg/L,溶剂为甲醇。
可直接购买有证标准溶液。
5.3 石油烃(C6-C9)标准使用液:ρ(C6-C9)=1000 mg/L。
在容量瓶(6.7)中准确加入4.0 ml甲醇(5.1),再加入1.0 ml石油烃(C6-C9)标准贮备液(5.2),混匀。
密闭冷冻保存,保存期为六个月。
5.4 替代物标准溶液:ρ(BFB)=500 mg/L。
选用4-溴氟苯(BFB)作替代物,可直接购买有证标准溶液。
5.5 2-甲基戊烷标准溶液:ρ(C6H14)=500 mg/L,溶剂为甲醇。
可直接购买有证标准溶液。
5.6 正癸烷标准溶液:ρ(C10H22)=500 mg/L,溶剂为甲醇。
可直接购买有证标准溶液。
5.7 高纯氮气:纯度≥99.999%。
5.8 氢气:纯度≥99.99%。
5.9 空气:经变色硅胶除水和除烃管除烃的空气,或经5Å分子筛净化的无油空气。
6 仪器和设备6.1 气相色谱仪:具分流/不分流进样口,可程序升温,具有氢火焰离子化检测器(FID)。
6.2 吹扫捕集仪:带有5 ml的吹扫管,捕集管选用100% Tenax吸附剂。
6.3 色谱柱:石英毛细管色谱柱,30 m × 0.53 mm ×3.0 µm,固定相为6%氰丙基苯基- 94%二甲基硅氧烷,或其它等效的色谱柱。
6.4 样品瓶:40 ml棕色玻璃瓶,具硅橡胶-聚四氟乙烯衬垫螺旋盖。
6.5 微量注射器:10 µl、100 µl、1000 µl。
6.6 气密性注射器:5 ml(吹扫捕集仪专用,用于手动进样)。
6.7 容量瓶:5 ml,棕色玻璃瓶。
6.8 采样瓶:100 ml,棕色广口玻璃瓶。
6.9 一般实验室常用仪器和设备。
7 样品7.1 样品采集和保存按照HJ/T 166中挥发性有机物的相关要求采集和保存土壤样品,按照HJ 494的相关要求采集水体沉积物样品,按照GB 17378.3的相关要求采集海洋沉积物样品。
所有样品均应采集2份平行样品,装入采样瓶(6.8),装满压实并密封。
样品采集后,4℃以下避光保存,7 d内完成分析。
样品存放区域应无有机物干扰。
7.2 全程序空白在现场加入5 ml同批次的水到样品瓶(6.4)中,盖紧瓶盖,与样品一起运回实验室。
7.3 水分的测定按照HJ 613测定土壤样品干物质含量,按照GB 17378.5测定沉积物样品含水率。
7.4 试样的制备7.4.1 低浓度试样的制备称取约5 g(精确到0.01 g)样品于样品瓶(6.4)中,迅速加入5 ml水,盖紧瓶盖,摇匀,待测。
注:当样品浓度大于6.0 mg/kg时,可适当减少取样量,但取样量不得低于1.0 g。
7.4.2 高浓度试样的制备当样品浓度大于30.0 mg/kg时,准确称取5 g~10 g(精确到0.01 g)样品到样品瓶(6.4)中,迅速加入适量甲醇(5.1)(1 g样品加入1 ml~2 ml的甲醇),摇匀,静置1 h~2 h。
注:对有明显汽油味的样品可先按高浓度试样进行制备。
7.5 实验室空白试样的制备7.5.1 低浓度空白试样的制备在样品瓶(6.4)中加入5 ml同批次的水,盖紧瓶盖,待测。
7.5.2 高浓度空白试样的制备在样品瓶(6.4)中加入5 ml同批次的水,同时,加入10 µl~100 µl同批次的甲醇(5.1)(甲醇加入体积与高浓度试样测定时加入的甲醇提取液相同),盖紧瓶盖,待测。
8 分析步骤8.1 仪器参考条件8.1.1 吹扫捕集参考条件吹扫温度:35℃;吹扫时间:11 min;吹扫流速:30 ml/min;脱附时间:0.5 min;脱附温度:190℃。
其余参数参照仪器使用说明书。
8.1.2 气相色谱参考条件进样口温度:200℃;进样方式:不分流进样;柱温:初始温度38℃保持1 min,以每分钟3.8℃的速率升至80℃保持1 min,以每分钟10℃的速率升至105℃保持5 min,再以每分钟10℃的速率升至150℃保持1 min,最后以每分钟10℃的速率升至180℃保持5 min;气体流量:高纯氮气(5.7):8.0 ml/min,氢气(5.8):30 ml/min,空气(5.9):300 ml/min;检测器温度:250℃。
38.2 校准8.2.1 石油烃(C6-C9)保留时间窗的确定用微量注射器(6.5)分别移取1.0 μl 2-甲基戊烷标准溶液(5.5)和正癸烷标准溶液(5.6),加入到事先装有5 ml水的样品瓶(6.4)中,盖紧瓶盖,摇匀。
按照仪器参考条件(8.1)进行保留时间窗的确定。
根据2-甲基戊烷的出峰开始时间确定石油烃(C6-C9)的开始时间,正癸烷的出峰开始时间确定石油烃(C6-C9)的结束时间。
8.2.2 工作曲线的建立用微量注射器(6.5)分别移取适量的石油烃(C6-C9)标准使用液(5.3)快速加入到对应装有5 ml水的6个样品瓶(6.4)中,同时,在上述样品瓶中各加入1.0 μl替代物标准溶液(5.4),盖紧瓶盖,摇匀。
配制成石油烃(C6-C9)质量分别为0.00 µg、0.50 µg、1.00 µg、5.00 µg、10.0 µg、30.0 µg,替代物质量为0.50 µg的标准系列。
按照仪器参考条件(8.1),从低浓度到高浓度依次测定。
以浓度为横坐标,以确定的保留时间窗(8.2.1)内总峰面积为纵坐标,建立工作曲线。
注1:实验用水配制的标准溶液不稳定,需现用现配。
注2:也可用气密性注射器(6.6)配制标准溶液,分别用微量注射器(6.5)移取适量石油烃(C6-C9)标准使用液(5.3)和替代物标准溶液(5.4)直接加入装有5 ml水的气密性注射器(6.6)中。
8.3 试样测定8.3.1 低浓度试样的测定将1.0 μl替代物标准溶液(5.4)加入到试样(7.4.1)中,按与工作曲线建立(8.2.2)相同的条件,进行低浓度试样的测定。
8.3.2 高浓度试样的测定用微量注射器(6.5)移取10 µl~100 µl的甲醇提取液(7.4.2),加入到装有5 ml水和1.0 μl替代物标准溶液(5.4)的样品瓶中,摇匀。
按与工作曲线建立(8.2.2)相同的条件,进行高浓度试样的测定。
8.4 实验室空白试验按照与试样测定(8.3)相同的步骤进行实验室空白试样(7.5)的测定。
注:若使用带自动进样器的吹扫捕集仪,则上述过程可按仪器说明进行操作。
9 结果计算与表示9.1 定性分析根据石油烃(C6-C9)保留时间窗对目标化合物进行定性。
即从2-甲基戊烷出峰开始时开始,到正癸烷出峰开始时结束连接一条水平基线进行积分,石油烃(C6-C9)总峰面积应扣除替代物的峰面积。
在本标准规定的参考色谱条件(8.1)下,2-甲基戊烷和正癸烷的参考色谱图见图1,石油烃(C6-C9)参考色谱图见图2。