(完整版)凸透镜成像规律光路图汇总
- 格式:ppt
- 大小:801.97 KB
- 文档页数:34
凸透镜成像规律
凸透镜成像规律
条件成像光路图成像情况
u与v的
关系像的位置(与
物体在同侧或
异侧)
像随物距变化的
情况
U>2f
倒立缩小
实像u>v
异侧
f<v<2f
物近像远像变大
u=2f
倒立等大
实像u=2f
异侧
v=2f
条件成像光路图成像情况
u与v的
关系像的位置(与
物体在同侧或
异侧)
像随物距变化的
情况
f<u<2f 倒立放大
实像
u<v
异侧
v>2f
物近像远像变大
u=f不能成像
条件成像光路图成像情况
u与v的
关系像的位置(与
物体在同侧或
异侧)
像随物距变化的
情况
U<f
正立放大
虚像u<V
同侧
物近像近像变小。
1、物距(u)大于2倍焦距时规律:物距(u)大于2倍焦距时,像距(v)大于1倍焦距小于2倍焦距,成倒立缩小的实像。
应用:照相机、眼睛、摄像机都是根据这个原理工作的。
2、物距(u)等于2倍焦距时规律:物距(u)等于2倍焦距时,像距(v)等于2倍焦距,成倒立等大的实像。
应用:利用凸透镜成倒立等大的实像,测焦距f=u/2=v/23、物距(u)大于1倍焦距小于2倍焦距时规律:像距(v)大于2倍焦距,成倒立放大的实像应用:幻灯机、投影仪、电影放映机都是根据这个原理工作的。
5、物距小于1倍焦距时规律:物距小于1倍焦距时,成正立放大的实虚像。
应用:放大镜,利用放大镜看物体,若想使看到的像更大些,物体靠近焦点位置。
凸透镜成像规律1.物在:二倍焦距以外,成倒立缩小实像;二倍焦距处,成倒立等大实像 ;一倍焦距到二倍焦距,成倒立放大实像;一倍焦距处,不成像;一倍焦距以内,成正立放大虚像;成实像时物和像在凸透镜异侧,成虚像时物和像在凸透镜同侧蜡烛,凸透镜,光屏应尽量保持在等高且在同一条直线上。
透镜成像满足透镜成像公式:(只作了解)1/u(物距)+1/v(像距)=1/f(透镜焦距)(异侧时要带上正负号)物体靠近凸透镜过程中[2F外→F),像距越来越远,像越来越大,最后靠到一倍焦距以内成虚像。
物体远离凸透镜过程中(O→2F外],像距越来越小,像越来越大。
凹透镜成像规律当物体为实物时,成正立、缩小的虚像,像和物在透镜的同侧;当物体为虚物,很复杂,故在此不介绍。
凹透镜与凸透镜的区别一.对光线的作用凸透镜主要对光线起会聚作用凹透镜主要对光线起发散作用三.成像性质凸透镜是折射成像,成的像可以是正、倒;虚、实;放、缩,起聚光作用凹透镜是折射成像只能成缩小的正立像,起散光作用凸透镜是折射成像面镜是反射成像。
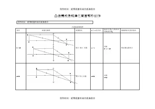
凸透镜成像规律之南宫帮珍创作创作时间:贰零贰壹年柒月贰叁拾日
凸透镜成像规律
条件成像光路图成像情况u与v的关系像的位置(与物体在
同侧或异侧)
像随物距变更的情况
U>2f倒立缩小实像u>v 异侧
f<v<2f
物近像远像变大
u=2f 倒立等大实像u=2f 异侧v=2f
创作时间:贰零贰壹年柒月贰叁拾日
创作时间:贰零贰壹年柒月贰叁拾日
凸透镜成像规律
条件成像光路图成像情况u与v的关系像的位置(与物体在
同侧或异侧)
像随物距变更的情况
f<u<2f倒立放大实像u<v 异侧
V>2f
物近像远像变大
u=f 不克不及成像
创作时间:贰零贰壹年柒月贰叁拾日
创作时间:贰零贰壹年柒月贰叁拾日
凸透镜成像规律
条件成像光路图成像情况u与v的关系像的位置(与物体在
同侧或异侧)
像随物距变更的情况
U<f正立放大实像u<V 同侧
物近像近像变小
一倍焦距分虚实,二倍焦距分大小。
当u大于f时,物近像远像变大;当u小于f时,物近像近像变小。
凸透镜和凹面镜的三条特殊的光
创作时间:贰零贰壹年柒月贰叁拾日
创作时间:贰零贰壹年柒月贰叁拾日。
凸透镜成像规律和光路图
1、当u<f时,成正立、放大的虚像应用:放大镜 v>u
2、当u=f时,不成像 v无限远
3、当f<u<2f时,成倒立、放大的实像应用:投影仪,幻灯机 v>2f
4、当u=2f时,成倒立、等大的实像 v=2f=u
5、当u>2f时,成倒立、缩小的实像应用:照相机 f<v<2f
6、成实像时总是倒立的,成虚像时总是正立的。
7、成实像时,像与物关于透镜异侧;成虚像时,像与物关于透镜同侧。
8、一倍焦距处(焦点)是成像虚实的分界点;二倍焦距处是成像放大、缩小的分界点。
9、越靠近焦点,成像越大;越远离焦点,成像越小。
10、成像放大时,像距大于物距;成像缩小时,像距小于物距。
凹透镜成像光路图
物体经凹透镜折射后成缩小,正立,虚像。
v<u。
凸透镜成像规律光路图Prepared on 21 November 2021
凸透镜成像规律光路图
一、凸透镜成像规律
1、2、
在异侧成倒立、缩小的、实像(照相机)在异侧成倒立的、等大的、实像
3、4、
在异侧成倒立、放大的实像(投影仪)
不成像
5、
在同侧成正立、放大的虚像(放大镜)
表格分析:
1.一倍焦距:像虚实的分界线(一倍焦距分虚实)
2.二倍焦距:实像放大缩小的分界线(二倍焦距分大小)
3.实像都是倒立的,虚像都是正立的。
4.在调节物距和像距时,物像在主光轴上同向移动。
(成实像时物远像近像变小,成虚像时物远像远像变大。
)。
凸透镜成像规律图
凸透镜成像光路图
1、 成倒立缩小实像时,物距2u f >,像距2f v f >>如下图所示:
2、成倒立放大实像时,物距2f u f >>,像距2v f >如下图所示:
3、成正立放大虚像时,物距u f <如下图所示:
要点诠释: 1、凸透镜成像规律口决记忆法(一):
物远实像小而近,物近实像大而远, 如果物放焦点内,正立放大虚像现;
幻灯放像像好大,物处一焦二焦间, 相机缩你小不点,物处二倍焦距外。
2、凸透镜成像规律口决记忆法(二):
凸透镜,本领大,照相、幻灯和放大; 二倍焦外倒实小,二倍焦内倒实大;
若是物放焦点内,像物同侧虚像大; 一条规律记在心,物近像远像变大。
凸透镜成像规律 物的位置
像的位置 像的性质 应用举例 u >2f
2f >v >f 物像 异侧 缩小、倒立、实像 照相机,眼睛 u=2f
v=2f 等大、倒立、实像 特点:实像大小转折点 2f >u >f v >2f 放大、倒立、实像 幻灯机,投影仪
时,物近像近,像变小。
”
(1)“一焦分虚实”:物体在一倍焦距以内成虚像,一倍焦距以外成实像。
(2)“二焦分大小”:物距小于二倍焦距,成放大的像,(焦点除外);物距大于二倍焦距成缩小的。
(3)“成实像时,物近像远像变大”:成实像时,物体靠近透镜,像远离透镜,像逐渐变大。
(4)“成虚像时,物近像近,像变小”:成虚像时,物体靠近透镜,像也靠近透镜,像逐渐变小。
凸透镜成像规律
凸透镜成像规律
条件成像光路图成像情况u与v的关系像的位置(与物体在同
侧或异侧)
像随物距变化的情况
U>2f倒立缩小实像u>v 异侧
f<v<2f
物近像远像变大
u=2f倒立等大实像u=2f 异侧v=2f
条件成像光路图成像情况u与v的关系像的位置(与物体在同
侧或异侧)
像随物距变化的情况
f<u<2f倒立放大实像u<v 异侧
v>2f
物近像远像变大
u=f不能成像
条件成像光路图成像情况u与v的关系像的位置(与物体在同
侧或异侧)
像随物距变化的情况
U<f正立放大虚像u<V 同侧
物近像近像变小。
凸凹透镜成像规律光路图总结实像可用承接物接收到,虚像承接不到,只能眼睛看到。
一、透镜凸透镜:中间厚边缘薄的透镜;凹透镜:中间薄边缘厚的透镜。
焦点:平行光线(太阳光)通过透镜后会聚的点,或通过透镜后发散光线的反向延长线的会聚点。
(焦点一般有两个,并且一般关于透镜对称)焦距:焦点到光心的距离。
凸透镜对光线有会聚作用,凹透镜对光线有发散作用光心:透镜的几何中心*三条特殊光线1.平行于主光轴的光线,通过凸透镜后会聚于焦点;通过凹透镜后,反向延长线会聚于焦点。
2.通过焦点的光线通过凸透镜后平行于主光轴;正向延长线通过焦点的光线通过凹透镜后平行于主光轴。
3.通过光心的光线通过透镜后方向不变。
二、凸透镜成像规律1、u>2f2、 u=2fu > 2 f, f < v < 2 f u = 2 f, v = 2 f在异侧成倒立、缩小的实像在异侧成倒立等大的实像凸透镜成像规律表格分析:1.一倍焦距:像虚实的分界线(一倍焦距分虚实)2.二倍焦距:实像放大缩小的分界线(二倍焦距分大小)3.实像都是倒立的,虚像都是正立的。
4.在调节物距和像距时,物像在主光轴上同向移动。
(成实像时物远像近像变小,成虚像时物远像远像变大。
这里的远近是相对于透镜来说的。
)5.物体、透镜和光屏位置已经确定,在光屏上已经有一个清晰的像,如果保持透镜不动,像左右上下的移动方向和物体左右上下移动的方向相反;如果保持物体不动,像左右上下移动的方向和透镜移动的方向相同。
三、凹透镜成像规律1、 u>2f...一.2,“外一叫,2、 u=2f /629/'尸笆F 2F物距(U)像的倒正像的大小像的虚实像的位置像距(V)应用倒立缩小实与物导侧照相机u=2f倒立实与物异侧2f倒立放大实与物异侧投影仪正立放大虑£物同侧放大镜u=f不能成像在同侧成正立、缩小的虚像像3、2f>u>f4、u=f2F ZF 9 X F 2Ff < u < 2 f, v < f在同侧成正立、缩小的虚像虚像5、u<f%.一. ___ ______________ »_____ i__的最像/A p\ F 2F\在同侧成正立、缩小的虚......... ...w…................................ .. 2F X F F2Fu = f, v < f在同侧成正立、缩小的u < f, v < f在同侧成正立、缩小u > 2f,v < f u = 2 f, v < f4/6凹透镜成像规律:不管物体在哪个位置,都成正立、缩小的虚像且像物是在同侧。