干燥设备选型
- 格式:doc
- 大小:190.50 KB
- 文档页数:10
流化床干燥设备设计与选型概述引言流化床干燥设备是一种广泛应用于化工、制药、粮食等行业的干燥设备。
它利用空气或其他气体将湿物料进行流化并加热,从而将水分蒸发,达到干燥的目的。
在本文中,将对流化床干燥设备的设计与选型进行概述,包括设备的工作原理、设计要点以及选型注意事项。
工作原理流化床干燥设备的工作原理基于物料在流化床内被气体流化的特性。
当设备开始工作时,将干燥物料加入到床层内,同时通过底部进气装置将加热的气体通过床层进行通入。
气体在流化床中通过床层物料,使物料呈现流化状态。
在流化状态下,物料表面受到气体的冲击和摩擦,从而增加了表面积,加快了传热和传质的速度。
同时,气体中的水分也通过物料表面蒸发,达到干燥的效果。
蒸发的水蒸气与气体一起从顶部出口排出,而干燥后的物料则从床层底部排出。
设计要点1. 流化床尺寸的确定流化床干燥设备的尺寸与干燥物料的性质和处理量有关。
首先需要确定物料的湿度、粒度分布以及干燥后的要求湿度,从而确定干燥设备的工作温度和气体速度。
然后需要根据物料的处理量和设备的处理能力来确定流化床的尺寸。
通常情况下,流化床高度可以根据物料的干燥时间和气固两相传热的要求来确定,而床层宽度和底面积可以根据流化床内气体的流速和均匀性要求来确定。
2. 加热方式的选择流化床干燥设备的加热方式可以选择蒸汽加热、电加热、燃气加热等。
选择合适的加热方式需要考虑加热效率、加热均匀性以及操作成本等因素。
蒸汽加热是一种常用的加热方式,具有加热效率高、加热均匀性好的优点。
但需要根据实际情况确定蒸汽的稳定供应和回收利用方式。
电加热是一种灵活性较强的加热方式,可以根据需要进行分段加热,但操作成本相对较高。
燃气加热一般使用燃烧器进行加热,具有加热效率高、操作成本低的特点,但需要考虑燃气的稳定供应和燃烧产生的废气处理等问题。
3. 床层材料的选择流化床干燥设备的床层材料需要具有一定的耐磨性、抗酸碱性和导热性。
常用的床层材料包括不锈钢、耐磨陶瓷以及耐高温合金等。
干燥设备的型式多种多样,每种干燥设备都有其特定的适用范围,而每种物料都可找到若干种能满足基本要求的干燥设备,但^适合的只能有一种。
如选型不当,用户除了要承担不必要的一次性采购成本外,还要在整个使用期内付出沉重的代价。
因此,在干燥设备选型时,首先我们要遵守适用性、干燥速率高、耗能低、节省投资、运行成本低、环保等项原则。
其次是要考虑干燥物料不同的物理化学特性、干燥要求、企业的生产条件及发展规划等因素。
物料的理化特性有形态、含水量、含水性质、结晶水、粒度、容重、粘性、热敏性、软化点、相变点、晶体或颗粒的易粉碎性等;物料的干燥特性,在拟选干燥条件下的干燥曲线、临界含水率、平衡含水率;物料商品价值及干燥效果对其产生的影响,如产品水分、污染、温度、磨损、粉化、粉碎、复水性等。
还要考虑对物料回收率的要求和物料干燥过程的上下序工艺等因素。
在实际选择干燥设备时,除设备本身的适应性外,还要综合考虑材料的物理特性、附属机械、辅助材料、公害及经费(设备费、运转费)等,选择合适的附属装置,^后通过实验确定。
总结起来对干燥设备的选型应考察以下指标:(1)生产能力、型式(间歇、半连续、连续)(2)初始、终端含湿量(3)颗粒规格,尺寸分布(固体颗粒)(4)干燥能动性、减吸作用(5)^佳期工作温度(6)易爆性(蒸汽/空气、尘/气)(7)毒性(有关部位)(8)干燥介质(指对流干燥时用空气、蒸汽、惰性介质等)(9)腐蚀状况(10)物理、化学数据(11)物理处理特性(12)环境和安全规定(13)占地面积要求(14)干燥能源消耗(15)是否需要后加工(在一个连续单元中,冷却、凝结、包衣、包装等)(16)以往经验(一般来说,对新型干燥机是不适用的)(17)热回收要求(能耗)(18)预处理要求(成丸、离心、真空渗透)(19)物料研磨特性(20)介质种类(惰性介质、贫氧介质、蒸汽或空气)。
压缩空气干燥机及过滤器选型一、冷干机的选型在选择干燥设备时,我们首先要考虑客户所需的露点温度,以决定选用哪一类压缩空气干燥机。
当压缩空气的露点温度要求在0℃以上时往往选用冷干机,当要求在0℃以下时就应选用吸干机等。
当决定选用冷干机后,我们要掌握需干燥压缩空气的状态参数:1) 最大流量;2) 最小工作压力和最大工作压力;(工作压力越小,压缩空气中的含水量就大。
至于最大工作压力是从安全使用冷干机的角度考虑)3) 最高进口温度,温度越高,含水量越大,热负荷也越大;4) 要求的露点温度。
上述四个参数决定了压缩空气的最大负荷,是选择冷干机的基础。
(可以参考下页选型表)在确定了上述参数后,我们需要确定推荐风冷式还是水冷式。
风冷式冷干机对环境要求较高,但具有安装方便、使用简单的优点;而水冷式冷干机对环境温度不敏感,但对冷却水有要求,而且安装较风冷式复杂——需要接冷却水管和冷却水塔。
压缩空气干燥机及过滤器选择参考表为了提高冷干机的质量稳定性,一般情况下结合有关标准和气候、用户要求等把冷干机进行标准化。
但是在实际工作中,我们提供的参数可能与产品说明书上标注的不一样,这时我们就可能需要进行参数修正,以决定选用什么型号的冷干机。
修正参数包括:1) 压缩空气压力修正系数2) 压缩空气进口温度和露点温度修正系数3) 环境温度修正系数(适用于风冷式冷干机)4) 冷却水进口温度修正系数(适用于水冷式冷干机)○ 以下为冷干机处理量选择参考的公式:冷干机处理量=空压机排气量/C1*C2*C3*C4· C1:环境温度修正系数· C2:进气温度修正系数· C3:进气温度修正系数· C4:压力露点修正系数C1:环境温度修正系数 ℃ 20 25 30 35 40 45 50 修正系数 1.25 1.12 1.06 1.00 0.90 0.80 0.70C2:进气温度修正系数 ℃ 30 35 40 45 50 55 60 修正系数 1.15 1.10 1.05 1.00 0.85 0.70 0.45C3:进气温度修正系数 Mpa 0.2 0.3 0.4 0.50.60.70.80.9 1.0 1.2 1.5 2.0修正系数 0.64 0.73 0.82 0.890.95 1.00 1.05 1.07 1.10 1.15 1.26 1.38C4:压力露点修正系数 ℃ 3 5 7 10 修正系数 1.0 1.1 1.2 1.3二、过滤器的选择:在选择冷干机后,我们还需要考虑过滤器的选配。
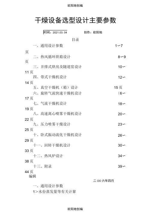
干燥设备选型设计主要参数目录一、通用设计参数1〜7页二、热风循环烘箱设计8〜9页三、并排式烘房及隧道窑设计10〜11页四、带式干燥机设计12〜14页五、真空干燥机(箱)设计15页六、旋转气流快速干燥机设计〔6〜17页七、气流干燥机设计18〜19页八、高速离心喷雾干燥机设计20〜22页九、压力喷雾干燥设计23〜25页十、卧式振动流化干燥机设计26〜29页十一、回转干燥机设计30〜33页十二、热风炉设计34〜38页十三、附录39〜44页编辑二OO六年四月一、通用设计参数1>水份蒸发量等有关计算AVV -AIV 2 _Q 100 - * 一 2 100-AIV,G F G 2+WW 水份蒸发量kg/h Gi 湿料量(加料量)kg/hG2干料量(产品)kg/h 质 Z\W,初含水率XX% △ W2终含水率X%2、热量计算A 、干燥时间在1分钟内(瞬间干燥)(如:喷雾干燥、闪蒸干燥、气流干燥等)干燥一公斤水需用热量在:1600〜2000kcalB 、干燥时间在0.2〜1.2小时内的设备(一般干 燥)(如:带式干燥,振动干燥、回转筒干燥等)干燥一公斤水需用热量在1400〜2000 kcal (产量大 的取大值)C 、 干燥时间大于2小时以上的设备(缓慢干燥)(加烘箱、烘房、真空干燥等)干燥一公斤水需用热量在1200〜1600 kcalD 、 对初含水低(00%)而产量大的物料干燥,应增 加物料升温时所需用热量。
对室外温低于o°c 的产生环境则应另增加计算热量。
对每批次进料量大物料又经常变更,初含水难以确 定的则热量1600〜2000kCal/kg,如:烘干各类中药片 剂。
在一般估算时或物料特性不明时应取1600〜2000kCal/kg3、电加热功率计算(P 、KW )A 、控设备内腔体积计算(M 3) 腔内温度 W700°C 厂(50-70)V7 KW 腔内温度W400°CP =(35-50)河加腔内温度W 300°C P =(25 - 30)沖加腔内温度 W 200°C P =(15 - 20)炉 KWB 、 按设备内表面积来计算(共6个面W )P 二(4〜刀 F. KWW = G^G 2=G 产量G2=G 100-AW J 100-AW. G {=G 2 加料量 100-AIV,P二(3〜5)F. KWP二(2〜4) F. KWF 內表面积W注:小型设备取大值,大型设备取小值使用温度W300°C时,可用翅片式电加热算使用温度>300°C时,应来用电阻丝或电阻带加热最好采用燃油、燃气直火炉加热C、经验公式计算W300°C 16〜22KW/m3W250°C 10〜16KW/m3W200°C 6 〜10KW/m3W150°C 4 〜6KW/m3W100°C 2 〜4KW/m3计算后再乘以1. 1〜3安全系数为使用功率D、按使用热量计算P二K2Q/86O • Ki KWKi电压波动系数0.6〜1怡安全系数Q 使用热量Kca I /h 1 KW=860Kca I上式可简化为P=0. 0017442Q KW注:每批次干燥时间大于3小时,则按1.3 1.9kw/1kg水来设计E、按被加热物料重量来计算P=G • C A t/860 T) kwG被加热物料总重量kg/hC物料比热Kca I/kg • °C△t加热前后的温度差二七1-七2 CT]热效率0. 5〜0. 6F、用远红外加热时(适用于烘道)烘道内温度80〜200°C 3〜7kw/m3烘道内温度60〜80°C1・5〜3 kw/m3注:1、用石英管时选小值。
山立吸附式干燥机选型手册
摘要:
1.山立吸附式干燥机的概述
2.山立吸附式干燥机的产品知识
3.山立吸附式干燥机的选型指南
4.山立吸附式干燥机的优势与应用范围
5.山立吸附式干燥机的维护与注意事项
正文:
一、山立吸附式干燥机的概述
山立吸附式干燥机是一种利用吸附剂对空气中的水分进行吸附的干燥设备,它能够有效地去除空气中的水分,确保空气的干燥度,适用于工业生产、仓储、实验室等多个领域。
二、山立吸附式干燥机的产品知识
1.再生吸附式干燥机由两个双联机简组成,机筒里装满干燥剂(干燥剂)。
2.干燥剂在吸附一定时间后,需要进行再生,以恢复吸附能力。
3.山立吸附式干燥机采用智能化控制系统,能够实现自动控制和监测。
三、山立吸附式干燥机的选型指南
1.根据实际需求选择合适的型号和规格。
2.考虑工作环境,选择适合的材质和防护等级。
3.考虑气源和气压要求,选择合适的气动系统。
4.根据实际生产情况,选择合适的吸附剂。
四、山立吸附式干燥机的优势与应用范围
1.山立吸附式干燥机具有高效、节能、环保等优点。
2.适用于化工、医药、食品、电子等多个领域。
五、山立吸附式干燥机的维护与注意事项
1.定期检查干燥剂的吸附能力,及时更换。
2.保持设备的清洁和维护,确保正常运行。
喷雾干燥设备基本参数与选型
一、喷雾干燥设备基本参数
1.工作介质:
一般情况下,工作介质一般为风、真空或混合介质,根据实际使用情况而定;
2.工作压力:
选择压力可能范围在常压至5KPa之间,压力选择过低,流量过低,露点太高,干燥效果差;压力选择过高,消耗能源大,影响设备的使用寿命。
3.工作温度:
工作温度一般为20℃~80℃,不能低于自然露点温度。
4.送料粒度:
二、喷雾干燥设备的选型
1.根据干燥物料的性质分类:
(1)液体状态:由于液体状态下的物料比较容易蒸发,并且其自身摩擦力很小,能够很好的被吹到型材表面,通常所需要的压力也较低。
(2)固体状态:因为固体物料的摩擦力较大,在喷雾干燥过程中通常要求较高的吹风压力,以促进液体在固体物料表面的流动。
2.物料水分含量:
根据物料水分含量的高低,可以把喷雾干燥设备分为低水分干燥类和高水分干燥类。
低水分干燥类通常指水分含量在30%以下的物料,利用储料槽、搅拌机、泵房以及静电收集器等设备,能够不断循环搅拌物料。
真空干燥设备的选型和要求(首发:干燥机 )一、选型前需要确定的条件和要求(一)当地的资源与自然条件1.热源和动力可提供的煤、电、油等情况。
2.原料来源地、批量与供料季节、方式等。
3.自然条件温度、相对湿度等。
4.交通运输道路与运输设备等。
(二)物料性能及干燥特征1.物料的形态包括大小、形状、固态或液态等。
2.物料的物理特性包括密度、粘附性和含水量及其结合状态等。
3.干燥特性包括热敏性和受热收缩、表层结壳等性质。
(三)对干燥产品的要求1.对产品产量的要求按单位时间的成品产量或原料处理量或水蒸发量计量。
2.对产品形态的要求包括几何形状,结晶光泽和结构(如多孔组织)等。
3.对产品水分的要求产品水分高低。
4.对产品干燥均匀性的要求。
5.对产品的卫生要求符合卫生标准。
二、选型的步骤(1)首先按湿物料的形态、物理特性和对产品形态、水分等要求,初选干燥器的类型。
(2)按投资能力和处理量的大小,确定设备规模,操作方法(连续作业或间歇作业),自动化程度。
(3)根据物料的干燥特性和对产品品质的要求,确定采用常压干燥或真空干燥;单温区干燥或多温区干燥。
(4)根据热源条件和干燥方法,确定加热装置。
(5)按处理量估算出干燥器的容积。
(6)按原料、设备、及作业等费用,估算产品成本。
三、干燥器容积和传热面积的估算一般按下式估算:气固相间的对流给热量Q1:间歇式Q1=αaV(t-tm);连续式Q1=αaV(t-tm)in;器壁与物料间的传导给热量Q:Q2=KA(th-tm);式中V-干燥器的容积(m3);A-与物料接触的面积(m2);t-热风温度(℃);tm-物料温度(℃);(间歇干燥时,取平均值)(t一tm)in -干燥器入料口与出料口处热风与物料温度的对数平均值(℃);αa -气固相间体积传热系数(kJ/m3h℃);K―传导干燥器传导面与物料间总传热系数(kJ/m2h℃);th―干燥室热传导面温度(℃)。
从上式算出干燥器的容积或传热面积。
“PVP”喷雾干燥设备选型方案物料干燥要求:136.一611.二9881.固含量:20%;2.终水份:≤5%;3.热源:蒸汽+电加热补偿;4.制造材质:物料接触为304不锈钢,其他为Q235A钢;二、干燥设备选型及主要技术参数:根据上述物料干燥要求,结合“PVP”干燥的特点,选择LPG-200型高速度离心喷雾干燥设备进行连续式干燥作业,该机组主要技术参数如下:1.装机总功率: 29KW;(另需配置电加热63KW)2.热能耗: 35-40万kcal/h;3.热风温度:250℃;4.出风温度: 60℃-70℃5.干燥时间:5秒钟;6.主机外形尺寸:φ3160X9500mm;三、控制部分:1.主塔上配置防止物料吸附和防挂壁的振动装置;2.进风和排风系统联动,雾化器转速度可调;3.主塔筒体配置人孔,便于观察和清洗.四、各部件说明及配置特点:本工艺流程是由五大部分组成:供料系统、加热系统、干燥塔系统、收料系统、电控系统。
5.1供料系统:供料泵是采用单莫诺泵电磁调节,它解决干燥设备所需的开机升温、关机降温、平稳供料等操作过程的特殊要求;完全保证输料效果;在万一供料泵出现故障而停顿,因为温升而导致设备损坏,系统采用与供料泵连锁的冷风补充装置,以免产生类似的情况发生。
雾化器通过二级电机传动,二级齿轮增速,雾化盘线速度达到>120米/秒,它能迅速地把料浆连续不断的、均匀地变成雾状,比表面积扩大与热空气形成良好热交换,使水份达到瞬间蒸发。
雾化器的振动值空载≤0.005mm,负载≤0.015mm,带有油温、油压等自动报警显示控制;由于该物料具有较强腐蚀性,雾化器采用304制作,拆装,维修都比较方便。
5.2干燥室:干燥室是由蜗壳、热风分配器、内塔体、钢骨架、保温材料、观察清洗门、灯孔组成,蜗壳采用等压进风的原理把进入的热风均匀分布,热风分配器可根据物料的特性来调节旋转力度,控制物料的停留时间,调节角度0-30°可调。
冷干机选型计算公式以冷干机选型计算公式为标题,本文将介绍冷干机的选型计算公式以及其相关内容。
一、冷干机的选型计算公式冷干机是一种用于将湿气从物料中除去的设备,广泛应用于食品加工、化工、医药等行业。
在选型冷干机时,需要考虑以下几个关键参数:1. 物料的湿气含量:物料的湿气含量是冷干机选型的基础数据,通常以百分比表示。
可以通过实际测试或查阅相关数据来获取。
2. 物料的干燥速度要求:不同的物料具有不同的干燥速度要求,这取决于物料的性质和生产工艺。
一般来说,干燥速度要求越高,冷干机的选型就需要越大。
3. 处理量:处理量是指冷干机每小时能够处理的物料量,通常以千克或吨表示。
处理量与冷干机的尺寸和设计参数有关,需要根据生产需求确定。
4. 环境条件:环境条件包括室内温度、湿度以及气流情况等因素。
这些条件会影响冷干机的运行效果,需要在选型时予以考虑。
根据以上参数,可以使用以下公式来计算冷干机的选型尺寸:选型尺寸 = (湿气含量× 处理量) / 干燥速度要求二、冷干机选型的其他考虑因素除了以上的选型计算公式,还有一些其他的考虑因素需要在选型冷干机时进行综合考虑:1. 设备的能耗:不同型号和品牌的冷干机在能耗上会有所不同,需要根据实际情况来选择经济效益较高的设备。
2. 设备的可靠性和维修性:冷干机作为生产设备的一部分,其可靠性和维修性也是选型时需要考虑的关键因素。
需要选择质量可靠、易于维修的设备。
3. 设备的安全性:冷干机在运行过程中需要使用电力或燃气等能源,需要确保设备的安全性,以防止事故发生。
4. 设备的操作和维护要求:不同型号的冷干机在操作和维护上可能存在差异,需要选择适合自身生产条件和操作水平的设备。
5. 设备的价格和售后服务:价格是冷干机选型时的重要考虑因素之一,同时还需要考虑设备供应商的售后服务和技术支持等方面。
冷干机的选型计算公式是选取合适设备的重要参考依据,但在选型时还需要综合考虑其他因素,以确保选择到满足生产需求、经济实用、安全可靠的冷干机设备。
干燥设备的基本要求与选型目前工业上使用最多的干燥方法是对流干燥,由于采用的干燥介质、被干燥的物料、干燥设备和操作方式不同,而且干燥机理复杂,因此至今仍主要依靠实验手段和生产经验来确定干燥过程的最佳条件。
一、干燥设备的基本要求为了确保优化生产、提高效率,对干燥器有如下要求。
1、能满足生产工艺的要求。
指达到规定的干燥程度;均匀干燥;保证产品具有一定的形状和大小等。
由于不同物料的物理、化学性质以及外观形状等差异很大,对于干燥设备的要求也就各不相同,干燥器必须根据物料的这些不同特征确定不同的结构。
通常除了干燥小批量、多品种的产品外,工业上并不要求一个干燥器能处理多种物料,即干燥过程中通用设备不一定符合优化、经济的原则。
这与其他单元操作的要求不同。
2、生产能力大。
干燥器的生产能力取决于物料达到规定干燥程度所需的时间。
干燥速率越快,干燥时间越短,设备的生产能力越大。
许多干燥器,如气流干燥器、流化床干燥器、喷雾干燥器能使物料在干燥过程中处于分散、悬浮状态,增大气固接触面积并不断更新接触面,加快了干燥速率,缩短了干燥时间,具有较大的生产能力。
3、热效率高。
对流干燥中,提高热效率的主要途径是减少废气带走的热量。
干燥器的结构应有利于气固接触、有较大的传热和传质推动力,以提高热能的利用率。
4、干燥系统的流动阻力要小,以降低动力消耗。
5、操作控制方便,劳动条件好,附属设备简单。
二、干燥器的选择由于工业生产中湿物料种类较多,对于产品质量的要求不同,因此选择合适的干燥器非常重要。
在选择干燥器时,主要从以下方面考虑,然后综合选择。
1、物料的形态干燥器最初的选择是以原料为基础的,如在处理液态物料时选择的设备通常有喷雾干燥器、转鼓干燥器和搅拌间歇真空干燥器等。
2、物料的性质物料达到所要求的干燥程度需要一定的干燥时间。
物料不同,所需的干燥时间不同。
对于吸湿性物料或临界含水量很高的物料,应选择干燥时间较长的干燥器,例如间接加热转筒干燥器;对干燥时间很短的干燥器,例如气流干燥器,仅适用于干燥临界含水量很低且易于干燥的物料。
由于对化工产品的要求不同,干燥设备的型式也不同。
目前,在化工生产中,常用的干燥设备有十几种,有近百个规格。
常用的干燥机类型有:厢式,洞道式,带式、气流、喷雾、流化床及振动流化床、流化床喷雾造粒、回转、滚筒、立式填充床、真空耙式、真空双锥回转、桨叶式、微波及远红外干燥机等。
一.干燥设备的选型干燥机种类如此之多,如何来选择呢,这里推荐一个选型参考表,供参考。
选择干燥设备时,应注意如下几点。
(1)除非生产上已经证明,此种干燥机适用于该产品的干燥,否则,必须进行实验室试验,经试验证明,此种干燥机是否适用。
(2)当几种干燥机同时适用时,要进行设备费及操作费的比较。
(3)当一种干燥机不能达到干燥要求时,首先要想到采用组合的干燥方法,即将两种或三种干燥方法组合起来,完成干燥任务。
如气流干燥+流化床干燥;喷雾干燥+流化床干燥(内置)+流化床干燥+冷却(外置);喷雾干燥+带式干燥;滚筒干燥+流化床干燥;旋转快速干燥+气流干燥等。
多级干燥,可以降低干燥机的出口温度,可以节能。
二.环境保护问题在干燥操作过程中,排放的气体或液体,有时可能对环境造成污染,可采取措施,消除污染。
(1)粉尘污染排放的气体中夹带粉尘,可能超出环保规定的标准,对环境造成污染。
这时可采用两级除尘法,即第一级用旋风分离器,第二级用布袋过滤器,除尘效率可达99%。
若第二级用湿法除尘时,如文丘里管、泡沫塔、喷淋塔等,其洗涤液达到一定浓度时,可送回到喷雾干燥塔进行喷雾,或者再结晶,再过滤,再干燥,这样,就不存在液体污染问题。
(2)气体污染有时排放的气体有臭味,这时第二级可采用湿法除尘,洗涤(吸收)掉气体的臭味。
或者采用半闭路循环方式,燃烧总排气量的15%后排放,其余的85%在系统内循环使用,这可减少废气处理量。
(3)噪声污染在干燥系统中,如用旋转雾化器进行喷雾干燥,由于高速旋转的雾化器与空气之间的摩擦而产生的噪声非常大,可能超过95dB,因此,在安装雾化器时,要增设隔声装置。
名称:《干燥设备设计选型与应用实用手册》作者:编委会出版社:北方工业出版社2006年5月出版开本:16开精装册数:全4册+1张CD定价:998 元优惠价:450 元详细目录:第一篇总论第一章干燥技术概述第二章干燥过程基础第二篇厢式和带式干燥器设计第一章水平气流式厢式干燥器设计第二章穿流气流式厢式干燥器设计第三章真空厢式干燥器设计第四章洞道式干燥器设计第五章水平气流带式干燥器设计第六章穿流气流带式干燥器设计第七章穿流气流干燥的计算第三篇流化床干燥器设计第一章概述第二章流化床干燥器主要技术参数的确定第三章流化床干燥器的分类和型式第四章流化床干燥器的设计计算第五章流化床干燥器的使用实例第四篇气流干燥器设计第一章基本原理第二章气流干燥器设计第三章气流干燥装置的型式第四章气流干燥器设计实例第五篇喷雾干燥器设计第一章概述第二章喷雾干燥器的型式第三章喷雾干燥器的设计原则第四章雾化器第五章喷雾干燥器的组成及设计第六章喷雾冷却干燥器第七章喷雾干燥器设计应用实例第六篇其他干燥器设计第一章滚筒干燥器设计第二章回转圆筒干燥器设计第三章红外线和远红外线干燥器设计第四章高频和微波干燥器设计第五章其他干燥器设计第七篇组合干燥器和干燥器辅助设备设计第一章组合干燥器设计第二章干燥器辅助设备设计第八篇干燥设备选型第一章干燥设备选型基础第二章干燥设备选型第三章干燥配套设备选型第九篇干燥设备应用第一章流化床干燥器应用第二章喷雾干燥器应用第三章气流及旋转闪蒸干燥器应用第四章转筒及带式干燥器应用第五章厢式干燥器应用第六章转鼓干燥器应用第七章真空冷冻干燥器应有第八章红外干燥器应用第九章高频及微波干燥器应用第十章塔式干燥器应用第十一章涂膜干燥设备应用第十二章热导式搅拌干燥器应用第十三章热风炉应用第十四章除尘器应用第十五章清选筛分机械应用第十六章粮食干燥第十七章纸线干燥第十八章木材干燥第十九章茶叶干燥第二十章中药饮片干燥第十篇相关标准规范《最新干燥技术工艺与干燥设备选型及标准规范实用手册》册数:三册光盘数:1张CD定价:798元优惠价:380元《干燥设备设计选型与应用实用手册》册数:全4册光盘数:1张CD定价:998元优惠价:460元最新木材干燥新工艺新技术与干燥设备设计、选用及质量检测实用手册册数:4册光盘数:1张CD定价:980元优惠价:485元。
再生干燥机选型标准
再生干燥机的选型标准主要包括以下几个方面:
1. 干燥性能:根据对压缩空气的干燥程度需求,选择冷冻式干燥机或吸附式干燥机。
如果要求较高、需要更干燥的压缩空气,应选择吸附式干燥机;而如果管路布置区域温度长期低于2°C,且对压缩空气压力露点的要求值低于常年极低温度值5°C以上,建议配置吸干机。
2. 安装环境:考虑干燥机的安装环境,如空间大小、电源、通风等。
3. 购置成本:从市面上的销售价格来看,同品牌的产品中,相同处理气量的吸附式干燥机的售价会高于冷冻式干燥机的售价。
4. 维护成本:考虑到干燥机的维护成本,如阀门维护、吸附剂更换等。
吸附式干燥机涉及到频繁的阀门切换,且有热再生的吸干机还存在高低温的切换,因此对于阀门的维护成本相对较高。
大多数吸附式干燥机前端所配置的多为含油润滑压缩机,压缩机润滑油极易造成吸附剂“油中毒”,需要定期更换吸附剂,导致维护费用更高。
5. 其他因素:还需考虑生产能力、型式、初始和终端含湿量、颗粒规格和尺寸分布、工作温度、易爆性、毒性、腐蚀状况、物理和化学数据、物理处理特性、环境和安全规定、占地面积要求、干燥能源消耗、后加工需求、预处理要求、物料研磨特性等因素。
总之,在选择再生干燥机时,需要综合考虑以上因素,以便选择最适合自己需求的干燥机。
同时,还需要注意遵守相关的环保和安全规定,确保使用的合法性和安全性。
真空箱式干燥器低熔点药品
脉冲气流干燥器安眠酮、金霉素、焦硅酸钠、口服葡萄糖、四环素、青霉素
转鼓干燥机抗菌素
盘式干燥器氨苄青霉素、邓盐、左旋苯甘氨酸及中间体、头孢氨噻、头孢三嗪
惰性粒子干燥器北豆根(中药)
内热管流化床干燥器葡萄糖钙、次氯酸钙
冷冻干燥机人参、鹿茸、鹿鞭、山药、灵芝、天麻、地黄、枸杞、冬虫夏草等
传导传热振动流化床中药饮片,如桑皮、黄柏、甘草等;滋补品,如银耳、鹿茸、人参、氯霉素
循环式谷物干燥机水稻、玉米、大豆、种子、小麦
网柱式谷物干燥机玉米、水稻、大豆、种子、小麦
角状盒式谷物干燥机玉米、水稻、大豆、种子、小麦
移动式谷物干燥机玉米、水稻、大豆、种子、小麦
平床式谷物干燥机各类粮食、油料、种子
通风箱式干燥机蘑菇、药材、蚕茧
通风带式干燥机蘑菇、药材、蚕茧、蔬菜、水果干制品、海产品干制品
隧道式干燥机蔬菜、药材、水果干制品、海产品干制品、烟叶
搅拌回转筒干燥机下水污泥、鸡粪、饲料
流化床干燥机玉米、水稻、大豆、种子、小麦
农用多用途干燥机各类粮食、油料、种子、农副产品
木材干燥机(窑)各类木材
更多干燥选型注意事项: /thread-189-1-1.html。