单片机第7章习题解答
- 格式:doc
- 大小:52.50 KB
- 文档页数:4
单片机原理与应用(C51编程+proteus仿真)第2版-张毅刚课后习题参考答案第7章思考题及习题7参考答案一、填空1.如果采用晶振的频率为3MHz,定时器/计数器Tx(x=0,1)工作在方式0、1、2下,其方式0的最大定时时间为(),方式1的最大定时时间为(),方式2的最大定时时间为()。
答:32.768ms,262.144ms,1024μs 2.定时器/计数器用作计数器模式时,外部输入的计数脉冲的最高频率为系统时钟频率的()。
答:1/243.定时器/计数器用作定时器模式时,其计数脉冲由()提供,定时时间与()有关。
答:系统时钟信号12分频后,定时器初值4.定时器/计数器T1测量某正单脉冲的宽度,采用方式()可得到最大量程?若时钟频率为6MHz,求允许测量的最大脉冲宽度为()。
答:方式1定时,131.072ms。
5. 定时器T2 有3种工作方式:()、()和(),可通过对寄存器()中的相关位进行软件设置来选择。
答:捕捉,重新装载(增计数或减计数),波特率发生器,T2CON6. AT89S52单片机的晶振为6MHz,若利用定时器T1的方式1定时2ms,则(TH1)=(),(TL1)=()。
答:FCH,18H。
二、单选1.定时器T0工作在方式3时,定时器T1有()种工作方式。
A.1种B.2种 C.3种 D.4种答:C2. 定时器T0、T1工作于方式1时,其计数器为位。
A.8位B.16位C.14位D.13位答:B3. 定时器T0、T1的GATEx=1时,其计数器是否计数的条件()。
A. 仅取决于TRx状态B. 仅取决于GATE位状态C.是由TRx和INTx两个条件来共同控制D. 仅取决于INTx的状态答:C4. 定时器T2工作在自动重装载方式时,其计数器为位。
A.8位B. 13位C.14位D. 16位答:D5. 要想测量INT0引脚上的正单脉冲的宽度,特殊功能寄存器TMOD的内容应为。
A.87HB. 09HC.80HD. 00H答:B三、判断对错1.下列关于T0、T1的哪些说法是正确的。
第5、6、7、8章习题一、问答题1.说明51单片机读端口锁存器的必要性,为什么? 答:2.请说明为什么使用LED 需要接限流电阻,当高电平为+5V 时,正常点亮一个LED 需要多大阻值的限流电阻(设LED 的正常工作电流为8~mA ,导通压降为0.6V ),为什么? 答:3.简述在使用普通按键的时候,为什么要进行去抖动处理,如何处理。
答:4.简述LED 数码管动态扫描的原理及其实现方式。
答:5.为什么51单片机在读口的引脚状态时,许先向端口写“1”,请用图5-1 P1结构图加以说明。
答:5.简述89c51各IO 口的驱动能力。
答:6.什么是中断?中断与子程序最本质的区别?答:写锁存器内部总线图5-1 P1口结构图7.编制中断服务程序时,为什么在主程序的初始化程序中,必须设置EA=1 这条指令(或达到同样功能的对IE赋值的指令),以及在中断服务程序中为什么通常需要保护现场和恢复现场?答:8.单片机89C51有哪些中断源,CPU对其中断如何请求?答:9.简述单片机89C51中断的自然优先级顺序,如何提高某一中断源的优先级别。
答:10.简述51系列单片机中断响应的条件。
答:11.用汇编语言编程时,在51系列单片机执行中断服务程序的指令较多时,为什么一般都要在入口地址(又称中断矢量地址)开始的地方放一条跳转指令?答:12.为什么一般都把主程序的起始地址放在0030H之后?答:13.中断服务子程序返回指令RETI和普通子程序返回指令RET的区别?答:14.简述51单片机定时/计数器4种工作模式的特点。
答:15.定时/计数器用作定时器时,其计数脉冲由谁提供?定时时间与哪些因素有关?答:16.画出51单片机计数/定时器方式1的逻辑结构框图,说明它们的工作原理,如何使用门控和非门控启动计数的方法。
答:17.在使用8051的定时器/计数器前,应对它进行初始化,其步骤是什么?答: (1)确定T/C的工作方式——编程TMOD寄存器;(2)计算T/C中的计数初值,并装载到TH和TL;(3)T/C在中断方式工作时,须开CPU中断和源中断——编程IE寄存器;(4)启动定时器/计数器——编程TCON中TR1或TR0位。
第七章选择题答案(1)从串口接收缓冲器中将数据读入到变量temp 中的C51语句是______。
A.temp = SCON; B.temp = TCON; C.temp = DPTR; D.temp = SBUF; (2)全双工通信的特点是,收发双方______。
A.角色固定不能互换 B.角色可换但需切换 C .互不影响双向通信D.相互影响互相制约(3)80C51 的串口工作方式中适合多机通信的是______。
A.工作方式0 B.工作方式 1 C.工作方式 2 D.工作方式 3(4)80C51 串行口接收数据的次序是下述的顺序______。
①接收完一帧数据后,硬件自动将SCON的RI置1 ②用软件将RI清零③接收到的数据由SBUF读出④置SCON的REN为1,外部数据由RXD(P3.0) 输入A.①②③④B.④①②③C.④③①②D.③④①②(5)80C51 串行口发送数据的次序是下述的顺序______。
①待发数据送SBUF ②硬件自动将SCON的TI 置1③经TXD(P3.1)串行发送一帧数据完毕④用软件将SCON的TI 清零A.①③②④B.①②③④C.④③①②D.③④①②(6)80C51 用串口工作方式0 时______。
A.数据从RXD串行输入,从TXD串行输出B.数据从RXD串行输出,从TXD串行输入C.数据从RXD串行输入或输出,同步信号从TXD输出D.数据从TXD串行输入或输出,同步信号从RXD输出(7)在用接口传送信息时,如果用一帧来表示一个字符,且每帧中有一个起始位、一个结束位和若干个数据位,该传送属于______。
A.异步串行传送B.异步并行传送C.同步串行传送D.同步并行传送(8)80C51 的串口工作方式中适合点对点通信的是______。
A.工作方式0 B.工作方式 1 C.工作方式 2 D.工作方式 3(9)80C51 有关串口内部结构的描述中______是不正确的。
A.51 内部有一个可编程的全双工串行通信接口B.51 的串行接口可以作为通用异步接收/发送器,也可以作为同步移位寄存器C.串行口中设有接收控制寄存器SCOND.通过设置串口通信的波特率可以改变串口通信速率(10)80C51 有关串口数据缓冲器的描述中______是不正确的。
第七章1、什么是串行异步通信,它有哪些作用?答:在异步串行通信中,数据是一帧一帧(包括一个字符代码或一字节数据)传送的,每一帧的数据格式参考书。
通信采用帧格式,无需同步字符。
存在空闲位也是异步通信的特征之一。
2、89C51单片机的串行口由哪些功能部件组成?各有什么作用?答:89C51单片机的串行接口由发送缓冲期SBUF,接收缓冲期SBUF、输入移位寄存器、串行接口控制器SCON、定时器T1构成的波特率发生器等部件组成。
由发送缓冲期SBUF发送数据,接收缓冲期SBUF接收数据。
串行接口通信的工作方式选择、接收和发送控制及状态等均由串行接口控制寄存器SCON控制和指示。
定时器T1产生串行通信所需的波特率。
3、简述串行口接收和发送数据的过程。
答:串行接口的接收和发送是对同一地址(99H)两个物理空间的特殊功能寄存器SBUF进行读和写的。
当向SBUF发“写”命令时(执行“MOV SBUF,A”),即向缓冲期SBUF装载并开始TXD引脚向外发送一帧数据,发送完便使发送中断标志位TI=1。
在满足串行接口接收中断标志位RI(SCON.0)=0的条件下,置允许接收位REN (SCON.4)=1,就会接收一帧数据进入移位寄存器,并装载到接收SBUF中,同时使RI=1。
当发读SBUF命令时(执行“MOV A, SBUF”),便由接收缓冲期SBUF 取出信息通过89C51内部总线送CPU。
4、89C51串行口有几种工作方式?有几种帧格式?各工作方式的波特率如何确定?答:89C51串行口有4种工作方式:方式0(8位同步移位寄存器),方式1(10位异步收发),方式2(11位异步收发),方式3(11位异步收发)。
有2种帧格式:10位,11位方式0:方式0的波特率≌fosc/12(波特率固定为振荡频率1/12)方式2:方式2波特率≌2SMOD/64×fosc方式1和方式3:方式1和方式3波特率≌2SMOD/32×(T1溢出速率)如果T1采用模式2则:5、若异步通信接口按方式3传送,已知其每分钟传送3600个字符,其波特率是多少?答:已知每分钟传送3600个字符,方式3每个字符11位,则:波特率=(11b/字符)×(3600字符/60s)=660b/s6、89C51中SCON的SM2,TB8,RB8有何作用?答:89c51SCON的SM2是多机通信控制位,主要用于方式2和方式3.若置SM2=1,则允许多机通信。
《单片机原理及接口技术》(第2版)人民邮电出版社第7章 AT89S51单片机的串行口思考题及习题71.帧格式为1个起始位,8个数据位和1个停止位的异步串行通信方式是方式。
答:方式1。
2.在串行通信中,收发双方对波特率的设定应该是的。
答:相等的。
3.下列选项中,是正确的。
A.串行口通信的第9数据位的功能可由用户定义。
对B.发送数据的第9数据位的内容是在SCON寄存器的TB8位中预先准备好的。
对C.串行通信帧发送时,指令把TB8位的状态送入发送SBUF中。
错D.串行通信接收到的第9位数据送SCON寄存器的RB8中保存。
对E.串行口方式1的波特率是可变的,通过定时器/计数器T1的溢出率设定。
对4.通过串行口发送或接收数据时,在程序中应使用。
A.MOVC指令B.MOVX指令 C.MOV指令 D.XCHD指令答:C5.串行口工作方式1的波特率是。
A.固定的,为f osc/32 B.固定的,为f osc/16C.可变的,通过定时器/计数器T1的溢出率设定D.固定的,为f osc/64答:C6.在异步串行通信中,接收方是如何知道发送方开始发送数据的?答:当接收方检测到RXD端从1到0的跳变时就启动检测器,接收的值是3次连续采样,取其中2次相同的值,以确认是否是真正的起始位的开始,这样能较好地消除干扰引起的影响,以保证可靠无误的开始接受数据。
7.AT89S51单片机的串行口有几种工作方式?有几种帧格式?各种工作方式的波特率如何确定?答:串行口有4种工作方式:方式0、方式1、方式2、方式3;有3种帧格式,方式2和3具有相同的帧格式;方式0的发送和接收都以fosc/12为固定波特率,方式1的波特率=2SMOD /32×定时器T1的溢出率方式2的波特率=2SMOD /64×fosc方式3的波特率=2SMOD /32×定时器T1的溢出率8.假定串行口串行发送的字符格式为1个起始位、8个数据位、1个奇校验位、1个停止位,请画出传送字符“B ”的帧格式。
第7章思考题及习题7参考答案一、填空1. AT89S52单片机任何一个端口要想获得较大的驱动能力,要采用电平输出。
答:低2.检测开关处于闭合状态还是打开状态,只需把开关一端接到I/O端口的引脚上,另一端接地,然后通过检测来实现。
答: I/O端口引脚的电平3. “8”字型的LED数码管如果不包括小数点段共计段,每一段对应一个发光二极管,有和两种。
答:7,共阳极,共阴极4. 对于共阴极带有小数点段的数码管,显示字符“6”(a段对应段码的最低位)的段码为,对于共阳极带有小数点段的数码管,显示字符“3”的段码为。
答:7DH,B0H5. 已知8段共阳极LED数码显示器要显示某字符的段码为A1H(a段为最低位),此时显示器显示的字符为。
答:d6. LED数码管静态显示方式的优点是:显示闪烁,亮度,比较容易,但是占用的线较多。
答:无,较高,软件控制,I/O口7. 当显示的LED数码管位数较多时,一般采用显示方式,这样可以降低,减少的数目。
答:动态,成本,I/O端口8. LCD 1602是型液晶显示模块,在其显示字符时,只需将待显示字符的由单片机写入LCD 1602的显示数据RAM(DDRAM),内部控制电路就可将字符在LCD上显示出来。
答:字符,ASCII码9. LCD 1602显示模块内除有字节的 RAM外,还有字节的自定义,用户可自行定义个5×7点阵字符。
答:80,显示数据,64,字符RAM,810.当按键数目少于8个时,应采用式键盘。
当按键数目为64个时,应采用式键盘。
答:独立,矩阵11.使用并行接口方式连接键盘,对独立式键盘而言,8根I/O口线可以接个按键,而对矩阵式键盘而言,8根I/O口线最多可以接个按键。
答:8,6412.LCD 1602显示一个字符的操作过程为:首先,然后,随后,最后。
答:读忙标志位BF,写命令,写显示字符,自动显示字符13.由于微型打印机TPµP-40A/16A是一种外设,因此单片机与微型打印机的的命令与数据传送,必须采用方式。
单片机第七章习题参考题答案第七章习题参考答案一、填空题1、在串行通信中,有数据传送方向为单工、半双工和全双工三种方式。
2、要串口为10位UART,工作方式应选为方式1 。
3、用串口扩并口时,串行接口工作方式应选为方式 0 。
4、计算机的数据传送有两种方式,即并行数据传送和串行数据传送方式,其中具有成本低特点的是串行数据传送方式。
5、串行通信按同步方式可分为异步通信和同步通信。
6、异步串行数据通信的帧格式由起始位、数据位、奇偶校验位和停止位组成。
7、串行接口电路的主要功能是串行化和反串行化,把帧中格式信息滤除而保留数据位的操作是反串行化。
8、专用寄存器“串行数据缓冲寄存器”,实际上是发送缓冲寄存器和接收缓冲寄存器的总称。
9、MCS-51的串行口在工作方式0下,是把串行口作为同步移位寄存器来使用。
这样,在串入并出移位寄存器的配合下,就可以把串行口作为并行输出口使用,在并入串出移位寄存器的配合下,就可以把串行口作为并行输入口使用。
10、在串行通信中,收发双方对波特率的设定应该是约定的。
11、使用定时器/计数器设置串行通信的波特率时,应把定时器/计数器1设定作方式 2 ,即自动重新加载方式。
12、某8031串行口,传送数据的帧格式为1个起始位(0),7个数据位,1个偶校验位和1个停止位(1)组成。
当该串行口每分钟传送 1800个字符时,则波特率应为 300b/s 。
解答:串口每秒钟传送的字符为:1800/60=30个字符/秒所以波特率为:30个字符/秒×10位/个字符=300b/s 13、8051单片机的串行接口由发送缓冲积存器SBUF、接收缓冲寄存器SBUF 、串行接口控制寄存器SCON、定时器T1构成的波特率发生器等部件组成。
14、当向SBUF发“写”命令时,即执行 MOV SBUF,A 指令,即向发送缓冲寄存器 SBUF装载并开始由 TXD 引脚向外发送一帧数据,发送完后便使发送中断标志位 TI 置“1”。
第7章思考题及习题7参考答案一、填空1.如果采用晶振的频率为3MHz,定时器/计数器T x(x=0,1)工作在方式0、1、2下,其方式0的最大定时时间为,方式1的最大定时时间为,方式2的最大定时时间为。
答:32.768ms,262.144ms,1024µs2.定时器/计数器用作计数器模式时,外部输入的计数脉冲的最高频率为系统时钟频率的。
答:1/243.定时器/计数器用作定时器模式时,其计数脉冲由提供,定时时间与有关。
答:系统时钟信号12分频后,定时器初值4.定时器/计数器T1测量某正单脉冲的宽度,采用方式可得到最大量程?若时钟频率为6MHz,求允许测量的最大脉冲宽度为。
答:方式1定时,131.072ms。
5. 定时器T2 有3种工作方式:、和,可通过对寄存器中的相关位进行软件设置来选择。
答:捕捉,重新装载(增计数或减计数),波特率发生器,T2CON6. AT89S52单片机的晶振为6MHz,若利用定时器T1的方式1定时2ms,则(TH1)= ,(TL1)= 。
答:FCH,18H。
二、单选1.定时器T0工作在方式3时,定时器T1有种工作方式。
A.1种B.2种 C.3种D.4种答:C2. 定时器T0、T1工作于方式1时,其计数器为位。
A.8位B.16位C.14位D.13位答:B3. 定时器T0、T1的GATE x=1时,其计数器是否计数的条件。
A. 仅取决于TR x状态B. 仅取决于GATE位状态C. 是由TR x和INT x两个条件来共同控制D. 仅取决于INT x的状态答:C4. 定时器T2工作在自动重装载方式时,其计数器为位。
A.8位B. 13位C.14位D. 16位答:D5. 要想测量INT0引脚上的正单脉冲的宽度,特殊功能寄存器TMOD的内容应为。
A.87HB. 09HC.80HD. 00H答:B三、判断对错1.下列关于T0、T1的哪些说法是正确的。
A.特殊功能寄存器SCON,与定时器/计数器的控制无关。
第7章习题答案7-1 键抖动对单片机系统有何影响?有哪些消除抖动的方法?答:由于按键是机械开关结构,所以当用手按下其中一个键时,往往会出现所按键在闭合位置和断开位置之间发生跳几下后才会稳定到闭合状态的情况。
在释放一个键时,也会出现类似的情况,这就是键的抖动,抖动的持续时间不一,但通常不会大于10ms。
若抖动问题不解决,就会引起对闭合键的多次读入。
对于键抖动最方便的解决方法就是当发现有键按下后,不是立即进行扫描,而是延时大约10ms后再进行。
由于一个键按下的时间一般会持续上百毫秒,所以延迟10ms后再扫描处理并不迟。
另外一种办法就是使用硬件电路(如触发器)进行消抖。
7-3 自己设计一个3×3的矩阵键盘的硬件电路,试编制相应的键盘扫描程序。
(注:为结合开发板的情况),我以开发板上的4×4键盘为例进行说明:解:只考虑了键盘的处理,并没有考虑显示#include "regx52.h"#define uchar unsigned char#define uint unsigned intstatic const char c_keyCode[16]={0x01,0x02,0x03,0x0a, /*键盘1,2,3,A*/0x04,0x05,0x06,0x0b, /*键盘4,5,6,B*/0x07,0x08,0x09,0x0c, /*键盘7,8,9,C*/0x0e,0x00,0x0f,0x0d}; /*键盘*,0,#,D*/ uchar ScanKeys(void); /*扫描键盘模块*/void Delay (uchar value); /*10ms延时*/void main(void) /*主程序入口*/{while(1){ScanKeys();}}uchar ScanKeys(void) /*扫描键盘模块*/ {uchar scanV alue;P3_2 = 0;P3_3 = 0;P1=0xf0;if ((P1&0xf0)!=0xf0) /*有键按下*/{Delay(1); /*延时10ms以消除抖动*/P1=0xf0;if ((P1&0xf0)==0xf0) /*有键按下*/{return 0xee;}else{P1=0xfe;scanV alue=P1;switch (scanV alue){case 0xee: iScan=0x01;break; //键"a"case 0xde: iScan=0x02;break; //键"1"case 0xbe: iScan=0x03;break; //键"2"case 0x7e: iScan=0x0a;break; //键"3"}P1=0xfd;scanV alue=P1;switch (scanV alue){case 0xed: iScan=0x04;break; // 键"4case 0xdd: iScan=0x05;break; // 键"5case 0xbd: iScan=0x06;break; // 键"6case 0x7d: iScan=0x0b;break; // 键"b}P1=0xfb;scanV alue=P1;switch (scanV alue){case 0xeb: iScan=0x07;break; // 键"7case 0xdb: iScan=0x08;break; // 键"8case 0xbb: iScan=0x09;break; // 键"9case 0x7b: iScan=0x0c;break; // 键"c}P1=0xf7;scanV alue=P1;switch (scanV alue){case 0xe7: iScan=0x00;break; // 键"0case 0xd7: iScan=0x0d;break; // 键"dcase 0xb7: iScan=0x0e;break; // 键"ecase 0x77: iScan=0x0f;break; // 键"f}}// P1=0xf0;while ((P1&0xf0)!=0xf0);//防止键按住不放return iScan;}return 0xee;}void Delay (uchar value) /*10ms延时*/{uchar i,j;while (value--){for(j=20; j>0;j--)for(i=250;i>0;i--);}}7-4 结合开发板的情况,在6个数码管上从右到左依次显示一个“3”,直到出现6个“3”为止,延时时间设为1秒。
单片机习题答案第1章习题参考答案1-1什么是单片机?它与一般微型计算机在结构上何区别?微型计算机的基本结构由CPU(运算器、控制器)、存储器、输入设备和输出设备五大部分组成,各部分通过外部总线连接而成为一体。
单片机的结构是在一块芯片上集成了中央处理器(CPU)、存储器、定时器/计数器、中断控制、各种输入/输出接口(如并行I/O口、串行I/O口和A/D转换器)等,它们通过单片机内部部总线连接而成为一体。
1-2MCS-51系列单片机内部资源配置如何?试举例说明8051与51兼容的单片机的异同。
答:MCS-51系列单片机内部资源配置型号8031/80C318051/80C51程序存储器片内RAM定时/计数器并行I/O口串行口中断源/中断优先级无128B128B128B256B256B2某162某162某163某163某164某84某84某84某84某8111115/25/25/26/26/24KBROM无8751/87C514KBEPROM8032/80C328052/80C524KBROM8051与51兼容的单片机的异同厂商型号程序存储片内定时/并行串行中断源/优先级5/26/2直接驱动LED输出,片上模拟比较器256B3某163219/2SPI,WDT,2个数据指针其它特点器RAM计数器I/O口口IntelATMEL8051/80C514KBROM128BAT89C20512KBFlahROMAT89S5312KBFlah ROMAnalogADuC812DeviceW77E5832KB256B+3某1636212/2扩展了4位I/O 口,双数据指针,WDT。
19/2WDT,SPI,8通道12位ADC,2通道12位DAC,片上DMA控制器。
.飞利浦80C552无256B3某1648115/4CMOS型10位ADC,捕捉/比较单元,PWM83/87C5528KBEEPROM83/89CE55832KBEEPROM256B+3某16401024B115/4256B3某1648115/4CMOS型10位ADC,捕捉/比较单元,PWM8通道10位ADC,捕捉/比较单元,PWM,双数据指针,IC总线,PLL (32kHz)。
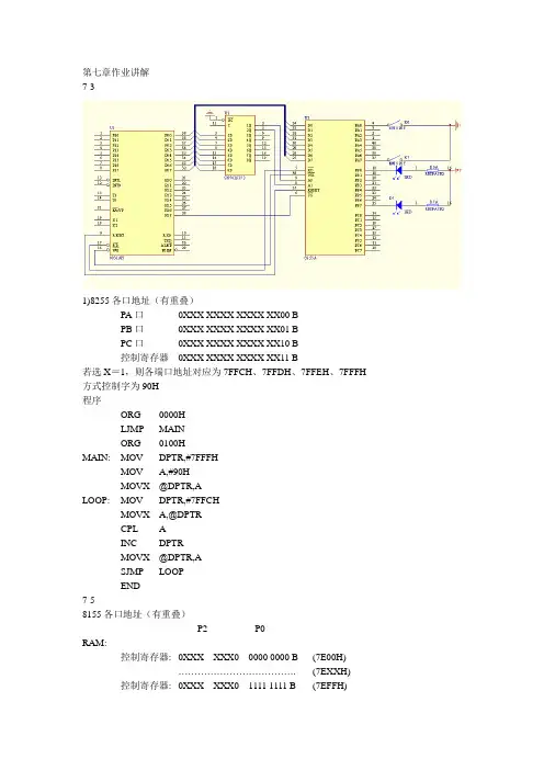
第七章作业讲解7-31)8255各口地址(有重叠)PA口0XXX XXXX XXXX XX00 BPB口0XXX XXXX XXXX XX01 BPC口0XXX XXXX XXXX XX10 B控制寄存器0XXX XXXX XXXX XX11 B若选X=1,则各端口地址对应为7FFCH、7FFDH、7FFEH、7FFFH 方式控制字为90H程序ORG 0000HLJMP MAINORG 0100HMAIN: MOV DPTR,#7FFFHMOV A,#90HMOVX @DPTR,ALOOP: MOV DPTR,#7FFCHMOVX A,@DPTRCPL AINC DPTRMOVX @DPTR,ASJMP LOOPEND7-58155各口地址(有重叠)P2 P0RAM:控制寄存器: 0XXX XXX0 0000 0000 B (7E00H)………………………………. (7EXXH) 控制寄存器: 0XXX XXX0 1111 1111 B (7EFFH)IO口寄存器:控制寄存器: 0XXX XXX1 XXXX X000 B (7F00)PA口: 0XXX XXX1 XXXX X001 B (7F01)PB口: 0XXX XXX1 XXXX X010 B (7F02)PC口: 0XXX XXX1 XXXX X011 B (7F03)TL寄存器: 0XXX XXX1 XXXX X100 B (7F04)TH寄存器: 0XXX XXX1 XXXX X101 B (7F05)1)命令字应该为0000 1110B=0EH(PA口为方式0输入,PB和PC均为方式0输出)诊断程序编制方法:先对B口写XXH,检查A口读入是否为XXH,。
正确则循环点亮C口发光管。
程序:ORG 0000HLJMP MAINORG 0030HMAIN: MOV DPTR,#7F00H ;命令口MOV A,#0EHMOVX @DPTR,AMOV DPTR,#7F02H ;写B口MOV A.#XXHMOVX @DPTR,AMOV DPTR,#7F01H ;读A口MOVX A,@DPTRCJNE A,#XXH,ERRMOV DPTR,#7F03H ;C口循环点亮LED灯NOMAL: M OV R7,#06HMOV A,#01HLOOP: MOVX @DPTR,A;LCALL DELAYRL ADJNZ R7,LOOPSJMP NOMALERR: MOV DPTR,#7F03HMOV A.#3FHMOVX @DPTR,ASJMP FINISHDELAY: MOV R7,#0FFHDJNZ R7,$RETFINISH : END2)RAM:控制寄存器: 0XXX XXX0 0000 0000 B (7E00H)………………………………. (7EXXH)控制寄存器: 0XXX XXX0 1111 1111 B (7EFFH)诊断程序编制方法:依次对256个字节循环检测(先对某RAM单元写入XXH,再读取该单元是否为XXH。
第一章:1. 给出下列有符号数的原码、反码和补码(假设计算机字长为8位)。
+45 -89 -6 +112答:【+45】原=00101101,【+45】反=00101101,【+45】补=00101101【-89】原=11011001,【-89】反=10100110,【-89】补=10100111【-6】原=10000110,【-6】反=11111001,【-6】补=11111010【+112】原=01110000,【+112】反=01110000,【+112】补=011100002. 指明下列字符在计算机内部的表示形式。
AsENdfJFmdsv120答:41H 73H 45H 4EH 64H 66H 4AH 46H 6DH 64H 73H 76H 31H 32H 30H3.何谓微型计算机硬件?它由哪几部分组成?并简述各部分的作用。
答:微型计算机硬件由中央处理器、存储器、输入/输出设备和系统总线等组成,中央处理器由运算器和控制器组成,是微型计算机运算和控制中心。
存储器是用来存放程序和数据的记忆装置。
输人设备是向计算机输人原始数据和程序的装置。
输出设备是计算机向外界输出信息的装置。
I/O接口电路是外部设备和微型机之间传送信息的部件。
总线是连接多个设备或功能部件的一簇公共信号线,它是计算机各组成部件之间信息交换的通道。
微型计算机的各大功能部件通过总线相连。
4.简述8086CPU的内部结构。
答:8086微处理器的内部分为两个部分:执行单元(EU)和总线接口单元(BIU)。
执行部件由运算器(ALU)、通用寄存器、标志寄存器和EU控制系统等组成。
EU从BIU的指令队列中获得指令,然后执行该指令,完成指今所规定的操作。
总线接口部件BIU由段寄存器、指令指针寄存器、地址形成逻辑、总线控制逻辑和指令队列等组成。
总线接口部件负责从内部存储器的指定区域中取出指令送到指令队列中去排队。
5.何谓总线?总线按功能可分为哪几种?答:总线是连接多个设备或功能部件的一簇公共信号线,它是计算机各组成部件之间信息交换的通道。
第7章习题答案1.通常8031给用户提供的I/O口有哪几个?为什么?答案:MCS-51系列单片机虽然有4个8位I/O口P0、P1、P2、P3,但4个I/O口实际应用时,并不能全部留给用户作系统的I/O口。
因为当单片机在外部扩展了程序存储器、数据存储器时,就要用P0和P2口作为地址/数据总线,而留给用户使用的I/O口只有P1口和一部分P3口。
(不做系统扩展,都可以用作I/O口)2.在MCS-51单片机应用系统中,外接程序存储器和数据存储器的地址空间允许重叠而不会发生冲突,为什么?外部I/O接口地址是否允许与存储器地址重叠?为什么?答案:因为单片机访问外部程序存储器与访问外部数据存储器(包括外部I/O口)时,会分别产生PSEN与RD/WR两类不同的控制信号,因此外接程序存储器和数据存储器的地址空间允许重叠而不会发生冲突。
外部扩展I/O口占用数据存储器地址空间,与外部数据存储器统一编址,单片机用访问外部数据存储器的指令来访问外部扩展I/O口。
因此外部I/O接口地址是否允许与程序存储器地址重叠不允许与数据数据存储器地址重叠。
3.在通过MOVX指令访问外部数据存储器时,通过I/O口的哪些位产生哪些控制信号?答案:MCS-51对外部数据存储器的访问指令有以下4条:1)MOVX A, @Ri2)MOVX @Ri, A3)MOVX A, @DPTR4)MOVX @DPTR, A访问外部数据存储器指令在执行前,必须把需要访问的存储单元地址存放在寄存器Ri (R0或R1)或DPTR中。
CPU在执行1)、2)指令时,作为外部地址总线的P2口输出P2锁存器的内容、P0口输出R0或R1的内容;在执行3)、4)指令时,P2口输出DPH内容,P0口输出DPL内容。
写时(/WR P3.6)有效;读时(/RD P3.7)有效。
4.外部存储器的片选方式有几种?各有哪些特点?答案:外部存储器的片选方式有线选法和译码法两种。
线选法的特点是连接简单,不必专门设计逻辑电路,但是各个扩展芯片占有的空间地址不连续,因而地址空间利用率低。
第1章单片机概述参考答案1.答:微控制器,嵌入式控制器2.答:CPU、存储器、I/O口、总线3.答:C4.答:B5.答:微处理器、微处理机和CPU它们都是中央处理器的不同称谓,微处理器芯片本身不是计算机。
而微计算机、单片机它们都是一个完整的计算机系统,单片机是集成在一个芯片上的用于测控目的的单片微计算机。
嵌入式处理器一般意义上讲,是指嵌入系统的单片机、DSP、嵌入式微处理器。
目前多把嵌入式处理器多指嵌入式微处理器,例如ARM7、ARM9等。
嵌入式微处理器相当于通用计算机中的CPU。
与单片机相比,单片机本身(或稍加扩展)就是一个小的计算机系统,可独立运行,具有完整的功能。
而嵌入式微处理器仅仅相当于单片机中的中央处理器。
为了满足嵌入式应用的特殊要求,嵌入式微处理器虽然在功能上和标准微处理器基本是一样的,但在工作温度、抗电磁干扰、可靠性等方面一般都做了各种增强。
6.答:MCS-51系列单片机的基本型芯片分别:8031、8051和8071。
它们的差别是在片内程序存储器上。
8031无片内程序存储器、8051片内有4K字节的程序存储器ROM,而8751片内有集成有4K字节的程序存储器EPROM。
7.答:因为MCS-51系列单片机中的“MCS”是Intel公司生产的单片机的系列符号,而51系列单片机是指世界各个厂家生产的所有与8051的内核结构、指令系统兼容的单片机。
8.答:相当于MCS-51系列中的87C51,只不过是AT89S51芯片内的4K字节Flash存储器取代了87C51片内的4K字节的EPROM。
9.单片机体积小、价格低且易于掌握和普及,很容易嵌入到各种通用目的的系统中,实现各种方式的检测和控制。
单片机在嵌入式处理器市场占有率最高,最大特点是价格低,体积小。
DSP是一种非常擅长于高速实现各种数字信号处理运算(如数字滤波、FFT、频谱分析等)的嵌入式处理器。
由于对其硬件结构和指令进行了特殊设计,使其能够高速完成各种复杂的数字信号处理算法。
单片微型计算机与接口技术思考与习题77.1 8XX51单片机内部设有几个定时/计数器?它们是由哪些专用寄存器组成的?答:(1)8XX51单片机内部设有2个定时/计数器。
(2)定时/计数器T1由寄存器TH1、TL1组成,定时/计数器T0由寄存器TH0、TL0组成。
7.3定时/计数器用作定时时,其定时时间与哪些因素有关?用作计数时,对外界计数频率有何限制?答:设置为定时工作方式时,定时器计数的脉冲是由51单片机片内振荡器经12分频后产生的。
每经过一个机器周期定时器(T0或T1)的数值加1直至计数满产生溢出。
设置为计数工作方式时,通过引脚T0(P3.4)和T1(P3.5)对外部脉冲信号计数。
当输入脉冲信号产生由1至0的下降沿时,定时器的值加1, 在每个机器周期CPU采样T0和T1的输入电平。
若前一个机器周期采样值为高,下一个机器周期采样值为低,则计数器加1。
由于检测一个1至0的跳变需要二个机器周期,故最高计数频率为振荡频率的二十四分之一。
7.5利用8XX51的T0计数。
每计10个脉冲,P1.0变反一次,用查询和中断两种方式编程。
使用方式2,计数初值C=100H—0AH=F6H查询方式:ORG 0000HMOV TMOD,#06HMOV TH0,#0F6HMOV TL0,#0F6HSETB TR0ABC:JNB TF0,$CLR TF0CPL P1.0SJMP ABC中断方式:ORG 0000HAJMP MAINORG 0000BHCPL P1.0RETIMAIN:MOV TMOD,#06HMOV THO,#0F6HSETB EASETB ET0SETB TR0SJMP $7.7已知8XX51单片机系统时钟频率为6MHz,利用定时器T0使P1.2每隔350us,输出一个50us脉宽的正脉冲。
解:fosc=6MHz,MC=2us,方式2的最大定时为512us,合乎题目的要求。
50us时,计数初值为C1=256-25=E7H,350us时,计数初值为C2=256-175=51HORG 0000HMOV TMOD,#02HNEXT:MOV TH0,#51HMOV TL0,51HCLR P1.2SETB TR0AB1:JBC TF0,EXTSJMP AB1EXT:SETB P1.2MOV TH0,#0E7HMOV TL0,#0E7HAB2:JBC TF0,NEXTSJMP AB27.9设系统时钟频率为6MHz,试用定时器T0作为外部计数器,编程实现每计到1000个脉冲后,使T1定时2ms,然后T0又开始计数,这样反复循环。
《单片机原理及接口技术》(第2版)人民邮电出版社第1章单片机概述思考题及习题11.除了单片机这一名称之外,单片机还可称为和。
答:微控制器,嵌入式控制器.2.单片机与普通微型计算机的不同之处在于其将、、和三部分,通过内部连接在一起,集成于一块芯片上。
答:CPU、存储器、I/O口、总线3.在家用电器中使用单片机应属于微计算机的。
答: BA.辅助设计应用B.测量、控制应用C.数值计算应用D.数据处理应用4.微处理器、微计算机、微处理机、CPU、单片机、嵌入式处理器它们之间有何区别?答:微处理器、微处理机和CPU它们都是中央处理器的不同称谓,微处理器芯片本身不是计算机。
而微计算机、单片机它们都是一个完整的计算机系统,单片机是集成在一个芯片上的用于测控目的的单片微计算机。
5.AT89S51单片机相当于MCS-51系列单片机中的哪一型号的产品?“S”的含义是什么?答:相当于MCS-51系列中的87C51,只不过是AT89S51芯片内的4K字节Flash存储器取代了87C51片内的4K字节的EPROM。
6.什么是“嵌入式系统”? 系统中嵌入了单片机作为控制器,是否可称其为“嵌入式系统”? 答:广义上讲,凡是系统中嵌入了“嵌入式处理器”,如单片机、DSP、嵌入式微处理器,都称其为“嵌入式系统”。
但多数人把“嵌入”嵌入式微处理器的系统,称为“嵌入式系统”。
目前“嵌入式系统”还没有一个严格和权威的定义。
目前人们所说的“嵌入式系统”,多指后者。
7.嵌入式处理器家族中的单片机、DSP、嵌入式微处理器各有何特点?它们的应用领域有何不同?答:单片机体积小、价格低且易于掌握和普及,很容易嵌入到各种通用目的的系统中,实现各种方式的检测和控制。
单片机在嵌入式处理器市场占有率最高,最大特点是价格低,体积小,应用广泛。
DSP是一种非常擅长于高速实现各种数字信号处理运算(如数字滤波、FFT、频谱分析等)的嵌入式处理器。
能够高速完成各种复杂的数字信号处理算法。
页第七章 MCS-51 的串行口 7.3 帧格式为 1 个起始位,8 个数据位和 1 个停止位的异步串行通信方式是方式(1)。
7.4 串行口有几种工作方式?有几种帧格式?各种工作方式的波特率如何确定? 答:串行口有四种工作方式:方式 0、方式 1、方式 2、方式 3 有三种帧格式: 方式 0 帧格式D0 D1 D2 D3 D4 D5D6 D7方式 0 波特率=Fosc/12方式 1 帧格式起始位方式 1 波特率=2 方式 2 和方式 3 帧格式起始位 D0MOD 方式 2 的波特率=2 D0SMODD1 D2 D3 D4 D5 D6 D7停 止定时器T1 的溢出率/32D1*Fosc/64 D2D3D4D5D6D7D8停止MOD方式 3 的波特率=2*定时器T1 的溢出率/327.5 假定串行口发送的字符格式为 1 个起始位,8 个数据位,1 个奇校验位,1 个停止位,请画出传送字符"A"的帧格式?0 1 0 0 0 0 0 1 0 1 17.6 判断下列说法是否正确(A)串行口通行的第 9 数据位的功能可由用户定义。
(T )(B)发送数据的第 9 数据位的内容在 SCON 寄存器的 TB8 位中预先准备好的。
(T ) (C)串行通讯帧发送时,指令把TB8 位的状态送入发送SBUF 中。
(F ) (D )串行通讯接收到的第 9 位数据送 SCON 寄存器的 RB8 中保存。
(T ) (E )串行口方式 1 的波特率是口变的,通过定时器/计数器 T1 的溢出率设定。
(T )7.7 通过串行口发送或接收数据时,在程序中应使用: (C )(A )MOVC 指令 (B )MOVX 指令(C )MOV 指令 (D )XCHD 指令页7.8 为什么定时器/计数器T1 用作串行口波特率发生器时,常采用方式2?若已知时钟频率,通讯波特率,如何计算器初值?答:定时器T1 工作方式 2 是一种自动重装方式,无需在中断服务程序中送数,没有由于中断引起的误差。
第7章思考题及习题7参考答案
一、填空
1.如果采用晶振的频率为3MHz,定时器/计数器T x(x=0,1)工作在方式0、1、2下,其方式0的最大定时时间为,方式1的最大定时时间为,方式2的最大定时时间为。
答:32.768ms,262.144ms,1024µs
2.定时器/计数器T x(x=0,1)用作计数器模式时,外部输入的计数脉冲的最高频率为系统时钟频率的。
答:1/24
3.定时器/计数器(x=0,1)用作定时器模式时,其计数脉冲由提供,定时时间与有关。
答:系统时钟信号12分频后,定时器初值
4.定时器/计数器T1测量某正单脉冲的宽度,采用方式可得到最大量程?若时钟频率为6MHz,求允许测量的最大脉冲宽度为。
答:方式1定时,131.072ms。
5. 定时器T2 有3种工作方式:、和,可通过对寄存器中的相关位进行软件设置来选择。
答:捕捉,重新装载(增计数或减计数),波特率发生器,T2CON
6. AT89S52单片机的晶振为6MHz,若利用定时器T1的方式1定时2ms,则(TH1)= ,(TL1)= 。
答:FCH,18H。
二、单选
1.定时器T0工作在方式3时,定时器T1有种工作方式。
A.1种
B.2种 C.3种D.4种
答:C
2. 定时器T0、T1工作于方式1时,其计数器为位。
A.8位
B.16位
C.14位
D.13位
答:B
3. 定时器T0、T1的GATE x=1时,其计数器是否计数的条件。
A. 仅取决于TR x状态
B. 仅取决于GATE位状态
C. 是由TR x和INT x两个条件来共同控制
D. 仅取决于INT x的状态
答:C
4. 要想测量INT0引脚上的正单脉冲的宽度,特殊功能寄存器TMOD的内容应为。
A.87H
B. 09H
C.80H
D. 00H
答:B
三、判断对错
1.下列关于T0、T1的哪些说法是正确的。
A.特殊功能寄存器SCON,与定时器/计数器的控制无关。
对
B.特殊功能寄存器TCON,与定时器/计数器的控制无关。
错
C.特殊功能寄存器IE,与定时器/计数器的控制无关。
错
D.特殊功能寄存器TMOD,与定时器/计数器的控制无关。
错
2.定时器T0、T1对外部脉冲进行计数时,要求输入的计数脉冲的高电平或低电平的持
续时间不小于1个机器周期。
特殊功能寄存器SCON与定时器/计数器的控制无关。
错
3.定时器T0、T1对外部引脚上的脉冲进行计数时,要求输入的计数脉冲的高电平和低电平的持续时间均不小于2个机器周期。
对
四、简答
1.定时器/计数器T1、T0的工作方式2有什么特点?适用于哪些应用场合?
答:方式2为初值自动装入的8位定时器/计数器,克服了在循环定时或循环计数应用时就存在用指令反复装入计数初值影响定时精度的问题。
2.TH x与TL x(x=0,1)是普通寄存器还是计数器?其内容可以随时用指令更改吗?更改后的新值是立即刷新还是等当前计数器计满后才能刷新?
答:THx与TLx(x = 0,1)是计数器,其内容可以随时用指令更改,但是更改后的新值要等当前计数器计满后才能刷新。
3.如果系统的晶振的频率为24MHz,定时器/计数器工作在方式0、1、2下,其最大定时时间各为多少?
答:晶振的频率为24MHz, 机器周期为0.5µs。
方式0最大定时时间=0.5µs×213=0.5µs×8192=4096µs
方式1最大定时时间=0.5µs×216=0.5µs×65536=327686µs
方式2最大定时时间=0.5µs×28=0.5µs×256=128µs
4.定时器/计数器T x(x=0,1)的方式2有什么特点?适用于哪些应用场合?
答:定时器/计数器的工作方式2具有自动恢复初值的特点,适用于精确定时,例如波特率的产生。
5.一个定时器的定时时间有限,如何用两个定时器的串行定时来实现较长时间的定时?答:方法1,在第一个定时器的中断程序里关闭本定时器的中断程序,设置和打开另一个定时器;在另一个定时器的中断程序中关闭本定时中断,设置和打开另一个定时器。
这种方式的定时时间为两个定时器定时时间的和。
方法2,一个作为定时器,在定时中断后产生一个外部计数脉冲(比如由P1.0接INT0产生),另一个定时器工作在计数方式。
这样两个定时器的定时时间为一个定时器的定时时间乘以另一个定时器的计数值。
6.当定时器T0用于方式3时,应该如何控制定时器T1的启动和关闭?
答:由TMOD寄存器的D6位“C/T*”来控制定时器T1的启动和关闭。
7.TH x与TL x(x=0,1)是普通寄存器还是计数器?其内容可以随时用指令更改吗?更改后的新值是立即刷新还是等当前计数器计满后才能刷新?
答:THx与TLx (x=0,1)是由特殊功能寄存器构成的计数器,其内容可以随时用指令更改,更改后的新值是立即刷新。
但在读THx、TLx的值时,应该先读THx值,后读TLx,再读THx。
若两次读得THx相同,则可确定读得的内容正确。
若前后两次读得的THx有变化,再重复上述过程。
五、综合设计
1.采用定时器/计数器T0对外部脉冲进行计数,每计数100个脉冲后,T0转为定时工作方式。
定时1ms后,又转为计数工作方式,如此循环不止。
假定AT89S51单片机的晶体振荡器的频率为6MHz,请使用方式1实现,要求编写程序。
答:参考【例7-3】
2.编写程序,要求使用T0,采用方式2定时,在P1.0输出周期为400µs,占空比为10:1的矩形脉冲。
答:参考【例7-3】
3.编写程序要求:当P1.0引脚的电平正跳变时,对P1.1的输入脉冲进行计数;当P1.2引脚的电平负跳变时,停止计数,并将计数值写入R0、R1(高位存R1,低位存R0)。
答:略
4.制作一个采用LCD1602显示的电子钟,在LCD上显示当前的时间。
显示格式为“时时:分
分:秒秒”。
设有4个功能键k1~ k4,功能如下:
(1)k1—进入时间修改。
(2)k2—修改小时,按一下k2,当前小时增1。
(3)k3—修改分钟,按一下k3,当前分钟增1。
(4)k4—确认修改完成,电子钟按修改后的时间运行显示。
答:见人民邮电出版社出版,2012年4月,张毅刚等编著,《基于Proteus的单片机课程的基础实验与课程设计》(名家系列),P167。