采购成本控制流程图.docx
- 格式:docx
- 大小:18.68 KB
- 文档页数:1
采购成本核算流程图及流程说明表(1)
采购成本核算流程图及流程说明表
总经理 财务部经理 采购部经理 采购部
开 始
①采购成本控制计划
审核 审批 组织执行 审核
②执行采购任务
③核算订购成本
④核算维持成本
⑤核算缺货成本
⑥核算采购费用
⑦数据汇总分析
审核
审核
⑧编制《采购成本核算表》
审核
资料存档
结 束
采购成本核算流程说明表
任务概要采购成本核算流程
节点控制相关说明
采购成本控制主管根据公司采购成本管理相关制度的规定编制《采购成本控制计划》,报采①
购部经理审核
②工作人员在采购部经理的领导下,开展物资采购工作
③采购成本分析专员核算采购订货成本,包括请购手续成本、往来沟通成本等
④采购成本分析专员核算采购维持成本,包括资金成本、搬运成本、仓储成本、折旧等
采购成本分析专员核算采购缺货成本,包括安全存货成本、延期交货成本、失去顾客成本⑤
等
⑥采购成本分析专员核算采购费用,包括人工费用、保险费用等
⑦采购成本分析专员对各项成本费用进行汇总
⑧采购成本分析专员根据采购部经理的审核意见,编制《采购成本核算表》。
文件制修订记录1.0目的:对采购作业过程进行控制,确保采购作业能做到适时、适量、适质以配合生产所需,降低库存,提高产品竞争能力。
2.0范围:2.1.本公司对外采购与产品生产有关的直接、非直接原材(物)料、零组件及包装材料等。
2.2.相关原材(物)料、零组件供方的确定。
3.0定义:3.1.采购方针3.1.1.选择优秀厂商,确保料源,积极开发新厂商。
3.1.2.确保物品质量,做好检验工作。
3.1.3.适时控制采购作业,做到适时、适量。
3.1.4.提高采购作业效率和人员的作业品质。
3.1.5.防止作业异常发生,针对异常与问题点能迅速妥善处理。
3.2.供方:提供本厂所需之直接原材(物)料、零组件、包装材料的供应厂家。
3.3.资料:包括图面、检验规范。
3.4.直接生产用材料:是指生产用、组成最终产品的材料、外构件、辅助材料。
3.5.非直接生产用材料:是指对最终产品生产有间接影响的材料、辅助材料、设备、工装及非生产用办公用品、劳保用品等。
4.0流程:4.1新开发件采购流程图:见附件。
4.2量产品采购流程:见附件。
5.0作业内容:5.1.供方选择:5.1.1.技术中心根据产品生产需要提出采购项目。
和依《供方控制办法》(WI-7.4-001)执行。
5.1.2.产品工程师根据采购项目提供图纸、材料标准、产品试验标准等技术要求。
5.1.3.财务依据材料成本、制造成本、管理成本等提出内部价格。
5.1.4.采购根据采购项目技术、生产要求,收集整理推荐潜在供方。
5.1.5.由采购、技术中心负责对潜在供方的质量体系,技术生产能力进行评审。
5.1.6.经评审,把符合要求的对象正式列入潜在合格供方名单。
5.2报价5.2.1.采购向已获得本公司评估为合格潜在供方发出报价单。
5.2.2.如果顾客已提供一份核准的潜在供方名单时,应从这份名单中所列的供方选择报价、采购各项相关的物料。
如需变更,则需经客户核准后才可变更。
5.2.3.凡采购品涉及特殊特性、危险性及有毒性的物料,须取得符合当地政府安全环保法规证明文件。
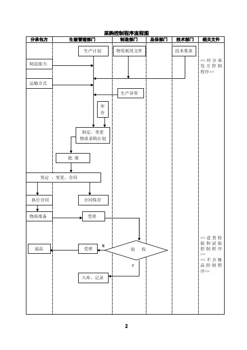
采购控制管理程序2010-**-**发布 2010-**-**实施文件修改履历表1目的对公司的采购过程实施控制,以保证所采购的物资符合生产和规定要求。
2适用范围本程序适用于公司供应商开发、评选管理及物品采购过程的控制。
3术语3.1物资-- 包括原材料、半成品、成品、生产设备、辅料备件、外包服务等。
3.2外协—分为供料外协(我公司出材料、图纸等)、包料外协(我公司只出图纸)。
4职责4.1总经理批准《供方资格标准》、《合格供应商清单》。
4.2主管领导批准《月采购计划》、《请购单》、《采购订单》等。
4.3采购部门组织评价供方,制定采购合同、采购计划,并实施所需物资的采购及监督物资的入库情况,建立供方档案。
4.4质量部门参与供方的质量体系评价,负责采购物资的检验和验证。
4.5技术部负责供方技术能力的评价,并组织制定《采购产品重要性分类表》及有关验证要求。
4.6仓储组负责物资的验收、清点等工作。
4.7财务部门负责对账及付款等事项。
5工作程序5.1采购过程的策划5.1.1采购部门根据其他各部门的物资需求作采购前期策划,筹备为该过程完成所需要的资料或资源。
5.1.2采购部门在相关技术标准的引导下,根据采购物资对最终作品质量的影响程度及对供方控制的方式方法等,制定《供方资格标准》。
5.1.3在有关部门(如技术部门、质量部门等)的配合下,主导供应商开发,并给予评价。
相关具体程序见《供应商管理规定》。
5.2物资的信息与供应商的选择5.2.1根据相关部门提供的意见,确定采购形式的说明,如外购、供料外协、包料外协等;外协加工按《外协加工管理办法》操作。
5.2.2采购物资分类技术部门负责制定《采购产品重要性分类表》,根据其对随后的实现过程及其输出的影响,将采购物资分为三类;重要物资(A类):构成最终产品的主要部分或关键部分,直接影响最终产品使用或安全性能,可能导致顾客严重投诉的物资;一般物资(B类):构成最终产品非关键部位的批量物资,它一般不影响最终产品的质量或即对使用有影响,但可采取措施予以纠正的物资;辅助物资(C类):非直接用于产品本身的起辅助作用的物资,如一般包装材料等。
成本支出控制制度流程图成本支出控制制度流程图成本费用控制制度第一节总则第一条为了加强对公司成本费用的内部控制,严格控制成本费用的开支规模,堵塞漏洞,制止铺张浪费和徇私舞弊的行为,根据《中华人民共和国会计法》等相关法律法规,制定本制度。
第二条本制度所称成本费用是指公司为了获取收益而发生或支付的各种耗费以及虽与获取收益无关但应由本期负担的各种耗费。
第三条成本费用的下列职务应分离:批准人与经办人的职务相分离;经办人与证明人、验收人相分离。
第二节岗位分工及授权批准第四条建立成本费用业务的岗位责任制,明确内部相关部门和岗位的职责、权限,确保办理成本费用业务的不相容岗位相互分离、制约和监督。
同一岗位人员定期作适当调整和更换,避免同一人员长时间负责同一业务。
成本费用业务的不相容岗位包括:(一)成本费用定额、预算的编制与审批;(二)成本费用支出与审批;(三)成本费用支出与相关会计记录。
第五条配备合格人员办理成本费用的核算业务。
办理成本费用核算的人员应当具备良好的业务知识和职业道德,遵纪守法,客观公正。
通过培训,不断提高业务素质和职业道德水准。
第六条成本费用业务建立严格的授权批准制度,明确审批人对成本费用业务的授权批准方式、权限、程序、责任和相关控制措施,规定经办人办理成本费用业务的职责范围和工作要求。
第七条审批人应当根据成本费用授权批准制度的规定,在授权范围内进行审批,不得超越审批权限。
经办人在职责范围内,按照审批人的批准意见办理成本费用业务。
第八条通过宣传培训和奖惩措施,增强全体员工自觉节约成本费用的意识。
第三节成本费用预测、决策与预算控制第九条开展成本费用预测,应本着费用最少、效益最大的原则,明确合理的期限,充分考虑成本费用预测的不确定因素,确定成本费用定额标准。
第十条成本费用预测应当服从企业整体战略目标,考虑各种成本降低方案,从中选择最优成本费用方案。
第十一条企业对成本费用预测方案进行决策,应当对产品设计、生产工艺、生产组织、零部件自制或外购等环节,运用价值分析、生产工序、生产批量等方法,寻找降低成本费用的有效措施。