水运工程质量检验标准表格
- 格式:doc
- 大小:4.84 MB
- 文档页数:186
水运工程单位验收表
项目名称:水运工程
甲方:______单位
乙方:______建设公司
经过______个月的施工,水运工程已经基本完工。
经双方协商,特编制本验收表进行验收。
1. 工程验收的范围和内容包括但不限于:
a. 工程结构及设备是否按照设计要求完成;
b. 工程质量是否符合相关标准和规定;
c. 工程安全措施是否齐全有效;
d. 工程环保要求是否得到满足。
2. 工程验收结果分为:
a. 合格:
- 工程质量符合标准,符合使用要求;
- 工程安全措施完善有效;
- 工程环保措施符合要求。
b. 不合格:
- 存在较大质量问题,不符合标准;
- 安全隐患严重,需要立即整改;
- 环保措施不到位,需要补充完善。
3. 工程验收结果由双方工程负责人签字确认,并盖章。
4. 工程验收结束后,如发现问题需要整改的,乙方应在___天内完成整改,并重新提交验收。
5. 本次验收表一式两份,双方各保存一份。
验收结果:
______单位工程验收负责人签字:_________ 日期:______年___月___日
______建设公司工程施工负责人签字:_________ 日期:
______年___月___日
以上内容属实,原件已存档。
备注:______
_______单位盖章 _______建设公司盖章
签字确认:______ _______。
水利水电工程质量检验与评定表格全套1. 引言水利水电工程是国家重点工程,对我国经济和社会发展具有重要的战略意义。
而工程建设的质量也直接影响着水利水电工程的效益和安全。
因此,对水利水电工程的质量进行检验与评定是非常必要的。
本文档提供了水利水电工程质量检验与评定表格全套,包括各种检验表格、评定表格和评分标准,从而方便建设单位和监理单位对水利水电工程质量进行全方位的检验和评定。
2. 检验和评定表格2.1 工程质量验收记录表工程质量验收记录表是对水利水电工程进行质量验收的重要表格。
该表格要求建设单位、监理单位和验收人员认真填写,内容包括工程概况、质量要求、质量验收方案、质量检验结果、工程等。
2.2 施工单位施工质量验收表施工单位施工质量验收表是对施工单位进行质量验收的表格。
该表格要求对各项施工质量指标进行检验和评定,并给出评分。
其中的检验项目包括地基工程、结构工程、水电机电设备、道路桥梁、排水排污等。
2.3 监理单位质量监管记录表监理单位质量监管记录表是对监理单位进行质量监管的表格。
该表格要求对监理单位在质量监管过程中的表现进行评定,并给出评分。
其中的评价项目包括质量监管计划、监理日志、质量问题处理、质量监督等。
2.4 工程质量问题处理记录表工程质量问题处理记录表是记录工程质量问题及其处理过程的表格。
该表格要求详细记录问题的性质、原因、处理过程和处理结果,并赋予处理结果评分。
2.5 工程质量评定表工程质量评定表是将工程质量检验结果进行综合评定的表格。
该表格要求对各项工程质量指标进行综合评定,并给出评分。
评价项目包括材料、工程技术、工作质量、防水、绝缘、耐久性等。
3. 评分标准为了保证对水利水电工程的质量检验和评定结果客观、公正、准确,需要对各项检验指标和评价项目进行量化评分。
下面是本文档提供的评分标准:评分等级值说明优秀90-100 本项指标达到或超过要求,且没有问题或瑕疵,是完美的状态。
良好80-89 本项指标达到或超过要求,但有轻微问题或瑕疵,不会影响使用。
工程测量控制点验收记录表K.2.0.2-1施工单位:验收日期:年月日施工测量基线和水准点验收记录表K.2.0.2-2施工单位:验收日期:年月日457材料汇总表(通用)表K.3.0.3-1原材料(构配件)进场验收记录(通用)表K.3.0.3-2设备开箱检查记录表K.3.0.3-3水泥出厂质量证明和检验报告汇总表表K.4.0.1-1汇总单位:审核:制表:年月日报告编号:报告编号:碎石(卵石)检验报告表K.4.0.2-2报告编号:减水剂检验报告表K.4.0.3-1 报告编号:泵送剂检验报告表K.4.0.3-2报告编号:试验单位(盖章):批准:审核:试验:粉煤灰检验报告表K.4.0.4报告编号:试验单位(盖章):批准:审核:试验:水质检验报告表K.4.0.5报告编号:试验单位(盖章):批准:审核:试验:钢筋(钢材)出厂合格证和检验报告汇总表表K.4.0.6-1汇总单位:审核:制表:年月日钢筋力学工艺性能及化学成分检验报告表K.4.0.6-2报告编号:试验单位(盖章):批准:审核:试验:预应力混凝土用钢绞线检验报告表K.4.0.6-3 报告编号:试验单位(盖章):批准:审核:试验:预应力筋用锚具、夹具和连接器检验报告表K.4.0.6-4 报告编号:试验单位(盖章):批准:审核:试验:钢材检验报告表K.4.0.7报告编号:试验单位(盖章):批准:审核:试验:高强度螺栓连接副检验报告表K.4.0.8-1 报告编号:试验单位(盖章):批准:审核:试验:高强度螺栓检验报告表K.4.0.8-2 报告编号:试验单位(盖章):批准:审核:试验:报告编号:试验单位(盖章):批准:审核:试验:报告编号:试验单位(盖章):批准:审核:试验:报告编号:试验单位(盖章):批准:审核:试验:石灰检验报告表K.4.0.12报告编号:试验单位(盖章):批准:审核:试验:混凝土配合比设计报告表K.5.0.1-1报告编号:试验单位(盖章):批准:审核:试验:砂浆配合比设计报告表K.5.0.1-2 报告编号:试验单位(盖章):批准:审核:试验:混凝土抗压(抗折)强度现场检验报告汇总表表K.5.0.2-1 工程名称:施工单位:试验单位(盖章):技术负责人:审核:制表:482混凝土抗压(抗折)强度检验报告表K.5.0.2-2报告编号:试验单位(盖章):批准:审核:试验:水泥砂浆抗压强度检验报告表K.5.0.3报告编号:试验单位(盖章):批准:审核:试验:混凝土抗冻检验报告表K.5.0.4报告编号:试验单位(盖章):批准:审核:试验:报告编号:报告编号:试验单位(盖章):批准:审核:试验:混凝土联锁块检验报告表K.5.0.6报告编号:试验单位(盖章):批准:审核:试验:混凝土强度评定表表K.5.0.7-1施工单位(盖章):审核:统计:年月日混凝土强度统计表表K.5.0.7-2施工单位(盖章):审核:统计:年月日混凝土氯离子总含量评估报告表K.5.0.8试验单位(盖章):批准:审核:评估:高性能混凝土抗氯离子渗透性能检验报告表K.5.0.9报告编号:试验单位(盖章):批准:审核:试验:钢筋焊接力学及工艺性能检验报告表K.5.0.10-1报告编号:试验单位(盖章):批准:审核:试验:钢筋机械连接接头单向拉伸性能检验报告表K.5.0.10-2 报告编号:试验单位(盖章):批准:审核:试验:冷拉钢筋力学及工艺性能检验报告表K.5.0.11试验单位(盖章):批准:审核:试验:超声波探伤检验报告表K.5.0.12-1试验单位(盖章):批准:审核:试验:X射线检验报告表K.5.0.12-2试验单位(盖章):批准:审核:试验:土压实度检验报告汇总表表K.5.0.13-1汇总单位:审核:制表:年月日试验单位(盖章):批准:审核:试验:报告编号:试验单位(盖章):批准:审核:试验:稳定土配合比设计报告表K.5.0.14试验单位(盖章):批准:审核:试验:稳定土无侧限抗压强度检验报告表K.5.0.15试验单位(盖章):批准:审核:试验:混凝土构件出厂合格证表K.6.0.1-1合格证编号:出厂日期:年月日生产单位(盖章):技术负责人:质量检查员:钢构件出厂合格证表K.6.0.1-2合格证编号:出厂日期:年月日生产单位(盖章):技术负责人:质量检查员:记录汇总表表K.7.0.1 工程名称:审核人:汇总人:。
表B.0.0.1注:①对于不划分检验批的分项工程,可直接采用本表。
②对于实测数据较多的项目,可附施工综合记录(基槽开挖)检验批质量检验记录表表B.0.0.1注:①对于不划分检验批的分项工程,可直接采用本表。
②对于实测数据较多的项目,可附施工综合记录(土石方回填)检验批质量检验记录表表B.0.0.1注:①对于不划分检验批的分项工程,可直接采用本表。
②对于实测数据较多的项目,可附施工综合记录注:①对于不划分检验批的分项工程,可直接采用本表。
②对于实测数据较多的项目,可附施工综合记录注:①对于不划分检验批的分项工程,可直接采用本表。
②对于实测数据较多的项目,可附施工综合记录(填砂挤淤)检验批质量检验记录表表B.0.0.1注:①对于不划分检验批的分项工程,可直接采用本表。
②对于实测数据较多的项目,可附施工综合记录(抛石基础)检验批质量检验记录表表B.0.0.1注:①对于不划分检验批的分项工程,可直接采用本表。
②对于实测数据较多的项目,可附施工综合记录(现浇混凝土基础)检验批质量检验记录表表B.0.0.1注:①对于不划分检验批的分项工程,可直接采用本表。
②对于实测数据较多的项目,可附施工综合记录(散抛石压载软体排缝制)检验批质量检验记录表表B.0.0.1注:① L为软体排幅长,单位mm;② B为软体排幅宽,单位mm。
(散抛石压载软体排铺设)检验批质量检验记录表表B.0.0.1注:①B为设计搭接宽度,单位mm;②搭接宽度不得小于1000mm。
(系结压载软体排(护底)缝制)检验批质量检验记录表表B.0.0.1注:① L1为软体排幅长,B为软体排幅宽,L2为充填袋或砂肋长度。
单位mm;(系结压载软体排(护底)铺设)检验批质量检验记录表表B.0.0.1注: B为设计搭接宽度,单位mm。
(铺石压载软体排(护滩)缝制)检验批质量检验记录表表B.0.0.1注:① L为软体排幅长,单位mm;② B为软体排幅宽,单位mm。
《关于印发<水运工程重点建设项目质量鉴定办法>(试行)的通知》(质监水字[2007]8号)水运工程重点建设项目质量鉴定办法(试行)第一章总则第一条为加强水运工程重点建设项目质量管理,规范质量鉴定工作,根据交通部《水运工程质量监督规定》、《港口工程竣工验收办法》、《内河航运建设项目(工程)竣工验收办法》等有关规定,制定本办法。
第二条本办法适用于交通部负责组织竣工验收的水运工程重点建设项目,其他水运工程建设项目可参照执行。
第三条交通部水运工程重点建设项目的质量鉴定工作由交通部基本建设质量监督总站(简称部质监总站)负责组织实施。
第四条部质监总站在具体负责工程项目质量监督的质量监督机构(简称项目质监机构)对所有单位工程质量评定合格的基础上,于工程竣工验收前组织进行工程项目质量鉴定工作。
工程规模较大,分期组织竣工验收的项目,可分阶段进行质量鉴定。
第五条质量鉴定依据:(一)国家有关规定;(二)交通部及国家其它有关部门颁发的有关工程质量检验(评定)标准、规范、规程;(三)经批准的设计及设计变更文件;(四)项目质监机构监督过程中有关质量的监督检查、检测、评定资料。
第六条质量鉴定工作应当坚持科学、公正、求实的原则。
第二章鉴定组织及程序第七条部质监总站组建质量鉴定组开展鉴定工作。
质量鉴定组成员由部质监总站邀请水运工程质量监督方面的专家以及项目质监机构的监督人员组成。
第八条部质监总站每年向建设单位下达建设项目质量鉴定计划,并抄送项目质监机构。
建设单位在接到质量鉴定通知书后,应将工程项目概况、单位工程划分情况、工程质量状况自查报告等有关资料报部质监总站。
第九条列入部质监总站质量鉴定计划的建设项目,在所有单位工程完工并满足建设项目质量鉴定条件后,由建设单位向部质监总站提交《水运工程重点建设项目质量鉴定申请书》、《项目质监机构初评意见表》及交工验收有关资料(具体内容见附件1、附件2)。
项目质监机构应及时向部质监总站提交质量监督工作开展情况报告,以及质量监督检查、检测、质量评定等有关资料。
盘锦辽滨经济区水运工程质量管理统一用表(施工单位用表)天津天科工程监理咨询有限公司辽滨监理部二0一0年五月基本规定1、水运工程施工管理、监理管理、检验、试验及评定表格,应采用本“天津天科工程监理咨询事务所辽滨监理部水运工程质量管理统一用表”(以下简称“统一用表”)所规定的表格格式。
2、“统一用表”可使用A4纸或A3纸,表格左侧应留装订线。
3、使用“统一用表”应符合下列规定:(1)填写时应使用钢笔或黑色签字笔,不得使用易退色的书写材料。
(2)按照表格要求的项目内容认真填写(或打印)完整,字迹要求清楚、工整,不得涂改。
(3)表格中有关人员的签字手续应完备(不得盖签字印章),需盖公章的应加盖公章,不得有漏填、漏签、漏盖现象。
(4)表格填写结论应准确明晰,子项填写齐全,当有空格时应在空格处划“/”表示。
4、有关证明材料使用抄件或复印件时应符合下列规定。
(1)抄件或复印件应清楚,不得涂改。
(2)抄件或复印件应有抄件人的签字和抄件单位的公章,并注明原件保存单位。
5、严格按“统一用表”表头的类别编号执行,对“统一用表”范围中未完全涵盖的应另行编类(如另增加(施A-01、02……);对于表格中内容、子项不全,需再进行补充的,或同类表格需另外增加内容的,可在原有类别号后面续上-a、-b、-c……(如施A-01-a)以此类推。
6、工程原材料试验台帐、试验内容和记录表格,应执行2008年交通部发布的《水运工程质量检验标准(JTS 257-2008》中规定的试验内容和记录表格。
目录填表要求一、承包人申报用表1、(施A-01)施工组织设计(方案)报审表2、(施A-02)单位、分部、分项工程划分报审表3、(施A-03)施工图会审(审核)记录表4、(施A-04)分包单位资格报审表5、(施A-05)项目(标段、单位)工程开工(通用)报审表6、(施A-06)主要分部/分项工程开工报审表7、(施A-07)技术方案报审表8、(施A-08)施工测量放线报验单9、(施A-09)材料/构配件/设备(通用)报验单10、(施A-10)主要施工设备进(退)场(通用)报审表11、(施A-11)混凝土(砂浆)配合比报验单12、(施A-12)混凝土(砂浆)浇筑申请单13、(施A-13)工程材料(试验)送检见证单14、(施A-14)工程业务联系单15、(施A-15)工程变更报审表16、(施A-16)隐蔽/分项工程报验单17、(施A-17)工程质量问题(事故)报告单18、(施A-18)工程质量问题(事故)处理方案报审单19、(施A-19)整改复查报审表20、(施A-20)复工报审表21、(施A-21)工程施工计划(调整)报审表22、(施A-22)延长工期报审表23、(施A-23)工程周(月)施工计划进度表(施A-23-1)周施工计划进度表(施A-23-2)月施工计划进度表24、(施A-24)预付款申请表25、(施A-25)工程(月)付款申请表26、(施A-26)工程(月)付款报审表(施A-26-1)工程计量计算表27、(施A-27)月施工完成情况报审表28、(施A-28)工程变更费用申请表29、(施A-29)索赔报审表30、(施A-30)单位工程质量核验申请单31、(施A-31)交工申请报告单32、(施A-32)施工总结报告二、工程施工检验记录用表1、(K.2.0.2-2)施工测量基线和水准点验收记录2、(表 K.2.0.2-1)工程测量控制点验收记录3、(表 K.7.0.1)记录汇总表4、(表 K.7.0.2)隐蔽工程验收记录5、(表 K.8.0.1)水下基槽开挖断面测量验收记录6、(表J.8.0.3-1)锤击沉桩综合记录7、(表J.8.0.3-2)锤击沉桩记录8、(表 K.8.0.4-4)灌注桩水下混凝土施工记录9、(表 K.9.0.2-1)方块安装综合记录10、(表 K.9.0.3-2)板类构件安装综合记录11、(表 K.9.0.5)钢轨安装综合记录12、(表 K.14.0.1)施工质量返工处理记录13、(表 K.10.0.1-7)吹填工程质量检验成果表14、(表 J.15.0.3-1)水工建筑物沉降和位移观测汇总表15、(表 K.15.0.3-2)水工建筑物沉降观测记录16、(表 K.15.0.3-3)水工建筑物位移观测记录三、工程试验记录(汇总)用表1、(表 K.3.0.3-1)材料汇总表(通用)2、(表 K.3.0.3-2)原材料(构配件)进场验收记录(通用)3、(表 K.4.0.1-1)水泥出厂质量证明和检验报告汇总表4、(表 K.4.0.6-1)钢筋(钢材)出厂合格证和检验报告汇总表5、(表 K.5.0.2-1)混凝土抗压(抗折)强度现场检验报告汇总表6、(表 K.5.0.7-1)混凝土强度评定表7、(表 K.5.0.7-2)混凝土强度统计表8、(表 K.6.0.1-1)混凝土构件出厂合格证9、(表 K.6.0.1-2)钢构件出厂合格证四、工程质量检验评定用表1、(表 B.0.0.1)检验批质量检验记录表2、(表 B.0.0.2)分项工程质量检验记录表3、(表 B.0.0.3)分部工程质量检验记录4、(表 B.0.0.4)单位工程质量检验记录表5、(表 B.0.0.6)单位工程观感质量评价表6、(表 B.0.0.7)单位工程质量控制资料核查记录7、(表 B.0.0.8)单位工程安全和功能检验资料核查及主要功能抽查记录五、填表说明一、承包人申报用表施A-01施工组织设计(方案)报审表工程名称: 编号: 致监理机构:现报上《施工组织设计(方案)》(全套、部分),已经我单位上级技术部门审核通过,请予审查和批准。
水运工程施工表格规范一、施工方案1. 水运工程施工方案编制表格水运工程施工方案是水运工程施工的重要依据,是工程管理部门审批的必要文书。
水运工程施工方案应当详细而严密,包括工程的组织、施工方法、材料使用、工序安排等内容。
编制表格的目的是为了使施工方案的编制更加规范和系统化,方便管理和查阅。
2. 施工组织设计表格水运工程施工组织设计表格是施工单位依据施工方案制定的具体施工组织设计。
施工组织设计应当包括工程的总体布置、分部施工组织、人员配备、施工设备配置等内容。
施工组织设计表格一般包括以下内容:工程名称、工程概况、施工单位名称、组织设计负责人、审批人、编制日期等。
3. 安全生产管理表格安全生产是水运工程施工过程中最重要的工作之一。
安全生产管理表格应当包括施工单位的安全生产责任分工、施工现场安全管理措施、特种作业安全管理和应急救援措施等内容。
安全生产管理表格要求详实严谨,确保工程的施工过程中安全生产得到有效保障。
二、质量管理1. 质量验收表格质量验收是水运工程施工过程中一个重要环节,质量验收表格是施工单位用来记录工程质量验收结果的记录工具。
质量验收表格应当包括工程项目、验收内容、验收标准、验收结果等信息,确保施工质量的监督和检测。
2. 质量问题整改表格水运工程施工过程中难免会出现一些质量问题,施工单位需要及时整改并记录整改过程。
质量问题整改表格是用来记录质量问题的整改情况,包括问题描述、整改措施、整改责任人、整改时间、整改结果等内容。
质量问题整改表格有利于及时发现和解决施工中的质量问题,保证工程的质量安全。
三、材料管理1. 材料管理表格材料管理是水运工程施工过程中的重要工作之一,材料管理表格是用来记录材料采购、使用和消耗情况的重要工具。
材料管理表格应当包括材料名称、规格、数量、厂家、采购日期、使用情况等内容,确保材料的全程跟踪管理。
2. 材料验收表格水运工程施工中的材料验收是确保工程质量的重要环节,材料验收表格是用来记录材料验收结果的工具。
附录A水运工程施工现场质量管理检查记录A.0.0.1 施工单位和监理单位应按表A.0.0.1 的规定,对施工现场的质量管理体系进行检查并填写记录。
检查结论:总监理工程师:年月日411附录B水运工程质量检验记录B.0.0.1 检验批质量检验记录应由分项工程技术负责人填写,监理工程师组织施工单位质量检查员等进行检验与确认,并按表B.0.0.1 的规定记录。
注:①对于不划分检验批的分项工程,可直接采用本表;②对于实测数据较多的项目,可附施工综合记录。
412B.0.0.2 分项工程质量检验记录应由施工单位分项工程技术负责人填写,监理工程师组织施工单位分项工程技术负责人和质量检查员等进行检验与确认,并按表B.0.0.2 的规定记录。
说明:413B.0.0.3 分部工程质量检验记录应由施工单位项目技术负责人填写,总监理工程师组织施工单位项目负责人、技术负责人和质量检查员等进行检验与确认。
并按表B.0.0.3 的规定记录。
414B.0.0.4 单位工程质量检验记录应由施工单位项目负责人填写,检查验收结论应由总监理工程师填写,质量检验综合结论应由参加检查验收各方共同商定,由建设单位填写。
并按表B.0.0.4 的规定记录。
注:质量监督机构对单位工程的质量核定报告及用表,应按水运工程质量监督主管部门的规定执行。
415B.0.0.5 建设项目和单项工程质量检验汇总记录应由建设单位项目负责人填写,并按表B.0.0.5 记录。
B.0.0.6 单位工程的观感质量评价的项目及质量要求应符合本标准的相关规定,并采用表B.0.0.6 记录416单位工程观感质量评价表表B.0.0.6核查结论:施工单位项目负责人:年月日总监理工程师:年月日建设单位项目负责人:年月日质量监督负责人:年月日注:①单位工程观感质量评价应在单位工程完工后及时进行,并应由质量监督机构组织建设、监理和施工单位的有关人员在施工和监理单位检查的基础上共同进行;②观感质量检查项目的评价应采用观察检查、必要量测和共同讨论确定的方法进行;③观感质量评价分为一级的项目应满足下列要求:A、外观质量总体好;B、观察范围未发现明显表面缺陷; C、抽查部位测点的偏差未超过规定的允许偏差值。
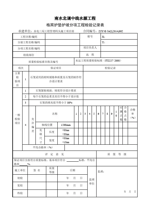
格宾护垫护坡分项工程检验记录表承建单位:水电三局工程管理码头施工项目部合同编号:ZSY/G-JAZ(2014)002工程名称/编码桩号X:分部工程名称/编码Y:分项工程名称/编码项目负责人检验部位高程质量检验标准名称及编号水运工程质量检验标准(JTS257-2008)项次保证项目检验记录主要检验项目1石笼采用的材料规格和质量及石笼的制作符合设计要求一般检验项目1 石笼紧贴坡面,坡度符合设计要求2 每个石笼的总重及直径不得小于设计值3 石笼的填充度不得小于80%4允许偏差名称 1 2 3 4 5 6 7 8 91应测点数合格点数合格率(%)轴线位置1500mm充填尺寸长度+50mm-30mm宽度+30mm-10mm平均合格率(%)评定意见质量等级保证项目全部符合质量标准,基本项目符合标准,平均合格率%。
施工单位签名质量等级日期监理单位监理:年月日初检年月日复检年月日终检年月日格宾护垫护坡分项工程质量评定表承建单位:水电三局工程管理码头施工项目部 合同编号:ZSY/G-JAZ(2014)002工程名称/编码 桩号 X :分部工程名称/编码 Y : 分项工程名称/编码项目负责人 检验部位高 程质量检验标准名称及编号项次保证项目 质量标准 检验记录1基层处理符合设计要求2石笼护垫材料选用镀高尔凡(5%铝锌合金+稀土元素)防腐处理材料。
网孔60*80mm ,网面钢丝直径2.0mm 、端丝2.7mm 、绑扎丝2.2mm 。
钢丝的抗拉强度为350~550N /mm 2,网面抗拉强度为35KN/m 。
主要检验项目3 网格材质、尺寸符合设计要求4 翻边 用钢丝沿笼体的边框缠绕,将相邻笼体绑紧5 缝宽无宽度在1.5cm 以上、长度在0.5m 以上的连续缝6 填充料材质、粒径 粒径75~150mm ,80%以上大于网孔粒径,级配良好;质量无风化7 装填饱满度填充度不得小于80%项次 允许偏差项目质量标准总测点数合格数 (点) 合格率 (%) 一般检验项目1 平整度 允许偏差为设计厚度的±10%(每10~20m 检测1点) 2厚度2m 靠尺检测凹凸不超过5cm (每10~20m 检测1点)评 定 意 见质 量 等 级保证项目全部符合质量标准,基本项目符合 标准,允许偏差项目各项实测点合格率 %。
水运工程质量控制资料用表K.1 一般规定K.1.0.1 工程质量控制资料应按本标准和相关标准的规定随工程施工进度同步形成,并应按本附录的规定进行收集和整理,作为工程质量的客观见证和质量检验与验收的依据。
K.1.0.2 工程建设各方应按下列规定做好工程质量控制资料的形成、收集和整理。
K.1.0.2.1 建设单位应向工程建设的设计、施工和监理等单位提供与工程建设有关的资料,并应对有关工程质量控制资料签署意见。
K.1.0.2.2 勘察单位和设计单位应按合同要求提供勘察报告和设计文件,并对相关工程质量控制资料签署意见。
K.1.0.2.3 监理单位应按合同和国家有关规定对工程质量控制资料的形成、收集和整理进行检查和审核,并应及时签署意见。
K.1.0.2.4 试验检测机构应按试验检测程序和相关规定及时出具试验检测报告。
K.1.0.2.5 施工单位应建立健全工程质量控制资料管理岗位责任制,指定专门人员负责工程质量控制资料的形成、收集和整理,并应对其真实性、完整性和有效性负责。
工程竣工前,应按竣工资料和归档的要求进行整理。
K.1.0.2.6 质量监督机构应按国家有关规定对工程质量控制资料的管理进行监督检查,对需签署意见的应及时签署意见。
K.1.0.3 主要工程质量控制资料用表应采用本附录所规定的表格格式,对于本附录未包含和根据工程需要增加的,可参考本附录的规定制定和分类。
K.1.0.4 工程质量控制资料用表的纸张和填写应符合下列要求。
K.1.0.4.1 表格纸张规格应使用A4 或A3 纸。
K.1.0.4.2 应用碳素墨水填写或打印。
K.1.0.4.3 表格填写内容和有关人员的签字应齐全,需要公章的应加盖公章。
K.2 工程测量控制点验收记录K.2.0.1 工程测量控制点、施工测量基线和水准点应有平面布设图和计算书。
使用前应进行检查验收。
K.2.0.2 工程测量控制点验收应采用表K.2.0.2-1,施工测量基线和水准点验收应采用表K.2.0.2-2。
目录说明总表5 工程开工报告总表6 工程业务联系单总表8 工程竣工验收通知单总评表1 工程竣工移交书总评表2 单位工程质量综合评定表总评表3 分部工程质量评定表总评表4 工程质量评定表施检表1 单位工程质量检验资料核定表施检表2 分项工程质量检验评定表施检表3 混凝土施工检查记录表施检表13 预制构件质量评定汇总表施检表14 混凝土钻芯取样记录表施检表15 结构或构件混凝土回弹强度计算表施检表17 桩基桩位放样检查记录表施检表18 沉桩记录表施检表21 钻(冲)孔桩隐蔽验收记录表施检表22 护壁泥质量检查记录表施检表23 钻(冲)孔桩终孔后灌注混凝土前检查记录表施检表26 振动灌注桩施工记录表施检表44 基床打夯检验施工记录表施检表50 厚度检测记录表施检表51 2m直尺平整度检测记录表施检表70 桩板、重力式码头观感质量评分表施检表71 高桩码头观感质量评分表施检表72 重力墩式码头(栈桥)工程观感质量评分表施检表73 斜坡码头和浮码头观感质量评分表施检表74 直立防波堤观感质量评分表施检表75 护岸工程观感质量评分表施检表76 道路、堆场工程观感质量评分表施测表6 孔隙水压力观测记录表检验表10 混凝土抗渗等级检测报告检验表14 环刀法压实度检测记录表检验表16 灌砂法用标准砂标定试验记录表检验表17 重型击实检测记录表总表1 工程竣工移交书总表2 工程竣工移交文件一览表总表3 工程竣工验收证书总表4 工程竣工验收证书总表7 工程质量事故报告表总表9 工程技术交底书施检表4 预应力钢筋冷拉施工记录表施检表5 预应力张拉(先张拉)记录表施检表6 预应力张拉(后张拉)记录表施检表7 预应力孔道压浆记录表施检表8 后张法质量检验报告单施检表9 粗钢筋先张法质量检验报告单施检表10 钢丝、钢绞线(先张法)质量检验报告单施检表11 混凝土强度合格评定表施检表12 钢筋砼和砼构件出厂合格证施检表16 回弹法测试原始记录表施检表19 沉桩汇总表施检表20 钻(冲)孔桩记录表施检表24 水下混凝土灌注记录表施检表25 人工挖孔记录表施检表27 振动灌柱桩沉桩综合记录表施检表30 空心方块预制施工检查记录表施检表31 实心方块预制施工检查记录表施检表33 圆形沉箱、圆筒预制施工检查记录表施检表34 矩形沉箱预制施工检查记录表施检表35 扶壁预制施工检查记录表施检表36 沉井施工质量检查记录表施检表37 地下连续墙隐蔽验收记录表施检表39 基床抛石验收记录表施检表40 隐蔽工程验收记录表(兼质量评定) 施检表41 隐蔽工程验收记录表(基床)施检表42 基床整平(极细平)检验评定记录表施检表43 基床整平钢轨顶标高检测记录表施检表45 斜坡码头和浮码头整体尺度施检表46 船台、滑道、横道整体尺度施检表47 工程竣工整体尺度表施检表48 防波堤整体尺度表施检表52 照明设施质量检验报告单施检表53 栏杆安装质量检验报告单施检表54 给水管道水压试验压力报告单施检表55 供水管道安装检查记录表施检表56 排水管道安装检查记录表施检表57 检查(雨水)井砌筑质量检验报告单施检表58 浆砌排水沟质量检验报告单施检表59 盲沟质量检验报告单施检表60 粉喷桩施工现场记录表施检表61 土工布滤层铺设质量试验报告单施检表62 粉喷桩质量检验报告单施检表63 塑料排水板、袋装砂井施工记录表施检表64 疏滩工程质量检验评定竣工验收单施检表65 水下炸礁工程验收表施检表66 倒滤层测量验收表施检表67 砌石护坡测量验收表施检表68 筑坝测量验收表施检测69 吹填工程质量检验评定表施测表5 沉降观测汇总表施测表8 测深记录表检验表11 砼联锁块检验报告检验表12 六角块(四角块)预制质量检验报告检验表13 材料含水量检测记录表检验表15 灌砂法密实度检测记录表工程开工报告工程业务联系单工程名称:申请单位:总评表1建设项目质量评定表总评表2 单位工程质量综合评定表工程名称:施工单位:结构形式:总评表3分部工程质量评定表总评定4 工程质量评定表分项工程质量评定汇总表单位工程分部工程分项工程施检表1单位工程质量检验资料核定表工程名称:施检表2 分项工程质量评定表单位工程:分部工程:分项工程:施检表3 混凝土施工检查记录表第页共页施检表13 预制构件质量评定汇总表单位工程委托单位构件名称施工日期施检表14 混凝土钻芯取样记录表施检表15 结构或构件混凝土回填强度计算表施检表17 桩基桩放样检查记录表施检表18 沉桩记录表测量: 记录:校核:技术负责:年月日质检员:施检表21 钻(冲)孔桩隐蔽难收记录表施检表22 护壁泥浆质量检查记录表施工单位:泥浆搅拌机类型工程名称:膨润土种类和特性每m3每筋土(kg)水(kg)化学掺合剂(kg)技术负责人;质检员: 年月日监理代表:施检表23 钻(冲)孔桩终孔后灌注混凝土前检查记录表施检表26 振动灌注桩施工记录表技术负责人:开始时间:结束时间: 质检员: 记录员:施检表44 基床打夯检查施工记录表施检表50 厚度检测记录表施检表51 2m直尺平整度检测记录表施检表70 板桩、重力式码头观感质量评分表检查人:年月日施检表71 高桩码头观感质量评分表检查人:年月日施检表72 重力墩式码头(栈桥)工程观感质量评分表检查人:年月日施检表73 斜坡码头和浮码头观感质量评分表检查人:年月日检表74 直立式防波堤观感质量评分表检查人:年月日施检表75 护岸工程观感质量评分表检查人:年月日施检表76 道路、堆场工程观感质量评分表检查人:年月日施测表6 孔隙水压力观测记录表检验表10 混凝土抗渗等级检测报告委托单位:检验单位:(盖公章)工程名称: 试样编号: 检评依据:构件名称:送检日期:发报告日期:各试件破型后的平均渗水高度(cm)附图检验单位负责人校对检验监理检验表14 环刀法压实度检测记录表检验表16 灌砂法用标准砂标定试验记录表检验表17 重型击实检测记录表工程竣工移交文件一览表施工单位主管; 填表人:复核: 日期:施工单位盖章:建设单位盖章:接收单位盖章:设计代表:单位负责人:单位负责人:单位负责人:监理代表:工程部门主管:工程部门主管:工程部门主管: 质监代表:财务部门主管:财务部门主管: 财务部门主管:建设银行:工程质量事故报告表施工项目负责人:质检员: 分项主管:年月日工程技术交底书施工项目负责人:质检员: 分项主管:年月日。
附录A水运工程施工现场质量管理检查记录A.0.0.1 施工单位和监理单位应按表A.0.0.1 的规定,对施工现场的质量管理体系进行检查并填写记录。
检查结论:总监理工程师:年月日附录B水运工程质量检验记录B.0.0.1 检验批质量检验记录应由分项工程技术负责人填写,监理工程师组织施工单位质量检查员等进行检验与确认,并按表B.0.0.1 的规定记录。
注:①对于不划分检验批的分项工程,可直接采用本表;②对于实测数据较多的项目,可附施工综合记录。
B.0.0.2 分项工程质量检验记录应由施工单位分项工程技术负责人填写,监理工程师组织施工单位分项工程技术负责人和质量检查员等进行检验与确认,并按表B.0.0.2 的规定记录。
说明:B.0.0.3 分部工程质量检验记录应由施工单位项目技术负责人填写,总监理工程师组织施工单位项目负责人、技术负责人和质量检查员等进行检验与确认。
并按表B.0.0.3 的规定记录。
B.0.0.4 单位工程质量检验记录应由施工单位项目负责人填写,检查验收结论应由总监理工程师填写,质量检验综合结论应由参加检查验收各方共同商定,由建设单位填写。
并按表B.0.0.4 的规定记录。
注:质量监督机构对单位工程的质量核定报告及用表,应按水运工程质量监督主管部门的规定执行。
B.0.0.5 建设项目和单项工程质量检验汇总记录应由建设单位项目负责人填写,并按表B.0.0.5 记录。
B.0.0.6 单位工程的观感质量评价的项目及质量要求应符合本标准的相关规定,并采用表B.0.0.6 记录单位工程观感质量评价表表B.0.0.6核查结论:施工单位项目负责人:年月日总监理工程师:年月日建设单位项目负责人:年月日质量监督负责人:年月日注:①单位工程观感质量评价应在单位工程完工后及时进行,并应由质量监督机构组织建设、监理和施工单位的有关人员在施工和监理单位检查的基础上共同进行;②观感质量检查项目的评价应采用观察检查、必要量测和共同讨论确定的方法进行;③观感质量评价分为一级的项目应满足下列要求:A、外观质量总体好;B、观察范围未发现明显表面缺陷; C、抽查部位测点的偏差未超过规定的允许偏差值。
④观感质量评价为二级的项目应满足下列要求: A、外观质量总体较好; B、观察范围有少量一般表面缺陷,但不需进行修补;C、抽查部位虽有少量测点的偏差超过规定的允许偏差值,但未超过允许偏差值的1.5倍或者超过允许偏差值的测点个数未超过总测点数量的20%。
⑤观感质量评价为三级的项目应满足下列要求:A、外观质量总体一般;B、观察范围有较多一般表面缺陷或有较多修补痕迹,但不需要进行重新修补;C、抽查部位的偏差超过允许偏差值的1.5倍,或者超过允许偏差值的测点个数超过总测点数量的20%,但不影响工程的正常使用。
⑥对于存在严重表面缺陷或有影响工程正常使用偏差的项目不得通过观感质量评价。
经按技术处理方案处理符合要求后的项目,可重新评为三级。
B.0.0.7 单位工程质量控制资料核查应按表B.0.0.7 检查记录。
核查结论:B.0.0.8 单位工程安全和功能检验资料核查及主要功能抽查应按表 B.0.0.8 进行检查记录。
核查结论:项目负责人:年月日总监理工程师:年月日B.0.0.9 水运工程主要质量控制资料用表的格式与填写应符合附录K的规定。
附录C主要材料试验和现场检验抽样组批原则及检验项目C.0.0.1 水运工程主要材料试验和现场检验的抽样组批原则及检验内容宜按表C.0.0.1 确定。
主要材料试验和现场检验抽样组批原则和试验内容表C.0.0.1421422423注:表中试验或检验项目栏中的“必检”为工程施工过程中必须检验的项目;“其他”为可根据需要检验的项目。
424附录D水运工程混凝土结构实体质量验证性检测要求D.1 一般规定D.1.0.1 本附录适用于建设单位和质量监督机构对水运工程混凝土结构实体质量的抽样检测或验证性检测。
D.1.0.2 混凝土结构实体质量验证性检测应在施工单位自检合格的基础上进行。
D.1.0.3 混凝土结构实体质量验证性检测的部位应根据工程结构特点,由质量监督机构会同建设单位和设计单位选定。
D.1.0.4 承担混凝土结构实体质量验证性检测的单位或机构应具有水运工程试验检测相应能力等级,并经质量监督机构认可或授权。
承担检测项目的负责人应具有水运工程试验检测工程师资格。
D.1.0.5 混凝土结构实体质量验证性检测除符合本附录规定外,尚应符合国家现行标准的有关规定。
D.2 混凝土强度检测D.2.0.1 混凝土结构主要构件实体混凝土强度验证性检测的抽查数量可按表 D.2.0.1 确定。
D.2.0.2 混凝土强度检测宜采用超声回弹综合法或取芯法,其检测条件、检测方法和合格判定标准应符合现行行业标准《港口工程混凝土非破损检测技术规程》(JTJ/T 272)的有关规定。
D.3 钢筋保护层厚度检测D.3.0.1 位于水位变动区和浪溅区的主要构件实体的钢筋保护层厚度检测的抽查数量可按表D.3.0.1 确定。
425D.3.0.2 对桩和梁类构件应对全部主筋进行检测;对板类构件,应抽取不少于6根受力筋进行检测;对沉箱、扶壁、圆筒、闸墙、坞墙和挡浪墙等,应至少抽取6 根受力筋进行检测。
每根钢筋应在有代表性的部位测量2~3 个点。
D.3.0.3 钢筋保护层厚度的检测可采用非破损或局部破损的方法,也可采用非破损方法并用局部破损方法进行校准。
当采用非破损方法检测时,所用的仪器应进行校准。
其检测误差应满足表D.3.0.3 的要求。
D.3.0.4 桩、梁、板、沉箱、扶壁和圆筒等构件钢筋保护层实际厚度的正偏差不应超过12mm,负偏差不应超过5mm;现浇闸墙、坞墙、挡墙等构件钢筋保护层实际厚度的正偏差不应超过15mm,负偏差不应超过5mm。
D.3.0.5 主要构件实体钢筋保护层厚度检测合格判定标准应符合下列规定。
D.3.0.5.1 当全部保护层厚度检测的合格点率为80%及以上时,保护层厚度的检测结果应判定为合格。
D.3.0.5.2 当全部保护层厚度检测的合格点率小于80%但不小于70%时,应再抽取相同数量的构件进行检测,当按两次抽样数量总和计算的合格点率为80%及以上时,钢筋保护层厚度的检测结果仍应判定为合格。
D.3.0.5.3 每次抽样检测结果中不合格点的最大负偏差均不应大于第 D.3.0.4 条规定偏差值的1.5 倍。
D.4 抗氯离子渗透性能的检测D.4.0.1 处于浪溅区和水位变动区的梁、板、沉箱、扶壁和挡浪墙等有抗氯离子渗透性能要求的构件应对抗氯离子渗透性能进行验证性检测。
D.4.0.2 抗氯离子渗透性能验证性检测的试件应在构件上钻芯制取。
预制构件宜按同类构件且混凝土数量不大于20000m3 抽检一次,每一次抽检钻取芯样试件的数量不宜少于3 个;现浇构件的同类构件的芯样试件数量不宜少于3个。
D.4.0.3 抗氯离子渗透性能试验芯样试件的尺寸、加工要求和试验方法应符合现行行业标准《海港工程混凝土结构防腐蚀技术规范》(JTJ 275)的有关规定。
426D.4.0.4 当采用电通量法检测时,抗氯离子渗透性能试验的检验合格判定标准应符合下列规定。
D.4.0.4.1 芯样试件的电通量平均值应满足设计要求。
D.4.0.4.2 单块芯样试件的电通量值不得大于设计值的115%。
D.5 混凝土面层厚度检测D.5.0.1 混凝土面层厚度验证性检测的数量应符合下列规定。
D.5.0.1.1 道路宜按长度不大于1000m 检测一处,且不应少于3处。
D.5.0.1.2 堆场宜按面积不大于5000m2 检测一处,且不应少于3处。
D.5.0.2 混凝土面层厚度的检测应采用钻芯取样用钢尺测量的方法。
D.5.0.3 混凝土面层厚度检测合格判定标准应符合下列规定。
D.5.0.3.1 检测的厚度平均值应不小于设计厚度。
D.5.0.3.2 检测的厚度最小值不得比设计厚度小15mm 及其以上。
427附录K水运工程质量控制资料用表统一要求K.1 一般规定K.1.0.1 工程质量控制资料应按本标准和相关标准的规定随工程施工进度同步形成,并应按本附录的规定进行收集和整理,作为工程质量的客观见证和质量检验与验收的依据。
K.1.0.2 工程建设各方应按下列规定做好工程质量控制资料的形成、收集和整理。
K.1.0.2.1 建设单位应向工程建设的设计、施工和监理等单位提供与工程建设有关的资料,并应对有关工程质量控制资料签署意见。
K.1.0.2.2 勘察单位和设计单位应按合同要求提供勘察报告和设计文件,并对相关工程质量控制资料签署意见。
K.1.0.2.3 监理单位应按合同和国家有关规定对工程质量控制资料的形成、收集和整理进行检查和审核,并应及时签署意见。
K.1.0.2.4 试验检测机构应按试验检测程序和相关规定及时出具试验检测报告。
K.1.0.2.5 施工单位应建立健全工程质量控制资料管理岗位责任制,指定专门人员负责工程质量控制资料的形成、收集和整理,并应对其真实性、完整性和有效性负责。
工程竣工前,应按竣工资料和归档的要求进行整理。
K.1.0.2.6 质量监督机构应按国家有关规定对工程质量控制资料的管理进行监督检查,对需签署意见的应及时签署意见。
K.1.0.3 主要工程质量控制资料用表应采用本附录所规定的表格格式,对于本附录未包含和根据工程需要增加的,可参考本附录的规定制定和分类。
K.1.0.4 工程质量控制资料用表的纸张和填写应符合下列要求。
K.1.0.4.1 表格纸张规格应使用A4 或A3 纸。
K.1.0.4.2 应用碳素墨水填写或打印。
K.1.0.4.3 表格填写内容和有关人员的签字应齐全,需要公章的应加盖公章。
K.2 工程测量控制点验收记录K.2.0.1 工程测量控制点、施工测量基线和水准点应有平面布设图和计算书。
使用前应进行检查验收。
K.2.0.2 工程测量控制点验收应采用表K.2.0.2-1,施工测量基线和水准点验收应采用表K.2.0.2-2。
444K.3 原材料出厂质量证明和进场验收记录K.3.0.1 供应单位提供的成品、半成品、构配件和设备等原材料的出厂质量证明文件应反映原材料的品种、规格、性能指标等,并应与实际进场材料相符。
K.3.0.2 原材料进场后,施工单位应进行检查,填写进场验收记录,并报监理单位和建设单位共同进行验收;对于设备应做设备开箱检查记录。
K.3.0.3 原材料、成品、半成品、构配件等进场验收应采用表K.3.0.3-2,设备开箱检查记录应采用表K.3.0.3-3,并均应采用表K.3.0.3-1 进行汇总。
K.3.0.4 原材料出厂合格证或质量证明文件的抄件或复印件应清楚,并应注明代表数量和供应日期。
抄件或复印件中应有抄件人的签字和抄件单位的红色公章,并注明原件保存单位。