冷拔无缝钢管主要检验参数
- 格式:doc
- 大小:40.00 KB
- 文档页数:2
冷拔无缝钢管主要检验参数1.外观检验:包括管子的表面光洁度、外形尺寸、表面缺陷等方面。
这些参数可以通过肉眼或者光学仪器观察和测量得到。
外观检验对于钢管的质量和外观效果都有很大的影响,因此是非常重要的一个检验参数。
2.化学成分检验:冷拔无缝钢管的化学成分对于其性能和用途有很大的影响。
化学成分检验包括检测主要元素(如碳、硅、锰、磷、硫等)的含量以及其他杂质元素。
这些参数可以通过化学分析仪器来测定。
3.机械性能检验:机械性能检验包括管子的抗拉强度、屈服强度、伸长率等参数。
这些参数往往可以通过拉伸试验等机械测试方法来测定。
机械性能检验对于钢管的使用性能和安全性能具有重要的意义。
4.冷弯试验:冷弯试验是对冷拔无缝钢管在一定条件下进行弯曲试验,并观察其是否出现破裂、断裂等缺陷。
冷弯试验是衡量冷拔无缝钢管的韧性和可塑性的重要方法。
5.压力测试:压力测试是对冷拔无缝钢管的耐压性能进行检验,主要包括压力强度、压力变形等参数。
这些参数可以直接反映钢管的耐压能力,是冷拔无缝钢管用于承受高压力环境的重要指标。
6.超声波检测:超声波检测是一种无损检测方法,主要用于检测钢管的内部缺陷,如气孔、夹杂物、裂纹等。
超声波检测可以通过超声波探头将超声波传入钢管内部,并接收钢管内部传回的信号来判断钢管是否存在缺陷。
7.扩口试验:扩口试验是对冷拔无缝钢管在扩口过程中的性能进行检验。
扩口试验可以测定钢管的塑性变形能力和破裂性能,是评价钢管的韧性和可靠性的重要方法。
8.耐候性试验:耐候性试验主要用于评价冷拔无缝钢管在不同环境条件下的抗氧化能力和耐腐蚀能力。
通过对钢管进行加热、高温腐蚀、盐雾腐蚀等试验,可以判断钢管在特定环境下的使用寿命和耐久性。
总之,冷拔无缝钢管的主要检验参数包括外观检验、化学成分检验、机械性能检验、冷弯试验、压力测试、超声波检测、扩口试验和耐候性试验。
这些参数的检测可以有效评价钢管的质量和适用性,是确保钢管质量的重要环节。
G B/T3639精密分类精密无缝钢管,精密液压无缝钢管,冷拔精密无缝钢管,冷轧精密无缝钢管,高精密无缝钢管,精密光亮无缝钢管。
规格从φ3×0.4-φ120×12,精度可达±0.025,粗糙度(Ra)可达1.6-0.8-0.2。
用于汽缸及液压缸缸体的精密珩磨管与挤压管不锈钢绗磨管。
还可生产各种复杂断面组合的厚薄精密异型管,内外直齿管、螺旋齿管。
以及纵向直径壁厚尺寸不等的异型管。
主要品种DIN/EN系列高精度精密光亮无缝钢管、液压系统专用、汽车制造专用钢管主要标准DIN2391,DIN2445,EN10305,???GB/T3639?GB8713..........主要材质ST35(E235)、ST37?、ST45(E255)、ST52(E355)、10#、20#、35#、45#.........相关材质:结构用无缝钢管材质有:20#、35#、45#、20Cr、40Cr、Q345B、16M n-50mn、20CrMo、35CrMo、42CrMo、20CrMnTi、30CrMnSiA、、40CrNiMo;流体用无缝钢管:10#、20#、16Mn、Q345B;高压锅炉用无缝钢管:20G、12CrMoG、1 2Cr1MoVG、12Cr2MoVG、15CrMoG;汽车半轴套管用无缝钢管:45#、45Mn2、40 Cr;液压支柱用无缝钢管:45#、27SiMn;地质钻探用无缝钢管:DZ40、DZ50、D Z60、、DZ70、R780;石油套管材质:K55、J55、N801、N80Q、L80、P110;石油化工换热器用无缝钢管09CrMoAl、08Cr2A1Mo、07CrCuA1MoTi;低温管道用无缝钢管09MnD、、09MnNiD;化肥设备用无缝钢管:10、16Mn、1Cr5Mo、15CrMo;管线管L290、L320L、360L、390、L415;吹氧用钢管:Q195、20#、45#主要交货状态NBK(+N)GBK(+A)BK(+C)BKW(+LC)BKS(+SR)力学性能测试、工艺性能测试、涡流探伤,超声波探伤、液压试验、金相检测、高精度碳硫分析特点钢管内外壁无氧化层、承受高压、无泄漏、高精密、高光洁度、冷弯不变形、扩口、压扁无裂缝、表面防锈处理,广泛用于液压系统用钢管、注塑机用钢管、液压机用钢管、船舶制造用钢管、EVA发泡油压机械、精密油压裁断机用钢管、制鞋机械、液压设备、高压油管、液压油管、卡套接头、钢管接头、橡胶机械、锻压机械、压铸机械、工程机械、混泥土泵车用高压钢管、环卫车用、汽车行业、造船工业、金属加工、军工、柴油机、内燃机、空压机、建筑机械、农林机械等,完全可以替代同标准的进口无缝钢管。
9.冷拔无缝异型钢管(GB/T3094-1982)(1)尺寸规格6-40 " 6-45(2)允许偏差6_46, 6-47(3)力学性能6-48(4)用途用于各种结构件,工具和机械零部件的生产制造表6-40冷拔无缝方形钢管的尺寸规格表6-40-1表 6__表 6-40-33.5 3.782. 97 5.293.31表6-40-4表6-41冷拔无缝矩形钢管的尺寸规格8 1. 5 0. 591 0. 464 0.0525 0. 173 0. 131 0. 216 16 2 0. 731 0. 574 0. 0579 0. 200 0. 145 0. 2500. 8 0.411 0. 323 0. 0941 0. 148 0. 157 0. 18612 1 0. 503 0. 395 0. 112 0. 177 0. 186 0. 2221. 5 0. 711 0. 559 0. 147 0. 236 0. 244 0. 2952435 14 2.5 2. 09 1. 64 0. 599 2. 86 0. 856 1.643 2. 43 1. 90 0. 649 3. 21 0. 928 1.843.5 2. 73 2. 14 0. 683 3. 50 0. 975 2. 00 36 18 1.5 1.49 1. 17 0.811 2. 46 0. 901 1.37表6-42冷拔无缝橢圆形钢管的尺寸规格0. 5 0. 204 0. 160 0. 0217 0. 0648 0. 0482 0. 07190.8 0. 319 0.250 0. 0318 0. 0974 0. 0706 0. 108 9 1 0. 393 0. 308 0. 0375 0. 117 0. 0883 0. 1301.2 0. 463 0. 364 0. 0424 0. 135 0. 0942 0. 1502 1.95 1.53 1. 16 3. 54 1. 05 1. 611 0.911 0. 715 0. 282 1.64 0. 376 0. 727 4515 1.2 1.09 0. 852 0. 327 1.93 0. 436 0. 8571. 5 1.34 1.05 0. 3892.35 0. 519 1.041 1.04 0.814 0.418 2.42 0. 492 0. 9471.2 1.24 0. 970 0. 4882.85 0. 574 1. 12 51 17 1. 5 1. 53 1.20 0. 5843.48 0. 687 1. 362 2.01 1. 58 0. 723 4. 45 0. 851 1. 75表6-43冷拔无缝平橢圆形钢管的尺寸规格25 18. 5 1.8 1. 18 0. 926 0.497 0. 770 0. 537 0. 6162 1.30 1.02 0. 536 0. 833 0. 580 0. 66620 1. 5 2. 07 1.63 1.41 7. 52 1.41 2.512 2. 73 2. 14 1. 77 9. 72 1. 77 3.24 60 1 1. 51 1. 19 2. 22 5.99 1.48 2. 0030 1.5 2. 24 1. 76 3. 20 8. 72 2. 13 2.912 2. 96 2. 32 4. 09 11. 30 2. 73 3. 771 1.61 1.27 2. 71 7. 29 1.69 2. 28 64 32 1.5 2.40 1.88 3.91 10. 7 2. 44 3. 332 3. 17 2. 49 5.01 13.8 3. 13 4. 321 1.54 1. 21 1. 34 6. 92 1.22 2. 10 66 22 1.5 2.29 1.80 1.90 10. 1 1. 73 3.062 3.02 2. 37 2. 40 13. 1 2. 18 3.971 1.54 1.21 0. 828 7. 24 0. 974 2. 10 69 17 1.5 2.29 1.80 1. 16 10.6 1.37 3. 062 3.02 2. 37 1.45 13. 7 1. 70 3.971 1.77 1.39 3. 57 9. 58 2. 04 2. 74 70 35 1.5 2.63 2. 06 5. 17 14.0 2. 95 4. 002 3.47 2. 73 6. 65 18.2 3. 80 5.211.52.50 1.96 2. 50 13.2 2. 08 3.67 72 24 2 3. 30 2. 59 3. 17 17.2 2. 644. 762.5 4. 093.21 3. 78 20.9 3. 15 5.811.5 3.012. 37 7. 82 21. 13.91 5.28 80 40 2 3.99 3. 13 10. 1 27.6 5. 05 6. 892.5 4. 953. 88 12.2 33. 7 6. 12 & 431.52.82 2. 223. 62 19.0 2. 684. 68 81 27 2 3. 73 2. 93 4. 62 24. 7 3. 42 6. 102.5 4. 623. 63 5. 53 30.24. 09 7. 451.5 3. 142. 47 5. 03 26.23. 35 5.81 90 30 24. 16 3. 27 6. 45 34.2 4. 30 7. 592.5 5. 16 4. 05 7. 75 41.9 5. 17 9. 31表6-44冷拔无缝內外六角形钢管的尺寸规格1 A2 0. 799 0. 627 0. 167 0. 238 0. 2063 4. 40 3. 45 11.43 4. 97 4. 30 46 3. 5 5.05 3. 97 12. 88 5.60 4. 854 5.69 4. 4714.21 6. 18 5. 354.5 6. 31 4. 95 15.436.71 5.81表6-45冷拔无缝直角梯型钢管的尺寸规格表6-46冷拔无缝异型钢管的尺寸允许偏差注:1.钢管通常长度为1・5~9m2•精度等级应在合同中注明,如未注明则按普通级供应。
无缝钢管验收标准及质量检验方法1.化学成分分析:化学分析法、仪器分析法(红外C—S仪、直读光谱仪、zcP等)。
①红外C—S仪:分析铁合金,炼钢原材料,钢铁中的C、S元素。
②直读光谱仪:块状试样中的C、Si、Mn、P、S、Cr、Mo、Ni、Cn、A1、W、V、Ti、B、Nb、A、Sn、Sb、Pb、Bi③N—0仪:气体含量分析N、O2.钢管几何尺寸及外形检查:①钢管壁厚检查:千分尺、超声测厚仪,两端不少于8点并记录。
②钢管外径、椭圆度检查:卡规、游标卡尺、环规,测出最大点、最小点。
③钢管长度检查:钢卷尺、人工、自动测长。
④钢管弯曲度检查:直尺、水平尺(1m)、塞尺、细线测每米弯曲度、全长弯曲度。
⑤钢管端面坡口角度和钝边检查:角尺、卡板.3.钢管表面质量检查:100%①人工肉眼检查:照明条件、标准、经验、标识、钢管转动。
②无损探伤检查:a.超声波探伤UT:对于各种材质均匀的材料表面及内部裂纹缺陷比较敏感。
标准:GB/T5777-1996级别:C5级b.涡流探伤ET(电磁感应)主要对点状(孔洞形)缺陷敏感。
标准:GB/T7735-2004级别:B级c.磁粉MT和漏磁探伤:磁力探伤,适用于铁磁性材料的表面和近表面缺陷的检测。
标准:GB/T12606-1999级别:C4级d.电磁超声波探伤:不需要耦合介质,可以应用于高温高速,粗燥的钢管表面探伤。
e.渗透探伤:荧光、着色、检测钢管表面缺陷。
4.钢管理化性能检验:①拉伸试验:测应力和变形,判定材料的强度(YS、TS)和塑性指标(A、Z)纵向,横向试样管段、弧型、圆形试样(¢10、¢12.5)小口径、薄壁大口径、厚壁定标距。
注:试样断后伸长率与试样尺寸有关GB/T1760②冲击试验:CVN、缺口C型、V型、功J值J/cm2标准试样10某10某55(mm)非标试样5某10某55(mm)③硬度试验:布氏硬度HB、洛氏硬度HRC、维氏硬度HV等④液压试验:试验压力、稳压时间、p=2Sδ/D5.钢管工艺性能检验:①压扁试验:圆形试样C形试样(S/D>0.15)H=(1+2)S/(∝+S/D)L=40~100mm单位长度变形系数=0.07~0.08②环拉试验:L=15mm无裂纹为合格③扩口和卷边试验:顶心锥度为30°、40°、60°④弯曲试验:可代替压扁试验(对大口径管而言)6.无缝钢管金相分析:①高倍检验(微观分析)非金属夹杂物100某GB/T10561晶粒度:级别、级差组织:M、B、S、T、P、F、A-S脱碳层:内、外A法评级:A类-硫化物B类-氧化物C类-硅酸盐D-球状氧化DS类②低倍试验(宏观分析):肉眼、放大镜10某以下a.酸蚀检验法、b.硫印检验法(管坯检验,显示低培组织及缺陷,如疏松、偏析、皮下气泡、翻皮、白点、夹杂物等。
无缝钢管的检验标准钢管几何尺寸及外形检查:①钢管壁厚检查:千分尺、超声测厚仪,两端不少于8点并记录。
②钢管外径、椭圆度检查:卡规、游标卡尺、环规,测出最大点、最小点。
③钢管长度检查:钢卷尺、人工、自动测长。
④钢管弯曲度检查:直尺、水平尺(1m)、塞尺、细线测每米弯曲度、全长弯曲度。
⑤钢管端面坡口角度和钝边检查:角尺、卡板.钢管表面质量检查:100%①人工肉眼检查:照明条件、标准、经验、标识、钢管转动。
②无损探伤检查:a. 超声波探伤UT:对于各种材质均匀的材料表面及内部裂纹缺陷比较敏感。
标准:GB/T 5777-1996 级别:C5级b. 涡流探伤ET:(电磁感应)主要对点状(孔洞形)缺陷敏感。
标准:GB/T 7735-2004 级别:B级c. 磁粉MT和漏磁探伤:磁力探伤,适用于铁磁性材料的表面和近表面缺陷的检测。
标准:GB/T 12606-1999 级别:C4级d. 电磁超声波探伤:不需要耦合介质,可以应用于高温高速,粗燥的钢管表面探伤。
e. 渗透探伤:荧光、着色、检测钢管表面缺陷。
钢管理化性能检验:①拉伸试验:测应力和变形,判定材料的强度(YS、TS)和塑性指标(A、Z)纵向,横向试样管段、弧型、圆形试样(¢10、¢12.5)小口径、薄壁大口径、厚壁定标距。
注:试样断后伸长率与试样尺寸有关GB/T 1760②冲击试验:CVN、缺口C型、V型、功J 值J/cm2标准试样10×10×55(mm)非标试样5×10×55(mm)③硬度试验:布氏硬度HB、洛氏硬度HRC、维氏硬度HV 等④液压试验:试验压力、稳压时间、p=2Sδ/D钢管工艺性能检验:①压扁试验:圆形试样C形试样(S/D>0.15)H=(1+2)S/(∝+S/D)L=40~100mm 单位长度变形系数=0.07~0.08②环拉试验:L=15mm 无裂纹为合格③扩口和卷边试验:顶心锥度为30°、40°、60°④弯曲试验:可代替压扁试验(对大口径管而言)钢管几何尺寸及外形检查:①钢管壁厚检查:千分尺、超声测厚仪,两端不少于8点并记录。
冷拔热镀锌无缝钢管壁厚外径标准
冷拔热镀锌无缝钢管的壁厚和外径标准因产品类型和规格而异。
一般来说,无缝镀锌钢管的壁厚根据规格不同而有所差异。
常见的壁厚范围在毫米至4毫米之间。
同时,根据不同的使用场合和压力要求,壁厚也有所不同。
无缝镀锌钢管的生产标准遵循国家标准GB/T,壁厚和外径的允许偏
差根据不同的管径和壁厚而定。
对于冷拔无缝钢管,其热镀锌壁厚最小为;对于冷拔热塑性钢管,其热镀锌壁厚最小为;对于无缝热轧钢管,其热镀锌壁厚最小为;对于热镀锌无缝管,其热镀锌壁厚最小为;对于热镀锌焊接管,其热镀锌壁厚最小为。
具体来说,对于管径为\~的产品,其热镀锌壁厚标准会有所不同。
例如,外径D为、内径d为38mm的产品,其壁厚范围在\~之间;而外径D为
61mm、内径d为42mm的产品,其壁厚范围在\~之间。
以上内容仅供参考,如需更准确的信息,建议查阅国家颁布的相关标准或咨询钢管生产厂家。
结构用无缝钢管检验标准结构用无缝钢管检验标准(总则)编号:零部件名称无缝钢管适用范围通用主要组成部件无缝钢管包装方式型钢应按照规格小捆捆扎(需求数量单根除外),后按照项目大捆捆扎。
捆扎材料应为钢带、盘条、铁丝。
包装标识供方名称(商标)、牌号、炉(批)号、型号、规格、重量或每捆根数检验依据标准QJS/RK 03.00/01.005.3-2015关键特性 1、包装标志2、外形尺寸3、外观质量4、重量5、力学性能6、硬度试验7、冲击试验8、工艺性能9、无损探伤备注需方应在拆捆前按照型钢每捆的标识检验该捆型钢的长度、重量每捆根数等内容,对上述内容有质量异议时不应拆捆。
拟制/日期审核/日期批准/日期变更标记变更申请单号检验员/SQE确认及日期结构用无缝钢管检验标准(指导部分)编号:操作步骤检验项目检测设备详细操作方法及内容标准要求、注意事项备注第1步资料审查…… 1、确定供应商是否提供规定格式的自检记录(尺寸、外观)。
2、确定供应商提供的质量证明书符合规定格式及内容真实有效。
a、如果未提供自检记录或质量证明书,则检验完毕后不予入库,待补齐并经质检员确认数据真实性后入库。
第2步标准确认…… 标准齐套性:3、是否有该型号原材料的正式送货单、技术条件或通用技术标准;4、是否有检验标准(指导书),标准是否为最新版本;b.送货单齐全、无错误,技术条件或通用技术标准为最新受控版本;c. 检验标准为受控、最新版本;第3步抽样方案…… 5、钢管的尺寸和外形及内外表面抽样方案按照GB/T2828.1-2012正常检验一次抽样方案(II级检验水平)6、钢管的其他检验项目、取样数量、取样方法、试验方法按附录1表格1进行。
d、如需方对无损探伤、弯曲试验、压扁试验、硬度试验无相关要求,则结合《金属材料质量管理办法》进行抽样。
第4步包装 7、捆扎结实耐用,便于多次转储。
8、型钢的捆扎规定见附录2表2.9、核对每大捆的型材规格、数量是否符合送货单要求。
受控号:无缝钢管检验规程文件编号:WLD/ZB-C-007-07(版本:B/01)编制:审核:批准:2013年1月18日发布 2013年10月6日实施1 目的和范围为确保原材料、过程产品及成品满足生产质量控制要求,并确保出厂产品满足API Spec 5CT、API Spec 5L、GB5310、GB9948、GB6479、GB3087、GB18248、GB/T8163、GB/T17396、GB/T8162、YB/T5035标准及技术协议(要求)的要求,特制定本规程。
2 引用文件本检验规程依据:API Spec 5CT 《套管和油管规范》API Spec 5L 《管线钢管》GB5310 《高压锅炉用无缝钢管》GB9948 《石油裂化用无缝钢管》GB6479 《高压化肥设备用无缝钢管》GB 3087 《低中压锅炉用无缝钢管》GB18248 《气瓶用无缝钢管》GB/T8163 《输送流体用无缝钢管》GB/T17396 《液压支柱用热轧无缝钢管》GB/T8162 《结构用无缝钢管》YB/T5035 《汽车半轴套用无缝钢管》GB/T3639 《冷拔或冷轧精密无缝钢管》相关技术协议(要求)3 工艺流程、检验项目、检验频次、检验依据(表1)工序检验项目检验频次记录表判定依据采购原料热轧管坯、连铸坯或毛管①化学成分②低倍③管坯、连铸坯或毛管长度④管坯、连铸坯直径(毛管为外径、壁厚)⑤表面质量(毛管为内、外表面质量)⑥管坯、连铸坯、毛管直度①来坯1~2个炉号全炉号取样;来坯3~6个炉号抽2;来坯7~15炉号抽3;来坯15个炉号以上抽20%选择进坯量较大的炉号取样,②50%试样做低倍检验。
(管坯、连铸坯做低倍检验,毛管不做低倍检验)③④⑤⑥每供货合同批次,至少检验5%。
采购物资验收记录原料进货检验记录①管坯连铸坯、毛管订货技术条件②采购合同/来料加工协议③WLDNB01-2013管坯、连铸坯来料加工①化学成分③管坯长度④管坯直径⑤表面质量⑥管坯直度备料↓切断↓修磨管坯检查↓入库↓①表面质量②切斜度③定尺长度④直径在线加工逐支检验管坯检验修磨记录表直径≥90 mm缺陷深度≤0.3 mm ;直径<90 mm缺陷深度≤0.2 mm ;切斜度(前端)≤8mm冷拔/轧生产穿孔管坯加热↓穿孔↓微张减↓转下工序↓①核对炉/批号②荒管壁厚③荒管外径④内、外表面质量①每批确认②③④首件及每隔20支检验荒管抽检记录工艺卡冷拔制工艺头(若适用)↓热处理(若适用)↓酸洗←↓磷化↓皂化↓冷拔↓热处理(若适用)↓矫直①核对炉/批号②冷拔管壁厚③冷拔管外径④冷拔管长度⑤冷拔管内外表面质量⑥力学实验①每批确认②③④⑤及每隔20支检验⑥详见表2②③④⑤生产过程记录⑥力学实验报告工艺卡GB5310GB9948GB6479GB3087GB/T8163GB/T8162GB18248GB/T3639油缸用冷拔管工序检验项目检验频次记录表判定依据冷拔(轧)生产冷轧热处理(若适用)↓酸洗↓磷化↓皂化↓冷轧↓热处理(若适用)↓矫直(若适用)↓①核对炉/批号②冷轧管内径③冷轧管壁厚④冷轧管外径⑤冷轧管长度⑥冷轧管内外表面质量⑦力学实验①每批确认②③④⑤首件及每隔20支检验⑥⑦详见表2②③④⑤⑥生产及检验过程记录⑦力学实验报告工艺卡技术协议(要求)热轧生产穿轧定矫管坯加热↓穿孔↓轧管↓微张减↓冷却↓矫直↓①核对炉/批号②微张减荒管壁厚③微张减荒管外径④微张减荒管长度⑤微张减荒管内外表面质量⑥化学分析⑦力学试验详见表2①每批确认②③④⑤首件及每隔20支检验⑥⑦详见表2②③④⑤热检记录⑥化学分析报告⑦力学试验报告工艺卡API Spec5CTAPI Spec 5LGB3087GB/T8163GB/T17396GB/T8162YB/T5035精整切头尾↓去毛刺↓成品检查↓水压试验(或无损探伤)①外径②壁厚③长度④漏磁探伤⑤弯曲度⑥表面质量⑦管端⑧水压试验其余详见表2对API Spec5CT、5L①每100支1次。
无缝钢管的检验标准钢管几何尺寸及外形检查:①钢管壁厚检查:千分尺、超声测厚仪,两端不少于8 点并记录。
②钢管外径、椭圆度检查:卡规、游标卡尺、环规,测出最大点、最小点。
③钢管长度检查:钢卷尺、人工、自动测长。
④钢管弯曲度检查:直尺、水平尺(1m)、塞尺、细线测每米弯曲度、全长弯曲度。
⑤钢管端面坡口角度和钝边检查:角尺、卡板. 钢管表面质量检查:100% ①人工肉眼检查:照明条件、标准、经验、标识、钢管转动。
②无损探伤检查:a.超声波探伤UT:对于各种材质均匀的材料表面及内部裂纹缺陷比较敏感。
标准:GB/T 5777-1996 级别:C5级b.涡流探伤ET:(电磁感应)主要对点状(孔洞形)缺陷敏感。
标准:GB/T 7735-2004 级别:B级c.磁粉MT 和漏磁探伤:磁力探伤,适用于铁磁性材料的表面和近表面缺陷的检测。
标准:GB/T 12606-1999 级别:C4级d.电磁超声波探伤:不需要耦合介质,可以应用于高温高速,粗燥的钢管表面探伤。
e.渗透探伤:荧光、着色、检测钢管表面缺陷。
钢管理化性能检验:①拉伸试验:测应力和变形,判定材料的强度(和塑性指标(A、Z)YS、TS)纵向,横向试样管段、弧型、圆形试样(¢10、¢12.5)小口径、薄壁大口径、厚壁定标距注:试样断后伸长率与试样尺寸有关GB/T 1760②冲击试验:CVN、缺口C型、V型、功J 值J/cm2 标准试样10×10× 55(mm)非标试样5×10×55(mm)③硬度试验:布氏硬度HB、洛氏硬度HRC、维氏硬度HV④液压试验:试验压力、稳压时间、p=2Sδ/D钢管工艺性能检验:①压扁试验:圆形试样C形试样(S/D>0.15)H=(1+2)S/(∝ +S/D)L=40~100mm 单位长度变形系数=0.07~0.08②环拉试验:L=15mm 无裂纹为合格③扩口和卷边试验:顶心锥度为30°、40°、60°④弯曲试验:可代替压扁试验(对大口径管而言)钢管几何尺寸及外形检查:①钢管壁厚检查:千分尺、超声测厚仪,两端不少于8 点并记录。
无缝钢管的检验标准钢管几何尺寸及外形检查:①钢管壁厚检查:千分尺、超声测厚仪,两端不少于8点并记录。
②钢管外径、椭圆度检查:卡规、游标卡尺、环规,测出最大点、最小点。
③钢管长度检查:钢卷尺、人工、自动测长。
④钢管弯曲度检查:直尺、水平尺(1m)、塞尺、细线测每米弯曲度、全长弯曲度。
⑤钢管端面坡口角度和钝边检查:角尺、卡板.钢管表面质量检查:100%①人工肉眼检查:照明条件、标准、经验、标识、钢管转动。
②无损探伤检查:a. 超声波探伤UT:对于各种材质均匀的材料表面及内部裂纹缺陷比较敏感。
标准:GB/T 5777-1996 级别:C5级b. 涡流探伤ET:(电磁感应)主要对点状(孔洞形)缺陷敏感。
标准:GB/T 7735-2004 级别:B级c. 磁粉MT和漏磁探伤:磁力探伤,适用于铁磁性材料的表面和近表面缺陷的检测。
标准:GB/T 12606-1999 级别:C4级d. 电磁超声波探伤:不需要耦合介质,可以应用于高温高速,粗燥的钢管表面探伤。
e. 渗透探伤:荧光、着色、检测钢管表面缺陷。
钢管理化性能检验:①拉伸试验:测应力和变形,判定材料的强度(YS、TS)和塑性指标(A、Z)纵向,横向试样管段、弧型、圆形试样(¢10、¢12.5)小口径、薄壁大口径、厚壁定标距。
注:试样断后伸长率与试样尺寸有关GB/T 1760②冲击试验:CVN、缺口C型、V型、功J 值J/cm2标准试样10×10×55(mm)非标试样5×10×55(mm)③硬度试验:布氏硬度HB、洛氏硬度HRC、维氏硬度HV 等④液压试验:试验压力、稳压时间、p=2Sδ/D钢管工艺性能检验:①压扁试验:圆形试样C形试样(S/D>0.15)H=(1+2)S/(∝+S/D)L=40~100mm 单位长度变形系数=0.07~0.08②环拉试验:L=15mm 无裂纹为合格③扩口和卷边试验:顶心锥度为30°、40°、60°④弯曲试验:可代替压扁试验(对大口径管而言)钢管几何尺寸及外形检查:。
(国内标准)GBT冷拔无缝异型钢管参数
表6-40冷拔无缝方形钢管的尺寸规格表6-40-1
表6-40-2
表6-40-3
表6-40-4
表6-41冷拔无缝矩形钢管的尺寸规格
表6-42冷拔无缝橢圆形钢管的尺寸规格
表6-43冷拔无缝平橢圆形钢管的尺寸规格
表6-44冷拔无缝內外六角形钢管的尺寸规格
表6-45冷拔无缝直角梯型钢管的尺寸规格
表6-46冷拔无缝异型钢管的尺寸允许偏差
注:1.钢管通常长度为1.5~9m。
2.精度等级应于合同中注明,如未注明则按普通级供应。
3.经供需双方协议,壁厚≥4mm的钢管允许偏差亦可按+12.5/-15%交货。
表6-47冷拔无缝钢管异型钢管的弯曲度和扭转值
表6-48冷拔无缝异型钢管的力学性能
注:1.冷拔无风异型钢管是用于制作各种结构件及零件。
2.牌号及化学成份应符合GB/T699<有质炭素结构钢〉及GB/T1591<地合金结构钢〉的规
定。
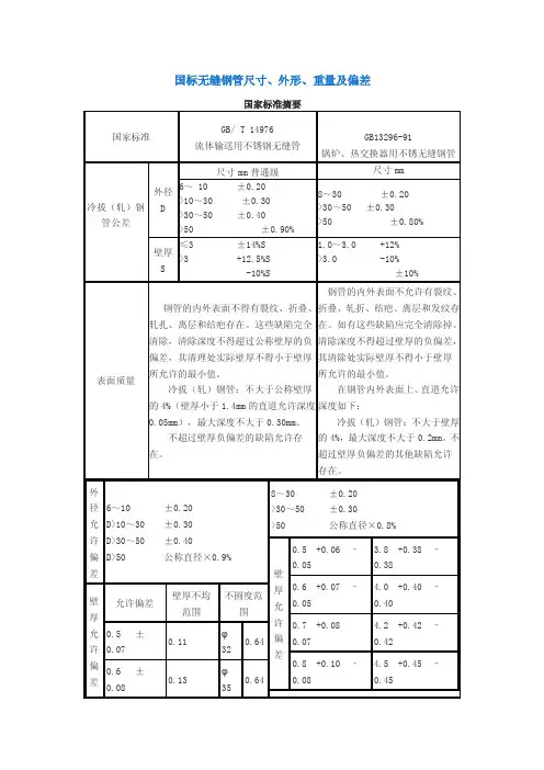
国标无缝钢管标准国标无缝钢管是指采用冷拔(挤压)工艺生产的无缝钢管,其材质为10#、20#、35#、45#、16Mn、27SiMn、15CrMo、20G、12Cr1MoVG等。
国标无缝钢管标准是指对无缝钢管的生产、质量控制、检验等方面的要求,其重要性不言而喻。
下面将就国标无缝钢管标准进行详细介绍。
首先,国标无缝钢管标准主要包括GB/T 8162、GB/T 8163、GB 3087、GB 5310等标准。
这些标准分别适用于不同的领域,如GB/T 8162适用于一般结构和机械结构用无缝钢管,GB/T 8163适用于液体输送用无缝钢管,GB 3087适用于低中压锅炉用无缝钢管,GB 5310适用于高压锅炉用无缝钢管。
每个标准都对无缝钢管的化学成分、机械性能、外径、壁厚、长度、重量、技术要求、检验方法等方面做出了详细的规定,确保了无缝钢管的质量和使用安全。
其次,国标无缝钢管标准对无缝钢管的化学成分有严格的要求。
比如GB/T 8162对10#、20#等材质的无缝钢管的化学成分进行了详细的规定,要求各元素的含量符合标准要求,以保证无缝钢管的机械性能和耐腐蚀性能。
此外,国标无缝钢管标准还对无缝钢管的机械性能、外径、壁厚、长度等方面做出了具体的规定,确保了无缝钢管在不同使用条件下的安全可靠性。
再次,国标无缝钢管标准对无缝钢管的检验方法也有详细的规定。
比如GB 5310对高压锅炉用无缝钢管的检验方法进行了详细的规定,包括化学成分分析、拉伸试验、冲击试验、扩口试验、压扁试验、硬度试验、外观检查等。
这些检验方法能够全面、准确地评定无缝钢管的质量,确保了无缝钢管的使用安全性。
最后,国标无缝钢管标准的实施对于推动无缝钢管行业的健康发展具有重要意义。
通过严格的标准要求和检验方法,可以提高无缝钢管的质量,满足不同领域的使用需求,促进无缝钢管行业的技术进步和产品升级,提升行业整体竞争力,推动无缝钢管行业向高质量发展。
综上所述,国标无缝钢管标准是无缝钢管行业的重要依据,其实施对于提高无缝钢管的质量、推动行业的发展具有重要意义。
表 6-38 冷拔或冷轧精密无缝钢管的尺寸规格及标准偏差
表 6-39 冷拔或冷轧精密无缝钢管的力学性能
注:1. 交货状态说明:
冷加工/硬(冷拔或冷轧状态)- 钢管在最终冷加工后不进行热处理,仅有很小的可加工性。
其加
工范围不能给予保证。
冷加工/软(轻微冷加工)- 钢管经最后热处理后,进行轻微的冷加工,可在一定程度上进行冷变
形,如弯曲,胀管。
消除应力退火- 钢管再最终冷加工后,在A点一下进行退火,以消除冷加工应力。
2.牌号的化学成分应符合GB/T699的规定,其他牌号的优质碳素结构钢或合金钢的供货由双方协议。