银行管理系统数据库
- 格式:doc
- 大小:1.02 MB
- 文档页数:39
数据库原理及应用课程设计报告组号:小组成员:学院:专业班级:指导老师:2017/1/10目录第1章概述 (1)1.1设计题目: (1)1.2要求完成的主要任务: (1)第2章需求分析 (6)2.1定义 (6)2.2需求规格说明概览 (6)2.3产品的一般性描述 (7)2.4产品功能 (7)2.5用户特征 (7)2.6功能划分 (7)2.7用户界面 (8)2.8可维护性 (9)2.9可理解性 (9)2.10可移植性 (9)第3章数据库表结构图 (9)3.1实体联系图 (10)3.2程序流程图 (10)第4章功能与实现 (11)4.1客户端登录功能 (11)4.2客户端主界面功能 (12)4.3客户端开户功能 (12)4.4客户端存款功能 (13)4.5客户端取款功能 (13)4.6客户端转账功能 (14)4.7客户端余额查询功能 (14)4.8客户端修改密码功能 (14)4.9客户端销户功能 (15)4.10服务器端用户注册功能 (15)4.11服务器端修改用户登密码功能 (15)第5章实现及测试 (16)5.1系统开发环境 (16)5.2主要功能模块的实现及测试 (16)5.2.1数据表的建立 (16)5.2.2数据库连接与数据提供 (16)第6章总结 (17)第7章参考文献 (17)第1章概述本软件实现银行的活期储蓄存款业务。
整套软件由客户端程序和服务器端程序构成,客户端运行在面向个人业务的银行柜台的电脑上,银行职员输入相关信息并通过网络通讯向服务器发送请求,并接受服务器端程序的应答显示处理的结果。
服务器端处理客户端的各种业务请求。
主要实现银行开户、销户、取款、存款、余额查询、转账、修改密码、打印账户明细记录等功能。
1.1 设计题目:题目:银行储蓄管理系统数据库设计本课程的设计的目的是通过实践使同学们经历数据库设计开发的全过程和受到一次综合训练,以便能较全面地理解、掌握和综合运用所学的知识。
结合具体的开发案例,理解并初步掌握系统分析、系统设计、系统实施的主要环节和步骤以及软件文档的制作能力。
银行管理系统的UML建模课程设计报告专业:学号:姓名:任课教师:一、系统概述银行是与人们生活密切相关的一个机构,银行可以提供存款、取款、转账等业务。
在银行设立账户的人或机构被称为银行的客户(customer)。
一个客户可以在银行开设多个账户(account),客户可以存钱到账户中,也可以从自己的账户中取钱,还可以将存款从一个账户转到另一个账户。
另外,客户可以随时查询自己的账户情况,以及查询以前所进行的存款、取款等交易记录。
客户还有权利要求关闭自己的账户。
实际生活中的银行功能其实还要复杂得多,但为了简化系统,本次设计只考虑银行的基本功能。
简化版的银行信息系统至少应具有如下功能:1.一个银行可以有多个账户;2.一个银行可以有多个客户;3.一个客户可以持有多个账户;4.一个账户可以有多个持有者;5.银行可以为客户开设账户;6.银行可以为客户注销账户;7.客户可以从自己账户中取钱;8.客户可以向自己账户中存钱;9.客户可以在同一银行的不同账户之间转账;10.客户可以在不同银行的不同账户之间转账;请完成登录、存款、取款、转账和查询几个模块的设计。
二、需求分析银行系统是与生活紧密相关的一个机构,银行提供了存款、取款、转账等业务。
在银行设立账户的人或机构通常被称为银行的储户。
一个储户可以在银行开多个账户,储户可以存钱到账户中,也可以从自己的账户中取现,还可以将存款从一个账户转到另一个账户。
储户还可以随时查询自己账户的情况,并查询以前所进行的存款、取款等交易记录。
后台管理员可以对客户的账户进行注销、删除、查询等管理,还有就是银行利息、汇率、手续费之类参数的设置,以及财务管理以及财务分析。
软件分别有开户,查询存取款,转账等功能。
各个模块各有不同的功能,但都能完成查询和存取功能。
各模块的数据都存放在数据库中。
数据的调用和连接都有程序来完成。
此软件所要完成的主要功能有三方面:如果是存款,用户填写存款单,然后交给收银员键入系统,同时系统还要记录存款人姓名,住址,身份证号码,存款类型,存款日期,利率及密码(可选)等信息,完成后由系统反馈成功存款信息给用户。
银行信贷管理系统数据库设计说明书vThe pony was revised in January 2021编写:武刘强日期:2013-12-08银行信贷管理系统数据库设计说明书变更记录目录目录 (4)1 引言 (6)预期的读者 (6)数据库 (6)目的和作用 (6)2 数据字典设计 (6)3 数据库设计 (7)系统物理结构设计 (7)表设计 (9)客户信息表 dk_kh (9)贷款申请表 dk_sq (11)用户信息表 t_person (13)单位信息表 t_dw (14)资产管理表 t_zcgl (15)贷款分户表 t_dkfh (16)部门信息表 t_depart (18)系统角色表 t_role (19)贷款还款表 t_dkhk (19)贷款利息表 t_dklx (20)表之间的关联设计 (22)存储过程设计 (22)触发器设计 (23)Job设计 (23)1引言1.1预期的读者1.项目经理2.客户项目经理3.系统开发人员4.系统测试人员1.2数据库所采用的数据库管理系统是Oracle v10中文简体版1.3目的和作用将数据分析的结果进一步整理,形成最终的计算机模型,以便开发人员建立物理数据库。
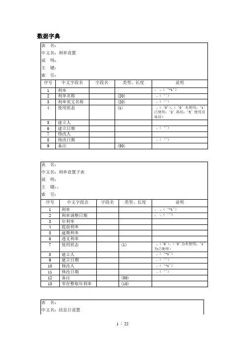
2数据字典设计数据字典的主要目的是提供查阅对不了解的条目的解释。
在数据字典中记录数据元素的下列信息:一般信息(名字,别名,描述等),定义(数据类型,长度,结构等),使用特点(值的范围,使用频率,使用方式—输入/输出/本地,条件值等),控制信息(来源,用户,使用它的程序,改变权等),分组信息(父结构,从属结构,物理位置—记录、文件和数据库等)。
下面的例子是通过卡片来描述数据字典:式,建立数据库及其应用系统,使之能够有效地存储数据,满足各种用户的应用需求。
本节主要将前一阶段设计好的基本E-R图转换为与选用DBMS产品所支持的数据模型相符合的逻辑结构,完成逻辑结构设计。
[14-19](1)部门实体拥有部门编号、名称、电话、地址、职能和负责人等属性。
银行管理系统数据库设计需求分析1. 引言银行作为社会经济中极为重要的金融机构,其管理系统的设计和实施至关重要。
数据库作为支撑银行管理系统的核心技术之一,承担着存储、管理和处理海量数据的重任。
因此,本文将对银行管理系统数据库设计的需求进行深入分析,以保障系统的高效性、安全性和可扩展性。
2. 需求分析2.1 数据存储需求银行管理系统面向众多客户,包括个人和企业用户。
因此,数据库需能够存储大量的客户信息、账户信息、交易记录等数据。
同时,数据存储应具备高度的可靠性和稳定性,以确保数据不丢失并能随时访问。
2.2 数据安全需求银行管理系统涉及客户的财务信息,数据安全至关重要。
数据库应具备强大的安全性能,采用加密技术保护数据的机密性,设立权限控制机制限制用户访问权限,确保数据在传输和存储过程中不被非法窃取或篡改。
2.3 数据处理需求银行管理系统的核心功能包括账户管理、交易处理、风险评估等,数据库需能够支持这些功能的高效执行。
数据处理应具备高性能和高并发处理能力,能够快速响应用户的请求并保障系统的稳定运行。
2.4 数据可扩展性需求随着银行业务的不断发展壮大,管理系统的数据量和功能需求也会不断增加。
因此,数据库需具备良好的可扩展性,能够方便地进行扩展和升级,以适应未来业务发展的需求变化。
3. 总结银行管理系统数据库设计需求分析是确保系统正常运行和发展的重要一环。
通过对数据存储、安全、处理和可扩展性等方面的分析,可以为系统设计和实施提供有力的指导,保障银行业务的顺利进行和客户信息的安全保障。
在未来的系统开发过程中,需将这些设计需求充分考虑,确保系统的高效性和稳定性。
《数据库系统概论》课程设计报告设计题目:银行储蓄管理系统姓名:学号:班级:设计起止时间:需求分析:在对软件工程相关知识学习之后,我们对设计软件有了基本的认识和一些应用技能。
在数据库的课程设计中,我们计划做一个小型的银行储蓄管理系统,包括了基本的存取转,和管理员对日常工作的管理功能。
功能设计:(1).客户:包括存款,取款,转账,查询余额,查看流水,密码修改功能(2).管理员:新增用户,删除用户,查看用户,员工绩效,VIP用户判别,储备金预警分析。
3.功能流程图:银行管理系统登陆管理员客户销户查看员工绩效VIP判别资金储备金判别开户存款取款转账余额显示查看流水修改密码详细设计:1.E-R图模型operatecustombankstaffCphoneCtimeCpassCRmoneyCnameCidBidSphoneSnameSidSpassSItimeBname BmoneyBid1112.根据E-R 图设计关系表 (1).银行信息表(bank )字段名 字段类型及长度 允许空 主键说明 Bid nchar (9) no PK 银行号 Bname nchar (20) no银行名 Bmoney numeric (20,3) no 银行余额(2).客户信息表(custom )字段名 字段类型及长度 允许空主键说明 Cid nchar (9) noPK 客户ID Cname nchar (10) no 客户姓名 Cpass nchar (10) no 密码 Ctime nchar (20) no注册时间Bid nchar (9) no 所在银行行号 外码(Bank (Bid )) Crmoney numeric (10,3) no账户余额 Cphone nchar (11) no 客户电话 (3).员工(管理员)表(staff ) 字段名 字段类型及长度 允许空主键 说明 Sid nchar (9) noPK 员工ID Sname nchar (10) no 员工姓名 Spass nchar (10) no 登陆密码 SItime nchar (20) no入行时间Sphone nchar(11) no 联系电话(4).流水信息表字段名字段类型及长度允许空主键说明Oid nchar(9) no PK 流水号Cid nchar(9) no 客户ID 外码(Custom(Cid))Bid nchar(9) no 银行ID 外码(Bank(Bid))Sid nchar(9) no 员工ID 外码(Staff(Sid))Otype smallint no 操作类型Otime nchar(20) no 操作时间Omoney numeric(10,3) yes 交易金额OBmoney numeric(10,3) yes 上次余额OAmoney numeric(10,3) yes 账户余额三个实体:bank,staff,custom一个联系:operate关系图:SQL语句:/*建表*/create table Bank(Bid nchar(9) primary key,Bname nchar(20) not null,Bmoney numeric(20,3) not null)create table Custom( Cid nchar(9) not null,Cname nchar(10) not null,Cpass nchar(10) not null,Ctype smallint not null,Ctime nchar(20) not null,Ccode nchar(18) not null,Bid nchar(9) not null,Crmoney numeric(10,3) not null,Cphone nchar(11) not null,primary key(Cid),foreign key(Bid) references Bank(Bid) /*在客户表中以Bank表的主码作为一个外键,并对他进行级联更新*/on update cascade,)create table Staff(Sid nchar(9) primary key, /*在列级定义主码*/Sname nchar(10) not null,Spass nchar(10) not null,SItime nchar(20) not null,Sphone nchar(11) not null)create table Operate(Oid nchar(9) not null,Cid nchar(9) not null,Bid nchar(9) not null,Sid nchar(9) not null,Otype nchar(10) not null,Otime nchar(20) not null,Oflag smallint not null,Omoney numeric(10,3),OBmoney numeric(10,3),OAmoney numeric(10,3),primary key(Oid,Cid,Sid),foreign key (Cid) references Custom(Cid) /*以用户表主码为一个外键,进行级联删除*/on delete cascade,foreign key(Sid) references Staff(Sid) /*以员工表的主码作为外键,当删除引起冲突的时候,拒绝删除*/on delete no action,foreign key (Bid) references Bank(Bid)on update cascade)insert into Bank values('00001','中国银行小寨分行',10000)update Bank set Bname='中国银行经开分行' where Bid='00002'select * from Bank;delete from Bank where Bid='1' or Bid='2';insert into Custom values('6505001','花花','111',0,'2012/12/10/08:26:00','610424************','00001','1500','14345678912')insert into Staff values('7985000','自助服务','111','2002/01/07','12331654613')delete from Custom where Bid='2';insert into Operate values('2406002','6505001','00001','7985001','哈哈','2012年12月18日14时12分',0,0,2900,2900)insert into Operate values('2406005','6505007','00001','7985001','嘿嘿','2012年12月18日14时12分',0,0,2900,2900)select * from Custom;select * from Operate;select * from Staff;select * from Bank;delete from Operatedrop table Customdrop table Bankdrop table Staff;drop table Operate;select * from Bank;delete from Operate where Oid='6505001'drop view BMoney;create view BMoneyasselect Omoneyfrom Operatewhere Oflag = 0 and Omoney>2000 and Otype = '取款';create view BInMoneyasfrom Operatewhere Oflag = 0 and Omoney>2000 and Otype='存款';create view VIPasselect Ctypefrom Customwhere Ctype=1;select count(*) from BMoney;select count(*) from BInMoney;select count(*) from VIP;update Bank set Bmoney='10000' where Bid='00001';update Bank set Bmoney='+bmoney' where Bid='"+Bid+"'";update Bank set Bmoney='10200.000000' where Bid='00001'程序代码:客户部分:a.void CClientDlg::OnButtonIn() //存款函数{// TODO: Add your control notification handler code hereCInDlg InDlg;if (InDlg.DoModal()==IDOK){double temp,temp1;ADOConn ado;CString sql = "select * from Custom where Cname='"+Cname+"'";_RecordsetPtr ResultSet = ado.GetRecordSet((_bstr_t)sql);CString str = (LPCTSTR)(_bstr_t)ResultSet->GetCollect("Crmoney");CString bid = (LPCTSTR)(_bstr_t)ResultSet->GetCollect("Bid");CString str4 = (LPCTSTR)(_bstr_t)ResultSet->GetCollect("Cid");CString str2= str; //将交易前钱数暂存temp=atof(str);temp1=(double)InDlg.m_InNum;temp+=temp1;str.Format("%f",temp);CString str3 = str; //暂存交易后金额sql = "update Custom set Crmoney='"+str+"' "+"where Cname='"+Cname+"'";ado.ExecuteSQL((_bstr_t)sql);sql = "select count(*) num from Operate";ResultSet = ado.GetRecordSet((_bstr_t)sql);int num = atoi((LPCTSTR)(_bstr_t)ResultSet->GetCollect("num"));str = "240600";CString Oid,Cid,Sid,Bid,Otime,Omoney,OAmoney,OBmoney;Oid.Format("%d",++num); Oid=str+Oid;Sid="7985001";Bid = bid; double temp2;sql = "select * from Bank where Bid='"+Bid+"'";ResultSet = ado.GetRecordSet((_bstr_t)sql);CString bmoney = (LPCTSTR)(_bstr_t)ResultSet->GetCollect("Bmoney");temp2 = atof(bmoney); temp2+=temp1; bmoney.Format("%f",temp2);sql = "update Bank set Bmoney='"+bmoney+"' where Bid='"+Bid+"'";ado.ExecuteSQL((_bstr_t)sql);CString Otype = "存款";CString m_time; CTime time;time = CTime::GetCurrentTime();m_time = time.Format("%Y年%m月%d日%X");Otime = m_time; int flag = 0;Omoney.Format("%f",temp1); OAmoney = str2;OBmoney = str3;sql.Format("insert into Operate values('%s','%s','%s','%s','%s','%s',%d,%s,%s,%s)",Oid,str4,Bid,Sid,Otype,m_ time,flag,Omoney,OAmoney,OBmoney);ado.ExecuteSQL((_bstr_t)sql);ado.E xitConnect(); }}b.v oid CClientDlg::OnButtonGet() //取款函数{// TODO: Add your control notification handler code hereCGetDlg GetDlg;;if (GetDlg.DoModal()==IDOK){double temp,temp1;ADOConn ado;CString sql = "select * from Custom where Cname='"+Cname+"'";_RecordsetPtr ResultSet = ado.GetRecordSet((_bstr_t)sql);CString str = (LPCTSTR)(_bstr_t)ResultSet->GetCollect("Crmoney");CString bid = (LPCTSTR)(_bstr_t)ResultSet->GetCollect("Bid");CString str4 = (LPCTSTR)(_bstr_t)ResultSet->GetCollect("Cid");CString str2= str;//将交易前钱数暂存temp=atof(str);temp1=(double)GetDlg.m_GetNum;if (temp>temp1){temp-=temp1; str.Format("%f",temp); CString str3 = str;//暂存交易后金额sql = "update Custom set Crmoney='"+str+"' "+"whereCname='"+Cname+"'";ado.ExecuteSQL((_bstr_t)sql);sql = "select count(*) num from Operate";ResultSet = ado.GetRecordSet((_bstr_t)sql) int num= atoi((LPCTSTR)(_bstr_t)ResultSet->GetCollect("num"));str = "240600";CString Oid,Cid,Sid,Bid,Otime,Omoney,OAmoney,OBmoney;Oid.Format("%d",++num);Oid=str+Oid; Sid="7985001"Bid = bid; double temp2;sql = "select * from Bank where Bid='"+Bid+"'";ResultSet = ado.GetRecordSet((_bstr_t)sql);CString bmoney = (LPCTSTR)(_bstr_t)ResultSet->GetCollect("Bmoney");temp2 = atof(bmoney); temp2-=temp1;bmoney.Format("%f",temp2);sql = "update Bank set Bmoney='"+bmoney+"' whereBid='"+Bid+"'";ado.ExecuteSQL((_bstr_t)sql);CString Otype = "取款";CString m_time; CTime time;time = CTime::GetCurrentTime();m_time = time.Format("%Y年%m月%d日%X");Otime = m_time; int flag = 0;Omoney.Format("%f",temp1);OAmoney = str2;OBmoney = str3; sql.Format("insert into Operate values('%s','%s','%s','%s','%s','%s',%d,%s,%s,%s)",Oid,str4,Bid,Sid,Otype,m_time,flag,Omoney,OAmoney,OBmoney); ado.ExecuteSQL((_bstr_t)sql);ado.ExitConnect();}else{AfxMessageBox("账户余额不足!"); }}}c.void CClientDlg::OnButtonTurn(){/ TODO: Add your control notification handler code hereCTurnDlg TurnDlg;if (TurnDlg.DoModal()==IDOK){ADOConn ado;CString sql = "select * from Custom";_RecordsetPtr ResultSet = ado.GetRecordSet((_bstr_t)sql);int flag = 0;while (!ResultSet->adoEOF)CString TCusId = (LPCTSTR)(_bstr_t)ResultSet->GetCollect("Cid");CString TCusMon = (LPCTSTR)(_bstr_t)ResultSet->GetCollect("Crmoney"); //收钱客户在操作前的余额CString str5 = TCusMon; TCusId.Remove(' ');if (TCusId==TurnDlg.m_TurnId){double temp,temp1;sql = "select * from Custom where Cname='"+Cname+"'";ResultSet = ado.GetRecordSet((_bstr_t)sql);CString str = (LPCTSTR)(_bstr_t)ResultSet->GetCollect("Crmoney");CString bid = (LPCTSTR)(_bstr_t)ResultSet->GetCollect("Bid");CString str4 = (LPCTSTR)(_bstr_t)ResultSet->GetCollect("Cid");CString str2= str; //将交易前钱数暂存temp=atof(str);temp1=(double)TurnDlg.m_TurnNum; if (temp>temp1){flag = 1;temp-=temp1; //住客户钱数减少str.Format("%f",temp);CString str3 = str; //暂存交易后金额sql = "update Custom set Crmoney='"+str+"' "+"where Cname='"+Cname+"'";do.ExecuteSQL((_bstr_t)sql); temp=atof(TCusMon);//收钱客户钱数增加temp+=temp1;TCusMon.Format("%f",temp); sql = "update Custom set Crmoney='"+TCusMon+"' "+"where Cid='"+TCusId+"'";ado.ExecuteSQL((_bstr_t)sql); sql = "select count(*) num from Operate";ResultSet = ado.GetRecordSet((_bstr_t)sql);int num = atoi((LPCTSTR)(_bstr_t)ResultSet->GetCollect("num"));str = "240600";CString Oid,Cid,Sid,Bid,Otime,Omoney,OAmoney,OBmoney;int Otype; Oid.Format("%d",++num); Oid=str+Oid;Sid="7985001";Bid = bid; Otype = 2; CString m_time; CTime time;time = CTime::GetCurrentTime();m_time = time.Format("%Y年%m月%d 日%X");Otime = m_time; Omoney.Format("%f",temp1);OAmoney = str2; OBmoney = str3;sql.Format("insert into Operate values('%s','%s','%s','%s',%d,'%s',%s,%s,%s)",Oid,str4,Bid,Sid,Otype,m_time ,Omoney,OAmoney,OBmoney); ado.ExecuteSQL((_bstr_t)sql);sql.Format("insert into Operate values('%s','%s','%s','%s',%d,'%s',%s,%s,%s)",TCusId,str4,Bid,Sid,Otype,m_t ime,Omoney,str5,TCusMon); ado.ExecuteSQL((_bstr_t)sql);ado.ExitConnect();break; }else{AfxMessageBox("账户余额不足!");break; }}ResultSet->MoveNext();}if(flag==0){AfxMessageBox("该账户不存在!"); }}}d.v oid CClientDlg::OnButtonHistoy() //历史记录查询{// TODO: Add your control notification handler code hereCShowHistory showDlg;ame = Cname;showDlg.DoModal();}e.v oid CClientDlg::OnButtonAlter(){// TODO: Add your control notification handler code hereCAlterDlg alteDlg;if(alteDlg.DoModal()==IDOK){ if (alteDlg.m_AItem==0){if (alteDlg.m_Alter1==alteDlg.m_Alter2) {ADOConn ado; CString sql = "update Custom set Cname='"+alteDlg.m_Alter1+"' where Cname='"+Cname+"'";ado.ExecuteSQL((_bstr_t)sql);AfxMessageBox("姓名修改成功!"); }else {AfxMessageBox("两次姓名输入不一致,请重新输入!"); }}else if(alteDlg.m_AItem==1){if (alteDlg.m_Alter1==alteDlg.m_Alter2) { ADOConn ado;CString sql = "update Custom set Cpass='"+alteDlg.m_Alter1+"' whereCname='"+Cname+"'";ado.ExecuteSQL((_bstr_t)sql); AfxMessageBox("密码修改成功!"); }else{AfxMessageBox("两次密码输入不一致,请重新输入!"); }elseif (alteDlg.m_Alter1==alteDlg.m_Alter2){if (alteDlg.m_Alter1.GetAt(0)=='1'&&alteDlg.m_Alter1.GetLength()==11)ADOConn ado; CString sql = "update Custom setCphone='"+alteDlg.m_Alter1+"' where Cname='"+Cname+"'";ado.ExecuteSQL((_bstr_t)sql); AfxMessageBox("电话号码修改成功!"); }else {AfxMessageBox("电话号码格式不对!");} } else{AfxMessageBox("两次电话输入不一致,请重新输入!"); } }}}管理员部分:a.void CStaffDlg::OnButtonInsert() //添加新成员{// TODO: Add your control notification handler code hereCInsertDlg insertDlg;if (insertDlg.DoModal()==IDOK){if (insertDlg.m_Phone.GetAt(0)=='1'&&insertDlg.m_Phone.GetLength()==11){ADOConn ado;CString sql = "select count(*) Num from Custom whereCcode='"+insertDlg.m_Code+"'";_RecordsetPtr ResultSet = ado.GetRecordSet((_bstr_t)sql);int Num = atoi((LPCTSTR)(_bstr_t)ResultSet->GetCollect("Num"));if (Num==0){CString str = "650500";sql = "select count(*) num from Custom";ResultSet = ado.GetRecordSet((_bstr_t)sql);Num = atoi((LPCTSTR)(_bstr_t)ResultSet->GetCollect("num"));CString Cid,Cpass,Bid,Pmoney; double dou;Cid.Format("%d",++Num); Cid = str+Cid;Cpass = "000000";CString m_time; Bid= "00001";CTime time; time = CTime::GetCurrentTime();m_time = time.Format("%Y年%m月%d日%X");dou = (double)insertDlg.m_Pmoney;Pmoney.Format("%f",dou);// Otime = m_time; sql.Format("insert into Custom values('%s','%s','%s','%s',%s,'%s',%s,%s)",Cid,insertDlg.m_Name,Cpass,m_time,insertDlg.m_Code,Bid,Pmoney,insertDlg.m_Phone);ado.ExecuteSQL((_bstr_t)sql);sql = "select count(*) num from Operate";ResultSet = ado.GetRecordSet((_bstr_t)sql);Num = atoi((LPCTSTR)(_bstr_t)ResultSet->GetCollect("num"));CString Oid,OAmoney,Otype; Otype = "新注册";Oid.Format("%d",++Num);str = "240600";Oid = str+Oid; Bid= "00001";int flag = 0; OAmoney = "0";sql.Format("insert into Operatevalues('%s','%s','%s','%s','%s','%s',%d,%s,%s,%s)",Oid,Cid,Bid,Sid,Otype,m_time,flag,Pmoney,OAmoney,Pmoney); ado.ExecuteSQL((_bstr_t)sql);AfxMessageBox("新增客户成功!"); }else{AfxMessageBox("该证件号已经注册!"); }}}b.void CStaffDlg::OnButtonDelete() //注销客户{// TODO: Add your control notification handler code hereCDelDlg delDlg;if (delDlg.DoModal()==IDOK){if (delDlg.m_DelId1==delDlg.m_DelId2){ADOConn ado;count(*) Num from Custom where Cid='"+delDlg.m_DelId1+"'";_RecordsetPtr ResultSet = ado.GetRecordSet((_bstr_t)sql);int Num = atoi((LPCTSTR)(_bstr_t)ResultSet->GetCollect("Num"));if (Num!=0){CString str = "650500";sql = "delete from Custom whereCid='"+delDlg.m_DelId1+"'";ado.ExecuteSQL((_bstr_t)sql); CString Bid,Cid;Cid = "6505000";CString m_time;CTime time; time = CTime::GetCurrentTime();m_time = time.Format("%Y年%m月%d日%X");sql = "select count(*) numfrom Operate";ResultSet = ado.GetRecordSet((_bstr_t)sql);Num = atoi((LPCTSTR)(_bstr_t)ResultSet->GetCollect("num"));CString Oid,OAmoney,Otype; Otype = "注销用户";Oid.Format("%d",++Num);tr = "240600";Oid = str+Oid; Bid= "00001";int flag = 2; OAmoney = "0";sql.Format("insert into Operatevalues('%s','%s','%s','%s','%s','%s',%d,%s,%s,%s)",Oid,Cid,Bid,Sid,Otype,m_time,flag,OAmoney,OAmoney,OAmoney); ado.ExecuteSQL((_bstr_t)sql);AfxMessageBox("注销客户成功!"); }else{AfxMessageBox("不存在该用户!"); }}else {AfxMessageBox("两次输入用户ID不一致,请重新输入!"); }}}c.void CStaffDlg::OnButtonResher() 查询客户{// TODO: Add your control notification handler code hereCAlterDlg altDlg; if (altDlg.DoModal()==IDOK){if (altDlg.m_AItem==0) {if (altDlg.m_Alter1==altDlg.m_Alter2) {ADOConn ado;CString sql = "update Staff set Sname='"+altDlg.m_Alter1+"' whereSname='"+Sname+"'";ado.ExecuteSQL((_bstr_t)sql);AfxMessageBox("姓名修改成功!");}else{AfxMessageBox("两次姓名输入不一致,请重新输入!"); }} else if(altDlg.m_AItem==1){if (altDlg.m_Alter1==altDlg.m_Alter2){ADOConn ado;CString sql = "update Custom set Spass='"+altDlg.m_Alter1+"' where Sname='"+Sname+"'";ado.ExecuteSQL((_bstr_t)sql); AfxMessageBox("密码修改成功!"); }else{AfxMessageBox("两次密码输入不一致,请重新输入!"); }}else{if (altDlg.m_Alter1==altDlg.m_Alter2){if (altDlg.m_Alter1.GetAt(0)=='1'&&altDlg.m_Alter1.GetLength()==11){ADOConn ado;CString sql = "update Custom set Sphone='"+altDlg.m_Alter1+"' where Sname='"+Sname+"'";ado.ExecuteSQL((_bstr_t)sql);AfxMessageBox("电话号码修改成功!"); }else{AfxMessageBox("电话号码格式不对!");} }else{AfxMessageBox("两次电话输入不一致,请重新输入!"); } } }d.void CStaffDlg::OnButtonMoneyctrl() //资金管理{// TODO: Add your control notification handler code hereCSerchDlg serDlg;if (serDlg.DoModal()==IDOK){ADOConn ado;CString sql = "select count(*) Num from Custom where Cid='"+serDlg.m_Cid+"'";_RecordsetPtr ResultSet = ado.GetRecordSet((_bstr_t)sql);int Num = atoi((LPCTSTR)(_bstr_t)ResultSet->GetCollect("Num"));if (Num!=0){CCusInfoDlg cusDlg;cusDlg.Cid = serDlg.m_Cid ADOConn ado;CString sql = "select * from Custom where Cid='"+cusDlg.Cid+"'";_RecordsetPtr ResultSet = ado.GetRecordSet((_bstr_t)sql);cusDlg.m_Cname = (LPCTSTR)(_bstr_t)ResultSet->GetCollect("Cname");cusDlg.m_Cid = (LPCTSTR)(_bstr_t)ResultSet->GetCollect("Cid");cusDlg.m_Code = (LPCTSTR)(_bstr_t)ResultSet->GetCollect("Ccode");cusDlg.m_Phone = (LPCTSTR)(_bstr_t)ResultSet->GetCollect("Cphone");cusDlg.m_Rmoney = (LPCTSTR)(_bstr_t)ResultSet->GetCollect("Crmoney");cusDlg.DoModal();ado.ExitConnect();}else{AfxMessageBox("不存在该客户!"); }}}e.void CStaffDlg::OnButtonAlter() //信息修改{CMoneyDlg monDlg; ADOConn ado;CString sql = "select count(*) Num from BMoney ";_RecordsetPtr ResultSet = ado.GetRecordSet((_bstr_t)sql);monDlg.m_GetNum = atoi((LPCTSTR)(_bstr_t)ResultSet->GetCollect("Num"));sql = "select count(*) Num from BInMoney";ResultSet = ado.GetRecordSet((_bstr_t)sql);monDlg.m_InNum = atoi((LPCTSTR)(_bstr_t)ResultSet->GetCollect("Num"));sql = "select count(*) Num from VIP";ResultSet = ado.GetRecordSet((_bstr_t)sql);monDlg.m_VIPNum= atoi((LPCTSTR)(_bstr_t)ResultSet->GetCollect("Num"));sql = "select * from Bank where Bid='00001'";ResultSet = ado.GetRecordSet((_bstr_t)sql);monDlg.m_Cash = (LPCTSTR)(_bstr_t)ResultSet->GetCollect("Bmoney");ado.ExitConnect();monDlg.DoModal();}f.void CStaffDlg::OnButtonAnyse() //员工业绩分析{// TODO: Add your control notification handler code hereCStaffIDlg staDlg;staDlg.DoModal();}心得体会:这次课程设计体会非常深刻,首先在团队合作方面,我觉得自己作为队长没有两道好我的小队,这是我的失职。
目录一、需求与功能分析 1二、系统总体框架 2三、逻辑设计 2四、类的设计与分析 4五、数据库表结构设计 8六、特色算法分析 8七、功能测试 9八、存在的不足与对策 12九、程序源代码 12银行储蓄管理系统一银行储蓄系统需求分析系统功能简介:信息系统:主要是在里面输入用户信息(户名,帐号,开户日期)主要功能:记录用户所要进行的各种存取操作(存钱,取钱),并对操作数据做好记录记录时间:主要是记录每个用户开户,存取,取钱的日期相关金额:该用户的存款金额,取款金额,执行操作后账户余额保存系统:可以以连接数据库模式保存查询过的内容,对于刚刚查询过的内容不必重复登陆工作环境:该程序可用在各种银行性质的单位,能有效管理用户信息。
方便,快捷,容易上手,安全保密,资料齐整构造该程序,主要是使用C++ & SQL系统。
在MS-DOS以及WINDOWS95以上的操作系统上可以正常运行。
现今的社会,资金流动十分频繁。
不单单是企业、厂商,连个人也不例外。
银行作为一个金融机构,在现代人们的生活中扮演着及其重要的角色。
为生活节奏飞快的现代人提供快速、便捷、高效理财服务,是每一个银行机构的共同职责。
伴随着电脑技术的发展,各大银行储蓄管理软件也随之出现在这一舞台之上。
银行储蓄管理程序的主要功能就是记录用户的账户信息,已经对用户的存取款操作作好记录及数据更新。
银行储蓄管理的特点是数据量大。
数据更新频繁。
因此便捷的操作,数据更新准确度,成了这一系统的主要指标。
二系统总框图三逻辑设计任何建模语言都以静态建模机制为基础,标准建模语言UML也不例外。
所谓静态建模是指对象之间通过属性互相联系,而这些关系不随时间而转移。
类和对象的建模,是UML建模的基础。
面向对象的开发方法的基本任务是建立对象模型,是软件系统开发的基础。
UML中的对象类图表达了对象模型的静态结构,能够有效地建立专业领域的计算机系统对象模型。
图1 系统类图动态模型主要描述系统的动态行为和控制结构。
银行管理系统数据库设计引言银行管理系统是一种用于存储与管理银行数据的计算机系统,通常由一个后端数据库和一个前端用户界面组成。
数据库连接了所有的用户信息、交易、账户余额和其他相关信息,尤其是在现代银行业中具有极其重要的作用。
因此,设计一个高效的、安全的银行管理系统数据库至关重要。
数据库架构设计银行管理系统数据库的架构设计应该围绕着确保数据安全和数据访问性能进行。
我们设计的数据库架构应该保证:- 可靠性:即使在系统遇到故障时也可以确保银行数据不会丢失。
可靠性:即使在系统遇到故障时也可以确保银行数据不会丢失。
- 高性能:数据库与银行的业务应该相互匹配,以确保较快的响应时间。
高性能:数据库与银行的业务应该相互匹配,以确保较快的响应时间。
- 数据安全:银行管理系统中有很多敏感信息,这些信息必须得到保护。
数据安全:银行管理系统中有很多敏感信息,这些信息必须得到保护。
我们建议采用以下3个数据库组件:1. 用户管理数据库用户管理数据库用于存储所有银行用户的个人信息,包括姓名、地址、电子邮件地址、电话号码等。
这个数据库应该是一个关系型数据库,可以方便地添加、更新、删除用户信息。
用户也可以通过银行的网站或应用程序访问他们的个人信息。
我们建议使用MySQL数据库来实现这个组件,因为它是一种健壮、开放源代码的关系型数据库管理系统。
2. 交易管理数据库交易管理数据库应该用于存储所有银行账户上的交易信息。
每次交易都应该包括转账方、收账方、金额和日期等信息。
这个数据库应该是一个高性能的非关系型数据库。
我们建议使用NoSQL数据库来实现这个组件,因为它可以处理大量的非结构化数据。
3. 账户管理数据库账户管理数据库用于存储所有银行账户的余额和其他相关信息。
这个数据库应该是一个关系型数据库,可以方便地添加、更新、删除账户信息。
我们建议使用Oracle数据库来实现这个组件,因为它是一种能够处理大量事务和复杂查询的关系型数据库管理系统。
数据库课程设计报告题目: 银行账户管理系统院系名称: 计算机学院专业名称: 软件工程班级: 09级01班学生姓名: ***学号(8位): *******指导教师: ***设计起止时间:2011年12月19日~2011年12月30日一. 设计目的银行账户管理是银行业务流程中十分重要的且必备的环节,由于银行有大量数据需要处理,全部采用人工方式明显不现实:这不仅需要花费很高的成本,而且处理事务的效率和质量都存在很大的问题,出于这些问题的考虑,使用计算机来处理这类问题就成为一个相当理想的方案。
利用计算机可以极大地降低成本,更重要的是可以几乎没有错误地高效地处理所有的事务,所以做一款基于银行账户管理方面的系统是十分必要的。
本次课程设计通过对《银行账户管理系统》中银行业务流程的基本实现以及用户环节的事务处理,旨在体验数据库设计和实现的基本过程中掌握数据库模式的设计、分析和实现方法,了解数据库应用系统软件开发的一般过程。
二. 设计内容分别完成银行业务功能、ATM功能和用户管理功能,并设计数据库以支持这些功能的实现,最后通过代码进行具体实现以及数据库链接。
所用数据库:SQL Server 2008开发语言:Java数据库设计:使用了六张表,分别为:管理员表(admin)、ATM机表(ATM)、ATM 机出纳表(ATMOutIn)、银行柜台出纳表(BankOutIn)、银行卡表(card)、用户表(users)。
三个触发器,分别为:冻结用户账号操作(userstatus_update)、ATM机存取款操作(ATMOutIn_insert)和银行存取款操作(BankOutIn_insert)。
一个视图、一个虚表:用户操作查询(allInfo(userId,cunquTime,cunquAddress,cunquMoney,cunquSummary,balanceMoney))。
银行业务功能:设置管理员账号,赋予管理员权限以实现开户、销户、存款、取款、查询、办卡和挂失功能。
管理信息系统课程设计--银行储蓄管理系统管理信息系统课程设计银行储蓄管理系统一、引言随着经济的快速发展和金融行业的日益繁荣,银行储蓄业务作为金融服务的重要组成部分,对于银行的运营和管理至关重要。
为了提高银行储蓄业务的效率和服务质量,设计一个高效、稳定、安全的银行储蓄管理系统成为了必然需求。
本课程设计旨在开发一个功能齐全、操作便捷的银行储蓄管理系统,以满足银行储蓄业务的日常管理和客户需求。
二、系统需求分析(一)功能需求1、开户管理:能够为新客户办理储蓄账户开户手续,包括收集客户信息、设置账户类型、初始存款等。
2、存款与取款:支持客户进行存款和取款操作,实时更新账户余额。
3、账户查询:客户可以查询自己账户的余额、交易明细等信息。
4、利息计算:根据不同的储蓄类型和利率,自动计算账户利息。
5、转账业务:实现客户账户之间的资金转账。
6、报表生成:生成各类储蓄业务报表,如日结报表、月结报表等,供银行管理人员进行分析和决策。
(二)性能需求1、响应时间:系统对于各种操作的响应时间应在可接受范围内,确保客户体验良好。
2、稳定性:系统应能够长时间稳定运行,避免出现故障和数据丢失。
3、安全性:保障客户信息和资金的安全,防止数据泄露和非法操作。
(三)数据需求1、客户信息:包括姓名、身份证号码、联系方式等。
2、账户信息:账户号码、账户类型、余额、开户日期等。
3、交易记录:存款、取款、转账的时间、金额、操作类型等。
三、系统设计(一)总体架构设计银行储蓄管理系统采用 C/S(客户端/服务器)架构,客户端负责与用户进行交互,服务器端负责数据存储和业务逻辑处理。
系统分为表示层、业务逻辑层和数据访问层。
表示层:采用图形用户界面(GUI),为用户提供直观、友好的操作界面。
业务逻辑层:处理各种业务逻辑,如开户、存款、取款、转账等。
数据访问层:负责与数据库进行交互,实现数据的增删改查操作。
(二)数据库设计1、数据库表结构设计客户表(customer):包含客户编号(customer_id)、姓名(name)、身份证号码(id_number)、联系方式(contact_info)等字段。
银行信贷管理系统数据库设计概述银行信贷管理系统是银行业务的重要组成部分,其中的数据库设计是系统的基础。
良好的数据库设计可以提高系统的性能、可靠性和安全性,有效支持银行信贷管理流程。
本文将介绍银行信贷管理系统的数据库设计方案。
数据库结构用户表(User)字段名类型说明UserID 整型用户IDUserName 字符串用户名Password 字符串密码UserType 整型用户类型客户表(Customer)字段名类型说明CustomerID 整型客户IDName 字符串客户姓名Gender 字符串性别Birthday 日期出生日期Phone 字符串联系电话Address 字符串地址贷款表(Loan)字段名类型说明LoanID 整型贷款IDCustomerID 整型客户IDAmount 浮点型贷款金额Date 日期贷款日期Status 字符串贷款状态还款表(Repayment)字段名类型说明RepaymentID 整型还款IDLoanID 整型贷款IDAmount 浮点型还款金额Date 日期还款日期数据库设计数据库引擎选择在银行信贷管理系统中,数据安全性和可靠性非常重要。
因此,建议选择支持事务处理和数据一致性的数据库引擎,如MySQL、Oracle等。
数据库表设计1.创建用户表(User)存储系统的用户信息,其中UserID作为主键;2.创建客户表(Customer)存储客户的基本信息,其中CustomerID作为主键;3.创建贷款表(Loan)存储客户的贷款信息,其中LoanID作为主键,CustomerID为外键;4.创建还款表(Repayment)存储客户的还款信息,其中RepaymentID作为主键,LoanID为外键。
数据库索引设计为加速查询,应在关键字段上建立索引。
如在贷款表中的CustomerID、LoanID字段上建立索引,提高查询效率。
总结以上是银行信贷管理系统数据库设计的概要方案。
银行信贷管理系统数据库设计说明书vHEN system office room 【HEN16H-HENS2AHENS8Q8-HENH1688】编写:武刘强日期:2013-12-08银行信贷管理系统数据库设计说明书变更记录目录1 引言1.1预期的读者1.项目经理 2.客户项目经理 3.系统开发人员 4.系统测试人员1.2 数据库所采用的数据库管理系统是Oracle v10中文简体版1.3 目的和作用将数据分析的结果进一步整理,形成最终的计算机模型,以便开发人员建立物理数据库。
2 数据字典设计数据字典的主要目的是提供查阅对不了解的条目的解释。
在数据字典中记录数据元素的下列信息:一般信息(名字,别名,描述等),定义(数据类型,长度,结构等),使用特点(值的范围,使用频率,使用方式—输入/输出/本地,条件值等),控制信息(来源,用户,使用它的程序,改变权等),分组信息(父结构,从属结构,物理位置—记录、文件和数据库等)。
下面的例子是通过卡片来描述数据字典:3 数据库设计3.1 系统物理结构设计 数据库设计()是指对于一个给定的应用环境,构造最优的,建立数据库及其应用系统,使之能够有效地存储数据,满足各种用户的应用需求。
本节主要将前一阶段设计好的基本E-R 图转换为与选用DBMS 产品所支持的数据模型相符合的逻辑结构,完成逻辑结构设计。
[14-19]名字:dk_kh 别名: 描述:贷款客户的具体信息 定义:khid Name Khzl Khdz Khdh Zjhm Post 位置:客户信息表名字:dk_sq别名:描述:唯一贷款申请说明 定义:Dk_sqh Dkkhid Dkzl 位置:贷款申请表名字: t_zcgl 别名: 描述:资产管理的唯一标识定义:Zcgl_id Dksqid Zcgl_Pgje 位置:资产管理表 名字: t_dkhk 别名: 描述:还款后需在还款表注明 定义:hk_id dk_zh Dk_hm 位置:贷款还款表 名字:t_dklx 别名: 描述:利息要分别计算 定义:lx_id dk_zh 位置:贷款利息表 名字: t_role 别名: 描述:系统的角色定义,权限的管理 定义:Rol_id Rol_typeRol_qx Rol_name 位置:系统角色表(1)部门实体拥有部门编号、名称、电话、地址、职能和负责人等属性。
数据库系统的应用例子数据库系统是一种用于管理和组织大量数据的软件工具。
它可以提供数据存储、检索、更新和删除等功能,被广泛应用于各个领域。
下面是一些数据库系统的应用例子:1. 银行系统:银行是数据库系统的典型应用领域之一。
银行需要存储大量的客户信息、账户信息、交易记录等数据,并能够根据需要进行查询、更新和统计分析。
数据库系统可以帮助银行实现高效的数据管理和操作。
2. 航空公司系统:航空公司需要管理航班信息、机票销售、乘客信息等大量数据。
数据库系统可以帮助航空公司实现航班查询、机票预订、座位管理等功能,提高运营效率。
3. 电子商务平台:电子商务平台需要管理商品信息、订单信息、用户信息等数据。
数据库系统可以帮助电商平台实现商品推荐、订单处理、用户管理等功能,提供良好的购物体验。
4. 医院管理系统:医院需要管理患者信息、病历信息、药品库存等数据。
数据库系统可以帮助医院实现患者挂号、病历查询、药品管理等功能,提高医疗服务质量。
5. 物流管理系统:物流公司需要管理货物信息、运输信息、仓库信息等数据。
数据库系统可以帮助物流公司实现货物跟踪、配送路线优化、仓库管理等功能,提高物流效率。
6. 学生信息管理系统:学校需要管理学生信息、课程信息、教师信息等数据。
数据库系统可以帮助学校实现学生选课、成绩查询、教师管理等功能,提供良好的教学管理服务。
7. 基因组数据分析:生物学领域需要处理大规模的基因组数据。
数据库系统可以帮助研究人员存储、查询和分析基因组数据,加快科学研究进程。
8. 社交媒体平台:社交媒体平台需要管理用户信息、关系网络、帖子信息等数据。
数据库系统可以帮助社交媒体平台实现用户关系分析、内容推荐等功能,提供个性化的用户体验。
9. 智能家居系统:智能家居系统需要管理家庭设备信息、用户偏好信息等数据。
数据库系统可以帮助智能家居系统实现设备控制、场景自动化等功能,提高生活便利性。
10. 资源管理系统:企业需要管理各种资源,如人力资源、财务资源、物料资源等。
银行管理系统数据库随着金融行业的不断发展,银行成为了日常生活中不可或缺的一部分。
银行管理系统是银行业务处理所必需的一个系统,它必须支持客户账户的建立、客户需求的记录、查询和更新等功能。
因此,银行管理系统的设计和实现需要一个强大的数据库支持。
1. 数据库设计银行管理系统中的数据库需要包含以下几个重要的因素:客户信息、账户信息、交易记录和银行员工信息。
1.1 客户信息表客户信息表是银行系统中最重要的一个表格,它保存有关个人或企业客户的详细信息。
它需要包括以下列:列名数据类型描述客户ID int 客户在系统中唯一的标识姓名varchar 客户姓名性别varchar 客户性别手机号varchar 客户手机号码邮箱varchar 客户电子邮件地址地址varchar 客户住址1.2 账户信息表账户信息表是银行系统中另一个重要的表格,它保存有关每个账户的详细信息。
它需要包括以下列:列名数据类型描述账户ID int 账户在系统中唯一的标识开户日期date 账户开户日期账户类型varchar 账户类型,如存款账户、基金账户等账户余额decimal 账户当前的余额客户ID int 客户在系统中的唯一标识1.3 交易记录表交易记录表跟踪每个账户的所有交易细节。
它需要包括以下列:列名数据类型描述交易ID int 交易在系统中唯一的标识账户ID int 进行交易的账户交易日期date 交易发生的日期交易类型varchar 交易类型,如转账、存款、取款交易金额decimal 交易的金额1.4 银行员工信息表银行员工信息表保存银行的员工详细信息。
它需要包括以下列:列名数据类型描述员工ID int 员工在系统中唯一的标识姓名varchar 员工姓名性别varchar 员工性别联系方式varchar 员工联系方式入职时间date 员工入职日期2. 数据库实现为了实现银行管理系统,需要使用一个流行的关系型数据库管理系统,如Oracle,MySQL 或 Microsoft SQL Server。
吉首大学
张家界学院
《数据库系统概念》课程设计题目
学号
学生姓名
院系
专业
指导教师
二O一六年月日
学生选课系统的设计
一、绪论
1.1 目的和意义
银行管理系统:该系统要求建立的用户表并不是很多,完成的功能也相对有限,但其中各个表之间的联系很紧密,该系统对数据库表的设计要求会很高,所以完成这个题目,能更好的训练数据库设计和VC的编程能力,选择该题目就是充分训练数据库表设计的能力和运用VC的能力。
1.2 内容和要求
用户管理模块:建立新用户、删除老用户、更改用户操作;
账户操作模块:账户信息、活期存取款操作、查询活期操作纪录、定期存款、定期取款、查询定期操作纪录;
数据库模块:数据库备份、数据库恢复;
二、需求分析
2.1系统用户
对于用户部分,能够新建和删除用户,在操作过程中可以更改用户;对于账户部分,可以查询用户的信息,包括各种基本信息、活期余额、定期账单等;对于账户操作部分,有活期存取款、
定期存取款操作,另外操作完成之后存储相应的操作纪录并能够查询操作纪录等功能。
银行帐目管理系统包括五个模块,分别为系统选项、帐目管理、查询统计、用户查询和帮助。
2.2系统主要功能
帐目管理模块:主要处理用户的日常操作。
(1)开户:新建一个帐户,为其指定一个唯一的帐号来标志该用户
(2)销户:将指定用户的帐号删除。
用户输入密码经过验证成功后,把帐户的余额全部取出,最后删除该帐户。
(3)存款:向指定的帐户中存入一笔钱,经用户输入密码确认后,方可存入。
(4)取款:从指定的帐户中取出一笔钱。
取款前用户需要输入密码确认,取款后帐户余额不得少于帐户的最低存款额,否则不予处理。
(5)修改信息:选择一个存在的帐户,然后输入密码经确认后进入用户信息窗口,可对里面的密码、联系电话和家庭住址进行修改,而帐号和帐户上的金额不能被用户修改。
查询模块:按照指定方式进行查找帐户信息,包括按姓名、帐号和联系电话进行查找,也可以按照地址进行模糊查找。
统计模块:对银行的数据进行统计,如对帐户数量的统计。
其系统功能模块如图2-1:
图2-1 系统功能模块
2.3 开发技术
开发工具:MYSQL
开发语言:SQL
开发技术:数据库开发技术
面向对象:需求者
MySQL是一个关系型数据库管理系统,由瑞典MySQL AB 公司开发,目前属于 Oracle 旗下产品。
MySQL 最流行的关系型数据库管理系统,在 WEB 应用方面MySQL是最好的 RDBMS (Relational Database Management System,关系数据库管理系统) 应用软件之一。
本实验将设计出一个银行账目管理数据库系统,其要求简要如下:
三、概念结构设计
本章节主要包含概念设计、E-R图,以及如何将E-R图转换为实际的物理模型等内容。
3.1 概念设计
在我们的数据库系统中共有5个实体:储户、活期存取款、定期存款、定期取款、定期记录。
(1)储户的属性:账号、姓名、密码、身份证号、性别、账户余额、开户日期、开户地址(2)活期存取款的属性:账号、金额、类型、办理日期、利息、账户余额
(3)定期存款的属性:账号、存款人姓名、金额、存储年份、年利率、存储日期
(4)定期取款的属性:账号、取款人姓名、取款金额、取款日期
(5)定期记录的属性:账号、存取款人姓名、类型、操作金额、操作日期
3.2 E-R图
图1银行基本信息实体图图2储户基本信息实体图
图3定期记录基本信息实体图
合并画出数据库系统的E-R图,如图3-7所示:
图3-7 数据库系统E-R图
四、逻辑结构设计
4.1 逻辑转换
根据3.2节中的E-R图可以将系统中的概念模型转换为具体的表(即关系)结构,共分为7个关系,详细信息如下所示:
(1)储户(账号、姓名、密码、身份证号、性别、账户余额、开户日期、开户地址)
(2)活期存取款(账号、金额、类型、办理日期、利息、账户余额)
(3)定期存款(账号、存款人姓名、金额、存储年份、年利率、存储日期)
(4)定期取款的(账号、取款人姓名、取款金额、取款日期)
(5)定期记录(账号、存取款人姓名、类型、操作金额、操作日期)
4.2 细化表结构
为方便,根据上述文字描述,用英文简写为表和列取名,确定列的数据类型及必要的约束规则,给出如下所示数据库表的基本结构及说明:
(1)储户表
(2)活期存取款表
(3)定期存款表
(4)定期取款表
(6)定期操作记录表
五、数据库实施
本章节主要包含创建表、添加数据和创建必要的视图、触发器和存储过程等内容。
5.1 创建表
提高查询速度,分别为各表经常查询的列建立索引。
(1)为chuhu(储户表)中的cno属性建立唯一索引cno:
CREATE UNIQUE INDEX cno_index on chuhutable(cno);
(2)为Hcq(活期存取款表)中nid属性建立唯一索引nid:
CREATE UNIQUE INDEX nid_index ON Hcq(nid);
(3)为dqcun (定期存款表)中nid属性建立降序唯一索引niddesc:
CREATE UNIQUE INDEX niddesc ON dqcun(nid desc);
(4)为dqqu (定期取款表)中nid属性建立升序唯一索引nidasc:
CREATE UNIQUE INDEX nidasc ON dqqu(nid asc);
(5)为dqjilu (定期记录表)中nid属性建立降序唯一索引niddesc:
CREATE UNIQUE INDEX niddesc ON dqjilun (nid desc);
数据的载入是一个非常繁杂和重要的过程需要很大的工作量,可分为人工输入与其它格式数据文件导入。
该系统只是一个简单的实验系统,所以采用手工输入少量的数据可满足实验要求即可。
分别给储户基本信息表,活期存取款基本信息表,定期存款基本信息表,定期取款基本信息表和定期操作记录基本信息表输入数据。
下面若干个表分别显示了所要求的表基本信息息的录入和显示的结果
(1)创建储户表
Create table chuhu
(CNo int primary key,。