电工(电箱)巡查记录表
- 格式:doc
- 大小:45.00 KB
- 文档页数:2
箱、开关箱以及用电设备的日常检查。
建筑施工现场临时用电电工安装、巡检、维修、拆除工作记录表箱、开关箱以及用电设备的日常检查。
建筑施工现场临时用电电工安装、巡检、维修、拆除工作记录表箱、开关箱以及用电设备的日常检查。
建筑施工现场临时用电电工安装、巡检、维修、拆除工作记录表注:电工安装、巡检、维修、拆除工作记录为建筑电工每日工作日志,巡检内容包括施工现场配电线路、配电室、分配电箱、开关箱以及用电设备的日常检查。
建筑施工现场临时用电电工安装、巡检、维修、拆除工作记录表注:电工安装、巡检、维修、拆除工作记录为建筑电工每日工作日志,巡检内容包括施工现场配电线路、配电室、分配电箱、开关箱以及用电设备的日常检查。
建筑施工现场临时用电电工安装、巡检、维修、拆除工作记录表注:电工安装、巡检、维修、拆除工作记录为建筑电工每日工作日志,巡检内容包括施工现场配电线路、配电室、分配电箱、开关箱以及用电设备的日常检查。
建筑施工现场临时用电电工安装、巡检、维修、拆除工作记录表注:电工安装、巡检、维修、拆除工作记录为建筑电工每日工作日志,巡检内容包括施工现场配电线路、配电室、分配电箱、开关箱以及用电设备的日常检查。
建筑施工现场临时用电电工安装、巡检、维修、拆除工作记录表注:电工安装、巡检、维修、拆除工作记录为建筑电工每日工作日志,巡检内容包括施工现场配电线路、配电室、分配电箱、开关箱以及用电设备的日常检查。
建筑施工现场临时用电电工安装、巡检、维修、拆除工作记录表注:电工安装、巡检、维修、拆除工作记录为建筑电工每日工作日志,巡检内容包括施工现场配电线路、配电室、分配电箱、开关箱以及用电设备的日常检查。
建筑施工现场临时用电电工安装、巡检、维修、拆除工作记录表注:电工安装、巡检、维修、拆除工作记录为建筑电工每日工作日志,巡检内容包括施工现场配电线路、配电室、分配电箱、开关箱以及用电设备的日常检查。
建筑施工现场临时用电电工安装、巡检、维修、拆除工作记录表注:电工安装、巡检、维修、拆除工作记录为建筑电工每日工作日志,巡检内容包括施工现场配电线路、配电室、分配电箱、开关箱以及用电设备的日常检查。
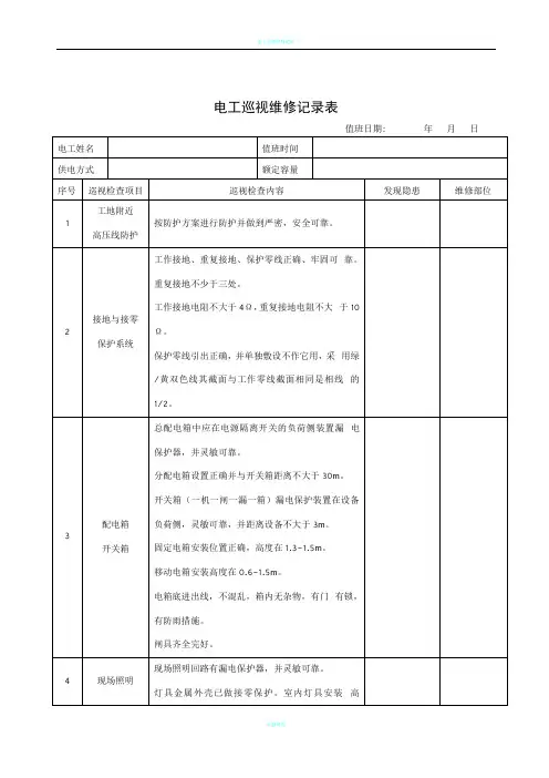
电工巡视维修记录表值班日期: 年月日电工巡视维修记录表值班日期: 2007年 3月3 日电工巡视维修记录表值班日期: 2007年 3月 4 日电工巡视维修记录表值班日期:2007年 3月5 日电工巡视维修记录表值班日期: 2007年 3月6 日电工巡视维修记录表值班日期: 2007年 3月 7日电工巡视维修记录表值班日期: 2007年 3月8 日电工巡视维修记录表值班日期: 2007年 3月 9 日电工巡视维修记录表值班日期: 2007年 3月 10日电工巡视维修记录表值班日期: 2007年 3月11 日电工巡视维修记录表值班日期: 2007年 3月 12日电工巡视维修记录表值班日期: 2007年 3月13日电工巡视维修记录表值班日期: 2007年 3月 14日电工巡视维修记录表值班日期: 2007年 3月 15日电工巡视维修记录表值班日期: 2007年 3月 16日电工巡视维修记录表值班日期: 2007年 3月17 日电工巡视维修记录表值班日期: 2007年 3月18 日电工巡视维修记录表值班日期: 2007年 3月19 日电工巡视维修记录表值班日期: 2007年 3月20 日电工巡视维修记录表值班日期: 2007年 3月21 日电工巡视维修记录表值班日期: 2007年 3月22 日电工巡视维修记录表值班日期: 2007年 3月 23日电工巡视维修记录表值班日期: 2007年 3月24 日电工巡视维修记录表值班日期: 2007年 3月 25日电工巡视维修记录表值班日期: 2007年 3月 26日电工巡视维修记录表值班日期: 2007年 3月 27日电工巡视维修记录表值班日期: 2007年 3月28日电工巡视维修记录表值班日期: 2007年 3月29 日电工巡视维修记录表值班日期: 2007年 3月30日电工巡视维修记录表值班日期: 2007年 3月 31日。
电工每日巡查记录表
电工每日巡查记录表
每日一次按照《房屋、设备、设施巡视内容与程序》巡视配电房设备,并记录《配电房巡视记录表》;
配电房每周打扫一次,配电柜每月清洁一次。
双电源柜(箱)“运行”与“备用”每月切换检查一次,并记录《设备定期启动表》;
按《房屋、设备、设施(年度)周期检查、保养计划表》和《供配电设备(设施)维修保养规程》的内容要求进行周期检查、保养,并将结果记录于《设备、设施周期检查、保养记录表》内;
d供配电设备、设施维修工作记录于《房屋、设备、设施维修记录表》内;
供配电设备发生异常和故障及时报告设备主管,记录《设备故障记录表》,并在设备主管协同下排除异常和故障。
l设备主管
负责设备的技术资料、档案的收集、保管;负责零星设备的配件、材料的采购计划的编制,外委托修理的联系工作;
每年1月制订下一年度《房屋、设备、设施(年度)周期检查、保养计划表》,并按运行情况制订《房屋、设备、设施(年度)维修计划表》;
组织实施供配电设备的运行管理及维修保养工作,并进行指导,检查;
d每周巡视配电房设备,检查巡视记录、交接班记录;
每月定期组织电工检查供配电设备的运行状况,填写《供配电系统检查表》。
按日常巡视记录及定期检查记录,根据《设备完好率标准》填写《设备完好率月度统计表》交经理审核后报公司主管部门;
f对每次周期检查保养记录、维修记录、故障记录进行检查验证;
g每季汇总设备故障情况,填写《设备故障记录(季度)汇总表》,报经理审核后,交公司主管部门;
按《应急预案》规定负责处理应急事件。
电工巡检记录表
阜阳东环二标巡检电工:
检查内容合格√不合格×处理结果巡检日期:
配电箱是否完好,有无接地保护
配电箱内是否存放杂物,是否关门上锁
漏电保护器是否灵敏有效
导线是否破损老化
配电箱是否离地架起
导线接头是否包扎严密
导线过路是否地埋或架起
用电机械停工后是否断电
电焊机等用电设备防护罩是否破损
巡检日期:
配电箱是否完好,有无接地保护
配电箱内是否存放杂物,是否关门上锁
漏电保护器是否灵敏有效
导线是否破损老化
配电箱是否离地架起
导线接头是否包扎严密
导线过路是否地埋或架起
用电机械停工后是否断电
电焊机等用电设备防护罩是否破损
巡检日期:
配电箱是否完好,有无接地保护
配电箱内是否存放杂物,是否关门上锁
漏电保护器是否灵敏有效
导线是否破损老化
配电箱是否离地架起
导线接头是否包扎严密
导线过路是否地埋或架起
用电机械停工后是否断电
电焊机等用电设备防护罩是否破损。
电工每日巡逻记录表
施工单位:合肥鹏程建筑安装工程有限公司时间:年月巡查记录
日期漏电保护配电箱可否按要
防水
电房内
配电箱锁配电箱外观配电房警示
器可否有
进出配电房开关柜有
维修记录求设接地保护
性能
可否堆
可否圆满可否圆满口号可否有效
电缆无过热现象
放杂物
1 2 3 4 5 6 7 8 9 10 11 12 13 14 15 16
电工每日巡逻记录表
施工单位:合肥鹏程建筑安装工程有限公司时间:年月巡查记录
日期漏电保护配电箱可否按要
防水
电房内
配电箱锁配电箱外观配电房警示
器可否有
进出配电房开关柜有
维修记录求设接地保护
性能
可否堆
可否圆满可否圆满口号可否有效
电缆无过热现象
放杂物
17 18 19 20 21 22 23 24 25 26 27 28 29 30 31。