电线电缆型号规格及标准编号
- 格式:doc
- 大小:33.50 KB
- 文档页数:7
电线电缆表示方法主要由型号、规格及标准编号这三个部分组成。
1、型号的含义电气装备用电线电缆及电力电缆的型号主要由以下七部分组成:有些特殊的电线电缆型号最后还有派生代号。
下面将最常用的电线电缆型号中字母的含义介绍一下:1)类别、用途代号A-安装线B-绝缘线C-船用电缆K-控制电缆N-农用电缆R-软线U-矿用电缆Y-移动电缆JK-绝缘架空电缆M-煤矿用ZR-阻燃型NH-耐火型ZA-A级阻燃ZB-B级阻燃ZC-C级阻燃WD-低烟无卤型2)导体代号T—铜导线(略)L-铝芯3)绝缘层代号V—PVC塑料YJ—XLPE绝缘X—橡皮Y—聚乙烯料F—聚四氟乙烯4)护层代号V-PVC套Y-聚乙烯料N-尼龙护套P-铜丝编织屏蔽P2-铜带屏蔽L-棉纱编织涂蜡克Q-铅包5)特征代号B-扁平型R-柔软C-重型Q-轻型G-高压H-电焊机用S-双绞型6)铠装层代号2—双钢带3—细圆钢丝4—粗圆钢丝7)外护层代号1—纤维层2—PVC套3—PE套2、最常用的电气装备用电线电缆及电力电缆的型号示例VV—铜芯聚氯乙烯绝缘聚氯乙烯护套电力电缆VLV—铝芯聚氯乙烯绝缘聚氯乙烯护套电力电缆YJV22—铜芯交联聚乙烯绝缘钢带铠装聚氯乙烯护套电力电缆KVV—聚氯乙烯绝缘聚氯乙烯护套控制电缆227IEC 01(BV)—简称BV,一般用途单芯硬导体无护套电缆227IEC 02(RV)—简称RV,一般用途单芯软导体无护套电缆227IEC 10(BVV)—简称BVV,轻型聚氯乙烯护套电缆227IEC 52(RVV)—简称RVV,轻型聚氯乙烯护套软线227IEC 53(RVV)—简称RVV,普通聚氯乙烯护套软线BV—铜芯聚氯乙烯绝缘电线BVR—铜芯聚氯乙烯绝缘软电缆BVVB—铜芯聚氯乙烯绝缘聚氯乙烯护套扁型电缆JKLYJ—交联聚乙烯绝缘架空电缆YC、YCW—重型橡套软电缆YZ、YZW—中型橡套软电缆YQ、YQW—轻型橡套软电缆YH—电焊机电缆3、规格规格又由额定电压、芯数及标称截面组成。
常用电线电缆型号及编号说明常用电线电缆详细标注说明电线是由一根或几根柔软的导线组成,外面包以轻软的护层;电缆是由一根或几根绝缘包导线组成,外面再包以金属或橡皮制的坚韧外层。
电缆与电线一般都由芯线、绝缘包皮和保护外皮三个组成部分组成。
常用电缆的特性如下:CEF——乙丙橡胶绝缘氯丁橡胶护套,船用阻燃电力电缆。
CVV——聚氯乙烯绝缘,聚氯乙烯护套船用阻燃电力电缆。
氧舱电线常采用BV,BX,RV,RVV系列电线,其中: BV——铜芯聚氯乙烯绝缘电线,长期允许温度65℃,最低温度-15℃,工作电压交流500V,直流1000V,固定敷设于室内、外,可明敷也可暗敷。
BX——铜芯橡皮绝缘线,最高使用温度65℃,敷于室内。
RV——聚氯乙烯绝缘单芯软线,最高使用温度65℃,最低使用温度-15℃,工作电压交流250V,直流500V,用作仪器和设备的内部接线。
RVV——铜芯聚氯乙烯绝缘和护套软电线,允许长期工作温度105℃,工作电压交流500V,直流1000V,用于潮湿,机械防护要求高,经常移动和弯曲的场合。
其实,“电线”和“电缆”并没有严格的界限。
通常将芯数少、产品直径小、结构简单的产品称为电线,没有绝缘的称为裸电线,其他的称为电缆;导体截面积较大的(大于6平方毫米)称为大电线,较小的(小于或等于6平方毫米)称为小电线,绝缘电线又称为布电线这样说比较简单,容易理解!! 电缆一般有2层以上的绝缘,多数是多芯结构,绕在电缆盘上,长度一般大于100米。
电线一般是单层绝缘,单芯,100米一卷,无线盘。
电缆常见型号: VV表示:聚氯乙烯绝缘(第一个V),聚氯乙烯护套(第二个V) YJV22表示:交连聚氯乙烯绝缘(YJ),聚氯乙烯护套(V),钢带凯装(22)型号加“ZR”或“FR”的为阻燃电缆(电线)。
加“L”为铝线电线的型号较简单: BVV--聚氯乙烯绝缘和护套铜心线, BV--聚氯乙烯绝缘铜心线,BVR--聚氯乙烯绝缘铜心软线, BX--橡皮绝缘铜心线, RHF--氯丁橡套铜心软线。
电线电缆表示方法主要由型号、规格及标准编号这三个部分组成。
1、型号的含义电气装备用电线电缆及电力电缆的型号主要由以下七部分组成:有些特殊的电线电缆型号最后还有派生代号。
下面将最常用的电线电缆型号中字母的含义介绍一下:1 类别、用途代号A-安装线 B-绝缘线 C-船用电缆K-控制电缆 N-农用电缆 R-软线U-矿用电缆 Y-移动电缆 JK-绝缘架空电缆M-煤矿用ZR-阻燃型 NH-耐火型 ZA-A 级阻燃ZB-B 级阻燃 ZC-C 级阻燃 WD-低烟无卤型2导体代号T —铜导线 (略 L-铝芯3绝缘层代号V — PVC 塑料 YJ — XLPE 绝缘X —橡皮 Y —聚乙烯料F —聚四氟乙烯4护层代号V-PVC 套 Y-聚乙烯料N-尼龙护套 P-铜丝编织屏蔽 P2-铜带屏蔽L-棉纱编织涂蜡克 Q-铅包5特征代号B-扁平型 R-柔软C-重型 Q-轻型G-高压 H-电焊机用S-双绞型6铠装层代号2—双钢带 3—细圆钢丝4—粗圆钢丝7外护层代号1—纤维层 2— PVC 套3— PE 套2、最常用的电气装备用电线电缆及电力电缆的型号示例VV —铜芯聚氯乙烯绝缘聚氯乙烯护套电力电缆VLV —铝芯聚氯乙烯绝缘聚氯乙烯护套电力电缆YJV22—铜芯交联聚乙烯绝缘钢带铠装聚氯乙烯护套电力电缆 KVV —聚氯乙烯绝缘聚氯乙烯护套控制电缆227IEC 01(BV —简称 BV ,一般用途单芯硬导体无护套电缆 227IEC 02(RV —简称 RV ,一般用途单芯软导体无护套电缆 227IEC 10(BVV —简称 BVV ,轻型聚氯乙烯护套电缆227IEC 52(RVV —简称 RVV ,轻型聚氯乙烯护套软线227IEC 53(RVV —简称 RVV ,普通聚氯乙烯护套软线BV —铜芯聚氯乙烯绝缘电线BVR —铜芯聚氯乙烯绝缘软电缆BVVB —铜芯聚氯乙烯绝缘聚氯乙烯护套扁型电缆JKLYJ —交联聚乙烯绝缘架空电缆YC 、 YCW —重型橡套软电缆YZ 、 YZW —中型橡套软电缆YQ 、 YQW —轻型橡套软电缆YH —电焊机电缆3、规格规格又由额定电压、芯数及标称截面组成。
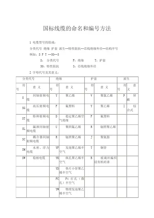
国标线缆的命名和编号方法1 电缆型号的组成:分类代号绝缘护套派生--特性阻抗--芯线绝缘外径--结构序号例如:S F T --50--3S:分类代号 F:绝缘 T:护套50:特性阻抗 3:芯线绝缘外径2 字母代号及其意义:电线ZBN-BV表示什么意思?ZBN表示电缆有除耐火功能外还具有阻燃特性BV聚氯乙烯绝缘电缆WD:无卤低烟,指绝缘、保护层材料在火焰中燃烧产生的有毒烟雾在要求的数值以下,用于较大公共场合(如大型商场)配电;BYJ 是交联聚乙烯绝缘的电线WDZDN----无卤、低烟、阻燃(D级?)、耐火,电力电缆WDZB-YJV-3*70 E35---无卤低烟B级阻燃(电力电缆),3*70 1*35 通常,E35的E表示“接地线”,但你给的是4芯电缆,E35这根芯就是PEN了。
补充:1、电力电缆中,该类标注含义相同2、KVV-4*2.5 E2.5是控制电缆,理论上没有火、零、地之分,之区分线号,所以,控制电缆只采用N*S的标注方法3、“黄绿”色标在电气中就是【接地线】的含义,不矛盾,但实际电缆不一定真用黄绿色线皮,也可以在线皮上打上PE标志,如5芯电缆分别打标L1、L2、L3、N、PE,分别表示相线1、2、3和零线、地线电线电缆专业基础知识第1章、电线电缆分类• 电气装备电缆•电力电缆•架空线•通讯电缆•漆包线(绕组线)•光织光缆第2章、电线电缆的各种标准-国际标准—国内标准——企业标准国际标准: IEC 国际电工委员会标准 UL 美国保险商实验所标准MIL-C-17G美国单用标准 JIS日本工业标准 DIN德国工业标准 BS英国国家标准IEEE 美国电气及电子工程师协会标准AS 澳洲标准第3章、电线电缆的构造:导体、绝缘、屏蔽、内被、隔离、填充、外被、隔离网3.1导体概述目前常用的金属导体有金、银、铜等,考虑到导体的价格和导电性能,最常用的为铜导体。
导电系数以铜为标准(100%),各导体比重和导电常数分别是:①金Au 19.3(g/cm3) 70.8%、不氧化、价格昂贵②银Ag 10.5(g/cm3) 109%导电性最优、价格昂贵、③铜Cu、8.89(g/cm3)100%导电性次优、价格普及④钢(铁)Fe、7.86(g/cm3)17.8%导电性不良、抗张好⑤铝 Al2.7(g/cm3)61.2%质量轻由此可知,铜的导电率较佳,适用性能广,成本较低,还可在其表面镀锡,利于焊接,并有抗氧化作用(指与空气中氧气结合氧化)。
电缆规格型号及表示含义 Final approval draft on November 22, 2020电线电缆表示方法主要由型号、规格及标准编号这三个部分组成。
1、型号的含义电气装备用电线电缆及电力电缆的型号主要由以下七部分组成:有些特殊的电线电缆型号最后还有派生代号。
下面将最常用的电线电缆型号中字母的含义介绍一下:1)类别、用途代号A-安装线 B-绝缘线 C-船用电缆K-控制电缆 N-农用电缆 R-软线U-矿用电缆 Y-移动电缆 JK-绝缘架空电缆M-煤矿用ZR-阻燃型 NH-耐火型 ZA-A级阻燃ZB-B级阻燃 ZC-C级阻燃 WD-低烟无卤型2)导体代号T—铜导线(略) L-铝芯3)绝缘层代号V—PVC塑料 YJ—XLPE绝缘X—橡皮 Y—聚乙烯料F—聚四氟乙烯4)护层代号V-PVC套 Y-聚乙烯料N-尼龙护套 P-铜丝编织屏蔽 P2-铜带屏蔽L-棉纱编织涂蜡克 Q-铅包5)特征代号B-扁平型 R-柔软C-重型 Q-轻型G-高压 H-电焊机用S-双绞型6)铠装层代号2—双钢带 3—细圆钢丝4—粗圆钢丝7)外护层代号1—纤维层 2—PVC套3—PE套2、最常用的电气装备用电线电缆及电力电缆的型号示例VV—铜芯聚氯乙烯绝缘聚氯乙烯护套电力电缆VLV—铝芯聚氯乙烯绝缘聚氯乙烯护套电力电缆YJV22—铜芯交联聚乙烯绝缘钢带铠装聚氯乙烯护套电力电缆 KVV—聚氯乙烯绝缘聚氯乙烯护套控制电缆227IEC 01(BV)—简称BV,一般用途单芯硬导体无护套电缆227IEC 02(RV)—简称RV,一般用途单芯软导体无护套电缆227IEC 10(BVV)—简称BVV,轻型聚氯乙烯护套电缆227IEC 52(RVV)—简称RVV,轻型聚氯乙烯护套软线227IEC 53(RVV)—简称RVV,普通聚氯乙烯护套软线BV—铜芯聚氯乙烯绝缘电线BVR—铜芯聚氯乙烯绝缘软电缆BVVB—铜芯聚氯乙烯绝缘聚氯乙烯护套扁型电缆JKLYJ—交联聚乙烯绝缘架空电缆YC、YCW—重型橡套软电缆YZ、YZW—中型橡套软电缆YQ、YQW—轻型橡套软电缆YH—电焊机电缆3、规格规格又由额定电压、芯数及标称截面组成。
常用国标电线电缆的型号和规格Document number:PBGCG-0857-BTDO-0089-PTT1998常用国标电线电缆的型号和规格(1)类别:H——市内通信电缆 HP——配线电缆 HJ——局用电缆(2)绝缘:Y——实心聚烯烃绝缘 YF——泡沫聚烯烃绝缘 YP——泡沫/实心皮聚烯烃绝缘(3)内护层:A——涂塑铝带粘接屏蔽聚乙烯护套 S——铝,钢双层金属带屏蔽聚乙烯护套 V——聚氯乙烯护套(4)特征:T——石油膏填充 G——高频隔离 C——自承式(5)外护层:23——双层防腐钢带绕包销装聚乙烯外被层 33——单层细钢丝铠装聚乙烯被层 43——单层粗钢丝铠装聚乙烯被层 53——单层钢带皱纹纵包铠装聚乙烯外被层 553——双层钢带皱纹纵包铠装聚乙烯外被层 2) BV 铜芯聚氯乙烯绝缘电线; BLV 铝芯聚氯乙烯绝缘电线; BVV 铜芯聚氯乙烯绝缘聚氯乙烯护套电线; BLVV 铝芯聚氯乙烯绝缘聚氯乙烯护套电线; BVR 铜芯聚氯乙烯绝缘软线; RV 铜芯聚氯乙烯绝缘安装软线; RVB 铜芯聚氯乙烯绝缘平型连接线软线; BVS 铜芯聚氯乙烯绝缘绞型软线; RVV 铜芯聚氯乙烯绝缘聚氯乙烯护套软线; BYR 聚乙烯绝缘软电线; BYVR 聚乙烯绝缘聚氯乙烯护套软线; RY 聚乙烯绝缘软线; RYV 聚乙烯绝缘聚氯乙烯护套软线 3)电缆的型号由八部分组成:一、用途代码-不标为电力电缆,K为控制缆,P为信号缆;二、绝缘代码-Z油浸纸,X橡胶,V聚氯乙稀,YJ交联聚乙烯三、导体材料代码-不标为铜,L为铝;四、内护层代码-Q铅包,L铝包,H橡套,V聚氯乙稀护套五、派生代码-D不滴流,P干绝缘;六、外护层代码七、特殊产品代码-TH湿热带,TA干热带;八、额定电压-单位KV 有关电缆型号的问题 1、SYV:实心聚乙烯绝缘射频同轴电缆 2、SYWV(Y):物理发泡聚乙绝缘有线电视系统电缆,视频(射频)同轴电缆(SY V、SYWV、SYFV)适用于闭路监控及有线电视工程 SYWV (Y)、SYKV 有线电视、宽带网专用电缆结构:(同轴电缆)单根无氧圆铜线物理发泡聚乙烯(绝缘)(锡丝铝)聚氯乙烯(聚乙烯) 3、信号控制电缆(RVV护套线、RVVP屏蔽线)适用于楼宇对讲、防盗报警、消防、自动抄表等工程 RV VP:铜芯聚氯乙烯绝缘屏蔽聚氯乙烯护套软电缆电压300V/300 V2-24芯用途:仪器、仪表、对讲、监控、控制安装 4、RG:物理发泡聚乙烯绝缘接入网电缆用于同轴光纤混合网(HFC)中传输数据模拟信号 5、KVVP:聚氯乙烯护套编织屏蔽电缆用途:电器、仪表、配电装置的信号传输、控制、测量 6、RVV (227IEC52/53)聚氯乙烯绝缘软电缆用途:家用电器、小型电动工具、仪表及动力照明 7、AVVR 聚氯乙烯护套安装用软电缆 8、SBVV HYA 数据通信电缆(室内、外)用于电话通信及无线电设备的连接以及电话配线网的分线盒接线用 9、RV、RVP 聚氯乙烯绝缘电缆 10、RVS、RVB 适用于家用电器、小型电动工具、仪器、仪表及动力照明连接用电缆 11、BV、BVR 聚氯乙烯绝缘电缆用途:适用于电器仪表设备及动力照明固定布线用 12、RIB 音箱连接线(发烧线) 13、KVV 聚氯乙烯绝缘控制电缆用途:电器、仪表、配电装置信号传输、控制、测量 14、SFTP 双绞线传输电话、数据及信息网 15、UL2464 电脑连接线 16、VGA 显示器线 17、SYV 同轴电缆无线通讯、广播、监控系统工程和有关电子设备中传输射频信号(含综合用同轴电缆) 18、SDFAVP、SDFAVVP、SYFPY 同轴电缆,电梯专用 19、JVPV、JVPVP、JVVP 铜芯聚氯乙烯绝缘及护套铜丝编织电子计算机控制电缆电线电缆命名与型号电线电缆命名与型号命名原则及案例: 电线电缆的完整命名通常较为复杂,所以人们有时用一个简单的名称(通常是一个类别的名称)结合型号规格来代替完整的名称,如“低压电缆”代表1kV级的所有塑料绝缘类电力电缆。
电线电缆表示方法主要由型号、规格及标准编号这三个部分组成。
1、型号的含义电气装备用电线电缆及电力电缆的型号主要由以下七部分组成:有些特殊的电线电缆型号最后还有派生代号。
下面将最常用的电线电缆型号中字母的含义介绍一下:1)类别、用途代号A-安装线B-绝缘线C-船用电缆K-控制电缆N-农用电缆R-软线U-矿用电缆Y-移动电缆JK-绝缘架空电缆M-煤矿用ZR-阻燃型NH-耐火型ZA-A级阻燃ZB-B级阻燃ZC-C级阻燃WD-低烟无卤型2)导体代号T—铜导线(略)L-铝芯3)绝缘层代号V—PVC塑料YJ—XLPE绝缘X—橡皮Y—聚乙烯料F—聚四氟乙烯4)护层代号V-PVC套Y-聚乙烯料N-尼龙护套P-铜丝编织屏蔽P2-铜带屏蔽L-棉纱编织涂蜡克Q-铅包5)特征代号B-扁平型R-柔软C-重型Q-轻型G-高压H-电焊机用S-双绞型6)铠装层代号2—双钢带3—细圆钢丝4—粗圆钢丝7)外护层代号1—纤维层2—PVC套3—PE套2、最常用的电气装备用电线电缆及电力电缆的型号示例VV—铜芯聚氯乙烯绝缘聚氯乙烯护套电力电缆VLV—铝芯聚氯乙烯绝缘聚氯乙烯护套电力电缆YJV22—铜芯交联聚乙烯绝缘钢带铠装聚氯乙烯护套电力电缆KVV—聚氯乙烯绝缘聚氯乙烯护套控制电缆227IEC 01(BV)—简称BV,一般用途单芯硬导体无护套电缆227IEC 02(RV)—简称RV,一般用途单芯软导体无护套电缆227IEC 10(BVV)—简称BVV,轻型聚氯乙烯护套电缆227IEC 52(RVV)—简称RVV,轻型聚氯乙烯护套软线227IEC 53(RVV)—简称RVV,普通聚氯乙烯护套软线BV—铜芯聚氯乙烯绝缘电线BVR—铜芯聚氯乙烯绝缘软电缆BVVB—铜芯聚氯乙烯绝缘聚氯乙烯护套扁型电缆JKLYJ—交联聚乙烯绝缘架空电缆YC、YCW—重型橡套软电缆YZ、YZW—中型橡套软电缆YQ、YQW—轻型橡套软电缆YH—电焊机电缆3、规格规格又由额定电压、芯数及标称截面组成。
常用电线电缆型号、规格及标准编号常用基础知识2019-2-1影月郑州目录一、电线电缆型号 (2)1、型号的含义 (2)(1)类别、用途代号 (2)(2)导体代号 (2)(3)绝缘层代号 (2)(4)护层代号 (3)(5)特征代号 (3)(6)铠装层代号 (3)(7)外护层代号 (3)2、最常用的电气装备用电线电缆及电力电缆的型号示例 (3)二、电线电缆规格 (4)三、电线电缆标准编号 (5)四、电线电缆标注举例说明 (6)五、电线电缆的主要材料 (6)1、铜丝: (6)2、铝线: (7)3、聚氯乙烯(PVC): (7)4、聚乙烯(PE): (7)5、交联聚乙烯(XLPE): (8)六、电线电缆工序中产品质量要求、常见问题及解决方法 (10)七、附录:常见电缆的型号如下 (10) (10) (11)3、控制电缆: (11)4、电梯电缆: (12)5、变频器电缆: (12)6、电焊机电缆: (12)7、橡套电缆: (12)8、丁腈绝缘与护套电缆: (12)9、耐高温导线: (13)10、耐高温防腐电缆: (13)11、耐高温防腐控制电缆: (13)12、扁平移动电缆: (13)13、仪表信号用电缆: (13)14、硅橡胶绝缘耐高温、防腐、耐油电缆与控制电缆: (14)15、计算机电缆: (14)16、耐火电缆: (14)17、平行集束导线: (15)18、架空电缆: (15)常用电线电缆型号、规格及标准编号电线电缆表示方法主要由型号、规格及标准编号这三个部分组成。
一、电线电缆型号1、型号的含义电气装备用电线电缆及电力电缆的型号主要由以下七部分组成,有些特殊的电线电缆型号最后还有派生代号。
下面将最常用的电线电缆型号中字母的含义介绍一下:(1)类别、用途代号A-安装线B-绝缘线C-船用电缆K-控制电缆N-农用电缆R-软线U-矿用电缆Y-移动电缆JK-绝缘架空电缆M-煤矿用ZR-阻燃型NH-耐火型ZA-A级阻燃ZB-B级阻燃ZC-C级阻燃WD-低烟无卤型(2)导体代号T—铜导线(略)L-铝芯(3)绝缘层代号V—PVC塑料YJ—XLPE绝缘X—橡皮Y—聚乙烯料F—聚四氟乙烯(4)护层代号V-PVC套Y-聚乙烯料N-尼龙护套P-铜丝编织屏蔽P2-铜带屏蔽L-棉纱编织涂蜡克Q-铅包(5)特征代号B-扁平型R-柔软C-重型Q-轻型G-高压H-电焊机用S-双绞型(6)铠装层代号2—双钢带3—细圆钢丝4—粗圆钢丝(7)外护层代号1—纤维层2—PVC套3—PE套2、最常用的电气装备用电线电缆及电力电缆的型号示例VV—铜芯聚氯乙烯绝缘聚氯乙烯护套电力电缆VLV—铝芯聚氯乙烯绝缘聚氯乙烯护套电力电缆YJV22—铜芯交联聚乙烯绝缘钢带铠装聚氯乙烯护套电力电缆KVV—聚氯乙烯绝缘聚氯乙烯护套控制电缆227IEC 01(BV)—简称BV,一般用途单芯硬导体无护套电缆227IEC 02(RV)—简称RV,一般用途单芯软导体无护套电缆227IEC 10(BVV)—简称BVV,轻型聚氯乙烯护套电缆227IEC 52(RVV)—简称RVV,轻型聚氯乙烯护套软线227IEC 53(RVV)—简称RVV,普通聚氯乙烯护套软线BV—铜芯聚氯乙烯绝缘电线BVR—铜芯聚氯乙烯绝缘软电缆BVVB—铜芯聚氯乙烯绝缘聚氯乙烯护套扁型电缆JKLYJ—交联聚乙烯绝缘架空电缆YC、YCW—重型橡套软电缆YZ、YZW—中型橡套软电缆YQ、YQW—轻型橡套软电缆YH—电焊机电缆二、电线电缆规格规格又由额定电压、芯数及标称截面组成。
电线电缆表示方法主要由型号、规格及标准编号这三个部分组成。
1、型号的含义电气装备用电线电缆及电力电缆的型号主要由以下七部分组成:有些特殊的电线电缆型号最后还有派生代号。
下面将最常用的电线电缆型号中字母的含义介绍一下:1)类别、用途代号A-安装线 B-绝缘线 C-船用电缆K-控制电缆 N-农用电缆 R-软线U-矿用电缆 Y-移动电缆 JK-绝缘架空电缆M-煤矿用ZR-阻燃型 NH-耐火型 ZA-A级阻燃ZB-B级阻燃 ZC-C级阻燃 WD-低烟无卤型2)导体代号T—铜导线(略) L-铝芯3)绝缘层代号V—PVC塑料 YJ—XLPE绝缘X—橡皮 Y—聚乙烯料F—聚四氟乙烯4)护层代号V-PVC套 Y-聚乙烯料N-尼龙护套 P-铜丝编织屏蔽 P2-铜带屏蔽L-棉纱编织涂蜡克 Q-铅包5)特征代号B-扁平型 R-柔软C-重型 Q-轻型G-高压 H-电焊机用S-双绞型6)铠装层代号2—双钢带 3—细圆钢丝4—粗圆钢丝7)外护层代号1—纤维层 2—PVC套3—PE套2、最常用的电气装备用电线电缆及电力电缆的型号示例VV—铜芯聚氯乙烯绝缘聚氯乙烯护套电力电缆VLV—铝芯聚氯乙烯绝缘聚氯乙烯护套电力电缆YJV22—铜芯交联聚乙烯绝缘钢带铠装聚氯乙烯护套电力电缆 KVV—聚氯乙烯绝缘聚氯乙烯护套控制电缆227IEC 01(BV)—简称BV,一般用途单芯硬导体无护套电缆227IEC 02(RV)—简称RV,一般用途单芯软导体无护套电缆227IEC 10(BVV)—简称BVV,轻型聚氯乙烯护套电缆227IEC 52(RVV)—简称RVV,轻型聚氯乙烯护套软线227IEC 53(RVV)—简称RVV,普通聚氯乙烯护套软线BV—铜芯聚氯乙烯绝缘电线BVR—铜芯聚氯乙烯绝缘软电缆BVVB—铜芯聚氯乙烯绝缘聚氯乙烯护套扁型电缆JKLYJ—交联聚乙烯绝缘架空电缆YC、YCW—重型橡套软电缆YZ、YZW—中型橡套软电缆YQ、YQW—轻型橡套软电缆YH—电焊机电缆3、规格规格又由额定电压、芯数及标称截面组成。
常用电线电缆详细标注说明电线是由一根或几根柔软的导线组成,外面包以轻软的护层;电缆是由一根或几根绝缘包导线组成,外面再包以金属或橡皮制的坚韧外层。
电缆与电线一般都由芯线、绝缘包皮和保护外皮三个组成部分组成。
常用电缆的特性如下:CEF——乙丙橡胶绝缘氯丁橡胶护套,船用阻燃电力电缆。
CVV——聚氯乙烯绝缘,聚氯乙烯护套船用阻燃电力电缆。
氧舱电线常采用BV,BX,RV,RVV系列电线,其中:BV——铜芯聚氯乙烯绝缘电线,长期允许温度65℃,最低温度-15℃,工作电压交流500V,直流1000V,固定敷设于室内、外,可明敷也可暗敷。
BX——铜芯橡皮绝缘线,最高使用温度65℃,敷于室内。
RV——聚氯乙烯绝缘单芯软线,最高使用温度65℃,最低使用温度-15℃,工作电压交流250V,直流500V,用作仪器和设备的内部接线。
RVV——铜芯聚氯乙烯绝缘和护套软电线,允许长期工作温度105℃,工作电压交流500V ,直流1000V,用于潮湿,机械防护要求高,经常移动和弯曲的场合。
其实,“电线”和“电缆”并没有严格的界限。
通常将芯数少、产品直径小、结构简单的产品称为电线,没有绝缘的称为裸电线,其他的称为电缆;导体截面积较大的(大于6平方毫米)称为大电线,较小的(小于或等于6平方毫米)称为小电线,绝缘电线又称为布电线这样说比较简单,容易理解!! 电缆一般有2层以上的绝缘,多数是多芯结构,绕在电缆盘上,长度一般大于100米。
电线一般是单层绝缘,单芯,100米一卷,无线盘。
电缆常见型号:VV表示:聚氯乙烯绝缘(第一个V),聚氯乙烯护套(第二个V)YJV22表示:交连聚氯乙烯绝缘(YJ),聚氯乙烯护套(V),钢带凯装(22)型号加“ZR”或“FR”的为阻燃电缆(电线)。
电线电缆表示方法主要由型号电线电缆表示方法主要由型号、规格及标准编号这三个部分组成。
1、型号的含义电气装备用电线电缆及电力电缆的型号主要由以下七部分组成:有些特殊的电线电缆型号最后还有派生代号。
下面将最常用的电线电缆型号中字母的含义介绍一下:1)类别、用途代号A-安装线B-绝缘线C-船用电缆K-控制电缆N-农用电缆R-软线U-矿用电缆Y-移动电缆JK-绝缘架空电缆M-煤矿用ZR-阻燃型NH-耐火型ZA-A级阻燃ZB-B级阻燃ZC-C级阻燃WD-低烟无卤型2)导体代号T—铜导线(略)L-铝芯3)绝缘层代号V—PVC塑料YJ—XLPE绝缘X—橡皮Y—聚乙烯料F—聚四氟乙烯4)护层代号V-PVC套Y-聚乙烯料N-尼龙护套P-铜丝编织屏蔽P2-铜带屏蔽L-棉纱编织涂蜡克Q-铅包5)特征代号B-扁平型R-柔软C-重型Q-轻型G-高压H-电焊机用S-双绞型6)铠装层代号2—双钢带3—细圆钢丝4—粗圆钢丝7)外护层代号1—纤维层2—PVC套3—PE套2、最常用的电气装备用电线电缆及电力电缆的型号示例VV—铜芯聚氯乙烯绝缘聚氯乙烯护套电力电缆VLV—铝芯聚氯乙烯绝缘聚氯乙烯护套电力电缆YJV22—铜芯交联聚乙烯绝缘钢带铠装聚氯乙烯护套电力电缆KVV—聚氯乙烯绝缘聚氯乙烯护套控制电缆227IEC 01(BV)—简称BV,一般用途单芯硬导体无护套电缆227IEC 02(RV)—简称RV,一般用途单芯软导体无护套电缆227IEC 10(BVV)—简称BVV,轻型聚氯乙烯护套电缆227IEC 52(RVV)—简称RVV,轻型聚氯乙烯护套软线227IEC 53(RVV)—简称RVV,普通聚氯乙烯护套软线BV—铜芯聚氯乙烯绝缘电线BVR—铜芯聚氯乙烯绝缘软电缆BVVB—铜芯聚氯乙烯绝缘聚氯乙烯护套扁型电缆JKLYJ—交联聚乙烯绝缘架空电缆YC、YCW—重型橡套软电缆YZ、YZW—中型橡套软电缆YQ、YQW—轻型橡套软电缆YH—电焊机电缆3、规格规格又由额定电压、芯数及标称截面组成。
电线电缆的芯数根据实际需要来定,一般电力电缆主要有1、2、3、4、5芯,电线主要也是1~5芯,控制电缆有1~61芯。
标称截面是指导体横截面的近似值。
为了达到规定的直流电阻,方便记忆并且统一而规定的一个导体横截面附近的一个整数值。
我国统一规定的导体横截面有0.5、0.75、1、1.5、2.5、4、6、10、16、25、35、50、70、95、120、150、185、240、300、400、500、630、800、1000、1200等。
这里要强调的是导体的标称截面不是导体的实际的横截面,导体实际的横截面许多比标称截面小,有几个比标称截面大。
实际生产过程中,只要导体的直流电阻能达到规定的要求,就可以说这根电缆的截面是达标的。
(三)电线电缆标准编号我们现在生产的电线电缆绝大部分国家或行业都有明确的标准规定的,主要的目的当然为使设计、使用统一。
我这里主要介绍几个产品电线电缆标准编号。
1)GB 5023-1997额定电压450/750V及以下聚氯乙烯绝缘电缆2)JB 8734-1998额定电压450/750V及以下聚氯乙烯绝缘电缆电线和软线2)GB 5013-1997额定电压450/750V及以下橡皮绝缘电缆3)GB/T 12706-2002额定电压1kV到35kV挤包绝缘电力电缆及附件4)GB/T 9330-1988塑料绝缘控制电缆(四)电线电缆标注举例说明a) VV-0.6/1 3×150+1×70 GB/T 12706.2-2002铜芯聚氯乙烯绝缘聚氯乙烯护套电力电缆,额定电压为0.6/1kv,3+1芯,主线芯的标称截面为150mm2,第四芯截面为70mm2。
b) BVVB-450/750V 2×1.5 JB 8734.2-1998铜芯聚氯乙烯绝缘聚氯乙烯护套扁型电缆,额定电压为450/750v,2芯,导体的标称截面为1.5mm2。
c) YJLV22-8.7/10 3×120 GB/T 12706.3-2002铝芯交联聚乙烯绝缘钢带铠装聚氯乙烯护套电力电缆,额定电压为8.7/10kv,3芯,主线芯的标称截面为120mm2。
电线电缆表示方法主要由型号、规格及标准编号这三个部分组成。
1、型号的含义电气装备用电线电缆及电力电缆的型号主要由以下七部分组成:有些特殊的电线电缆型号最后还有派生代号。
下面将最常用的电线电缆型号中字母的含义介绍一下:1)类别、用途代号A-安装线 B-绝缘线 C-船用电缆K-控制电缆 N-农用电缆 R-软线U-矿用电缆 Y-移动电缆 JK-绝缘架空电缆M-煤矿用ZR-阻燃型 NH-耐火型 ZA-A级阻燃ZB-B级阻燃 ZC-C级阻燃 WD-低烟无卤型2)导体代号T—铜导线(略) L-铝芯3)绝缘层代号V—PVC塑料 YJ—XLPE绝缘X—橡皮 Y—聚乙烯料F—聚四氟乙烯4)护层代号V-PVC套 Y-聚乙烯料N-尼龙护套 P-铜丝编织屏蔽 P2-铜带屏蔽L-棉纱编织涂蜡克 Q-铅包5)特征代号B-扁平型 R-柔软C-重型 Q-轻型G-高压 H-电焊机用S-双绞型6)铠装层代号2—双钢带 3—细圆钢丝4—粗圆钢丝7)外护层代号1—纤维层 2—PVC套3—PE套2、最常用的电气装备用电线电缆及电力电缆的型号示例VV—铜芯聚氯乙烯绝缘聚氯乙烯护套电力电缆VLV—铝芯聚氯乙烯绝缘聚氯乙烯护套电力电缆YJV22—铜芯交联聚乙烯绝缘钢带铠装聚氯乙烯护套电力电缆 KVV—聚氯乙烯绝缘聚氯乙烯护套控制电缆227IEC 01(BV)—简称BV,一般用途单芯硬导体无护套电缆227IEC 02(RV)—简称RV,一般用途单芯软导体无护套电缆227IEC 10(BVV)—简称BVV,轻型聚氯乙烯护套电缆227IEC 52(RVV)—简称RVV,轻型聚氯乙烯护套软线227IEC 53(RVV)—简称RVV,普通聚氯乙烯护套软线BV—铜芯聚氯乙烯绝缘电线BVR—铜芯聚氯乙烯绝缘软电缆BVVB—铜芯聚氯乙烯绝缘聚氯乙烯护套扁型电缆JKLYJ—交联聚乙烯绝缘架空电缆YC、YCW—重型橡套软电缆YZ、YZW—中型橡套软电缆YQ、YQW—轻型橡套软电缆YH—电焊机电缆3、规格规格又由额定电压、芯数及标称截面组成。
电线电缆表示方法主要由型号、规格及标准编号这三个部分组成。
1、型号的含义电气装备用电线电缆及电力电缆的型号主要由以下七部分组成:有些特殊的电线电缆型号最后还有派生代号。
下面将最常用的电线电缆型号中字母的含义介绍一下:1)类别、用途代号A-安装线B-绝缘线C-船用电缆K-控制电缆N-农用电缆R-软线U-矿用电缆Y-移动电缆JK-绝缘架空电缆M-煤矿用ZR-阻燃型NH-耐火型ZA-A级阻燃ZB-B级阻燃ZC-C级阻燃WD-低烟无卤型2)导体代号T—铜导线(略)L-铝芯3)绝缘层代号V—PVC塑料YJ—XLPE绝缘X—橡皮Y—聚乙烯料F—聚四氟乙烯4)护层代号V-PVC套Y-聚乙烯料N-尼龙护套P-铜丝编织屏蔽P2-铜带屏蔽L-棉纱编织涂蜡克Q-铅包5)特征代号B-扁平型R-柔软C-重型Q-轻型G-高压H-电焊机用S-双绞型6)铠装层代号2—双钢带3—细圆钢丝4—粗圆钢丝7)外护层代号1—纤维层2—PVC套3—PE套2、最常用的电气装备用电线电缆及电力电缆的型号示例VV—铜芯聚氯乙烯绝缘聚氯乙烯护套电力电缆VLV—铝芯聚氯乙烯绝缘聚氯乙烯护套电力电缆YJV22—铜芯交联聚乙烯绝缘钢带铠装聚氯乙烯护套电力电缆KVV—聚氯乙烯绝缘聚氯乙烯护套控制电缆227IEC 01(BV)—简称BV,一般用途单芯硬导体无护套电缆227IEC 02(RV)—简称RV,一般用途单芯软导体无护套电缆227IEC 10(BVV)—简称BVV,轻型聚氯乙烯护套电缆227IEC 52(RVV)—简称RVV,轻型聚氯乙烯护套软线227IEC 53(RVV)—简称RVV,普通聚氯乙烯护套软线BV—铜芯聚氯乙烯绝缘电线BVR—铜芯聚氯乙烯绝缘软电缆BVVB—铜芯聚氯乙烯绝缘聚氯乙烯护套扁型电缆JKLYJ—交联聚乙烯绝缘架空电缆YC、YCW—重型橡套软电缆YZ、YZW—中型橡套软电缆YQ、YQW—轻型橡套软电缆YH—电焊机电缆3、规格规格又由额定电压、芯数及标称截面组成。
电线及控制电缆等一般的额定电压为300/300V、300/500V、450/750V;中低压电力电缆的额定电压一般有0.6/1kv、1.8/3kv、3.6/6kv、6/6(10)KV、8.7/10(15)kv、12/20kv、18/20(30)kv、21/35kv、26/35kv等。
电线电缆的芯数根据实际需要来定,一般电力电缆主要有1、2、3、4、5芯,电线主要也是1~5芯,控制电缆有1~61芯。
标称截面是指导体横截面的近似值。
为了达到规定的直流电阻,方便记忆并且统一而规定的一个导体横截面附近的一个整数值。
我国统一规定的导体横截面有0.5、0.75、1、1.5、2.5、4、6、10、16、25、35、50、70、95、120、150、185、240、300、400、500、630、800、1000、1200等。
这里要强调的是导体的标称截面不是导体的实际的横截面,导体实际的横截面许多比标称截面小,有几个比标称截面大。
实际生产过程中,只要导体的直流电阻能达到规定的要求,就可以说这根电缆的截面是达标的。
4、标准编号我们现在生产的电线电缆绝大部分国家或行业都有明确的标准规定的,主要的目的当然为使设计、使用统一。
我这里主要介绍几个与我公司生产产品相关的电线电缆标准编号。
1)GB 5023-1997额定电压450/750V及以下聚氯乙烯绝缘电缆2)JB 8734-1998额定电压450/750V及以下聚氯乙烯绝缘电缆电线和软线2)GB 5013-1997额定电压450/750V及以下橡皮绝缘电缆3)GB/T 12706-2002额定电压1kV到35kV挤包绝缘电力电缆及附件4)GB/T 9330-1988塑料绝缘控制电缆5、举例说明a) VV-0.6/1 3×150+1×70 GB/T 12706.2-2002铜芯聚氯乙烯绝缘聚氯乙烯护套电力电缆,额定电压为0.6/1kv,3+1芯,主线芯的标称截面为150mm2,第四芯截面为70mm2。
b) BVVB-450/750V 2×1.5 JB 8734.2-1998铜芯聚氯乙烯绝缘聚氯乙烯护套扁型电缆,额定电压为450/750v,2芯,导体的标称截面为1.5mm2。
c) YJLV22-8.7/10 3×120 GB/T 12706.3-2002铝芯交联聚乙烯绝缘钢带铠装聚氯乙烯护套电力电缆,额定电压为8.7/10kv,3芯,主线芯的标称截面为120mm2。
四、电缆主要材料1、铜丝:采用电解铜作为原料,经连铸连轧工艺制成的的铜线称为低氧铜线;经上引法制成的铜线称为无氧铜线。
低氧铜线含氧量为100~250ppm,含铜量为99.9~9.95%,导电率为100~101%。
无氧铜线含氧量为4~20ppm,含铜量为99.96~9.99%,导电率为102%。
铜的比重为8.9g/cm3。
2、铝线:用作电线用的铝线都要进行退火软化过。
用作电缆用的铝线一般不用软化。
电线电缆用的铝的电阻率要求达到0.028264Ω.mm2/m,铝的比重为2.703g/cm3。
3、聚氯乙烯(PVC):聚氯乙烯塑料是以聚氯乙烯树脂为基础,加入各种配合剂混合而成的,如防老剂、抗氧剂、填料、光亮剂、阻燃剂等,其密度为1.38~1.46g/cm3左右。
聚氯乙烯材料的特点:力学性能优越,耐化学腐蚀,不延燃,耐候性好,电绝缘性能好,容易加工等。
聚氯乙烯材料的缺点:①燃烧时有大量有毒的烟雾发出;②热老化性能差。
聚氯乙烯有绝缘料与护套料之分。
4、聚乙烯(PE):聚乙烯是由精制的乙烯聚合而成的,按密度可分为低密度聚乙烯(LDPE)、中密度聚乙烯(MDPE)、高密度聚乙烯(HDPE)。
低密度聚乙烯的密度一般为0.91~0.925g/cm3;中密度聚乙烯的密度一般为0.925~0.94g/cm3;高密度聚乙烯的密度一般为0.94~0.97g/cm3。
聚乙烯材料的优点:①绝缘电阻和耐电压强度高;②在较宽的频带范围内,介电常数ε和介质损耗角正切值tgδ小;③富于可挠性,耐磨性能好;④耐热老化性能、低温性能及耐化学稳定性好;⑤耐水性能好,吸湿率低;⑥用它制作的电缆质量轻,使用敷设方便。
聚乙烯材料的缺点:①接触火焰时易燃烧;②软化温度较低。
5、交联聚乙烯(XLPE):现在电缆行业使用的主要有二种类型的交联聚乙烯。
一种是以硅烷作交联剂的,叫硅烷交联料,主要应用在低压电线电缆的绝缘层上。
另一种是以过氧化二异丙苯(DCP)作交联剂的交联聚乙烯料,其主要是由聚乙烯、交联剂和抗氧剂组成。
主要应用在中、高压电缆的绝缘层上,对绝缘耐压等级越高,要求纯净度就越高。
DCP是一种过氧化物,温度越高,分解越快,其分解后就会催化聚乙烯起交联反应。
DCP在常温下也会分解,不过分解速度很慢,但加热到一定的温度(温度超过125℃时)会快速分解。
硅烷交联剂也有同样的性能,但它还需要有水来作助剂,才能起到完全的接枝反应。
现在的硅烷交联聚乙烯市场上主要有二种类型,一种叫一步法,一种叫二步法(这种叫法与学术上的硅烷交联叫法不同)。
一步法的绝缘料是交联剂与催化剂已预先混好,也有叫成共聚物法料;二步法料是分A料与B料,在生产前将A、B料拌匀。
一步法的料贮藏时间很短,二步法的料主料与催化剂料分开,所以贮藏时间较长,但混合后的料必须要马上用掉。
另外,硅烷交联料中还可以加入碳黑母料,起到耐气候作用,用在绝缘架空电缆系列产品中。
交联聚乙烯材料的优点:电气性能比聚乙烯还优良;其机械性能比聚乙烯好,所以应用比聚乙烯广泛。
软化温度比PVC高,电缆正常的运行温度能达到90℃。
缺点是加工困难,易燃烧。
五、工序中产品质量要求、常见问题及解决方法公司各工序的产品质量要求、常见问题及解决方法在公司颁发的《各工序检验规程》、《各设备操作及安全规程》中有详细的规定。
作为各岗位的操作人员必须熟练掌握本操作岗位的相关知识。
再通过在实践中积累经验,成为一名合格的操作员工。
六、检验及测量1)检验的重要性下面来讲一讲检验的重要性。
对于企业来说,产品的质量是企业的信誉和市场营销的根本。
电线电缆的产品质量主要由几大因素组成?概括来讲,有原材料、设备、工艺、制造技术及检验等这五大主要因素。
大家经常听说是这样讲的:产品质量是制造出来的,不是检验出来的。
这实际上是一句典型的中国哲学家讲的哲理。
事实上产品质量制造技术是根本,检验把关是关键。
从五大主要因素来看,原材料的好坏,是否按工艺要求进行加工,制造各环节有没有质量问题,最终成品能否达到要求等都是靠检验人员和操作工根据相应的标准来检验发现的。
我们工厂检验主要有三大环节。
第一个是原材料检验,第二个是工序检验,第三是成品检验。
不要认为检验就是检验人员的事情,其实工序检验中分二块,一块是检验员对工序生产中的半成品进行检验,另一块重要的环节就是操作工进行的自检和互检。
检验员可能只能检查到表面现象,操作工的自检和互检才是产品质量的根本保证。
操作人员在生产过程中一发现质量问题,马上可以自己进行判断好坏,如果判断不了,可以请检验人员或相关技术人员进行。
所以一个合格的操作工,不仅要会熟练操作设备,更要熟悉所要生产的产品的质量要求,会检验产品的质量是否达到工艺要求。
当然,对生产中出现的有质量问题的产品必须进行严格考核,从小到大,从轻到重,有一套完整的考核办法。
不然一切的检验工作的作用都会被弱化,甚至无法达到产品质量把关作用。
2)常用测量工具常用的测量外径和厚度的工具有千分尺、游标卡尺、投影仪;常用的测量长度的工具有游标卡尺、圈尺、直尺、皮尺、机械计米器、电子计米器等;常用测量温度的工具为温度计、热电偶测温仪等。
我公司常用的测量器具还有电子枰、万用表、真空压力表、设备上的气压表、电流表、电压表、转速表等。
3)基本测量方法1.圆形导体尺寸测量使用工具:外径千分尺或游标卡尺测量步骤:(1)圆形导体直径及f值测量取1m左右的试样,将导线试样弄直,在垂直于试样轴线的同一截面上,在相互垂直的方向上进行测量,可得D1和D2,这样的测量在试样的两端及中间共测量三处;得6个数据,取其平均值。
D平均= (D1+D2+…+D6)/6(2)f值就是导体的不圆度,f值用同一截面上测量的最大读数与最小读数之差来定义。
按上述测量结果取三个截面上测得的直径之差中的最大一个差值,作为f值。
2.绝缘厚度及护套厚度测量使用工具:测量投影仪测量步骤:(1)制片;(2)测出试片的最薄点,作为第一测量点;(3)当试片为圆形时,沿试片圆周尽可能等距离地测量6点,如图4-1。
(4)当试片内表面是绞合线芯线痕时,各点上的厚度应按图4-2所示在线痕凹槽底部最薄处,沿试片圆周尽可能等距离测量6点。
(5)扇形线芯应按图4-3所示测量6点。