最新中考初三化学实验装置图汇总
- 格式:doc
- 大小:5.14 MB
- 文档页数:11
中学化学实验中常见气体制备装置归纳一、气体发生装置:根据反应物状态及反应条件选择发生装置气体固体、固体−→−+∆1()()。
在试管口处放一团棉花应注意事项:粉末状固体反应容器:试管21()()()643212、注意事项:见图分液漏斗;加液容器:长颈漏斗、锥形瓶;、广口瓶反应容器:试管、烧瓶气体液体、固体−→−+图2图3图4图5图6()启普发生器及改良4图7图8图9图10图11图12()()()17163213、注意事项:见图加液容器:分液漏斗反应容器:试管、烧瓶气体”液体气体”或“液体液体、“固体−→−+−→−+∆∆图1图13图14图15图16图17二、气体收集装置:根据气体的密度和溶解性选择、排空气法1图18图19图20图21图22图23、排水法2、贮气瓶3三、尾气处理装置:根据多余气体的性质选择气体、在水中溶解性不大的1图27、燃烧或袋装法2(图28、图29)气体:防倒吸。
、在水中溶解性很大的.3图26图24图25图28图29图30 图31图32图33图34图35图36图37图38四、气体净化装置:根据净化剂的状态和条件选择图39图40图41图42五、气体性质实验装置:根据反应物的状态及反应的条件选择、常温反应装置1 、加热反应装置2、冷却反应装置3六、排水量气装置:测量气体的体积相平。
中左短水位与右端水位中水相平,图中量器内的水位与水槽注意事项:图5250图43图44图45图46图47图48图49图50图51图52图53[例题]有下列实验装置如图8-1:示意图中A是简易的氢气发生器,B是大小适宜的圆底烧瓶,C是装有干燥剂的U形管,a是旋转活塞,D是装有还原铁粉的反应管,E是装有酚酞的试管。
实验前先检查实验装置的气密性。
实验开始时,先关闭活塞a,并取下烧瓶B;向A中加入一定量适当浓度的盐酸,产生氢气。
经必要的“操作”〔见问题(2)〕后,在导管的出口处点燃氢气,然后如图所示套上烧瓶B,塞紧瓶塞,氢气在烧瓶中继续燃烧,用酒精灯加热反应管D中的还原铁粉,待B中氢气的火焰熄灭后,打开活塞a,气体通过反应管D 进入试管E中,使酚酞试液呈红色。
中考初三化学实验装置图汇总1. 发生装置(常规)(可控制反应进程)2. 净化装置除杂质气体图39 除水蒸气 图40 除水蒸气 图41 除CO 、H2等与金属氧化物反应气体图423. 收集装置4.尾气处理装置5.量气体体积装置6.气密性的检查装置连接→气密性检查→装固体药品→加液体药品→气体制取、冷却反应装置8注意事项:图5250中量器内的水位与水槽相平。
中左短水位与右端水位中水相平,图下列各图所示装置的气密性检查中,漏气的是()例 3.甲酸(HCOOH)通常是一种无色易挥发的液体,它在浓硫酸作用下易分解,反应方程式为: HCOOH浓硫酸CO↑+H2O ,某课外活动小组的同学欲用该反应来制取CO,并还原红棕色的氧化铁粉末。
现有下列仪器或装置供选择:(1)用甲酸滴入浓硫酸的方法制取CO,应选(填序号)装置;如果要除去CO中混有少量甲酸气体,最好选择上图中(填序号)进行洗气。
(2)用上述方法制取的CO还原氧化铁,并检验气体产物,则各仪器的接口连接顺序为:(填字母)。
(3)在对氧化铁粉末加热前,为安全起见,应进行的一项重要操作是。
(4)从开始加热到实验结束,氧化铁粉末的颜色变化为,反应方程式为。
(5)上述实验的尾气不能直接排放到空气中,请你说出一种处理尾气的方法:。
(6)在该制取CO的反应中,浓硫酸所起的是作用。
二、中考化学推断题2.A、B、C、D 是初中化学常见的物质。
自然界中 C 转化为 A 为光合作用,B、C 为所含元素相同的氧化物,D 常用来实验室制取二氧化碳。
它们之间的转化关系如图所示(其中部分反应物、生成物和反应条件已略去)。
(1)写出 C 的一种用途__________;B 转化为 C,且生成物中有红色固体生成的化学方程式为__________。
(2)写出 D 通过分解反应转化为 C 的化学方程式__________。
【答案】用来灭火 CO+CuO ∆Cu+CO2 CaCO3∆CaO+CO2↑【解析】【分析】由题干信息,自然界中 C 转化为 A 为光合作用,B、C 为所含元素相同的氧化物,D 常用来实验室制取二氧化碳。
九年级化学仪器装置图大全一、成套装置 (2)1.制氯气: (2)2.实验室制乙烯: (2)3.蒸馏、分馏 (3)4.氢气还原氧化铜: (4)5.制SO3 (4)6.喷泉 (4)7.酯化 (4)8.制Fe(OH)2 (5)9.合成无水三氯化铁: (5)10.合成无水四氯化锡: (5)11.其它 (6)12.原电池、电解池 (6)二、组合装置 (8)1.两通管加热 (8)2.固~固加热,制气 (8)3.固~液、液~液加热,制气 (9)4.固~液不加热,制气 (9)5.启普发生器 (9)6.水浴加热 (10)7.洗气瓶 (11)8.干燥装置 (11)9.集气装置 (11)10.量气装置 (12)11.尾气吸收 (12)三、容器 (12)1.试管 (12)2.烧杯 (13)3.烧瓶、蒸馏瓶 (13)4.锥形瓶 (13)5.试剂瓶 (13)6.U形管 (14)7.干燥类 (14)8.冷凝管、牛角管 (14)9.漏斗 (14)10.水槽 (15)11.计量类 (15)12.加热类 (16)13.导管 (17)14.橡管、塞、活塞、接口 (17)15.其它 (17)一、成套装置1.制氯气:2.实验室制乙烯:3.蒸馏、分馏4.氢气还原氧化铜:5.制SO 36.喷泉7.酯化338.制Fe(OH)29.合成无水三氯化铁:10.合成无水四氯化锡:NaOHH 2SO 411.其它气球12.原电池、电解池24A B C D水准管溶液颗粒 3 NaOH 溶液 4溶液ABH 2SO 4 CH 2SO 4 AH 2SO 4 2甲CuSO 4溶液Fe(OH)3胶体饱和NaCl 溶液乙丙丁直流电源A 氢氧化钠溶液直流电源B氢氧化钠溶液润湿的 S 2 F蒸馏水 沸腾 蒸馏水 硅胶干燥剂 食盐水 自来水 自来水 ① ②③ ④ ⑤⑥24ZnSO 4CuSO 4DC 24九年级化学实验仪器二、组合装置1.两通管加热2.固~固加热,制气3.固~液、液~液加热,制气4.固~液不加热,制气5.启普发生器6.水浴加热多孔隔板多孔隔板7.洗气瓶8.干燥装置9.集气装置10.量气装置11.尾气吸收三、容器1.试管水准管2O 4这二个是自画2.烧杯3.烧瓶、蒸馏瓶4个自画4.锥形瓶自制)5.试剂瓶6.U形管2个自画7.干燥类8.冷凝管、牛角管3个自画9.漏斗10.水槽11.计量类这行是自画14.橡管、塞、活塞、接口15.其它.Al气球A苹果块4A B C D水准管。
中考初三化学实验装置图汇总1. 发生装置 (常规)(可控制反应进程)2. 净化装置除杂质气体 图39除水蒸气 图40除水蒸气 图41 除CO 、H2等与金属氧化物反应气体图423. 收集装置4.尾气处理装置5.量气体体积装置6.气密性的检查装置连接→气密性检查→装固体药品→加液体药品→气体制取、冷却反应装置8注意事项:图5250中量器内的水位与水槽相平。
中左短水位与右端水位中水相平,图下列各图所示装置的气密性检查中,漏气的是()例 3.甲酸(HCOOH)通常是一种无色易挥发的液体,它在浓硫酸作用下易分解,反应方程式为: HCOOH浓硫酸CO↑+H2O ,某课外活动小组的同学欲用该反应来制取CO,并还原红棕色的氧化铁粉末。
现有下列仪器或装置供选择:(1)用甲酸滴入浓硫酸的方法制取CO,应选(填序号)装置;如果要除去CO中混有少量甲酸气体,最好选择上图中(填序号)进行洗气。
(2)用上述方法制取的CO还原氧化铁,并检验气体产物,则各仪器的接口连接顺序为:(填字母)。
(3)在对氧化铁粉末加热前,为安全起见,应进行的一项重要操作是。
(4)从开始加热到实验结束,氧化铁粉末的颜色变化为,反应方程式为。
(5)上述实验的尾气不能直接排放到空气中,请你说出一种处理尾气的方法:。
(6)在该制取CO的反应中,浓硫酸所起的是作用。
二、中考化学推断题2.某工厂的废液中含有FeCl2、MgCl2、CuCl2,向其中加入一定量的锌粉,充分反应后过滤,向滤渣中加入稀盐酸有气泡产生,下列分析正确的是A.滤渣中一定有Cu、Zn,可能有Fe,滤液中一定有MgCl2、ZnCl2B.滤渣中一定有Cu、Fe,滤液中一定有MgCl2、ZnCl2C.滤渣中一定有Cu、Fe、Zn,滤液中可能有FeCl2D.滤渣中一定有Cu、Fe,可能有Zn,滤液中可能有CuCl2【答案】B【解析】【详解】四种金属的活动性顺序:镁>锌>铁>铜,向含有FeCl2、MgCl2、CuCl2的废液中,加入一定量的锌粉,锌不能氯化镁反应,不能置换出镁,能将铁和铜从溶液中置换出来,锌先与氯化铜反应,后与氯化亚铁反应,充分反应后过滤,滤渣中加入稀盐酸有气泡产生,说明滤渣中一定有铜、铁,可能有锌;滤液中一定有氯化镁、氯化锌可能有氯化亚铁,一定没有氯化铜。
中考初三化学实验装置图汇总1. 发生装置 (常规)(可控制反应进程)2. 净化装置除杂质气体 图39除水蒸气 图40除水蒸气 图41 除CO 、H2等与金属氧化物反应气体图423. 收集装置4.尾气处理装置5.量气体体积装置6.气密性的检查装置连接→气密性检查→装固体药品→加液体药品→气体制取、冷却反应装置8注意事项:图5250中量器内的水位与水槽相平。
中左短水位与右端水位中水相平,图下列各图所示装置的气密性检查中,漏气的是()例 3.甲酸(HCOOH)通常是一种无色易挥发的液体,它在浓硫酸作用下易分解,反应方程式为: HCOOH浓硫酸CO↑+H2O ,某课外活动小组的同学欲用该反应来制取CO,并还原红棕色的氧化铁粉末。
现有下列仪器或装置供选择:(1)用甲酸滴入浓硫酸的方法制取CO ,应选 (填序号)装置;如果要除去CO 中混有少量甲酸气体,最好选择上图中 (填序号)进行洗气。
(2)用上述方法制取的CO 还原氧化铁,并检验气体产物,则各仪器的接口连接顺序为: (填字母)。
(3)在对氧化铁粉末加热前,为安全起见,应进行的一项重要操作是 。
(4)从开始加热到实验结束,氧化铁粉末的颜色变化为 , 反应方程式为 。
(5)上述实验的尾气不能直接排放到空气中,请你说出一种处理尾气的方法: 。
(6)在该制取CO 的反应中,浓硫酸所起的是 作用。
二、中考化学推断题2.A ~I 是初中化学常见的物质,其中B 是红棕色粉末,A 、C 常温下是气体,A 和B 在高温下反应能生成C 和D ;B 和E 反应生成黄色的G 溶液;F 溶液和G 溶液反应能生成H 、I 两种沉淀,其中H 不溶于稀硝酸。
(1)物质I 的化学式是____;固态C 的俗名是____。
(2)A 和B 反应的化学方程式为:____;B 和E 反应的化学方程式为:____,该反应在工业上可用于____。
(3)物质F 属于____(填“酸”、“碱”、“盐”或“氧化物”)。
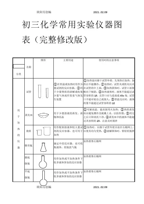
初三化学常用实验仪器图表(完整修改版)时分类名称 图形 主要用途 使用时的注意事项用 于 加 热 的 仪 器试管①在常温或加热时用作少量试剂的反应容器;②用于少量物质的溶解或收集少量气体或作简易气体发生装置 ①加热前应擦干试管外壁,先预热后加热,加热后不能骤冷;②加热时,试管夹或铁夹应夹在试管的中上部;③加热固体时,试管口部要略向下倾斜;④加热液体时,液体不能超过试管容积的1/3,且管口应与桌面成45o 角,试管口不能对着自己或别人;⑤常温反应时,液体的量不能超过试管容积的1/2 蒸发皿用于少量溶液的蒸发、浓缩和结晶 ①可耐高温,能直接用火加热;②热的蒸发皿应避免骤冷及被溅上水,以防炸裂;③用完之后立即清洗干净;④蒸发皿中的液体不能超过其容积的2/3,注意及时搅拌 烧杯用作配制溶液和较大量试剂的反应容器,也可用于加热①加热时,应擦干试管外壁并放在石棉网上,以使其均匀受热;②溶解固体时,要轻轻搅拌 锥形瓶滴定中的反应器,也可收集液体,组装洗气瓶加热要垫石棉网圆底 烧瓶用作加热或不加热条件下较多液体参加的反应容器加热要垫石棉网平底 烧瓶用作加热或不加热条件下较多液体参加的反应容器加热要垫石棉网燃烧匙少量固体燃烧反应器可以直接加热;硫磺等物燃烧实验应在匙底垫少许石棉或细砂加热仪器酒精灯用于加热①添加酒精时,不得超过酒精灯容积的2/3,也不能少于1/3;②严禁用燃着的酒精灯去点燃另一只酒精灯;③用酒精灯的外焰给物质加热;④不加热时,应用灯帽盖灭,不可用嘴吹灭盛放物质的仪器细口瓶用于盛放液体试剂不能用于加热;广口瓶用于盛放固体试剂,也可以做洗气瓶不能用于加热;集气瓶①用作收集或贮存少量气体;②用于有关气体的化学反应①不能用于加热;②做物质在气体里燃烧的实验时,如有高温固体物质生成,应预先在瓶底铺一薄层细沙或装入少量的水滴瓶滴管用于吸取和滴加少量液体,滴瓶用于盛放液体药品①手捏胶头排气后深入液体中,松开手指吸液,不可反复捏胶头;②胶头滴管滴液时,滴管应悬空放在容器口上方,不要接触容器壁,以免沾污滴管或造成试剂污染;③取液后的滴管应保持橡胶乳头在上,不可吸液过满,不要平放或倒置,防止试液倒流,腐蚀橡胶乳头④胶头滴管用过后应立即洗净,再去吸取其他药品;滴瓶上的滴管用完后不必清洗但要立即放回原瓶上,以免放错位置或污染试剂;计量仪器托盘天平用于粗略称量物质的质量,一般只能称准至0.1g①称量前,将游码拨到标尺“0”处,调节螺母调节零点;②称量时,左盘放称量物,右盘放砝码,不能称量热物质;③称量物需放在纸、表面皿或烧杯中量筒度量液体体积①不能加热,不能用作反应容器;②与胶头滴管配套使用③根据量取液体体积的多少,选择适合的量程的量筒;④量液时,量筒必须水平放置。
中考初三化学实验装置图汇总1. 发生装置(常规)(可控制反应进程)2. 净化装置除杂质气体图39 除水蒸气 图40 除水蒸气 图41 除CO 、H2等与金属氧化物反应气体图423. 收集装置4.尾气处理装置5.量气体体积装置6.气密性的检查装置连接→气密性检查→装固体药品→加液体药品→气体制取、冷却反应装置8注意事项:图5250中量器内的水位与水槽相平。
中左短水位与右端水位中水相平,图下列各图所示装置的气密性检查中,漏气的是()例 3.甲酸(HCOOH)通常是一种无色易挥发的液体,它在浓硫酸作用下易分解,反应方程式为: HCOOH浓硫酸CO↑+H2O ,某课外活动小组的同学欲用该反应来制取CO,并还原红棕色的氧化铁粉末。
现有下列仪器或装置供选择:(1)用甲酸滴入浓硫酸的方法制取CO,应选(填序号)装置;如果要除去CO中混有少量甲酸气体,最好选择上图中(填序号)进行洗气。
(2)用上述方法制取的CO还原氧化铁,并检验气体产物,则各仪器的接口连接顺序为:(填字母)。
(3)在对氧化铁粉末加热前,为安全起见,应进行的一项重要操作是。
(4)从开始加热到实验结束,氧化铁粉末的颜色变化为,反应方程式为。
(5)上述实验的尾气不能直接排放到空气中,请你说出一种处理尾气的方法:。
(6)在该制取CO的反应中,浓硫酸所起的是作用。
二、中考化学推断题2.某工厂的废液中含有FeCl2、MgCl2、CuCl2,向其中加入一定量的锌粉,充分反应后过滤,向滤渣中加入稀盐酸有气泡产生,下列分析正确的是A.滤渣中一定有Cu、Zn,可能有Fe,滤液中一定有MgCl2、ZnCl2B.滤渣中一定有Cu、Fe,滤液中一定有MgCl2、ZnCl2C.滤渣中一定有Cu、Fe、Zn,滤液中可能有FeCl2D.滤渣中一定有Cu、Fe,可能有Zn,滤液中可能有CuCl2【答案】B【解析】【详解】四种金属的活动性顺序:镁>锌>铁>铜,向含有FeCl2、MgCl2、CuCl2的废液中,加入一定量的锌粉,锌不能氯化镁反应,不能置换出镁,能将铁和铜从溶液中置换出来,锌先与氯化铜反应,后与氯化亚铁反应,充分反应后过滤,滤渣中加入稀盐酸有气泡产生,说明滤渣中一定有铜、铁,可能有锌;滤液中一定有氯化镁、氯化锌可能有氯化亚铁,一定没有氯化铜。
实验装置图汇总
1. 发生装置
2. 净化装置
除杂质气体
(洗气瓶)
除水蒸气 (干燥管) 除水蒸气 除CO 、H2等与金属氧化物反应的气体
3. 收集装置
4.尾气处理装置
5.测量气体体积装置
6.气密性的检查
7.总体思想
装置连接→气密性检查→装固体药品→加液体药品→气体制取
例.甲酸(HCOOH)通常是一种无色易挥发的液体,它在浓硫酸作用下易分解,反应方程式为: HCOOH 浓硫酸CO ↑+H 2O ,某课外活动小组的同学欲用该反应来制取CO ,并还原红棕色的氧化铁粉末。
现有下列仪器或装置供选择:
(1)用甲酸滴入浓硫酸的方法制取CO ,应选 (填序号)装置;如果要除去CO 中混
有少量甲酸气体,最好选择上图中 (填序号)进行洗气。
(2)用上述方法制取的CO 还原氧化铁,并检验气体产物,则各仪器的接口连接顺序为: (填字母)。
(3)在对氧化铁粉末加热前,为安全起见,应进行的一项重要操作是 。
(4)从开始加热到实验结束,氧化铁粉末的颜色变化为 , 反应方程式为 。
(5)上述实验的尾气不能直接排放到空气中,请你说出一种处理尾气的方法: 。
(6)在该制取CO 的反应中,浓硫酸所起的是 作用。
②,③; B 接?D 、C 接?G (或H )、
H (或G )接F ; 加热前要先通CO 排出空气;
由红棕色变为黑色; 略; 将尾气点燃(或气球、塑料袋收集尾气); 催化。
中考初三化学实验装置图汇总1. 发生装置 (常规)(可控制反应进程)2. 净化装置除杂质气体 图39除水蒸气 图40除水蒸气 图41 除CO 、H2等与金属氧化物反应气体图423. 收集装置4.尾气处理装置5.量气体体积装置6.气密性的检查装置连接→气密性检查→装固体药品→加液体药品→气体制取、冷却反应装置8注意事项:图5250中量器内的水位与水槽相平。
中左短水位与右端水位中水相平,图下列各图所示装置的气密性检查中,漏气的是()例 3.甲酸(HCOOH)通常是一种无色易挥发的液体,它在浓硫酸作用下易分解,反应方程式为: HCOOH浓硫酸CO↑+H2O ,某课外活动小组的同学欲用该反应来制取CO,并还原红棕色的氧化铁粉末。
现有下列仪器或装置供选择:(1)用甲酸滴入浓硫酸的方法制取CO,应选(填序号)装置;如果要除去CO中混有少量甲酸气体,最好选择上图中(填序号)进行洗气。
(2)用上述方法制取的CO还原氧化铁,并检验气体产物,则各仪器的接口连接顺序为:(填字母)。
(3)在对氧化铁粉末加热前,为安全起见,应进行的一项重要操作是。
(4)从开始加热到实验结束,氧化铁粉末的颜色变化为,反应方程式为。
(5)上述实验的尾气不能直接排放到空气中,请你说出一种处理尾气的方法:。
(6)在该制取CO的反应中,浓硫酸所起的是作用。
二、中考化学推断题2.请你细心阅读下列物质之间的相互关系,然后回答下列问题:(1)请你根据上述关系图写出下列物质的化学式...: A____ E____ G_____。
(2)写出上述关系图中②、④两步所发生反应的化学方程式,并注明反应基本类型。
②__________基本反应类型_________,④__________基本反应类型__________。
【答案】KMnO 4 H 2O 2 H 2 22222MnO 2H O 2H O+O ↑ 分解反应 22C+O CO 点燃化合反应 【解析】 【分析】根据固体颜色,暗紫色固体,则A 是高锰酸钾;气体D 为氧气;黑色粉末C 为二氧化锰;反应②中加液体E ,又生成了氧气,则E 是过氧化氢;那么F 是水;“通电条件”在初中阶段,只有水的电解涉及该反应条件,则G 是氢气,气体N 能使澄清石灰水变浑浊,则N 是二氧化碳;则M 是碳;代入验证,推理合理。
最新中考初三化学实验装置图汇总中考初三化学实验装置图汇总1.发生装置常规发生装置可控制反应进程的发生装置2.净化装置除杂质气体的装置(图39)除水蒸气的装置(图40)除水蒸气、CO、H2等与金属氧化物反应的装置(图41、图42)3.收集装置4.尾气处理装置5.量气体体积装置6.气密性的检查整体法:将装置的导管口一端浸没于水中,再用双手手掌握住,若在导管口处有气泡冒出,松手后,水在导管里形成了一段水柱,则装置的气密性良好。
局部法:关闭止水夹后,从长颈漏斗向试管中注入一定量的水,使漏斗内液面高于试管内液面,静置后若漏斗内液面不下降,则装置的气密性良好;液面下降,则装置漏气。
7.总体思想:装置连接→气密性检查→装固体药品→加液体药品→气体制取8.冷却反应装置注意事项:图50中量器内的水位与水槽中水相平,图52中左短水位与右端水位相平。
下列各图所示装置的气密性检查中,漏气的是(无法确定,需要给出具体的装置图)。
例3.甲酸(HCOOH)通常是一种无色易挥发的液体,它在浓硫酸作用下易分解,反应方程式为:HCOOH + 浓硫酸→CO↑+ H2O。
某课外活动小组的同学欲用该反应来制取CO,并还原红棕色的氧化铁粉末。
现有下列仪器或装置供选择:1)用甲酸滴入浓硫酸的方法制取CO,应选(1)装置;如果要除去CO中混有少量甲酸气体,最好选择上图中(2)进行洗气。
2)用上述方法制取的CO还原氧化铁,并检验气体产物,则各仪器的接口连接顺序为:BAC。
3)在对氧化铁粉末加热前,为安全起见,应进行的一项重要操作是通入氧气或空气使其完全氧化。
4)从开始加热到实验结束,氧化铁粉末的颜色变化为黑色,反应方程式为:3Fe2O3 + C O → 2Fe3O4 + CO2↑。
5)上述实验的尾气不能直接排放到空气中,请你说出一种处理尾气的方法:将尾气通入氢氧化钠溶液中,使其吸收二氧化碳。
6)在该制取CO的反应中,浓硫酸所起的作用是催化剂。
二、中考化学推断题2.如图表示某些物质间转化关系。
中考初三化学实验装置图汇总1. 发生装置(常规)(可控制反应进程)2. 净化装置除杂质气体图39 除水蒸气 图40 除水蒸气 图41 除CO 、H2等与金属氧化物反应气体图423. 收集装置4.尾气处理装置5.量气体体积装置6.气密性的检查装置连接→气密性检查→装固体药品→加液体药品→气体制取、冷却反应装置8注意事项:图5250中量器内的水位与水槽相平。
中左短水位与右端水位中水相平,图下列各图所示装置的气密性检查中,漏气的是()例 3.甲酸(HCOOH)通常是一种无色易挥发的液体,它在浓硫酸作用下易分解,反应方程式为: HCOOH浓硫酸CO↑+H2O ,某课外活动小组的同学欲用该反应来制取CO,并还原红棕色的氧化铁粉末。
现有下列仪器或装置供选择:(1)用甲酸滴入浓硫酸的方法制取CO,应选(填序号)装置;如果要除去CO中混有少量甲酸气体,最好选择上图中(填序号)进行洗气。
(2)用上述方法制取的CO还原氧化铁,并检验气体产物,则各仪器的接口连接顺序为:(填字母)。
(3)在对氧化铁粉末加热前,为安全起见,应进行的一项重要操作是。
(4)从开始加热到实验结束,氧化铁粉末的颜色变化为,反应方程式为。
(5)上述实验的尾气不能直接排放到空气中,请你说出一种处理尾气的方法:。
(6)在该制取CO的反应中,浓硫酸所起的是作用。
二、中考化学推断题2.现有A、B、C、D、E 都是初中化学中常见的物质,它们分别由氢、碳、氧、钠、钙中的两种或三种元素组成,它们之间的转化如图1(“→”表示物质通一步反应能够转成另一种物质,部分反应物生成物及反应条件己略去)。
其中物质A和B是常用的灭火剂,A和B 属于同一类化合物,C和D属于另一类化合物。
回答下列问题(1)物质A 的化学式为______。
(2)生成物质D 的化学方程式为______。
(3)室温下,将稀盐酸慢慢滴入装有D 溶液的烧杯中,利用温度传感器测出烧杯中溶液的温度,溶液温度随加入盐酸的质量而变化的曲线如图2所示。
①xy 段温度变化的原因是______。
②在z 处溶液中的溶质是______。
【答案】CO 2 Ca (OH )2+Na 2CO 3=CaCO 3↓+2NaOH 氢氧化钠与盐酸反应放热 NaCl 和HCl【解析】【分析】物质A 和B 是常用的灭火剂,它们分别由氢、碳、氧、钠、钙中的两种或三种元素组成”, A 二氧化碳;B 为水;E 能够生成A ,则E 是碳酸钠;D 能够和C 反应,则C 为氢氧化钙,D 是氢氧化钠,根据图象可以看出随着盐酸的加入温度在逐渐上升,说明稀盐酸与氢氧化钠溶液发生的反应是放热反应;根据温度确定z 点表示盐酸过量。
【详解】(1)物质A 和B 是常用的灭火剂,它们分别由氢、碳、氧、钠、钙中的两种或三种元素组成”, A 二氧化碳,故物质A 的化学式为CO 2;(2)生成物质D 的化学反应是氢氧化钙和碳酸钠反应生成碳酸钙和氢氧化钠,化学方程式为2233Ca(OH)+Na CO CaCO +H =2NaO 。
(3)①由图象可以看出,随着稀盐酸的加入,温度在逐渐的升高,说明稀盐酸与氢氧化钠溶液发生的反应是放热反应。
②z 点的温度低于最高最高,说明盐酸过量,此时溶液中的溶质是氯化钠和氯化氢。
【点睛】物质A 和B 是常用的灭火剂,它们分别由氢、碳、氧、钠、钙中的两种或三种元素组成”, A 二氧化碳;B 为水;E 能够生成A ,则E 是碳酸钠;D 能够和C 反应,则C 为氢氧化钙,D 是氢氧化钠。
3.在下面关系图中,A 、B 、C 、D 是初中化学中常见的单质,甲、乙分别是酒精燃烧时一定会产生的两种物质,丁是常用建筑材料的主要成分,G 为无色有刺激性气味的气体,能使紫色石蕊变蓝,J 是赤铁矿的主要成分。
(1)写出化学式:甲是_____,丁是_____,G 是_____;(2)写出A 与B 反应的化学方程式:_____;(3)写出E→F 的化学方程式:_____。
【答案】H 2O CaCO 3 NH 3 2222H +O 2H O 点燃 22CaO+H O Ca(OH)═【解析】【分析】 丁是常用建筑材料的主要成分,所以丁是碳酸钙;G 为无色有刺激性气味的气体,能使紫色石蕊变蓝,所以G 是氨气;J 是赤铁矿的主要成分,所以J 是氧化铁;甲、乙分别是酒精燃烧时一定会产生的两种物质,甲可能是水,乙可能是二氧化碳;丙是碳酸;碳酸和F 反应生成碳酸钙,则F 可能是氢氧化钙;E 和水生成氢氧化钙,E 是氧化钙;碳酸钙在高温的条件下生成氧化钙和二氧化硫,所以乙是二氧化碳;A 、B 、C 都是单质,A 和B 点燃生成水,B 和C 点燃生成二氧化碳,所以A 是氢气;B 是氧气;C 是碳;二氧化碳和碳反应生成H ,H 是一氧化碳;一氧化碳和氧化铁反应生成铁和二氧化碳,D 是单质,D 是铁,把以上各物质代入框图进行验证,符合要求。
【详解】(1)根据分析可知,甲是水,化学式是H 2O ,丁是碳酸钙,化学式是CaCO 3,G 是氨气,化学式是 NH 3;(2)氢气和氧气在点燃的条件下生成水,化学方程式为:2222H +O 2H O 点燃; (3)氧化钙和水反应生成氢氧化钙,化学方程式为:22CaO+H O Ca(OH)═。
4.有一包固体,可能是Cu(NO 3)2、K 2SO 4、KCl 、K 2CO 3、KOH 中的一种或几种组成。
为了探究该固体的组成,某化学小组设计并开展以下实验:已知,步骤I 中固体全部消失,溶液呈蓝色,无气泡产生,步骤II 、III 中均可观察到有白色沉淀生成。
请回答下列问题:(1)经推论,原固体中一定不含K 2CO 3,理由是___________________(2)原固体中一定含有的物质是________________。
(3)步骤II 中产生白色沉淀的化学方程式是_______________。
(4)步骤III 所得蓝色滤液中一定含有的阳离子是____________。
【答案】向固体中加入过量的稀盐酸时,无气泡产生Cu(NO 3)2、K 2SO 4 Ba(NO 3)2+ K 2SO 4=BaSO 4↓+2KNO 3 Cu 2+、K +、H +【解析】本题是推断题。
首先分析题中所给物质的性质和两两之间的反应,然后依据题中的现象判断各物质的存在性,最后进行验证即可。
解题时注意加入试剂的量对反应后溶液成分的影响。
(1)碳酸钾与盐酸反应生成氯化钾、水和二氧化碳。
原固体中一定不含K2CO3,理由是向固体中加入过量的稀盐酸时,无气泡产生;(2)固体加过量稀盐酸,固体完全溶解且溶液呈蓝色,说明固体中一定有硝酸铜,硝酸铜与氢氧化钾能发生反应不能共存,则说明一定不存在氢氧化钾,根据题(1)的分析固体中一定不含K2CO3,在步骤Ⅰ得到的蓝色溶液中加入硝酸钡溶液有白色沉淀生成,硫酸钾与硝酸钡反应生成硫酸钡沉淀和硝酸钾,说明固体中一定有硫酸钾,在步骤Ⅱ得到的蓝色溶液中加入硝酸银溶液产生白色沉淀,含氯离子的溶液与硝酸银反应生成氯化银的沉淀,由于在步骤Ⅰ中加入了盐酸,不能说明固体中一定有氯化钾,所以原固体中一定含有的物质是Cu(NO3)2、K2SO4;(3)步骤II中产生白色沉淀的反应是硫酸钾与硝酸钡反应生成硫酸钡沉淀和硝酸钾,化学方程式是Ba(NO3)2+ K2SO4=BaSO4↓+2KNO3;(4)根据题(2)中的分析可知,步骤III所得蓝色滤液中一定含有的阳离子是 Cu2+、K+、H+。
5.A-H表示初中化学常见物质,它们之间转化关系如图所示(部分生成物已略去)其中A为红棕色固体,反应①为冶金工业的重要反应,且B、D组成元素相同,C、F为金属单质,其它物质为化合物,其中F为紫红色,H为白色沉淀。
请按要求填空:(1)写出下列物质的化学式:A________D________E________(2)①~④的反应中属于置换反应的是________(填序号)。
(3)反应①的化学方程式为___________。
【答案】Fe2O3 CO2 CuSO4②③ 3CO+Fe2O3高温2Fe+3CO2【解析】【分析】A~H表示初中化学常见物质,A为红棕色固体,反应①为冶金工业的重要反应,且B、D 组成元素相同,所以A是氧化铁,B是一氧化碳,D是二氧化碳,C是铁,二氧化碳和氢氧化钙反应生成碳酸钙沉淀和水,H为白色沉淀,所以H是碳酸钙,C、F为金属单质,其它物质为化合物,F为紫红色,所以F是铜,铁和稀硫酸反应生成硫酸亚铁和氢气,所以G是硫酸亚铁,E和铁反应会生成硫酸亚铁和铜,所以E是硫酸铜,经过验证,推导正确,【详解】(1)所以A是Fe2O3,D是CO2,E是CuSO4;(2)①是一氧化碳和氧化铁高温生成铁和二氧化碳,不属于置换反应,②是铁和硫酸铜反应生成硫酸亚铁和铜,属于置换反应,③是铁和稀硫酸反应生成硫酸亚铁和氢气,属于置换反应,④是二氧化碳和氢氧化钙生成碳酸钙沉淀和水,不属于置换反应,所以①~④的反应中属于置换反应的是②③;(3)反应①是一氧化碳和氧化铁在高温的条件下生成铁和二氧化碳,化学方程式为:3CO+Fe2O3高温2Fe+3CO2。
6.A~F均为初中化学常见的物质,已知:A、C是组成元素完全相同的化合物,C 通常为液体,D 为无色无味气体,F 是白色难溶固体,其中金属元素的质量分数为 40%.它们之间有如图所示的转化关系(部分物质和反应条件已略去).(1)A 为_____,(2)E 物质在生活中的一种用途是_____,(3)反应②的化学方程式为______.【答案】H2O2(过氧化氢) 改良酸性土壤(合理即可) Ca(OH)2 + CO2═CaCO3↓+H2O【解析】试题分析∶A~F均为初中化学常见的物质,A、C是组成元素完全相同的化合物应是水或双氧水。
(1)过氧化氢(2)改良酸性土壤或做建筑材料等(3)CO2+Ca(OH)2=CaCO3↓+H2O考点:考查常见物质的性质,反应及用途。
7.A~G是初中化学常见的物质,它们之间的转化关系如图所示。
其中A、B、C、D都是氧化物,E、F、G都是金属单质,且F为导电性、导热性最好的金属,A和G均为红色固体(其中部分反应条件、反应物及生成物已略去)。
请回答下列问题:(1)写出G物质的化学式___。
(2)写出B物质的一种用途___。
(3)写出①反应的化学方程式___。
写出②反应的化学方程式___。
(4)从微观角度解释B和D两种物质性质不同的原因___。
【答案】Cu 冶炼金属或做燃料 3CO+Fe2O3高温2Fe+3CO2 CO+CuO∆Cu+CO2分子构成不同【解析】【详解】(1)A~G是初中化学常见的物质,其中A、B、C、D都是氧化物,E、F、G都是金属单质,且F为导电性、导热性最好的金属,所以F是银,A和G均为红色固体,G会转化成银,所以G是铜,A和B生成的E会与转化成铜,所以A是氧化铁,B是一氧化碳,一氧化碳和C反应会生成铜,所以C是氧化铜,D是二氧化碳,经过验证,推导正确,所以G 是Cu;(2)B是一氧化碳,用途有冶金、做燃料;(3)反应①一氧化碳和氧化铁在高温的条件下生成铁和二氧化碳,化学方程式是:3CO+Fe2O3高温2Fe+3CO2;反应②是一氧化碳和氧化铜在加热的条件下生成铜和二氧化碳,化学方程式是:CO+CuO ∆Cu+CO2;(4)从微观角度解释B和D两种物质性质不同的原因是:分子构成不同,1个二氧化碳(CO2)分子比1个一氧化碳(CO)分子多1个氧原子。