电梯分部(子分部)工程质量验收纪录(全)
- 格式:doc
- 大小:1.90 MB
- 文档页数:15
电梯分部工程质量验收报告sg
一、工程概述
本工程涉及安装电梯,属于建筑物的辅助设施,对于提高建筑物的使用便利性和安全性具有重要意义。
本次验收的电梯设备,按照国家相关标准设计、制造、安装,符合技术规格书及合同要求。
二、材料和设备验收
1. 电梯设备及其附件均已按照合同要求提供,并经检查与确认符合相关标准和规范。
2. 电梯机房和井道等相关配套设施已经按照设计图纸进行施工,符合国家规范。
三、安装过程验收
1. 电梯的安装过程严格遵循了国家相关标准、规范和施工图纸,安装质量得到了有效控制。
2. 安装过程中,对关键工序进行了检验,保证了每一步安装的准确性和安全性。
四、功能性验收
1. 电梯设备进行了试运行,各功能正常,运行平稳,无异常噪音和振动。
2. 电梯的平层准确度、开关门时间等性能指标均满足
合同要求。
3. 电梯的安全保护装置进行了测试,符合国家相关标准。
五、结论
综合以上各项验收内容,本工程电梯分部工程质量验收合格。
本次验收的电梯设备在材料、设备、安装和功能性方面均满足设计要求和相关标准,可以投入正常使用。
六、建议和改进
尽管本次电梯分部工程质量验收合格,但仍建议在后续使用中加强维护保养,确保电梯长期稳定运行。
同时,应定期对电梯进行安全检查,确保各项安全性能始终处于良好状态。
报告日期:XXXX年XX月XX日。
表C7-2电梯分项工程质量验收纪录2、当同一分项工程检验批名称不一致时,填写检验批名称。
市建筑工程质量监督站监制电梯安装分项工程质量验收记录表G2 编号:电梯安装工程设备进场质量验收记录表GB50310—2002 0901010109020101电梯安装土建交接质量验收记录表GB50310—2002 0901020109020201电梯驱动主机安装工程质量验收记录表(曳引式或强制式)GB50310-2002 09010301电梯导轨安装工程质量验收记录表(曳引式或强制式)GB50310-2002 0901040109010401电力液压电梯门系统安装质量验收记录表GB50310-2002 0901050109020501电梯轿厢及对重安装工程质量验收记录表GB50310-2002 0901060109020601电梯安全部件安装工程质量验收记录表GB50310-2002 0901070109020701电梯悬挂装置、随行电缆、补尝装置安装工程质量验收记录表GB50310-2002 09010801电梯电气装置安装工程质量验收记录表GB50310-2002 0901090109020901电梯整机安装工程质量验收记录表GB50310-2002 9011001电梯承重梁、起重吊环埋设隐蔽工程检查记录表D3-1 编号:隐检容及示意图:承重梁规格280 数量2根承重墙类型混泥土厚度240 埋设长度210 过墙中心100 梁垫规格1100×240×36焊接情况良好防腐措施封闭梁端封闭型刚焊接、混泥土灌注起重吊环设计载荷2000㎏起重吊环材料规格36混泥土承重梁位置规格合理吊环与钢筋描固尺寸合理圆钢吊环载荷2000㎏检查意见检查合格、同意隐蔽。
2010年月日复检意见年月日参加人员签字建设(监理)单位安装单位技术负责人质检员工长电梯钢丝绳灌注隐蔽工程检查记录表D3-2 编号:工程名称美景瑞园小区号楼隐检项目钢丝绳头灌注操作场地楼顶屋面填写日期2010年月日操作日期2010年月日天气情况气温用火手续正常看火人操作人钢绳用途曳引钢丝绳规格10㎜锥套数共10个隐检容及示意图:检查意见检查合格,同意隐蔽2010年月日复检意见年月日参加人员签字建设(监理)单位安装单位技术负责人质检员工长。
电梯进场验收记录日期:xxxx年xx月xx日地点:xxxxxx(电梯所在位置)参与人员:1. xxx(验收单位负责人)2. xxx(电梯采购方代表)3. xxx(电梯制造商代表)4. xxx(电梯安装公司代表)一、电梯进场检查1.双方代表先后检查了电梯的进场文件和相关证件,包括电梯采购合同、电梯制造商资质证明、电梯安装公司资质证明等。
二、电梯外观检查1.验收单位负责人和电梯制造商代表先后对电梯外观进行了仔细检查。
确认电梯外观无明显损坏或缺陷,并与合同要求相符。
三、电梯安全性能检查1.电梯安装公司代表对电梯进行了安全性能检查。
检查内容包括:紧急停止开关、门锁系统、电梯轿厢和井道照明、电梯轿厢平层精度、超载保护装置等。
所有安全性能检查项目均符合规定要求和合同约定。
2.验收单位负责人对电梯的安全性能进行了再次检查,并签字确认。
四、电梯功能检查1.电梯制造商代表对电梯各个功能进行了全面检查,包括:运行、载货、关门、开门、楼层显示、声光报警等功能。
所有功能项目均符合规定要求和合同约定。
2.验收单位负责人对电梯的功能进行了再次检查,并签字确认。
五、电梯操作和维护培训1.电梯制造商代表对电梯的日常操作和维护进行了详细的培训,并提供了相关的操作和维护手册。
2.电梯采购方代表和电梯安装公司代表一同参与了培训,并提出了相关问题和需求。
电梯制造商代表进行了解答和解决。
六、验收结果1.验收单位负责人对整个电梯进场验收的过程进行了总结,并确认电梯进场验收合格。
2.电梯采购方代表和电梯制造商代表均对验收结果表示认可,并表示会全力配合后续的电梯安装和维护工作。
七、后续工作安排1.电梯制造商代表和电梯安装公司代表提出了后续工作的安排和建议,包括:电梯安装时间表、维护计划、定期检查等。
并与验收单位负责人达成一致意见。
八、附注事项1.在整个验收过程中,双方代表均保持了良好的沟通和合作,确保了电梯进场验收工作的顺利进行。
以上为电梯进场验收记录的详细内容,经双方代表确认无误后,签字并归档。
电梯分部(子分部)工程质量验收纪录表G3电梯安装分项工程质量验收记录电梯安装工程设备进场质量验收记录表GB50310—2002 09010101电梯安装土建交接质量验收记录表GB50310—2002 0901020109020201电梯驱动主机安装工程质量验收记录表(曳引式或强制式)GB50310-2002 09010301电梯导轨安装工程质量验收记录表(曳引式或强制式)GB50310-2002 0901040109010401电力液压电梯门系统安装质量验收记录表GB50310-2002 0901050109020501电梯轿厢及对重安装工程质量验收记录表GB50310-2002 0901060109020601电梯安全部件安装工程质量验收记录表GB50310-2002 0901070109020701电梯悬挂装置、随行电缆、补尝装置安装工程质量验收记录表GB50310-2002 09010801电梯电气装置安装工程质量验收记录表GB50310-2002 0901090109020901电梯整机安装工程质量验收记录表GB50310-2002 9011001电梯承重梁、起重吊环埋设隐蔽工程检查记录表D3-1 编号:工程名称美景瑞园小区号楼隐检项目承重梁、起重吊环埋设检查部位机房填写日期2010年月日施工日期2010年月日天气情况气温度隐检内容及示意图:承重梁规格280 数量2根承重墙类型混泥土厚度240 埋设长度210 过墙中心100 梁垫规格1100×240×36焊接情况良好防腐措施封闭梁端封闭型刚焊接、混泥土灌注起重吊环设计载荷2000㎏起重吊环材料规格36混泥土承重梁位置规格合理吊环与钢筋描固尺寸合理圆钢吊环载荷2000㎏检查意见检查合格、同意隐蔽。
2010年月日复检意见年月日参加人员签字建设(监理)单位安装单位技术负责人质检员工长电梯钢丝绳灌注隐蔽工程检查记录表D3-2 编号:工程名称美景瑞园小区号楼隐检项目钢丝绳头灌注操作场地楼顶屋面填写日期2010年月日操作日期2010年月日天气情况气温用火手续正常看火人操作人钢绳用途曳引钢丝绳规格10㎜锥套数共10个隐检内容及示意图:检查意见检查合格,同意隐蔽2010年月日复检意见年月日参加人员签字建设(监理)单位安装单位技术负责人质检员工长。
电梯分部(子分部)工程质量验收纪录(全)
表C7-2
电梯分项工程质量验收纪录
注:1、地基基础、主体结构工程的检验批质量
验收不填写“分包单位”和“分包项目经理”。
2、当同一分项工程检验批名称不一致时,填写检验批名称。
安阳市建筑工程质量监督站监制
电梯安装分项工程质量验收记录
表G2
编号:
电梯安装工程设备进场质量验收记录表
GB50310—2002 09010101
09020101
电梯安装土建交接质量验收记录表
GB50310—2002 09010201
09020201
电梯驱动主机安装工程质量验收记录表(曳引式或强制式)GB50310-2002
09010301
电梯导轨安装工程质量验收记录表(曳引式或强制式)GB50310-2002 09010401
09010401
电力液压电梯门系统安装质量验收记录表
GB50310-2002 09010501
09020501
电梯轿厢及对重安装工程质量验收记录表
GB50310-2002 09010601
09020601
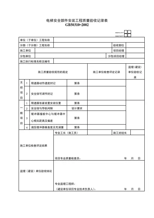
电梯安全部件安装工程质量验收记录表
GB50310-2002 09010701
09020701
电梯悬挂装置、随行电缆、补尝装置安装工程质量验收记录表
GB50310-2002
09010801
电梯电气装置安装工程质量验收记录表
GB50310-200
电梯整机安装工程质量验收记录表
GB50310-2002
9011001
电梯承重梁、起重吊环埋设隐蔽工程检查记录
表D3-1 编号:
年
电梯钢丝绳灌注隐蔽工程检查记录
表D3-2 编号:。
电梯子分部工程质量验收记录电梯是一个重要的交通工具,使用和维护要求严格。
为了确保电梯的安全和可靠性,对电梯子分部工程进行质量验收是非常重要的。
以下是电梯子分部工程质量验收记录。
一、前期准备工作1.工程方案设计:验收组对电梯安装的工程方案进行全面评估,确认方案是否符合相关国家标准和规范。
2.材料采购和入库:验收组对电梯安装所使用的材料进行抽查,检查材料是否符合规范要求,并查验材料的合格证明文件。
二、土建工程验收1.电梯轿厢外墙:验收组检查电梯轿厢外墙的平整度、表面是否存在明显的缺陷或损伤。
2.地坑工程:验收组检查地坑深度、地坑墙壁是否平整、地坑底部是否平整,并检查地坑排水是否良好。
3.地坑底部和地坑墙壁的防腐处理:验收组检查地坑底部和墙壁是否进行了防腐处理,检查防腐涂料的厚度是否符合规定。
三、机房和机械部分验收1.机房内部清洁和通风:验收组检查机房内部的清洁度和通风情况,确认机房内不得有严重的污染和异味。
2.机房地面净空高度:验收组测量机房地面净空高度,确认净空高度是否符合安装要求。
3.机房进风口和出风口:验收组检查机房进风口和出风口是否畅通,确认通风系统的正常运行。
4.机房内电气系统:验收组检查机房内的电气系统,包括电线的接地、电气设备的使用情况等。
四、轿厢和井道验收1.轿厢内部清洁和通风:验收组检查轿厢内部的清洁度和通风情况,确认轿厢内不得有严重的污染和异味。
2.轿厢内部装饰:验收组检查轿厢内部装饰是否平整、美观,确认装饰材料的使用是否符合规定。
3.轿厢门的打开和关闭:验收组测试轿厢门的打开和关闭是否平稳、迅速,确认门的尺寸、平整度等。
4.井道内壁:验收组检查井道内壁的平整度、表面是否存在明显的缺陷或损伤。
5.井道照明和通风:验收组检查井道内的照明和通风设施,确认设施是否正常运行。
五、安全装置和运行测试1.限速器和超速保护器:验收组测试限速器和超速保护器的启动、关闭是否正常,确认限速器和超速保护器的工作性能是否符合规定。
电梯分部验收报告一、工程概况本次验收的电梯工程位于XX市XX区XX路XX号的XX大厦内,共计安装XX部电梯,服务楼层范围为XX至XX层。
该电梯工程由XX电梯有限公司负责安装,于XXXX年XX月XX日开始施工,历时XX个月,现已完成全部安装工作,并提交验收。
二、验收依据本次验收工作严格遵循国家相关法律法规、技术标准及合同约定进行。
主要依据包括《中华人民共和国特种设备安全法》、《电梯制造与安装安全规范》(GB7588-2003)、《电梯监督检验和定期检验规则—曳引与强制驱动电梯》(TSG T7001-2009)等。
三、验收内容1. 设备检查:对电梯的曳引机、控制柜、门系统、导轨、轿厢等关键部件进行了详细检查,确认其型号、规格、数量等与设计图纸及合同要求一致,且无明显损坏或缺陷。
2. 安装质量检查:对电梯的安装质量进行了全面检查,包括轨道安装、轿厢安装、门系统安装等。
经测量,各项安装尺寸均符合规范要求,安装牢固、无松动现象。
3. 电气系统检查:对电梯的电气系统进行了仔细检查,包括电缆敷设、接线端子、接地保护等。
电气系统布线整齐、规范,接线正确、牢固,接地保护可靠。
4. 安全保护装置检查:对电梯的安全保护装置进行了逐一测试,包括限速器、安全钳、缓冲器、门锁装置等。
各项安全保护装置动作灵敏、可靠,符合安全要求。
5. 运行试验:对电梯进行了空载、半载、满载及超载运行试验。
在试验过程中,电梯运行平稳、无异常声响,各项性能指标均达到设计要求。
6. 功能测试:对电梯的各项功能进行了详细测试,包括召唤功能、楼层显示功能、开关门功能、报警功能等。
各项功能均正常可靠,满足使用要求。
四、验收结论经过严格的检查和测试,我们认为本次验收的电梯工程安装质量优良,各项性能指标均达到设计要求,安全保护装置齐全、可靠。
在运行试验中,电梯表现稳定、无故障发生。
因此,我们一致同意通过本次电梯分部验收。
五、存在问题及建议1. 在检查过程中,发现部分电梯轿厢内照明灯具亮度不足,建议更换为高亮度LED灯具,以提高乘客舒适度。
电梯分部工程质量验收记录表电梯工程子分部工程质量验收记录表工程名称:___棚户区改造工程第二安置区19#住宅楼安装地点:大峪沟镇胡家沟村310国道南侧产品合同号/安装合同号:监理(建设)单位:___安装单位:___监理工程师/项目负责人:___序号梯号检验结果分项工程名称1 1# 合格电梯安装设备进场2 合格电梯安装土建交接3 合格电梯驱动主机安装4 合格电梯导轨安装5 合格电梯门系统安装6 合格电梯轿厢及对重安装7 合格电梯安全部件安装8 合格电梯悬挂装置、随行电缆、补偿装置安装9 合格电梯电气装置安装10 合格电梯整机安装验收结论:合格监理(建设)单位(盖章):______项目负责人:___年月日:序号梯号检验结果分项工程名称1 2# 合格电梯安装设备进场2 合格电梯安装土建交接3 合格电梯驱动主机安装4 合格电梯导轨安装5 合格电梯门系统安装6 合格电梯轿厢及对重安装7 合格电梯安全部件安装8 合格电梯悬挂装置、随行电缆、补偿装置安装9 合格电梯电气装置安装10 合格电梯整机安装验收结论:合格监理(建设)单位(盖章):______项目负责人:___年月日:标准要求每扇门齐全可靠,B≤900,开门时间为3.2S。
建设(监理)单位要求门灵活可靠,门宽度在中分和旁开时时间要≤900<B≤1000.质检员要求门灵活可靠,门宽度在1000<B≤1100时。
工长要求门灵活可靠,门宽度在1100<B≤1300时。
检查人员在检查日期时要签字。
电梯层门安全装置检查试验记录显示,___对联锁安全触点、啮合长度、自闭功能、关门阻力、紧急开锁装置、层门坎护脚板等进行了检查,结果均符合安全可靠的标准。
有效期至年月日。
型式试验单位在层站开门时间和关门时间、门扇数、门锁装置制造厂名称等方面进行了测试。
电梯轿厢平层准确度测量记录显示,在不同层站、运行方向和载荷下的测量结果。
空载时,上行和下行的测量结果分别为+2、+4、+3、+3、+2、+4、+2、+2、+4、+2和+4,额定载荷时,上行和下行的测量结果分别为-1、+1、+1、-1、+1、-1、-1、+1、-1、-1和+1.工长和质检员在检查日期时要签字。
表C7-2
电梯分项工程质量验收纪录
注:1、地基基础、主体结构工程的检验批质量验收不填写“分包单位”和“分包项目经理”。
2、当同一分项工程检验批名称不一致时,填写检验批名称。
安阳市建筑工程质量监督站监制
电梯安装分项工程质量验收记录
表G2 编号:
电梯安装工程设备进场质量验收记录表
GB50310—2002 09010101
09020101
电梯安装土建交接质量验收记录表
GB50310—2002 09010201
09020201
电梯驱动主机安装工程质量验收记录表(曳引式或强制式)GB50310-2002 09010301
电梯导轨安装工程质量验收记录表(曳引式或强制式)GB50310-2002 09010401
09010401
电力液压电梯门系统安装质量验收记录表
GB50310-2002 09010501
09020501
电梯轿厢及对重安装工程质量验收记录表
GB50310-2002 09010601
09020601
电梯安全部件安装工程质量验收记录表
GB50310-2002 09010701
09020701
电梯悬挂装置、随行电缆、补尝装置安装工程质量验收记录表
GB50310-2002 09010801
电梯电气装置安装工程质量验收记录表
GB50310-2002 09010901
09020901
电梯整机安装工程质量验收记录表GB50310-2002 9011001
电梯承重梁、起重吊环埋设隐蔽工程检查记录表D3-1 编号:
隐检内容及示意图:
承重梁规格280 数量2根承重墙类型混泥土厚度240 埋设长度210 过墙中心100 梁垫规格1100×240×36
焊接情况良好防腐措施封闭梁端封闭型刚焊接、混泥土灌注起重吊环设计载荷2000㎏起重吊环材料规格36
混泥土承重梁位置规格合理吊环与钢筋描固尺寸合理圆钢吊环载荷2000㎏
检
查
意
见
检查合格、同意隐蔽。
2010年月日复
检
意
见
年月日
参加人员签字建设(监理)
单位
安装单位
技术负责人质检员工长
电梯钢丝绳灌注隐蔽工程检查记录表D3-2 编号:
工程名称美景瑞园小区号楼隐检项目钢丝绳头灌注操作场地楼顶屋面填写日期2010年月日操作日期2010年月日天气情况气温
用火手续正常看火人操作人
钢绳用途曳引钢丝绳规格10㎜锥套数共10个隐检内容及示意图:
检查意见检查合格,同意隐蔽
2010年月日
复
检
意
见年月日
参加人员签字建设(监理)
单位
安装单位
技术负责人质检员工长。