变压器油实验报告
- 格式:docx
- 大小:25.78 KB
- 文档页数:12
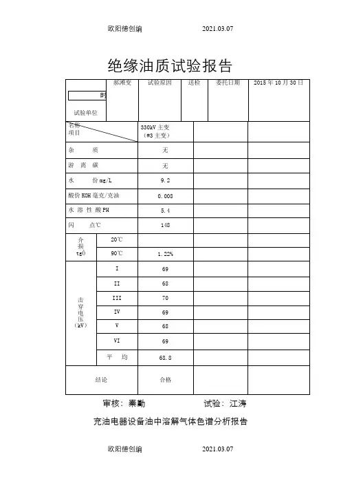
绝缘油质试验报告试验单位郝滩变试验原因送检委托日期2015年10月30日名称项目330kV主变(#3主变)杂质无游离碳无水份mg/L 9.2 酸价KOH毫克/克油0.008 水溶性酸PH 5.4 闪点℃148介损tgÕ20℃90℃ 1.22%击穿电压(kV)I 69II 68III 70IV 69V 68VI 69平均68.8结论合格审核:秦勤试验:江涛充油电器设备油中溶解气体色谱分析报告委托单位郝滩变分析原因送检取样日期2015年10月30日样品说明分析日期2015年10月30日项目分析结果ul/l 设备名称330kV主变(#3主变)氢H20氧O2/一氧化碳CO 2二氧化碳CO2141甲烷CH40.56乙烷C2H60乙烯C2H40丙烷C3H8/乙炔C2H20丙烯C3H6/总烃(C1+C2) 0.56结论正常备注审核:秦勤试验:江涛绝缘油质试验报告试验单位郝滩变试验原因送检委托日期2015年12月19日名称项目330kV主变(#2主变试验后)330kV主变(#3主变试验后)杂质无无游离碳无无水份mg/L 9.1 9.2 酸价KOH毫克/克油0.008 0.008 水溶性酸PH 5.4 5.4 闪点℃148 147介损tgÕ20℃90℃ 1.21% 1.20%击穿电压(kV)I 70 68II 67 69III 70 70IV 69 68V 71 70VI 69 69平均69.3 69结论合格合格审核:秦勤试验:江涛充油电器设备油中溶解气体色谱分析报告委托单位郝滩变分析原因送检取样日期2015年12月18日样品说明分析日期2015年12月18日项目分析结果ul/l 设备名称330kV主变(#2主变试验后)330kV主变(#3主变试验后)氢H20 0氧O2/ /一氧化碳CO 2 2二氧化碳CO2139 142甲烷CH40.54 0.56乙烷C2H60 0乙烯C2H40 0丙烷C3H8/ /乙炔C2H20 0丙烯C3H6/ /总烃(C1+C2) 0.54 0.56结论正常正常备注审核:秦勤试验:江涛试验单位郝滩变试验原因送检委托日期2015年10月30日名称项目330kV主变(#3主变有载调压注油后)AB C杂质无无无游离碳无无无水份mg/L 9.8 9.2 9.5 酸价KOH毫克/克油0.006 0.008 0.008 水溶性酸PH 5.4 5.4 5.4 闪点℃144 144 144介损tgÕ20℃90℃ 1.01% 1.11% 1.02%击穿电压(kV)I 68 66 67II 63 67 69III 66 68 66IV 69 64 69V 62 66 62VI 66 63 62 平均65.6 65.6 65.7 结论合格合格合格审核:秦勤试验:江涛试验单位郝滩变试验原因送检委托日期2015年11月6日名称项目330kV主变(#2主变有载调压注油后)A相B相C相杂质无无无游离碳无无无水份mg/L 9.3 9.5 9.3 酸价KOH毫克/克油0.008 0.008 0.008 水溶性酸PH 5.4 5.4 5.4 闪点℃142 144 144介损tgÕ20℃90℃ 1.15% 1.05% 1.08%击穿电压(kV)I 70 65 68II 64 66 69III 65 63 64IV 62 70 62V 62 64 65VI 66 62 69 平均64.8 65.0 66.1 结论合格合格合格审核:秦勤试验:江涛试验单位郝滩变试验原因送检委托日期2015年12月18日名称项目330kV主变(#2主变有载调压试验后)AB C杂质无无无游离碳无无无水份mg/L 9.8 9.8 9.8 酸价KOH毫克/克油0.006 0.006 0.006 水溶性酸PH 5.4 5.4 5.4 闪点℃144 144 144介损tgÕ20℃90℃ 1.02% 1.02% 1.02%击穿电压(kV)I 67 65 61II 65 70 68III 69 64 63IV 66 69 70V 63 65 65VI 67 60 63 平均66.1 65.5 65.0 结论合格合格合格审核:秦勤试验:江涛试验单位郝滩变试验原因送检委托日期2015年12月18日名称项目330kV主变(#3主变有载调压试验后)AB C杂质无无无游离碳无无无水份mg/L 9.5 9.3 9.5 酸价KOH毫克/克油0.004 0.006 0.006 水溶性酸PH 5.4 5.4 5.4 闪点℃144 142 144介损tgÕ20℃90℃ 1.05% 1.05% 1.05%击穿电压(kV)I 70 62 68II 64 69 64III 65 69 71IV 68 70 64V 63 61 68VI 69 65 64 平均66.5 66.0 66.5 结论合格合格合格审核:秦勤试验:江涛。
变压器油试验报告1. 引言变压器是电力系统中常用的电气设备,其正常运行对于电力系统的稳定运行至关重要。
而变压器油则是变压器的重要绝缘材料,通过对其进行各项试验来评估其性能和可靠性。
本文将对变压器油进行试验,并对试验结果进行分析和总结。
2. 试验目的变压器油试验的目的是评估变压器油的绝缘性能、抗氧化性能和物理化学性能,以确保变压器的安全运行和长寿命。
3. 试验方法本次试验对变压器油进行了以下几项试验:3.1 闪点试验闪点试验用于评估变压器油的挥发性和火灾风险。
试验使用闭杯法进行,按照ASTM D93标准进行操作。
3.2 介电强度试验介电强度试验用于评估变压器油的绝缘性能。
试验使用直流高电压进行,按照ASTM D877标准进行操作。
3.3 酸度试验酸度试验用于评估变压器油的酸性成分。
试验使用酚酞指示剂法进行,按照GB/T 264标准进行操作。
3.4 溶胀试验溶胀试验用于评估变压器油的可溶性。
试验按照ASTM D972标准进行操作。
4. 试验结果4.1 闪点试验结果变压器油的闪点为X°C,符合ASTM D93标准的要求。
说明变压器油的挥发性较低,火灾风险较小。
4.2 介电强度试验结果变压器油的介电强度为X kV/mm,符合ASTM D877标准的要求。
说明变压器油具有良好的绝缘性能。
4.3 酸度试验结果变压器油的酸度为X mg KOH/g,符合GB/T 264标准的要求。
说明变压器油的酸性成分较低。
4.4 溶胀试验结果变压器油的溶胀率为X %,符合ASTM D972标准的要求。
说明变压器油具有较好的可溶性。
5. 分析与讨论通过对变压器油的试验结果进行分析,可以得出以下结论:1.变压器油的挥发性较低,火灾风险较小,符合安全要求。
2.变压器油具有良好的绝缘性能,可以有效防止电气设备的击穿和故障。
3.变压器油的酸性成分较低,有助于维持设备的稳定运行。
4.变压器油具有较好的可溶性,可以更好地发挥其绝缘和冷却效果。
通过绝缘油测试进行预防性维护预防性维护为确保变压器安全、可靠运行且降低维护成本,就必须通过一系列理化及电气性能测试以保证变压器绝缘油质量。
W-ACTI拥有逾25年关于液体绝缘材料试验及分析领域的经验,无论是矿物油、硅油、难燃类碳氢化合物或Askarel,W-ACTI均可提供所有测试的技术支持及相关指导。
绝缘油老化变压器油的绝缘强度及冷却能力因其老化程度而有较大差异。
其主要老化因素如下:氧化--变压器油氧化后生成诸如有机酸、酯、酚类化合物,并最终生成油泥。
油泥不仅显著降低绝缘油的绝缘强度,且直接影响变压器的散热能力。
污染--变压器油受到污染后,其绝缘强度也会发生显著变化。
其中最常见的因素是水分。
此外,游离的纤维素、金属颗粒等均会使绝缘油发生劣化。
热老化--负荷升高及/或环境温度升高造成变压器油温生高将加速绝缘油的老化进程。
W-ACTI提供的各项变压器油试验击穿电压,ASTM D-877,ASTM D-1816对变压器油均匀施加电压,当电压达到某一值时,变压器油遭受破坏而失去电阻、伴随着电弧的产生而发生导电,该电压值即为变压器油的击穿电压。
油的击穿电压是通过油的耐受电场能力反映油、特别是新油被污染情况和洁净程度的一个试验项目。
费休法)),ASTM D-1533B卡尔··费休法含水量(卡尔水分影响绝缘油的老化速度和绝缘性能。
W-ACTI采用完全由计算机自动控制的卡尔·费休滴定计确定油中的水分含量。
酸值,ASTM D-974变压器油中所含的酸性物质为无机酸和全部有机酸的总和。
随着变压器运行时间的增长,变压器油的酸值会逐渐升高,因而采用酸值判断油的老化程度非常灵敏。
界面张力(铂丝环测定法),ASTM D-971变压器油的界面张力指变压器油与纯水间界面所具有的张力。
变压器油所含极性物质(亲水性物质)越少,油分子的极性越小,处于界面上的油分子和水分子间的作用力越小,因而界面张力越高。
变压器油耐压试验报告
变压器油试验报告
使用单位:XXXXXXXXXX 试验单位:XXXXXXXXXX 产品型号:S11-8000/38.5 出厂序号:1506074 变压器油号:45#
执行标准:GB7252-2001,GB2536-90,GB/T7595-2008 试验环境温度:20? 相对湿度:60%
试验人:XXX 审核:XXX 批准:XXX
XXXXXXXXXX
2015年08月18日
使用单位:甘肃省陇南市白鹤桥水电厂试验单位:甘肃华元电气工程有限公司产品型号:S11-8000/38.5 出厂序号:1506075 变压器油号:45#
执行标准:GB7252-2001,GB2536-90,GB/T7595-2008 试验环境温度:20? 相对湿度:60%
试验人:
XXX 审核:XXX 批准:XXX
XXXXXXXXXX
2015年08月18日
篇二:变压器油交流耐压试验报告
变压器油交流耐压试验报告
结论:试验人员: 审核:
篇三:变压器耐压试验报告
变压器实验报告
一、绝缘电阻(MΩ) 使用仪器:3121型兆欧表
二、直流电阻使用仪器:L3110直流电阻测试仪
三、工频交流耐压使用仪器:YD5/50试验变压器
四、实验结论。
绝缘油质试验报告试验单位郝滩变试验原因送检委托日期2015年10月30日名称项目330kV主变(#3主变)杂质无游离碳无水份mg/L 9.2 酸价KOH毫克/克油0.008 水溶性酸PH 5.4 闪点℃148介损tgÕ20℃90℃ 1.22%击穿电压(kV)I 69II 68III 70IV 69V 68VI 69平均68.8结论合格审核:秦勤试验:江涛充油电器设备油中溶解气体色谱分析报告委托单位郝滩变分析原因送检取样日期2015年10月30日样品说明分析日期2015年10月30日项目分析结果ul/l 设备名称330kV主变(#3主变)氢H20氧O2/一氧化碳CO 2二氧化碳CO2141甲烷CH40.56乙烷C2H60乙烯C2H40丙烷C3H8/乙炔C2H20丙烯C3H6/总烃(C1+C2) 0.56结论正常备注审核:秦勤试验:江涛绝缘油质试验报告试验单位郝滩变试验原因送检委托日期2015年12月19日名称项目330kV主变(#2主变试验后)330kV主变(#3主变试验后)杂质无无游离碳无无水份mg/L 9.1 9.2 酸价KOH毫克/克油0.008 0.008 水溶性酸PH 5.4 5.4 闪点℃148 147介损tgÕ20℃90℃ 1.21% 1.20%击穿电压(kV)I 70 68II 67 69III 70 70IV 69 68V 71 70VI 69 69平均69.3 69结论合格合格审核:秦勤试验:江涛充油电器设备油中溶解气体色谱分析报告委托单位郝滩变分析原因送检取样日期2015年12月18日样品说明分析日期2015年12月18日项目分析结果ul/l 设备名称330kV主变(#2主变试验后)330kV主变(#3主变试验后)氢H20 0氧O2/ /一氧化碳CO 2 2二氧化碳CO2139 142甲烷CH40.54 0.56乙烷C2H60 0乙烯C2H40 0丙烷C3H8/ /乙炔C2H20 0丙烯C3H6/ /总烃(C1+C2) 0.54 0.56结论正常正常备注审核:秦勤试验:江涛试验单位郝滩变试验原因送检委托日期2015年10月30日名称项目330kV主变(#3主变有载调压注油后)AB C杂质无无无游离碳无无无水份mg/L 9.8 9.2 9.5 酸价KOH毫克/克油0.006 0.008 0.008 水溶性酸PH 5.4 5.4 5.4 闪点℃144 144 144介损tgÕ20℃90℃ 1.01% 1.11% 1.02%击穿电压(kV)I 68 66 67II 63 67 69III 66 68 66IV 69 64 69V 62 66 62VI 66 63 62 平均65.6 65.6 65.7 结论合格合格合格审核:秦勤试验:江涛试验单位郝滩变试验原因送检委托日期2015年11月6日名称项目330kV主变(#2主变有载调压注油后)A相B相C相杂质无无无游离碳无无无水份mg/L 9.3 9.5 9.3 酸价KOH毫克/克油0.008 0.008 0.008 水溶性酸PH 5.4 5.4 5.4 闪点℃142 144 144介损tgÕ20℃90℃ 1.15% 1.05% 1.08%击穿电压(kV)I 70 65 68II 64 66 69III 65 63 64IV 62 70 62V 62 64 65VI 66 62 69 平均64.8 65.0 66.1 结论合格合格合格审核:秦勤试验:江涛试验单位郝滩变试验原因送检委托日期2015年12月18日名称项目330kV主变(#2主变有载调压试验后)AB C杂质无无无游离碳无无无水份mg/L 9.8 9.8 9.8 酸价KOH毫克/克油0.006 0.006 0.006 水溶性酸PH 5.4 5.4 5.4 闪点℃144 144 144介损tgÕ20℃90℃ 1.02% 1.02% 1.02%击穿电压(kV)I 67 65 61II 65 70 68III 69 64 63IV 66 69 70V 63 65 65VI 67 60 63 平均66.1 65.5 65.0 结论合格合格合格审核:秦勤试验:江涛试验单位郝滩变试验原因送检委托日期2015年12月18日名称项目330kV主变(#3主变有载调压试验后)AB C杂质无无无游离碳无无无水份mg/L 9.5 9.3 9.5 酸价KOH毫克/克油0.004 0.006 0.006 水溶性酸PH 5.4 5.4 5.4 闪点℃144 142 144介损tgÕ20℃90℃ 1.05% 1.05% 1.05%击穿电压(kV)I 70 62 68II 64 69 64III 65 69 71IV 68 70 64V 63 61 68VI 69 65 64 平均66.5 66.0 66.5 结论合格合格合格审核:秦勤试验:江涛。
变压器油实验报告变压器油实验报告一、引言变压器油作为变压器的重要组成部分,承担着绝缘、冷却和灭弧的功能。
为了确保变压器正常运行,我们进行了一系列的变压器油实验。
本报告旨在总结实验结果,评估变压器油的质量和性能。
二、实验目的1. 测定变压器油的介电强度,评估其绝缘性能。
2. 分析变压器油的气体含量,判断其是否存在故障。
3. 检测变压器油的电导率,评估其清洁程度。
4. 测试变压器油的水分含量,判断其是否受潮。
三、实验方法1. 介电强度测试:采用交流耐压试验仪,按照国家标准进行测试。
2. 气体含量分析:使用气相色谱法,通过检测变压器油中的气体种类和含量来判断变压器是否存在故障。
3. 电导率测试:采用电导率仪,测试变压器油的电导率。
4. 水分含量测定:采用库仑滴定法,测定变压器油中的水分含量。
四、实验结果与讨论1. 介电强度测试结果显示,变压器油的介电强度为XX kV/mm,符合国家标准要求。
说明变压器油的绝缘性能良好。
2. 气体含量分析结果显示,变压器油中的气体主要为乙烯、乙炔和氢气,含量较低,并未发现异常气体。
说明变压器油中不存在明显的故障。
3. 电导率测试结果显示,变压器油的电导率为XX μS/cm,低于国家标准要求。
说明变压器油的清洁程度较高。
4. 水分含量测定结果显示,变压器油中的水分含量为XX ppm,符合国家标准要求。
说明变压器油未受到明显的潮湿影响。
综上所述,通过对变压器油的实验测试,我们得出以下结论:1. 变压器油的绝缘性能良好,能够满足变压器的正常运行要求。
2. 变压器油中未发现明显的故障气体,变压器运行稳定。
3. 变压器油的清洁度较高,有利于维持变压器的正常运行。
4. 变压器油未受到明显的潮湿影响,不会对变压器的绝缘性能造成影响。
五、结论本次变压器油实验结果表明,变压器油的质量和性能良好,能够满足变压器的正常运行要求。
然而,为了确保变压器的长期稳定运行,建议定期对变压器油进行监测和检验,及时发现和解决潜在问题,提高变压器的可靠性和安全性。
变压器油实验报告一、实验目的1.了解变压器油的基本性质和重要性;2.掌握变压器油的测试方法和实验步骤;3.了解变压器油的存储和维护方法。
二、实验原理变压器油是变压器的绝缘介质,其质量的良好与否直接影响变压器的工作性能和寿命。
通过对变压器油进行测试,可以了解其电气性能、机械性能和化学性能等方面的指标。
实验中常用的测试包括介质损耗因子、介电强度、气体溶解度、氧折射指数等。
三、实验步骤1.取一定量的变压器油样品,放入干净的容器中;2.用干燥的滤纸吸取油样品,纸上的油迅速渗出;3.将滤纸上的油样品放入电流表夹子中,测量电流值,得到变压器油的损耗因子;4.将油样品倒入均匀加热的容器中,逐渐加热至油样品达到70℃,测量其介电强度;5.利用装置一律以0.01mm为最小刻度,从0开始加压,使位置器上的探针以20±2rpm的速度刻线,从开始到击穿时的电压直接读压表上的读数,同时读时间计。
四、实验结果经过实验测试,得到变压器油的介质损耗因子为0.03,介电强度为60kV/mm。
五、实验分析根据实验结果,可以得出变压器油的电气性能较好。
介质损耗因子越小,说明油样品的绝缘性能越好。
而介电强度越高,油样品的绝缘能力越强。
六、实验总结通过本次实验,我们了解了变压器油的基本性质和重要性,并掌握了变压器油的测试方法和实验步骤。
通过对变压器油的测试,我们可以评估其绝缘性能和质量情况,从而对变压器的工作性能和使用寿命进行预测和判断。
在实际应用中,我们还需要了解变压器油的存储和维护方法,以确保其性能的稳定和长期有效。
例如,变压器油需要存放在阴凉、通风和干燥的地方,避免与氧气和水分接触;同时定期进行变压器油的检测和维护,及时更换油样品,保持变压器的正常运行和安全。
总之,变压器油是变压器正常运行的重要因素,其质量对变压器的性能和使用寿命有直接影响。
因此,我们要加强对变压器油的测试和维护,确保变压器的正常工作和安全运行。
变压器油试验报告一、实验目的通过对变压器油进行一系列试验,了解变压器油的绝缘性能、电气性能和物理性能,并评估其是否满足使用要求。
二、实验仪器和材料1.变压器油试验设备2.变压器油样品3.试验仪器:介电强度测定仪、介质损耗测量仪、闪点测定仪、水分测定仪、酸值测定仪等三、实验过程与结果1.介电强度测定将变压器油样品置于介电强度测定仪中,按照标准规定的电压和时间进行测试。
记录得到的破坏电压。
结果:变压器油样品的介电强度为XXX kV/mm。
2.损耗因素测量将变压器油样品置于介质损耗测量仪中,按照标准规定的电压和频率进行测试。
记录得到的损耗因素。
结果:变压器油样品的损耗因素为XXX。
3.闪点测定将变压器油样品置于闪点测定仪中,加热样品并在样品产生闪光时停止加热。
记录得到的闪点。
结果:变压器油样品的闪点为XXX℃。
4.水分测定将变压器油样品置于水分测定仪中,通过干燥剂吸附水分并测量干燥前后的质量变化,计算出水分含量。
结果:变压器油样品的水分含量为XXX mg/kg。
5.酸值测定将变压器油样品置于酸值测定仪中,利用酸碱中和反应测定变压器油中的酸含量。
结果:变压器油样品的酸值为XXX mg KOH/100 mL。
四、实验分析与讨论通过以上试验,我们可以对变压器油的绝缘性能、电气性能和物理性能有一个初步的评估。
首先,介电强度测定是评价变压器油绝缘性能的重要指标之一、介电强度较高的油样品能够更好地抵抗电场的击穿,保证变压器的安全运行。
根据实验结果,可见变压器油样品的介电强度符合要求。
其次,损耗因素是评价变压器油电气性能的指标之一、损耗因素较低的油样品能够减少能量损耗,提高变压器的效率。
根据实验结果,可见变压器油样品的损耗因素符合要求。
闪点是评价变压器油的火灾危险性的指标之一、闪点越高,油品的火灾危险性越低。
根据实验结果,可见变压器油样品的闪点符合要求。
水分含量是评价变压器油物理性能的指标之一、过高的水分含量会导致变压器油的绝缘性能下降。
变压器油实验报告引言变压器油是一种特殊用途的绝缘油,广泛应用于电力变压器中,起到绝缘和冷却的作用。
为了确保变压器油的质量和性能符合规定的标准,需要进行一系列的实验。
本实验报告旨在描述变压器油实验的过程、结果和分析。
实验目的本实验的目的是对变压器油进行性能测试,包括其闪点、介电强度和溶解性能。
实验设备本次实验所使用的设备和试剂如下: - 电力变压器油样品 - 闪点仪 - 介电强度测试仪 - 溶解性测试装置 - 实验记录表实验步骤步骤一:闪点测试1.将变压器油样品注入闪点仪中。
2.设置闪点仪的温度上限。
3.开始测试,逐渐升高温度直到观察到油样品闪烁或火焰。
步骤二:介电强度测试1.准备介电强度测试仪。
2.将变压器油样品注入测试仪的测试室中。
3.将测试电极插入变压器油中。
4.开始测试,逐渐增加电压直到观察到电流通过。
步骤三:溶解性测试1.准备溶解性测试装置。
2.将变压器油样品放入试管中。
3.加入溶解剂,并加热。
4.观察样品是否溶解,记录结果。
实验结果与讨论根据实验步骤所描述的方法,我们进行了变压器油的闪点、介电强度和溶解性测试。
以下是我们得到的结果和讨论:闪点测试我们观察到变压器油的闪点为185摄氏度。
根据国家标准,变压器油的闪点应不低于140摄氏度,因此该样品的闪点在合理范围内。
介电强度测试我们通过介电强度测试仪得到了变压器油的击穿电压为45千伏。
根据标准要求,变压器油的击穿电压应不低于30千伏,因此该样品的介电强度合格。
溶解性测试我们进行了溶解性测试,加热变压器油样品和溶解剂。
观察到样品完全溶解,说明该样品的溶解性良好。
结论通过对变压器油的闪点、介电强度和溶解性进行测试,我们得出以下结论: - 变压器油样品的闪点符合国家标准要求。
- 变压器油样品的介电强度符合国家标准要求。
- 变压器油样品具有良好的溶解性能。
建议根据我们的实验结果和分析,我们建议继续监测和测试变压器油的性能,以确保其质量和性能保持在合理范围内。
变压器油分析报告1.引言变压器油是变压器系统中非常重要的绝缘介质,它不仅有助于保护变压器的电气部件,还可以辅助散热和维持变压器的稳定工作。
变压器油的分析可以用来评估变压器的状态和健康程度,及时发现潜在的问题并采取相应的维修和保养措施。
本报告通过对一台变压器油的分析,评估其健康状况和性能指标。
2.试验目的本次油分析的目标是:1)评估变压器油的物理和化学性质,包括闪点、粘度等。
2)分析变压器油的电气性能,例如介电强度和介质损耗因子。
3)检测变压器油中的有害污染物和杂质,包括水分、氧化物等。
4)判断变压器油的老化程度和变压器系统的运行状况。
3.实验方法本次油分析使用了多种常用的实验方法,包括闪点试验、粘度测量、电气性能测试以及污染物检测等。
4.结果分析根据实验结果,我们可以得出以下结论:1)变压器油的闪点为XX摄氏度,符合标准要求。
2)变压器油的粘度为XX,介于标准范围内。
3)变压器油的介电强度为XX千伏/毫米,介质损耗因子为XX,均符合要求。
4)变压器油中检测到了一定量的水分,超过了标准限制,可能对变压器的绝缘性能产生不利影响。
5)变压器油中的氧化物含量超过了标准限制,表明变压器油已经老化,需要及时更换。
5.建议措施根据以上分析结果1)及时更换变压器油,以降低电气设备的老化速度。
2)定期进行油的抽样分析,以了解系统的健康状况。
3)加强变压器绝缘系统的维护,排除潜在的故障隐患。
4)密切关注变压器油中的水分和氧化物含量,及时采取措施降低其对系统的影响。
6.结论通过变压器油的分析,我们对变压器系统的健康状况有了更清晰的了解。
建议在确认了变压器油的老化程度和水分、氧化物含量后,及时采取相应措施,保障变压器系统的稳定运行。
在日常维护和保养过程中,油的抽样分析是非常重要和有效的评估手段,能够提前发现潜在的问题,减少故障的发生。
中石化变压器油质检报告报告编号:XXXXX检测日期:XXXX年XX月XX日一、样品信息样品名称:中石化变压器油样品编号:XXX生产日期:XXXX年XX月XX日采样地点:中石化工厂二、检测项目及结果1.外观及色度经目测,样品为无色透明液体,无悬浮物和杂质。
色度:无色2.基本性质样品具有合格的基本性质,包括外观、相对密度、凝固点、闪点、蒸发残留物以及水分等指标。
3.酸值酸值是衡量变压器油酸性程度的一个指标,本次测试结果为0.15mgKOH/g,说明该变压器油具有良好的抗酸能力。
4.中和值中和值表征变压器油中酸与碱的平衡情况,使变压器油持续抵御酸腐蚀。
本次测试结果为0.05mgKOH/g,低于标准值(0.2mgKOH/g),说明该变压器油具有良好的中和能力。
5.水分含量变压器油中的水分会导致绝缘性能下降,本次测试结果为20ppm,符合国家标准范围内,未超过合理限度。
6.沉淀物沉淀物是指变压器油中的不溶于油的杂质,对设备会造成磨损。
本次检测结果为0.002%,远低于标准值(0.01%),符合要求范围内。
7.电离度电离度测试主要用于评估变压器油的绝缘性能。
本次测试结果为42μs/cm,低于标准值(70μs/cm),说明该变压器油具有较好的绝缘性能。
8.介电损失因子介电损失因子用于评估变压器油在电场中的能量损失情况。
本次测试结果为0.001,低于标准值(0.005),说明该变压器油具有良好的绝缘能力。
三、结论与建议根据以上结果,中石化变压器油样品在各项测试指标上均符合标准要求,证明其质量良好、适合用于变压器绝缘材料。
建议监测单位将变压器油定期进行测试,并依据测试结果进行油的维护和更换,以保证设备运行的稳定性和安全性。
检测单位:XXX实验室。
变压器油检测报告1. 引言本报告旨在对某变压器的油进行检测和分析,以评估其工作状态和健康程度。
变压器油是变压器内部绝缘材料的重要组成部分,它在变压器的正常运行中起到冷却、绝缘和灭弧等重要作用。
通过定期对变压器油的检测,我们可以了解变压器的运行情况,并采取相应的维护和修复措施。
2. 检测方法变压器油的检测主要采用以下几种方法:2.1 外观检查外观检查是通过观察变压器油的颜色、透明度和气味等指标来初步判断其健康状态。
正常的变压器油应该呈黄绿色、透明度高且无异味。
2.2 电气性能测试电气性能测试主要包括介质损耗测试和介质电阻测试。
介质损耗测试是通过测量变压器油中介质损耗的大小来判断其绝缘性能。
介质电阻测试则是测量油的电阻值,用于评估油的绝缘性能和污染程度。
2.3 化学分析化学分析是对变压器油中不同组分的含量进行测定和分析的方法。
该方法可以用来检测油中的水分、酸值、氧化性、溶解气体和污染物等指标,以评估油的老化和污染程度。
3. 检测结果3.1 外观检查结果经外观检查,发现变压器油的颜色略带深黄色,透明度良好,无明显浑浊或悬浮物。
气味方面,变压器油无异味。
3.2 电气性能测试结果介质损耗测试结果显示,变压器油的介质损耗为3.5%。
介质电阻测试结果表明,油的电阻值为90千欧姆。
3.3 化学分析结果化学分析结果如下:•水分含量:0.05%•酸值:0.1 mg KOH/g•氧化性:3 mg KOH/g•溶解气体:氢气 20 ppm,氧气 10 ppm,氮气 70 ppm•污染物:微粒数目 2000 pcs/ml,重量损失 0.1 mg4. 结论综合以上检测结果分析,该变压器油的工作状态良好,并未出现明显的老化和污染现象。
然而,变压器油中的氧化性、溶解气体和微粒数目等指标略高于正常范围,表明变压器油在使用过程中可能遭受了一定程度的氧化和污染。
为了保证变压器的正常运行和延长其使用寿命,建议采取以下措施:1.定期监测变压器油的状态,并及时更换老化严重的油。
变压器油实验报告第一篇:变压器油实验报告变压器油试验报告使用单位:甘肃省陇南市白鹤桥水电厂试验单位:甘肃华元电气工程有限公司产品型号:S11-8000/38.5 出厂序号:1506075 变压器油号:45# 执行标准:GB7252-2001,GB2536-90,GB/T7595-2008 试验环境温度:20℃ 相对湿度:60% 试验人:XXX 审核:XXX 批准:XXX XXXXXXXXXX 2015年08月18日第二篇:变压器油变压器油【变压器油简介】变压器油,2014年最新变压器油配方,借鉴国外先进变压器油产品配置而成,可替代国外进口产品。
由深度精制的矿物基础油和精选的抗氧剂组成,不含PCB(聚氯联苯),适用于变压器、油浸开关以及其它电气绝缘设备的绝缘冷却作用。
【变压器油用途】适用于电压等级330KV及以下的变压器以及有类似要求的电器设备,作为绝缘冷却介质【变压器油技术参数】1、产品外观:棕黄色2、闪点:2003、倾点:-204、包装:18L(塑料桶),200L(大铁桶)5、保质期:12个月【变压器油相关推荐】东莞美科铝合金变压器油具有优异的润滑和防蚀功能,用于进口和国产中高档机床,加工中心的各种加工方式;广泛用于航空制造、工程机械、汽车、摩托车等机械加工。
【美科变压器油实力见证】东莞美科石油化工有限公司,创立于2001年,到现在已经走过12年了。
12年时间,我们凭借着稳定的品质,实惠的价格,真诚的服务,赢得了绝大多数客户的信赖与支持。
在金属变压器油这个行业中有了一定的影响力。
虽然在过去,我们取得了不错的成绩,而我们的最终目标是成为国内金属变压器油的领航者,替代国外的产品,不断提高我们的研发水平,生产出更优质的金属变压器油。
公司拥有的Motech(美科)品牌,历经十多年的发展。
Motech变压器油脂系列产品,以优越的品质、专业的技术、完善的服务,赢得了国内外众多品牌企业:三星、伟易达、本田、丰田、信义玻璃、飞利浦、SanKyo、FUNAI、AGC、中国韶钢等用户的信赖与好评。