重力坝设计例题
- 格式:doc
- 大小:168.50 KB
- 文档页数:9
山王庙水库大坝稳定及应力计算1 基本资料1.1坝型选择:山王庙水库大坝采用砼重力坝。
1.2为了保证大坝的安全,下游设护坦。
1.3大坝的高度:计算得上游校核水位为2108.98m设计水位为2108.71m,下游校核水位为2079.00m 设计水位为2078.60m,开挖高程为2075m坝顶高程为2111.00m,堰顶高程为2108.00m。
粗估最大坝高:2111-2075=36.00m。
1.4溢流堰:可用曲线型实用堰(长研型、克奥型、WES型)、折线型;利用当地材料,且为小型溢流坝,采用WES型。
1.5大坝的稳定及边缘应力计算:计算时可以考虑风浪及泥沙压力。
建筑物等级为5级建筑物。
1.5.1实用堰的剖面尺寸:坝轴线长12.0m;溢流堰口长10.0m;堰顶水深:校核水深为0.98m、设计水位为0.71m;下游水深t :校核水深为4.00m、设计水位为3.60m;1.5.2非溢流坝段的剖面尺寸:坝轴线长:左岸3个坝段、55.0m,右岸6个坝段、100.0m;上游水位:校核水位为2108.98m 设计水位为2108.71m;下游水深t :校核水深为4.00m、设计水位为3.50m;2溢流坝段的稳定和应力计算:只计算最不利情况一一校核洪水时溢流情况;下游水位:坝址水位~流量曲线得为2079.0m;上游水位:2108.98m;2.1荷载计算: 表2-1溢流坝段荷载计算表荷载及代号 荷载计算(10KN )方向力臂计算(m力矩(10KN.m )坝体自重G (1/2) X 27.4 X 33.0 X 2.4=1085.04+30.0/2-2.6-27.6/3=3.2 3472.128 坝体自重G 2 (1/2 )X 2.6 X 13.0 X 2.4=40.5630/2-2/3 X 2.6=13.267 538.096 上游水重W (1/2 ) (33.98+20.98 )X 2.6=71.44830/2-1.3=13.7 978.838 上游泥沙重W (1/2 )X 2.6 X 14.36 X 0.8=14.934 t 30/2-2.6/3=14.133 211.07 下游水重W (1/2 )X 3.2 X 4.0=6.40 + -(30/2-3.20/3 ) =-13.93-89.17 上游水压力P 2 (1/2 )X 33.98 X 33.98=577.32―33.98/3=11.33 -6539.11 上游泥沙压力P r (1/2 ) X 14.98 X 14.98 X 0.53 X 0.8=47.57 —14.98/3=4.99 -237.53 下游水压力P l 2(1/2 )X 4.0 =8.0V — (1/3 )X 4.0=1.333 10.67 堰面动水压力:1.94 X 20 (COS25^COS53) /9.8=1.2064— 6.07.23 1.94 X 20 ( SIN250+SIN530) /9.8=4.84 + 15-2.715=12.285 -59.40 浮托力V 30.0 X 4.0=120.0t 0渗透压力U (1/2 )X 29.98 X 0.25 X 25.0=93.69 t -(30/2-5-25/3) =-1.667-156.15 渗透压力U 2(1/2 )X( 29.98+7.495 )X 5.0=93.69t-(30/2-5/2 ) =-12.5-1171.10合计刀W刀P刀M不计入扬压力合计— 1218.382616.89 -1655.008 计入扬压力合计911.002616.89-2982.2582.602.2验算抗滑稳定性:(1) 采用抗剪断强度公式计算,其稳定安全系数为:K= (f,刀W+CA) / 刀P;查前述地质提供的数据:f,=1.0 , C=1.10Mpa,代入公式:K= (1.0 X 911.002+1.10 X 30.0 X 100) /616.89=6.83 > 2.5 (见规范要求), 满足稳定要求。
有淤积的重力坝抗滑稳定计算例题假设一重力坝高度为50m,坝底宽度为30m,坝顶宽度为5m,坝壳采用混凝土砌块结构,其中抗滑稳定检查时发现了淤积现象,淤积高度为10m。
水库最大蓄水位为49.5m,水库最大蓄水位以下土体的重度γ为20kN/m³,坝的材料为C30混凝土。
计算坝体的抗滑稳定系数。
解答:1. 计算坝底最大抗滑力Fmax:Fmax = C × Nq × Nγ × B × Z其中:- C为基本土壤参数,取0.16;- Nq为平均承载力系数,按图示表查得Nq=8;- Nγ为平均支撑力系数,按图示表查得Nγ=26;- B为坝底宽度,取30m;- Z为坝底土层深度,取10m。
代入计算可得:Fmax = 0.16 × 8 × 26 × 30 × 10 = 9984kN2. 计算摩擦力Ff:Ff = ε × W其中:- ε为土-混凝土摩擦系数,按图示表查得ε=0.6;- W为坝体方向作用力线上的单位长度土重力,应取水位以下至坝底深度范围内土的平均重度γ。
W = γ × Hb淤积高度为10m,故坝底深度Hb=50-10=40m。
代入计算可得:W = 20 × 40 = 800kN/m综上,可得:Ff = 0.6 × 800 = 480kN/m3. 计算抗滑稳定系数Fs:Fs = Fmax / Ff代入计算可得:Fs = 20.8由此可知,坝体的抗滑稳定系数为20.8,符合抗滑稳定的设计要求。
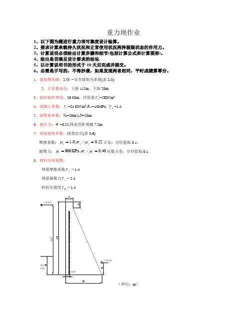
重力坝作业
1、以下图为题进行重力坝可靠度设计验算。
2、要求计算承载持久状况和正常使用状况两种极限状态的作用力。
3、计算说明必须给出计算步骤和细节(包括计算公式和计算图形)。
4、给出是否满足设计要求的结论.
5、以计算说明书的形式于10天后完成并提交。
6、必需是手写的,不得抄袭,如果发现两者相同,平时成绩算零分。
1.建筑物等级:2级→安全级别为Ⅱ级(表2-3)
2.正常蓄水位:上游115m ,下游20m
3.泥沙淤积厚度:26.88m ,浮容重s
γ'=5KN/m 3 4.混凝土参数:c γ=24 KN/m 3,R ak =10MPa,
d γ=1.4
5.波要素参数:V 0=20m/s,D =5km
6.扬压力:α=0.25,排水管距坝踵7.2m
7.坝基强度参数:Ⅲ类岩石(表3-6)
摩擦系数:22.0/,0.1==f f f μσμ正态,分位值取0.1。
凝聚力:40.0/,KPa 900==c c c μσμ对数正态,分位值取0.1。
8.材料分项系数:
坝基摩擦系数f γ=1.4
坝基凝聚力c γ=2.4 砼抗压强度R γ=1.4
(单位:m )。
重力坝设计例题:一.基本资料某高山峡谷地区规划的水利枢纽,拟定坝型为混凝土重力坝,其任务以防洪为主、兼顾灌溉、发电,为3级建筑物,试根据提供的资料设计非溢流坝剖面。
1.水电规划成果上游设计洪水位为355.0 m,相应的下游水位为331.0 m;上游校核洪水位356.3 m ,相应的下游水位为332.0 m;正常高水位354.0 m;死水位339.5 m。
2.地质资料河床高程328.0 m,约有1~2 m覆盖层,清基后新鲜岩石表面最低高程为326.0m。
岩基为石炭岩,节理裂隙少,地质构造良好。
抗剪断强度取其分布的0.2分位值为标准值,则摩擦系数'ckf=0.82,凝聚力'ckc=0.6MPa。
3.其它有关资料河流泥沙计算年限采用50年,据此求得坝前淤沙高程337.1 m。
泥沙浮重度为6.5kN/ m3,内摩擦角φ=18°。
枢纽所在地区洪水期的多年平均最大风速为15m/s,水库最大风区长度由库区地形图上量得D=0.9km。
坝体混凝土重度γc =24kN/m3,地震设计烈度为6度。
拟采用混凝土强度等级C10,90d龄期,80%保证率,fckd强度标准值为10MPa,坝基岩石允许压应力设计值为4000kPa。
二.设计要求:(1)拟定坝体剖面尺寸确定坝顶高程和坝顶宽度,拟定折坡点的高程、上下游坡度,坝底防渗排水幕位置等相关尺寸。
(2)荷载计算及作用组合该例题只计算一种作用组合,选设计洪水位情况计算,取常用的五种荷载:自重、静水压力、扬压力、淤沙压力、浪压力。
列表计算其作用标准值和设计值。
(3)抗滑稳定验算可用极限状态设计法进行可靠度计算。
重力坝剖面设计图(单位:m)三.非溢流坝剖面的设计(一)资料分析该水利枢纽位于高山峡谷地区,波浪要素的计算可选用官厅公式。
因地震设计烈度为6度,故不计地震影响。
大坝以防洪为主,3级建筑物,对应可靠度设计中的结构安全级别为Ⅱ级,相应结构重要性系数γ0=1.0。
第二章复习思考题1.结合重力坝的工作条件,分析其优缺点2.重力坝设计必须包括哪些主要内容?3.为什么扬压力对重力坝的应力及稳定均不利?4.画图表示岩基上混凝土实体重力坝设置了封闭的灌浆帷幕、排水孔幕的布置和抽排水设施时的扬压力图形。
5.为什么要进行荷载组合?什么是基本荷载和基本荷载组合,什么是特殊荷载和特殊荷载组合?6.重力坝抗滑稳定计算公式有哪几种?试比较各公式的基本理论、优缺点和适用条件。
7.提高重力坝抗滑稳定性有哪些措施?8.重力坝应力分析的目的是什么?9.重力坝应力分析的材料力学有哪几条基本假定?10.用材料力学法计算重力坝应力,其强度标准是什么?11.重力坝为什么要分缝?需要分哪些缝?12.纵缝有哪几种?各有什么优缺点?13.廊道有哪些作用?如何确定各种用途廊道的形式、尺寸和位置?布置廊道系统的原则是什么?14.坝身排水孔的作用是什么?距上游坝面的距离、孔距如何确定?15.重力坝对地基有哪些要求?为什么有这些要求?这些要求与天然地基的条件之间有哪些矛盾?16.试述重力坝固结灌浆的目的、设计内容、原则和方法。
17.试述重力坝防渗帷幕灌浆的目的、设计内容、原则和方法。
综合测试1.扬压力即为:(A)渗透压力;(B)浮压力;(C)渗透压力和浮压力之和;(D)渗透压力减去浮压力。
2.基本荷载是:(A)出现机会较多的荷载;(B)出现机会较少的荷载;(C)出现机会较多的荷载和出现机会较少的荷载之和;(D)基本荷载和一种或几种特殊荷载。
3.摩擦公式认为:(A)坝体与坝基为胶结状态;(B)坝体与坝基为接触状态;(C)坝体与坝基为连接状态;(D)坝体与坝基为作用状态。
4.材料力学法假定(A)水平截面上的垂直正应力呈曲线分布;(B)水平截面上的垂直正应力呈均匀分布;(C)水平截面上的垂直正应力呈不均匀分布;(D)水平截面上的垂直正应力呈直线分布。
5.应力的控制标准是:(A)上游坝基面垂直正应力(计入扬压力)大于零;(B)上游坝基面垂直正应力(计入扬压力)小于零;(C)上游坝基面垂直正应力(计入扬压力)等于零;(D)上游坝基面垂直正应力(计入扬压力)不为零。
网络教育学院《水工建筑物课程设计》题目:重力坝设计学习中心:专业:年级:学号:学生:指导教师:1 项目基本资料1.1 气候特征根据当地气象局50年统计资料,多年平均最大风速14 m/s,重现期为50年的年最大风速23m/s,吹程:设计洪水位 2.6 km,校核洪水位3.0 km 。
最大冻土深度为1.25m。
河流结冰期平均为150天左右,最大冰厚1.05m。
1.2 工程地质与水文地质1.2.1坝址地形地质条件(1)左岸:覆盖层2~3m,全风化带厚3~5m,强风化加弱风化带厚3m,微风化厚4m。
(2)河床:岩面较平整。
冲积沙砾层厚约0~1.5m,弱风化层厚1m左右,微风化层厚3~6m。
坝址处河床岩面高程约在38m左右,整个河床皆为微、弱风化的花岗岩组成,致密坚硬,强度高,抗冲能力强。
(3)右岸:覆盖层3~5m,全风化带厚5~7m,强风化带厚1~3m,弱风化带厚1~3m,微风化厚1~4m。
1.2.2天然建筑材料粘土料、砂石料和石料在坝址上下游2~3km均可开采,储量足,质量好。
粘土料各项指标均满足土坝防渗体土料质量技术要求。
砂石料满足砼重力坝要求。
1.2.3水库水位及规模①死水位:初步确定死库容0.30亿m3,死水位51m。
②正常蓄水位:80.0m。
注:本次课程设计的荷载作用只需考虑坝体自重、静水压力、浪压力以及扬压力。
表一本设计仅分析基本组合(2)及特殊组合(1)两种情况:基本组合(2)为设计洪水位情况,其荷载组合为:自重+静水压力+扬压力+泥沙压力+浪压力。
特殊组合(1)为校核洪水位情况,其荷载组合为:自重+静水压力+扬压力+泥沙压力+浪压力。
1.3大坝设计概况1.3.1工程等级本水库死库容0.3亿m3,最大库容未知,估算约为5亿m3左右。
根据现行《水电枢纽工程等级划分及设计安全标准》(DL5180-2003),按水库总库容确定本工程等别为Ⅱ等,工程规模为大(2)型水库。
枢纽主要建筑物挡水、泄水、引水系统进水口建筑物为2级建筑物,施工导流建筑物为3级建筑物。
重力坝设计例题讲解重力坝设计例题:一.基本资料某高山峡谷地区规划的水利枢纽,拟定坝型为混凝土重力坝,其任务以防洪为主、兼顾灌溉、发电,为3级建筑物,试根据提供的资料设计非溢流坝剖面。
1.水电规划成果上游设计洪水位为355.0 m ,相应的下游水位为331.0 m ;上游校核洪水位356.3 m ,相应的下游水位为332.0 m ;正常高水位354.0 m ;死水位339.5 m。
2.地质资料河床高程328.0 m ,约有1~2 m 覆盖层,清基后新鲜岩石表面最低高程为326.0m 。
岩基为石炭岩,节理裂隙少,地质构造良好。
抗剪''f c 断强度取其分布的0.2分位值为标准值,则摩擦系数 ck =0.82,凝聚力ck=0.6MPa。
3.其它有关资料河流泥沙计算年限采用50年,据此求得坝前淤沙高程337.1 m。
泥沙浮重度为6.5kN/ m3 ,内摩擦角φ=18°。
枢纽所在地区洪水期的多年平均最大风速为15m/s,水库最大风区长度由库区地形图上量得D=0.9km。
坝体混凝土重度γc =24kN/m3,地震设计烈度为6度。
拟采用混凝土强度等级C10,90d 龄期,80%保证率,fckd 强度标准值为10MPa ,坝基岩石允许压应力设计值为4000kPa 。
二.设计要求:(1)拟定坝体剖面尺寸确定坝顶高程和坝顶宽度,拟定折坡点的高程、上下游坡度,坝底防渗排水幕位置等相关尺寸。
(2)荷载计算及作用组合该例题只计算一种作用组合,选设计洪水位情况计算,取常用的五种荷载:自重、静水压力、扬压力、淤沙压力、浪压力。
列表计算其作用标准值和设计值。
(3)抗滑稳定验算可用极限状态设计法进行可靠度计算。
(4)坝基面上下游处垂直正应力的计算,以便验算地基的承载能力和混凝土的极限抗压强度。
重力坝剖面设计图(单位:m )三.非溢流坝剖面的设计● 资料分析该水利枢纽位于高山峡谷地区,波浪要素的计算可选用官厅公式。
1.4 某砼重力坝为2级建筑物,坝高65m,设计烈度7度,进行抗滑稳定分析时,下列选项中哪一项是正确的?A.需要计及地震荷载、同时考虑水平向和垂直向地震作用、采用拟静力法计算;B.不需要计及地震荷载;C.需要计及地震荷载、只考虑水平向地震作用;采用拟静力法计算;D.需要计及地震荷载、同时考虑水平向和垂直向地震作用。
采用动力分析法计算;答案:C考查点:荷载组合及抗震设计解题:本工程为Ⅶ度地震区,地震烈度高于Ⅵ度,所以要进行抗震设计。
《水工建筑物抗震设计规范》4.1.1条、4.1.2条,可只考虑水平向地震作用。
根据1.0.5条本工程抗震设防类别应为乙类,又根椐6.1.5条规定,乙类、设计烈度7度、坝高小于70m 可采用拟静力法计算。
1.5 混凝土重力坝,最大坝高113m,为2级建筑物,安全监测必设的内容(专门性监测除外)。
A 坝体位移、坝基位移、裂缝、倾斜、扬压力;B 坝体位移、接缝、坝基位移、坝体渗透压力、扬压力;C 坝体位移、接缝、坝基位移、扬压力、混凝土温度;D 坝基位移、接缝、裂缝、应力、应变。
答案:C考查点:安全监测解题:混凝土重力坝设计规范SL319-2005表10.2.3,仪器监测的常规项目4.4 某混凝土重力坝坝高70m,泄洪要求在水位190m时总泄量7800m3/s。
若在176m高程设开敞式溢流孔(表孔),单孔净宽15m。
试问需设几个表孔?已知表孔所在坝段坝体上游面铅直,表孔定型设计水头12.5m,侧收缩系数0.90, 不计行进流速影响。
答案:5个表孔考点:表孔泄流能力解:表孔单孔泄流能力采用《混凝土重力坝设计规范SL 319-2005》附录A.3中(A.3.1)式计算。
式中:淹没系数取1.0,侧收缩系数0.90,上游坡面铅直修正系数C=1,溢流堰净宽B=15m流量系数m:溢流堰定型设计水头Hd=12.5m上游堰高与定型设计水头比P1/Hd>1.33库水位190m时堰顶水头Hw=14m,Hw/ Hd=15/12.5=1.2查规范附录A 表A.3.1-1流量系数0.510 表孔单孔泄量:1598 m3/s 需设5个表孔某工程帷幕布置如图(图中尺寸单位以m计),悬挂式帷幕,已知帷幕厚3.2m,深38m,帷幕两侧距坝踵及坝趾距离分别为11.9m、78.3m,帷幕上游固结灌浆深8m,上下游水头差83m,原岩平均透水率为25.0Lu,帷幕底岩石透水率为5.0Lu。
目录第一章调洪演算错误!未定义书签。
第二章非溢流坝设计计算12.1坝高的计算12.2坝挡水坝段的稳定及应力分析2第三章溢流坝设计计算93.1堰面曲线93.2中部直线段设计93.3下游消能设计103.4水力校核113.5WES堰面水面线计算13第四章放空坝段设计计算174.1放空计算174.2下游消能防冲计算184.3水力校核194.4水面线计算21第五章电站坝段设计计算235.1基本尺寸拟订23第六章施工导流计算266.1河床束窄度266.2一期围堰计算266.2二期围堰高程的确定27附录一经济剖面选择输入及输出数据30附录二坝体的稳定应力计算输入输出数据34附录三调洪演算源程序及输入数据44第二章 非溢流坝设计计算2.1 坝高的计算坝顶高出静水面Δh=2h 1+h 0+h c 2h 1——波浪高度校核时,V=16m/s 2h 1=0.0166×V 5/4×D 1/3=0.0166×165/4×0.51/3=0.42m 设计时,V=24m/s2h 1=0.0166×V 5/4×D 1/3=0.0166×245/4×0.51/3=0.70m h0——波浪中心线高出静水位高度校核时,2L 1=10.4×(2h 1>0.8=10.4×0.420.8=5.21mm L h 11.024h 1210==π设计时,2L 1=10.4×(2h 1>0.8=10.4×0.700.8=7.81mm L h 20.024h 1210==πh c ——安全超高,等知:校核时,h c =0.3m ;设计时,h c =0.4m 。
由以上可得坝顶超高为: 校核时Δh=2h 1+h 0+h c =0.42+0.11+0.3=0.83m设计时Δh=2h 1+h 0+h c =0.70+0.20+0. 4=1.30m 则 确定坝顶高程为: 校核时 Z 坝顶=324.7+0.83=325.53m 设计时 Z 坝顶=324.5+1.30=325.80m取其中大者即325.80m,作为坝顶高程<如图2-1所示)。
重力坝剖面设计例题
重力坝剖面设计例题
一、问题描述
设计重力坝剖面及其容积以及地质构造等问题,条件如下:
1.水库系所在河流:支流口潭流域横河流域(入流口半径为100m,出流口水位为45.50m)。
2.坝高:56m。
3.水库容积:6500万m3。
4.护坝材料:砼。
5.地质构造:由上至下均为砂层,每层砂都非常疏松,最上一层钢筋混凝土覆盖层厚度为0.3m,护坝标高为54.67m,堰坝高度为
2.33m。
二、设计思路
1.根据水库容积及坝高,利用Trial-and-Error的搜索策略,选择合适的坝坡角以确定水库蓄水容量,同时考虑护坝安全性及经济性的要求;
2.叠加地质构造图,在给定的坝坡角下,确定剖面线,绘制护坝的方案图,确定其容积;
3.根据护坝容积的结果,调整坝坡角,进行第二次计算;
4.循环以上步骤,直至达到满足容积及护坝安全性及经济性要求的条件为止。
三、计算
第一次调整:
1.设置坝坡角θ=1°,根据水力学原理,计算水库容量V=6456.21×106m3;
2.绘制护坝剖面图,确定护坝容积V1=186.00×106m3。
第二次调整:
1.调整坝坡角θ=0.3°,根据水力学原理,计算水库容量
V=6500.00×106m3;
2.绘制护坝剖面图,确定护坝容积V1=184.00×106m3;
3.满足设计要求,重力坝剖面设计完成。
大学工程力学题目及参考答案(精华)一、题目描述某混凝土重力坝的设计中,工程师提出了以下问题,请根据所学的工程力学知识进行分析和解答。
重力坝结构简图如下:其中,坝体高度H = 100m,上游水位高度h1 =80m,下游水位高度h2 = 10m,上游水压力P1 =2000kN/m,下游水压力P2 = 500kN/m。
坝体自重G = 5000kN/m。
假设坝体为刚体,忽略摩擦力。
1. 求坝体的稳定性系数;2. 若在坝体上游面增加一垂直土压力P3 =1500kN/m,求此时坝体的稳定性系数;3. 针对上述情况,提出一种改进措施,以提高坝体的稳定性。
二、参考答案1. 求坝体的稳定性系数首先,计算坝体的抗滑力F和滑动力S。
抗滑力F包括:(1)坝体自重G = 5000kN/m;(2)下游水压力P2 = 500kN/m。
抗滑力F = G + P2 = 5000 + 500 = 5500kN/m。
滑动力S包括:(1)上游水压力P1 = 2000kN/m;(2)上游面增加的垂直土压力P3 = 1500kN/m。
滑动力S = P1 + P3 = 2000 + 1500 = 3500kN/m。
稳定性系数K = F/S = 5500/3500 ≈ 1.57。
2. 若在坝体上游面增加一垂直土压力P3 =1500kN/m,求此时坝体的稳定性系数此时,抗滑力F不变,仍为5500kN/m。
滑动力S变为:S = P1 + P3 = 2000 + 1500 = 3500kN/m。
稳定性系数K = F/S = 5500/3500 ≈ 1.57。
3. 改进措施为了提高坝体的稳定性,可以采取以下措施:(1)增加坝体的宽度,从而增加坝体的抗滑力。
具体增加多少宽度,需要根据实际情况进行计算。
(2)在坝体上游面设置排水孔,以减小上游水压力P1。
具体设置多少排水孔,也需要根据实际情况进行计算。
(3)在坝体下游面设置防滑板,以增加滑动力S。
具体防滑板的设计参数,同样需要根据实际情况进行计算。
有淤积的重力坝抗滑稳定计算例题抗滑稳定计算是重力坝设计中的关键一环,它用于评估重力坝结构在可能出现的滑动情况下的稳定性。
下面是一个淤积的重力坝抗滑稳定计算的例题及其相关参考内容。
例题:某重力坝采用淤积的方法进行修建,坝体的尺寸如下:坝高100m,坝顶宽10m,坝底宽60m。
地质勘探取得的结果显示坝底基岩层为坚硬的花岗岩,淤积体为粉质黏土,其安全抗滑系数为0.5。
根据现有的资料,计算坝体的抗滑稳定性。
1. 确定滑动面和作用力首先,需要确定可能发生滑动的滑动面。
在淤积的重力坝中,一般选择沙坝和芯墙之间的界面作为滑动面。
作用在滑动面上的力主要有水压力、重力和地震力。
2. 计算坝顶水压力根据坝顶高程和坝体截面面积,可以计算出坝顶的水压力。
也需要考虑坝顶下方的大坝湖水压力对坝体的作用。
3. 计算坝体重力坝体的自重是抵抗滑动的重要因素。
根据坝体的几何尺寸和材料的密度,可以计算出坝体的总重力。
4. 计算地震力地震会给重力坝带来额外的作用力,应根据设计参数和地震区域确定地震力的大小和作用方向。
5. 计算滑动力和抗滑力坝体在可能滑动的滑动面上的滑动力是需要确定的。
滑动力由水压力、重力和地震力等共同作用产生。
而抗滑力是指作用在滑动面上的阻止滑动的力。
6. 确定抗滑稳定系数抗滑稳定系数是评估坝体抗滑稳定性的关键指标。
一般认为当抗滑力超过滑动力的1.5倍时,坝体具有较好的抗滑稳定性。
参考内容:1. 《水工结构基础》(王善标著)2. 《水电站工程设计手册》(陈晓宏主编)3. 《大坝工程》(朱壮华主编)4. 《土力学和岩土工程》(龚明辉主编)5. 《水电工程施工规范》6. 《地质灾害防治设计规范》以上是关于淤积的重力坝抗滑稳定计算的相关参考内容,这些参考内容涵盖了水利水电工程中的基本理论与实践,可供参考者进行深入研究和学习。
讲解重力坝设计例题:
一.基本资料
某高山峡谷地区规划的水利枢纽,拟定坝型为混凝土重力坝,其任务以防洪为主、兼顾灌溉、发电,为3级建筑物,试根据提供的资料设计非溢流坝剖面。
1.水电规划成果上游设计洪水位为355.0 m,相应的下游水位为331.0 m;上游校核洪水位356.3 m ,相应的下游水位为332.0 m;正常高水位354.0 m;死水位339.5 m。
2.地质资料河床高程328.0 m,约有1~2 m覆盖层,清基后新鲜岩石表面最低高程为326.0m。
岩基为石炭岩,节理裂隙少,地质构造良好。
抗剪
断强度取其分布的0.2分位值为标准值,则摩擦系数
'
ck
f=0.82,凝聚力'
ck
c
=0.6MPa。
3.其它有关资料河流泥沙计算年限采用50年,据此求得坝前淤沙高程337.1 m。
泥沙浮重度为6.5kN/ m3 ,内摩擦角φ=18°。
枢纽所在地区洪水期的多年平均最大风速为15m/s,水库最大风区长度由库区地形图上量得D=0.9km。
坝体混凝土重度γc =24kN/m3,地震设计烈度为6度。
拟采用混凝土强度等级C10,90d龄期,80%保证率,fckd强度标准值为10MPa,坝基岩石允许压应力设计值为4000kPa。
二.设计要求:
(1)拟定坝体剖面尺寸确定坝顶高程和坝顶宽度,拟定折坡点的高程、上下游坡度,坝底防渗排水幕位置等相关尺寸。
(2)荷载计算及作用组合该例题只计算一种作用组合,选设计洪水位情况计算,取常用的五种荷载:自重、静水压力、扬压力、淤沙压力、浪压力。
列表计算其作用标准值和设计值。
(3)抗滑稳定验算可用极限状态设计法进行可靠度计算。
(4)坝基面上下游处垂直正应力的计算,以便验算地基的承载能力和混凝土的极限抗压强度。
重力坝剖面设计图(单位:m)
三.非溢流坝剖面的设计
●资料分析
该水利枢纽位于高山峡谷地区,波浪要素的计算可选用官厅公式。
因地震设计烈度为6度,故不计地震影响。
大坝以防洪为主,3级建筑物,对应可靠度设计中的结构安全级别为Ⅱ级,相应结构重要性系数γ0=1.0。
坝体上的荷载分两种组合,基本组合(设计洪水位)取持久状况对应的设计状况系数ψ=1.0,结构系数γd =1.2;偶然组合(校核洪水位)取偶然状况对应的设计状况系数ψ=0.85,结构系数γd =1.2。
坝趾抗压强度极限状态的设。