北京邮电大学 数字逻辑期末模拟试题3
- 格式:pdf
- 大小:209.06 KB
- 文档页数:3
北京邮电大学数字逻辑期末模拟试题1 -2本科试题(一)一、选择题(每小题2分,共20分。
)1.,A 、B 、C 取何值时,F =1()。
A.011B.100C.101D.000 2.下列三个数对应的十进制数最大的是()。
A. (30)8B. (10110)2C. (00101000)8421D.27 3.图1所示电路中描述错误的是()。
A .状态变化发生在CP 脉冲下降沿B .C .D.CP 脉冲下降沿输出状态翻转4.二进制加法器自身()。
A .只能做二进制数加运算B .只能做8421BCD 码加运算C .A 和B 均可D. 只能做补码加法运算5.用方程式表示时序电路的逻辑功能,需()。
A .一个方程B .二个方程C .三个方程D. 四个方程6.五个D 触发器构成的扭环计数器,计数器的模是()。
A .10B .25C .5D .25 7.八路数据选择器如图2所示,该电路所实现的逻辑函数是()。
A. B.C. D. 8.判断以下三组VHDL 语言描述中()意义相同。
A. z <= not X and not Y ;和z <= not (X or Y);B. z <= not (X or Y);和z <= not X or not Y ;C. z <= not X and Y ;和z <= not (X and Y);D. z <= not X and not Y ;和z <= not (X and Y);9. 多路选择器构成的数据总线是()。
A. 双向的B. 单向的C. A 和B 都对D.多路的10.断电之后,能够将存储内容保存下来的存储器是()。
A .只读存储器ROM ;B .随机存取存储器RAM ;C .动态存取存储器DRAM D. SDRAM二、简答题(每小题5分,共15分)1、化简(5分)2、分析如图3所示的逻辑电路图,写出输出逻辑函数表达式。
(5分)。
3、画出01011序列检测器的状态转移图,X 为序列输入,Z 为检测输出。
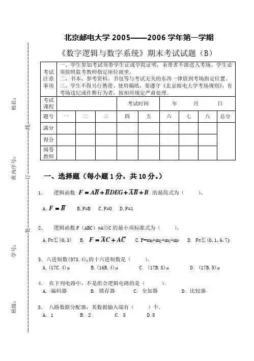
北京邮电大学2005——2006学年第一学期 《数字逻辑与数字系统》期末考试试题(B )一、选择题(每小题1分,共10分。
) . 逻辑函数 B B A DEG B B A F +++= 的最简式为( )。
A.B F = B.F=B C.F=0 D.F=1 . 逻辑函数F (ABC )=A ⊙C 的最小项标准式为( )。
A.F=∑(0,3) B. C A C A F += C.F=m 0+m 2+m 5+m 7 D. F=∑(0,1,6,7) .八进制数(573.4)8的十六进制数是( )。
A.(17C.4)16 B.(16B.4)16 C. (17B.8)16 D. (17B.5)16 . 在下列电路中,不是组合逻辑电路的是( )。
A. 编码器 B. 锁存器 C. 全加器 D. 比较器 . 八路数据分配器,其数据输入端有( )个。
A. 1 B. 2 C. 3 D.86.n 个触发器构成的扭环计数器中,无效状态有( )个。
A.nB.2nC.2n-1D. 2n -2n7.构成数字系统必不可少的逻辑执行部件为( )。
A. 控制器B. 计数器C. 基本子系统D. 逻辑门8.电路如图1所示,其中完成A Q Q n 1n +=+电路是( )。
9. 使用256×4位EPROM 芯片构成2K ×32位存储器,共需EPROM 芯片( )片。
A.64B.32C.48D.1610.在ispLSI1032中,巨块是( )。
A.逻辑宏单元B.输出布线C.时钟设置网络D.GLB 及其对应的ORP ,IOC 等的总称二、填空题(每小题2分,共20分)1. 用卡诺图判断函数AC BC AB F ++=和C A C B B A G ++=之间的逻辑关系是______________________。
2. 一个逻辑函数如果有n 个变量,则有__________个最小项。
任何一个逻辑函数可以化成一组________________之和表达式。
数电期末考试题及答案一、单项选择题(每题2分,共20分)1. 在数字电路中,最基本的逻辑运算是()。
A. 与运算B. 或运算C. 非运算D. 异或运算答案:C2. 一个触发器可以存储()位二进制信息。
A. 1B. 2C. 3D. 4答案:A3. 以下哪个不是组合逻辑电路的特点?()A. 输出只依赖于当前输入B. 输出与输入之间存在时延C. 没有记忆功能D. 任何时刻输出仅由该时刻的输入决定答案:B4. 一个4位二进制计数器可以计数到()。
A. 8B. 16C. 15D. 14答案:B5. 一个D触发器的特点是()。
A. 有两个稳定状态B. 只有一个稳定状态C. 没有稳定状态D. 以上都不是答案:A6. 在数字电路中,以下哪个不是基本的门电路?()。
A. 与门B. 或门C. 非门D. 异或门答案:D7. 一个3线-8线译码器可以译码()种不同的输入。
A. 3B. 8C. 6D. 7答案:B8. 一个8位寄存器可以存储()位二进制数。
A. 8B. 16C. 32D. 64答案:A9. 以下哪个是同步时序电路的特点?()A. 电路的输出仅依赖于当前的输入B. 电路的输出依赖于当前的输入和电路的历史状态C. 电路的输出不依赖于输入D. 电路的输出仅依赖于电路的历史状态答案:B10. 一个JK触发器可以表示()种不同的状态。
A. 1B. 2C. 3D. 4答案:B二、填空题(每题2分,共20分)1. 在数字电路中,一个基本的与门电路有_____个输入端和一个输出端。
答案:22. 一个4位二进制计数器的计数范围是从0到_____。
答案:153. 一个D触发器在时钟信号的上升沿到来时,其输出Q将与输入D保持_____。
答案:一致4. 在数字电路中,一个3线-8线译码器的输出是_____进制的。
答案:二5. 一个8位寄存器可以存储的最大十进制数是_____。
答案:2556. 一个JK触发器在J=0,K=0时,其状态将保持_____。
本科试题(三)一、选择题(每小题2分,共20分。
)1.与最小项表达式F(A,B,C)=m 0+m 3+m 4+m 7相等的逻辑函数为(相等的逻辑函数为()。
A.F =B F=B ⊙C B. C. D.F=∑(0,4) 2.证明成立的最简单方法是依据以下哪种定律或规则?(或规则?( ) A. 对偶规则对偶规则 B. B. 分配律分配律 C. C.反演规则D.D.多余项定律多余项定律多余项定律3.2421BCD 码为(码为(101111111011111110111111))2421BCD ,与其相等的十进制数是(,与其相等的十进制数是( )。
A.(277)10 B.(82)10 C. (59)10 D. (1115)10 4. 一个四输入端与非门,使其输出为0的输入变量取值组合有(的输入变量取值组合有( )种。
)种。
A. 15B. 8C. 7D. 1 5. ( )电路在任何时刻只能有一个输入端有效。
)电路在任何时刻只能有一个输入端有效。
A.A.普通二进制编码器普通二进制编码器普通二进制编码器 B. B.优先编码器优先编码器 C. C.七段显示译码器七段显示译码器 D. D. 二进制译码器二进制译码器6.中规模集成计数器都具有规定的模值,但可以用(.中规模集成计数器都具有规定的模值,但可以用( )来构成任意进制计数。
)来构成任意进制计数。
A.A.复复0和复9 B.置数法和复位法置数法和复位法 C. C.改变输入法改变输入法 D. D. 控制CP 脉冲脉冲 7.数字系统级的设计与逻辑部件级设计分别采用(.数字系统级的设计与逻辑部件级设计分别采用( )的设计方法。
)的设计方法。
A. 自上而下、自上而下自上而下、自上而下 B. B. 自下而上、自下而上自下而上、自下而上 C. 自上而下、自下而上自上而下、自下而上 D. D. 自下而上、自上而下自下而上、自上而下8.使用ROM 和PLA 实现组合逻辑时,要将逻辑表达式分别写成(实现组合逻辑时,要将逻辑表达式分别写成( )。
第1章1.数字信号和模拟信号的区别是什么?答:数字信号和模拟信号的区别在于表征信号的参量〔例如幅值〕是否离散。
2.什么是多进制数字信号?答:假设信号幅度取值可能有多种〔例如4或8种〕,这种数字信号叫多进制数字信号。
4.数字通信占用的带宽比模拟通信大,能举例吗?答:一路模拟所占频带仅4kHz,而一路数字的频带为64kHz,而后者是前者的16倍。
5.为什么使用分贝表示两功率之比?答:主要有如下两个原因:①读写、计算方便。
如多级放大器的总放大倍数为各级放大倍数相乘,用分贝可改用相加。
②能如实地反映人对声音的感觉。
实践证明,声音的分贝数增加或减少一倍,人耳听觉响度也提高或降低一倍。
即人耳听觉与声音功率分贝数成正比。
例如蚊子叫声与大炮响声相差100万倍,但人的感觉仅有60倍的差异,恰好分贝。
第2章1.什么是语音信号编码?答:模拟语音信号数字化称为语音信号编码〔简称语音编码〕。
同理,图像信号的数字化称为图像编码。
2.PAM信号是模拟信号还是数字信号?答:我们要考察受调参量的变化是否离散。
PAM调制的受调参量是脉冲的幅度,而调制后PAM信号在幅度上仍然是连续的,所以PAM信号是模拟信号。
3.产生折叠噪声的原因是什么?答::如果抽样频率选得不适宜,以低通型信号为例,假设,那么会产生折叠噪声。
4.对于话音通信产生折叠噪声的后果是什么?答:有折叠噪声就意味着一次下边带与原始频带重叠,造成的后果是收端无法用低通滤波器准确地恢复原模拟话音信号。
5.为了产生折叠噪声,抽样频率是不是越高越好?答:抽样频率不是越高越好,太高时会增加占用的带宽,使信道利用率降低。
6.PCM通信系统中发端低通的作用是什么?答:发端低通的作用是予滤波,即防止高于3.4KHz的信号通过,防止PAM信号产生折叠噪声。
7.PCM通信系统中收端低通的作用是什么?答:收端低通的作用是恢复〔或重建〕原模拟信号。
8.为了提高小信号的量化信噪比,仍然采用均匀量化行不行?答:不行。
《数字通信原理》一、填空题1、模拟信号的特点是幅度(信号强度)的取值连续变化,数字信号的特点是2、模拟通信采用__频分制__实现多路通信,数字通信采用__时分制__实现多路通信。
3、PAM信号的_幅度_连续,_时间_离散,它属于_模拟_信号。
4、数字通信系统的主要性能指标有_有效性_和_可靠性_两个方面。
5、(PCM通信系统中)A/D变换包括_抽样_、_量化_和_编码_三步。
6、 D/A变换包括_译码_和_低通_两步。
7、波形编码是_对信号波形进行的编码_。
8、参量编码是_提取语声信号的一些特征参量对其进行编码_。
9、抽样是将模拟信号在_时间上_离散化的过程,抽样要满足_抽样定理_。
10、量化是将PAM信号在_幅度上_离散化的过程。
11、量化分为_均匀量化_和_非均匀量化_。
12、均匀量化量化区内(非过载区)的最大量化误差为=△/2;过载区内的最大量化误差为13、A律压缩特性小信号时,随着A的增大,信噪比改善量Q_提高_;大信号时,随着A的增大,信噪比改善量14、实现非均匀量化的方法有_模拟压扩法_和_直接非均匀编解码法_。
15、A律压缩特性一般A的取值为_87.6__。
16、线性编码是_具有均匀量化特性的编码_。
17、已知段落码可确定样值所在量化段的_起始电平_和_量化间隔_。
18、l=8的逐次渐近型编码器(即A律13折线编码器),判定值共有_127_种,2a3a的判a419、DPCM是对_相邻样值的差值_进行编码的。
20、ADPCM与DPCM相比增加了_自适应预测_和_自适应量化_。
21、PCM30/32系统的帧周期为_125μs _,l= 8时帧长度为_256比特_,l秒传输_8000_帧。
22、PCM30/32系统帧结构中TSo时隙的作用是_传帧同步码和失步告警码_,TS16时隙的作用是_传各路信令码、复帧同步码及复帧对告码__,话路时隙为_ TS1~TS15、TS17~TS31_。
23、抽样门的作用是_抽样_和_合路_,分路门的作用是_分路_,接收低通滤波器的作用是__重建或近似地恢复原模拟话音信号___。
数字逻辑考试题数字逻辑考试题(一)一、填空(共17分,每空1分)1。
(1011。
11)B =( ) D =( )H 2. (16)D =( )8421BCD 码。
3。
三态门的输出有 、 、 三种状态。
6。
ABC C B A C AB C B A Y ++=),,( 的最简式为Y= 。
7. 由n 位寄存器组成的扭环型移位寄存器可以构成 进制计数器。
10. 四位环型计数器初始状态是1000,经过5个时钟后状态为 。
11. 在RS 、JK 、T 和D 触发器中, 触发器的逻辑功能最多。
12。
设一个包围圈所包围的方格数目为S ,消去的变量数目为N ,那么S 与N 的关系式应是 。
13. 在卡诺图化简逻辑函数时,圈1求得 的最简与或式,圈0求得 的最简与或式。
二、选择(共10分,每题1分)1。
DE BC A Y +=的反函数为Y =( )。
A 。
E D CB A Y +++⋅= B 。
E DC B A Y +++⋅=C 。
)(ED C B A Y +++⋅= D 。
)(E D C B A Y +++⋅= 3. 十进制数25用8421BCD 码表示为( )。
A 。
10101B 。
0010 0101C 。
100101 D. 101014。
若用1表示高电平,0表示低电平,则是( )。
A 。
正逻辑B 。
负逻辑C 。
正、负逻辑 D. 任意逻辑 5. 下逻辑图的逻辑表达式为( ).A. AC BC AB Y = B 。
BC AC AB Y ++= C. BC AC AB Y ++= D. BC AC AB Y = 6. 三态门的逻辑值正确是指它有( )。
A. 1个B. 2个C 。
3个D. 4个 9。
组合逻辑电路在电路结构上的特点下列不正确的是( )。
A 。
在结构上只能由各种门电路组成B. 电路中不包含记忆(存储)元件C. 有输入到输出的通路 D 。
有输出到输入的反馈回路10. 已知74LS138译码器的输入三个使能端(E 1=1,022==B A E E )时,地址码A 2A 1A 0=011,则输出07~Y Y 为( ).A. 11111101B 。
数字电路与逻辑设计期末模拟题一、 选择题1、(36.7)10 的8421BCD 码为。
() A 、(0110110.101)8421BCD B 、(0011110.1110)8421BCD C 、(00110110.0111)8421BCD D 、(110110.111)8421BCD2、与(6B.2)16相对应的二进制数为() A 、(1101011.001)2 B 、(01101010.01)2 C (11101011.01)2 D 、(01100111.01)23、在BCD 码中,属于有权码的编码是()A 、余3码B 、循环码C 、格雷码D 、8421码 4、如图1-1所示门电路,按正逻辑体制,电路实现的逻辑式F=()5、如果1-2所示的波形图,其表示的逻辑关系是()6、下列器件中,属于组合电路的有()A 、计数器和全加器B 、寄存器和比较器C 、全加器和比较器D 、计数器和寄存器7、异或门F=A ⊕B 两输入端A 、B 中,A=0,则输出端F 为() A 、A ⊕B B 、B C 、B D 、08、已知4个组合电路的输出F1~F4的函数式非别为:F 1=AB+A C ,F 2=AB+A CD+BC ,F 3=A B +B C ,F 4=(A+B )·(A +C ),则不会产生竞争冒险的电路是( ) A 、电路1 B 、电路2 C 、电路3 D 、电路4 9、边沿触发JK 触发器的特征方程是() A 、θ1+n =Jn θ+k n θ B 、θ1+n =J n θ+k n θC 、θ1+n =J nθ+k nθ D 、θ1+n =J n θ+K nθA 、CB A •• B 、C B A •• C 、A+B+CD 、C B A ++A 、F=A ·B B 、F=A+BC 、F=B A ⋅D 、F=B A +A 、nB 、2nC 、n 2D 、2n11、(011001010010.00010110)8421BCD 所对应的十进制数为() A 、(652.16)10 B 、(1618.13)10 C 、(652.13)10 D 、(1618.06)1012、八进制数(321)8对应的二进制数为() A 、(011010001)2 B 、(110011)2 C 、(10110111)2 D 、(1101011)213、与(19)10相对应的余3BCD 码是() A 、(00101100)余3BCD B 、(01001100)余3BCDC 、(00110101)余3BCD D 、(01011010)余3BCD 14、如图1-3所示门电路,按正逻辑体制,电路实现的逻辑关系F=() A 、C B A ⋅⋅ B 、C B A ⋅⋅ C 、A+B+C D 、C B A ++图1-315、如图1-4所示的波形图表示的逻辑关系是() A 、F=B A ⋅ B 、F=A+B C 、F=B A ⋅ D 、F=B A +16、已知逻辑函数的卡诺图如图1-5所示能实现这一函数功能的电路是()17、组合逻辑电路的特点是()C 、电路输出与以前状态有关D 、全部由门电路构成18、函数F=C B AB C A ⋅++,当变量取值为(),不会出现冒险现象。
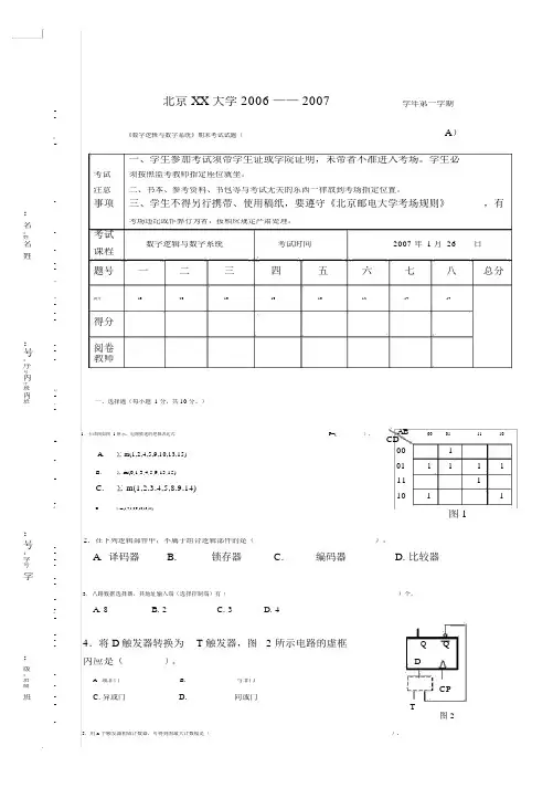
--北京 XX 大学 2006 —— 2007-学年第一学期------A )-《数字逻辑与数字系统》期末考试试题(- -----一、学生参加考试须带学生证或学院证明,未带者不准进入考场。
学生必---- 考试 须按照监考教师指定座位就坐。
-- -- 注意二、书本、参考资料、书包等与考试无关的东西一律放到考场指定位置。
--- 事项 三、学生不得另行携带、使用稿纸,要遵守《北京邮电大学考场规则》,有- :---考场违纪或作弊行为者,按相应规定严肃处理。
名--:- 考试姓-名 -数字逻辑与数字系统考试时间2007 年 1 月 26日-- 课程姓---- 题号一二三四五六七八总分--线----线满分1020101010121414----- 得分----: -- 阅卷号-- 教师:-序-- 号 -内--序-班-订内-班- 一、选择题(每小题 1 分,共 10 分。
)订 ----- --AB- 1.卡诺图如图 1 所示,电路描述的逻辑表达式F=()。
00011110CD---001- A.∑ m(1,2,4,5,9,10,13,15)--- 011111-- B.∑ m(0,1,3,4,5,9,13,15)-111-- C.∑ m(1,2,3,4,5,8,9,14)--1011--装- D.∑ m(1,4,5,8,9,10,13,15)图 1--装-: --- 2.在下列逻辑部件中,不属于组合逻辑部件的是()。
号--: - A. 译码器B.锁存器C.编码器D. 比较器学-号--学----- 3.八路数据选择器,其地址输入端(选择控制端)有()个。
---- A. 8B. 2C. 3D. 4------ 4.将 D 触发器转换为 T 触发器,图 2 所示电路的虚框Q Q-- :-- 内应是()。
D-级--: -班 - A. 或非门B.与非门-级-CP-班- C. 异或门D.同或门-T--图 2-----5.用 n 个触发器构成计数器,可得到的最大计数模是()。
北京邮电大学数据结构期末考试试题(A卷)一.单项选择题(2分/题)1.一个栈的输入序列为12345,则下列序列中是栈的输出序列的是(A)。
A.23415B.54132C.31245D.142532.设循环队列中数组的下标范围是1~n,其头尾指针分别为f和r,则其元素个数为(D)。
A.r-fB.r-f+1C.(r-f) mod n +1D.(r-f+n) mod n3.二叉树在线索化后,仍不能有效求解的问题是(D)。
A.先序线索二叉树中求先序后继B. 中序线索二叉树中求中序后继 C.中序线索二叉树中求中序前驱 D. 后序线索二叉树中求后序后继4.求最短路径的FLOYD算法的时间复杂度为(D)。
A.O(n)B.O(n+e)C.O(n2)D.O(n3)5.一棵左右子树不空的二叉树在先序线索化后,其空指针域数为(B)。
A.0B.1C.2D.不确定6.数组A[1..5,1..6]的每个元素占5个单元,将其按行优先顺序存储在起始地址为1000的连续的内存单元中,则元素A[5,5]的地址为(A)。
A.1140B.1145C.1120D.11257.在下列排序算法中,在待排序的数据表已经为有序时,花费时间反而最多的是(A)。
A.快速排序B.希尔排序C.冒泡排序 D.堆排序8.对有18个元素的有序表做折半查找,则查找A[3]的比较序列的下标依次为(C)。
A.1-2-3B.9-5-2-3C.9-5-3D. 9-4-2-39.下列排序算法中,某一趟结束后未必能选出一个元素放在其最终位置上的是(D)。
A.堆排序B.冒泡排序C.快速排序 D.直接插入排序10.在平衡二叉树中插入一个结点后造成了不平衡,设最低的不平衡点为A,并已知A的左孩子的平衡因子为-1,右孩子的平衡因子为0,则做(B)型调整以使其平衡。
A.LLB.LRC.RLD.RR二.判断题(1分/题)1.线性表的长度是线性表所占用的存储空间的大小。
F2.双循环链表中,任意一结点的后继指针均指向其逻辑后继。
数字逻辑电路期末考试试卷与答案资料期末考试试题(答案)考试科目:数字逻辑电路 试卷类别:3卷 考试时间:110 分钟学院 系 级 班姓名 学号 毛一、选择题(每小题2分,共20分)1. 八进制(273)8中,它的第三位数2 的位权为。
A .(128)10B .(64)10C .(256)10D .(8)102. 已知逻辑表达式C B C A AB F ++=,与它功能相等的函数表达式。
A .AB F = B . C AB F +=C .C A AB F +=D . C B AB F +=3. 数字系统中,采用可以将减法运算转化为加法运算。
A . 原码B .码C . 补码D . 码4.对于如图所示波形,其反映的逻辑关系是。
装订线 内请勿答题A .与关系B . 异或关系C .同或关系D .无法判断5. 连续异或1985个1的结果是。
A .0B .1C .不确定D .逻辑概念错误6. 与逻辑函数D C B A F +++= 功能相等的表达式为。
A . D CB A F +++= B .D C B A F +++=C .D C B A F = D .D C B A F ++= 7.下列所给三态门中,能实现0时,AB ;1时,F 为高阻态的逻辑功能的是。
FCB A & ∇DCB A F& ∇AB FCB A & ∇FCB A & ∇C8. 如图所示电路,若输入脉冲的频率为100,则输出Q 的频率为。
A . 500B .200C . 100D .509.下列器件中,属于时序部件的是。
A . 计数器B . 译码器C . 加法器D .多路选择器10.下图是共阴极七段数码管显示译码器框图,若要显示字符“5”,则译码器输出a ~g 应为。
A . 0100100B .1100011C . 1011011D .0011011装订线内答题二、填空题(每小题2分,共20分)Array11电路的电源是5,高电平1对应的电压范围是2.4-5。
北邮数电考试题及答案一、单项选择题(每题2分,共10题)1. 在数字电路中,逻辑“与”运算的输出为高电平的条件是:A. 所有输入均为高电平B. 至少一个输入为低电平C. 所有输入均为低电平D. 至少一个输入为高电平答案:A2. 下列哪个逻辑门可以实现非门的功能?A. 与门B. 或门C. 异或门D. 非门答案:D3. 一个D触发器在时钟信号上升沿时,其输出状态会:A. 保持不变B. 翻转C. 变为高电平D. 变为低电平答案:B4. 在数字电路中,使用二进制编码可以表示的最大十进制数是:A. 1B. 2C. 3D. 45. 一个4位二进制计数器在计数到15后,下一个状态是:A. 0000B. 0001C. 0010D. 0011答案:A6. 逻辑函数Y=AB+CD的最小项表达式是:A. m0+m1+m2+m3B. m0+m2+m4+m6C. m0+m1+m3+m7D. m0+m4+m5+m7答案:B7. 在数字电路中,三态门可以输出的状态有:A. 高电平、低电平B. 高电平、低电平、高阻态C. 低电平、高阻态D. 只有高阻态答案:B8. 一个8位寄存器可以存储的最大十进制数是:A. 255B. 256C. 511D. 512答案:C9. 逻辑函数Y=(A+B)(A+C)的布尔代数化简结果是:B. A+B+CC. A+B+BCD. A+B+C+BC答案:A10. 在数字电路中,一个3线到8线译码器可以译码的最小二进制数是:A. 000B. 001C. 010D. 011答案:B二、填空题(每题2分,共5题)1. 在数字电路中,一个2进制到4线优先编码器的输出是________位二进制数。
答案:22. 如果一个触发器的当前状态是Q=0,并且接收到一个时钟脉冲,那么在下一个时钟周期,触发器的状态将是________。
答案:13. 一个5位二进制计数器可以计数的最大值是________。
答案:314. 逻辑函数Y=AB+CD的对偶式是________。
北邮数电考试题及答案一、单项选择题(每题2分,共20分)1. 在数字电路中,最基本的逻辑运算是()。
A. 与运算B. 或运算C. 非运算D. 异或运算答案:C2. 一个触发器可以存储()位二进制信息。
A. 1B. 2C. 3D. 4答案:A3. 下列哪个不是组合逻辑电路的特点?()A. 输出只依赖于当前输入B. 输出与输入之间存在时间延迟C. 电路中没有存储元件D. 电路的输出对输入的响应是瞬时的答案:B4. 一个4位二进制计数器可以计数的最大值是()。
A. 15B. 16C. 255D. 256答案:B5. 在数字电路中,以下哪个器件不是基本的逻辑门?()A. 与门B. 或门C. 非门D. 放大器答案:D6. 一个3线-8线译码器可以译码的输入信号个数是()。
A. 3B. 4C. 5D. 6答案:B7. 一个D触发器的输出Q与输入D的关系是()。
A. Q = DB. Q = D'C. Q = ¬DD. Q = ¬D'答案:A8. 一个JK触发器在J=0,K=1时的状态是()。
A. 保持不变B. 置0C. 置1D. 翻转答案:D9. 以下哪个不是时序逻辑电路的特点?()A. 电路的输出不仅依赖于当前的输入,还依赖于电路的历史状态B. 电路中包含存储元件C. 电路的输出对输入的响应是瞬时的D. 电路的输出与输入之间存在时间延迟答案:C10. 在数字电路中,一个完整的二进制加法器可以处理的位数是()。
A. 1位B. 2位C. 3位D. 4位答案:A二、填空题(每题2分,共20分)1. 在数字电路中,逻辑“与”运算的符号是________。
答案:·2. 一个4位二进制计数器的计数范围是从________到________。
答案:0000到11113. 一个2线-4线译码器的输出是________进制编码。
答案:二4. 一个JK触发器在J=1,K=1时的状态是________。
《数字逻辑》期末复习题一、单项选择题1.以下不是逻辑代数重要规则的是( D ) 。
A. 代入规则 B. 反演规则 C. 对偶规则 D. 加法规则2.已知函数E)D (C B A F +⋅+=的反函数应该是( A ) 。
A.[])E (D C B A F +⋅+⋅= B. [])E D (C B A F +⋅+⋅= C. [])E (D C B A F +⋅+⋅= D. [])E D (C B A F +⋅+⋅=3.组合逻辑电路一般由( A )组合而成。
A 、门电路 B 、触发器 C 、计数器 D 、寄存器4.求一个逻辑函数F 的对偶式,可将F 中的( A )。
A 、“·”换成“+”,“+”换成“·”,常数中的“0”“1”互换B 、原变量换成反变量,反变量换成原变量C 、变量不变D 、常数中的“0”换成“1”,“1”换成“0”5.逻辑函数()()()()=++++=E A D A C A B A F ( A ) 。
A. AB+AC+AD+AEB. A+BCEDC. (A+BC)(A+DE)D. A+B+C+D+E6.下列逻辑电路中,不是组合逻辑电路的有( D ) A 、译码器 B 、编码器 C 、全加器 D 、寄存器7.逻辑表达式A+BC=( C ) A 、AB B 、A+C C 、(A+B)(A+C) D 、B+C8.在( A )输入情况下,“或非”运算的结果是逻辑“1”。
A.全部输入为“0”B.全部输入为“1”C.任一输入为“0”,其他输入为“1”D.任一输入为“1”9.逻辑函数()6,5,4,2m F 1∑=同 C B B A F 2+=之间关系为( A ) A.21F F = B. 21F F = C. 21F F = D.无关10.时序逻辑电路一定包含( A )A 、触发器B 、组合逻辑电路C 、移位寄存器D 、译码器11.时序逻辑电路中必须有( A )A 、输入逻辑变量B 、时钟信号C 、计数器D 、编码器12.逻辑函数()()=++++++++=C B A C B A C )B C )(A B (A F ( A ) 。
北京邮电大学2006—2007学年第二学期《数字电路与逻辑设计》考试试题一.判断题:(10分)(在本题下方的表格中对应题号填入√或×)电路的输出仅取决于电路当前的输入,该电路为组合逻辑电路。
T 由与、或、非门电路构成的逻辑电路一定是组合逻辑电路。
F 与非逻辑门的某输入端悬空时,可认为输入是逻辑“1”。
T 若让TTL 电路的某输入端接低电平,可直接接地或通过任意阻值的F门的输出相互连接并接上拉电阻后,实现“线或”功能。
F 米里 (Mealy) 型时序逻辑电路的输出取决于输入信号和触发器的 T4个触发器不一定能够构成长度为11 的移位型序列信号发生器。
T 状态简化中,若S 1、S 2两状态的输出不同,则S 1、S 2两状态肯定不等价。
T9. 实现模值为11的计数器至少需要4个触发器。
T10. TTL 门输出最大拉电流能力是指输出低电平时流入输出端的最大允许电流。
F二.选择填空题(20分,每空2分)(将正确答案填入本题下方的表格中,可能为多选题。
)1.若输入AB 均为1时,输出F =0,否则输出F =1,输入和输出之间的逻辑关系为:( C )。
(A )异或 (B) 同或 (C) 与非 (D) 或非 2.在图2-1的TTL 门电路中,输出为高电平的有( )(A ). (B ). (C ).(D )图2-13. JK 触发器在时钟脉冲的作用下,如果要使n n Q Q =+1,则输入信号JK 应为 A 。
A ,1==K JB , nn Q K Q J ==, C , nn Q K Q J ==,D ,1,==K Q J n4.函数D)D)(B D)(C A )(C B (A F +++++=的最简或与式为:( )(A)D)D)(C A )(C B (A F ++++= (B)D)A )(C B (A F +++=(C)CD D A C AB F ++= (D)B CD D AC C AB F ++=5.已知某TTL 门电路的输出端最大灌电流负载能力为4mA ,最大拉电流负载能力为2mA 。
北邮数电考试题及答案一、单项选择题(每题2分,共20分)1. 在数字电路中,与门电路的输出为高电平的条件是()。
A. 所有输入都为高电平B. 至少一个输入为高电平C. 所有输入都为低电平D. 至少一个输入为低电平答案:A2. 下列哪个逻辑门电路可以实现非逻辑功能()。
A. 与门B. 或门C. 异或门D. 非门答案:D3. 在数字电路中,触发器的类型不包括()。
A. RS触发器B. D触发器C. JK触发器D. T触发器答案:D4. 一个4位二进制计数器,其计数范围是()。
A. 0到7B. 0到15C. 0到255D. 0到1023答案:C5. 在数字电路中,若要实现一个3线到8线译码器,需要多少个输入端()。
A. 1B. 2C. 3D. 4答案:C6. 一个8位二进制数,其最大值是()。
A. 255B. 256C. 1023D. 1024答案:A7. 在数字电路中,若要实现一个4线到16线译码器,需要多少个输入端()。
B. 2C. 3D. 4答案:D8. 一个3位二进制计数器,其计数范围是()。
A. 0到7B. 0到15C. 0到255D. 0到1023答案:A9. 在数字电路中,若要实现一个2线到4线译码器,需要多少个输入端()。
A. 1C. 3D. 4答案:B10. 一个16位二进制数,其最大值是()。
A. 65535B. 65536C. 1023D. 1024答案:A二、填空题(每题2分,共20分)11. 在数字电路中,一个2进制计数器的计数范围是0到 _ 。
答案:312. 一个4位二进制计数器,其计数范围是0到 _ 。
答案:1513. 在数字电路中,一个3线到8线译码器有 _ 个输入端。
答案:314. 一个8位二进制数,其最大值是 _ 。
答案:25515. 在数字电路中,一个2线到4线译码器有 _ 个输入端。
答案:216. 一个3位二进制计数器,其计数范围是0到 _ 。
答案:717. 在数字电路中,一个4线到16线译码器有 _ 个输入端。
北邮《数字通信原理》期末综合练习题《数字通信原理》综合练习题⼀、填空题1、模拟信号的特点是____幅度(信号强度)的取值连续变化____,数字信号的特点是___幅度的取值离散变化______。
2、模拟通信采⽤____频分制___实现多路通信,数字通信采⽤____时分制____实现多路通信。
3、PAM信号的___幅度_____连续,___时间____离散,它属于___模拟___信号。
4、数字通信系统的主要性能指标有______有效性___和____可靠性______两个⽅⾯。
5、A/D变换包括_____抽样_____、______量化_____和______编码____三步。
6、 D/A变换包括______译码______和____低通______两步。
7、波形编码是_对信号波形进⾏的编码(或根据语声信号波形的特点,将其转换为数字信号)__________。
8、参量编码是___提取语声信号的⼀些特征参量对其进⾏编码______________。
9、抽样是将模拟信号在___时间上 _______离散化的过程,抽样要满⾜__抽样定理。
10、量化是将PAM信号在____幅度上_________离散化的过程。
11、量化分为___均匀量化________和___⾮均匀量化__。
12、均匀量化量化区内(⾮过载区)的最⼤量化误差为___=△/2 __;过载区内的最⼤量化误差为____>△/2___。
13、A律压缩特性⼩信号时,随着A的增⼤,信噪⽐改善量Q____提⾼_____;⼤信号时,随着A的增⼤,信噪⽐改善量Q___下降______。
14、实现⾮均匀量化的⽅法有___模拟压扩法_____和_____直接⾮均匀编解码法____。
15、A律压缩特性⼀般A的取值为____87.6________。
16、线性编码是_____具有均匀量化特性的编码_____________。
17、已知段落码可确定样值所在量化段的____起始电平________和__量化间隔______。