压电薄膜传感器
- 格式:pdf
- 大小:103.92 KB
- 文档页数:2
基于柔性压电薄膜的可穿戴脉搏传感器设计目录1. 内容综述 (2)1.1 研究背景及意义 (3)1.2 现有脉搏监测技术现状及不足 (4)1.3 本文研究目标及创新点 (5)2. 基于柔性压电薄膜的脉搏传感器工作原理 (6)2.1 压电材料的特性及应用 (7)2.2 传感器结构设计 (9)2.2.1 传感器组成部分 (10)2.2.2 柔性压电薄膜的特性与选择 (12)2.2.3 信号采集和处理电路设计 (13)2.3 脉搏信号获取及分析 (15)3. 材料及器件 (16)3.1 主流柔性压电薄膜材料研究 (17)3.2 器件加工工艺 (18)4. 实验设计与结果分析 (19)4.1 实验平台搭建 (21)4.2 传感器性能测试及分析 (22)4.3 压力感知特性研究 (24)4.3.1 传感器响应曲线 (25)4.3.2 传感器线性度分析 (27)4.4 脉搏信号采集与分析 (29)4.4.1 实验数据采集 (31)4.4.2 脉搏信号处理与提取 (31)4.4.3 信号分析与结果展示 (33)5. 讨论与结论 (34)5.1 研究成果总结和分析 (36)5.2 存在问题及未来展望 (37)1. 内容综述随着物联网与智能穿戴技术的不断进步,健康监测与远程医疗系统的发展需求日益显现。
在这个背景下,基于柔性压电薄膜的可穿戴脉搏传感器设计成为了研究热点。
该设计旨在实现实时、连续、非侵入式的生理信号监测,特别是针对心血管健康的监测。
该设计以人体脉搏信号的精准检测为目标,结合了柔性压电薄膜技术与现代传感技术,为用户提供一种舒适且可靠的新型穿戴监测方式。
柔性压电薄膜作为一种新兴材料,具有灵敏度高、响应速度快、可弯曲等特点,适用于可穿戴设备的制造。
基于柔性压电薄膜的可穿戴脉搏传感器不仅可用于医疗领域的心率失常预警、心血管疾病诊断,还可在运动健身领域用于运动效果评估和运动损伤预防等方面。
其设计理念的革新性在于将传统的医疗检测手段与现代可穿戴技术相结合,为用户提供个性化的健康监测服务。
压电薄膜传感器设计及电路图详解加速度计可以用在仪表中,测量加速度(速度对时间的变化率)和测量倾斜度(物体的纵轴和与地球表面相切的平面的垂线之间形成的倾角)。
倾斜度测量可以被看成直流或稳态测量。
在理论上,加速度可以是稳态的,但在实际应用当中,加速度通常是一个短期的暂时现象。
在非倾斜应用(短时加速)中,可以将压电检波器或压电薄膜传感器用作传感器。
任何类型的压电传感器都有一个与电容串联的交流电压源等效电路(加上其他会产生二阶效应的电抗元件,不在此进行分析)。
典型的容值为几百皮法到几纳法。
电压源的电容耦合就是为什么器件不能提供稳态的倾斜度测量的原因。
上面提到的等效电容,再加上输入或后继的放大或缓冲电路的分流电阻就构成了一个单极高通滤波器(HPF)。
在最好的情况下,如果分流电阻越大,高通滤波器中极点的时间常数越长。
这就意味着,在时间常数效应削弱测量前,可以对加速度进行测量的时间较长。
从实用性的角度出发(考虑到器件的可用性),可以选用1G的阻值。
由于这个电阻值很大,所使用的放大器必须具有非常低的偏置或泄漏电流,最好能达到1pA的级别。
图1是一个实用电路的电路图。
压电薄膜传感器是器件X1。
在原型设计当中,使用了测量专用的LDTM-028K器件。
这个传感器的一端已经施加了一个很小的重力,在这端再增加大的重力,可以提高灵敏度。
传感器通过R1连到运放U1的非反向输入端,R1可防止过压对运放的输入造成损害。
如果传感器承受的加速度非常高(如重击),就很可能发生这种情况。
R1也可以用来减小来自X1的信号幅值。
这个电路中的R1是1G。
R2是输入分流电阻,1pA的泄漏电流会流过R2,其数值也是1G,产生1mV的偏置电压(加到运放的实际偏置电压上)。
R2接2.5V的参考电压,设定运放的静态输出电压。
运放是ISL28158(或任何其他具有超低输入偏置/泄漏电流的器件)。
运算放大器使用+5V DC电源供电。
直流增益由R3和R4设定,在这个电路中是+2V/V。
压电薄膜传感器工作原理以及应用压电薄膜拥有独一无二的特性,作为一种动态应变传感器,非常适合应用于人体皮肤表面或植入人体内部的生命信号监测。
一些薄膜元件灵敏到足以隔着外套探测出人体脉搏。
本文将着重介绍几种压电薄膜在生命特征监护方面的典型应用。
工作原理当你拉伸或弯曲一片压电聚偏氟乙烯PVDF高分子膜(压电薄膜),薄膜上下电极表面之间就会产生一个电信号(电荷或电压),并且同拉伸或弯曲的形变成比例。
一般的压电材料都对压力敏感,但对于压电薄膜来说,在纵向施加一个很小的力时,横向上会产生很大的应力,而如果对薄膜大面积施加同样的力时,产生的应力会小很多。
因此,压电薄膜对动态应力非常敏感,28μm厚的PVDF的灵敏度典型值为10~15mV/微应变(长度的百万分率变化)。
使用‘动态应力’这个术语是因为形变产生的电荷会从与薄膜连接的电路流失,所以压电薄膜并不能探测静态应力。
当需要探测不同水平的预应力时,这反而成为压电薄膜的优势所在。
薄膜只感受到应力的变化量,最低响应频率可达0.1Hz。
压电薄膜传感器简介压电薄膜传感器拥有独一无二的特性,作为一种动态应变传感器,非常适合应用于人体皮肤表面或植入人体内部的生命信号监测。
一些薄膜元件灵敏到足以隔着外套探测出人体脉搏。
工采网将着重介绍几种压电薄膜在生命特征监护方面的典型应用。
压电薄膜传感器工作原理当你拉伸或弯曲一片压电聚偏氟乙烯PVDF高分子膜(压电薄膜),薄膜上下电极表面之间就会产生一个电信号(电荷或电压),并且同拉伸或弯曲的形变成比例。
一般的压电材料都对压力敏感,但对于压电薄膜来说,在纵向施加一个很小的力时,横向上会产生很大的应力,而如果对薄膜大面积施加同样的力时,产生的应力会小很多。
因此,压电薄膜对动态应力非常敏感,28μm厚的PVDF的灵敏度典型值为10~15mV/微应变(长度的百万分率变化)。
使用‘动态应力’这个术语是因为形变产生的电荷会从与薄膜连接的电路流失,所以压电薄膜并不能探测静态应力。
压电式薄膜压力传感器1范围本文件规定了压电式薄膜压力传感器的术语和定义,型式和基本参数,基本要求,技术要求,试验方法,检验规则、包装,标志,存储,使用,质量承诺。
本文件适用于压电式薄膜压力传感器。
该产品在动态压力作用下会有电信号输出,用于多种应用条件下的动态压力测量。
2规范性引用文件下列文件对于本文件的应用是必不可少的。
凡是注日期的引用文件,仅所注日期的版本适用于本文件。
凡是不注日期的引用文件,其最新版本(包括所有的修改单)适用于本文件。
GB/T7665-2005传感器通用术语GB/T7666-2005传感器命名法及代码GB/T13384-2008机电产品包装通用技术条件GB/T15478-2015压力传感器性能试验方法GB/T18806-2002电阻应变式压力传感器总规范GB/T20522-2006半导体器件第14-3部分:半导体传感器-压力传感器3术语和定义GB/T7665-2005中所界定的及下列术语和定义适用于本文件。
3.1压电式压电器件的基本原理是压电材料受到应力,产生电荷,经电荷放大器放大,转化为与电荷成正比压力。
3.2压电式传感器将被测量变化转化由于材料受机械力产生静电电荷或电压变化的传感器。
3.3压电式薄膜压力传感器采用薄膜制造工艺,利用压电材料制成的压力传感器。
该传感器在外力作用下会有电信号输出,利用力电转换关系进行外力的测量。
4命名方法及代号传感器的名称由主称和修饰语构成,命名为“××压电式薄膜压力传感器”。
传感器的型号代号由四部分构成,用大写汉语拼音字母和阿拉伯数字表示:a)主称;b)被测量;c)转换原理;d)序号。
四部分表述分别为:F FPEd)序号(主特征、参数)c)分类(压电式)b)被测量(压力)a)主称(薄膜传感器)4.1第一部分——主称主称(薄膜传感器)用代号“F”标记,为Film的首字母。
4.2第二部分——被测量被测量(压力)用代号“F”标记,为Force的首字母。
PVDF压电薄膜及其传感器的制备与性能研究共3篇PVDF压电薄膜及其传感器的制备与性能研究1PVDF压电薄膜及其传感器的制备与性能研究随着现代科技的不断进步,传感器已经广泛应用于各种电子设备和计量仪表中,传感器作为连接物理世界与数字世界的纽带,其性能不仅关系到设备的稳定性和性能,还关系到生活和工业领域的实际应用。
近年来,PVDF压电薄膜作为一种新型的传感器材料,受到了人们的广泛关注。
本论文从制备PVDF压电薄膜入手,探讨了PVDF压电薄膜的性能,并研究了其在压力传感器中的应用。
1. PVDF压电薄膜制备PVDF压电薄膜的制备过程主要分为以下两步,分别为拉伸和极化。
1.1 拉伸首先,需要将PVDF粉末通过非溶剂法制造成PVDF膜,然后将PVDF薄膜导入拉伸机中,利用一定的拉伸速度和力度拉伸成一定厚度的PVDF薄膜。
1.2 极化拉伸后的PVDF薄膜需要进行极化,将其放置在特殊的高温和高压环境中,使PVDF薄膜内部产生电极化作用,形成一定的电极化强度和方向,从而使PVDF薄膜产生压电效应。
2. PVDF压电薄膜性能PVDF压电薄膜的优点在于其具有极好的压电性能,也就是说,当其受到压力时,会产生一定的电荷输出。
此外,PVDF压电薄膜还具有极高的机械强度和稳定性,能够抵御一定的气氛和温度变化,并适用于多种环境条件。
此外,当PVDF压电薄膜与电荷放电器和电流放大器相连接时,可以将PVDF的输出信号放大和处理,以输出更具意义的信息。
3. PVDF压力传感器应用PVDF压电薄膜在压力传感器中的应用越来越广泛。
利用PVDF压电薄膜的压电效应,可以制作出一款高精度的压力传感器,可以独立地感知机械压力、机械挤压等多种变化。
此外,PVDF 压电薄膜在测量生物信号、声音、震动等方面也有广泛的应用,是一种具有广泛应用前景的新型传感器材料。
总之,PVDF压电薄膜是一种非常重要的材料,有着极佳的压电性能和稳定性能,能够被广泛应用于传感器和其他电子元器件中。
PVDF压电薄膜传感器的标定技术PVDF压电薄膜传感器只能测量动态压力,因此我们要确定它的动态灵敏度系数。
本实验主要测试低应力下自制传感器的动态灵敏度,因此,采用落锤冲击装置对PVDF压电薄膜传感器进行标定实验。
一、落锤装置标定PVDF传感器的实验方案(一)实验原理PVDF压电薄膜传感器灵敏度标定装置是由标准压力传感器、PVDF压电薄膜传感器、1个2.2kg重锤(Ф60×100)、1个1mL油缸、1个油缸活塞杆(Ф8×70)、1个活塞杆定位套、两台电荷放大器、一台示波器等组成。
该装置是利用重锤、活塞杆和油缸中的硅油相互作用过程中形成毫秒量级的动态压力扰动,压力波形接近半个正弦波,在记录仪器中可以获取标准压力传感器的输出信号和被标压力传感器的输出信号,经数据处理后可以得到被标压力传感器的灵敏度和非线性误差水平,实现PVDF压电薄膜传感器的标定。
PVDF压电薄膜传感器灵敏度标定装置的主要参数如下:重锤质量约为M2=2200g,此值是设计与调试中主要控制参数之一;重锤最大落高约为hmax≈1300mm;重锤最大打击速度约为umax=(2ghmax)0.5=5m/s,此值是设计与调试中主要控制参数之一;油缸中硅油质量约为M1=1.2g,此值是设计与调试中主要控制参数之一;因为本实验需要的压力不高,所以直接手动用落锤打击产生超压。
(二)实验装置实验使用的实验装置主要由标准压力传感器、PVDF压电薄膜传感器、落锤冲击装置、两台电荷放大器、一台示波器。
(1)标准压力传感器。
我们采用比较测试法对PVDF压电薄膜传感器进行标定实验,对自制传感器和标准传感器输入相同的激励信号,通过测量它们的输出信息,比较两个传感器输出的电压波形,计算出PVDF压电薄膜传感器的灵敏度,其中标准传感器的灵敏度为2.436pc/bar。
(2)落锤装置。
落锤装置是由1个2.2kg重锤(Ф60×100)、1个1mL油缸、1个1.5m长圆筒式滑轨、1个油缸活塞杆(Ф8×70)、1个活塞杆定位套组成的。
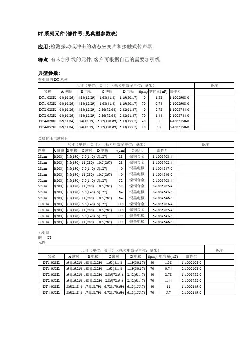
DT系列元件(部件号:见典型参数表)应用:检测振动或冲击的动态应变片和接触式传声器.特点:有未加引线的元件,客户可根据自己的需要加引线.典型参数:有引线的DT系列尺寸(单位:英寸)(括号中数字单位:毫米) 备注 名称 A薄膜B电极C薄膜D电极t(µm)电容量( nF)部件号DT1-028K .64(16.26).484(12.29) 1.63(41.4) 1.19(30.17)40 1.381-1002908-0DT1-052K .64(16.26).484(12.29) 1.63(41.4) 1.19(30.17)700.742-1002908-0DT2-028K .64(16.26).484(12.29) 2.86(72.64) 2.42(61.47)40 2.781-1003744-0DT2-052K .64(16.26).484(12.29) 2.86(72.64) 2.42(61.47)70 1.442-1003744-0DT4-028K .86(21.84).74(18.79) 6.72(170.69) 6.13(155.7)40111-1002150-0DT4-052K .86(21.84).74(18.79) 6.72(170.69) 6.13(155.7)70 5.72-1002150-0金属化压电薄膜片尺寸(单位:英寸)(括号中数字单位:毫米) 备注厚度 A薄膜B电极C薄膜D电极t(µm)金属化 部件号28µm 8(203) 7.5(190) 5.5(140) 5(127) 28镍铜合金 1-1003703-428µm 8(203) 7.5(190) 11(280) 10.5(267) 28镍铜合金 1-1003702-428µm 8(203) 7.5(190) 5.5(140) 5(127) 40银墨电极 1-1004347-028µm 8(203) 7.5(190) 11(280) 10.5(267) 40银墨电极 1-1004346-052µm 8(203) 7.5(190) 5.5(140) 5(127) 52镍铜合金 2-1003703-452µm 8(203) 7.5(190) 11(280) 10.5(267) 52镍铜合金 2-1003702-452µm 8(203) 7.5(190) 5.5(140) 5(127) 64银墨电极 2-1004347-052µm 8(203) 7.5(190) 11(280) 10.5(267) 64银墨电极 2-1004346-0110µm 8(203) 7.5(190) 5.5(140) 5(127) 110镍铜合金 3-1003703-4110µm 8(203) 7.5(190) 11(280) 10.5(267) 110镍铜合金 3-1003702-4110µm 8(203) 7.5(190) 5.5(140) 5(127) 122银墨电极 3-1004347-0110µm 8(203) 7.5(190) 11(280) 10.5(267) 122银墨电极 3-1004346-0无引线的 DT元件尺寸(单位:英寸)(括号中数字单位:毫米) 备注 名称 A薄膜B电极C薄膜D电极t(µm)电容量( nF)部件号 DT1-028K .64(16.26).484(12.29) 1.63(41.4) 1.19(30.17)40 1.381-1002608-0.484(12.29) 1.63(41.4) 1.19(30.17)700.742-1002608-0 DT1-052K .64(16.26).484(12.29) 2.86(72.64) 2.42(61.47)40 2.781-1003752-0 DT2-028K .64(16.26)DT2-052K .64(16.26).484(12.29) 2.86(72.64) 2.42(61.47)70 1.442-1003752-0 DT4-028K .86(21.84) .74(18.79) 6.72(170.69) 6.13(155.7)40111-1002149-0DT4-052K .86(21.84) .74(18.79) 6.72(170.69) 6.13(155.7)70 5.72-1002149-0。
感器一、简介PVDF(聚偏氟乙烯)是一种独特的压电材料,由于其优良的力电耦合特性,被广泛应用于传感器领域。
PVDF压电薄膜MEAS振动传感器利用PVDF薄膜的压电效应,实现了对振动的高灵敏度检测,成为工业自动化、机械运行监测等领域不可或缺的重要设备。
二、 PVDF压电薄膜MEAS振动传感器的原理PVDF压电薄膜MEAS振动传感器主要由PVDF薄膜、电极和支撑结构组成。
当受到振动刺激时,PVDF薄膜会产生应力变形,导致其中的正负电荷分布不均,从而在电极上产生电压信号。
通过测量电极输出的电压信号,可以准确地监测和分析振动信号的频率、幅值和波形特征。
三、 PVDF压电薄膜MEAS振动传感器的特点1. 高灵敏度:PVDF材料的优良压电性能使得传感器能够对微小振动进行快速、准确的检测;2. 宽频响特性:传感器在频率范围内具有良好的线性响应特性,能够适应不同频率范围的振动信号检测;3. 耐腐蚀性:PVDF材料具有良好的化学稳定性和耐腐蚀性能,能够适应各种恶劣环境的使用要求;4. 高温性能:PVDF材料具有良好的高温稳定性,能够在高温环境下稳定工作,适用于多种高温工况下的振动检测需求。
四、 PVDF压电薄膜MEAS振动传感器的应用领域1. 工业自动化:作为工业生产线上振动监测和故障诊断的重要设备,在各种机械设备和生产工艺中得到广泛应用;2. 汽车电子:用于车辆动力系统、底盘系统和乘员舒适性控制等方面的振动监测和控制;3. 石油化工:用于石油钻探、管道输送和化工生产过程中的振动监测和安全保障;4. 航空航天:用于航空器结构振动监测、发动机振动监测和空间飞行器振动控制以及航空航天领域的研究和测试等方面。
五、 PVDF压电薄膜MEAS振动传感器的未来发展随着工业自动化、智能制造和物联网技术的发展,振动传感器在各个行业的应用需求将更加广泛和深入。
PVDF压电薄膜MEAS振动传感器作为一种新型、高性能的振动传感器,具有良好的发展前景。
压电薄膜传感器技术手册智美康科技(深圳)有限公司 0755-******** 130******** 1/60目录表第一部分引言背景压电薄膜特性典型压电薄膜元件工作特性第二部分引线装接技术第三部分频率响应压电薄膜低频响应第四部分温度效应第五部分压电膜电缆及其特性第六部分压电基础第七部分热电基础第八部分基本电路概念电缆第九部分制造开关冲击传感器体育运动记分传感器乐器交通传感器第十部分振动传感音乐拾音机器监控轴承磨损传感器风扇叶片气流传感器断纱传感器自动售货机用传感器第十一部分加速度计第十二部分超声应用医用成像NDT(无损探伤)液位传感器第十三部分声频扬声器话筒第十四部分声纳第十五部分将来的应用有源振动阻尼硅基传感器灵敏表皮第十六部分压电薄膜的应用第十七部分压电薄膜论文索引智美康科技(深圳)有限公司 0755-******** 130******** 2/60智美康科技(深圳)有限公司0755-******** 130******** 3/60第十八部分超声油墨位面感测的讨论引言传感器材料是将一种形式的能量转换为另一种形式的能量,并被广泛地应用在传感探测方面。
微处理器应用的巨大增长推动了传感器在多种应用方面的需求。
今天,在180亿美元的全球传感器市场中压电聚合物传感器跻身在最快速发展的技术行列之中。
像任何其他新技术一样,在很多应用中,“压电薄膜”已被考虑用作传感器的解决方案。
自从压电膜聚合体被发现以来的20年中,这项技术已日趋成熟,实际应用层出不穷,技术的商业化进程正在加速。
本手册对压电聚合体技术、术语、特性以及传感器设计思考等提供了综述,同时还探索了近年来业已成功开发出来的诸多传感器的应用项目。
解决独特的传感方面问题是我们的应用工程师们特有的实力。
我们很高兴有机会在您的设计中考虑压电膜传感器的应用时为您提供帮助。
背景“压电”,希腊语叫做“压力”电,是在100多年前由Gurie兄弟所发现的。
他们发现,石英在电场的作用下会改变其外形尺寸,而相反,当受到机械变形时,则产生出电荷来。
压电片(压电薄膜压力传感器)
这种压电薄膜压力传感器主要用于测量平面波。
压电薄膜压力传感器PVF2由一组电极和引线组成,蒸镀在大片PVF2聚合物的一侧,再封装在两薄层合适的绝缘体(聚酰亚胺或FEP 氟化乙丙烯)之间。
PVF2薄膜连接两电极。
输出引线可使用0.0005英寸厚铜金属薄片延长,铜金属薄片使用银环氧形成坚固的焊接连接头(标准焊接方法只需连接到压力计即可)。
PVF2常用压力计是由单轴结构0.0004英寸和28微米( 0.0011英寸)厚的PVF 2(聚氟乙烯)薄膜制成。
其也可以由双轴结构25微米( 0.001英寸)薄膜制成,用于特殊压力或者应变环境。
PVF2传感器可制作成元件尺寸从0.015到1.0英寸范围和各种绝缘厚度。
应用范围:0-300 Kbar 。
压电片不需要外部激励源。
压电片的输出通常体现在正压力作用时单位面积释放的电荷数量。
输出是通过单独的信号调理器或者电荷转换器传送到读出设备。
型号 元件尺寸,元件厚度 (inch×inch),[inch] 引线
类型 说明(产品有厂家标定曲线)
压电薄膜压力传感器,单轴结构薄膜 PVF2 11-0.125-EK (0.125×0.125),[0.0011] 铜
PVF2 11-size-EK 和PVF2 11-size-EFEP 是常用的压电薄膜传
感器。
按照命名规则,11指0.0011英寸厚PVF2薄膜,size
指元件横向尺寸,E 和K 分别代表环氧树脂和聚酰亚胺。
(注:指定元件尺寸,引线长度,绝缘层类型及厚度可特殊
要求)。
压电传感器工作中膜片的作用1.引言1.1 概述引言压电传感器是一种将机械振动转化为电信号的传感器。
在压电传感器工作中,膜片扮演着重要的角色。
本文将深入探讨膜片在压电传感器中的作用。
本文主要分为三个部分。
首先,在引言中,我们将对整篇文章进行概述,并介绍文章的结构以及目的。
其次,我们将在正文中详细介绍压电传感器的工作原理。
最后,我们将总结膜片在压电传感器中的作用,并展望未来压电传感器的发展。
通过本文的阅读,读者将对压电传感器的工作原理有更深入的了解,同时也能够更加清楚地认识到膜片在其中扮演的关键角色。
希望本文能够对读者有所启发并促进压电传感器技术的发展。
1.2 文章结构文章结构部分的内容如下:本文将围绕压电传感器工作中膜片的作用展开讨论。
文章分为引言、正文和结论三个部分。
在引言部分,首先对整篇文章的主题进行概述,即压电传感器工作中膜片的作用。
接着,介绍文章的结构,明确阐述了文章各个部分的内容和重点。
最后,明确文章写作的目的,即探究膜片在压电传感器中的作用,并对未来压电传感器发展进行展望。
然后是正文部分,重点分为两个部分,分别是压电传感器的工作原理和膜片在压电传感器中的作用。
首先,详细介绍压电传感器的工作原理,包括其基本原理和工作过程。
接着,重点论述膜片在压电传感器中的作用,包括其在信号转换、保护和灵敏度调节等方面的功能。
同时,还将探讨膜片材料的选择和设计对压电传感器性能的影响。
最后是结论部分,对文章进行总结和归纳,强调膜片在压电传感器中的重要作用,并对未来压电传感器的发展趋势进行展望。
同时,提出进一步研究和应用的方向,以促进压电传感器技术的不断创新和发展。
通过以上的文章结构,可以清晰地展示出本文的逻辑框架和内容安排,使读者能够更好地理解压电传感器工作中膜片的作用。
1.3 目的本文旨在探讨压电传感器中膜片的作用。
通过对压电传感器工作原理的介绍以及对膜片在其中的功能和作用的详细解析,旨在帮助读者更全面地了解压电传感器的工作原理和性能特点。