静电环操作规范
- 格式:docx
- 大小:531.34 KB
- 文档页数:3
1 深圳市********股份有限公司版 本 A/0 静电环测试仪操作指引生效日期 2013-12-23一 目的规范静电环检测方法,确保公司使用的防静电设施满足ESD 性能要求。
二 适用范围适用所有静电手环测试仪的操作。
三 使用方法1. 打开电池盖,按正负极方向放入电池,确保放置到位后再盖上电池盖,用手按下金属圆盘检查是否已安装好,若安装好指示灯亮(HIGH )红灯。
2. 将静电环的手腕带一端正确佩戴到手腕上,必须确保腕带金属部位紧贴到皮肤上(见下图1)。
3. 将静电环测试仪的鳄鱼夹夹在静电手环顶部金属部位(见下图2)。
4. 用手指按压金属圆盘,并轻摇腕带卡扣处,测试仪上的绿色“GOOD ”灯稳定有亮光且听到蜂鸣器“嘀“的声音讯号表示静电手环OK (见下图3);出现红色“LOW ”或者“HIGH ”灯亮(见下图4图5),则说明该静电手环已坏或腕带和测试仪未接触良好,重新连接正常后仍出现红色“LOW ”或者“HIGH ”灯亮则需要及时更换静电环,并重新测试OK 为止。
5. 将测试的结果记录到《静电环测试记录表》上。
四 注意事项1. 在测试静电环时手不能接触测试仪后面的插孔及静电环末端金属部位,否则测试结果不准确。
2. 测试中按压金属圆盘的手不能佩戴防静电手套或者指套。
3. 测试过程时,如果测试仪指示灯不亮或很微弱时,说明测试仪内的电池不足,需及时更换,以确保仪器测试能正常工作。
4. 在手指按下金属圆盘时,带手腕带的手臂需左右甩动几下,查看静电环金属部位与皮肤是否接触良好,测试状态是否有无发生变化,发生变化需重新检测直到状态稳定。
5. 使用的静电环测试仪上必须要有正规校准证,并确保其有效性。
6. 各部门组长负责检查员工静电环的测试状况并签名确认。
五 附图:编写人审核批准 图1:正确的静电环配带方法 图2:测试仪与静电环连接方法 图3:亮中间绿灯表示静电环测试正常(阻值~Ω) 图4:右边“HIGH ”亮红灯表示不良 图5:左边“LOW ”亮红灯表示不良。
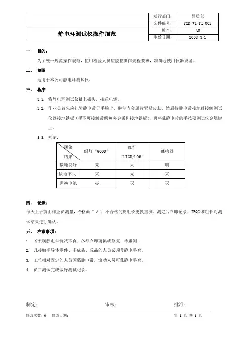
一.目的:
为了统一规范操作规范,使用检验人员应能按操作规程要求,准确地使用仪器设备。
二.范围
适用于本公司静电环测试仪。
三.程序
3.1.将静电环测试仪插上插头,接通电源。
3.2.作业员首先应扎紧静电带于手腕上,腕带内金属片紧贴皮肤,然后持静电带接地线接触测试
仪器接地铁板(手不可接触带鳄鱼夹金属和接地铁板),再将戴静电带的手按要测试仪金属键
上。
3.3.判定:
四.记录:
每天上班前由作业员测量,合格画“√”,不合格的找组长更换重测。
测完后立即记录,IPQC和组长对测试结果进行确认。
五.注意事项:
1.若发现静电带测试不良,必须立即更换或修复,待重测。
2.凡接触半导体零件、半成品、成品的人员必须带静电手套。
3.工位相对固定的人员须戴静电带,流动人员可戴静电手套。
4.员工测试完成做好测试记录。
制定:审核:批准:
修改次数:0 修改日期:第 1 页共1 页。
静电手环测试仪校验规程1、目的规范静电手环测试仪之校准程序,确保其于使用期间能维持其精密度和准确度,以保证产品之测试质量。
2、适用范围本公司各种型号之静电手环测试仪均适用之。
3、权责3.1品质部QE:静电手环测试仪之校准,仪器异常之处理。
4、定义校准:在规定条件下,为确定测量仪器或测量系统所指示的量值,或实物量具或参考物质所代表的量值,与对应的由校准所复现的量值之间关系的一组操作。
测量准确度:测量结果与被测量真值之间的一致程度。
相对标准偏差:标准偏差与平均值的比值。
5、内容Ω±10%;1MΩ±10%;2MΩ±10%之电阻各1只,利用标准数字电表确认其规格。
检查待测静电手环测试仪之外观,应无影响其准确性的损伤。
Ω的电阻,一端用插在静电手环测试仪之香蕉插座上的导线夹子端夹住,一端可用拇指按压在“PUSH BOTTOM”上面,此时静电手环测试仪之“L0”灯要亮。
Ω的电阻,参照5.2之方法进行量测,此时静电手环测试仪之“PASS”/“GOOD”指示灯要亮。
5.4 选取阻值为2MΩ的电阻,参照5.2之方法进行量测,此时静电手环测试仪之“HI”灯要亮。
5.5校准完成后,作好相应记录.如有超差,即行依说明书调整其电位器,并重新校准。
5.6 其它类型的静电测试仪可根据其量程选定适当的校准点,参照以上方法校准。
5.7校准合格者贴上合格标签;部分功能不合格且仍可使用者贴限用标签, 并注明限用范围;严重不合格者贴禁用标签,视情况提出异常报告并作追踪处理。
做好有关记录。
6、校准周期校准周期为一年。
7、参考文件JJF 1071国家计量校准规范编写规则JJF 1001 通用计量术语及定义GBT/T 8170 数值修约规则与极限数值的表示和判定8、记录表格《测试设备校验记录表》。
防静电手腕带检测规范1目的保证防静电手腕带有效工作。
2范围所有防静电手环3参考文件阻抗测试仪操作指导书4程序4.1检测环境温度:15℃~30℃湿度:30% ~70%4.2检测设备静电测量仪(型号:41201-19250)4.3检验方法4.3.1将手环带在手上,手环内的铁片紧贴皮肤。
4.3.2将静电手环插头插至静电环测试器插口中.4.3.3脚踏于地板上.4.3.4按下静电测试按钮.4.4判别方法(信号灯显示)A.FAIL HI (红):阻抗值太高,容易聚集静电.B.PASS (绿) :阻抗值未超过规格C.FAIL LO (红) :阻抗值太低,仪器可能有故障.4.5静电失效可能原因与后续处理方法:4.6记录测量结果。
4.7检验值范围<3.5x107Ω4.8检测频率4.8.1新购:IQC针对每批次来料包数抽样检验5%,4.8.2日常检验:工作前检测4.8.3抽样检验:每周抽样检验20个。
(生产线员工使用中的)静电手环、工鞋测试记录月/年部门班次姓名日期审核人手环工鞋手环工鞋手环工鞋手环工鞋手环工鞋手环工鞋手环工鞋123456789101112131415161718192021222324252627282930备注:1.合格打“√”,不合格打“×”,休息打“O ”,不需测试打“/”2.每班指派专人进行审核。
有限公司文件编号文件名称版本/次E/01 制定单位工程部静电防护作业规范页次1/12 分发对象管制编号分发对象管制编号总经理 1 行政部7 管理代表 2 工程部8 品保处 3 生技部9 代管部 4 文管中心10 资材部 5 采购课11 制造部 6 IE 课12 修订记录修订日期修订内容摘要页次版本生效日期2006.03.01 三合一整版后第一次发行10 页C/00 2006.03.10 2006.10.23 修订内容10 页C/01 2006.11.03 2007.12.06 组织调整后整版第一次发行10 页C/02 2007.12.21 2008.10.10 修改文件封面10 页D/00 2008.10.15 2009.03.19 修正5.1.18 项内容11 页D/01 2009.03.25 2009.08.06 修正5.3.2 项内容11 页E/00 2009.08.20 2010.07.17 修正5.1.13;5.1.18;5.3.2 项内容12 页E/01 2010.07.20 制/修定者审核生技部工程部行政部制造部资材部代管部品保处采购课管理代表总经理有限公司文件编号文件名称版本/次E/01 制定单位工程部静电防护作业规范页次2/12 1.目的建立并定义对台湾表面黏著科技股份有限公司不同等级的静电敏感区域内的管制规范,以提供一个合适的准则以保护所有对静电敏感之元件(IC、电晶体等主动元件),使其免於静电之破坏, 使其免於静电之破坏,为使本厂各站别使用静电防护工具(静电环,静电手套,手指套)统一化,更好的管控好品质,特制订此规范。
2.适用范围适用於所有可能接触静电敏感零件的区域和须防静电的制程站别。
3.名词定义3.1 静电敏感区的定义及保护 3.1.1 第一级静电敏感区30V 以下激光头静电气耐力在30V 以下的半导体(部品静电气耐力在30V,已搭载半导体(部品)的PCB Assy 以及半成品. 3.1.2 第二级静电敏感区50V 以下搭载激光头的搭载激光的TM的后工程.搭载激光头的半成品(DVD、CDR、以及业务用静电气耐力在50V 以下的半导体(部品静电气耐力在50V 以下,已搭载半导体(部品)的PCB Assy 以及半成品. 3.1.3 第三级静电敏感区100V 以下、50V 对象品以外的半导体、50V 以下,已搭载半导体(部品)的PCB Assy 以及半成品、50V 对象品以外的半成品有接近的可能性.或可能接近到的物体、场所以及设备. 3.1.4 第四级静电敏感区200V 以下其他组装生产线及包装线被动元件库房 3.1.5 名词解释工业工程):测试工程): Test En产品工程制程品质控制): In-标准作业指导书):Standard Operation Procedure 有限公司文件编号文件名称版本/次E/01 制定单位工程部静电防护作业规范页次ESD(静电放电):(静电防护区):ESDS(静电放电敏感):Electrostatic Discharge Sensitive 3.2 静电敏感区内静电压的管制标准静电敏感区等级管理C.D.M EOS/ESD/ S5.3 第一级静电敏感区CLASS CO <30V 第二级静电敏感区CLASS C1 <50V 第三级静电敏感区CLASS C2 <100V 第四级静电敏感区CLASS C3 <200V 3.3 静电敏感区内的保护措施第一级静电敏感区第二级静电敏感区第三级静电敏感区第四级静电敏感区1M阻抗的手环V V V V (被动元件库房免配戴) 静电鞋V V V V 抗静电桌垫V V V V (被动元件库房免铺设) 导电地板V V V V (被动元件库房免铺设) 离子风扇V V 静电衣、帽V V V V 抗静电椅V V V V 静电防护标示及贴纸V V V V ESD PCB 手推车V V V V ESD 搬运小台车V V V V 静电箱V V V V ESD 料盒V V V V 静电袋V V V V 接地系统V V V V(被动元件库房依实际需求) 有限公司文件编号文件名称版本/次E/01 制定单位工程部静电防护作业规范页次4/12 4.职责4.1 制造、维修工程等:负责本部门防静电工具的发放、管理,静电防护之日常的每日、每周、每月检测及记录、静电防护工具使用的实施。
三阶文件
深圳市风普利电子科技有限公司
文件编
号 WI-QC-13
版本
A0 静电环操作规范
生效日
期 2018-1-1
页码
1/2
1.0目的:
正确使用、维护和保养静电环 2.0适用范围:
适用于所有使用静电环(无线、有线)。
3.0静电测试仪图:
操作步骤:
1、静电测试仪如图1所示,仪器顶端引出一黑色测试连线及夹钳,上部有三个指示灯分别为LOW-红色低电平指示灯、GOOD-绿色正常指示灯、HIGH-红色高电平指示灯,仪器中下部为一圆形测试按键。
测试连线及夹钳
LOW 红色低电平指示灯
GOOD 绿色正常指示灯
HIGH 红色高电平指示灯
测试按键
2、将待测静电手环戴在手腕上,并将静电测试仪测试连线夹钳夹
紧在静电手环正面一圆形镙丝上,如图2所示。
3、确认静电手环与手腕皮肤紧密接触以及测试连线接触良好后,
用
三阶文件深圳市风普利电子科技有限公司
文件编
号
WI-QC-1
版本A0静电环操作规范
生效日
期
2018-1-1
页码2/2
另一只手按下测试仪上测试按键,如中间绿色指示灯亮则表示静电手环良好,如两边红色指示灯亮则表示静电手环没带好,或静电手环已坏,必须进行更换或修理。
4、每天上午上班前各班组做好检测,并将检测结果记录在检测记录表上,
如图所示
(学习的目的是增长知识,提高能力,相信一分耕耘一分收获,努力就一定可以获得应有的回报)。
静电手环点检操作指导书一、引言静电手环是一种用于防止静电积累的设备,主要用于在电子制造、工业生产和实验室等环境中保护人员和设备免受静电电荷的影响。
为了确保静电手环能够正常使用并有效地发挥作用,进行点检操作是至关重要的。
本指导书将详细介绍静电手环点检操作的步骤和要点。
二、点检前的准备1. 准备工具:在进行点检操作之前,需要准备以下工具:- 静电手环- 静电检测仪- 清洁布或棉垫- 静电消散器2. 安全措施:在进行点检操作之前,确保在安全环境中操作,避免触电事故的发生。
同时,注意保护自身设备和电子制品的安全。
三、点检操作步骤1. 检查静电手环的连接:确保静电手环和接地装置之间的连接牢固可靠。
检查手环上的金属接地扣和导电材料是否完整,无损坏。
2. 检查静电手环的导电性能:使用静电检测仪测量静电手环的电阻值。
正常情况下,手环的电阻值应在合理范围内,如10^3〜10^6欧姆之间。
若电阻值过大或过小,可能会导致静电手环无法正常工作,需要进行维修或更换。
3. 清洁静电手环:使用清洁布或棉垫轻轻擦拭静电手环的金属接地扣和导电材料,确保其表面干净无尘。
注意不要使用含有化学物质的清洁剂,以免对手环造成损伤。
4. 检查周围环境:确保点检操作的周围环境干净无尘,尽量避免静电产生和积累。
如果周围环境存在静电问题,可以适当使用静电消散器进行消除。
5. 定期检测:进行静电手环的点检操作应该是定期的,建议每周执行一次,以确保其长期有效地工作。
四、点检后的记录和处理1. 记录点检结果:将每次点检操作的结果记录下来,包括电阻值、清洁情况和任何发现的问题。
这样可以追踪手环的使用情况,并及时处理问题。
2. 处理问题:如果在点检过程中发现手环存在问题,比如导电材料受损、电阻值异常等,应立即停止使用,并及时联系相关人员进行维修或更换。
3. 提醒使用者:在点检后,务必向使用者提醒静电手环的正确使用方法和注意事项,以确保其能够正确佩戴和使用。
编号AL-RD-Ⅲ-004主题HAKKO498静电手环测试仪操作指导页数共2页1.目的:适用所有静电手环测试仪的操作方法。
2.0 功能概述规范静电手环检测方法,确保公司使用的防静电设施满足ESD性能要求。
3.0 操作说明3.1 仪器安装3.1.1 打开测试仪后面纪的电池盒,装入9V 电池,盖好外壳。
3.1.2 将测试连接线插入仪器插孔中,用手按下金属圆盘检查是否已安装好,若安装好指示灯亮(HIGH)红灯并发出“嘀”声音讯号。
3.2 测试方法3.2.1 固定测试3.2.1.1 在确保静电手环测试仪的通电情况下,先佩戴好静电手环,手腕带内金属片须紧贴着手皮肤,再将静电手环的鄂鱼夹与测试仪的连接线相连,最后按下测试仪上的金属铵钮2-3 秒,待指示灯稳定后再判定(如下图1)。
图13.2.2 移动测试(工作时的测试方法)3.2.2.1 在确保静电手环测试仪的通电情况下,且在工作期间测试,先将静电手环测试仪夹于静电接地线上或静电手环的鄂鱼夹上,再通知被测试人员按下测试仪上的金属铵钮2-3 秒,待指示灯稳定后再判定(如下图2)。
图23.3 测试判定3.3.1 当测试仪上的绿色“PASS 或GOOD”灯亮时表示静电手环OK;当红色“LOW”或者“HIGH”灯亮,且听到蜂鸣器“嘀“的声音讯号,在确定静电手环与仪器连接OK 的情况下说明该静电手环已NG,需要及时更换静电环,并重新测试直至更换并测试OK 为止,最后将测试结果记录于《防静电手环点检表》中。
3.4 静电手环测试仪功能确认3.4.1 静电手环功能确认3.4.1.1 用一个OK 的静电手环样本按标准测试方法确认(如图3),若绿色PASS 或GOOD 灯亮表示此仪器功能正常;若红色LOW\ HIGH 灯亮表示此仪器功能不正常,需停止使用并处理。
3.4.1.2 用一个NG 的静电手环样本按标准测试方法确认(如图4),若红色LOW\ HIGH 灯亮表示此仪器功能正常;若绿色PASS 灯亮表示此仪器功能不正常,需停止使用并处理。
ESD防静电控制规则为了保护敏感电子设备免受静电放电(ESD)的损害,制定本防静电控制规则。
所有涉及静电敏感器件的作业区域,均需遵守以下规定。
1. 人员防静电控制1.1 穿着要求所有进入静电敏感区域的工作人员必须穿着防静电服、防静电鞋,并佩戴防静电手环。
防静电手环应与防静电地线相连,确保人员身上的静电能够及时导走。
1.2 个人物品管理工作人员进入静电敏感区域前,需将个人物品(如手机、手表、眼镜等)存放在指定的非静电区域,避免携带物品产生静电。
1.3 操作规范在操作静电敏感器件时,工作人员应保持手部稳定,避免产生摩擦或接触其他导电物体,以减少静电的产生。
2. 环境防静电控制2.1 防静电地面静电敏感区域应铺设防静电地面,确保地面具有导电性能,以便将静电及时导入大地。
2.2 湿度控制保持静电敏感区域的空气湿度在合理范围内,可通过加湿器等设备调节湿度,降低静电的产生。
2.3 防静电包装材料在运输和储存静电敏感器件时,应使用防静电包装材料,如防静电袋、防静电泡沫等,避免器件受到静电侵害。
3. 设备防静电控制3.1 设备接地所有静电敏感设备均应可靠接地,确保设备上的静电能够及时导入大地。
3.2 防静电器件在设计、生产和维修静电敏感设备时,应选用具有防静电功能的器件,如防静电屏蔽罩、防静电垫等。
3.3 防静电检测定期对静电敏感设备进行防静电检测,确保设备防静电性能符合要求。
检测设备可使用防静电检测仪等工具。
4. 培训与监督4.1 防静电培训对新入职员工进行防静电知识培训,确保员工了解并掌握防静电的基本知识和操作技能。
4.2 监督与检查相关部门应定期对静电敏感区域的防静电措施进行监督与检查,确保各项规定得到有效执行。
5. 应急处理若发生静电放电事件,应立即采取以下措施:1. 断开受影响设备的电源,避免继续损坏。
2. 对受影响的器件进行检测,判断损伤程度。
3. 如有必要,将受影响的器件放置在防静电箱内,等待进一步处理。
静电防护管理规范E S D 防护管理规范1.范围:此标准建立起来是为了规范ESD最低要求,及关于ESD敏感性组件的管理方法,其适合厂内所有涉及ESD敏感项目之生产区域及流程.如:电子产品的进料、检验、输送、仓储、备料、加工、组装、测试、包装、维修等.2. 目的:2.1 为了使工厂全体人员都能按正确的ESD防护方式进行有效的执行,来降低或减少ESD对电子部品的破坏,从而改善公司产品质量和提高生产效益.2.2 为了使工作人员避免因静电放电而发生的电击、火灾、爆炸、设备损坏等意外灾害.2.3 为了建立一套有效的、规范的管理模式和查核程序,在依赖性上达到客户满意.3. 定义和术语3.1 静电放电[ESD]:由不同静电电位的物体因直接接触或因静电场的感应而导致物体间电荷的移动.3.2 硬接地[HARD GROUND]:将一金属棒或金属板埋入地下,使其接地电阻在1.0Ω以内的任何点.3.3 软接地[SOFT GROUND]:藉一电阻[一般为1MΩ]来限制从可评估的电压源而来的电源在5mA以下,来隔离一硬接地的任何点;桌垫、地垫和腕带便是一般的软接地,它们可以消除操作员一手接触一高压电路和另一手接触硬接地的危险.3.4 静电放电敏感项目[ESD]:对16000伏特以下的静电放电敏感的电气和电子零件,装配品和设备.3.5 摩擦电荷[TRIBOELECTRIC CHARGE]:当两个或两个以上的表面在紧密接触下加以分离时,因相互的移动和磨擦而产生静电荷.3.6 感应:在导体附近不需要接触就可以产生静电的过程.3.7 绝缘体:材料表面的阻抗如超过1012ohm或者面积和体积阻抗超过1011ohm-cm时,称为绝缘体.3.8 导体:材料表面阻抗小于105ohm物质称为导体.3.9 半导体:材料表面阻抗介于导体与绝缘体间的物质称为半导体,其表面阻抗为105~1012ohm.3.10 静电环[WRIST STRAP DEVICE]:静电环包含腕带和环扣两部分,其环扣透过一钮扣与腕带相连,人体透过这两部分接地.3.11 静电安全工位[STA TIC-SAFE WORKSTA TION]:在操作ESD 敏感项目是不会遭到ESD破坏的三维空间.3.12 静电屏蔽物[STA TIC SHIELD]:完全封闭一个或多个敏感项目的传导表面.4. 静电安全工位之要求在我们生活中,如四肢的动作,搬运东西,绝缘体之间的摩擦等都会产生静电,也就是在我们的周围有很多电荷源和敬电场,而ESD敏感项目很容易为之破坏,因此这些ESD敏感项目就需要保护,具体要求如下:A.不论在哪里,也不管是通过什么样的方式,当操作不受保护或处于易破坏状态时,ESD敏感项目都应是提供静电安全保护措施。
防静电手环操作管理规范制订单位:生效日期: 2017年03月01日1.目的规范防静电手环的使用和检测方法,确保公司使用的防静电设施满足ESD性能要求。
2.适应范围生产车间所有电子产品接触人员。
3.仪器安装3.1.打开防静电手环测试器后面的电池盒,装入9号电池,盖好外壳。
3.2.将测试连接线插入仪器插孔中,用手按下金属圆盘是否已安装好,若安装好指示灯亮(HIGH)红灯并发出“嘀”声音讯号。
4.防静电手环的佩戴4.1 防静电手环是通过静电环上接触皮肤的金属块将人体产生的静电通过防静电环引线将静电释放到大地上的,因此,正确的佩戴防静电环才能达到释放静电的目的;4.2 佩戴防静电环时,必须保证防静电手环内的金属块接触到人体皮肤,如下图所示:错误的佩戴正确的佩戴(×)(√)手环不能戴在衣服的外面手环应良好接触人体皮肤4.3 防静电手环佩戴完毕后,将连接线的鳄鱼夹夹到大地地线上,如下图所示:错误的接地方正确的接地方(×)(√)鳄鱼夹不能夹到地线的绝缘线皮上鳄鱼夹应良好接触地线铜线5.防静电手环检测方法5.1.有线防静电手环检测:如图1所示将有线防静电手环的接地线上的夹子与系统接地线上的夹子夹在一起,防静电手环佩戴在手腕上,手腕带上的铁片必须紧贴着皮肤,然后将手掌平放按在手腕带测试仪上,此时看测试仪上的指示灯,如下:(1)若“GOOD”灯亮,且听到声音讯号,表示防静电手环为合格。
(2)若“LOW”灯亮,静电手环到地线的电阻阻值小于800KΩ,表示防静电手环为不合格。
(3)若“HIGH"灯亮,检查静电手环的铁片是否是紧贴在手腕上否则静电手环接地线断,表示防静电手环为不合格。
5.2.无线防静电手环检测:如图2所示将防静电手环佩戴在手腕上,手腕带上的铁片必须紧贴着皮肤,系统接地线的夹子夹住无线防静电手环上的螺丝帽,然后将手掌平放按在手腕带测试仪上,此时看测试仪上的指示灯,如下:(1)若“GOOD”灯亮,且听到声音讯号,表示防静电手环为合格。
1 目的规范防防静电手腕带点检工作,避免静电对生产安全和产品质量造成损坏。
2 适用范围适应于杭州**生产车间、外检、制程检验、研发实验室、仓库所用防静电手腕带的点检。
3 规定3.1有线手腕带点检方法:3.1.1 操作员佩带好手腕带。
要求手腕带底部金属盖贴紧手腕皮肤,不能隔着衣服;3.1.2 将测试仪的锷鱼夹夹住待测手腕带的夹子;3.1.3 操作员用佩带手腕带的手指按压测试仪中间测试盘;3.1.3.1若接地系统正常,绿色“GOOD”灯会点亮并发出声响,表示手腕带可正常使用;3.1.3.2若两侧的“HIGH”灯或“LOW”灯亮,表示腕带不能正常使用。
此时需检查手腕带是否佩带过松,若戴紧后仍测试不合格,及时反馈班组长更换。
3.2无线手腕带点检方法3.2.1 操作员佩带好手腕带。
要求手腕带底部金属盖贴紧手腕皮肤,不能隔着衣服;3.2.2 将测试仪的锷鱼夹夹住待测手腕带顶部螺丝;3.2.3 操作员用佩带手腕带的手指按压测试仪中间测试盘;3.2.3.1若接地系统正常,绿色“GOOD”灯会点亮并发出声响,表示手腕带可正常使用;3.2.3.2若两侧的“HIGH”灯或“LOW”灯亮,表示腕带不能正常使用。
此时需检查手腕带是否佩带过松,若戴紧后仍测试不合格,及时反馈班组长更换。
3.3点检要求:3.3.1频次:每天开工前需点检。
3.3.2防静电手环统一在生产三楼车间门口进行点检;。
3.3.3点检完成后填写点检记录。
3.3.4 手腕带点检合格后不允许再调节松紧,以免失效。
3.3.5手腕带若点检不合格,需及时反馈工程师,由其视具体情况决定是否需对前一天接触电子元器件进行追溯复检。
3.3.6各班/组长做好手腕带的发放记录,通常情况半年需更换一次。
若手腕带失效或皮筋过松时,可提前更换。
3.4 测试仪声音明显变小或没有声音时,需更及时更换电池。
4 相关记录表4.1《防静电环点检表》。
抗静电透明软连接安全操作及保养规程前言抗静电透明软连接,是目前工业领域中常见的一种连接器材料。
由于其透明度高,可以使我们在使用过程中轻松观察工作情况。
但是,由于其具有较高的静电感应能力,所以在操作时需要特别注意安全风险。
本文将为您介绍抗静电透明软连接的安全操作及保养规程。
安全操作规程手部防静电措施抗静电透明软连接是一种对静电比较敏感的材料,所以在进行操作时需要注意以下方面:1.穿着抗静电鞋;2.穿着抗静电工作服;3.操作人员应该避免使用含有粉末或易产生静电的材料,比如说塑料袋等;4.在操作前,双手应该经过清洁处理,避免产生多余的尘埃和污物。
操作规范1.抗静电透明软连接在连接前,应该经过仔细检查,确认连接器件的尺寸和特性是否与要求相符;2.操作人员应该避免使用力过度的手法,防止产生过量的摩擦导致电荷的积累;3.连接操作完成后,使用抗静电除尘橡皮轮对连接器进行除尘,避免连接器表面的尘埃和污物对电场产生干扰;4.在连接后,操作人员应该对连接进行稳定检查,确认连接总体的稳定性。
静电消除措施在连接完成后,操作人员需要采取相应措施,保证连接总体不受到静电干扰:1.使用抗静电擦拭纸对连接器进行擦拭,避免电荷的积累;2.在清洗抗静电透明软连接时,应该使用清洁液或者抗静电清洁剂,并且避免使用含有银质成分的清洁液。
保养规程定期清洁抗静电透明软连接需要定期进行清洁,保持其清洁度和透明度,同时保证连接总体的正常工作状态。
储存规程抗静电透明软连接需要放置在干燥、通风的环境中,避免长时间暴露在阳光下。
另外,需要注意避免放置在危险区域,避免受到损坏。
更换规程抗静电透明软连接需要定期进行更换,根据其使用情况,可以选择“时间更换”或者“维修替换”两种方式。
注意事项在使用抗静电透明软连接时,需要注意以下事项:1.避免长时间暴露在阳光下;2.避免使用过到期的抗静电透明软连接;3.避免过度弯曲或者过度打弯折;4.避免使用不同厂家的连接器进行组合搭配。
三阶文件
深圳市风普利电子科技有限公司
文件编号
WI-QC-13
版本 A0 静电环操作规范
生效日期 2018-1-1 页码
1/2
正确使用、维护和保养静电环
2.0适用范围:
适用于所有使用静电环(无线、有线)。
3.0静电测试仪图:
操作步骤:
1、静电测试仪如图1所示,仪器顶端引出一黑色测试连线及夹钳,上部有三个指示灯分别为LOW-红色低电平指示灯、GOOD-绿色正常指示灯、HIGH-红色高电平指示灯,仪器中下部为一圆形测试按键。
2、将待测静电手环戴在手腕上,并将静电测试仪测试连线夹钳夹
紧在静电手环正面一圆形镙丝上,如图2所示。
3、确认静电手环与手腕皮肤紧密接触以及测试连线接触良好后,
测试连线及夹钳
LOW 红色低电平指示灯
GOOD 绿色正常指示灯
HIGH 红色高电平指示灯
测试按键
用
三阶文件
深圳市风普利电子科技有限公司
文件编号
WI-QC-1
版本
A0 静电环操作规范
生效日期2018-1-1
页码2/2
另一只手按下测试仪上测试按键,如中间绿色指示灯亮则表示静电手环良好,如两边红色指示灯亮则表示静电手环没带好,或静电手环已坏,必须进行更换或修理。
4、每天上午上班前各班组做好检测,并将检测结果记录在检测记录表上,
如图所示
编制审核复核
日期日期日期。