华为公司秘书任职资格标准.doc
- 格式:doc
- 大小:170.00 KB
- 文档页数:25
文秘任职资格标准第一篇:文秘任职资格标准文秘任职资格标准一、有文秘专业大专以上学历。
二、年龄20—35岁。
三、有良好的受教育程度,知识丰富,判断、领会及表达能力较强,办事可靠。
能熟练掌握英语的听、说、写技能。
四、有良好的素质,待人接物态度和蔼可亲,处理事务机敏、有条理,善于与同事保持良好的工作关系。
五、熟悉和掌握秘书工作知识和专业技能。
会速记、打字、处理公文档案。
有一定的写作能力和较好的文字处理能力,能熟练操作各种办公自动化设备。
六、熟悉总经理办公室和各部门的业务特点及其之间的联系。
掌握总经理或部门经理的工作规律及活动特点。
七、了解企业里的一些重要设备和设施,熟悉企业的业务活动情况,能够准确地反映情况。
第二篇:岗位任职资格标准岗位任职资格标准说明前言任职资格是现代人力资源管理体系的一个核心内容,任职资格详细规定了公司所需要的知识、技能、价值观和工作经验。
通过这四个层次的指引,可以正确引导员工达到公司所需要的工作目标。
知识、技能、价值观、工作经验四者之间是有严密的内在逻辑关系的。
首先,知识是人才发挥作用的基础要求,没有良好的知识底蕴,专业化的程度会大大降低,这就是我们在工作中经常看见的有些人满腔热情,但是缺少方法,最后的工作成效并不理想;技能是在知识的基础上,综合运用知识的能力,是任职资格体系里面第二个组成要素,如果没有对知识的综合运用能力——技能,知识就不能够发挥作用,这也就是我们经常看见的高学历、低能力的现象;工作经验侧重于经验证据,是指能证明绩效的工作证据。
在有了知识、技能、经验后,最重要的就是价值观,价值观简单的说就是态度。
虽然有了良好的知识基础、技能和经验,但并不一定就能符合公司战略目标发展的要求。
通常,当员工价值观与公司价值观不一致时,其在工作中也将难于达到工作目标,甚至会带来更大的负面效果。
这就是说,良好的知识、技能与经验,必须得通过符合公司要求的价值观发挥出来。
在绩效考核中,我们经常看见有能力、态度的考核,在引入任职资格体系后,可以有效地将业绩、能力、态度的考核区分开来,使绩效考核更清晰、明了。
华为秘书任职资格标准(V2.0)(可编辑) 秘书任职资格标准年月日秘书类任职资格标准(第二版)华为技术有限公司二零零三年八月一日目录第一部分概述第二部分级别角色定义和基本条件第三部分标准核心内容模型第四部分标准核心内容描述一、必备知识二、行为标准三、技能标准四、素质标准第五部分附则秘书类(专业族)任职资格标准第一部分概述一、标准名称秘书类任职资格标准。
二、标准定义秘书任职资格标准是指从事秘书类岗位工作的职位胜任要求。
三、标准适用范围职位类别:秘书四、标准级别:秘书任职资格标准分为基础类和助理类标准其中助理类标准包括初级行政助理标准和行政助理标准。
五、标准的结构:本标准包括级别角色定义、基本条件、必备知识、行为标准、技能标准、素质标准。
第二部分级别角色定义和基本条件一、级别角色定义级别角色定义即关于各级别可承担角色的描述包括掌握本领域内知识技能的宽度和深度能够解决问题的范围和难度在本领域内的地位能够承担的职责。
级别角色描述基础类具备良好的服务意识积极平和的心态了解公司的相关规章制度并推行掌握计算机操作技能具有好的沟通技巧协助主管和员工处理部门各类例行行政事务、突发事件为部门业务的正常开展提供有效服务。
助理类初级行政助理:具备良好的服务意识和工作主动性掌握并推行公司的相关规章制度具备一定的分析问题能力并能发现问题给出解决建议协助业务部门主管完成部门日常例行管理工作协助秘书处主管有效管理秘书团队推动秘书体系建设为业务部门工作的顺利开展提供有效服务行政助理:具有较好的理解力及解决问题的能力协助主管进行日常管理推动和推动秘书体系建设协助秘书处主管有效管理秘书团队监控相关工作的开展负责秘书体系建设有效管理秘书团队,为业务部门提供高效服务。
二、基本条件级别基本条件基础类秘书初级:大学本科以上通过转正考核。
中级:从事秘书工作一年以上。
高级:已获得中级秘书资格继续从事秘书工作一年以上。
初级行政助理已获得高级秘书资格继续从事秘书工作二年以上承担助理类工作。
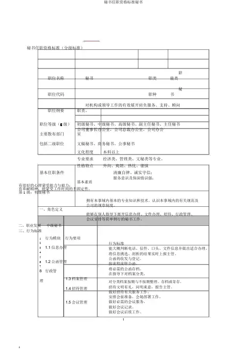
秘书任职资格标准(分级标准)职位名称秘书职类职能类职位代码职种秘书职位纲要对机构或领导工作的有效展开肩负服务、支持、顾问职责。
职位等级(5级)初级秘书、中级秘书、高级秘书、副主任秘书、主任秘书主要散布部门公司董事长办公室,公司总裁办公室,公司办公室包括二级职位文稿秘书、商务秘书、公事秘书文化程度本科以上专业要求经济类、管理类、文秘类等专业。
性格特点外向、爽朗、热忱、谨慎基本任职条件清廉自律、诚实守信;服务意识及保深情识强;基本素质有很好的心理蒙受能力与毅力;有奉献精神,能蒙受工作时间的不固定性。
第1级:初级秘书拥有本事域内基本的专业知识和技术。
认识本事域内的有关规范及公司的规章制度。
一、角色定义能够在别人指导下展开信息办理、文件办理、招待、行政管理、会议安排等简单例行的秘书工作。
二、职业发展中级秘书三、行为标准1行为模块行为要项23 1.1信息办理456 1.2公函管理78行政管行为标准能大概判断电话、信件、口头、文件信息并做出适合办理。
将信息挑选、剖析的结果实时上报主管。
公函的收发与登记。
按流程流转公函。
将必需的公函存档。
在指导下对档案分类。
理 1.3档案管理1.4招待管理1.5会议管理对分类档案按期与不按期整理、存档或寄存。
招待文明有礼,问明来意,报告主管。
做好招待有关服务工作。
安排会前准备、会场部署工作。
做好必需的会议服务。
做好会议记录。
做好会议后续工作。
11.6事务管理2文稿撰信件草拟写四、经验与成就五、必备知识六、技术要求达成领导交办的事务性工作。
辅助做好后勤保障事务。
做好会议及会议室服务工作。
辅助草拟基本的商务信件。
一年以上公司有关工作经验,半年以上秘书或有关职位工作经验。
认识公司发展史、公司品牌和公司文化。
熟习公司规章制度及业务流程。
认识基本的文书写作知识。
认识基本的档案管理知识。
掌握必需的商务礼仪知识。
具备基本的管理学知识。
掌握必需的现代化办公设施操作知识。
能够娴熟操作常用办公软件。
秘书的职业资格要求想当秘书呀,那可得满足这些职业资格要求哦。
一、基本素养方面。
1. 靠谱细心。
秘书就像个大管家,老板交代的事儿,哪怕是芝麻大点儿的细节也不能忘。
比如说安排会议,得把参会人员、时间、地点、会议资料啥的都整得明明白白。
要是把老板的重要客户的名字写错在邀请函上,那可就捅大娄子啦。
就像走钢丝一样,得小心翼翼,一步都不能错。
2. 守口如瓶。
秘书知道的秘密可多了,公司的机密啊,老板的私人事儿啊。
这嘴巴就得像上了锁一样,不管是谁来套话,都不能透露半句。
要是管不住嘴,那在秘书这行可就混不下去喽。
就好比你是个宝藏守护者,宝藏就是那些秘密,不管别人怎么诱惑,都得死死守住。
3. 机灵应变。
计划赶不上变化嘛,秘书得随时准备应对各种突发状况。
老板临时要改行程,你就得立马重新安排,像个超级英雄一样,在短时间内把一切都搞定。
要是遇到客人突然提出个怪要求,也得巧妙应对,不能傻愣愣地站在那儿。
这就跟玩杂技似的,各种花样都得会耍。
二、沟通能力方面。
1. 能说会道。
要会说话,不管是跟老板汇报工作,还是和客户打交道。
汇报工作得简洁明了,把重点都说清楚,可不能啰啰嗦嗦让老板听得云里雾里的。
跟客户聊天呢,就得热情礼貌,还得能把公司的优势说得头头是道。
就像个会魔法的小精灵,用话语把人吸引住。
2. 善于倾听。
不仅要自己能说,还得会听。
听老板的指示得一字不漏,听同事的意见也得虚心接受。
不能别人还没说完就急着打断,那是很不礼貌的。
就像个小海绵,把别人说的有用的东西都吸收进来。
三、办公技能方面。
1. 文字处理达人。
写文件、做报告那是秘书的家常便饭。
文字得通顺、有条理,格式还得规范。
要是写个方案错别字连篇,语法错误一大堆,那可不行。
这就好比厨师做菜,做出来的菜得色香味俱全,写出来的文件也得漂漂亮亮、准确无误。
2. 办公软件高手。
什么Word、Excel、PowerPoint啊,都得玩得转。
用Excel做个数据分析报表,要又快又准;用PowerPoint做个演示文稿,得做得炫酷又吸引人。
秘书国家职业标准1.职业概况1.1职业名称:秘书.1.2 职业定义:从事办公室程序性工作、协助上司处理政务及日常事务并为决策及实施提供服务的人员.1.3 职业等级:本职业共设四个等级,分别为:五级秘书(国家职业资格五级,原初级)、四级秘书(国家职业资格三级,原高级)、二级秘书(国家职业资格二级).1.4 职业环境:室内、室温.1.5 职业能力特征: 具备文字与语言沟通能力、综合协调与合作能力、逻辑思维与分析能力等。
1.6 基本文化程度:高中毕业(或同等学历)。
1.7 培训要求:1.7.1 培训期限:全日制职业学校教育,根据其培训目标和教学计划确定。
普级培训期限:五级秘书不少与220标准学时;四级秘书不少于200标准学时;三级秘书不少于200标准学时;二级秘书不少于150学时。
1.7.2 培训教师:应具有本职业2年以上培训经验。
培训五级秘书、四级秘书的教师应具有三级秘书及以上的职业资格证书或相关专业中级及以上专业技术职务任职资格;培训三级秘书的教师应具有二级秘书职业资格证书或相关专业中级及以上专业技术职务任职资格;培训二级秘书的教师应具有二级秘书职业资格证书3年以上或相关专业高级专业技术职务任职资格。
1.7.3 培训场地:在标准教室内.1.7.4 培训设备:电视机、VCD机、录音机、录象机、投影仪。
1.8 鉴定要求:1.8.1 适用对象:从事或准备从事本职业的人员。
1.8.2 申报条件:——五级秘书(具备以下条件之一者):(1)经五级秘书正规培训达规定标准学时数,并取得结业证书。
(2)在本职业连续见习工作2年以上.——四级秘书(具备以下条件之一者):(1) 取得五级秘书职业资格证书,连续从事本职业工作2年以上,经四级秘书正规培训达标准学时数,并取得结业证书.(2) 取得五级秘书职业资格证书,连续从事本职业工作3年以上。
(3) 连续从事本职业工作4年以上。
(4) 取得经劳动和社会保障行政部门审核认定、以四级秘书技能为培养目标的中等以上职业学校本职业(专业)毕业证书。
华为人力资源类任职资格标准(V3.1)(可编辑)文档名称:人力资源类任职资格标准(V)文档密级:内部公开人力资源类任职资格标准(V版)华为技术有限公司二零零五年九月目录第一部分概述第二部分级别角色定义和基本条件第三部分标准核心内容结构第四部分标准核心内容描述一、行为标准二、胜任力标准三、技能标准四、必备知识第五部分附则人力资源类任职资格标准第一部分概述一、标准名称人力资源类任职资格标准。
二、标准定义人力资源类任职资格标准是指从事人力资源规划、员工招聘调配、绩效管理、职位与任职资格管理、培训与开发、员工关系、薪酬福利管理、劳动关系协调与人事管理等工作的职位胜任要求。
人力资源管理类任职资格标准包括招聘调配、考评(任职资格与绩效)、培训、薪酬管理、人事管理、员工关系、综合等七个专业子类任职资格标准。
三、标准适用范围人力资源类职位。
四、标准级别本标准共设五个级别分别为:一级标准、二级标准、三级标准、四级标准、五级标准。
五级标准暂未开发。
五、标准的结构本标准包括级别角色定义、基本条件、必备知识、行为标准、胜任力标准、技能标准。
其中必备知识、行为标准、胜任力标准、技能标准为标准的核心内容。
第二部分级别角色定义和基本条件一、级别角色定义级别角色定义即关于各级别可承担角色的描述包括掌握本领域内知识技能的宽度和深度能够解决问题的范围和难度在本领域内的地位能够承担的职责。
级别角色描述一级掌握人力资源专业的一些基本知识或单一领域的某些知识点在适当指导下能够完成人力资源领域某单一职能或局部的业务。
二级正确理解公司人力资源政策与制度在人力资源专业单一领域内准确执行相关程序与方法能独立开展工作。
三级熟练掌握人力资源专业某一领域全面的良好的知识和技能在某个方面是精通的能够熟练地完成该领域一个子系统的工作任务能优化本领域运作程序和方法并能有效指导他人工作。
四级精通人力资源某一专业领域知识和技能能够指导该领域内的一个子系统有效地运行对于子系统内复杂的、重大的问题能够通过改革现有的程序方法进行解决熟练掌握人力资源专业其他领域的运作程序与方法为公司人力资源战略的制定提供决策依据。
华为公司秘书任职资格标准(试行稿)一九九九年十一月十七日秘书队伍是公司人员组成中负有特殊使命的团体,秘书工作在公司的运作中起着不可或缺的作用,作为专业队伍中的一支独立小分队,有其独特性,并且在公司任职资格工作中承担了开路先锋的作用,为了使秘书工作有章可循,提高工作绩效,并不断向新的目标努力,特制定本标准。
秘书任职资格分类秘书任职资格标准根据秘书的工作职责分为基础和助理两大类标准。
按达标程度分级:秘书资格认证申请条件: 基础类: 从事秘书工作;或有志从事秘书工作,且通过秘书应知应会考试的其它人员。
助理类:获得基础类秘书高级秘书资格; 在助理类秘书岗位工作。
秘书资格获得条件:XX 公司行政秘书任职资格标准【最新资料,WORD 文档,可编辑修改】基础类:满足相应的行为标准认证要求,并且满足其它基本条件助理类:满足相应类别的行为标准达标要求,满足其它基本条件,并且获得高级秘书资格秘书任职资格标准结构:基础类秘书任职资格标准:一、基本条件1、职责•部门文档管理•部门员工的人事信息管理、考勤管理、信息传递及处理。
•部门内外流程上下接口的协调工作。
•根据要求制作文件。
•部门会议(学习、培训)的会务工作。
•部门办公物品(日常办公用品,固定资产)的例行管理。
•各项规章制度在部门的执行、协助部门领导进行部门计划的制定与跟踪•部门文体活动组织及部门宣传工作、部门5S例行管理。
•主管交办的其它事务。
2、素质敬业精神:在期限内准确保质完成工作。
服务精神:满足内外客户的工作需求。
细心:对自己的工作有警觉,发现并避免错误。
团队精神:支持团队决定,与团队成员分享相关信息,在必要时提供帮助。
沟通:正确表达并获得理解和支持。
逻辑思维:发现问题基本关系,根据重要性分出任务轻重缓急。
保密:严格遵守保密制度并督促他人遵守保密制度。
3、经验学历:大学本科以上,专业不限。
工作经验:对应秘书的级别,除任职资格需达相应的标准,还需有工作经验的要求。
华为公司秘书任职资格标准(试行稿)二零零二年三月二十五日秘书队伍是公司人员组成中负有特殊使命的团体,秘书工作在公司的运作中起着不可或缺的作用,作为专业队伍中的一支独立小分队,有其独特性,并且在公司任职资格工作中承担了开路先锋的作用,为了使秘书工作有章可循,提高工作绩效, 并不断向新的目标努力,特制定本标准。
秘书任职资格分类秘书任职资格标准根据秘书的工作职责分为基础和助理两大类标准按达标程度分级:秘书资格认证申请条件:基础类:从事秘书工作;或有志从事秘书工作,且通过秘书应知应会考试的其它人员助理类:获得基础类秘书高级秘书资格;在助理类秘书岗位工作。
秘书资格获得条件:基础类:满足相应的行为标准认证要求,并且满足其它基本条件助理类:满足相应类别的行为标准达标要求,满足其它基本条件,并且获得高级秘书资格秘书任职资格标准结构:职责标准组成行为标准7—单元丁要素-•必备知识要素丄其它一绩效一基本条件I经验-素质单元一行为标准细则基础类秘书任职资格标准:、基本条件1、职责部门文档管理部门员工的人事信息管理、考勤管理、信息传递及处理。
部门内外流程上下接口的协调工作。
根据要求制作文件。
部门会议(学习、培训)的会务工作。
部门办公物品(日常办公用品,固定资产)的例行管理。
各项规章制度在部门的执行、协助部门领导进行部门计划的制定与跟踪部门文体活动组织及部门宣传工作、部门5S例行管理。
主管交办的其它事务。
2 、素质敬业精神:在期限内准确保质完成工作。
服务精神:满足内外客户的工作需求。
细心:对自己的工作有警觉,发现并避免错误。
团队精神:支持团队决定,与团队成员分享相关信息,在必要时提供帮助沟通:正确表达并获得理解和支持。
逻辑思维:发现问题基本关系,根据重要性分出任务轻重缓急。
保密:严格遵守保密制度并督促他人遵守保密制度。
3 、经验学历:大学本科以上,专业不限。
工作经验:对应秘书的级别,除任职资格需达相应的标准,还需有工作经验的要求。
秘书国家职业标准1.职业概况1.1职业名称:秘书.1.2 职业定义:从事办公室程序性工作、协助上司处理政务及日常事务并为决策及实施提供服务的人员.1.3 职业等级:本职业共设四个等级,分别为:五级秘书(国家职业资格五级,原初级)、四级秘书(国家职业资格三级,原高级)、二级秘书(国家职业资格二级).1.4 职业环境:室内、室温.1.5 职业能力特征: 具备文字与语言沟通能力、综合协调与合作能力、逻辑思维与分析能力等。
1.6 基本文化程度:高中毕业(或同等学历)。
1.7 培训要求:1.7.1 培训期限:全日制职业学校教育,根据其培训目标和教学计划确定。
普级培训期限:五级秘书不少与220标准学时;四级秘书不少于200标准学时;三级秘书不少于200标准学时;二级秘书不少于150学时。
1.7.2 培训教师:应具有本职业2年以上培训经验。
培训五级秘书、四级秘书的教师应具有三级秘书及以上的职业资格证书或相关专业中级及以上专业技术职务任职资格;培训三级秘书的教师应具有二级秘书职业资格证书或相关专业中级及以上专业技术职务任职资格;培训二级秘书的教师应具有二级秘书职业资格证书3年以上或相关专业高级专业技术职务任职资格。
1.7.3 培训场地:在标准教室内.1.7.4 培训设备:电视机、VCD机、录音机、录象机、投影仪。
1.8 鉴定要求:1.8.1 适用对象:从事或准备从事本职业的人员。
1.8.2 申报条件:——五级秘书(具备以下条件之一者):(1)经五级秘书正规培训达规定标准学时数,并取得结业证书。
(2)在本职业连续见习工作2年以上.——四级秘书(具备以下条件之一者):(1) 取得五级秘书职业资格证书,连续从事本职业工作2年以上,经四级秘书正规培训达标准学时数,并取得结业证书.(2) 取得五级秘书职业资格证书,连续从事本职业工作3年以上。
(3) 连续从事本职业工作4年以上。
(4) 取得经劳动和社会保障行政部门审核认定、以四级秘书技能为培养目标的中等以上职业学校本职业(专业)毕业证书。
文秘任职资格标准
一、有文秘专业大专以上学历。
二、年龄20—35岁。
三、有良好的受教育程度,知识丰富,判断、领会及表达能力较强,
办事可靠。
能熟练掌握英语的听、说、写技能。
四、有良好的素质,待人接物态度和蔼可亲,处理事务机敏、有条
理,善于与同事保持良好的工作关系。
五、熟悉和掌握秘书工作知识和专业技能。
会速记、打字、处理公
文档案。
有一定的写作能力和较好的文字处理能力,能熟练操作各种办公自动化设备。
六、熟悉总经理办公室和各部门的业务特点及其之间的联系。
掌握
总经理或部门经理的工作规律及活动特点。
七、了解企业里的一些重要设备和设施,熟悉企业的业务活动情
况,能够准确地反映情况。
秘书国家职业尺度一、职业概况1、职业名称:秘书2、职业定义:从事办公室程序性工作、协助带领处置政务及日常事务并为带领决策及其实施提供效劳的人员。
3、职业等级:本职业共设三个等级,别离为初级〔国家职业资格五级〕、中级〔国家职业资格四级〕、高级〔国家职业资格三级〕。
4、职业环境:室内、常温。
5、职业能力特征:具备较强的文字与语言表达能力、综合协调能力与合作能力、逻辑思维与阐发能力等。
6、底子文化程度:高中毕业。
7、培训要求:〔1〕培训期限:全日制职业学校教育,按照其培养目标和教学方案确定。
〔2〕晋级培训期限:初级不少于250尺度学时;中级不少于200尺度学时;高级不少于150尺度学时。
〔3〕培训教师:具有本职业高级职业资格证书并要求具有本职业两年以上培训经验或具有有中级以上专业技术职称的教师。
〔4〕培训场地设备:在尺度教室内。
8、鉴定要求:〔1〕适用对象:从事或筹办从事本职业的人员。
〔2〕申报条件:——初级〔具备以下条件之一者〕:1〕经本职业初级正规培训,达规定尺度学时数,并取得毕〔结〕业证书。
2〕在本职业见习工作2年以上。
——中级〔具备以下条件之一者〕:1〕取得本职业初级职业资格证书,持续从事本职业工作3年以上,并经本职业中级正规培训达规定尺度学时数,取得毕〔结〕业证书。
2〕取得本职业初级职业资格证书后,持续从事本职业工作5年以上。
3〕持续从事本职业工作6年以上。
4〕取得经劳动保障行政部分审核认定的,以中级技能为培训目标的中等以上职业学校本专业毕业证书。
——高级〔具备以下条件之一者〕:1〕取得中级职业资格证书后,持续从事本职业工作4年以上,并经本职业高级正规培训达规定尺度学时数,并取得毕〔结〕业证书。
2〕取得中级职业资格证书后,并持续从事本职业工作7年以上。
3〕取得秘书专业或相关专业本科毕业证书后,并持续从事本职业工作1年以上。
4〕取得经劳动保障行政部分审核认定,以高级技能为培养目标的高等职业学校本专业毕业证书。
华为公司秘书任职资格标准(试行稿)二零零二年三月二十五日秘书队伍是公司人员组成中负有特殊使命的团体,秘书工作在公司的运作中起着不可或缺的作用,作为专业队伍中的一支独立小分队,有其独特性,并且在公司任职资格工作中承担了开路先锋的作用,为了使秘书工作有章可循,提高工作绩效,并不断向新的目标努力,特制定本标准。
秘书任职资格分类秘书任职资格标准根据秘书的工作职责分为基础和助理两大类标准。
按达标程度分级:秘书资格认证申请条件:基础类:从事秘书工作;或有志从事秘书工作,且通过秘书应知应会考试的其它人员。
助理类:获得基础类秘书高级秘书资格;在助理类秘书岗位工作。
秘书资格获得条件:基础类:满足相应的行为标准认证要求,并且满足其它基本条件助理类:满足相应类别的行为标准达标要求,满足其它基本条件,并且获得高级秘书资格秘书任职资格标准结构:基础类秘书任职资格标准:一、基本条件1、职责•部门文档管理•部门员工的人事信息管理、考勤管理、信息传递及处理。
•部门内外流程上下接口的协调工作。
•根据要求制作文件。
•部门会议(学习、培训)的会务工作。
•部门办公物品(日常办公用品,固定资产)的例行管理。
•各项规章制度在部门的执行、协助部门领导进行部门计划的制定与跟踪•部门文体活动组织及部门宣传工作、部门5S例行管理。
•主管交办的其它事务。
2、素质敬业精神:在期限内准确保质完成工作。
服务精神:满足内外客户的工作需求。
细心:对自己的工作有警觉,发现并避免错误。
团队精神:支持团队决定,与团队成员分享相关信息,在必要时提供帮助。
沟通:正确表达并获得理解和支持。
逻辑思维:发现问题基本关系,根据重要性分出任务轻重缓急。
保密:严格遵守保密制度并督促他人遵守保密制度。
3、经验学历:大学本科以上,专业不限。
工作经验:对应秘书的级别,除任职资格需达相应的标准,还需有工作经验的要求。
4、绩效5、其它包括奖惩情况、培训记录及成绩在华为工作期间受到的奖惩、参加的培训及培训成绩均会对资格达标有一定影响。
四、基础类秘书任职资格行为标准第一单元:提高流程的工作效率要素1.1 组织你自己的工作A、运用适当的工作方法,最有效地利用时间B、使自己的工作和同事的工作协调一致C、最大限度地控制材料的浪费D、根据既定的工作程序开展工作要素1.2 开发自我提高绩效A、确定和认可个人改进目标B、准备和认可一项自我改进的实施计划C、实行与复审个人改进计划要素1.3 维护工作环境以辅助工作流程A、保持工作环境整洁安全B、向适当人员报告影响个人工作效率而自己又无法控制的工作条件要素1.4 维护安全和稳定的工作场所A、监督和维护工作场所的安全B、努力控制意外事故或紧急情况中的人身财产损失C、维护工作场所内人员、物品和信息的安全【第一单元要素必备知识范围】•时间管理知识•组织个人工作的方法•与上司、同事沟通的技巧和协作方法•社会公布的火警、匪警、急救等电话号码以及公司火警及安全管理部电话号码;•告警系统的操作方法、灭火器材的使用方法等•初步的护理知识:烧伤、电伤、中毒等的处理•上报紧急情况的方法及流程•公司及部门的安全、保密制度第二单元:培养有效的工作关系要素2.1 创造并保持与其它员工的有效工作关系A、对属自己职责范围内的同事们的要求立即行动起来,给予合作B、将相关信息迅速准确地传递给同事C、实现目标如有困难应礼貌地向相关人员请求帮助D、讨论、解决影响工作关系的各种问题或者迅速地上报给相关人员E、交流和提供帮助的方式方法应符合同事的需要要素2.2 问候和帮助来访者A、迅速礼貌地以公司规定的接待礼仪接待来访者并明确他们的需要。
B、给来访者提供的恰当、符合公司要求的信息C、按照接待流程要求,引导来访者到目的地D、礼貌地解释迟延或不能提供帮助的原因E、如遇自己职责之外的情况,上报给相关人员进行处理F、根据来访者的具体情况、要求及公司的实际情况满足来访者者的要求【第二单元要素必备知识范围】•公司的接待礼仪及规范•公司有关来访人员参观的规定•保密制度•防范泄密的方法技巧•公司的组织结构及各部门业务分工和办公位置第三单元信息管理要素3.1 处理入局及出局通话A、以机构认可的礼仪迅速清晰地对来话作出反应B、正确识别来话方,并准确地记下其要求C、在自己的职权范围内回答询问或将询问提交相关人员D、正确拨打自己的或代别人拨打出局电话E、礼貌地获取和检查相关信息F、迅速准确地将相关信息传递给相关人员G、迅速将通讯设备故障上报给相关责任部门H、若需要,根据机构的规定记录通话要素3.2 收取、整理并分发邮件A、根据机构要求的程序收取邮件B、在既定时间里根据要求整理邮件C、在规定的时间里将邮件分发相关人员D、分发中若出现无法避免的延误情况,应立即报告相关人员E、邮件地址书写明了、正确,信函内附件附着牢固,发现丢失,立即上报F、根据需要进行登记要素3.3 信息系统的建立与信息维护A、根据公司的规定使用合适的软件或方法建立信息系统B、及时准确地将新信息输入信息系统C、根据公司的规定处理过期的信息D、当源数据不完整或不合法时,向适当人员请求处理办法E、用公司规定的方法对有责任维护的公共信息系统进行维护要素3.4 信息接收与传送A、以合适的途径接收所需信息B、在指定的期限内,选择最适当的方式正确并准确地传送信息到指定部门、指定人员C、根据公司保密要求,及时提供重要信息给有权知道的人员D、及时矫正或汇报出现的错误信息,尤其对数字信息要素3.5 信息查找与恢复A、使用计算机软件选择有效的查寻方法查找数据信息B、重要数据信息及时备份并选择合适的恢复手段C、理解信息需求并确定和索取信息来源D、保护信息和设备不受损失要素3.6 信息系统的安全与保密A、保护所建立的信息系统B、信息传递过程中的保密与安全【第三单元要素必备知识范围】•公司电话接听的礼仪•电话记录方式•公司基本组织结构、主要产品和各部门业务职责•公司内外常用电话号码•传真、EMAIL、NOTES使用方法适用范围:①SAP系统;②Notes系统(114号码查询系统、IP地址登记)③Netscape地址本及收发邮件;④部门业务客户通信系统;⑤用于各种业务的查询网址;⑥邮件群组;⑦固定资产库;⑧部门员工信息库;⑨IP地址库;⑩办公用品库;员工培训信息库;考核记录;本部门人员通讯联络信息库。
丢失信息的恢复方法;文件压缩及备份方法;信息的查询与检索方法;数据的验证方法;IT的求助程序第四单元:文档管理要素4.1 用现有的文档系统存储信息A、迅速将信息按顺序存储在正确的位置B、存储的资料是完整和安全的C、正确进行信息分类D、向适当人员询问信息分类的疑惑E、信息定位系统应及时更新、准确并且是按照规定方式的要素4.2 从现有的文档系统获取信息A、迅速找到所需信息,并将信息传递给正确的人或位置B、信息提供如果延迟,应予以通知,并要礼貌地解释延迟原因C、准确记录、及时更新获得的信息,并按要求的形式呈现D、识别丢失或过期的条目,并遵循正确步骤将其找出【第四单元要素必备知识范围】•文档检索系统•信息存储方法•信息分类•文档基本分类路径•产品开发文档管理规范•公司及部门行政文件的分类标准•存储顺序的分类:字母顺序、数字(序列号)、主题、地理(域)、时间(年代)等•按不同顺序方法,对文档进行排序的技能•文档基本分类路径•公司及部门行政文件的行文规范和分类标准•文件发放的过程和原则•文档存放的原则•公文保密制度•防止泄密的措施第五单元:根据所提供的材料制作并演示文本要素5.1根据所提供的材料,利用适当工具制作所要求的文本A、理解制作文本的要求B、根据所提供的书面(手稿)、录音或口述材料,利用适当的工具或软件,按要求将文稿制作成适合展示的形式C、识别、检查并校正文中的错误及不确定之处D、排版符合公司或部门规定的风格E、按要求整理原件和复本并保存按照要求核对、整理并分发所完成的原件及复本; F、保持信息的安全与机密G、在指定期限内完成工作,如不能按期完成,须及时、准确地汇报理由要素5.2 复印A、制作的副本符合要求的数量和质量B、材料浪费被控制在最低限度C、副本按要求进行校对D、文件页张应依要求加以封装,封装要整洁、安全【第五单元要素必备知识范围】•公司及部门行政文件的行文规范•编制页码号•封装方法•机构有关安全和保密的政策•复印机操作指导及卡纸处理方法第六单元办公设备管理要素6.1 根据需求申购办公设备A、监控各类办公设备的日常使用情况B、根据需求,申购办公设备C、跟踪申购请求的执行情况要素6.2 领用办公设备,建立资产台帐A、及时查询到货信息B、领取及发放办公设备C、建立资产台帐,及时更新数据要素6.3 办公设备的日常管理及盘点A、及时处理资产的转移、清退、报废B、维护各类办公设备的正常使用状态C、定期盘点,根据公司要求处理盘点结果【第六单元要素必备知识范围】•部门的申购流程规定•公司的紧急申购流程•申购电子流的使用方法•5S管理•网上到货信息的查询方法•部门关于领货流程的规定•常用设备的相关信息•公司固定资产管理规定•部门关于资产转移、清退、报废的规定•固定资产查询系统的使用方法第七单元会务工作要素7.1 会议前准备A、明确会议目的及指示,确定相应的会议事项B、准备的各项资源应配合会议的时间及需求C、准备满足个人特殊需要的设施D、利用有效的渠道通知与会人员会议的时间、地点、议程等事项;E、确认与会人员准时到会要素7.2 协助会议进行A、检查会议所需的各项资源正常运作B、根据会议议程确保会议如期进行C、为与会人员提供及时准确的会议信息D、灵活有效的处理意料之外的事情E、根据需要对会议的重要内容及决策进行记录并整理F、对无法的处理的事情应及时汇报至会议总协调人处要素7.3 会后整理A、对会议使用完毕的物品进行清理,结算费用B、根据要求整理会议相关资料C、确定是否需要根据会务情况进行总结并提交相关部门D、保持信息安全和机密【第七单元要素必备知识范围】•公司与会议有关的管理与财政规定•个人角色与安排•会议议程准备方法•有关会议设备准备的安排•资源获取的渠道及流程•会议准备不充分的后果•资源的安全及保密措施•物品维护使用规定(设备、资料)•会议记录的技巧•食宿、交通安排技巧•信息保管及传递的技巧•公司安全及保密的措施•费用结算的流程•归档的相关规定•安全及保密措施第八单元协助计划工作并监控工作进度(POP必选)要素8.1 计划和组织工作(认证重点:明确工作内容的轻重缓急;合理安排各种资源)A、与主管协商,确定任务并排出先后顺序,以满足工作要求B、与部门人员协商,明确共同目标及计划步骤,以利于计划执行C、合理分配资源,便于按优先顺序完成确定的任务D、在人力资源合理利用过程中,加强对新员工的培养E、根据工作优先顺序的变化,及时调整资源分配F、与相关资源部门保持良好协作关系,以利于确定、商讨和协调相关的援助以满足具体要求和期限G、工作方法和活动符合法律条令要求和公司规定要素8.2 监控工作目标的实施(认证重点:准确合理设置监控点;针对未完成情况进行分析补救;做好工作经验的总结与积累)A、分析工作目标要求及特点,合理、准确设置监控点及检查标准B、根据确定的目标,及时检查、分析和评估工作结果,把握工作目标与方向C、当出现未能及时完成或与任务要求不符的情况时,能准确分析原因,并做好相应补救措施D、根据工作需要,制定相应工作流程、规范及制度,以保证目标的顺利达成E、找出偏离规划目标的原因,必要时,上报给相关人员F、在自己的职责范围内立即实施改正措施,并向相关人员汇报G、任务完成后,总结工作中的经验与教训,并存档,以便今后借鉴【第八单元要素必备知识范围】工作的计划方法、时间管理办法、协调资源和任务的方法、通报和与他人商议工作方法的方法、求援的方法、监督目标实现情况的方法、处理规划目标偏差的方法、建立和实施管理机制的方法、根据目标检查和考评工作结果的方法、考评与沟通的方法、保持良好的团队氛围的方法、保持与相关部门良好协作关系的方法、汇报问题和建议的程序、监督和更新系统的方法、处理非常事务和紧急情况的方法第九单元业务部文档工作推行(文档秘书必选)要素9.1 数据库及数据管理A.在遵守公司及部门规定的前提下,为用户提供优质文档查阅服务,其中包括判断申请单据的合法性、及时响应申请、服务质量及方式满足用户需求B.确保数据质量包括数据形式符合规范。