欧盟饮用水水质标准
- 格式:docx
- 大小:14.25 KB
- 文档页数:3
欧盟直饮水标准一、水质标准欧盟直饮水的水质标准包括了对化学物质、微生物、重金属、放射性物质等各个方面的限制。
这些限制都是为了保证饮用水的安全和健康。
其中,关键的化学物质指标包括总硬度、硝酸盐、氯化物、氟化物、硫酸盐、三氯甲烷等。
对于微生物的限制主要是指细菌总数和大肠杆菌等有害菌。
重金属和放射性物质的限制也是为了保护人们的身体健康。
二、水量标准欧盟直饮水的水量标准是根据人体每日需要量和水源情况而定的。
在欧盟,每人每天的水量摄入量应该在1.5-2升之间。
因此,直饮水的水量标准也应该满足这个要求。
同时,为了保证供水系统的稳定性和可靠性,直饮水的水量也应该有一定的保证。
三、水压标准欧盟直饮水的水压标准是根据人体承受能力和供水系统的情况而定的。
在欧盟,直饮水的水压一般应该在0.3-0.5巴之间。
如果水压过高,可能会对人们的身体造成不适;如果水压过低,则可能会导致供水系统的不稳定。
因此,直饮水的水压标准应该符合这个要求。
四、水温标准欧盟直饮水的水温标准主要是为了保证水的舒适性和安全性。
在欧盟,直饮水的水温一般应该在10-30摄氏度之间。
如果水温过高,可能会对人们的口腔和消化道造成不适;如果水温过低,则可能会导致供水系统的结冰和破裂。
因此,直饮水的水温标准应该符合这个要求。
五、水质检测标准欧盟直饮水的水质检测标准包括了对水源水、处理后水和供水系统的各个方面的检测。
这些检测包括了对化学物质、微生物、重金属、放射性物质等各个方面的检测。
同时,水质检测也应该定期进行,以保证水质的安全和健康。
六、水处理设备标准欧盟直饮水的水处理设备标准包括了对净水器、过滤器、消毒器等各个方面的规定。
这些设备应该能够有效地去除水中的有害物质,保证水质的安全和健康。
同时,水处理设备也应该定期进行维护和更换,以保证设备的正常运行。
七、水源地保护标准欧盟直饮水的水源地保护标准包括了对水源地的保护和管理措施。
这些措施主要是为了保证水源地的清洁和安全,防止水污染的发生。
欧盟饮水指令规定的水质指标及其限值指标限值如下:微生物指标大肠杆菌0/100ml肠球菌0/100ml市售瓶装水要求大肠杆菌0/250ml假单胞菌0/250ml菌落计数(22℃) 0/250ml菌落计数(37℃) 100ml化学指标丙烯酰胺0.10μg/L锑 5.0μg/L砷10μg/L苯 1.0μg/L苯并[α] 0.010μg/L硼 1.0μg/L溴酸盐10μg/L(最迟于指令实施后10年达到) 25μg/L(指令实施后5~10年的限值)镉 5.0μg/L铬50μg/L铜 2.0mg/L氰化物50μg/L1,2-二氯乙烷3.0μg/L表氯醇0.10μg/L氟化物 1.5mg/L铅50μg/L(目前)25μg/L(指令实施后5~15年的限值)10μg/L(最迟于指令实施后15年达到)汞 1.0μg/L镍20μg/L硝酸盐50mg/L亚硝酸盐0.50mg/L农药①0.10μg/L(单个农药)农药总量0.50μg/L多环芳烃②0.10μg/L(特定化合物总浓度)硒10μg/L四氯乙烯和三氯乙烯 1.0μg/L(总浓度)三卤乙烷总量100μg/L(特定化合物总浓度)氯乙烯0.5μg/L指标性指标铝200μg/L氨0.50μg/L氯化物③250mg/L产气荚腊梭状芽孢杆菌(包括芽孢) 0/100ml色饮用者可以接受,无异常变化电导率250μS·cm-1(20℃)氢离子浓度 6.5≤pH值≤9.5铁200μg/L锰50μg/L嗅饮用者可以接受,无异常变化氧化性 5.0mg/L(O2)硫酸盐250mg/L钠200mg/L味饮用者可以接受,无异常变化菌落计数(22℃) 无异常变化大肠杆菌0/100ml总有机碳无异常变化浑浊度饮用者可以接受,无异常变化放射性指标氚100Bq/L总指标性计量(Total indicative dose) 0.10Sv/a①该值用于单个农药,当农药为艾氏剂、狄氏剂、七氯、七环氧化物时限值为0.030μg/L。
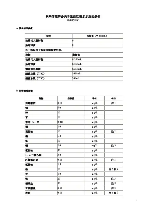
欧共体理事会关于生活饮用水水质的条例98/83/EECA 微生物学参数B 化学物质参数注:1.参数值是指水中的剩余单体浓度,并根据聚合体与水接触后所释放出的最大浓度计;2.如果没有更好的消毒方法,在可能的情况下,成员国应尽力降低该值。
3.该值适用于由用户水龙头处所取水样,且水样应能代表用户一周用水的平均水质。
成员国必须考虑到可能会影响人体健康的峰值出现情况。
4.该指令生效后5年到15年,铅的参数值为25μg/L。
在达到指令中规定的参数值前,成员国应确保采用适当的方法,尽可能降低水中铅的浓度。
5.成员国应确保[NO3-]/50+[NO2-]/3≤1,方括号中为以mg/L为单位计的NO3-和NO2-浓度。
6.农药是指:有机杀虫剂、有机除草剂、有机杀菌剂、有机杀线虫剂、有机除藻剂、有机杀鼠剂、有机杀粘菌剂和相关产品及其代谢副产物、降解和反应产物。
7.参数值适用于每种农药。
对艾氏剂、狄氏剂、七氯和环氧七氯,参数值为0.030μg/L。
8.农药总量是指所有能检测出和定量的单项农药的总和。
9.特殊化合物包括:苯并[b]呋喃、苯并[k]呋喃、苯并[g,h,i]北、茚并[1,2,3-cd]芘10.如果没有更好的消毒方法,在可能的情况下,成员国应尽力降低该值。
特殊化合物包括:氯仿、溴仿、二溴一氯甲烷和一溴二氯甲烷该指令生效后5年到15直,总三卤甲烷的参数值为150μg/L。
C 指示参数放射性参数注:1.不应具有腐蚀性。
2.如果原水没有受地表水影响,不需要测定该参数。
3.对瓶装或桶装的静水,最小值应降至4—5pH单位。
对瓶装或桶装的水,最小值应降至更低。
4.如果测定TOC参数值,则不需要测定该值。
5.对瓶装或桶装的水,单位为个/250mL。
6.对于供水量小于10,000m3/天的水厂,不需要测定该值。
7.对地表水处理厂,成员国应尽力保证出厂水的浊度不超过1.0NTU。
[Word]欧盟水质检测标准指标值(个/mL) 指标埃希氏大肠杆菌 0肠道球菌 0以下指标用于瓶装或桶装饮用水:指标指标值埃希氏大肠杆菌 0/250mL肠道球菌 0/250mL铜绿假单胞菌 0/250mL细菌总数(22?) 100/mL细菌总数(37?) 20mLB.化学物质参数指标指标值单位备注丙烯酰胺0.10 μg/L 锑 5.0 μg/L 砷10 μg/L 苯1.0 μg/L 苯并[a]芘0.010 μg/L 硼 1.0 μg/L 溴酸盐10 μg/L 镉 5.0 μg/L 铬50 μg/L 铜 2.0 μg/L 氰化物50 μg/L1,2-二氯乙烷3.0 μg/L 环氧氯丙烷0.10 μg/L氟化物1.5 μg/L铅10 μg/L汞 1.0 μg/L镍20 μg/L硝酸盐50 μg/L 亚硝酸盐0.50 μg/L农药0.10 μg/L 农药(总) 0.50 μg/L 多环芳烃0.10 μg/L硒10 μg/L 四氯乙烯和三氯乙10 μg/L 烯三卤甲烷(总) 100 μg/L氯乙烯0.50 μg/L注:1.参数值是指水中的剩余单体浓度,并根据相应聚合体与水接触后所能释放出的最大量计算而得;2.如果可能,在不影响消毒效果的前提下,成员国应尽力降低该值。
3.该值适用于由用户水嘴处所取水样,且水样应能代表用户一周用水的平均水质。
成员国必须考虑到可能会影响人体健康的峰值出现情况。
4.该指令生效后5~15年,铅的参数值为25μg/L。
在达到指令中中规定的参数值前,成员国应确保采用适当的方法,尽可能降低水中铅的浓度。
5.成员国应确保[硝酸盐浓度]/50+[亚硝酸盐浓度]/3?1,方括号中为以mg/L单位计的硝酸盐和亚硝酸盐浓度,且出厂水亚硝酸盐含量要小于0.1mg/L。
6.农药是指:有机杀虫剂、有机除草剂、有机杀菌剂、有机杀线虫剂、有机杀粘菌剂和相关产品及其代谢副产物、降解和反应产物。
7.参数值适用于每种农药。
水的检测ppM75标准旳
各国饮用水ppm标准:
1、美国标准:(1)饮用水:无硬度要求(2)美国供水工程协会水质标准:80-100
已复制至剪贴板
2、欧盟饮用水标准:60
3、中国生活饮用水国家标准:小于等于450
4、世界卫生组织饮用水水质准则:(1)饮用水:小于等于500(2)优质饮用水:50
ppm是水的硬度的单位,硬度就是指水中钙、镁离子的浓度,1ppm代表水中碳酸钙含量1毫克/升(mg/L)。
水质检测ppm值在50以下为好。
ppm是指水的硬度,其检测数值越大,说明水中含有的钙、镁离子越多,故而水质会偏硬。
ppm检测值越低,水质就越安全。
ppm检测值在80以内是软水,在80-160之间是中度硬水,而160-300为硬水,检测值超过300的话,就属于非常硬水了。
在饮用水中,纯净水的ppm值为50,普通矿泉水一般是在100-200ppm,自来水的ppm值大概在300左右。
注:1.参数值是指水中的剩余单体浓度,并根据相应聚合体与水接触后所能释放出的最大量计算而得;2.如果可能,在不影响消毒效果的前提下,成员国应尽力降低该值。
3.该值适用于由用户水嘴处所取水样,且水样应能代表用户一周用水的平均水质。
成员国必须考虑到可能会影响人体健康的峰值出现情况。
4.该指令生效后5~15年,铅的参数值为25μg/L。
在达到指令中中规定的参数值前,成员国应确保采用适当的方法,尽可能降低水中铅的浓度。
5.成员国应确保[硝酸盐浓度]/50+[亚硝酸盐浓度]/3≤1,方括号中为以mg/L单位计的硝酸盐和亚硝酸盐浓度,且出厂水亚硝酸盐含量要小于0.1mg/L。
6.农药是指:有机杀虫剂、有机除草剂、有机杀菌剂、有机杀线虫剂、有机杀粘菌剂和相关产品及其代谢副产物、降解和反应产物。
7.参数值适用于每种农药。
对艾氏剂、狄氏剂、七氯和环氧七氯,参数值为0.030μg/L。
8.农药总量是指所有能检测出和定量的单项农药的总和。
9.具体的化合物包括,苯并荧蒽、苯并[k]荧蒽、苯并[g,h,i]苝,茚并按[1,2,3,-c,d]芘。
10.如果可能,在不影响消毒效果的前提下,成员国应尽力降低下列化合物值:氯仿、溴仿、二溴一氯甲烷和一溴二氯甲烷该指令生效后5~15年,总三卤甲烷的参数值为150μg/L。
参数。
3.若为瓶装或桶装的静止水,最小值可降至4.5pH单位,若为瓶装或桶装水,因其天然富含或人工充入二氧化碳,最小值可降至更低。
4.如果测定TOC参数值,则不需要测定该值。
5.对瓶装或桶装的水,单位为个/250mL。
6.对供水量小于10000m3/d的水厂,不需要测定该值。
7.对地表水处理厂,成员国应尽力保证出厂水的浊度不超过1.0NTU。
注:译自Council Directive 98/83/EC on the Quality of Water Intended for Human Consumption。
欧盟饮用水标准三围
欧盟饮用水标准是指欧洲联盟对于饮用水质量所制定的一系列标准和指南,旨
在保障公众饮用水安全,保护人类健康。
欧盟饮用水标准三围是指水质标准的三个主要方面,即微生物学、化学物质和指标参数。
本文将对欧盟饮用水标准三围进行详细介绍。
首先,微生物学是欧盟饮用水标准三围中的重要方面之一。
微生物学标准主要
包括对于细菌、病毒和寄生虫等微生物的限制要求。
欧盟饮用水标准对于饮用水中微生物的限制非常严格,例如对于大肠杆菌和肠道致病菌的限制要求十分严格,以确保饮用水的微生物质量符合安全标准。
其次,化学物质是欧盟饮用水标准三围中的另一个重要方面。
化学物质标准包
括对于重金属、有机物质、农药和其他化学物质的限制要求。
欧盟饮用水标准对于饮用水中化学物质的限制也十分严格,例如对于铅、镉、汞等重金属的限制要求非常严格,以确保饮用水的化学物质质量符合安全标准。
最后,指标参数是欧盟饮用水标准三围中的第三个重要方面。
指标参数包括对
于水的物理性质、有机物质、无机物质、气体溶解度等指标的要求。
欧盟饮用水标准对于这些指标参数也有详细的规定,以确保饮用水的各项指标参数符合安全标准。
总的来说,欧盟饮用水标准三围涵盖了微生物学、化学物质和指标参数三个方面,对于饮用水的质量进行了全面的要求和规定。
这些标准的制定旨在保障公众饮用水的安全,保护人类健康。
因此,各成员国都应严格遵守欧盟饮用水标准,确保饮用水的质量符合安全标准,以保障公众健康。
欧共体理事会关于生活饮用水水质的条例98/83/EECA 微生物学参数B 化学物质参数注:1.参数值是指水中的剩余单体浓度,并根据聚合体与水接触后所释放出的最大浓度计;2.如果没有更好的消毒方法,在可能的情况下,成员国应尽力降低该值。
3.该值适用于由用户水龙头处所取水样,且水样应能代表用户一周用水的平均水质。
成员国必须考虑到可能会影响人体健康的峰值出现情况。
4.该指令生效后5年到15年,铅的参数值为25μg/L。
在达到指令中规定的参数值前,成员国应确保采用适当的方法,尽可能降低水中铅的浓度。
5.成员国应确保[NO3-]/50+[NO2-]/3≤1,方括号中为以mg/L为单位计的NO3-和NO2-浓度。
6.农药是指:有机杀虫剂、有机除草剂、有机杀菌剂、有机杀线虫剂、有机除藻剂、有机杀鼠剂、有机杀粘菌剂和相关产品及其代谢副产物、降解和反应产物。
7.参数值适用于每种农药。
对艾氏剂、狄氏剂、七氯和环氧七氯,参数值为0.030μg/L。
8.农药总量是指所有能检测出和定量的单项农药的总和。
9.特殊化合物包括:苯并[b]呋喃、苯并[k]呋喃、苯并[g,h,i]北、茚并[1,2,3-cd]芘10.如果没有更好的消毒方法,在可能的情况下,成员国应尽力降低该值。
特殊化合物包括:氯仿、溴仿、二溴一氯甲烷和一溴二氯甲烷该指令生效后5年到15直,总三卤甲烷的参数值为150μg/L。
C 指示参数放射性参数注:1.不应具有腐蚀性。
2.如果原水没有受地表水影响,不需要测定该参数。
3.对瓶装或桶装的静水,最小值应降至4—5pH单位。
对瓶装或桶装的水,最小值应降至更低。
4.如果测定TOC参数值,则不需要测定该值。
5.对瓶装或桶装的水,单位为个/250mL。
6.对于供水量小于10,000m3/天的水厂,不需要测定该值。
7.对地表水处理厂,成员国应尽力保证出厂水的浊度不超过1.0NTU。
欧共体理事会关于生活饮用水水质的条例98/83/EECA 微生物学参数指标 指标值(个100mL) 埃希氏大肠杆菌0肠道球菌0以下指标用于瓶装或桶装饮用水:指标指标值埃希氏大肠杆菌0/250mL肠道球菌0/250mL铜绿假单胞菌0/250mL细菌总数(22℃)100/mL细菌总数(37℃)20/mLB 化学物质参数指标 指标值 单位 备注 丙烯酰胺0.10μg/L注1锑 5.0μg/L砷10μg/L苯10μg/L苯并(a)芘0.010μg/L硼 1.0μg/L溴化物10μg/L注2镉 5.0μg/L铬50μg/L铜 2.0mg/L注3氰化物50μg/L1,2-二氯乙烷 3.0μg/L环氧氯丙烷0.10μg/L注1氟化物 1.5μg/L铅10μg/L注3和4汞 1.0μg/L镍20μg/L注3硝酸盐50μg/L注5亚硝酸盐0.50μg/L注5农药0.10μg/L注6和7农药(总)0.50μg/L注6和8多环芳烃0.10μg/L 特殊化合物的总浓度注9硒10μg/L四氯乙烯和三氯乙烯10μg/L 特殊指标的总浓度三卤甲烷(总)100μg/L 特殊化合物的总浓度注10氯乙烯0.50μg/L注1注:1.参数值是指水中的剩余单体浓度,并根据聚合体与水接触后所释放出的最大浓度计;2.如果没有更好的消毒方法,在可能的情况下,成员国应尽力降低该值。
3.该值适用于由用户水龙头处所取水样,且水样应能代表用户一周用水的平均水质。
成员国必须考虑到可能会影响人体健康的峰值出现情况。
4.该指令生效后5年到15年,铅的参数值为25μg/L。
在达到指令中规定的参数值前,成员国应确保采用适当的方法,尽可能降低水中铅的浓度。
5.成员国应确保[NO3-]/50+[NO2-]/3≤1,方括号中为以mg/L为单位计的NO3-和NO2-浓度。
6.农药是指:有机杀虫剂、有机除草剂、有机杀菌剂、有机杀线虫剂、有机除藻剂、有机杀鼠剂、有机杀粘菌剂和相关产品及其代谢副产物、降解和反应产物。
欧盟饮用水标准欧盟饮用水标准是指欧盟成员国对饮用水质量所规定的标准。
这些标准旨在保护公众免受水污染的危害,并确保饮用水的安全和健康。
欧盟饮用水标准的制定是为了保障公众的生活质量,预防水源污染对人体健康和环境的危害。
首先,欧盟饮用水标准主要包括对水质的物理、化学和微生物指标的要求。
物理指标包括水的颜色、浑浊度和气味等,化学指标包括重金属、有机物和农药等有害物质的含量,微生物指标则包括大肠杆菌和其他致病微生物的检测。
这些指标的严格要求确保了饮用水的质量达到了公共卫生的要求。
其次,欧盟饮用水标准还规定了饮用水的监测和检测要求。
根据标准,饮用水应定期进行监测和检测,以确保水质符合标准要求。
监测和检测的结果应当及时向公众公布,以便公众了解饮用水的质量情况,并采取必要的措施保护自己的健康。
另外,欧盟饮用水标准还对饮用水的处理和消毒提出了要求。
根据标准,饮用水应当经过适当的处理和消毒,以杀灭水中的病原微生物和细菌,确保水质符合标准要求。
这些措施可以有效地保护公众免受水污染的危害。
总的来说,欧盟饮用水标准的制定和执行对保障公众的饮用水安全起到了至关重要的作用。
这些标准的严格要求和监督措施,确保了饮用水的质量达到了公共卫生的要求,保护了公众的健康和生活质量。
同时,这些标准也为欧盟成员国之间的合作和交流提供了基础,促进了饮用水质量的改善和提高。
总之,欧盟饮用水标准的制定和执行对保障公众的饮用水安全起到了至关重要的作用。
这些标准的严格要求和监督措施,确保了饮用水的质量达到了公共卫生的要求,保护了公众的健康和生活质量。
同时,这些标准也为欧盟成员国之间的合作和交流提供了基础,促进了饮用水质量的改善和提高。
欧盟饮用水标准的制定和执行是保障公众健康和生活质量的重要举措,也是欧盟成员国合作和交流的重要基础。
欧盟饮用水水质标准欧盟饮用水水质标准是指欧盟对于饮用水质量所制定的一系列标准和要求。
这些标准旨在保障欧盟公民的饮用水安全,防止水质污染对人体健康造成危害。
欧盟饮用水水质标准的制定是经过长期的科学研究和实践经验总结而来,是对饮用水质量的严格监管和保障。
首先,欧盟饮用水水质标准对水源的选择和保护提出了严格要求。
根据标准,饮用水的水源必须是经过严格筛选和检测的地下水或表面水,且必须在水源周围建立保护区,以防止水源受到污染。
这一举措有效地保障了饮用水的起始质量,为后续的处理和供应奠定了基础。
其次,欧盟饮用水水质标准对水处理和供应环节也有详细的规定。
在水处理过程中,必须采用先进的水处理技术,确保水中的有害物质被有效去除,同时保留水中的有益矿物质。
供水管道和设施必须定期维护和清洁,以保证水质在输送过程中不受到二次污染。
此外,欧盟饮用水水质标准对饮用水中的化学物质和微生物也有详细的监测要求。
标准规定了饮用水中各种化学物质的允许浓度和微生物的标准值,确保饮用水不含有害物质,且微生物数量符合卫生标准。
这些严格的监测要求有效地保障了饮用水的安全性。
最后,欧盟饮用水水质标准对饮用水的监测和管理也有详细规定。
标准要求各成员国建立健全的饮用水监测体系,定期对饮用水进行抽检和监测,并及时公布监测结果。
同时,各成员国还需建立完善的饮用水管理制度,确保饮用水的质量得到有效控制和管理。
综上所述,欧盟饮用水水质标准的制定和实施是为了保障欧盟公民的饮用水安全。
这些标准的严格执行有效地保护了饮用水的质量,为公民的健康提供了可靠的保障。
同时,这些标准也为欧盟成员国在饮用水管理方面提供了统一的依据,促进了欧盟内部的合作与交流。
欧盟饮用水水质标准的实施将继续为欧盟公民的生活健康和安全作出贡献。
欧洲饮用水水质标准
欧洲饮用水水质标准是指欧盟和欧洲各国对饮用水质量所规定的标准和要求。
这些标准旨在保护公众健康,确保饮用水的安全和卫生。
欧洲饮用水水质标准涵盖了一系列参数和指标,包括微生物、化学物质、放射性物质和感官特性等方面,以确保饮用水符合健康和环境的要求。
首先,微生物是评估饮用水安全的重要指标之一。
微生物污染可能导致水源受
到细菌、病毒和寄生虫的污染,因此欧洲饮用水水质标准对大肠杆菌、肠球菌等微生物的含量进行了严格的限制。
此外,化学物质也是关注的重点之一。
欧洲饮用水水质标准规定了多种化学物质的最大容许浓度,如重金属、农药残留物、有机物等,以确保饮用水不含有害化学物质。
另外,放射性物质也是欧洲饮用水水质标准所关注的内容之一。
放射性物质可
能存在于地下水或水源中,欧洲饮用水水质标准规定了放射性核素的最大容许浓度,以保护公众免受放射性污染的危害。
此外,感官特性也是饮用水质量评价的重要指标之一,欧洲饮用水水质标准对水的味道、气味、色度等感官特性进行了要求,以确保饮用水的外观、气味和口感符合卫生标准。
总的来说,欧洲饮用水水质标准通过对微生物、化学物质、放射性物质和感官
特性等方面的要求,确保了饮用水的安全和卫生。
这些标准不仅保护了公众健康,也促进了水资源的可持续利用和保护。
因此,各国应当严格执行这些标准,确保饮用水的质量符合欧洲饮用水水质标准的要求,保障公众健康和环境的可持续发展。
《欧盟饮用水水质指令》A.微生物学参数以下指标用于瓶装或桶装饮用水:B.化学物质参数注:1.参数值是指水中的剩余单体浓度,并根据相应聚合体与水接触后所能释放出的最大量计算得;2.如果可能,在不影响消毒效果的前提下,成员国应尽力降低该值.3.该值适用于由用户水嘴处所取水样,且水样应能代表用户一周用水的平均水质.成员国必须考虑到可能会影响人体健康的峰值出现情况.4.该指令生效后5-15年,铅的参数值为25µg/L.5.成员国应确保[硝酸根浓度]/50+[亚硝酸根浓度]/3≤1,方括号中为以mg/L为单位计的硝酸根和亚硝酸根浓度,且出厂水亚硝酸盐含量要小于0.1mg/L.6.农药是指:有机杀虫剂、有机除草剂、有机杀菌剂、有机杀线虫剂、有机杀螨剂、有机除藻剂、有机杀鼠剂、有机杀粘菌和相关产品及其代谢副产物、降解和反应产物.7.参数值适用于每种农药.对艾氏剂、狄氏剂、七氯和环氧七氯,参数值为0.030µg/L.8.农药总量是指所有能检测出和定量的单项农药的总和。
9.具体的化合物包括:苯并[b]呋喃、苯并[k]呋喃、苯并[g,h,i]芘、茚并[1,2,,-cd]芘10.如果可能,在不影响消毒效果的前提下,成员国应尽力降低下列化合物值:氯仿、溴仿、二溴一氯甲烷和一溴二氯甲烷该指令生效后5-15年,总三卤甲烷的参数值为150µg/L.C.指示参数注:1.不应具有腐蚀性。
2.如果原水不是来自地表水或没有受地表水影响,则不需要测定该参数。
3.若为瓶装或桶装的静止水,最小值可降至4.5pH单位,若为瓶装或桶装水,因其天然富含或人工充入二氧化碳,最小值可降至更低。
4.如果测定TOC参数值,则不需要测定该值。
5.对瓶装或桶装的水,单位为个/250mL。
6.对于供水量小于是10000m3/d的水厂,不需要测定该值。
7.对地表水处理厂,成员国应尽力保证出厂水的浊度不超过1.0NTU。
注:译自Council Directive 98/83/EC on the Quality of Water Intended for Human Consumption</P< p>。
欧盟饮用水标准
欧盟饮用水标准是指欧洲联盟对饮用水质量所规定的标准和要求。
这些标准是为了确保欧盟成员国的公民能够安全饮用水,保护他们的健康和福祉。
欧盟饮用水标准包括了对水质的各项指标和限值要求,以及对水源、水处理和供水系统的要求。
这些标准对于保障饮用水的安全和质量起着至关重要的作用。
首先,欧盟饮用水标准对水质的各项指标和限值做出了明确规定。
其中包括对重金属、有机物质、微生物和放射性物质等的限值要求。
例如,对于重金属铅的限值为0.01毫克/升,而对于放射性核素的限值也有详细规定。
这些限值的设定是基于对人体健康的保护考虑,确保饮用水中不含有对人体有害的物质。
其次,欧盟饮用水标准还对水源、水处理和供水系统提出了一系列要求。
对于水源的保护和管理,欧盟规定了一些措施,以确保水源的清洁和安全。
对于水处理和供水系统,也有一系列的要求,包括对水处理工艺的要求、水质监测和管网管理等方面的规定。
这些要求是为了确保从水源到用户家中的每一个环节都能够保证水质的安全和卫生。
总体来说,欧盟饮用水标准是为了保障公民的饮用水安全和健康而制定的一系列规定和要求。
这些标准的制定和实施,对于保护人们的健康和福祉具有重要意义。
同时,这些标准也为水处理厂和供水系统的管理提供了具体的指导,有助于提高整个供水系统的运行效率和水质管理水平。
因此,各个成员国都应该严格遵守这些标准,确保饮用水的安全和卫生。
欧盟水质标准欧盟在保护环境和人类健康方面一直发挥着重要的作用。
其中之一就是制定水质标准以确保欧盟境内的水质安全。
欧盟水质标准是对水质的一系列要求和限制,旨在保护水资源,防止水污染对环境和人体健康造成的损害。
本文将介绍欧盟水质标准的概述、制定过程以及标准的实施情况。
概述欧盟水质标准是根据欧洲议会和欧洲委员会制定的法律文件,适用于欧盟境内的水体和供水系统。
这些标准旨在确保水质满足人体健康和环境需求,包括饮用水、水体生态系统的保护以及农业和工业的用水。
欧盟水质标准主要包括以下几个方面:1.饮用水质量标准:这是保护人体健康最重要的水质标准。
根据欧洲委员会的指令,饮用水中的化学物质和微生物必须控制在安全的水平,以确保人们饮用水时不会遭受健康威胁。
2.水体生态系统标准:这些标准旨在保护河流、湖泊和海洋的生态系统,以维护物种多样性和生态平衡。
根据欧洲委员会的指令,水体必须具备适合不同生物种群生存和繁殖的水质条件。
3.农业和工业用水标准:这些标准是为了确保农业和工业生产过程中使用的水不会对环境和人体健康造成负面影响。
标准规定了使用水的质量限制和排放要求,以控制水污染。
制定过程欧盟水质标准的制定是一个复杂的过程,通常涉及欧洲委员会、欧洲议会、成员国政府和相关利益相关者的参与。
制定过程可以概括为以下几个步骤:1.建立科学依据:欧洲委员会会收集和评估大量的科学研究和数据,以了解不同污染物对水体和人体健康的影响。
这些科学依据是制定水质标准的基础。
2.制定指令和法规:基于科学依据,欧洲委员会会起草水质标准的指令和法规。
这些文件经过欧洲议会和成员国政府的审议和投票,最终成为法律文件。
3.实施和监督:欧盟会监督成员国是否按照标准要求进行实施,并采取必要的措施来纠正任何违规行为。
这包括定期检查和报告水质数据以确保达到标准要求。
在制定过程中,欧盟还会与各个利益相关者进行广泛的磋商和合作,包括公众、行业协会和环境保护组织。
标准的实施情况欧盟对水质标准的实施情况进行了定期的检查和评估。
饮用水铅和镉标准简介饮用水中的铅和镉含量对人体健康有着极大的影响,因此需要制定相应的标准来规范水质。
以下是关于饮用水铅和镉标准的详细解释:一、饮用水铅标准1.世界卫生组织(WHO)规定饮用水含铅量不得超过10微克/升(0.01毫克/升)。
2.美国环保局(EPA)规定饮用水含铅量不得超过15微克/升(0.015毫克/升)。
3.欧盟(EU)规定饮用水含铅量不得超过10微克/升(0.01毫克/升)。
4.中国规定饮用水含铅量不得超过1微克/升(0.001毫克/升)。
这些标准制定的依据是科学研究结果,即铅对人体的危害程度与摄入量有关,且铅在水中含量极低,但长期饮用高铅水会对人体造成危害,如影响神经系统、免疫系统、心血管系统等。
为了确保饮用水安全,各国政府和国际组织制定了严格的标准和规定,要求供水企业和个人遵守相关规定,确保饮用水中铅含量符合标准。
二、饮用水镉标准1.世界卫生组织(WHO)规定饮用水含镉量不得超过2微克/升(0.002毫克/升)。
2.美国环保局(EPA)规定饮用水含镉量不得超过5微克/升(0.005毫克/升)。
3.欧盟(EU)规定饮用水含镉量不得超过2微克/升(0.002毫克/升)。
4.中国规定饮用水含镉量不得超过1微克/升(0.001毫克/升)。
这些标准制定的依据与饮用水铅标准相似,即镉对人体的危害程度与摄入量有关。
长期饮用高镉水会导致人体受到镉中毒,主要症状包括肾脏损伤、肺部疾病、骨骼疾病等。
为了确保饮用水安全,各国政府和国际组织制定了严格的标准和规定,要求供水企业和个人遵守相关规定,确保饮用水中镉含量符合标准。
三、标准制定的科学依据1.科学评估:各国政府和国际组织在进行饮用水标准制定时,会参考大量的科学研究结果。
这些研究包括对水中铅和镉的来源、迁移、转化等方面的研究,以及对人体摄入铅和镉后的健康影响研究。
通过对这些研究成果的综合评估,可以确定对人体健康危害的可接受程度,进而制定出相应的标准。
欧盟饮用水标准
欧盟饮用水标准是指欧洲联盟对饮用水质量所规定的标准要求,旨在保障公众饮用水的安全和健康。
欧盟饮用水标准是根据科学研
究和风险评估制定的,涵盖了多种物质的限量要求和水质指标。
这
些标准的制定旨在保护公众免受水质污染的危害,确保饮用水的质
量符合健康和环境的要求。
首先,欧盟饮用水标准对饮用水中的化学物质、微生物和放射
性元素等进行了严格的限量要求。
其中,对于重金属、有机污染物、细菌和病毒等有害物质,欧盟饮用水标准规定了严格的限量要求,
确保饮用水中这些物质的含量不会对人体健康造成危害。
此外,对
于放射性元素的限量要求也是欧盟饮用水标准的重要内容之一,以
确保饮用水中放射性元素的含量不会超出安全范围。
其次,欧盟饮用水标准还规定了饮用水的物理和化学指标,包
括水的透明度、颜色、气味、味道、pH值、溶解氧含量等。
这些指
标旨在评估饮用水的外观和基本性质,确保饮用水的清洁、透明和
无异味,符合人们对饮用水质量的基本要求。
此外,欧盟饮用水标准还规定了饮用水的监测和检测要求,要
求成员国建立健全的饮用水监测体系,对饮用水进行定期监测和检测,及时发现并解决饮用水质量问题,保障公众饮用水的安全和健康。
总的来说,欧盟饮用水标准是欧盟成员国保障公众饮用水安全和健康的重要法律法规,对饮用水的质量和卫生安全提出了严格要求,确保公众饮用水的质量符合健康和环境的要求。
欧盟饮用水标准的制定和执行,对于维护公众健康、促进社会和经济的可持续发展具有重要意义。