施工现场消防隐患排查表
- 格式:doc
- 大小:32.00 KB
- 文档页数:2
生命至上,隐患必除'消防安全隐患整治
排查检查登记表
注:1、场所类别根据实际填写大型商业综合体及商场市场、宾馆饭店、劳动密集型企业、公共娱乐场所、施工工地、学校、医院、养老机构、党政机关办公用房、地铁、人防工程、危险化学品企业、文物古建筑及博物馆、粮食和物资储备场所、机场、儿童福利院、室内冰雪活动场所、剧本娱乐场所,以及分租、转租形成"园中园""厂中厂"劳动密集型企业,集餐饮、文化、体育等多业态多功能于一体的合用场所,老旧商住楼;
2、此登记表采用A4纸打印,由行业部门填写排查内容,一式2份,1份行业主管部门留存,1份报当地消防安全委员会办公室。
2024年施工现场安全隐患排查治理检查表1:安全生产责任制:(1)项目各岗位安全生产责任制已建立(2)履行责任制交底签字手续(3)制定对责任制的考核奖惩制度或办法(4)有考核记录2:安全操作规程:(1)项目部制定各工种或各分部工程安全技术操作规程(2)操作规程在作业部位进行悬挂3:目标管理:(1)制定了安全及文明施工与环境保护管理目标(2)并对目标进行有效分解4:施工组织设计:(1)在施工组织设计中有针对工程特点的安全技术措施(2)对专业性强、危险性大的作业项目编制了专项施工方案(3)编制了应急救援预案(4)履行编制、审核、批准的程序,并经总监理工程师签字认可5:安全技术交底:(1)作业人员进场综合安全技术交底(2)在施工方案的基础上进行安全技术交底(3)对操作者的安全注意事项进行安全技术交底,交底要有针对性,双方签字确认6:安全检查:(1)制定定期安全检查制度(2)按定期安全检查制度的时间和内容进行安全检查并进行记录(3)对检查出的隐患制定措施,定人定时进行有效整改,并记录7:安全教育:(1)建立三级安全教育卡,并按现场人员名册填写(2)经常性安全教育情况(3)各工种及变换工种的安全操作技能等安全教育情况8:班组活动:(1)分班组的安全活动记录9:持证上岗:(1)项目经理、安全员持安全生产知识考核合格情况,安全员的配备符合要求(2)特种作业人员名册及与之对应的上岗证复印件,特种作业人员无过期情况。
其他操作工由企业培训发证上岗建立档案。
10:工伤事故:(1)建立伤事故档案,填写《伤亡事故月报表》,发生伤亡事故的按规定上报11:安全标志:(1)按平面布置安全标志(2)安全文明施工实施细则履行了审批手续(3)安全标志有专人维护与管理12:应急救援预案建立及演练:(1)应急救援预案有编制审核批准手续(2)应急救援预案内明确组织机构通讯方式、物资设备等(3)应急救援预案在现场显著位公示(4)演练情况2024年施工现场安全隐患排查治理检查表(二)一、基本信息1. 项目名称:2. 施工地点:3. 施工单位:4. 工程规模:5. 检查日期:二、现场管理1. 现场管理人员是否按要求进行岗前培训并持证上岗?2. 现场是否设置专职安全管理人员?3. 安全生产管理制度是否完备并公示在明显位置?4. 现场是否设置了“三同时”验收标志?5. 是否按要求保留了重点工序、重大危险源、特种工种安全技术措施批准手续?三、施工现场环境1. 施工现场周边是否存在噪音、扬尘、有害气体等污染?2. 施工面是否存在塌方、坍塌、滑坡等地质灾害隐患?3. 施工现场是否有明确的道路、安全出入口和安全通道?4. 施工现场是否设置了合适的防护设施,如防护网、防护栏等?5. 施工现场是否有明确的防火、防雷等措施,并设置相应的消防设备?四、施工作业安全1. 吊装作业是否按照相关规定进行,吊装机械是否合格并进行定期检查?2. 施工现场是否存在电气设备安全隐患,如线路老化、漏电现象等?3. 施工现场是否存在高空坠落、触电、机械伤害等风险,并进行相应的安全措施?4. 施工人员是否佩戴必要的个人防护用品,并进行定期检查和更换?5. 施工机械设备是否经过合格验收并进行定期维护保养?五、消防安全1. 施工现场是否设置了合适的消防器材,并保证其完好有效?2. 施工现场是否设置了明显的消防安全标识和逃生指示标志?3. 施工现场是否有消防安全演练计划,并对施工人员进行定期培训?4. 施工现场是否存在易燃易爆物品的存储和使用偏差,是否存在违规施工现象?六、安全教育培训1. 施工现场的工人是否在进场前接受了必要的安全教育培训?2. 施工现场是否定期组织安全教育培训,是否有相应的教育培训记录?3. 施工现场是否设有安全警示标语、宣传栏,并保持良好的效果?4. 施工现场是否建立了安全意识和责任感的培养机制?七、其他安全隐患1. 施工现场是否存在乱堆乱放、物料滞留问题?2. 施工现场是否存在未设置安全警戒线、标志和围挡的情况?3. 施工现场是否存在施工高处安全措施不到位的问题?4. 施工现场是否存在各类消防通道和安全通道被堵塞的情况?5. 施工现场是否存在违规操作、交通秩序混乱等问题?八、整改措施1. 针对发现的安全隐患,制定整改措施和时限,并明确责任人。
工地消防安全自查自纠检查表一、基本情况工地名称:项目地址:责任单位/个人:检查日期:二、消防设施1. 消防设备是否齐全、有效,并有专人负责维护和管理?2. 灭火器、灭火栓是否摆放在明显位置,并能够使用?3. 消防通道是否畅通无阻,有无堆放杂物、私拉乱接电线等情况?4. 是否配备疏散指示标志和应急照明设备,并是否完好有效?5. 有无明火作业现象,是否存在易燃易爆物品存放不规范的情况?三、电气设施1. 电气线路是否完好,有无漏电、短路及电线老化现象?2. 是否存在乱拉乱接电线,私拉乱接电源等违规使用现象?3. 电气设备是否定期进行巡检,是否存在未按规定进行维护和保养的情况?4. 高压线与低压线之间是否安装了隔离设施,避免相互干扰?四、疏散通道1. 疏散通道是否保持畅通,无杂物堆放和阻挡?2. 防火门、疏散门是否处于正常工作状态,关键位置是否有导向标识?3. 疏散通道是否有应急照明设备,并能正常工作?五、火灾隐患1. 建筑施工过程中是否存在明火作业?是否采取相应的防护措施?2. 有无违规使用明火、火种的情况?3. 有无未及时清理施工现场的可燃物,如木屑、胶带等?4. 储存的易燃易爆材料是否按规定分类存放、定期检查并做好防火措施?六、消防培训1. 工地人员是否接受过消防安全培训,是否存在培训记录?2. 消防设备使用方法是否明确,并有专人负责指导和操作?3. 是否定期组织消防演练,提高人员的火灾应急处置能力?七、自我评估请根据以上检查内容,自我评估工地消防安全状况,并提出改进意见或整改计划:改进意见/整改计划:八、检查人员签名:日期:以上是工地消防安全自查自纠检查表,通过检查并根据改进意见,可以全面了解工地消防安全的现状,并制定相应的整改计划,确保施工现场的消防安全,预防火灾事故的发生。
同时,每个工地都应定期进行自查自纠,不断提升安全意识和应急处置能力,为保障参建人员的生命财产安全提供有效的保障。
施工现场消防隐患排查表一、防火安全管理1、签订《消防安全责任书》,明确消防责任:□是□否2、是否制定施工现场防火安全管理制度和防火安全岗位职责:□符合□不符合3、是否成立施工现场防火安全管理领导小组及义务消防队:□是□否4、是否制定防火安全措施费用提取计划,建立防火安全措施费用专款专用台账:□是□否5、在建设工程开工前,是否制定施工现场防火安全措施及消防设施平面布置图:□是□否6、是否编制防火应急救援预案:□是□否7、施工现场显要位置张挂防火警示标志:□是□否8、是否定期组织消防应急救援演练,并有演练记录资料:□是□否9、是否定期对施工现场管理人员和作业人员进行防火安全生产教育培训,并有教育培训记录资料:□是□否10、是否定期检查施工现场生活区、办公区、作业区的防火安全措施、设施和器材的完好状况,并有检查记录资料:□是□否11、是否建立灭火器材管理档案(包括灭火器材类型、数量、进场时间、配备部位、编号、换药日期等),并有记录资料:□是□否12、施工现场涉及电焊气作业等动火情况的,是否有进行三级动火申请审批,并有三级动火申请审批资料:□是□否13、检查项目部施工现场电焊、气焊等作业人员是否持有效特种:□是□否14、电消防用电设备采用单独供电回路:□有□无15、气线路敷设需穿管,照明线路与应急线路分别设置:□有□无15、施工现场吸烟和明火照明现象:□有□无17、作业资格证上岗,并按照相关操作规程进行施工实行专业分包或劳务分包的,分包施工合同中是否明确防火安全管理范围、防火安全责任:□是□否二、防火安全措施1、施工现场是否按规定设置环形且不小于4m临时消防车道或回龙场:□是□否2、施工现场是否按规定设置临时消防给水系统(包括消防水源或消防水池、加压水泵、消防立管、消火栓等):□是□否3、加压水泵的扬程是否满足建筑物高度要求:□是□否4、加压水泵电源是否采用专用供电回路,电源控制箱是否靠近值班室,值班室应有专人值班:□是□否5、施工现场是否按规定设置消防水池(有效容积能够满足需要):□是□否6、施工现场是否按规定设置消防立管(应选用镀锌钢管):□是□否7、建筑物每层是否按规定设有消火栓,每支水枪的有效射程是否满足要求:□是□否8、施工现场大门入口处或作业区是否设置相关灭火器材和消防安全警示标志:□是□否9、在高处实施电、气焊切割作业时,是否对作业周边和下方实施防护遮挡,焊渣应有容器接装(查是否有焊渣接装容器):□是□否10、高空作业是否使用合格的阻燃式密目式安全网:□是□否11、施工现场易燃易爆物品存放是否符合要求:□是□否12、是否明确划分出易燃易爆物品仓库区和禁火作业区:□是□否13、施工现场产生的刨花、锯沫、油漆下脚料等易燃、可燃材料是否按规定及时处理:□是□否14、作业层动火处、办公区、临时宿舍、食堂、仓库等防火部位,是否按每100平方米配备2个10升的灭火器:□是□否15、工人宿舍是否存在私拉乱接电线,使用大功率电器,安装影响逃生的铁窗、铁栅栏问题:□是□否16、工地食堂的防火措施是否符合要求:□是□否17、生活照明是否采用安全电压:□是□否18、临时木工场、油漆间、配电室等防火部位,是否按每25平方米配备1个种类合适的灭火器:□是□否19、施工现场作业区、生活区、仓库是否明显划分:□是□否20、检查施工现场电气线路的安全管理以及电气设备检修、维护情况是否符合有关要求:□是□否21、制定灭火预案、应急疏散方案:□是□否22、防火安全巡查记录:□有□无23、定期演练:□是□否备注:。
消防系统隐患排查表一、消防安全管理序号排查内容排查依据排查频次检查结果是否符合存在问题按照国家工程建筑消防技术标准进行消防设计的新建、改扩建的建设工程应通过公安消防机构的消防验收;未经验收或者经验不合格的,不得投入使用。
消防法,第十三条生产、储存易燃易爆危险品的大型企业,应当建立单位专职消防队,承担本单位的火灾扑救工作。
消防法,第三十九条1危险化学品企业应当履行下列消防安全职责:1、落实消防安全责任制,制定本单位的消防安全制度、消防安全操作规程,制定灭火及应急疏散预案;2、按照国家标准、行业标准配置消防设施、器材,设置消防安全标志,并定期组织检验、维修,确保完好有效;3、对建筑消防设施每年至少进行一次全面检测,确保完好有效,检测记录应当完整准确,存档备查;4、保障疏散通道、安全出口、消防车通道畅通,保证防火防烟分区、防火间距符合消防技术标准;5、组织防火检查,及时消除火灾隐患;6、组织进行有针对性的消防演练;7、法律、法规规定的其他消防安全职责。
单位的主要负责人是本单位的消防安全责任人消防法,第十六条2发生火灾可能性较大以及发生火灾可能造成重大的人身伤亡或者财产损失的单位,应当履行下列消防安全职责:1、确定消防安全管理人,组织实施本单位的消防安全管理工作;2、建立消防档案,确定消防安全重点部位,设置防火标志,实施严格管理;3、实行每日防火巡查,并建立巡查记录;4、对职工进行岗前消防安全培训,定期组织消防安全培训和消防演练。
二、消防设施与器材1、危险化学品企业消防站及消防车的设置应根据企业的规模、火灾危险性、固定消防设施的设置情况,以及邻近单位消防协作条件等因素确定。
2、陆上油气田工程、管道站场工程和海洋油气田陆上终端工程消防站及消防车的设置应符合《石油天然气工程设计防火规范》GB50183-2004的规定;3、石油化工企业消防站及消防车的设置应符合《石油化工企业设计防火规范》GB20160-2008的规定;4、石油库消防站及消防车的设置应符合《石油库设计规范》GB50074-2002的规定;消防站、专职消防人员定员应符合《城市消防站建设标准》的规定,平均每辆车不少于6人。
建筑工地火灾隐患专项检查记录表概要这是一份建筑工地火灾隐患专项检查记录表。
本表格旨在帮助监管部门和施工单位识别和解决建筑工地的火灾隐患问题,确保工地安全。
项目信息- 工地名称:- 地址:- 负责人:- 检查日期:火灾隐患检查内容1. 火源和易燃物管理- 仓库内的易燃物品是否分类存放,并按规定进行标识和储存?- 火源附近是否有易燃物?- 消防器材摆放是否合理,易取易用?2. 电气设备和用电安全- 电缆线隧道是否整齐,有没有裸露导线?- 电气线路和设备是否有漏电、过载等问题?- 用电设备是否有防火措施?3. 消防器材和防火设施- 消防栓和灭火器是否正常工作?- 应急疏散通道是否畅通无阻?- 疏散标识是否清晰可见?4. 施工现场布局- 施工材料和设备是否整齐摆放?- 施工现场是否有杂物乱堆乱放?- 临时用电线路是否牢固?检查结果(请在以下空白处打勾)1. 火源和易燃物管理- [ ] 合格- [ ] 不合格2. 电气设备和用电安全- [ ] 合格- [ ] 不合格3. 消防器材和防火设施- [ ] 合格- [ ] 不合格4. 施工现场布局- [ ] 合格- [ ] 不合格备注请在下面填写任何其他需要记录的信息。
检查人员- 检查人员姓名:- 联系- 签名:这是一份7002004008007208138008002建筑工地火灾隐患专项检查记录表,用于帮助监管部门和施工单位识别和解决建筑工地的火灾隐患问题,确保工地安全。
记录表中包含了火灾隐患检查的主要内容,如火源和易燃物管理、电气设备和用电安全、消防器材和防火设施、施工现场布局等。
检查结果部分可根据实际情况进行勾选,并留有备注和检查人员信息填写的空白处。
该表格旨在提高工地火灾安全意识,确保施工过程中的火灾隐患得到及时发现和解决。
消防系统隐患排查表一、消防安全治理序号排查内容排查依据依据国家工程建筑消防技术标准进展消防设计的建、改扩建的建消防法,第十三条设工程应通过公安消防机构的消防验收;未阅历收或者阅历不合格的,不得投入使用。
生产、储存易燃易爆危急品的大型企业,应当建立单位专职消防队,消防法,第三十九条担当本单位的火灾扑救工作。
排查频次是否符合检查结果存在问题危急化学品企业应当履行以下消防安全职责:1、落实消防安全责任制,制定本单位的消防安全制度、消防安全操作规程,制定灭火及应急疏散预案;2、依据国家标准、行业标准配置消防设施、器材,设置消防安全标志,并定期组织检验、修理,确保完好有效;3、对建筑消防设施每年至少进展一次全面检测,确保完好有效,1 检测记录应当完整准确,存档备查;4、保障疏散通道、安全出口、消防车通道畅通,保证防火防烟分区、防火间距符合消防技术标准;5、组织防火检查,准时消退火灾隐患;6、组织进展有针对性的消防演练;7、法律、法规规定的其他消防安全职责。
单位的主要负责人是本单位的消防安全责任人消防法,第十六条....二、消防设施与器材1、危急化学品企业消防站及消防车的设置应依据企业的规模、火灾危急性、固定消防设施的设置状况,以及邻近单位消防协作条件等因素确定。
2、陆上油气田工程、管道站场工程和海洋油气田陆上终端工程消防站及消防车的设置应符合《石油自然气工程设计防火标准》GB50183-2023 的规定;3、石油化工企业消防站及消防车的设置应符合《石油化工企业设计防火标准》GB20230-2023 的规定;4、石油库消防站及消防车的设置应符合《石油库设计标准》GB50074-2023 的规定;消防站、专职消防人员定员应符合《城市消防站建设标准》的规定, 平均每辆车不少于 6 人。
消防站通信装备的配置及消防人员防护器材配备品种、数量应符合《城市消防站建设标准》的规定。
消防车辆是否满足一下要求:1、油田企业消防车配备的数量应依据灭火系统设置状况,满足扑2 发生火灾可能性较大以及发生火灾可能造成重大的人身伤亡或者财产损失的单位,应当履行以下消防安全职责:1、确定消防安全治理人,组织实施本单位的消防安全治理工作;2、建立消防档案,确定消防安全重点部位,设置防火标志,实施严格治理;3、实行每日防火巡查,并建立巡查记录;4、对职工进展岗前消防安全培训,定期组织消防安全培训和消防演练。
文明施工隐患排查清单序号项目隐患排查要素参考依据排查方法备注1现场防火未制定消防措施、制度或未配备灭火器材2现场临时设施的材质和选址不符合环保、消防要求3易燃材料随意码放、灭火器材布局、配置不合理或灭火器材失效4未设置消防水源(高层建筑)或不能满足消防要求5未办理动火审批手续或无动火监护人员6未制定消防措施、制度或未配备灭火器材7生活设施食堂与厕所、垃圾站、有毒有害场所距离较近8食堂未办理卫生许可证或未办理炊事人员健康证9食堂使用的燃气罐未单独设置存放间或存放间通风条件不好扣件式钢管脚手架隐患排查清单序号项目隐患排查要素参考依据排查方法备注1施工方案架体搭设未编制施工方案或搭设高度超过24m未编制专项施工方案2架体搭设高度超过24m,未进行设计计算或未按规定审核、审批3架体搭设高度超过50米,专项施工方案未按规定组织专家论证或未按专家论证意见组织实施4施工方案不完整或不能指导施工作业5立杆基础立杆基础不平、不实、不符合方案设计要求6立杆底部底座、垫板或垫板的规格不符合规范要求7未按规范要求设置纵、横向扫地杆8扫地杆的设置和固定不符合规范要求9未设置排水措施10架体与建筑结构拉结架体与建筑结构拉结不符合规范要求11连墙件距主节点距离不符合规范要求12架体底层第一步纵向水平杆处未按规定设置连墙件或未采用其他可靠措施固定13搭设高度超过24m的双排脚手架,未采用刚性连墙件与建筑结构可靠连接14架体与建筑结构拉结不符合规范要求15杆件间距与剪刀撑立杆、纵向水平杆、横向水平杆间距超过规范要求16未按规定设置纵向剪刀撑或横向斜撑17剪刀撑未沿脚手架高度连续设置或角度不符合要求18剪刀撑斜杆的接长或剪刀撑斜杆与架体杆件固定不符合要求19立杆、纵向水平杆、横向水平杆间距超过规范要求20未按规定设置纵向剪刀撑或横向斜撑21剪刀撑未沿脚手架高度连续设置或角度不符合要求22剪刀撑斜杆的接长或剪刀撑斜杆与架体杆件固定不符合要求23脚手板与防护脚手板未满铺或铺设不牢、不稳24脚手板规格或材质不符合要求25探头板栏杆26架体外侧未设置密目式安全网封闭或网间不严27作业层未在高度1.2m和0.6m处设置上、中两道防护栏杆28作业层未设置高度不小于180㎜的挡脚板29交底与验收架体搭设前未进行交底或交底未留有记录30架体分段搭设分段使用未办理分段验收31架体搭设完毕未办理验收手续32未记录量化的验收内容33横向水平杆设置未在立杆与纵向水平杆交点处设置横向水平杆34未按脚手板铺设的需要增加设置横向水平杆35横向水平杆未固定36单排脚手架横向水平杆插入墙内小于18㎝37杆件搭接纵向水平杆搭接长度小于1m或固定不符合要求38立杆除顶层顶步外采用搭接39架体防护作业层未用安全平网双层兜底,且以下每隔10m未用安全平网封闭40作业层与建筑物之间未进行封闭41脚手架材质钢管直径、壁厚、材质不符合要求42钢管弯曲、变形、锈蚀严重43扣件未进行复试或技术性能不符合标准44通道设置人员上下专用通道45通道设置不符合要求悬挑脚手架隐患排查清单序号项目隐患排查要素参考依据排查方法备注1施工方案未编制专项施工方案或未进行设计计算2专项施工方案未经审核、审批或架体搭设高度超过20m未按规定组织进行专家论证3悬挑钢梁钢梁截面高度未按设计确定或载面高度小于160mm4钢梁固定段长度小于悬挑段长度的1.25倍5钢梁外端未设置钢丝绳或钢拉杆与上一层建筑结构拉结6钢梁与建筑结构锚固措施不符合规范要求7钢梁间距未按悬挑架体立杆纵距设置8架体稳定立杆底部与钢梁连接处未设置可靠固定措施9承插式立杆接长未采取螺栓或销钉固定10未在架体外侧设置连续式剪刀撑11未按规定在架体内侧设置横向斜撑12架体未按规定与建筑结构拉结13脚手板脚手板规格、材质不符合要求14脚手板未满铺或铺设不严、不牢、不稳15探头板16荷载架体施工荷载超过设计规定17施工荷载堆放不均匀18交底与验收架体搭设前未进行交底或交底未留有记录19架体分段搭设分段使用,未办理分段验收20架体搭设完毕未保留验收资料或未记录量化的验收内容21杆件间距立杆间距超过规范要求,或立杆底部未固定在钢梁上22纵向水平杆步距超过规范要求23未在立杆与纵向水平杆交点处设置横向水平杆24架体防护作业层外侧未在高度1.2m和0.6m处设置上、中两道防护栏杆25作业层未设置高度不小于180mm的挡脚板26架体外侧未采用密目式安全网封闭或网间不严27层间防护作业层未用安全平网双层兜底,且以下每隔10m未用安全平网封闭28架体底层未进行封闭或封闭不严29脚手架材质型钢、钢管、构配件规格及材质不符合规范要求30型钢、钢管弯曲、变形、锈蚀严重门式脚手架隐患排查清单序项目隐患排查要素参考依据排查方法备注号1施工方案未编制专项施工方案或未进行设计计算2专项施工方案未按规定审核、审批或架体搭设高度超过50m未按规定组织专家论证3架体基础架体基础不平、不实、不符合专项施工方案要求4架体底部未设垫板或垫板底部的规格不符合要求5架体底部未按规范要求设置底座6架体底部未按规范要求设置扫地杆7未设置排水措施8架体稳定未按规定间距与结构拉结9未按规范要求设置剪刀撑10未按规范要求高度做整体加固11架体立杆垂直偏差超过规定12杆件锁件未按说明书规定组装,或漏装杆件、锁件13未按规范要求设置纵向水平加固杆14架体组装不牢或紧固不符合要求15使用的扣件与连接的杆件参数不匹配16脚手板脚手板未满铺或铺设不牢、不稳17脚手板规格或材质不符合要求的18采用钢脚手板时挂钩未挂扣在水平杆上或挂钩未处于锁住状态19交底与验收脚手架搭设前未进行交底或交底未留有记录20脚手架分段搭设分段使用未办理分段验收21脚手架搭设完毕未办理验收手续22未记录量化的验收内容23架体防护作业层脚手架外侧未在1.2m和0.6m高度设置上、中两道防护栏杆24作业层未设置高度不小于180㎜的挡脚板25脚手架外侧未设置密目式安全网封闭或网间不严26作业层未用安全平网双层兜底,且以下每隔10m未用安全平网封闭27材质杆件变形、锈蚀严重28门架局部开焊29构配件的规格、型号、材质或产品质量不符合规范要求30荷载施工荷载超过设计规定31荷载堆放不均匀32通道未设置人员上下专用通道33通道设置不符合要求碗扣式钢管脚手架隐患排查清单序号项目隐患排查要素参考依据排查方法备注1施工方案未编制专项方式或未进行设计计算2专项施工方案未按规定审核、审批或架体高度超过50m未按规定组织专家论证3架体基础未编制专项施工方案或未进行设计计算4架体基础不平、不实,不符合专项施工方案要求5架体底部未设置垫板或垫板的规格不符合要求6架体底部未按规范要求设置底座7架体底部未按规范要求设置扫地杆8未设置排水措施9架体架体与建筑结构未按规范要求拉结稳定10架体底层第一步水平杆处未按规范要求设置连墙件或未采用其它可靠措施固定11连墙件未采用刚性杆件12未按规范要求设置竖向专用斜杆或八字形斜撑13竖向专用斜杆两端未固定在纵、横向水平杆与立杆汇交的碗扣结点处14竖向专用斜杆或八字形斜撑未沿脚手架高度连续设置或角度不符合要求15杆件锁件立杆间距、水平杆步距超过规范要求16未按专项施工方案设计的步距在立杆连接碗扣结点处设置纵、横向水平杆17架体搭设高度超过24m时,顶部24m以下的连墙件层未按规定设置水平斜杆18架体组装不牢或上碗扣紧固不符合要求19脚手板脚手板未满铺或铺设不牢、不稳20脚手板规格或材质不符合要求21采用钢脚手板时挂钩未挂扣在横向水平杆上或挂钩未处于锁住状态22交底与验收架体搭设前未进行交底或交底未留有记录23架体分段搭设分段使用未办理分段验收24架体搭设完毕未办理验收手续25未记录量化的验收内容26架体防护架体外侧未设置密目式安全网封闭或网间不严27作业层未在外侧立杆的1.2m和0.6m的碗扣结点设置上、中两道防护栏杆28作业层外侧未设置高度不小于180㎜的挡脚板29作业层未用安全平网双层兜底,且以下每隔10m未用安全平网封闭30材质杆件弯曲、变形、锈蚀严重31钢管、构配件的规格、型号、材质或产品质量不符合规范要求32荷载施工荷载超过设计规定33荷载堆放不均匀34通道未设置人员上下专用通道35通道设置不符合要求附着式钢管脚手架隐患排查清单序号项目隐患排查要素参考依据排查方法备注1施工方案未编制专项施工方案或未进行设计计算2专项施工方案未按规定审核、审批3脚手架提升高度超过150m,专项施工方案未按规定组织专家论证4安全装置未采用机械式的全自动防坠落装置或技术性能不符合规范要求5防坠落装置与升降设备未分别独立固定在建筑结构处6防坠落装置未设置在竖向主框架处与建筑结构附着7未安装防倾覆装置或防倾覆装置不符合规范要求8在升降或使用工况下,最上和最下两个防倾装置之间的最小间距不符合规范要求9未安装同步控制或荷载控制装置10同步控制或荷载控制误差不符合规范要求11架体构造架体高度大于5倍楼层高12架体宽度大于1.2m13直线布置的架体支承跨度大于7m,或折线、曲线布置的架体支撑跨度的架体外侧距离大于5.4m14架体的水平悬挑长度大于2m或水平悬挑长度未大于2m但大于跨度1/215架体悬臂高度大于架体高度2/5或悬臂高度大于6m16架体全高与支撑跨度的乘积大于110㎡17附着支座未按竖向主框架所覆盖的每个楼层设置一道附着支座18在使用工况时,未将竖向主框架与附着支座固定19在升降工况时,未将防倾、导向的结构装置设置在附着支座处20附着支座与建筑结构连接固定方式不符合规范要求21架体安装主框架和水平支撑桁架的结点未采用焊接或螺栓连接或各杆件轴线未交汇于主节点22内外两片水平支承桁架的上弦和下弦之间设置的水平支撑杆件未采用焊接或螺栓连接23架体立杆底端未设置在水平支撑桁架上弦各杆件汇交结点处24与墙面垂直的定型竖向主框架组装高度低于架体高度25架体外立面设置的连续式剪刀撑未将竖向主框架、水平支撑桁架和架体构架连成一体26架体升降两跨以上架体同时整体升降采用手动升降设备27升降工况时附着支座在建筑结构连接处砼强度未达到设计要求或小于C1028升降工况时架体上有施工荷载或有人员停留29检查验收构配件进场未办理验收30分段安装、分段使用未办理分段验收31架体安装完毕未履行验收程序或验收表未经责任人签字32每次提升前未留有具体检查记录33每次提升后、使用前未履行验收手续或资料不全34脚手板脚手板未满铺或铺设不严、不牢35作业层与建筑结构之间空隙封闭不严36脚手板规格、材质不符合要求37防护脚手架外侧未采用密目式安全网封闭或网间不严38作业层未在高度1.2m和0.6m处设置上、中两道防护栏杆39作业层未设置高度不小于180㎜的挡脚板40操作操作前未向有关技术人员和作业人员进行安全技术交底41作业人员未经培训或未定岗定责42安装拆除单位资质不符合要求或特种作业人员未持证上岗43安装、升降、拆除时未采取安全警戒44荷载不均匀或超载承插型盘扣式隐患排查清单序号项目隐患排查要素参考依据排查方法备注1施工方案未编制专项施工方案或搭设高度超过24m未另行专门设计和计算2专项施工方案未按规定审核、审批3架体基础架体基础不平、不实、不符合方案设计要求4架体立杆底部缺少垫板或垫板的规格不符合规范要求5架体立杆底部未按要求设置底座6未按规范要求设置纵、横向扫地杆7未设置排水措施8架体稳定架体与建筑结构未按规范要求拉结9架体底层第一步水平杆处未按规范要求设置连墙件或未采用其它可靠措施固定10连墙件未采用刚性杆件11未按规范要求设置竖向斜杆或剪刀撑12竖向斜杆两端未固定在纵、横向水平杆与立杆汇交的盘扣结点处13斜杆或剪刀撑未沿脚手架高度连续设置或角度不符合要求14杆件架体立杆间距、水平杆步距超过规范要求15未按专项施工方案设计的步距在立杆连接盘处设置纵、横向水平杆16双排脚手架的每步水平杆层,当无挂扣钢脚手板时未按规范要求设置水平斜杆17脚手板脚手板不满铺或铺设不牢、不稳18脚手板规格或材质不符合要求19采用钢脚手板时挂钩未挂扣在水平杆上或挂钩未处于锁住状态20交底与验收脚手架搭设前未进行交底或未留有交底记录21脚手架分段搭设分段使用未办理分段验收22脚手架搭设完毕未办理验收手续23未记录量化的验收内容24架体防护架体外侧未设置密目式安全网封闭或网间不严25作业层未在外侧立杆的1m和0.5m 的盘扣节点处设置上、中两道水平防护栏杆26作业层外侧未设置高度不小于180㎜的挡脚板27杆件接长立杆竖向接长位置不符合要求28搭设悬挑脚手架时,立杆的承插接长部位未采用螺栓作为立杆连接件固定29剪刀撑的斜杆接长不符合要求30架体内封闭作业层未用安全平网双层兜底,且以下每隔10m 未用安全平网封闭31作业层与主体结构间的空隙未封闭32材质钢管、构配件的规格、型号、材质或产品质量不符合规范要求33钢管弯曲、变形、锈蚀严重34通道未设置人员上下专用通道35通道设置不符合要求满堂式脚手架隐患排查清单序号项目隐患排查要素参考依据排查方法备注1施工方案未编制专项施工方案或未进行设计计算2专项施工方案未按规定审核、审批3架体基础架体基础不平、不实、不符合专项施工方案要求4架体底部未设置垫木或垫木的规格不符合要求5架体底部未按规范要求设置底座6架体底部未按规范要求设置扫地杆7未设置排水措施8架体稳定架体四周与中间未按规范要求设置竖向剪刀撑或专用斜杆9未按规范要求设置水平剪刀撑或专用水平斜杆10架体高宽比大于2时未按要求采取与结构刚性连结或扩大架体底脚等措施11杆件锁件架体搭设高度超过规范或设计要求12架体立杆间距水平杆步距超过规范要求13杆件接长不符合要求14架体搭设不牢或杆件结点紧固不符合要求15脚手板脚手板不满铺或铺设不牢、不稳16脚手板规格或材质不符合要求17采用钢脚手板时挂钩未挂扣在水平杆上或挂钩未处于锁住状态18交底与验收架体搭设前未进行交底或交底未留有记录19架体分段搭设分段使用未办理分段验收20架体搭设完毕未办理验收手续21未记录量化的验收内容22架体防护作业层脚手架周边,未在高度1.2m和0.6m处设置上、中两道防护栏杆23作业层外侧未设置180mm高挡脚板24作业层未用安全平网双层兜底,且以下每隔10m未用安全平网封闭25材质钢管、构配件的规格、型号、材质或产品质量不符合规范要求26杆件弯曲、变形、锈蚀严重27荷载施工荷载超过设计规定28荷载堆放不均匀29通道未设置人员上下专用通道30通道设置不符合要求高处作业与吊篮隐患排查清单序号项目隐患排查要素参考依据排查方法备注1施工方案未编制专项施工方案或未对吊篮支架支撑处结构的承载力进行验算2专项施工方案未按规定审核、审批3安全装置未安装安全锁或安全锁失灵4安全锁超过标定期限仍在使用5未设置挂设安全带专用安全绳及安全锁扣,或安全绳未固定在建筑物可靠位置6吊篮未安装上限位装置或限位装置失灵7悬挂机构悬挂机构前支架支撑在建筑物女儿墙上或挑檐边缘8前梁外伸长度不符合产品说明书规定9前支架与支撑面不垂直或脚轮受力10前支架调节杆未固定在上支架与悬挑梁连接的结点处11使用破损的配重件或采用其他替代物12配重件的重量不符合设计规定13钢丝绳钢丝绳磨损、断丝、变形、锈蚀达到报废标准14安全绳规格、型号与工作钢丝绳不相同或未独立悬挂15安全绳不悬垂16利用吊篮进行电焊作业未对钢丝绳采取保护措施17安装使用未经检测或检测不合格的提升机18吊篮平台组装长度不符合规范要求19吊篮组装的构配件不是同一生产厂家的产品20升降操作操作升降人员未经培训合格21吊篮内作业人员数量超过2人22吊篮内作业人员未将安全带使用安全锁扣正确挂置在独立设置的专用安全绳上23吊篮正常使用,人员未从地面进入篮内24交底与验收未履行验收程序或验收表未经责任人签字25每天班前、班后未进行检查26吊篮安装、使用前未进行交底27防护吊篮平台周边的防护栏杆或挡脚板的设置不符合规范要求28多层作业未设置防护顶板29吊篮稳定吊篮作业未采取防摆动措施30吊篮钢丝绳不垂直或吊篮距建筑物空隙过大31荷载施工荷载超过设计规定32荷载堆放不均匀33利用吊篮作为垂直运输设备基坑支护、土方作业隐患排查清单序号项目隐患排查要素参考依据排查方法备注1施工方案深基坑施工未编制支护方案2基坑深度超过5m未编制专项支护设计3开挖深度3m及以上未编制专项方案4开挖深度5m及以上专项方案未经过专家论证5支护设计及土方开挖方案未经审批6施工方案针对性差不能指导施工7临边防护深度超过2m的基坑施工未采取临边防护措施8临边及其它防护不符合要求9基坑支护及支撑拆除坑槽开挖设置安全边坡不符合安全要求10特殊支护的作法不符合设计方案11支护设施已产生局部变形又未采取措施调整12砼支护结构未达到设计强度提前开挖,超挖13支撑拆除没有拆除方案14未按拆除方案施工15用专业方法拆除支撑,施工队伍没有专业资质16基坑降排水高水位地区深基坑内未设置有效降水措施17深基坑边界周围地面未设置排水沟18基坑施工未设置有效排水措施19深基础施工采用坑外降水,未采取防止临近建筑和管线沉降措施20坑边荷载积土、料具堆放距槽边距离小于设计规定21机械设备施工与槽边距离不符合要求且未采取措施22上下通道人员上下未设置专用通道23设置的通道不符合要求24土方开挖施工机械进场未经验收25挖土机作业时,有人员进入挖土机作业半径内26挖土机作业位置不牢、不安全27司机无证作业28未按规定程序挖土或超挖29基坑支护变形监测未按规定进行基坑工程监测30未按规定对毗邻建筑物和重要管线和道路进行沉降观测31作业环境基坑内作业人员缺少安全作业面32垂直作业上下未采取隔离防护措施33光线不足,未设置足够照明模板支架隐患排查清单序号项目隐患排查要素参考依据排查方法备注1施工方案未按规定编制专项施工方案或结构设计未经设计计算2专项施工方案未经审核、审批3超过一定规模的模板支架,专项施工方案未按规定组织专家论证4专项施工方案未明确混凝土浇筑方式5立杆基础立杆基础承载力不符合设计要求6基础未设排水设施7立杆底部未设置底座、垫板或垫板规格不符合规范要求8支架稳定支架高宽比大于规定值时,未按规定要求设置连墙杆9连墙杆设置不符合规范要求10未按规定设置纵、横向及水平剪刀撑11纵、横向及水平剪刀撑设置不符合规范要求12施工荷载施工均布荷载超过规定值13施工荷载不均匀,集中荷载超过规定值14交底与验收支架搭设(拆除)前未进行交底或无交底记录15支架搭设完毕未办理验收手续16验收无量化内容17立杆设置立杆间距不符合设计要求18立杆未采用对接连接19立杆伸出顶层水平杆中心线至支撑点的长度大于规定值20立杆间距不符合设计要求21水平杆设置未按规定设置纵、横向扫地杆或设置不符合规范要求22纵、横向水平杆间距不符合规范要求23纵、横向水平杆件连接不符合规范要求24支架拆除混凝土强度未达到规定值,拆除模板支架25未按规定设置警戒区或未设置专人监护26支架材质杆件弯曲、变形、锈蚀超标27构配件材质不符合规范要求28钢管壁厚不符合要求“三宝、四口”及临边防护隐患排查清单序号项目隐患排查要素参考依据排查方法备注1安全帽作业人员不戴安全帽2作业人员未按规定佩戴安全帽3安全帽不符合标准4安全网在建工程外侧未采用密目式安全网封闭或网间不严5安全网规格、材质不符合要求6安全带作业人员未系挂安全带7作业人员未按规定系挂安全带8安全带不符合标准9临边防护工作面临边无防护10临边防护不严或不符合规范要求11防护设施未形成定型化、工具化12洞口防护在建工程的预留洞口、楼梯口、电梯井口,未采取防护措施13防护措施、设施不符合要求或不严密14防护设施未形成定型化、工具化15电梯井内每隔两层(不大于10m)未按设置安全平网16通道口防护未搭设防护棚或防护不严、不牢固可靠17防护棚两侧未进行防护18防护棚宽度不大于通道口宽度19防护棚长度不符合要求20建筑物高度超过30m,防护棚顶未采用双层防护21防护棚的材质不符合要求22攀登作业移动式梯子的梯脚底部垫高使用23折梯使用未有可靠拉撑装置24梯子的制作质量或材质不符合要求25悬空作业悬空作业处未设置防护栏杆或其他可靠的安全设施26悬空作业所用的索具、吊具、料具等设备,未经过技术鉴定或验。
消防隐患排查记录表范本
消防隐患排查记录表
日期:____________________
地点:____________________
检查人:____________________
序号隐患描述处理措施
负责人完成时间
1 储存易燃物品过量将多余的易燃物品妥善储存并清理张三 20XX年XX月XX 日
2 消防设备损坏联系专业维修人员进行维修李四 20XX年XX月XX日
3 消防通道被堵塞清理通道并设置警示标志
王五 20XX年XX月XX日
4 紧急逃生通道单向通行张贴标志,明确通道使用方式赵六 20XX年XX月XX日
5 灭火器过期失效替换过期灭火器并进行定期检查王五 20XX年XX月XX 日
6 应急照明设备不可用测试和维修应急照明设备,确保正常使用李四 20XX年XX月
XX日
7 消防安全宣传不足开展消防安全培训活动,提高员工意识张三 20XX年XX月
XX日
以上为本次消防隐患排查记录,隐患整改情况如上表所示,各责任人应根据完成时间确保按时处理并填写实际完成时间。
如有新发现的隐患,应立刻整改并详细记录在下次排查表中。
同时,还应严格执行相关消防安全规定,确保员工和财产的安全。
检查人签名:___________________
检查日期:______________________。
消防安全隐患排查表一、消防设施问题1. 消防设施是否齐备?2. 消防设施是否定期检查?3. 消防设施是否完好可用?4. 消防设施是否按照要求进行摆放?5. 消防设施的更换和补充是否及时?二、电器设备问题1. 电器设备是否符合防火要求?2. 电器设备的安装是否规范?3. 电器设备的使用是否规范?4. 电器设备的维护保养是否及时?5. 电器设备是否存在过载或老化现象?三、消防通道问题1. 消防通道是否畅通无阻?2. 消防通道的标识是否清晰可见?3. 消防通道的宽度和高度是否符合要求?4. 消防通道上的物品是否定期清理?5. 消防通道的照明设施是否完好可用?四、消防管理问题1. 消防管理制度是否完善?2. 消防管理责任是否明确?3. 消防巡查检查是否定期进行?4. 消防安全宣传教育是否开展?5. 消防演习和应急疏散是否定期组织?五、火源控制问题1. 用火用电是否严格管理?2. 是否存在违规使用明火现象?3. 火源附近是否存在易燃物品?4. 火源控制设施是否完好可用?5. 火源使用完毕后是否及时清理?六、员工消防培训问题1. 员工是否接受过消防安全培训?2. 员工是否掌握基本的消防知识和技能?3. 员工是否了解消防设施和器材的使用方法?4. 员工是否了解应急疏散和逃生方法?5. 员工是否了解火源控制和火灾预防措施?七、安全出口问题1. 安全出口是否畅通无阻?2. 安全出口的标识是否清晰可见?3. 安全出口的灯光设施是否完好可用?4. 安全出口的疏散路线是否明确?5. 安全出口是否存在堵塞或占用现象?。
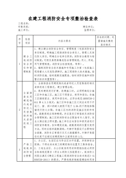
施工现场消防隐患排查表
一、防火安全管理
1、签订《消防安全责任书》,明确消防责任:□是□否
2、是否制定施工现场防火安全管理制度和防火安全岗位职责:□符合□不符合
3、是否成立施工现场防火安全管理领导小组及义务消防队:□是□否
4、是否制定防火安全措施费用提取计划,建立防火安全措施费用专款专用台账:
□是□否
5、在建设工程开工前,是否制定施工现场防火安全措施及消防设施平面布置图:
□是□否
6、是否编制防火应急救援预案:□是□否
7、施工现场显要位置张挂防火警示标志:□是□否
8、是否定期组织消防应急救援演练,并有演练记录资料:□是□否
9、是否定期对施工现场管理人员和作业人员进行防火安全生产教育培训,并有教育培训记录资料:□是□否
10、是否定期检查施工现场生活区、办公区、作业区的防火安全措施、设施和器材的完好状况,并有检查记录资料:□是□否
11、是否建立灭火器材管理档案(包括灭火器材类型、数量、进场时间、配备部位、编号、换药日期等),并有记录资料:□是□否
12、施工现场涉及电焊气作业等动火情况的,是否有进行三级动火申请审批,并有三级动火申请审批资料:□是□否
13、检查项目部施工现场电焊、气焊等作业人员是否持有效特种:□是□否
14、电消防用电设备采用单独供电回路:□有□无
15、气线路敷设需穿管,照明线路与应急线路分别设置:□有□无
15、施工现场吸烟和明火照明现象:□有□无
17、作业资格证上岗,并按照相关操作规程进行施工实行专业分包或劳务分包的,分包施工合同中是否明确防火安全管理范围、防火安全责任:□是□否
二、防火安全措施
1、施工现场是否按规定设置环形且不小于4m临时消防车道或回龙场:□是□否
2、施工现场是否按规定设置临时消防给水系统(包括消防水源或消防水池、加压水泵、消防立管、消火栓等):□是□否
3、加压水泵的扬程是否满足建筑物高度要求:□是□否
4、加压水泵电源是否采用专用供电回路,电源控制箱是否靠近值班室,值班室应有专人值班:□是□否
5、施工现场是否按规定设置消防水池(有效容积能够满足需要):□是□否
6、施工现场是否按规定设置消防立管(应选用镀锌钢管):□是□否
7、建筑物每层是否按规定设有消火栓,每支水枪的有效射程是否满足要求:
□是□否
8、施工现场大门入口处或作业区是否设置相关灭火器材和消防安全警示标志:
□是□否
9、在高处实施电、气焊切割作业时,是否对作业周边和下方实施防护遮挡,焊渣应有容器接装(查是否有焊渣接装容器):□是□否
10、高空作业是否使用合格的阻燃式密目式安全网:□是□否
11、施工现场易燃易爆物品存放是否符合要求:□是□否
12、是否明确划分出易燃易爆物品仓库区和禁火作业区:□是□否
13、施工现场产生的刨花、锯沫、油漆下脚料等易燃、可燃材料是否按规定及时处理:
□是□否
14、作业层动火处、办公区、临时宿舍、食堂、仓库等防火部位,是否按每100平方米配备2个10升的灭火器:□是□否
15、工人宿舍是否存在私拉乱接电线,使用大功率电器,安装影响逃生的铁窗、铁栅栏问题:
□是□否
16、工地食堂的防火措施是否符合要求:□是□否
17、生活照明是否采用安全电压:□是□否
18、临时木工场、油漆间、配电室等防火部位,是否按每25平方米配备1个种类合适的灭火器:□是□否
19、施工现场作业区、生活区、仓库是否明显划分:□是□否
20、检查施工现场电气线路的安全管理以及电气设备检修、维护情况是否符合有关要求:
□是□否
21、制定灭火预案、应急疏散方案:□是□否
22、防火安全巡查记录:□有□无
23、定期演练:□是□否
备注:。