检验科质量管理与监督记录文本
- 格式:doc
- 大小:62.00 KB
- 文档页数:10
质量与安全管理小组工作记录本
科室:
年度:
检验科质量与安全管理小组
科室医疗质量质量与安全小组成员:
组长:
成员:
质控员:
科室质量与安全管理小组职责
1、科室质量与安全管理小组由科室负责人、质控员等相关人员3-6人组成;科主任是科室质量与安全管理第一责任人。
2、结合本专业特点及发展趋势,制定及修订本科室疾病诊疗常规、药物使用规范并组织实施;制定及修订本科室的质控工作制度、人员岗位职责。
3、在院办和医务科的指导下,负责本科室质量控制检查工作,抓好科内检验质量。
4、做好科室的质量自测自评,分析科室医疗质量数据、病人投诉情况、质量缺陷问题,自我查找医疗隐患,自评工作优劣。
科室质量与安全管理小组工作制度
1、质量与安全管理小组在科主任领导下对全科的医疗质量进行管理监督、指导、检查,开展每日质控、每月质控。
2、质量与安全管理小组的活动应至少每个月一次,每次应认真分析评判本科室质量动态,总结归纳、对需改进的内容提出整改措施,并认真做好质控活动记录。
3、对科室检验工作的各个环节进行指导和监控,通过具体的诊疗示范操作、每月组织各级医务人员学习操作常规、规范,强化质量和安全意识。
检验科质量安全管理与持续改进评价标准
月份质量与安全管理团队活动记录
日期:年月
主持人:
参加人员:检验科全体工作人员
记录者:
本次活动主题:
活动内容及结果:
存在问题及原因分析:
改进措施:(措施应为能够实施)(手写)。
检验科医疗质量安全管理小组工作记录本一、前言医疗质量安全管理小组作为检验科的核心组成部分,肩负着提高检验质量、确保患者安全的重要任务。
以下是检验科医疗质量安全管理小组的工作记录,旨在记录小组的活动情况、问题解决过程及取得的成果。
二、工作目标1. 确保检验结果的准确性、及时性和可靠性。
2. 提高检验科工作效率,优化服务流程。
3. 加强医疗安全管理,降低医疗风险。
4. 提升检验科人员素质,提高医疗服务质量。
三、工作记录(一)2023年1月1. 工作会议(1)会议主题:分析检验科当前存在的问题及改进措施。
(2)会议内容:①发现检验报告发放不及时、检验结果不准确等问题。
②讨论改进措施:加强检验人员培训,优化检验流程,提高工作效率。
③制定整改计划,明确责任人及完成时间。
2. 培训活动(1)培训主题:检验科质量控制与安全管理。
(2)培训内容:①讲解检验科质量控制的基本概念、方法及要求。
②分析检验科安全管理的重要性,传授安全管理方法。
③开展案例分析,提高检验人员对质量安全的认识。
(二)2023年2月1. 工作会议(1)会议主题:总结1月份整改情况,部署2月份工作。
(2)会议内容:①总结1月份整改成果:检验报告发放及时率提高,检验结果准确性得到保证。
②部署2月份工作:加强检验设备维护,提高检验效率。
③制定2月份工作计划,明确责任人及完成时间。
2. 安全检查(1)检查内容:检验设备运行状况、检验人员操作规范性、实验室环境安全。
(2)检查结果:设备运行正常,操作规范,实验室环境安全。
(三)2023年3月1. 工作会议(1)会议主题:分析2月份工作情况,部署3月份工作。
(2)会议内容:①分析2月份工作成果:检验设备维护得到加强,检验效率提高。
②部署3月份工作:加强检验人员业务培训,提高检验质量。
③制定3月份工作计划,明确责任人及完成时间。
2. 培训活动(1)培训主题:检验科新技术、新方法的应用。
(2)培训内容:①介绍检验科新技术、新方法的发展趋势。
质量监督记录范文一、监督目的质量监督是为了保障产品和服务的合格性,预防和排除产品和服务的质量隐患,确保消费者的权益得到保护。
质量监督记录是对质量监督过程中发现的问题进行记录和整理,以便后续的处理和改进。
二、监督内容1.产品质量监督产品质量监督主要针对产品的合格性、安全性和可靠性进行监督。
监督内容包括生产过程中的质量控制、产品测试和检验、产品合格证明文件的完备性等。
通过对产品质量的监督,确保产品符合相关的质量标准和法规要求。
2.服务质量监督服务质量监督主要针对服务的过程和结果进行监督。
监督内容包括服务的规范性、及时性、专业性和客户满意度等。
通过对服务质量的监督,提高服务质量,提升客户满意度。
三、监督方法1.抽样检查通过对产品或服务进行抽样检查,选择代表性样品进行质量检验和测试。
根据检验结果,评估产品或服务的合格性。
如果发现不合格项,则要求整改或追溯问题产生原因。
2.现场检查对生产或服务现场进行实地检查,了解生产过程或服务流程的具体情况。
检查过程中要关注关键环节、关键设备和关键人员的操作情况,以及质量控制措施的有效性。
3.文件审查四、监督记录1.监督日期:2024年6月1日2.监督对象:汽车零部件制造企业3.监督内容:产品质量监督4.监督方法:抽样检查、现场检查、文件审查5.监督结果:(1)抽样检查共抽取20个样品,其中有2个样品存在不合格项。
(2)现场检查发现生产现场设备有杂乱现象,工人操作不规范。
(3)文件审查发现质量管理文件不完备,质量标准未能满足相关要求。
6.整改措施:(1)责令企业对不合格产品进行追溯,查找并解决问题产生的原因。
(2)要求企业整顿生产现场,改进设备管理和工人操作。
(3)要求企业完善质量管理文件,并制定符合要求的质量标准。
7.监督日期:2024年6月10日8.监督对象:连锁酒店服务9.监督内容:服务质量监督10.监督方法:现场检查、文件审查11.监督结果:(1)现场检查发现服务员态度冷漠,对客人的需求反应不及时。
质量与安全管理小组工作记录本
科室:
年度:
检验科质量与安全管理小组
科室医疗质量质量与安全小组成员:
组长:
成员:
质控员:
科室质量与安全管理小组职责
1、科室质量与安全管理小组由科室负责人、质控员等相关人员3-6人组成;科主任是科室质量与安全管理第一责任人。
2、结合本专业特点及发展趋势,制定及修订本科室疾病诊疗常规、药物使用规范并组织实施;制定及修订本科室的质控工作制度、人员岗位职责。
3、在院办和医务科的指导下,负责本科室质量控制检查工作,抓好科内检验质量。
4、做好科室的质量自测自评,分析科室医疗质量数据、病人投诉情况、质量缺陷问题,自我查找医疗隐患,自评工作优劣。
科室质量与安全管理小组工作制度
1、质量与安全管理小组在科主任领导下对全科的医疗质量进行管理监督、指导、检查,开展每日质控、每月质控。
2、质量与安全管理小组的活动应至少每个月一次,每次应认真分析评判本科室质量动态,总结归纳、对需改进的内容提出整改措施,并认真做好质控活动记录。
3、对科室检验工作的各个环节进行指导和监控,通过具体的诊疗示范操作、每月组织各级医务人员学习操作常规、规范,强化质量和安全意识。
检验科质量安全管理与持续改进评价标准
月份质量与安全管理团队活动记录
日期:年月
主持人:
参加人员:检验科全体工作人员
记录者:
本次活动主题:
活动内容及结果:
存在问题及原因分析:
改进措施:(措施应为能够实施)(手写)。
质量与安全管理小组工作记录本
科室:
年度:
检验科质量与安全管理小组
科室医疗质量质量与安全小组成员:
组长:
成员:
质控员:
科室质量与安全管理小组职责
1、科室质量与安全管理小组由科室负责人、质控员等相关人员3-6人组成;科主任是科室质量与安全管理第一责任人。
2、结合本专业特点及发展趋势,制定及修订本科室疾病诊疗常规、药物使用规范并组织实施;制定及修订本科室的质控工作制度、人员岗位职责。
3、在院办和医务科的指导下,负责本科室质量控制检查工作,抓好科内检验质量。
4、做好科室的质量自测自评,分析科室医疗质量数据、病人投诉情况、质量缺陷问题,自我查找医疗隐患,自评工作优劣。
科室质量与安全管理小组工作制度
1、质量与安全管理小组在科主任领导下对全科的医疗质量进行管理监督、指导、检查,开展每日质控、每月质控。
2、质量与安全管理小组的活动应至少每个月一次,每次应认真分析评判本科室质量动态,总结归纳、对需改进的内容提出整改措施,并认真做好质控活动记录。
3、对科室检验工作的各个环节进行指导和监控,通过具体的诊疗示范操作、每月组织各级医务人员学习操作常规、规范,强化质量和安全意识。
检验科质量安全管理与持续改进评价标准
月份质量与安全管理团队活动记录
日期:年月
主持人:
参加人员:检验科全体工作人员
记录者:
本次活动主题:
活动内容及结果:
存在问题及原因分析:
改进措施:(措施应为能够实施)(手写)。
质量与安全管理小组
工作记录本
科室:
年度:
检验科质量与安全管理小组
科室医疗质量质量与安全小组成员:
组长:
成员:
质控员:
科室质量与安全管理小组职责
1、科室质量与安全管理小组由科室负责人、质控员等相关人员3-6人组成;科主任是科室质量与安全管理第一责任人。
2、结合本专业特点及发展趋势,制定及修订本科室疾病诊疗常规、药物使用规范并组织实施;制定及修订本科室的质控工作制度、人员岗位职责。
3、在院办和医务科的指导下,负责本科室质量控制检查工作,抓好科内检验质量。
4、做好科室的质量自测自评,分析科室医疗质量数据、病人投诉情况、质量缺陷问题,自我查找医疗隐患,自评工作优劣。
科室质量与安全管理小组工作制度
1、质量与安全管理小组在科主任领导下对全科的医疗质量进行管理监督、指导、检查,开展每日质控、每月质控。
2、质量与安全管理小组的活动应至少每个月一次,每次应认真分析评判本科室质量动态,总结归纳、对需改进的内容提出整改措施,并认真做好质控活动记录。
3、对科室检验工作的各个环节进行指导和监控,通过具体的诊疗示范操作、每月组织各级医务人员学习操作常规、规范,强化质量和安全意识。
检验科质量安全管理与持续改进评价标准
月份质量与安全管理团队活动记录
日期:年月
主持人:
参加人员:检验科全体工作人员
记录者:
本次活动主题:
活动内容及结果:
存在问题及原因分析:
改进措施:(措施应为能够实施)(手写)。
检验科日常医疗质量管理与持续改进记录内容Quality management and continuous improvement are essential aspects of daily medical practice in the laboratory.医疗实践中,不断提升的医疗质量管理以及持续改进至关重要。
One key component of quality management is the establishment of clear protocols and procedures for all laboratory tests.医疗质量管理的一个重要组成部分是为所有实验室测试建立清晰的方案和程序。
These protocols ensure that all tests are performed consistently and accurately, reducing the likelihood of errors or discrepancies in results.这些方案可以确保所有测试都被一贯地和准确地执行,从而减少错误或结果不一致的可能性。
Additionally, regular audits and inspections are conducted to assess the effectiveness of these protocols and identify areas for improvement.此外,定期的审核和检查也可以用来评估这些程序的有效性并找出需要改进的地方。
Feedback from staff and patients is also critical in identifying areas for improvement in medical quality management.员工和患者的反馈也是非常重要的,可以帮助鉴别医疗质量管理方面需要改进的地方。
检验科医疗质量与安全管理小组活动记录以下是一份检验科医疗质量与安全管理小组活动记录的示例,供你参考:活动日期:[具体日期]活动时间:[具体时间]活动地点:检验科会议室参与人员:检验科医疗质量与安全管理小组成员活动主题:提升检验科医疗质量与安全活动内容:1. 会议开场:- 主持人介绍活动目的和议程。
2. 现状汇报与分析:- 各小组汇报近期检验科医疗质量与安全情况,包括标本受理、检测过程、报告发放等方面。
- 分析存在的问题和潜在风险,如标本错误、仪器故障、结果解读错误等。
3. 问题讨论与解决方案:- 针对提出的问题,小组成员进行深入讨论,提出可能的解决方案。
- 讨论包括优化工作流程、加强员工培训、完善质量控制等方面。
4. 培训与教育计划:- 确定下一阶段的员工培训计划,涵盖安全操作规程、质量意识提升等内容。
- 讨论如何加强对新入职员工的培训和指导。
5. 安全管理措施:- 审查和更新实验室安全手册,确保员工严格遵守安全规定。
- 安排定期的安全检查和应急演练。
6. 质量监测与评估:- 制定质量监测指标,如检测准确率、报告及时率等,并设定相应的目标。
- 讨论如何进行定期的质量评估和数据分析。
7. 活动总结:- 主持人总结本次活动的主要内容和达成的共识。
- 确定后续的行动计划和责任人。
8. 下次活动安排:- 确定下次活动的时间和主题。
活动记录人:[记录人姓名]请注意,以上记录仅为示例,实际的活动记录应根据具体的活动内容和讨论结果进行详细记录。
每个检验科可以根据自身的特点和需求,制定适合的活动议程和记录方式。
活动记录应准确、详细地反映讨论的内容、提出的问题和解决方案,以及确定的后续行动计划。
这样的记录有助于跟踪和改进检验科的医疗质量与安全管理工作。
检验科质量管理与监督记录科学检验是生产和生活之中的一项技术活动,科质量管理与监督记录是对检验工作的一种质量管理和监督手段。
本文将从科质量管理与监督记录的概念、重要性、实施过程以及应注意的问题等方面进行阐述。
科质量管理与监督记录是对科学检验过程中的各个环节进行管理和监督的记录手段。
它涵盖了检验的整个过程,包括样品接收、保存、预处理、测试、数据分析和结果报告等环节。
通过记录每个环节的操作情况和结果,可以确保检验结果的准确性和可靠性,从而提高科学检验工作的质量。
科质量管理与监督记录具有重要的意义。
首先,它可以规范检验工作的操作流程,确保每个环节的操作符合相应的标准和规范。
其次,通过及时记录检验过程中的操作和结果,可以及时发现和排查潜在的问题,减少差错发生的可能性。
第三,科质量管理与监督记录是对检验工作的一种监督机制,可以通过记录的方式追溯检验结果的过程,保证检验工作的可追溯性。
科质量管理与监督记录的实施过程分为以下几个环节。
首先,要确定科质量管理与监督记录的内容和形式。
记录内容应包括样品的基本信息、检验过程中的操作记录、仪器设备的使用记录、测试数据的分析和结果判定记录等。
记录形式可以采用电子化记录或纸质记录,根据实际情况选择合适的方式。
其次,要制定相应的记录规范和要求,明确记录的时间、人员和责任等。
再次,要进行培训和指导,确保相关人员对科质量管理与监督记录的要求和操作流程有充分的理解和掌握。
最后,要进行定期的审核和评价,对科质量管理与监督记录进行检查和评估,发现问题及时整改。
在实施科质量管理与监督记录时,还需注意以下问题。
首先,要明确记录的目的和意义,增强相关人员的管理意识和责任意识,提高记录工作的重视程度。
其次,要确保记录的真实性和准确性,避免记录的虚假和错误,对于每个环节的操作和结果都要进行详细和准确记录。
再次,要保护好记录的机密性和安全性,防止记录的泄露和篡改。
最后,要及时整理和归档记录,便于查询和保管,为今后的检查和查证提供依据。
检验科医疗质量与安全管理工作记录一、前言医疗质量与安全管理是医疗机构运行的核心,是提高医疗服务水平、保障患者安全的基石。
检验科作为医院重要的技术部门,承担着为临床诊断、治疗和科研提供准确、及时、高效的检验服务的任务。
为了确保检验科工作的质量与安全,提高服务质量,满足患者需求,医院检验科在科主任的带领下,紧紧围绕医疗质量与安全管理这个主题,积极开展各项工作,取得了一定的成效。
二、人员组成与管理1. 质量管理小组:检验科成立了以科主任为组长,主管检验师、检验师为成员的质量管理小组,负责制定本科室的质量管理计划、制度,监督、检查和评估本科室质量管理工作。
2. 人员培训:加强检验科人员的业务培训和职业素养教育,提高人员素质,确保检验工作质量。
三、质量控制与改进1. 室内质控:对实验室内的仪器、检验项目进行定期质控,确保检验结果的准确性。
对质控过程中出现的问题及时分析、处理,采取有效措施进行改进。
2. 室间质控:积极参加上级部门组织的室间质控活动,与其他实验室进行比对,提高检验结果的准确性和可靠性。
3. 危急值报告:建立危急值报告制度,确保危急值及时、准确地报告给临床,为患者救治提供有力支持。
4. 生物安全:严格执行生物安全相关规定,加强实验室消毒隔离和个人防护,确保检验过程中无生物安全事故发生。
四、质量管理与安全制度建设1. 制定和完善检验科质量管理与安全制度,明确各项工作要求,确保检验工作有章可循。
2. 严格执行各项制度,加强对检验过程中的各个环节的监控,确保检验质量。
五、持续改进与创新1. 定期总结本科室质量管理工作,分析存在的问题,制定针对性的改进措施。
2. 鼓励创新,引进新技术、新方法,提高检验科工作的效率和质量。
六、总结通过以上措施的落实,检验科医疗质量与安全管理取得了显著成效。
在今后的工作中,我们将继续坚持“以患者为中心”的服务理念,紧紧围绕医疗质量与安全管理这个主题,持续改进,不断提高服务质量,为患者提供更加安全、高效、便捷的检验服务。
质量与平安管理小组工作记录本
科室:
年度:
检验科质量与平安管理小组
科室医疗质量质量与平安小组成员:
组长:
成员:
质控员:
科室质量与平安管理小组职责
1、科室质量与平安管理小组由科室负责人、质控员等相关人员3-6人组成;科主任是科室质量与平安管理第一责任人。
2、结合本专业特点及开展趋势,制定及修订本科室疾病诊疗常规、药物使用规X并组织实施;制定及修订本科室的质控工作制度、人员岗位职责。
3、在院办和医务科的指导下,负责本科室质量控制检查工作,抓好科内检验质量。
4、做好科室的质量自测自评,分析科室医疗质量数据、病人投诉情况、质量缺陷问题,自我查找医疗隐患,自评工作优劣。
科室质量与平安管理小组工作制度
1、质量与平安管理小组在科主任领导下对全科的医疗质量进展管理监视、指导、检查,开展每日质控、每月质控。
2、质量与平安管理小组的活动应至少每个月一次,每次应认真分析评判本科室质量
动态,总结归纳、对需改良的内容提出整改措施,并认真做好质控活动记录。
3、对科室检验工作的各个环节进展指导和监控,通过具体的诊疗示X操作、每月组织各级医务人员学习操作常规、规X,强化质量和平安意识。
检验科质量平安管理与持续改良评价标准
月份质量与平安管理团队活动记录
日期:年月
主持人:
参加人员:检验科全体工作人员
记录者:
本次活动主题:
活动内容及结果:
存在问题及原因分析:
改良措施:〔措施应为能够实施〕〔手写〕。
质量与安全管理小组工作记录本
科室:
年度:
检验科质量与安全管理小组
科室医疗质量质量与安全小组成员:
组长:
成员:
质控员:
科室质量与安全管理小组职责
1、科室质量与安全管理小组由科室负责人、质控员等相关人员3-6人组成;科主任是科室质量与安全管理第一责任人.
2、结合本专业特点及发展趋势,制定及修订本科室疾病诊疗常规、药物使用规范并组织实施;制定及修订本科室的质控工作制度、人员岗位职责。
3、在院办和医务科的指导下,负责本科室质量控制检查工作,抓好科内检验质量。
4、做好科室的质量自测自评,分析科室医疗质量数据、病人投诉情况、质量缺陷问题,自我查找医疗隐患,自评工作优劣.
科室质量与安全管理小组工作制度
1、质量与安全管理小组在科主任领导下对全科的医疗质量进行管理监督、指导、检查,开展每日质控、每月质控。
2、质量与安全管理小组的活动应至少每个月一次,每次应认真分析评判本科室质量动态,总结归纳、对需改进的内容提出整改措施,并认真做好质控活动记录。
3、对科室检验工作的各个环节进行指导和监控,通过具体的诊疗示范操作、每月组织各级医务人员学习操作常规、规范,强化质量和安全意识。
检验科质量安全管理与持续改进评价标准
月份质量与安全管理团队活动记录
日期:年月
主持人:
参加人员:检验科全体工作人员
记录者:
本次活动主题:
活动内容及结果:
存在问题及原因分析:
改进措施:(措施应为能够实施)(手写)。
质量与安全管理小组工作记录本
科室:
年度:
检验科质量与安全管理小组
科室医疗质量质量与安全小组成员:
组长:
成员:
质控员:
科室质量与安全管理小组职责
1、科室质量与安全管理小组由科室负责人、质控员等相关人员3-6人组成;科主任是科室质量与安全管理第一责任人。
2、结合本专业特点及发展趋势,制定及修订本科室疾病诊疗常规、药物使用规范并组织实施;制定及修订本科室的质控工作制度、人员岗位职责。
3、在院办和医务科的指导下,负责本科室质量控制检查工作,抓好科内检验质量。
4、做好科室的质量自测自评,分析科室医疗质量数据、病人投诉情况、质量缺陷问题,自我查找医疗隐患,自评工作优劣。
科室质量与安全管理小组工作制度
1、质量与安全管理小组在科主任领导下对全科的医疗质量进行管理监督、指导、检查,开展每日质控、每月质控。
2、质量与安全管理小组的活动应至少每个月一次,每次应认真分析评判本科室质量
动态,总结归纳、对需改进的内容提出整改措施,并认真做好质控活动记录。
3、对科室检验工作的各个环节进行指导和监控,通过具体的诊疗示范操作、每月组织各级医务人员学习操作常规、规范,强化质量和安全意识。
检验科质量安全管理与持续改进评价标准
月份质量与安全管理团队活动记录
日期:年月
主持人:
参加人员:检验科全体工作人员
记录者:
本次活动主题:
活动内容及结果:
存在问题及原因分析:
改进措施:(措施应为能够实施)(手写)。
检验科质量管理与监督记录市第二人民医院二〇一六年度实验室质量与安全管理小组职责一、质量管理1、科主任负责质量与安全管理工作,建立科室质量管理小组及制度,体现全面质量管理与持续改进,应有适宜的实验室信息系统(LIS)进行检验数据管理,存在问题有分析、处理程序及改进措施,有记录文件。
2、每月召开1次科室质量与安全工作会议,容要体现全面、全过程质量管理、有记录。
3、制定全员培训计划,全员参与质量与安全管理的全过程,员工知晓指控要求、程序与方法。
4、制定专业人员继续教育计划,做到知识不断更新,对特殊检测项目和新技术、新业务实施准入管理、有制度、有相关培训容、讨论记录和操作规程,有代表科室特色及水平的技术项目,有本科工作统计数据资料,有与院外先进水平比较的检查项目。
二、工作规1、开展临床检验项目必须是经批准的准入项目,开展特殊检查的实验室应有验收、准入程序,工作人员有上岗明文件、应建立实验项目临床应用指南或手册,定期更新,对本院尚未开展或条件不具备的部分检验项目应有规的外送运行机制,并签订有保障合同或协议及委托合同或协议,有检查服务项目清单,能够提供24h急诊服务,能够满足临床工作需要。
2、科室布局与流程合理、符合医院感染控制要求,有医院感染控制制度,有废弃物处理程序,并落实到位,做到“一人、一针、一管、一片”,实验室废弃物、尖锐器具的处理应符合医院感染控制规要求,具有生物危害标志,使用正确。
3、有室质控制度及室质控失控处理程序,参与省市临床检验中心组织的室间质评,有记录,有EQA回报不及格结果的处理程序,有工作记录,检测方法、仪器操作须有SOP文件,本专业组人员均知晓并执行。
4、有设备与试剂的国家许可证明文件资料,有设备操作规程,有设备定期校准和保养记录,有主要检验设备(10万元及以上)相关资料,及时淘汰经鉴定不合格的设备与试剂,有记录资料,应有二级以上生物安全柜配置,应有个人防护用具(护目镜、洗眼装置等)。
质量与安全管理小组工作记录本
科室:__________
年度:__________
检验科质量与安全管理小组
科室医疗质量质量与安全小组成员:
组长:
成员:质控员:
科室质量与安全管理小组职责
1、科室质量与安全管理小组由科室负责人、质控员等相关人员3-6 人组成;科主任
是科室质量与安全管理第一责任人。
2、结合本专业特点及发展趋势,制定及修订本科室疾病诊疗常规、药物使用规范并组织实施;制定及修订本科室的质控工作制度、人员岗位职责。
3、在院办和医务科的指导下,负责本科室质量控制检查工作,抓好科内检验质量。
4、做好科室的质量自测自评,分析科室医疗质量数据、病人投诉情况、质量缺陷问题,自我查找医疗隐患,自评工作优劣。
科室质量与安全管理小组工作制度
1、质量与安全管理小组在科主任领导下对全科的医疗质量进行管理监督、指导、检查,开展每日质控、每月质控。
2、质量与安全管理小组的活动应至少每个月一次,每次应认真分析评判本科室质量动态,总结归纳、对需改进的内容提出整改措施,并认真做好质控活动记录。
3、对科室检验工作的各个环节进行指导和监控,通过具体的诊疗示范操作、每月组
织各级医务人员学习操作常规、规范,强化质量和安全意识。
检验科质量安全管理与持续改进评价标准
月
份
质
量
与
安
全
管
理
团
队
活
动
记
录
日期:年月
主持人:
参加人员:检验科全体工作人员记录者:
本次活动主题:
活动内容及结果:
存在问题及原因分析:
改进措施:(措施应为能够实施)(手写)。
检验科质量管理与监督记录
濮阳市第二人民医院
二〇一六年度
实验室质量与安全管理小组职责
一、质量管理
1、科主任负责质量与安全管理工作,建立科室质量管理小组及制度,体现全面质量管理与持续改进,应有适宜的实验室信息系统(LIS)进行检验数据管理,存在问题有分析、处理程序及改进措施,有记录文件。
2、每月召开1次科室质量与安全工作会议,内容要体现全面、全过程质量管理、有记录。
3、制定全员培训计划,全员参与质量与安全管理的全过程,员工知晓指控要求、程序与方法。
4、制定专业人员继续教育计划,做到知识不断更新,对特殊检测项目和新技术、新业务实施准入管理、有制度、有相关培训内容、讨论记录和操作规程,有代表科室特色及水平的技术项目,有本科工作统计数据资料,有与院外先进水平比较的检查项目。
二、工作规范
1、开展临床检验项目必须是经批准的准入项目,开展特殊检查的实验室应有验收、准入程序,工作人员有上岗资格证明文件、应建立实验项目临床应用指南或手册,定期更新,对本院尚未开展或条件不具备的部分检验项目应有规范的外送运行机制,并签订有保障合同或协议及委托合同或协议,有检查服务项目清单,能够提供24h急诊服务,能够满足临床工作需要。
2、科室布局与流程合理、符合医院感染控制要求,有医院感染控制制度,
有废弃物处理程序,并落实到位,做到“一人、一针、一管、一片”,实验室废弃物、尖锐器具的处理应符合医院感染控制规范要求,具有生物危害标志,使用正确。
3、有室内质控制度及室内质控失控处理程序,参与省市临床检验中心组织的室间质评,有记录,有EQA回报不及格结果的处理程序,有工作记录,检测方法、仪器操作须有SOP文件,本专业组人员均知晓并执行。
4、有设备与试剂的国家许可证明文件资料,有设备操作规程,有设备定期校准和保养记录,有主要检验设备(10万元及以上)相关资料,及时淘汰经鉴定不合格的设备与试剂,有记录资料,应有二级以上生物安全柜配置,应有个人防护用具(护目镜、洗眼装置等)。
5、对检查结果报告实行归口管理,有报告管理与签发制度,有为临床工作提供咨询服务的制度,有与临床科室有定期召开联席会议或收集意见的制度与记录文件,科室技术人员要主动下临床科室征求意见,有记录资料,应定期或不定期向临床医师提供抗生素药敏种类,应有报告时限的明文规定、公示承诺及贯彻执行时的对应措施,平诊检验结果日报时间:生化、临检≤24h,免疫≤48h。
三、医疗安全
1、有防止意外事故的应急预案并进行演练及掌握,消防设备配置合理,标志醒目,有紧急通道,对腐蚀药、易爆物、易燃物、毒性试剂等应有专人、定位、定量保管,并有严格的保管与使用制度,医护人员熟悉《医疗事故处理条例》内容要求,落实“科室防范医疗纠纷及事故发生重点措施”,建立安全制度及安全操作规程,有专门人员进行督查,并有记录文件,制定科室“差错及事故登
记本”,对发生的差错及事故要立即报告医务科,并登记、讨论,新开展的检验项目在临床应用须有审批记录文件及质量保证文件。
2、应有能够迅速提供临床检查结果的运行机制、制度及程序,对医疗活动中发生的异常医疗信息要及时请示报告,增加工作的危机感和机敏性。
3、履行有关告知程序,落实操作告知义务,充分尊重患者权益,需患者知情同意的诊断、操作项目,科室要列出目录,各级人员应熟悉目录内容。
4、建立规范的急诊实验室和严格的工作制度,急诊检验人员经过资格认证,开展适合本院急诊工作的服务项目,急诊检验结果回报时间:临检≤30min,生化≤60min。
5、科室工作人员要严守工作岗位,有事外出要告知值班人员去向,有明确的“人员紧急替代制度”并保证联系通讯工具畅通,以使出现各种突发事件时相关人员能按时到位。
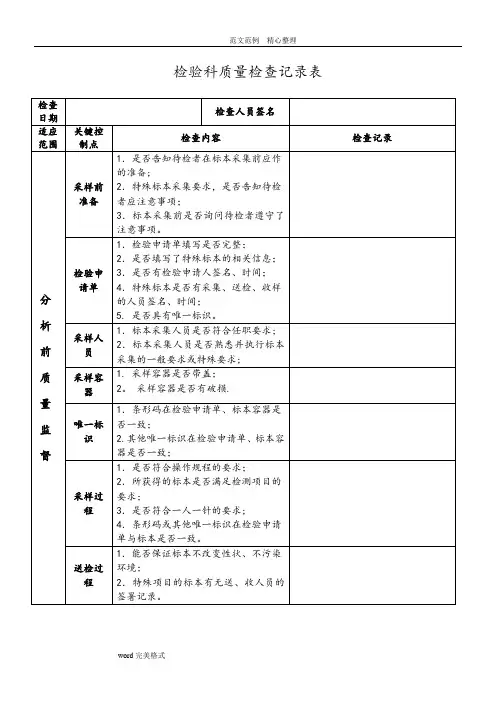
质量监督记录表(1)
质量监督记录表(2)
质量监督记录表(3)
注:质量监督员随时(至少1次/月) 选择重点、难点、疑点及易出错环节进行监督并记录.
质控总结分析报告。