电影院设计规范
- 格式:doc
- 大小:469.50 KB
- 文档页数:33
电影院的规模按总座位数可划分为特大型、大型、中型和小型四个规模;不同规模的电影院应符合下列规定:1 特大型电影院的总座位数应大于1800个,观众厅不宜少于11个;2 大型电影院的总座位数宜为1201~1800个,观众厅宜为8~10个;3 中型电影院的总座位数宜为701~1200个,观众厅宜为5~7个;4 小型电影院的总座位数宜小于等于700个,观众厅不宜少于4个;本方案电影院为中型电影院,座位数为737个,观众厅为6个—;高度为;建筑面积约为140㎡;大厅尺寸为25mX15m,长宽比例为:1—;建筑面积约为375㎡,高度为;六个观众厅斜视角为40°≤45°,小厅的仰视角为°≤45°,放映俯角为°≤6°,最近视距为≥,W=8m,最远视距为≤,W=8m;大厅的仰视角为°≤45°,放映俯角为°≤6°,最近视角为≥,W=13m,最远视距为≤,W=13m;集中设置的放映机房有两处,走道相通,放映机房的净深为,净高为,放映机镜头光轴距离机房地面高度为;主要的功能空间分为观众厅、公共区域、放映机房和其他用房;公共区域分为门厅、休息厅、售票处、小卖部、厕所等,满足群众的需求;其他用房宜包括多种营业用房、建筑设备用房、智能化系统机房和员工用房等4. 2 观众厅1 观众厅的设计应与银幕的设置空间统一考虑,观众厅的长度不宜大于30m,观众厅长度与宽度的比例宜为±:1;4 观众厅净高度不宜小于视点高度、银幕高度与银幕上方的黑框高度~三者的总和;每排座位的数量应符合下列规定:1 短排法:两侧有纵走道且硬椅排距不小于或软椅排距不小于时,每排座位的数量不应超过22个,在此基础上排距每增加50mm,座位可增加2个;当仅一侧有纵走道时,上述座位数相应减半;2 长排法:两侧有走道且硬椅排距不小于或软椅排距不小于时,每排座位的数量不应超过44个;当仅一侧有纵走道时,上述座位数相应减半;4. 3 公共区域公共区域宜由门厅、休息厅、售票处、小卖部、衣物存放处、厕所等组成;2 电影院门厅和休息厅合计使用面积指标,特、甲级电影院不应小于/座;乙级电影院不应小于/座;丙级电影院不应小于/座;售票处应符合下列规定:1 售票窗VI的数量宜为每300座设一个,相邻两个售票窗El的中心距离不应小于,售票处的建筑面积宜按每窗口~计算;中型及其以上电影院宜设团体售票服务间;2 售票处朝向室外的售票窗口,其窗口上部应设置雨篷;3 售票处宜安装醒目的显示设施,可显示出节目单、厅号、映出时间表、价格表等;电影院内宜设置小卖部或冷饮部,并应符合下列规定:1 可根据观众厅的位置,就近分散设置,面积指标不应小于该区域观众厅/座,并宜设置适当的等候区域;2 柜台宜预留电源和给排水接口;3 前后柜台宽度不宜小于,间距不宜小于;电影院宜设置小件寄存柜或衣物存放处,衣物存放处面积指标不应小于/座;4. 4 放映机房放映机房内应设置放映、还音、倒片、配电等设备或设施,机房内宜设维修、休息处及专用厕所;各观众厅的放映机房宜集中设置;集中设置的放映机房每层不宜多于两处,并应有走道相通,走道宽度不宜小于;当放映机房后墙处无设备时,放映机房的净深不宜小于,机身后部距放映机房后墙不宜小于;当放映机房为两侧放映时,放映机房的净深不宜小于;放映机镜头至放映机房前墙面宜为~;放映机房的净高不宜小于;. 放映窗口及观察窗口应符合下列规定:1 放映窗及观察窗分别设置时,放映窗口宜呈喇叭口,内口尺寸宜为×,喇叭口不应阻挡光束;观察窗内口尺寸宜为宽×高;2 放映窗与观察窗可等高合并,合并后的放映窗口宜呈喇叭口,内口尺寸宜为宽×高,喇叭口不应阻挡光束;3 放映窗应安装光学玻璃,观察窗宜安装普通玻璃;4 垂直放映角为o;时,放映机镜头光轴距离机房地面高度应为;5 放映窗口外侧的观众厅最后一排地坪前沿距离放映光束F缘不宜小于;放映机房应有一外开门通至疏散通道,其楼梯和出人口不得与观众厅的楼梯和出入口合用;4. 5 其他用房其他用房宜包括多种营业用房、贵宾接待室、建筑设备用房、智能化系统机房和员工用房等,可根据电影院的性质、规模及实际需要确定;甲级及特级电影院宜设置贵宾接待室,贵宾接待室应与观众用房分开,并宜有单独的出人口;建筑设备用房宜符合下列规定:l 电影院宜设置空调机房、通风机房、冷冻机房、水泵房、变配电室、灯光控制室等;2 各种设备用房的位置应接近电力负荷中心,运行、管理、维修应安全、方便,同时应避免其噪声和振动对公共区域和观众厅的干扰;电影院可根据建筑等级和规模的需要设置智能化系统机房,宜包括消防控制室、安防监控中心、有线电视机房、计算机机房、有线广播机房及控制室;智能化系统机房可单独设置,也可合用设置;员工用房应符合下列规定:1 员工用房宜包括行政办公、会议、职工食堂、更衣室、厕所等用房,应根据电影院的实际需要设置;2 员工用房的位置及出人口应避免员工人流路线与观众人流路线互相交叉;4. 6 室内装修室内装修不得遮挡消防设施标志、疏散指示标志及安全出口,并不得妨碍消防设施和疏散通道的正常使用;观众厅装修的龙骨必须与主体建筑结构连接牢固,吊顶与主体结构吊挂应有安全构造措施,顶部有空间网架或钢屋架的主体结构应设有钢结构转换层;容积较大、管线较多的观众厅吊顶内;应留有检修空间,并应根据需要,设置检修马道和便于进入吊顶的人孔和通道,且应符合有关防火及安全要求;室内装修应符合下列规定:4 改建、扩建电影院观众厅的室内装修应保证建筑结构的安全性;6. 2 疏散电影院建筑应合理组织交通路线,并应均匀布置安全出口、内部和外部的通道,分区应明确、路线应短捷合理,进出场人流应避免交叉和逆流;观众厅疏散门不应设置门槛,在紧靠门口范围内不应设置踏步;疏散门应为自动推闩式外开门,严禁采用推拉门、卷帘门、折叠门、转门等;观众厅疏散门的数量应经计算确定,且不应少于2个,门的净宽度应符合现行国家标准建筑设计防火规范GB50016及高层民用建筑设计防火规范GB50045的规定,且不应小于;应采用甲级防火门,并应向疏散方向开启;疏散楼梯应符合下列规定:1 对于有候场需要的门厅,门厅内供入场使用的主楼梯不应作为疏散楼梯;2 疏散楼梯踏步宽度不应小于,踏步高度不应大于,楼梯最小宽度不得小于,转折楼梯平台深度不应小于楼梯宽度;直跑楼梯的中间平台深度不应小于;3 疏散楼梯不得采用螺旋楼梯和扇形踏步;当踏步上下两级形成的平面角度不超过10;,且每级离扶手处踏步宽度超过时,可不受此限;4 室外疏散梯净宽不应小于;下行人流不应妨碍地面人流;疏散指示标志应符合现行国家标准消防安全标志GB13495和消防应急灯具GB17945中的有关规定;观众厅内疏散走道宽度除应符合计算外,还应符合下列规定:1 中间纵向走道净宽不应小于;2 边走道净宽不应小于;3 横向走道除排距尺寸以外的通行净宽不应小于;。
电影院建设规范三篇篇一:电影院建设规范目次1 总则2 术语3 基地和总平面4 建筑部分4.1 建筑设计通用规则4.2 观众厅4.3 公共部分4.4 放映机房4.5 其它用房5 声学设计5.1 基本要求5.2 观众厅混响时间5.3 噪声控制5.4 扬声器系统设计6 防火设计6.1 防火6.2 疏散7 建筑设备7.1 给水排水7.2 采暖通风和空气调节7.3 电气1 总则1.0.1 为保证电影院建筑设计的设计质量,使之符合使用功能、安全、卫生、技术、经济及电影工艺等方面的基本要求,制订本规范。
1.0.2 本规范适用于新建、扩建、改建的,以放映 35mm 的变形法、遮幅法宽银幕及普通银幕(包括立体声)三种影片为主的电影院建筑设计。
1.0.3 其他用途则适当兼顾;其他兼放电影且有固定放映设备的公共集会、文娱演出建筑可参照本规范有关条款执行。
1.0.4 电影院建筑设计应为观众创造安全和良好的视听环境,为工作人员创造方便有效的工作环境。
1.0.5 电影院设施应遵循数字电影和电影产业可持续性发展的原则,充分考虑使用和经营,以保证最大地发挥社会效益和经济效益。
1.0.6 电影院的规模按观众厅的总容量可分为:特大型: 1801 座以上或 11 个厅以上;大型: 1201 座~ 1800 座或 8~10 个厅;中型: 701 座~ 1200 座或 5~7 个厅;小型: 700 座以下或 4 个厅。
1.0.7 电影院应布点合理,规模适当,宜设不小于 4 个观众厅。
1.0.8 电影院根据质量标准和使用要求分特级、甲级、乙级、丙级四个等级(与特大、大、中、小型交叉组合)。
不同等级电影院建筑设计使用要求与使用年限、耐火等级应符合表 1.0.8 的规定。
1.0.9 电影院建筑设计除执行本规范外,尚应符合现行《民用建筑设计通则》,以及国家和专业部门颁布的有关设计标准、规范和规定。
1.0.10 电影院建筑防火设计应符合国家标准《建筑设计防火规范》GBJ16-87(2001 年版 ) 或《高层民用建筑设计防火规范》 GB50045-95(2001 年版 ) 中有关设计规定。
电影院建筑设计规范第一章总则第1.0.1条为保证电影院建筑设计满足安全、卫生及使用功能等方面的基本要求,特制订本规范。
第1.0.2条本规范适用于新建、扩建、改建的,以放映35mm的变形法、遮幅法宽银幕及普通银幕(包括立体声)三种影片为主的电影院建筑设计。
其他兼放电影且有固定放映设备的公共集会、文娱演出建筑可参照本规范有关条款执行。
第1.0.3条电影院的规模按观众厅的容量可分为:特大型1201座以上;大型801座~1200座;中型501座~800座;小型500座以下。
电影院应布点合理,规模适当。
当电影院总规模较大时,宜设多观众厅。
第1.0.4条电影院的质量标准分特、甲、乙、丙四个等级(与特大、大、中、小型交叉组合)。
特等要求根据具体情况确定。
甲、乙、丙等的相应要求应符合下列规定:一、主体结构耐久年限:甲等100年以上,乙等50~100年,丙等25~50年。
二、耐火等级:甲、乙等不应低于二级;丙等不应低于三级,且不应有特大型。
三、视听设施:甲等宜设置立体声。
甲等大型以上的观众厅主体结构宜具备能兼放、或以后能改建为兼放70mm影片的条件。
注:观众厅能兼放70mm影片的土建基本条件参见附录一。
第1.0.5条电影院建筑设计除执行本规范外,尚应符合《民用建筑设计通则》,以及国家和专业部门颁布的有关设计标准、规范和规定。
第二章基地和总平面第2.0.1条电影院基地选择应根据当地城镇建设总体规划,合理布置,并应符合下列规定:一、基地的主要入口应临接城镇道路、广场或空地;二、主要入口前道路通行宽度除不应小于安全出口宽度总和外,且中、小型电影院不应小于8m,大型不应小于12m,特大型不应小于15m;三、主要入口前的集散空地,中、小型电影院应按每座0.2㎡计,大型、特大型电影院除应满足此要求外,且深度不应小于10m;四、多观众厅电影院各主要面的集散空地应按实际分配的最多人数计算;总座位数2000座以上的电影院宜分数处集散;五、位于交叉口的电影院尚应满足城镇有关交通车行视距的规定。
电影院设计规范第一章总则第二章基地和总平面第三章观众厅3.1视点和视距3.2 视线和有关夹角3.3 坐席、排距和走道3.4 银幕3.5 干扰光的防止第四章声学第五章放映机房第六章其它用房6.1 门厅、休息厅6.2 办公、服务、设备用房6.3 厕所第七章防火和疏散7.1 防火7.2 疏散第八章建筑设备8.1 给水排水8.2 采暖通风和空气调节8.3 电器附录一银幕尺寸及其于观众厅的关系附录二名词解释附录三本规范用词说明第一章总则第1.01条为保证电影院建筑设计满足安全、卫生及使用功能等方面的基本要求,特制定本规范。
第1.02条本规范适用于新建、扩建、改建,以及放映35mm的变形法、遮幅法宽银屏及普通银屏(包括立体声)三种影片为主的电影院建筑设计。
其他兼放电影且有固定放映设备的公共集会、文娱演出建筑可参照本规范有关条款执行。
第1.03条电影院的规模按照观众厅的容量可分为:1、特大型1021座以上2、大型801座-1200座3、中型501座-800座4、小型500座以下影院应布点合理,规模适当,当电影院规模较大时,宜设多观众厅第1.04条电影院的质量标准分特、甲、乙、丙四个等级(与特大、大、中、小型交叉组合),特等要求根据具体情况确定。
甲、乙丙等的相应要求应符合下列规定:一、主体结构耐久年限:甲等100年以上,乙等50-100年,丙等25-50年二、耐火等级:甲、乙等不应低于二级;丙等不应低于三级,且不应有特大型三、试听等级:甲等宜设置立体声。
甲等大型以上的观众厅主体结构宜具备能兼放、或以后能改建为兼放70mm影片的条件。
注:观众厅能兼放70mm影片的土建基本条件参见附录一。
第1.05条电影院建筑设计除执行本规范以外,尚应符合《民用建筑设计通则》,以及国家和专业部门颁布的有关设计标准、规范和规定。
第二章基地和总平面第2.0.1条电影院基地选择应根据当地城镇建设总体规划,合理布置,并应符合下列规定:1、基地的主要入口应临城镇道路、广场或空地2、主要入口前道路通行宽度除不应小于安全出口宽度总和外,且中、小型电影院不应小于8m,大型不应小于12m,特大型不应小于15m。
中华人民共和国建设部中华人民共和国广播电影电视部标准电影院建筑设计规范JGJ 58-88第一章总则第1.0.1条为保证电影院建筑设计满足安全、卫生及使用功能等方面的基本要求,特制订本规范。
第1.0.2条本规范适用于新建、扩建、改建的,以放映35mm的变形法、遮幅法宽银幕及普通银幕(包括立体声)三种影片为主的电影院建筑设计。
其他兼放电影且有固定放映设备的公共集会、文娱演出建筑可参照本规范有关条款执行。
第1.0.3条电影院的规模按观众厅的容量可分为:特大型1201座以上;大型801座~1200座;中型501座~800座;小型500座以下。
电影院应布点合理,规模适当。
当电影院总规模较大时,宜设多观众厅。
第1.0.4条电影院的质量标准分特、甲、乙、丙四个等级(与特大、大、中、小型交叉组合)。
特等要求根据具体情况确定。
甲、乙、丙等的相应要求应符合下列规定:一、主体结构耐久年限:甲等100年以上,乙等50~100年,丙等25~50年。
二、耐火等级:甲、乙等不应低于二级;丙等不应低于三级,且不应有特大型。
三、视听设施:甲等宜设置立体声。
甲等大型以上的观众厅主体结构宜具备能兼放、或以后能改建为兼放70mm影片的条件。
注:观众厅能兼放70mm影片的土建基本条件参见附录一。
第1.0.5条电影院建筑设计除执行本规范外,尚应符合《民用建筑设计通则》,以及国家和专业部门颁布的有关设计标准、规范和规定。
第二章基地和总平面第2.0.1条电影院基地选择应根据当地城镇建设总体规划,合理布置,并应符合下列规定:一、基地的主要入口应临接城镇道路、广场或空地;二、主要入口前道路通行宽度除不应小于安全出口宽度总和外,且中、小型电影院不应小于8m,大型不应小于12m,特大型不应小于15m;三、主要入口前的集散空地,中、小型电影院应按每座0.2㎡计,大型、特大型电影院除应满足此要求外,且深度不应小于10m;四、多观众厅电影院各主要面的集散空地应按实际分配的最多人数计算;总座位数2000座以上的电影院宜分数处集散;五、位于交叉口的电影院尚应满足城镇有关交通车行视距的规定。
电影院建筑设计规范第1章总则第2章基地和总平面第3章观众厅3.1视点和视距3.2视线和有关夹角3.3座席、排距和走道3.4座席、排距和走道3.5银幕3.6干扰光的防止第4章声学第5章放映机房第6章其它用房6.1门厅、休息厅6.2办公、服务、设备用房6.3厕所第7章防火和疏散7.1防火7.2疏散第8章建筑设备8.1给水排水8.2采暖通风和空气调节8.3电气附录一银幕尺寸及其与观众厅的关系附录二名词解释附录三本规范用词说明第1章总则第1.0.1条为保证电影院建筑设计满足安全、卫生及使用功能等方面的基本要求,特制订本规范。
第1.0.2条本规范适用于新建、扩建、改建的,以放映35mm的变形法、遮幅法宽银幕及普通银幕(包括立体声)三种影片为主的电影院建筑设计。
其他兼放电影且有固定放映设备的公共集会、文娱演出建筑可参照本规范有关条款执行。
第1.0.3条电影院的规模按观众厅的容量可分为:特大型1201座以上;大型801座~1200座;中型501座~800座;小型500座以下。
电影院应布点合理,规模适当。
当电影院总规模较大时,宜设多观众厅。
第1.0.4条电影院的质量标准分特、甲、乙、丙四个等级(与特大、大、中、小型交叉组合)。
特等要求根据具体情况确定。
甲、乙、丙等的相应要求应符合下列规定:一、主体结构耐久年限:甲等100年以上,乙等50~100年,丙等25~50年。
二、耐火等级:甲、乙等不应低于二级;丙等不应低于三级,且不应有特大型。
三、视听设施:甲等宜设置立体声。
甲等大型以上的观众厅主体结构宜具备能兼放、或以后能改建为兼放70mm影片的条件。
注:观众厅能兼放70mm影片的土建基本条件参见附录一。
第1.0.5条电影院建筑设计除执行本规范外,尚应符合《民用建筑设计通则》,以及国家和专业部门颁布的有关设计标准、规范和规定。
第2章基地和总平面第2.0.1条电影院基地选择应根据当地城镇建设总体规划,合理布置,并应符合下列规定:一、基地的主要入口应临接城镇道路、广场或空地;二、主要入口前道路通行宽度除不应小于安全出口宽度总和外,且中、小型电影院不应小于8m,大型不应小于12m,特大型不应小于15m;三、主要入口前的集散空地,中、小型电影院应按每座0.2㎡计,大型、特大型电影院除应满足此要求外,且深度不应小于10m;四、多观众厅电影院各主要面的集散空地应按实际分配的最多人数计算;总座位数2000座以上的电影院宜分数处集散;五、位于交叉口的电影院尚应满足城镇有关交通车行视距的规定。
1.放映口下端到地面的距离,规范要求大于1.9米2.进场过道宽1.4米3.两排的视高差值为0.28米。
4.座位的宽度为0.5米。
5.座椅排距为1.1米。
6.头排界限中根据变形法,宽银幕中计算得到7.9(屏宽)*0.64(系数)=5.05米(第一排离幕距)。
造成仰角过大带来不适。
7.宽荧幕的头排距离是荧幕的0.64~0.67倍。
8.放映机镜头至墙面距离为35cm~40cm9.普通银幕:宽W=1/5~1/6(观众厅长),高H=0.73W,下沿高出第一排地平>1.8米;上沿低于顶棚>1.0W。
第一排与银幕距离>1.5W。
10.宽银幕:宽W=1/2~1/3L(观众厅长),高H=0.39W,下沿高出第一排地平>1.5米;上沿低于顶棚>1.0W。
第一排与银幕距离>0.78W。
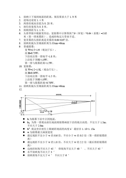
11.放映机镜头至墙面距离为35cm~40cm12.●h为银幕下沿中点到地面,●h。
为第一排观众座位地面离银幕画面下沿的视点高度,不宜大于1.5m,不应大于2.0m●h’观众坐在座位上眼睛距地面的高度h’最好在1.10-1.15m●w为银幕最大画面宽度●最近视距不宜小于w的0.6倍,不应小于w的0.5倍(第一排距银幕距离)●最远视距不宜小于w的1.8倍,不应大于w的2.2倍(最后排距银幕距离)●边座控制角不应大于45 °仰视角不宜大于40 °,不应大于45 °●水平放映角不应大于3 °●放映俯角不宜大于4 °不应大于6 °13.宽银幕画面宽度宜不小于8米,应不小于6米。
这就是银幕尺寸水平宽度的底线。
凡是宽度小于6米的影厅,就是不达标的影厅。
此类影厅在设计阶段就必须放弃。
14.电影厅尺寸:长宽1.5:1。
15.最大:≤700平方。
16.最小:≥150平方。
17.大厅:400平方以上,350~550座位。
18.中厅:200平方以上,180~350座位。
电影院建筑设计规范电影院作为一个文化娱乐场所,其建筑设计规范需要符合人流、安全和观影体验等方面的要求。
下面是电影院建筑设计规范的一些主要内容:1. 建筑结构:电影院建筑需要具备良好的结构稳定性和承重能力,以应对大批观众的集中载荷。
建筑结构需要经过严格的计算和设计,确保在地震、台风等自然灾害下能够保持安全稳定。
2. 人流设计:电影院需要考虑观众的人流组织和安全疏散。
入口和出口的位置和数量需要合理布局,以便观众能够便捷地进出场所。
通道和过道的宽度需要满足消防安全要求,同时保证观众能够流畅地进出和离开座位。
3. 观影设施布局:座位的布置需要考虑观众的视线和舒适度。
屏幕应该设置在观众能够清晰看到的位置,避免产生死角。
座位之间的间距和高度需要合理设计,以确保观众能够有足够的空间活动和舒适地观影。
4. 声学设计:电影院需要进行良好的声学设计,保证观众能够听到清晰的音效和对话。
天花板、墙壁和地板的材料和布置需要考虑声音的反射和吸收特性,以提供最佳的声音效果。
5. 灯光设计:电影院的灯光需要合理设计,以提供适宜的观影环境。
灯光的亮度和色温需要能够与屏幕上的画面相匹配,避免对观影体验产生干扰。
6. 空调和通风:电影院需要提供良好的空调和通风系统,以确保观众在观影过程中能够享受舒适的室内环境。
空气质量需要符合相关标准,防止观众因空气不流通而感到不适。
7. 消防安全:电影院需要配置合适的消防设备和灭火系统,以应对火灾等突发情况。
灭火器、喷淋系统和疏散通道等消防设施需要符合消防规范要求,并经常进行检查和维护。
8. 设备设施:除了观影厅之外,电影院还需要提供餐厅、休息区、卫生间等辅助设施。
这些设施的设计需要考虑观众的需求和舒适度,同时满足相关卫生和安全标准。
综上所述,电影院的建筑设计规范需要同时考虑观众的观影体验和安全性。
优秀的建筑设计能够为观众提供良好的观影环境,同时保证他们的安全和舒适。
电影院建筑设计规范1 总则1.0.1 为保证电影院建筑的设计质量,使其满足适用、安全、卫生及电影工艺等方面的基本要求,制定本规范。
1.0.2 本规范适用于放映35mm的变形宽银幕、遮幅宽银幕及普通银幕三种画幅制式电影和数字影片的新建、改建、扩建电影院建筑设计。
1.0.3 当电影院有多种用途或功能时,应按其主要用途确定建筑标准。
1.0.4 电影院建筑应为观众创造安全和良好的视听环境,为工作人员创造方便有效的工作环境。
1.0.5 电影院建筑设计应遵循电影产业可持续性发展的原则,并应与电影院工艺设计紧密配合。
1.0.6 电影院建筑设计除应符合本规范外,尚应符合国家现行有关标准的规定。
3 基地和总平面3. 1 基地3.1.1 电影院选址应符合当地总体规划和文化娱乐设施的布局要求。
3.1.2 基地选择应符合下列规定:1 宜选择交通方便的中心区和居住区,并远离工业污染源和噪声源;2 至少应有一面直接临接城市道路。
与基地临接的城市道路的宽度不宜小于电影院安全出口宽度总和,且与小型电影院连接的道路宽度不宜小于8m,与中型电影院连接的道路宽度不宜小于12m,与大型电影院连接的道路宽度不宜小于20m,与特大型电影院连接的道路宽度不宜小于25m;3 基地沿城市道路方向的长度应按建筑规模和疏散人数确定,并不应小于基地周长的1,6;4 基地应有两个或两个以上不同方向通向城市道路的出口;5 基地和电影院的主要出入口,不应和快速道路直接连接,也不应直对城镇主要干道的交叉口; 26 电影院主要出入口前应设有供人员集散用的空地或广场,其面积指标不应小于0.2m,座,且大型及特大型电影院的集散空地的深度不应小于10m;特大型电影院的集散空地宜分散设置。
3.1.3基地的机动车出入口设置应符合现行国家标准《民用建筑设计通则》GB 350352中的有关规定。
4 建筑设计4. 1 一般规定4.1.1 电影院的规模按总座位数可划分为特大型、大型、中型和小型四个规模。
广电总局发布电影院设计规范及条文说明1总则1.0.1为保证电影院建筑的设计质量,使其满足适用、安全、卫生及电影工艺等方面的基本要求,制定本规范。
ﻫ1.0.2本规范适用于放映35mm的变形宽银幕、遮幅宽银幕及普通银幕三种画幅制式电影和数字影片的新建、改建、扩建电影院建筑设计。
1.0.3当电影院有多种用途或功能时,应按其主要用途确定建筑标准。
1.0.4电影院建筑应为观众创造安全和良好的视听环境,为工作人员创造方便有效的工作环境。
ﻫ1.0.5电影院建筑设计应遵循电影产业可持续性发展的原则,并应与电影院工艺设计紧密配合。
ﻫ1.0.6电影院建筑设计除应符合本规范外,尚应符合国家现行有关标准的规定。
ﻫ2术语ﻫ2.0.12.0.2普通银幕电影standard filmﻫ影片宽度为35mm,画面高宽比为1:1.375的电影。
ﻫ变形宽银幕电影anamorphicfilmﻫ拍摄或印片时用变形物镜使记录在感光胶片上的影像沿2.0.3水平方向压缩,放映时再通过变形镜头使变形影像复原的、画面高宽比为1:2.35的电影。
ﻫ遮幅宽银幕电影masking wide-screen film拍摄时采用画面高宽比为1:1.85(或1:1.66)的片窗,放映时采用比放映普通银幕电影焦距更2.0.4设计视点view point短的镜头,以获得宽银幕电影效果的电影。
ﻫ2.0.5最低设计视点高度minimum 影厅垂直视线设计用的基准视点,定在银幕画面下缘中点。
ﻫheight ofview pointﻫ银幕上各种制式画面中最低有效画面下缘距第一排观众席地面2.0.6最近视距minimumviewingdistanceﻫ观众厅第一排中心座位观众的高度。
ﻫ眼点(通常以椅背代替)至设计视点的水平距离。
2.0.7最远视距maximum viewing distanceﻫ观众厅最后一排中心座位观众眼点(通常以椅背代替)至设计视点的水平距离。
2.0.8放映距离projection distanceﻫ放映物镜至银幕中心的距离。
电影院设计规范(共4页)--本页仅作为文档封面,使用时请直接删除即可----内页可以根据需求调整合适字体及大小--电影院的规模按总座位数可划分为特大型、大型、中型和小型四个规模。
不同规模的电影院应符合下列规定:1 特大型电影院的总座位数应大于1800个,观众厅不宜少于11个;2 大型电影院的总座位数宜为1201~1800个,观众厅宜为8~10个;3 中型电影院的总座位数宜为701~1200个,观众厅宜为5~7个;4 小型电影院的总座位数宜小于等于700个,观众厅不宜少于4个。
本方案电影院为中型电影院,座位数为737个,观众厅为6个,其中包括5个容纳89人的小厅,以及一个容纳292人的大厅,小厅尺寸为,长宽比例为:1(—);高度为。
建筑面积约为140㎡;大厅尺寸为25mX15m,长宽比例为:1(—);建筑面积约为375㎡,高度为;六个观众厅斜视角为40°(≤45°),小厅的仰视角为°(≤45°),放映俯角为°(≤6°),最近视距为(≥,W=8m),最远视距为(≤,W=8m);大厅的仰视角为°(≤45°),放映俯角为°(≤6°),最近视角为(≥,W=13m),最远视距为(≤,W=13m);集中设置的放映机房有两处,走道相通,放映机房的净深为,净高为,放映机镜头光轴距离机房地面高度为;主要的功能空间分为观众厅、公共区域、放映机房和其他用房;公共区域分为门厅、休息厅、售票处、小卖部、厕所等,满足群众的需求;其他用房宜包括多种营业用房、建筑设备用房、智能化系统机房和员工用房等4. 2 观众厅1 观众厅的设计应与银幕的设置空间统一考虑,观众厅的长度不宜大于30m,观众厅长度与宽度的比例宜为±:1;4 观众厅净高度不宜小于视点高度、银幕高度与银幕上方的黑框高度~三者的总和;每排座位的数量应符合下列规定:1 短排法:两侧有纵走道且硬椅排距不小于或软椅排距不小于时,每排座位的数量不应超过22个,在此基础上排距每增加50mm,座位可增加2个;当仅一侧有纵走道时,上述座位数相应减半;2 长排法:两侧有走道且硬椅排距不小于或软椅排距不小于时,每排座位的数量不应超过44个;当仅一侧有纵走道时,上述座位数相应减半。
电影院工艺设计的技术要求(根据《电影院建筑设计规范》新报批稿和《星级电影院的评定要求》供参考)一、电影院建筑设计的基本条件:1、电影院的选址:考虑周边基本电影观众的人口数、文化层次、交通条件、消费水平、商业环境的拉动等。
2、电影院的规模:可根据基本电影观众人口数、电影院的建筑面积、所在的楼层高度、消防条件的要求以及经济效益、运营成本、投资金额、回报年限等来设计电影院的规模、影厅的数量、大小。
3、电影院的设置:一般设置在建筑的一至三层。
四层以上或地下建设的电影厅,其规模应符合消防规范,保证观众安全疏散要求。
二、电影院工艺设计要求:1、电影厅设计的几何尺寸:观众厅的长宽比例为1.5:1;最大面积≤700㎡。
最小面积应≥150㎡,不少于100座(考虑视听效果和投资成本)。
2、电影厅的大小设置:根据观众厅的面积、容积、和座位数、可分为大厅面积400㎡以上,350座---550座;中厅200㎡以上,180座---350座;小厅200㎡以下,180座以下。
电影厅的容积可根据银幕和视点的设置计算厅的净高,取6~10m3/座。
3、电影银幕的设置:根据五星级电影院的评定要求,最小电影厅的银幕应≥8M,中厅银幕应≥10M,大厅银幕应≥14M;4、电影院的建筑高度:设有大厅的影院内部净高度≥9.5M;设有中厅的影院内部净高度≥8M;设有小厅的影院内部净高度≥6.5M;5、电影院内电影厅的配置:《规范》要求电影院(城)电影厅的配置,下限至少不少于4个电影厅,总座席数700座以上。
一类城市最佳地段电影院(城)配置8厅以上;其中350座以上大厅1----2个,200座以上中厅4---5个,180座以下小厅2---3个。
总座席数1200---1800座二类城市最佳地段电影院(城)配置5厅以上,总座席数700---1200座。
6、电影院(城)内观众的进、出场应顺畅,便于管理,应避免人流交叉和拥挤,二层以上的大、中型电影城进场应设有电梯或扶梯;观众疏散楼梯的位置数量和出口的宽度应符合消防要求。
影院设计规范范文影院作为一个集观影、娱乐、休闲为一体的综合性场所,在设计上既要满足观影者的需求,又要考虑到工程的实施、运营和管理方面的要求。
因此,影院设计规范是非常重要的,下面将从空间布局、座位设计、音响设备和灯光设计等方面详细介绍。
一、空间布局1.观众安全:设计应保证观众的安全,包括应设置足够数量的安全出口和疏散通道,确保在紧急情况下观众能够迅速有效地离开影院。
2.舒适度:观众在影院中观影的时间一般较长,因此座椅和走道的设计应考虑到观众的舒适度,如座椅宽敞舒适、视线良好、走道宽阔等。
3.视觉效果:影院设计应注重观影效果,包括选择合适的屏幕尺寸和高度、安排观众席的观看角度、减少光线干扰等。
4.影音隔离:应对音响设备和放映机进行隔离,以减少噪音对观众的干扰。
二、座椅设计1.座位间距:座位之间应保留足够的间距,以确保观众能够自如地出入座椅,并避免头部和膝盖间的碰撞。
2.坐姿舒适度:座椅设计应考虑到观众的舒适度,包括座位的宽度、角度、颈椎和腰椎的支撑等。
3.观看角度:座位的高低应适当调整,以保证观众能够有良好的视觉效果,避免因身高差异而影响观影体验。
4.优先座位:应设立优先座位,以方便老年人、残障人士等特殊观众就坐。
三、音响设备1.声场设计:影院的音响系统应能提供清晰逼真的声音效果,包括平衡的音量、立体的声场和清晰的对话声。
2.设备布置:音响设备应根据影院的实际情况进行合理布置,以保证音响效果的最佳体验。
3.声音控制:应设置合适的声音限制,确保影院内的声音不超过观众可以接受的范围。
4.音响维护:应定期对音响设备进行维护和保养,以确保设备的正常运行和持久使用。
四、灯光设计1.舞台照明:灯光设计应满足影片放映和表演的需求,包括背景灯、特效灯、聚光灯等。
2.观众照明:观众席的照明应舒适柔和,既能满足观众的需求,又不影响观看屏幕的效果。
3.紧急疏散照明:应设置紧急疏散照明装置,以确保在紧急情况下观众能够迅速有效地离开影院。
大影院设计规范标准第一章总则第1.0.1条为保证电影院建筑设计满足安全、卫生及使用功能等方面的基本要求,特制订本规范。
第1.0.2条本规范适用于新建、扩建、改建的,以放映35mm的变形法、遮幅法宽银幕及普通银幕(包括立体声)三种影片为主的电影院建筑设计。
其他兼放电影且有固定放映设备的公共集会、文娱演出建筑可参照本规范有关条款执行。
第1.0.3条电影院的规模按观众厅的容量可分为:特大型1201座以上;大型801座~1200座;中型501座~800座;小型500座以下。
电影院应布点合理,规模适当。
当电影院总规模较大时,宜设多观众厅。
第1.0.4条电影院的质量标准分特、甲、乙、丙四个等级(与特大、大、中、小型交叉组合)。
特等要求根据具体情况确定。
甲、乙、丙等的相应要求应符合下列规定:一、主体结构耐久年限:甲等100年以上,乙等50~100年,丙等25~50年。
二、耐火等级:甲、乙等不应低于二级;丙等不应低于三级,且不应有特大型。
三、视听设施:甲等宜设置立体声。
甲等大型以上的观众厅主体结构宜具备能兼放、或以后能改建为兼放70mm影片的条件。
注:观众厅能兼放70mm影片的土建基本条件参见附录一。
第1.0.5条电影院建筑设计除执行本规范外,尚应符合《民用建筑设计通则》,以及国家和专业部门颁布的有关设计标准、规范和规定。
第二章基地和总平面第2.0.1条电影院基地选择应根据当地城镇建设总体规划,合理布置,并应符合下列规定:一、基地的主要入口应临接城镇道路、广场或空地;二、主要入口前道路通行宽度除不应小于安全出口宽度总和外,且中、小型电影院不应小于8m,大型不应小于12m,特大型不应小于15m;三、主要入口前的集散空地,中、小型电影院应按每座0.2㎡计,大型、特大型电影院除应满足此要求外,且深度不应小于10m;四、多观众厅电影院各主要面的集散空地应按实际分配的最多人数计算;总座位数2000座以上的电影院宜分数处集散;五、位于交叉口的电影院尚应满足城镇有关交通车行视距的规定。
广电总局发布电影院设计规范及条文说明1总则1.0.1为保证电影院建筑的设计质量,使其满足适用、安全、卫生及电影工艺等方面的基本要求,制定本规范。
1.0.2本规范适用于放映35mm的变形宽银幕、遮幅宽银幕及普通银幕三种画幅制式电影和数字影片的新建、改建、扩建电影院建筑设计。
1.0.3当电影院有多种用途或功能时,应按其主要用途确定建筑标准。
1.0.4电影院建筑应为观众创造安全和良好的视听环境,为工作人员创造方便有效的工作环境。
1.0.5电影院建筑设计应遵循电影产业可持续性发展的原则,并应与电影院工艺设计紧密配合。
1.0.6电影院建筑设计除应符合本规范外,尚应符合国家现行有关标准的规定。
2术语2.0.1普通银幕电影standard film影片宽度为35mm,画面高宽比为1:1.375的电影。
2.0.2变形宽银幕电影anamorphic film拍摄或印片时用变形物镜使记录在感光胶片上的影像沿水平方向压缩,放映时再通过变形镜头使变形影像复原的、画面高宽比为1:2.35的电影。
2.0.3遮幅宽银幕电影masking wide-screen film拍摄时采用画面高宽比为1:1.85(或1:1.66)的片窗,放映时采用比放映普通银幕电影焦距更短的镜头,以获得宽银幕电影效果的电影。
2.0.4设计视点view point影厅垂直视线设计用的基准视点,定在银幕画面下缘中点。
2.0.5最低设计视点高度minimum height of view point银幕上各种制式画面中最低有效画面下缘距第一排观众席地面的高度。
2.0.6最近视距minimum viewing distance观众厅第一排中心座位观众眼点(通常以椅背代替)至设计视点的水平距离。
2.0.7最远视距maximum viewing distance观众厅最后一排中心座位观众眼点(通常以椅背代替)至设计视点的水平距离。
2.0.8放映距离projection distance放映物镜至银幕中心的距离。
2.0.9仰视角vertical inclined viewing angle观众厅第一排中心座位观众眼点的水平线与银幕上缘形成的垂直夹角。
2.0.10斜视角horizon talinclined viewing angle观众厅第一排边座观看银幕中心的视线与银幕中轴线形成的水平夹角。
2.0.11视线超高值(c值)exceeding value of vertical sightline后排观众观看设计视点的视线与前排观众眼睛垂线之交点,与前排观众眼睛间的高度差。
2.0.12水平放映角horizontalprojectionangle放映光轴与银幕中轴线夹角在水平面上的投影角。
2.0.13垂直放映角vertical projection angle放映光轴与银幕中轴线的垂直夹角,分为放映仰角和放映俯角两种。
2.0.14数字影片digital movies用数字方式发行和放映的电影。
3基地和总平面3.1基地3.1.1电影院选址应符合当地总体规划和文化娱乐设施的布局要求。
3.1.2基地选择应符合下列规定:1宜选择交通方便的中心区和居住区,并远离工业污染源和噪声源;2至少应有一面直接临接城市道路。
与基地临接的城市道路的宽度不宜小于电影院安全出口宽度总和,且与小型电影院连接的道路宽度不宜小于8m,与中型电影院连接的道路宽度不宜小于12m,与大型电影院连接的道路宽度不宜小于20m,与特大型电影院连接的道路宽度不宜小于25m;3基地沿城市道路方向的长度应按建筑规模和疏散人数确定,并不应小于基地周长的1/6;4基地应有两个或两个以上不同方向通向城市道路的出口;5基地和电影院的主要出入口,不应和快速道路直接连接,也不应直对城镇主要干道的交叉口;6电影院主要出入口前应设有供人员集散用的空地或广场,其面积指标不应小于0.2m2/座,且大型及特大型电影院的集散空地的深度不应小于10m;特大型电影院的集散空地宜分散设置。
3.1.3基地的机动车出入口设置应符合现行国家标准《民用建筑设计通则》Gt350352中的有关规定。
3.2总平面3.2.1总平面布置应符合下列规定:1宜为将来的改建和发展留有余地;2建筑布局应使基地内人流、车流合理分流,并应有利于消防、停车和人员集散。
3.2.2基地内应为消防提供良好道路和工作场地,并应设置照明。
内部道路可兼作消防车道,其净宽不应小于4m,当穿越建筑物时,净高不应小于4m。
3.2.3停车场(库)设计应符合下列规定:1新建、扩建电影院的基地内宜设置停车场,停车场的出人口应与道路连接方便;2贵宾和工作人员的专用停车场宜设置在基地内;3贴邻观众厅的停车场(库)产生的噪声应采取适当的措施进行处理,防止对观众厅产生影响;4停车场布置不应影响集散空地或广场的使用,并不宜设置围墙、大门等障碍物。
3.2.4绿化设计应符合当地行政主管部门的有关规定。
3.2.5场地应进行无障碍设计,并应符合国家现行行业标准《城市道路和建筑物无障碍设计规范》JOJ50中的有关规定。
3.2.6综合建筑内设置的电影院,应符合下列规定:1楼层的选择应符合现行国家标准《建筑设计防火规范》GB50016及《高层民用建筑设计防火规范》GB50045中的相关规定;2不宜建在住宅楼、仓库、古建筑等建筑内。
3.2.7综合建筑内设置的电影院应设置在独立的竖向交通附近,并应有人员集散空间;应有单独出入口通向室外,并应设置明显标示。
4建筑设计4.1一般规定4.1.1电影院的规模按总座位数可划分为特大型、大型、中型和小型四个规模。
不同规模的电影院应符合下列规定:1特大型电影院的总座位数应大于1800个,观众厅不宜少于11个;2大型电影院的总座位数宜为1201~1800个,观众厅宜为8~10个;3中型电影院的总座位数宜为701~1200个,观众厅宜为5~7个;4小型电影院的总座位数宜小于等于700个,观众厅不宜少于4个。
4.1.2电影院建筑的等级可分为特、甲、乙、丙四个等级,其中特级、甲级和乙级电影院建筑的设计使用年限不应小于50年,丙级电影院建筑的设计使用年限不应小于25年。
各等级电影院建筑的耐火等级不宜低于二级。
4.1.3电影院建筑应根据所在地区需求、使用性质、功能定位、服务对象、管理方式等多方面因素合理确定其规模和等级。
4.1.4电影院宜由观众厅、公共区域、放映机房和其他用房等组成。
根据电影院规模、等级以及经营和使用要求,各类用房可增减或合并。
主要用房的分区设置应符合下列规定:1应根据功能分区,合理安排观众厅区、放映机房区的位置;对于多厅电影院应做到观众厅区相对集中;2应解决好各部分之问的联系和分隔要求。
各类用房在使用上应有适应性和灵活性,应便于分区使用、统一管理。
4.1.5人流组织应符合下列规定:1观众厅人流组织应合理,保证观众的有序入场及疏散,观众入场和疏散人流不得有交叉;2应合理安排放映、经营之间的运行路线,观众、管理人员和营业运送路线应便捷畅通,互不干扰。
4.1.6各个观众厅、放映机房的层高设计应根据观众厅规模、工艺要求和技术经济条件综合确定。
4.1.7电影院建筑外部应符合下列规定:1电影院出人口应设置明显的标识;2设有突出的广告牌等设施时,应安全可靠,且不应影响消防车辆的通行和人员疏散。
4.1.8、电影院设置电梯或自动扶梯不宜贴邻观众厅设置。
当贴邻设置时,应采取隔声、减振等措施。
4.1.9电影院建筑的节能设计应符合现行国家标准《公共建筑节能设计标准》GB50189中的有关规定。
4.1.10锅炉房或冷却塔不宜贴邻观众厅设置;当贴邻设置时,应采取消声、隔声及减振措施。
4.1.11各类用房应按其噪声等级分区布置。
有噪声的用房不宜与观众厅贴邻设置。
当贴邻设置时,应采取消声、隔声及减振措施。
4.1.12当观众厅屋面工程采用轻型屋面时,应采取隔声、减振措施。
4.1.13电影院建筑应进行无障碍设计,并应符合国家现行行业标准《城市道路和建筑物无障碍设计规范》JGJ50中的有关规定。
4.1.14电影院建筑中的公共信息标志用图形符号,应符合现行国家标准《公共信息标志用图形符号》GB10001中的有关规定。
4.2观众厅4.2.1观众厅应符合下列规定:1观众厅的设计应与银幕的设置空间统一考虑,观众厅的长度不宜大于30m,观众厅长度与宽度的比例宜为(1.5±0.2):1;2楼面均布活荷载标准值应取3kN/m2;3观众厅体形设计,应避免声聚焦、回声等声学缺陷;4观众厅净高度不宜小于视点高度、银幕高度与银幕上方的黑框高度(0.5~1.0m)三者的总和;5新建电影院的观众厅不宜设置楼座;6乙级及以上电影院观众厅每座平均面积不宜小于1.0 m2,丙级电影院观众厅每座平均面积不宜小于0.6mz。
4.2.2观众厅视距、视点高度、视角、放映角及视线超高值,应符合表4.2.2的规定(图4.2.2—1、图4.2.2-2)。
表4.2.2观众厅视距、视点高度、视角、放映角及视线超高值最近视距(m) ≥0.60w≥0.60w≥0.55W≥0.50W最远视距(m) ≤1.8W K2.0W K2.2W K2.7W最高视点高度h0(m) ≤1.5≤1.6≤1.8≤2.0仰视角(°) ≤40≤45斜视角(°) ≤35≤40≤45水平放映角(°) ≤3放映俯角(°) K6视线超高值C(m) c值取0.12m,需要时可增加附加值c‘ c值可隔排取0.12m4.2.3观众厅的地面升高应满足无遮挡视线的要求,并可按下式计算(图4.2.3):Yn=Xn/Xo·(Yo—c) (4.2.3)式中Xo——前一排观众眼睛到设计视点的水平距离(m);Xn——后一排观众眼睛到设计视点的水平距离(m);Yo——前一排观众眼睛到设计视点的垂直距离(m);Yn——后一排观众眼睛到设计视点的垂直距离(m);c——视线超高值,0.12m;Hn——地面升高值(m)。
图4.2.2—1观众厅工艺设计平面图W一银幕最大画面宽度(m);L一放映距离(m)图4.2.2—2观众厅工艺设计剖面图H银幕最大画面高度(m);H一一设计视点高度(m);h一一最高视点高度(m);h一一观众眼睛离地高度(m);c一视线超高值(m)4.2.4银幕设置应符合下列规定:1采用“等高法”画幅制式配置时,三种制式的银幕高度宜一致,左右宽度可根据画幅高宽比调整(图4.2.4—1)。
图4.2.3地面升高的无遮挡视线设计图4.2.4-1“等高法”银幕画幅制式配置2采用“等宽法”画幅制式配置时,应符合下列规定:1)宽银幕和遮幅幕的银幕宽度宜一致,上下高度可根据画幅高宽比调整(图4.2.4—2);2)普通幕和遮幅幕的高度宜一致,左右宽度可根据画幅高宽比调整(图4.2.4—2)。