精雕机平面图转换
- 格式:doc
- 大小:2.93 MB
- 文档页数:15
准备好要加工的文件(.bmp或者stl)第一步:双击桌面“北京精雕”图标打开软件。
双击桌面“北京精雕”图标打开软件第二步:文件---输入---点阵图像.bmp或者三维曲线曲面.stl格式的文件.bmp格式Stl格式第三步:选择文件点击打开第四步:点击鼠标左键放下图标第五步:使用下面工具绘制外轮廓红色的线为外轮廓,按鼠标右键退出命令第六步:按住鼠标左键拖拉或者点击左键选择外轮廓(以下步骤选取方法一样),点击变换命令下的尺寸等同,鼠标左键选取位图第六步:选双向尺寸等同第七步:点击右侧对齐然后点击组合对齐对齐组合对齐第八步:左键点击位图出现图形对齐窗口第九步:选取位图,点击---艺术曲面----图像纹理----位图转网格第十步:点击位图,出现位图转曲面窗口,设置曲面高度(曲面高度指的是图形的最低和最高之间的高度)第十一步:点击选取位图按键盘Delete键删除第十二步:选取网格点击---艺术曲面----网格重构:改变精度第十三步:改变X、Y轴向精度这里改变精度(建议设为0.1)第十四步:选取网格点击虚拟雕塑第十五步:点击---模型-----Z向变换第十六步:点击----高点移至XOY第十七步:点击---选择工具图标第十八步:选取网格和雕刻范围,点击---刀具路径---路径向导---出现设定加工范围窗口第十九步:选择加工范围,点击下一步第二十步:选择刀具点击下一步第二十一步:设定切削用量点击下一步第二十二步:进给设置----路径间隙(改变路径间距---间距越小加工精度越高,但是加工时间越长;建议设为0.1左右)第二十三步:进给设置----进刀方式(关闭进刀方式)点击完成第二十四步:选取路径,点击---刀具路径-----输出刀具路径第二十五步:弹出“刀具路径输出”对话框,选择保存路径和文件名,点保存第二十六步:在“输出ENG文件”对话框中,点击“拾取二维点(D)”按钮,点击位图左下角第二十七步:在“输出ENG文件”对话框中,点击“确定”按钮第二十八步:关闭软件(注:文档可能无法思考全面,请浏览后下载,供参考。
精雕灰度图转浮雕的做法:首先打开精雕作图软件如图,打开之后点击屏幕左上方的“文件”如图,找到目录下的“输入”然后找到“点阵图像”单击文件类型选择(*.bmp),找到所需要加工的图打开,如:打开之后看一下图的尺寸是否是你需要加工的尺寸,如果不是那就需要修改一下图的加工尺寸首先选中图片,单击屏幕左上方的“变换”,找到目录下的“放缩”(快捷键Alt+4),如图假如雕刻尺寸是200X200 (MM)只要修改横向尺寸为200,点一下“保持比例”就可以了,纵向尺寸就自动变到200,如果你雕刻的尺寸是不规则的,比如是200X100(mm)那就横向尺寸改到200,纵向尺寸改成100,这次不需要点击“保持比例”,尺寸修改完之后,点击屏幕中心上方的“艺术曲面”,找到目录下的“图像纹理”——单击“位图转网格”,这是把鼠标放到图片上点击一下会出现如图:需要修改一下你的加工工件的雕刻深度如图:如果雕刻是3毫米,输入3就可以了,然后点击“确定”,出现如图出现一个网格,这个网格就是我们用灰度图转出来的浮雕图,然后我们把灰度图移开或是删除,现在我们开始绘制一个矩形,单击屏幕左上方的“绘制”,找到目录下的“矩形”(Ctrl+T)点击,找到空白处单击鼠标左键,移动鼠标出现矩形再次点击鼠标左键,就绘制出一个矩形,然后单击鼠标右键退出,选中矩形单击“变换”目录下的——“尺寸等同”,这是用鼠标左键单击以下网格出现如图:选择双向尺寸等同之后点击确定,此时矩形和网格一样大,然后再单击屏幕右侧工具栏的“对齐”,找到目录下的如图:点击,现在用鼠标左键单击网格出现如下图:现在单击“确定”,矩形和网格上下左右全部对齐,现在单击一下网格进入屏幕左侧工具栏里的“虚拟雕塑工具”如下图:下一步会出现如图:假如看不到这种图片说明你前一步没有选择网格,下一步单击屏幕上方的“模型”找到目录下的——“Z向变换”如下图:单击Z向变换,屏幕右侧会出现如图:点击一下——“高点移至X0Y”如图:现在低点是-3了,(为什么高点是0低点是-3呢?就比如你雕刻的深度是3,你是要在物体的表面往下雕刻3毫米,所以说高点0就是加工物体的表面,低点-3就是你所加工浮雕的深度,这样应该明白这一步是怎么回事了)。
精雕软件操作方法步骤一、精雕软件1、打开文件——输入——点阵图像——选图2、变换——放缩——改尺寸3、选中图——艺术曲面——图像纹理——位图转网格——点击图片改雕刻深度4、选中图——虚拟雕塑工具——效果——整体磨光点1次5、模型——Z向变换——高点移至XOY——选择工具6、选中图——刀具路径——路径向导——曲面精雕刻——下一步——锥度平底刀——改顶直径、刀具锥、底直径——下一步——路径间距 ?底直径——完成。
7、选中图——刀具路径——输出刀具路径——文件版本改为EN3D 3.X——特征点——路径左下角——完成。
二、精雕作图1、打开文件——输入——点阵图像——选图2、打开左下角捕捉点——用多义线——样条曲线——描图3、虚拟雕塑工具——选项——模型属性——撤销次数选 10——按Z键就可以一步步撤销4、打开模型——新建模型——改XY步长为0.01 边界系量5、颜色——单线填色6、颜色——种子填色 7、雕塑——冲压——选颜色内——冲压深度选尺寸那个圈的大小按A/S键8、雕塑——去料——选颜色内——那个圈里的高、深按W\Q键——选图里面的颜色和左边的第一个颜色对称才能去料——按shift+B和shift+N 来回切换看效果9、虚拟雕塑工具——效果——磨光也可以整体磨光 10、模型——存为灰度图三、雕弯图1、选有尺寸——把图生成网格之后2、绘制——矩形——圈图——绘制——点3、绘制——多义线————选定点定点——微距离——按Ctrl+右键——复制到右边顶点样条曲线——连线——选定往下拉——全选4、艺术曲线——变形——被变形曲面对称“图、基准曲线对称框的曲线、变形曲线对称多义线——确定全选5、虚拟雕塑工具——效果——整体磨光点2次6、模型——Z向变换——高点移至XOY 7、刀具路径——路径向导——曲面精雕刻——下一步——锥度平底刀——改顶直径、刀具锥、底直径——下一步——路径间距(路径间距?底直径)——完成 8、刀具路径——输出刀具路径——文件版术改为EN3D 3.X——特征点——路径左下角——生成。
【精雕实例】入门-灰度图转浮雕简易处理步骤灰度图转浮雕简易处理过程(入门)发这个贴,算是给新人和自己上个小课吧。
当是无脑输出。
刚好给客户完成一张抽屉面的图,规格为61*395.就以此为例吧。
原图如下:第一步:打开精雕软件,文件-输入-点阵图像-选择指定图像(注意文件类型)〈图1〉第二步:绘制所需尺寸图形,绘制-矩形(随意画个)-选中矩形-变换-放缩(输入395*61);编辑-单线等距-选中矩形向内偏移4MM(起外框线条)-'绘制,矩形'以内框左上角为起点按住SHIFT拉伸差不多8MM左右放手〈图21〉-'编辑修剪'点选内框和小矩形-右键确认,左键修剪掉内框左上角线条-'编辑,倒圆角'-输入半径5右键(注意左右下角)-右键确认上圆角<图22>;给外框上中心线修剪掉内框除左上角部分的其它三部分〈图23〉-点选左上角部分‘变换镜像’以为中心线为轴对称(注意右上角选复制图形)-‘编辑,连接’内框-‘单线等距’向外偏移4MM;点选灰度图按住SHIFT移动图像到方框内并放缩至合适位置(尽量别去让图像变形;小技巧:拉伸时按住CTRL同时两边拉伸)〈图24〉。
第三步:灰度转浮雕,艺术曲面-图像处理-位图转网格(注意左下角出现:点选一位图)-点击图像-弹出窗口输入需要的曲面高度(我这里为);右向左框选曲面按6进入‘虚拟雕塑环境’F6‘全局观察’-‘雕塑,冲压’去掉外框线条〈图32〉。
第四步(重要部分,个人技巧):完善灰度图转浮雕,去掉中心线-‘颜色,等高填色’(注意右上角,如图41设置)-点击浮雕(如图42效果)-再次在龙头外线点击(龙头明显还有水纹,直到把多余水纹填色掉,如图43)-‘颜色,颜色区域矢量化’生成外框线(小技巧:这个还有另外一个快捷键是/)-‘效果,磨光’多磨几次直到表面光滑,当然图像不能模糊了;接下来这个步骤很重要雕出来好不好看就看这了,‘冲压’右边选颜色内,SHIFT+左键拾取填充的颜色-左键冲压闭合区域(图中有三个位置注意了)-如是正版支持‘特征,削除锯齿’加以应用下,定更接近美感。
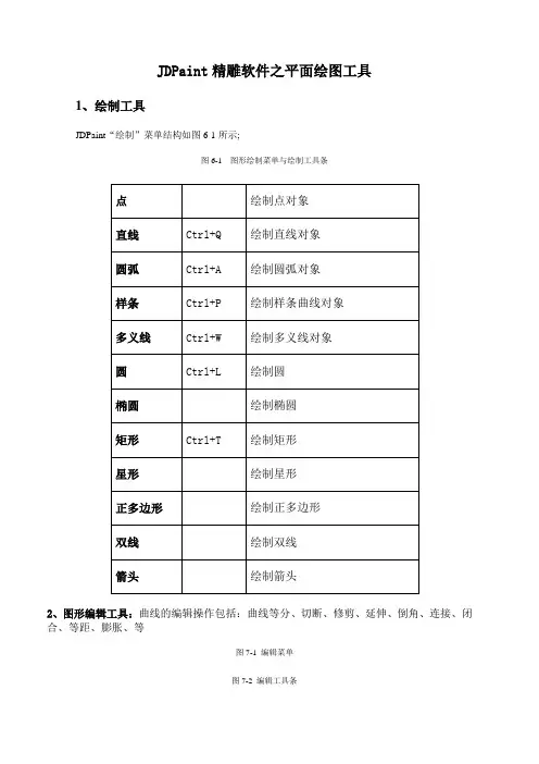
JDPaint精雕软件之平面绘图工具1、绘制工具JDPaint“绘制”菜单结构如图6-1所示;图6-1 图形绘制菜单与绘制工具条2、图形编辑工具:曲线的编辑操作包括:曲线等分、切断、修剪、延伸、倒角、连接、闭合、等距、膨胀、等图7-1 编辑菜单图7-2 编辑工具条图形区域修剪曲线区域轮廓图形修剪曲线区域等距Ctrl + 1 区域轮廓图形等距区域焊接Ctrl + 2 区域轮廓图形合并区域剪裁Ctrl + 3 区域轮廓图形剪裁区域求交Ctrl + 4 区域轮廓图形求交1、曲线等分——将一曲线等分为若干段;图7-3 三等分曲线1启动等分命令;2输入等分段数;3拾取要等分的曲线段;2、曲线切断——将给定的曲线在某位置处进行打断;图7-7 点切断1拾取要被切断的曲线2启动点切断命令3拾取切断点3、曲线修剪——利用一条或多条曲线对象对给定曲线被裁剪线进行修剪, 删除不需要的部分;a边界曲线和被修剪曲线定义 b 修剪结果图7-11 线修剪a 被修剪曲线及边界点定义b 修剪结果图7-12 点修剪曲线1)启动线裁剪命令:2拾取边界曲线;单击鼠标右键3拾取被裁剪的曲线;4、曲线延伸——将给定的曲线延伸到某一曲线边界或某一点处;a 边界曲线和延伸曲线的定义b 延伸结果图7-14 曲线延伸到线表示曲线的拾取位置1)启动线延伸命令;2拾取边界曲线;单击鼠标右键3拾取延伸曲线;5、倒圆角 >> 单线过渡是在曲线的每两个相邻曲线段之间进行给定半径的圆角过渡;>> 两线过渡是指在两曲段线之间进行给定半径的圆角过渡;图7-20 单线倒圆角1启动命令2输入圆角半径3拾取曲线6、倒斜角>>在指定的两直线段之间进行斜角过渡图7-25 单线倒斜角1)启动倒斜角命令;2输入倒角半径1和倒角半径2;3拾取要倒斜角的两条直线段;7、曲线连接——将两条或者多条开曲线连接为一条曲线;图7-29 自动连接1启动自动连接命令;2拾取一条开曲线;8、曲线闭合——通过一定的方式将开曲线闭合;可以在首末点加入直线或圆弧,也可以改变开曲线的首末点来进行闭合;图7-34 曲线闭合1选择开曲线;2启动曲线闭合命令;3在对话框中定义闭合模式;9、单线等距——将给定曲线在其某一侧方向上偏移一定距离,即绘制某一条曲线的等距线;图7-36 单线等距偏移次数=2尖角过渡圆角过渡截断过渡图7-39 三种尖角处理方式图例1启动单线等距命令;2定义对话框中等距参数和选项;3拾取曲线;4选择曲线偏移方向;10、单线膨胀——将曲线同时向两侧偏移一个给定的距离,然后由这两条等距线来形成一个封闭的区域;它可以快速地将一条单线变成一个区域;青岛速霸浮雕培训中心提供最新版精雕软件下载及浮雕设计培训教程;。
雕刻机操作方法汇总一、精雕软件1、打开文件——输入——点阵图像——选图2、变换——放缩——改尺寸3、选中图——艺术曲面——图像纹理——位图转网格——点击图片改雕刻深度4、选中图——虚拟雕塑工具——效果——整体磨光点1次5、模型——Z向变换——高点移至XOY——选择工具6、选中图——刀具路径——路径向导——曲面精雕刻——下一步——锥度平底刀——(改顶直径、刀具锥、底直径)——下一步——路径间距(≤底直径)——完成。
7、选中图——刀具路径——输出刀具路径——文件版本改为EN3D 3.X——特征点——路径左下角——完成。
二、精雕作图1、打开文件——输入——点阵图像——选图2、打开左下角捕捉点——用多义线——样条曲线——描图3、虚拟雕塑工具——选项——模型属性——撤销次数选(10)——按Z键就可以一步步撤销4、打开模型——新建模型——改XY步长为0.01(边界系量)5、颜色——单线填色6、颜色——种子填色7、雕塑——冲压——选颜色内——冲压深度(选尺寸)那个圈的大小按(A/S键)8、雕塑——去料——选颜色内——那个圈里的高、深按(W\Q键)——选图里面的颜色和左边的第一个颜色对称才能去料——按(shift+B和shift+N)来回切换看效果9、虚拟雕塑工具——效果——磨光,也可以整体磨光10、模型——存为灰度图三、雕弯图1、选有尺寸——把图生成网格之后2、绘制——矩形——圈图——绘制——点——选定点定点——微距离——按Ctrl+右键——复制到右边顶点3、绘制——多义线——样条曲线——连线——选定往下拉——全选4、艺术曲线——变形——被变形曲面对称“图、基准曲线对称框的曲线、变形曲线对称多义线——确定全选5、虚拟雕塑工具——效果——整体磨光点2次6、模型——Z向变换——高点移至XOY7、刀具路径——路径向导——曲面精雕刻——下一步——锥度平底刀——(改顶直径、刀具锥、底直径)——下一步——路径间距(路径间距≤底直径)——完成8、刀具路径——输出刀具路径——文件版术改为EN3D 3.X——特征点——路径左下角——生成。
精雕機操作流程說明1:打开JDP aint软件——选择常用图形矩形画图——画图后用鼠标选中图形----点选常用工具(放缩变换)----电脑对话框输入图形尺寸-------按(ENTER)-----点选工具橍(变换)内(图形聚中)-----电脑对话框选择X.Y.Z为中心聚中-------按确定-----在做一个矩形操作同上上。
2.在第二个图中四个直角画圆形,点选常用工具圆形画图并输入圆形半径----输入后按(ENTER),将圆与图形直角对应-------------按常用工具(平移变换),并将电脑右侧(复制图形)处打钩-----------选中图形移动到所需位置即可。
3.裁剪图形点选常用工具裁剪图形(剪刀)选择需裁剪图形------------按鼠标右键或ENTER即表示图形选中---------------点选需裁剪图形部位------------按鼠标左键即剪掉多余图形----------根据需要图形再作绘图。
4.图形位置移动选择图形--------设置电脑右边(微调距离)-----------输入图形移动距离-----------用方向键移动方向---------使用图形动位置-------在绘画其它所需图形即可5.切断选择图形--------点选工具(编辑)中(切断)------到图形需切断处,点选鼠标左键即可。
6.连接图形选择图形-----------点选工具(编辑)中(连接),电脑右侧选择(缺失连接)--------将第一次加工图形分段连接------将分段连接后图形,按SHIFT键,用鼠标全部选中(即为第一次加工图形)---------点选工具橍(刀具路径)中(区域雕刻)------电脑对话框设置精雕刀具直径2、雕刻深度3、T表面高度0--------用鼠标点选对话框(粗雕策略设置:D吃刀深度0.5、走刀方式环切、X重叠率60%--------按下对话框(确定)即可完成第一次加工面图形。
精雕软件教程1、运行雕刻机精雕软件(JDPaint)之前先运行NC路径转换器(NCserver)2、打开精雕软件3、输入图片点击【文件】——【输入】——【点阵图像】——找到要刻的灰度图(一般为bmp格式)——打开4、调整图片大小选中图片——点击【变换】——【放缩】——设置合适的尺寸——确定5、生成浮雕曲面点击【艺术曲面】——【图像纹理】——【位图转成网格】——点击图片——设置合适的曲面高度6、Z向变换将图片拖至其她位置与网格分离——选中网格——点击【虚拟雕塑工具】——点击【模型】——Z向变换——点击将高点移至XOY平面7、做路径点击【选择工具】——选中网格——点击【刀具路径】——【路径向导】——选择曲面精雕刻——下一步——选择合适的刀具(刀具库中没有的刀具可以双击其中一把刀具将其参数修改后确定)——下一步(使用维宏控制系统的无需选材料)——将雕刻机雕刻路径参数中的路径间距重新设置(一般将重叠率调至20%-35%)——完成8、输出路径拉框选中已经做好的路径——点击【刀具路径】——输出刀具路径——找到要保存的位置并命名后点击保存———ENG文件格式选择ENG4、x,输出原点处点击【特征点】选择路径左下角——确定——将NC路径转换器的文件头尾设置全部清空——点击【生成】9、将做好的NC文件导入雕刻机控制系统(维宏控制)按照维宏控制操作说明进行操作即可完成雕刻精雕软件教程画图片1.打开精雕软件;2.文件→输入→点阵图像;3.桌面→练习图片→文件类型(jpg)→空白点(右键)→查瞧(微略图滚动选择)→打开;4.点左键;5.选中后加锁→已选对象加锁→右键;6.绘制→多义线→样条曲线;7.shift+右键用来移动图片; 【抓手工具】8.从最高处开始画;9.打开端点(捕捉点)与最近点,其余关闭;10.用L就是退一步(线条的返回);11.用Delete来删除(或用Χ)图像的旋转1.专业功能→图像处理→旋转→(90º逆时针;90º顺时针;180º;自定义角度)任意选适合的→确定→加锁→选择对象加锁;【加选:shift+选择工具;Ctrl键减选;shift+左键:复制;shift+方向键:旋转图片】图像填色前的准备工作图像修剪法1.点编辑内的修剪;2.点修剪部分周围的线条(用左键);3.在空白处点击一下右键;4.点击所需修剪的线条(左键); 【Alt+8】图像延伸法1.点编辑内的延伸;2.用左键点击一下所需延伸与到延伸处的直线;3.在空白处点击右键;4.用左键再点击一下需延伸的线条; 【Alt+9】线条的切断1.用鼠标点击一下所需切断的地方; 【Alt+E+K】2.点编辑→切断→用拥有刀子的鼠标点击一下所需切断的部分→点击右键(在空白处);线条的链接(两条接头没接好)1.点编辑→连接→点屏幕右边的缺省连接→用左键点击两条被连接的线条;对象为同一区域的两条直线的连接;2.点编辑→连接→改变首点连接→用左键点击两条被连接的线条; 【Alt+E+J】连接功能1.在左边一节点编工具(可以合并断点、重点、等)新建文件夹1.打开练习图片;2.其她位置→桌面→文件与文件任务;3.创建一个新文件夹;画虚线(一般填颜色时用)1.画虚线→先选颜色上的单线填色→在点击线条按空格键再画;图像填色1.虚拟雕塑工具→选中图片(把图片框起来);2.模型→新建模型→右边确定;3.模型→调整步长→顶点数(用来控制线条的粗线)顶点数=XY步长(一般150万-200万瞧电脑来决定)→确定;4.颜色→单线填色→点所需颜色到颜色栏目中选;5.种子填色: ①不同的区域要填不同的颜色;②描线业一样不同的区域要把它切断;6.种子填色也可用快捷键:按Ctrl+左键(快速填色);7.Z就是返回键; 【只能返回一步】【N:取消颜色;Shift+Z:单线填色;Shift+X:种子填色】限高保低如我做4毫米,量比如6毫米,应限高保低→到选项→限高保低→限高填上→确定冲压1.选好填色后的图片;2.塑雕→冲压→右边的颜色(外)一般为黄色→冲压深度(一般3-4毫米瞧客户的需求而定);3.按鼠标键点底色(黄色)一下同时按Shift键,把黑的颜色扫一遍(左键)→右键结束;4.选项→地图方式显示(有颜色图像=选项的图形方式显示);5.雕塑→去料→限高(不一定)→颜色模板(颜色内);6.按Shift键把鼠标放在最高的地区内;7.Ctrl+右键就是对去料过的高度(深度浅的查瞧);8.返回按鼠标右键到俯示图;9.F12全屏观察;【冲压:Shift+R ; 去料:Shift+W ; 堆料:Shift+Q ; 磨光:Shift+E】刀的区别1、H—对刀的现实与隐藏2、E—隐藏线条与线条显示;3、R—隐藏模型;4、N—取消颜色;5、G—隐藏颜色;6、Z—可返回一片;7、Shift+B—瞧到图形Shift+N—地图方式显示;8、A—指刀的直径(圆圈)放小S—指刀的直径(圆圈)放大;9、Q—指刀的浅度W—指刀的深度;10、D—指刀的窄度F—指刀的宽度;注意如下:1.如果冲压错误了,再重新回到冲压→颜色内→按住Shift键用左键点击一下所需区域;2.如果去料错了要重新开始:雕塑→冲压→右边的颜色内→冲压深度(如3mm```)→按住Shift键点击一下左键,松开Shift再点一下左键→右键结束;3.如图在进了模型后跑掉图片→右边上的眼睛点一下;4.如两种颜色有毛刺时→雕塑→冲压→颜色无效;颜色被取消后补修的方法注意:取消颜色→N键步骤:1、先把窗口缩小到下面的任务栏中;2、打开以前那幅有颜色的图片→模型→存为位图→保存(打名字)→右边确定→关掉这个窗口;3、打开失去颜色图片的窗口→模型→加载模型颜色→打开刚才所保存的图片;三角刀1.导动—导动去料;如果全部集合,先点线一条另按(Shift+左键)点完叶茎的线→导动去料→调好刀的深浅→右边颜色模板内→笔画类型选好→中茎点依稀;如果不集合:导动去料→调好刀的深浅→右边颜色模板内→笔画类型选好→再选中线条(按Shift+左键)点一下直到点完为止;如果想把所有的线条方向调成同意方向,可以如下操作:变换→调整方向磨光(也就就是打磨)1.效果→磨光→高度模式:任意选(1、去高补低2、反补低3、反去高)→颜色模(颜色内)→磨光力度挡住:任意选(1、慢(细)```5、快(粗));2.如叶子一般要保留硬边;祥云浮雕1.祥云浮雕(必须有颜色)→几何;2.高度(不能大于板的厚度如3mm)相当于您填的数字;3.基高(不能大于板的厚度如3mm)且小于高度;4.拼合方法→关闭→反在流动层上比较→点两边线条点左键(右键);5.没有冲压可用取高(可做取代:两边低、中间高);6.冲压过用取代(也可用切除、取低、叠加);1、取代:1、中间高、两边低→左键(先点中间,再点两边)→确定;2、一边低、一边高→左键(先点高(中间)再点低)→确定;冲2、取高:1、两边高、中间低→点中间,再点两边(不过高度用负数如高-0、8;基高2、2,总板厚度就是3mm);压3、叠加:1、一般叠加(基高填底的数字)高度不填;2、高度填的话(要用负数),中间低,两边高—先点中间,再点两边;过4、取低:1、先切断同一区域的线条(先点低再点高)效果为一边高,一边低;5、切除:1、切取跟取高,取代恰好相反,材料越去多的就是低;用2、两边高,中间低不用填基高(为0)只填高度(一般点高线);7.祥云浮雕卡位的话按空格键一下;8.注意:1、不重叠的叶子,基高或高由自己填;2、重叠号几个就要分出基高,比如(2片叶子基高就是1、5,高度为0、8可中间低,两边高一先点中间后点两边)要低于前片叶子基高与高度(第1片基高为2,高度为1);3、祥云有些不能做,用去料之后用磨光,保留硬边;注意:在未冲压过并用祥云时基高为0,只填高度用叠加;博古(门窗比较多直线多)1.导出图片→绘制→直线→在到视图里的端点,正交捕捉点打开→画在博古上(外围尺寸在原图的边框上);2.再在点一下绘制下面的“+”直线→再点绘制→直线→刚才的端点上画一条直线(稍长点);3.测量→两条角度→分别点两条直线(从上到下拉)→瞧下面的角度(两直线夹角);4.选中图片(点击一下)→专业功能→图像处理→旋转→自定义制度→填入刚才测量的角度→再选角度(顺或逆)→确定→右边加锁→已选图像加锁→点右下角的矩形框在博古上框;5.测量→距离→测量所画矩形到博古线条的距离→编辑→单线等距→偏移距离(填好测量的数字)→确定;(出现小箭头上点上,下点下)6.再测量→距离→点花的距离→编辑→单线等距离偏移距离→确定;(出现小箭头上点上,下点下)7.绘制→直线→画两条垂直线(90º)交叉线条(+)→编辑→单线等距(如1、6mm测量距离)→次数(7)→确定→分别点直线如箭头,竖线(总共有8次);8.编辑→单线等距→次数(5米)→确定(总共6次);9.把线条全部集合→按Shift链一次完成再点一下集合→给线条上色;10.把线条全部移到与博古相应的位置→按左键结束;11.绘制→直线(垂足点打开其余关闭)→照着博古画线条(要一笔画成)→再点画好图形集合→移到空的地方→删除线条;12.编辑→单线等距→偏移的距离(如1、6mm)→1次→确定→点直线再点箭头;13.在图形上画直线→再单线等距(改为一半)如16/2(0、8mm)→确定→点直线朝箭头→延伸→再把图形(集合)→变换→平移→右边的复制图形(打√)→从最左边到右边拉拉完为止;14.也可用把图形(集合)完→变换→列阵→矩形列阵想填几个就填几个→确定;15.图形集合→变换→复制图形打√→等中点出来往上拉复制了四个;16.再把复制好的图形→到编辑修剪长出来的线条→用直线→确定线条;17.把线条集合→变换→尺寸等同→确定→点线条→水平尺寸等同→确定→【Y】对齐→组合对齐→点线条→中心打√→顶部√→确定;18.集合→变换→镜像(找中点)点一下拉一点(直线)→上下复制好了;19.先把图形复制5个(四个好了)→变换→平移(往后拉一个直到端点出来);20.集合(按点)→微调角度(90º)→Shift+(↓)键→把图形移下来;21.绘制→直线换两个直线→编辑→单线等距→确定→点直线朝下→再把没用的线条取消→把两条直线集合点; 22.变换→尺寸等同→对齐→组合对齐→再点一下内线→点线→等同方向→竖直尺寸等同→确定→图形对齐(打中心√)→右边打√→确定→集合→变换→镜像→找中点→镜像到左边即可;23.再剪修与延伸(四个角落);24.再删除博古线的外框(第三条);注意:1、博古线一定要集合才行;2、可以用编辑里的链接;3、博古也要→变换→放缩;25、用多义线与镜像画完中间部分(也可用直线,测量)26、画椭圆时,要打开圆角矩形在多义线找三点弧,要关掉“+”在节点编辑工具(合并断点);区域浮雕(不用颜色)shift+D1.雕塑→区域浮雕→填上基准高度任意(如2)也就基高→颜色无效→取高→点中间在点外线;2.区域可以不用颜色,基准高度为0,用叠加可避免毛刺,高度任意(如2)只读高度;注:区域浮雕必须一个区域里面,要就是一个整体线条,必须连接与集合,不能有重点,断点才能做(先点节点编工具→自交点,断点,结束没问题了再做)有两点重叠时先融合节点,不能有多余点,需删除如果就是在两个线框里做,需要先将两个线条集合在做扫琼面时,则往往相反,需将所有线条切断扫琼面(出外框的线条)1.扫琼面不用填颜色;2.线条一定要切断;3.在外围的博苦线随便画一条直线→单线等距→自己决定(比如基高0、5,高度2、5,总共3mm,一般里面的线高) 4.再用多义线划线的高低(也就就是形状)2、5高,0、5基高,虚线自己定5.集合(移出)形状→把框的内外四角切断→变换→调整方向→几何→扫琼面→轨迹线填上(上点一下外框,再点一下内框线)→截面线点上(点拼中间)→再到画多义线的线条点一下→截面基点里(左下)→截面高度效果(√)等高(或不等高)→拼合方式(取高)→颜色无效6.上面复制到下面的话→打开特征→对征特征→对称方式里→上下部分对称(如果中间没有东西也可用上下完全对称)→再点一下做好的那一面内线即可在进入扫琼面时,需先做一个样本,相当于就是“放样”要注意线条方向相同在第二次做外围框扫琼面时,截取轨迹的顺序要与第一次相同对象特征:如果就是左右相同,已做好左边,只需选择左边部分对称并可,上下也就是同一个道理在做特征里面的矩形阵列时,横向纵向间距为1的距离圆形阵列1.绘制直线→两点直线→画一条直线(打开正文)捕捉端点→点(田)再画一条直线→测量→两线角度→选中→专业功能→图形处理→旋转→自定义任意,写(如0、9测量出来的数字)→捕捉线如在下点顺时针(如在上点逆时针)→确定→加锁→已选好图像加锁;2.按原图画一个两点圆→编辑→单线等距→再画一个矩形框→量一下框的距离→变换→放缩→横向尺寸与纵向尺寸填一样→确定3.选外框→对齐→组合对齐→点一下外圆→中心(√)→中心(√)→确定;4.角对角画一条线(+)【角度直线】打开端点,最近点,其它关闭→再画中心圆(用两点圆)→测量→单线等距→画一条对角线→再点出右下角的画梅花→圆弧星型与双半径显示打√→圆(用两点圆画梅花心)→绘制→多义线画洋花→画好的半个就镜像(平移复制打√)→集合线条→绘制→直线→角度直线→找出中点,点一下→填上右下角(126°)度按Enter确定键(交点打开)其它关掉(角度直线)5.画好半个镜像成一个→变换→阵列→圆形阵列→删除原始图形(√)→角度间距填72°→复制数目 5→确定→找出圆的中心点,点一下即可(圆心打开,其它的关闭);6.选中图形→虚拟雕塑工具→填上画好一个的颜色→用样云与区域做好→做()时,填基高(1、5)高度(1、2)→先点中间再点内边→右键结束;7.(0)()做小圆→基高(1、8)高度(1、2)就就是不能超过3毫米→用叠加。
精雕机平面操作教程文件排版存档编号:[UYTR-OUPT28-KBNTL98-UYNN208]准备好要加工的文件(.b m p或者s t l)第一步:双击桌面“北京精雕”图标打开软件。
双击桌面“北京精雕”图第二步:文件---输入---点阵图像.bmp或者三维曲线曲面.stl格式的文件.bmp格式Stl格式第三步:选择文件点击打开第四步:点击鼠标左键放下图标第五步:使用下面工具绘制外轮廓红色的线为外轮廓,按鼠标右键退第六步:按住鼠标左键拖拉或者点击左键选择外轮廓(以下步骤选取方法一样),点击变换命令下的尺寸等同,鼠标左键选取位图第六步:选双向尺寸等同第七步:点击右侧对齐然后点击组合对齐对齐组合对齐第八步:左键点击位图出现图形对齐窗口第九步:选取位图,点击---艺术曲面----图像纹理----位图转网格第十步:点击位图,出现位图转曲面窗口,设置曲面高度(曲面高度指的是图形的最低和最高之间的高度)第十一步:点击选取位图按键盘Delete键删除第十二步:选取网格点击---艺术曲面----网格重构:改变精度第十三步:改变X、Y轴向精度这里改变精度(建议设为)第十四步:选取网格点击虚拟雕塑第十五步:点击---模型-----Z向变换第十六步:点击----高点移至XOY第十七步:点击---选择工具图标第十八步:选取网格和雕刻范围,点击---刀具路径---路径向导---出现设定加工范围窗口第十九步:选择加工范围,点击下一步第二十步:选择刀具点击下一步第二十一步:设定切削用量点击下一步第二十二步:进给设置----路径间隙(改变路径间距---间距越小加工精度越高,但是加工时间越长;建议设为左右)第二十三步:进给设置----进刀方式(关闭进刀方式)点击完成第二十四步:选取路径,点击---刀具路径-----输出刀具路径第二十五步:弹出“刀具路径输出”对话框,选择保存路径和文件名,点保存第二十六步:在“输出 ENG文件”对话框中,点击“拾取二维点(D)”按钮,点击位图左下角第二十七步:在“输出 ENG文件”对话框中,点击“确定”按钮第二十八步:关闭软件第二十九步:点击桌面格式转换工具图标第三十步:点击高级参数设置输入---浏览选择要转换的文件,输出----浏览保存到指定位置第三十一步:点击转换按钮完成转换第三十二步:双击桌面图标第三十三步:点击系统参数---厂商参数----把电机参数中的X轴,Y轴改为,点击应用第三十四步:点击命令操作----回机械原点第三十五步:手动对工作原点第三十六步:手动对工作原点第三十七步:工件坐标清零(鼠标点击下的X Y Z的参数框)按键盘F7回工作原点鼠标左键点击“工件坐标”下面的三个框进行工件坐标第三十八步:按下主轴旋转(首先将转速设置为15000以下等启动正常后设置为最快)第三十九步:在下图空白处右击卸载程序,再次右击加载新程序第四十步点击命令操作-----开始(机床开始执行程序)。
下面我们讲解一个精雕文件转存为bmp文件的小案例很实用
1首先我们找到做好的精雕文件佛像然后打开文件进去虚拟雕塑环境如图所示
2点选工具栏模型下存为位图
3然后会跳出一个对话框如图
4我们选择要存入的文件夹路径键入文件名称后点保存按钮不要忘了再按右上角的确定按钮并勾选高度存为位图
5最后我们打开转存的bmp格式文件
欢迎访问木工爱好者网站,这个网站为我们这些有木工雕刻爱好的朋友提供了一个良好的交流平台。
精雕灰度图转浮雕的做法:首先打开精雕作图软件如图,打开之后点击屏幕左上方的“文件”如图,找到目录下的“输入”然后找到“点阵图像”单击文件类型选择(*.bmp),找到所需要加工的图打开,如:打开之后看一下图的尺寸是否是你需要加工的尺寸,如果不是那就需要修改一下图的加工尺寸首先选中图片,单击屏幕左上方的“变换”,找到目录下的“放缩”(快捷键Alt+4),如图假如雕刻尺寸是200X200(MM)只要修改横向尺寸为200,点一下“保持比例”就可以了,纵向尺寸就自动变到200,如果你雕刻的尺寸是不规则的,比如是200X100(mm)那就横向尺寸改到200,纵向尺寸改成100,这次不需要点击“保持比例”,尺寸修改完之后,点击屏幕中心上方的“艺术曲面”,找到目录下的“图像纹理”——单击“位图转网格”,这是把鼠标放到图片上点击一下会出现如图:需要修改一下你的加工工件的雕刻深度如图:如果雕刻是3毫米,输入3就可以了,然后点击“确定”,出现如图出现一个网格,这个网格就是我们用灰度图转出来的浮雕图,然后我们把灰度图移开或是删除,现在我们开始绘制一个矩形,单击屏幕左上方的“绘制”,找到目录下的“矩形”(Ctrl+T)点击,找到空白处单击鼠标左键,移动鼠标出现矩形再次点击鼠标左键,就绘制出一个矩形,然后单击鼠标右键退出,选中矩形单击“变换”目录下的——“尺寸等同”,这是用鼠标左键单击以下网格出现如图:选择双向尺寸等同之后点击确定,此时矩形和网格一样大,然后再单击屏幕右侧工具栏的“对齐”,找到目录下的如图:点击,现在用鼠标左键单击网格出现如下图:现在单击“确定”,矩形和网格上下左右全部对齐,现在单击一下网格进入屏幕左侧工具栏里的“虚拟雕塑工具”如下图:下一步会出现如图:假如看不到这种图片说明你前一步没有选择网格,下一步单击屏幕上方的“模型”找到目录下的——“Z向变换”如下图:单击Z向变换,屏幕右侧会出现如图:点击一下——“高点移至X0Y”如图:现在低点是-3了,(为什么高点是0低点是-3呢?就比如你雕刻的深度是3,你是要在物体的表面往下雕刻3毫米,所以说高点0就是加工物体的表面,低点-3就是你所加工浮雕的深度,这样应该明白这一步是怎么回事了)。
雕刻机操作方法汇总一、精雕软件1、打开文件——输入——点阵图像——选图2、变换——放缩——改尺寸3、选中图——艺术曲面——图像纹理——位图转网格——点击图片改雕刻深度4、选中图——虚拟雕塑工具——效果——整体磨光点1次5、模型——Z向变换——高点移至XOY——选择工具6、选中图——刀具路径——路径向导——曲面精雕刻——下一步——锥度平底刀——(改顶直径、刀具锥、底直径)——下一步——路径间距(≤底直径)——完成。
7、选中图——刀具路径——输出刀具路径——文件版本改为EN3D 3.X——特征点——路径左下角——完成。
二、精雕作图1、打开文件——输入——点阵图像——选图2、打开左下角捕捉点——用多义线——样条曲线——描图3、虚拟雕塑工具——选项——模型属性——撤销次数选(10)——按Z键就可以一步步撤销4、打开模型——新建模型——改XY步长为0.01(边界系量)5、颜色——单线填色6、颜色——种子填色7、雕塑——冲压——选颜色内——冲压深度(选尺寸)那个圈的大小按(A/S键)8、雕塑——去料——选颜色内——那个圈里的高、深按(W\Q键)——选图里面的颜色和左边的第一个颜色对称才能去料——按(shift+B和shift+N)来回切换看效果9、虚拟雕塑工具——效果——磨光,也可以整体磨光10、模型——存为灰度图三、雕弯图1、选有尺寸——把图生成网格之后2、绘制——矩形——圈图——绘制——点——选定点定点——微距离——按Ctrl+右键——复制到右边顶点3、绘制——多义线——样条曲线——连线——选定往下拉——全选4、艺术曲线——变形——被变形曲面对称“图、基准曲线对称框的曲线、变形曲线对称多义线——确定全选5、虚拟雕塑工具——效果——整体磨光点2次6、模型——Z向变换——高点移至XOY7、刀具路径——路径向导——曲面精雕刻——下一步——锥度平底刀——(改顶直径、刀具锥、底直径)——下一步——路径间距(路径间距≤底直径)——完成8、刀具路径——输出刀具路径——文件版术改为EN3D 3.X——特征点——路径左下角——生成。
精雕软件转换路径操作方法精雕软件是一款功能强大的三维雕刻软件,用于创作和生成高质量的3D模型。
其中一个重要的功能是路径操作,它可以让用户设计和生成物体的运动路径。
在本篇文章中,我将详细介绍精雕软件转换路径的操作方法,以帮助用户更好地使用这个功能。
首先,打开精雕软件并加载你想要进行路径操作的模型。
在加载完成后,你可以看到模型的3D视图和各种操作工具。
接下来,我们来了解一些基本的路径操作工具。
在精雕软件中,路径操作主要通过两个主要工具来完成,即路径创建工具和路径编辑工具。
路径创建工具允许你创建新的路径,并定义路径上的关键点和方向。
在主菜单栏中,点击“路径”选项并选择“创建路径”选项。
然后,你可以在3D视图中点击鼠标来定义路径上的关键点。
当你点击鼠标时,系统会自动创建一个路径点,并将其连接到前一个路径点。
通过不断点击鼠标,你可以创建多个路径点来定义整个路径。
另外,你还可以按住鼠标右键并拖动来调整路径上点的位置和方向。
当你创建完整个路径后,点击“完成”按钮来结束路径的创建。
路径编辑工具允许你编辑已经创建好的路径。
在主菜单栏中,点击“路径”选项并选择“编辑路径”选项。
然后,你可以在3D视图中选择已经创建好的路径,并进行编辑。
在路径编辑工具中,你可以调整路径点的位置和方向,删除不需要的路径点,添加新的路径点,并且对整个路径进行平滑操作。
通过结合这些操作,你可以非常灵活地调整和修改路径,以满足你的需求。
除了路径创建和编辑工具,精雕软件还提供了其他一些辅助工具来增强路径操作的灵活性和精确性。
例如,你可以使用“路径插入工具”来在路径上插入新的路径点;使用“路径拉伸工具”来拉伸路径的形状;使用“路径查看工具”来预览路径上物体的动画效果等。
这些工具可以让你更好地控制和调整路径,以实现你想要的效果。
在进行路径操作时,还可以利用精雕软件的其他功能来进一步优化路径效果。
例如,你可以使用“材质编辑器”来为路径上的物体添加纹理和材质效果;使用“灯光编辑器”来调整路径上的光效;使用“动画编辑器”来添加和调整路径上的动画效果等。
聊工机械雕刻机操作方法欢迎使用聊工数控雕刻机,首先我们先了解机器的结构1 机器有三个轴分别是X 轴(左右移动)Y 轴(前后移动)Z 轴(上下移动)。
了解其控制原理雕刻机主要是由电气控制柜----经过传输数据线连接到电脑,在电脑的主机箱子里面装有一个维宏控制卡------电脑里面装有一个维宏控制软件来控制。
操作方法:(一)定点方法1 平面板左下角定点方法在木板上的左下角或板上雕刻区域的左下角-----通过维宏控制软件用鼠标移动各个轴到左下角的位置-----然后各个轴在维宏控制软件里面的坐标轴清零。
2 平面板中心点定点方法在木板上的中心点或板上雕刻区域的中心点-----通过维宏控制软件用鼠标移动各个轴到中心点的位置-----然后各个轴在维宏控制软件里面的坐标轴清零三.断点续刻和高级开始功能断点续刻点击维宏控制软件里面的---操作——回工件原点----操作-----断点续刻—系统就可以继续从原来停下来的地方开始工作了。
高级开始功能点击维宏控制软件里面的---操作——回工件原点----操作-----高级开始—点具体位置-输入你要跳到的那一段程序的序号---系统就跳到你指定的位置开始工作了。
四.换刀和断刀时定点的的处理方法先记下当前段号再把刀抬到安全高度----点击维宏控制软件里面的---操作——回工件原点—换刀----然后把刀移到板上面-----然后在维宏控制软件里面的Z轴清零而X坐标轴和Y 坐标轴则不用清零。
-----点击维宏控制软件里面的---操作-----高级开始—点具体位置-输入你要跳到的那一段程序的序号(或者是刚才记下的短号)---系统就跳到你指定的位置开始工作了。
一、雕刻机安装前注意事项1.切勿在闪电或打雷时安装此设备,切勿在潮湿的地方安装电源插座,请勿触摸未绝缘的电源线。
2.上机操作人员必须经过严格的培训操作过程中必须注意人身安全和机器的安全,并严格按操作规程来操作电脑雕刻机。
3.电源电压要求210V-230V,若电源电压不稳或周围有大功率的用电设备,请一定要在专业技术人员指导下选择稳压电源。
准备好要加工的文件(.bmp或者stl)第一步:双击桌面“北京精雕”图标打开软件。
双击桌面“北京精雕”图标打开软件第二步:文件---输入---点阵图像.bmp或者三维曲线曲面.stl格式的文件.bmp格式Stl格式第三步:选择文件点击打开第四步:点击鼠标左键放下图标第五步:使用下面工具绘制外轮廓红色的线为外轮廓,按鼠标右键退出命令第六步:按住鼠标左键拖拉或者点击左键选择外轮廓(以下步骤选取方法一样),点击变换命令下的尺寸等同,鼠标左键选取位图第六步:选双向尺寸等同第七步:点击右侧对齐然后点击组合对齐第八步:左键点击位图出现图形对齐窗口第九步:选取位图,点击---艺术曲面----图像纹理----位图转网格对齐组合对齐第十步:点击位图,出现位图转曲面窗口,设置曲面高度(曲面高度指的是图形的最低和最高之间的高度)第十一步:点击选取位图按键盘Delete键删除第十二步:选取网格点击---艺术曲面----网格重构:改变精度第十三步:改变X、Y轴向精度这里改变精度(建议设为0.1)第十四步:选取网格点击虚拟雕塑第十五步:点击---模型-----Z向变换第十六步:点击----高点移至XOY第十七步:点击---选择工具图标第十八步:选取网格和雕刻范围,点击---刀具路径---路径向导---出现设定加工范围窗口第十九步:选择加工范围,点击下一步第二十步:选择刀具点击下一步第二十一步:设定切削用量点击下一步第二十二步:进给设置----路径间隙(改变路径间距---间距越小加工精度越高,但是加工时间越长;建议设为0.1左右)第二十三步:进给设置----进刀方式(关闭进刀方式)点击完成第二十四步:选取路径,点击---刀具路径-----输出刀具路径第二十五步:弹出“刀具路径输出”对话框,选择保存路径和文件名,点保存第二十六步:在“输出ENG文件”对话框中,点击“拾取二维点(D)”按钮,点击位图左下角第二十七步:在“输出ENG文件”对话框中,点击“确定”按钮第二十八步:关闭软件第二十九步:点击桌面格式转换工具图标第三十步:点击高级参数设置输入---浏览选择要转换的文件,输出----浏览保存到指定位置第三十一步:点击转换按钮完成转换第三十二步:双击桌面图标第三十三步:点击系统参数---厂商参数----把电机参数中的X轴,Y轴改为0.02014,点击应用第三十四步:点击命令操作----回机械原点第三十五步:手动对工作原点第三十六步:手动对工作原点第三十七步:工件坐标清零(鼠标点击下的X Y Z的参数框)按键盘F7回工作原点鼠标左键点击“工件坐标”下面的三个框进行工件坐标清零第三十八步:按下主轴旋转(首先将转速设置为15000以下等启动正常后设置为最快)第三十九步:在下图空白处右击卸载程序,再次右击加载新程序第四十步点击命令操作-----开始(机床开始执行程序)。
6. 图形变换6.1 基本图形变换包括平移变换、旋转变换、镜像变换、倾斜变换和放缩变换五种。
6.1.1 平移变换在当前绘图平面上将图形从一个位置移动或复制至另一位置。
导航工具栏中的选项如图8-5:图8-5 平移变换导航工具栏选项图形有两种平移方法:两点法和偏移量法。
1.两点法:定义平移的基点和移动点,通过这两个点确定的平移方向和距离来进行平移变换;(**********************)2.偏移量法:通过直接定义图形在当前绘图平面坐标系中XY Z方向上的偏移量确定出图形的新位置来进行平移变换;平移变换>> 两点法定义平移的基点和移动点,通过这两个点确定的平移方向和距离来进行平移变换。
图8-6 两点法平移变换实现方法:1.选择要平移的图形;2.点击菜单项;3.输入平移基点;4.输入平移移动点。
操作步骤:说明:在没有任何命令执行时,先选中一个或多个图形,然后用鼠标直接拖动可以将它们在当前绘图平面内进行移动。
平移变换>> 偏移量法直接定义图形在当前绘图平面坐标系中XY Z方向上的偏移量确定出图形的新位置。
实现方法:1.选择要平移的图形;2.点击菜单及导航工具栏按钮;3.定义图形在横向、纵向和高度方向上的偏移量。
点击导航工具栏中的图8-8 图形偏移量定义对话框说明:横向距离、纵向距离和高度距离分别是在当前绘图平面坐标系中XYZ三个方向上平移量。
若要相对于世界坐标系统定义平移距离,参照<3D平移变换>。
6.1.2 旋转变换在当前绘图面上将图形绕一指定点(旋转基点)旋转一定的角度。
图* 旋转变换实现方法:1.选择要旋转的图形对象;2.点击菜单项;3.输入旋转基点和参考点;4.输入旋转角度。
操作步骤:参数选项:导航工具栏中的选项如图*:图* 旋转变换导航工具栏选项说明:1.旋转基点和参考点定义了旋转变换的0角度方向;旋转角度是绕基点从此0角度方向上逆时针转过的角度(如图*);图* 旋转角度2.本命令只能将图形在当前绘图平面内进行旋转变换。
准备好要加工的文件(.bmp或者stl)
第一步:双击桌面“精雕”图标打开软件。
双击桌面“北京精雕”图标打开
软件
第二步:文件---输入---点阵图像.bmp或者三维曲线曲面.stl格式的文件
.bmp格式
Stl格式
第三步:选择文件点击打开
第四步:点击鼠标左键放下图标
第五步:使用下面工具绘制外轮廓
红色的线为外轮廓,按鼠标右键退出命令
第六步:按住鼠标左键拖拉或者点击左键选择外轮廓(以下步骤选取方法一样),点击变换
命令下的尺寸等同,
鼠标左键选取位图
第六步:选双向尺寸等同
第七步:点击右侧对齐然后点击组合对齐
对齐
组合对齐
第八步:左键点击位图出现图形对齐窗口
第九步:选取位图,点击---艺术曲面----图像纹理----位图转网格
第十步:点击位图,出现位图转曲面窗口,设置曲面高度(曲面高度指的是图形的最低和最高之间的高度)
第十一步:点击选取位图按键盘Delete键删除
第十二步:选取网格点击---艺术曲面----网格重构:改变精度
第十三步:改变X、Y轴向精度
这里改变精度(建议设为0.1)
第十四步:选取网格点击虚拟雕塑
第十五步:点击---模型-----Z向变换
第十六步:点击----高点移至XOY
第十七步:点击---选择工具图标
第十八步:选取网格和雕刻围,点击---刀具路径---路径向导---出现设定加工围窗口
第十九步:选择加工围,点击下一步
第二十步:选择刀具点击下一步
第二十一步:设定切削用量点击下一步
第二十二步:进给设置----路径间隙(改变路径间距---间距越小加工精度越高,但是加工时间越长;建议设为0.1左右)
第二十三步:进给设置----进刀方式(关闭进刀方式)点击完成
第二十四步:选取路径,点击---刀具路径-----输出刀具路径
第二十五步:弹出“刀具路径输出”对话框,选择保存路径和文件名,点保存
第二十六步:在“输出 ENG文件”对话框中,点击“拾取二维点(D)”按钮,点击位图左下角
第二十七步:在“输出 ENG文件”对话框中,点击“确定”按钮
第二十八步:关闭软件。