安防监控工程清单(网络)
- 格式:xls
- 大小:24.00 KB
- 文档页数:2
第1篇一、工程概况1. 工程名称:XX公司网络监控系统工程2. 工程地点:XX市XX区XX路XX号3. 工程范围:包括监控系统布线、设备安装及调试4. 工程内容:- 前端设备:摄像机、镜头、解码器等- 后端设备:视频矩阵、录像机、存储设备、显示设备等- 辅助材料:线缆、配线架、光纤、水晶头等二、工程总价根据工程量和设备清单,本工程总价为人民币(大写):叁拾万捌仟圆整(¥380,000.00元)。
三、报价明细1. 前端设备费用- 摄像机:人民币(大写):壹拾万元整(¥100,000.00元)- 镜头:人民币(大写):贰万元整(¥20,000.00元)- 解码器:人民币(大写):叁万元整(¥30,000.00元)- 合计:人民币(大写):壹拾叁万元整(¥130,000.00元)2. 后端设备费用- 视频矩阵:人民币(大写):伍万元整(¥50,000.00元)- 录像机:人民币(大写):贰拾万元整(¥200,000.00元)- 存储设备:人民币(大写):贰拾万元整(¥200,000.00元)- 显示设备:人民币(大写):壹拾万元整(¥100,000.00元)- 合计:人民币(大写):壹拾贰万元整(¥120,000.00元)3. 辅助材料费用- 线缆:人民币(大写):壹万元整(¥10,000.00元)- 配线架:人民币(大写):伍仟元整(¥5,000.00元)- 光纤:人民币(大写):壹万元整(¥10,000.00元)- 水晶头:人民币(大写):伍仟元整(¥5,000.00元)- 合计:人民币(大写):贰万元整(¥20,000.00元)4. 安装调试费用- 安装费用:人民币(大写):壹万元整(¥10,000.00元)- 调试费用:人民币(大写):伍仟元整(¥5,000.00元)- 合计:人民币(大写):壹万伍仟元整(¥15,000.00元)四、总计本工程总价为人民币(大写):叁拾万捌仟元整(¥380,000.00元)。
工程监控系统方案清单模板1. 项目背景本项目是指针对xxx工程进行监控的系统方案清单。
该工程是xxx,具有xxx特点和要求,需要一个高效、稳定、可靠的监控系统来进行管理和监控。
2. 项目目标本项目的目标是建立一个完善的工程监控系统,以实现对工程的全面、及时、准确地监控,及时发现问题并进行处理,保障工程的正常运行。
3. 系统需求分析根据项目背景和目标,对系统的需求进行详细分析。
3.1 系统功能需求(1)实时监控:对工程设备、工艺参数等进行实时监控,及时发现异常情况。
(2)数据采集:对工程数据进行采集和存储,方便后续分析和查询。
(3)报警管理:系统能够根据预设的报警条件进行实时报警,并提供相应的处理方式。
(4)历史数据分析:能够对历史数据进行分析和统计,以便对工程的运行情况进行分析。
(5)远程控制:远程对工程设备进行控制,并能够对远程操控进行安全管理。
3.2 系统性能需求(1)稳定性:系统需要保证稳定运行,避免出现系统崩溃等情况。
(2)实时性:系统对工程的监控需要具有较高的实时性,保证监控信息的及时性。
(3)安全性:系统需要具备较高的安全性,包括用户身份认证、数据传输加密等。
(4)易用性:系统需要具备易操作、易维护、易管理的特点。
3.3 系统硬件需求(1)服务器:需要搭建一定规模的服务器用于数据存储和处理。
(2)传感器和设备:需要部署传感器和设备来实现对工程的实时监控。
3.4 系统软件需求(1)监控软件:需要开发一套监控软件来实现系统的各项功能。
(2)数据库软件:需要选择合适的数据库软件来存储工程数据。
4. 系统设计方案根据系统需求分析,设计合理、高效的工程监控系统方案。
4.1 系统架构设计(1)整体架构:采用客户端/服务器架构,服务器负责数据存储和处理,客户端负责用户操作和信息展示。
(2)分层架构:采用分层的设计模式,将系统拆分为展示层、业务逻辑层和数据访问层,以实现系统各部分的功能独立。
4.2 系统软件设计(1)监控软件:根据系统功能需求,设计监控软件的功能模块和界面布局。
安防监控工程报价清单1.监控摄像头:1/3英寸SONY 420线海螺型6个单价230 1380 2.监控户外红外线摄像头1/3英寸SONY 480线枪型1个单价320 320 3.硬盘录像机八路视频四路音频的1300 4.硬盘1T 希捷600 5.75-3 94编全铜视频线700米 1.5/米1050 6.摄像头电源10个单价20 200 7.BNC接头20个单价2块40 8.莲花头10个单价2块20 9.电源转换头4个单价5块20 10.户外摄像头支架1个单价20 11.液晶显示器三星19”(可自购理想品牌)800 12.远程监控用路由器1 台单价100 13.德国BOSCH双鉴报警探头及控制主机2100 14.双鉴报警用信号线100米 1.5/米150 15.可视对讲1500 16.拾音器3个35/个105合计:9705盼可将烛光交给你让暖火暖心房寒流里愿同往关心爱心灿若阳光病痛中种种境况用我手去帮忙凭仁爱用诚意自能导出心里光痛苦中像双有力臂膀带着你冲出暗巷凭着这热暖的光理想今天再创盼共你结伴去以心中暖流和风对抗盼共你结伴去以心中暖流和风对抗愿见人人和平友爱愿见人人真意相待仁爱復再来颂讚和平传扬友爱人人永远相亲爱和平的歌声响遍四海内重见自由博爱----阳光中愿见愿见欢笑微笑裡痛苦可以消笑又如阳光大眾分享了谁人多谁人少不紧要快乐,是阳光普照的清晨快乐,是流水美妙的音韵快乐,其实分分钟把你等只要你,识得点去揾快乐,是寻找天际的星辰快乐,是回忆沙滩的足印快乐,其实边一位都有份不管你是富或贫朋友爱,父母恩,每刻温暖在我心阔达满足,仁爱施恩,快乐便常共你相亲快乐,是离开都市的烟尘快乐,是回家往浴缸一浸快乐,是一首好歌嘴里哼一张晚报,一杯香槟快乐,是贤妻给我的精神快乐,是儿子亲昵的一吻快乐,长伴我这一生皆因我是快乐人!!!快乐,其实边一位都有份不管你是富或贫朋友爱,父母恩,每刻温暖在我心阔达满足,仁爱施恩,快乐便常共你相亲快乐,是离开都市的烟尘快乐,是回家往浴缸一浸快乐,是一首好歌嘴里哼一张晚报,一杯香槟快乐,是贤妻给我的精神快乐,是儿子亲昵的一吻快乐,长伴我这一生皆因我是快乐人!!!快乐,长伴我这一生皆因我是快乐人!!!。
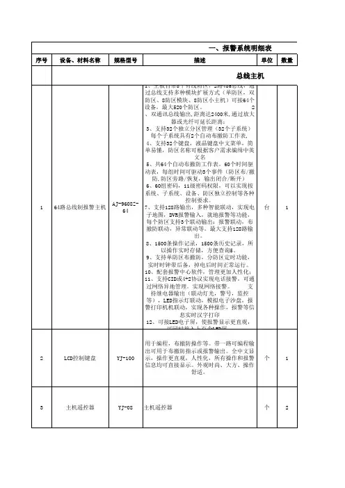
**系统工程量清单
序号项目名称单位工程量型号、规格设备单价合价
一、视频监控及防盗报警系统
1 一体化球形摄像机套0.00
2 红外半球摄像机套0.00
3 红外枪式摄像机套0.00
4 飞碟网络摄像机套0.00
5 红外探测器套0.00
6 摄像机电源个0.00
7 球形摄像机专用电源个0.00
8 枪式摄像机支架根0.00
9 一体化球型摄像机支架根0.00
10 二合一防雷器个0.00
11 控制键盘套0.00
12 4路硬解管理终端套0.00
13 8路硬解管理终端套0.00
14 中心管理服务器套0.00
15 24盘位存储综合管理平台套0.00
16 专业监控硬盘套0.00
17 工作站PC 套0.00
18 32寸高清液晶监视器台0.00
19 46寸高清液晶监视器台0.00
20 60寸高清液晶监视器台0.00
21 弱电中心机房电视墙套0.00
22 酒店监控机房电视墙套0.00
23 措施费项0.00
24 规费项0.00
小计
二、计算机网络系统
1 24口内网网络交换机套44.00
主机(24千兆RJ45,4千兆SFP,交流供电),二层半
2 48口内网网络交换机套 2.00 主机(48千兆RJ45,4千兆SFP,交流供电),三层交
使用
3 防火墙套 2.00 千兆电口≥8;SSL VPN并发数≥100;IPSec VPN隧
防火墙数量≥20;
4 1000M光纤收发器对42.00 1000M多模光纤收发器
5 措施费项 1.00
6 规费项 1.00
小计。
第1篇一、工程概况1. 工程名称:XX安防工程施工2. 工程地点:XX3. 工程规模:XX4. 工程内容:XX5. 工程质量要求:合格6. 工程工期:XX二、报价清单1. 人员费用(1)项目经理:XX元/月(2)技术负责人:XX元/月(3)施工人员:XX元/月/人2. 材料费用(1)钢筋:XX元/吨(2)水泥:XX元/吨(3)砂石:XX元/立方米(4)砖:XX元/立方米(5)电线:XX元/千米(6)管道:XX元/米(7)其他材料:按实际使用量计算3. 机械设备费用(1)挖掘机:XX元/小时(2)推土机:XX元/小时(3)搅拌机:XX元/小时(4)吊车:XX元/小时(5)其他机械设备:按实际使用量计算4. 施工辅助费用(1)施工用水:XX元/立方米(2)施工用电:XX元/千瓦时(3)施工场地租赁:XX元/平方米/月(4)施工材料运输:按实际运输距离及数量计算(5)其他辅助费用:按实际发生计算5. 施工管理费用(1)项目管理费:按工程总造价的XX%(2)质量保证金:按工程总造价的XX%(3)安全生产费:按工程总造价的XX%(4)文明施工费:按工程总造价的XX%6. 不可预见费用(1)不可预见费用:按工程总造价的XX%三、总价1. 人员费用:XX元2. 材料费用:XX元3. 机械设备费用:XX元4. 施工辅助费用:XX元5. 施工管理费用:XX元6. 不可预见费用:XX元合计:XX元四、付款方式1. 合同签订后,预付合同总价的XX%2. 工程进度款:按工程进度分期支付3. 竣工验收合格后,支付合同总价的XX%4. 保修期满后,支付剩余合同总价五、保修1. 工程保修期为XX年2. 保修期内,如因施工质量问题导致工程损坏,乙方负责免费维修3. 保修期满后,乙方提供终身维护服务,收取合理维护费用注:以上报价清单仅供参考,具体价格以实际工程为准。
如有变动,双方协商解决。
第2篇一、工程概况本安防工程施工项目位于我国某城市,项目范围包括但不限于:监控设备安装、门禁系统安装、报警系统安装、电子巡更系统安装、消防系统安装等。
30标监控工程量清单细目号细目明称单位数量备注202监控分中心
202.4计算机硬件设备
-1监控以太网交换机台1
-2监理分中心双机热备服务器套2
-3工作站套6
-4激光打印机台1
-5喷墨打印机台1
-6光盘机台1
-7监控分中心便携式算机台2
-8超五类非屏蔽双绞线米500 202.5大屏幕显示设备
-146〞液晶显示器套25
-2多屏拼接控制器套1
-3多屏拼接工作站套1 *-4安装支架、接线、附件等1
*-5多拼接屏控制软件套1 202.7交通检测设备主要技术指标
-1道路安全固定摄像机事件检测器套3
-2道路固定摄像机事件管理服务器套1 202.9其他附属设施
-1监控分中心综合控制台(12×1.2×0.74m)套1
-2电视墙套1
-319〞标准机柜套8
-4座椅把10 203.1软件平台
203.1.1操作系统
-1服务区操作系统套4
-2工作站操作系统套7
-3双机热备份软件套1 203.1.2数据库管理系统
-1监控分中心数据库管理系统
203.1.3防病毒软件
-1网络防病毒软件
-2终端防病毒软件
203.2应用软件
204视频监视子系统
204.5视频监视系统设备
-1高清彩色遥控摄像机
-2监控分中心室外型彩色遥控摄像机(枪式云台)
-3室内型彩色半球摄像机(球型)
*-4室外型彩色
-5道路固定摄像机
-6
-7
-8
-9
-10
-11
-12 *-13
*-14
205
205.5
-1
-2。