推钢机毕业设计(数据计算)
- 格式:doc
- 大小:543.50 KB
- 文档页数:11
毕业设计任务书课题:新型液压推钢机设计专业机械电子工程学生姓名班级学号指导教师专业系主任发放日期 2013年12月31日推钢机是轧钢生产线上将钢坯推进加热炉内进行加热的专用设备,旧式生产线上往往采用机械式推钢机,其体积大.价格高.故障率高.维修保养复杂。
随着轧钢生产的发展,新型液压推钢机逐步取代了老式机械推钢机,充分利用了液压油缸和液压系统的推力大、体积小、操作方便的优点,使推料工序大大简化,设备成本大大降低。
本课题设计一种利用液压系统实现的推钢机。
本次设计工作通过查阅文献资料,使学生在了解推钢机工作原理的基础上,设计推钢机的整体结构,并利用液压系统实现推钢机的整体功能。
结合本课题,该课题的主要设计研究内容主要包括以下几个方面:(1) 液压推钢机的整体结构设计。
(2) 液压推钢机的机械系统设计。
(3) 液压推钢机的液压驱动系统设计。
二、设计依据1.课题来源:生产实际。
2.产品名称:新型液压推钢机设计。
3.要求推钢机能够完成对钢材的自动助推功能。
4. 该类推钢机要能够适宜于批量处理。
5 工件的材质为5kg,材质为45#钢。
6.采用新型液压系统作为驱动动力源。
1.应具有一定的实用性和可靠性。
2.应当能够完成对钢材的夹紧与助力推送功能。
3.应考虑通用性和特殊要求,便于安装、放置在工作地点并且稳定可靠。
4.要求结构紧凑,重量轻,效率高。
5.设计图样总量:折合成A0幅面在3张以上;工具要求:应用计算机软件绘图。
6.毕业设计说明书按照学校规定的格式规范统一编排、打印,字数不少于2万字。
7.查阅文献资料10篇以上,撰写1500~2000字左右的文献综述,并有不少于3000 汉字的外文资料翻译。
8.到相关单位进行毕业实习,撰写不少于3000字实习报告。
9.撰写开题报告。
四、毕业设计物化成果的具体内容及要求1.设计成果要求1)毕业设计说明书 1 份2)图纸(折合成A0图纸) 3 张3)其他:2.外文资料翻译(英译中)要求1)外文翻译材料中文字不少于3000字。
75T推钢机设计摘要推钢机是轧钢车间上料区主要设备之一,其作用是将加热炉前辊道上的钢坯或炉前上料台架上的钢坯推入加热炉进行二次加热过程。
本设计选用了机械式推钢机,在推钢机结构设计上主要采用了齿轮齿条的结构形式。
该机构具有结构简单,整体尺寸适中,传动效率高,维修方便,造价较低的优点。
在本设计中主要对推钢机进行了结构设计和理论计算,并着重对传动机构做了详细的分析设计。
关键词:推钢机;结构设计;理论计算全套图纸加QQ 695132052Design of 120 T pusher-machine for Baotou Steel Bars factoryAbstractPushing steel-rolling workshop is based on one of the main equipments─Pusher-machine, and its role is to push the billet material which lies on the Roller or the bench before the furnace into the furnace for reheating process. The design chooses a mechanical pusher- machine,while the structure designed primarily for the use of the gear and rack structure. The advantages of the structure exists that the body is simple in structure, the overall size of moderate, high transmission efficiency, easy maintenance, the lower main content of the pusheer-design includes the structure design and theoretical calculations and focus on the transmission mechanism to do a detailed analysis and design.Keywords:Pusher-machine; Structural Design; Theoretical calculations目录摘要 (I)ABSTRACT (II)前言 ...................................................................................................- 1 - 第一章概述.......................................................................................- 3 - . (3).....................................................................................................- 3 - .....................................................................................................- 4 - .....................................................................................................- 4 - . (6).....................................................................................................- 6 - .....................................................................................................- 6 - .....................................................................................................- 6 - 第二章传动方案的分析与拟定 ..........................................................- 8 - . (8).....................................................................................................- 8 - .....................................................................................................- 8 - . (9)第三章电动机的选择计算 .................................................................- 9 - . (9)...................................................................................................- 10 - ...................................................................................................- 11 - (11)...................................................................................................- 11 - ...................................................................................................- 11 - ...................................................................................................- 12 - ...................................................................................................- 12 - 第四章传动装置的运动及动力参数的选择和计算............................- 12 - (12)...................................................................................................- 12 - ...................................................................................................- 13 - ...................................................................................................- 13 - 第五章减速器的选择计算 ...............................................................- 14 - (14)...................................................................................................- 15 - ...................................................................................................- 15 - (16)第六章.传动机构的设计计算..........................................................- 16 - (16)...................................................................................................- 16 - ...................................................................................................- 17 - (22)...................................................................................................- 22 - ...................................................................................................- 22 - 第七章轴系零部件 ......................................................................- 27 - (27)...................................................................................................- 27 - ...................................................................................................- 28 - ...................................................................................................- 30 - (34)...................................................................................................- 34 - ...................................................................................................- 34 - ...................................................................................................- 35 - ...................................................................................................- 36 - (38)、特点和应用.................................................................................- 38 - ...................................................................................................- 40 - (41)········································- 41 -···································································································- 42 - ·······································································································- 43 -结束语··························································································- 44 - 参考文献··························································································- 45 - 致谢 ·····························································································- 46 -前言钢铁工业作为国民经济的基础工业,一直是衡量一个国家经济发展水平的重要指标。
毕业设计(论文)任务书课题名称钢铁企业钢材轧制生产线上料平台前3吨推钢机的设计系/专业机械系/班级学号学生姓名日期2006年12月1日—— 2007年5月30日指导教师签字:张沈宏教研室主任签字:系教学主任签字:年月日一、毕业设计(论文)课题的背景本课题设计的推钢机是南京钢铁集体有限公司高速线材厂的一个改造项目,高线改造工程年产50万吨线材,钢坯轧前加热需要配备额定小时产量100吨步进加热炉一座,为侧装料、侧出料,采用三班连续工作制。
其原料钢坯的来料、输送到加热炉区的上料以及加热炉炉外的出炉,都必须经过各种机械设备完成,因此这些设备都在改造之列。
改造以后,存放在原料堆场的钢坯,通过磁盘吊车将冷原料钢坯吊至主要起传输作用的输送辊道上,通过辊道运转把钢坯传送到车间内的可以升降的上料平台。
当位于升降台一侧的推钢机接受到加热炉发出的要钢信号后,立即发生动作,将升降台上的钢坯推入到位于上料台另一侧的上料输送辊道上,往加热炉运送,然后再由加热炉前的推钢机把钢坯推入加热炉内加热,当钢坯加热到950度~1150度时,由出钢机出钢,送入炉外的出炉辊道上,将加热的通红的热钢喂入轧机进行轧制,经过初轧、精轧等几道工序,最后加工成成品钢。
本生产流程中用到的两台推钢机,其中一台的作用是在上料台前把钢坯推入至上料辊道,另一台是用在大型的步进式加热炉前。
考虑到我们机械系的学生以后从事的工作以及可能所处的生产环境,结合所学的课程以及目前的能力,本课题主要完成一个完整推钢机的设计工作。
通过该课题的设计,目的是提高同学们查阅资料和工具书的水平,综合运用所学知识的水平,从而提高整体机械设计能力。
二、毕业设计(论文)的内容1、推钢机的总体方安案设计2、标准件的选型3、主要非标零部件的设计及校核。
4、推钢机动作的电气控制设计三、毕业设计(论文)的要求与数据1、推杆机的技术参数:最大推力:3吨;推速:400mm/s;工作行程:3500mm;三班制工作2、设计要求:(1)根据工作条件及所给的参数拟定总体传动方案;(2)选择电动机的型号、适合的功率、输出转速等;(3)选择减速器的类型及型号;(4)完成重要零部件的尺寸设计及校核(主要包括齿轮传动设计校核、推杆的设计校核、轴的设计校核等);(5)完成所有标准件(包括联轴器、轴承等)的选用;(6)用Autocad完成机械总装图、部件图及零件图(折合2~3张A1图);(7)画出推钢机控制的电气原理图;(8)完成设计小结,编写设计论文。
江阴职业技术学院毕业设计说明书课题: PLC推钢机控制系统设计子课题: 同课题学生姓名:专业机电一体化学生姓名赵晓波班组09机电2班学号09020504指导教师益文娟完成日期2011年12月15号目录摘要 (Ⅲ)前言 (Ⅳ)第一章推钢机的简介 (1) (1) (1) (2) (2) (2) (3) (3) (3) (3)第二章电机电气控制、启动方式和线路保护 (4) (4) (11) (12) (12) (13) (14) (14) (14) (14) (15)第三章液压系统 (16) (16) (16) (16) (16)第四章PLC及现场总线 (18)PLC基本概念 (18)PLC的定义 (18)PLC的分类 (18) (18) (18) (18)PLC硬件组成 (18)CPU运算和控制中心起“心脏“作用 (18) (18) (18) (18)PLC的基本工作原理 (18)PLC的特点 (19)PLC的主要特点 (19)PLC的功能 (19)PROFIBUS (20) (20)参考文献 (22)致谢 (23)摘要推钢机是冶金轧钢生产线上将钢坯推进加热炉内进行加热的专用设备,它充分使用了液压油缸和液压系统的出力大,体积小操作方便的优点。
充分使用了液压油缸和液压系统的出力大,体积小操作方便的优点。
使推料工序得到减化,同时也降低了设备成本。
推钢机以先进的自动化控制设备和计算机技术的应用,冷轧不锈钢带、硅钢带、精密合金钢带、稀有合金带、高精度极薄冷轧碳素钢带等各种高精度高品质产品的出产,大大地促进了轧钢生产企业的经济效益和竞争能力,有力地提升了我国轧钢生产企业的形象。
推钢机解决了在高温、高粉尘下工作油缸的密封、主机导向部位的密封及磨损问题,从根本上解决了液压系统维护难、寿命短的问题。
完全替代了以前的人工作业,实现了多个推爪同步机械自动化操作,提高了生产的小时作业率.推钢机是轧钢车间上料区主要设备之一,其作用是将加热炉前辊道上的钢坯或炉前上料台架上的钢坯推入加热炉进行二次加热过程。
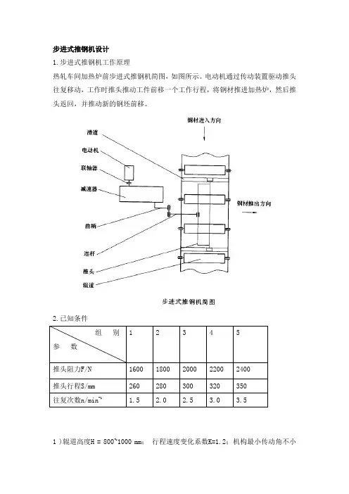
步进式推钢机设计
1.步进式推钢机工作原理
热轧车间加热炉前步进式推钢机简图,如图所示。
电动机通过传动装置驱动推头往复移动,工作时推头推动工件前移一个工作行程,将钢材推进加热炉,然后推头返回,并推动新的钢坯前移。
2.已知条件
1 )辊道高度H = 800~1000 mm;行程速度变化系数K=1.2;机构最小传动角不小
于40°,往复次数误差不大于±5% ;
2) 工作情况:两班制,电动机连续单向运转,载荷有轻微冲击,室内工作;
3) 使用期限:10 年;检修间隔三年一大修,两年一中修,半年一小修;4)生产条件:一般机械厂,单件生产;
5) 动力来源:电力,三相交流,电压380/220 V 。
3. 设计内容和工作量
1 )拟定工作机构和传动系统方案;
2) 工作机构的运动学与动力学分析;
3) 设计绘制推钢机系统总图1张;
4) 编写设计计算说明书1份。
1 绪论矿山轨道运输中,除机车、矿车等主要设备外,在卸载站、装车站、罐笼井井口等处的运输作业中,还使用了许多辅助设备,如推车机、爬车机、阻车器、限速器、翻车机(器)等等。
这些辅助设备主要用来完成矿车的短距离运行、行车控制及卸载任务。
辅助机械的使用,大大提高了运输效率,减轻了工人的劳动强度。
推车机则以其特有的特点而被矿山企业广泛的应用。
1.1 推车机的概述]1[1.1.1 推车机的用途在使用矿车的运输作业中,为了完成矿车的装载、提升和卸载等工序,常常需要在较短距离内使用推车机来移动矿车的位置。
根据不同的工作条件,推车机可以分为多种类型。
1.1.2 推车机的类型按其作业地点推车机可以分为三类:安设在装载站的推车机;安设在翻车机前的推车机;安设在罐笼前重车进罐侧的推车机。
按其结构推车机可分为有牵引机构和无牵引机构两大类。
有牵引机构的推车机由驱动装置带动钢丝绳或链条牵引推爪小车推动矿车;无牵引结构的推车机则借气缸、活塞杆推爪推动矿车。
按所用能源的不同,又分为电动、气动、液压等三种推车机。
此外,根据推车机和矿车的相对位置不同,又可分为上行式和下行式,目前多数矿山采用下行式。
1.1.3 推车机的结构下面以钢丝绳推车机为例,对推车机的结构进行简单的分析。
钢丝绳推车机的结构如图1.1所示,主要由拉紧装置1、推爪小车2、导轨3、绳轮4、驱动装置5及牵引钢丝绳6等几部分组成。
拉紧装置:拉紧装置的作用在于使牵引钢丝绳具有一定的初张力,以防止钢丝绳松弛。
但初张力不能太大,否则将增加传动系统的总阻力。
推爪小车:它是推车机的工作部件,它可以沿导轨做往复运动。
其上装有推爪,用以推动矿车。
绳轮:绳轮也称滑轮或导向滑轮,用于牵引钢丝绳的转向。
滑轮通常安装在固定的心轴上,滑轮与心轴之间装有滚动轴承或滑动轴承,可以自由转动。
1.拉紧装置2.推爪小车3.导轨4.头部绳轮5.驱动装置6.牵引钢丝绳]1[图1.1 钢丝绳推车机结构图驱动装置:钢丝绳推车机的驱动装置由电动机、传动部分、驱动轮等几部分组成。
毕业设计(论文)开题报告题目轧钢厂加热炉钢坯推出机传动系统设计学生姓名学号 06050116专业名称机械工程及自动化年级机械一班所在系(院)电子与自动化指导教师年月日说明1、根据《毕业设计(论文)工作管理规定》,学生必须撰写《毕业设计(论文)开题报告》,由指导教师签署意见、各教学单位审查,毕业设计(论文)领导小组负责人批准后实施。
2、开题报告是毕业设计(论文)答辩委员会对学生答辩资格审查的依据材料之一。
学生应当在毕业设计(论文)工作前期内完成,开题报告不合格者不得参加答辩。
3、毕业设计开题报告各项内容要实事求是,逐条认真填写。
其中的文字表达要明确、严谨,语言通顺,外来语要同时用原文和中文表达。
第一次出现缩写词,须注出全称。
4、本报告中,由学生本人撰写的对课题和研究工作的分析及描述,应不少于2000字,没有经过整理归纳,缺乏个人见解,拼凑而成的开题报告按不合格论。
5、开题报告检查原则上在第2~4周完成,各教学单位完成毕业设计开题检查后,应写一份开题情况总结报告。
毕业设计(论文)的意义和选题背景我设计的题目是轧钢厂加热炉钢坯推出机传动系统设计:从炼钢厂出来的钢坯还仅仅是半成品,必须到轧钢厂去进行轧制以后,才能成为合格的产品。
从炼钢厂送过来的连铸坯,首先是进入加热炉,然后经过初轧机反复轧制之后,进入精轧机。
轧钢属于金属压力加工,说简单点,轧钢板就像压面条,经过擀面杖的多次挤压与推进,面就越擀越薄。
在热轧生产线上,轧坯加热变软,被辊道送入轧机,最后轧成用户要求的尺寸。
轧钢是连续的不间断的作业,钢带在辊道上运行速度快,设备自动化程度高,效率也高。
从平炉出来的钢锭也可以成为钢板,但首先要经过加热和初轧开坯才能送到热轧线上进行轧制,工序改用连铸坯就简单多了,一般连铸坯的厚度为150~250mm,先经过除磷到初轧,经辊道进入精轧轧机,精轧机由7架4辊式轧机组成,机前装有测速辊和飞剪,切除板面头部。
精轧机的速度可以达到23m/s。
130T推钢机设计摘要我设计的为机械式推钢机,它结构简单,,传动效率高,整体尺寸合适,维修方便造价便宜等特点。
本文具体包括轧制工艺过程和自动化控制简介,推钢机的分类和结构特点传动方案的传动和拟定,电动机的选择与校核、减速器的选用、传动方式、齿轮齿条传动和齿轮传动设计、轴系零件指的是通过一系列的设计和计算对轴和轴承做比较全面的强度与刚度的审核。
及设备的维修、润滑和维护。
机械式推钢机通过齿轮齿条的啮合传动把电能转化为动能,带动推杆完成推钢。
本文设计中主要对推钢机进行了结构设计和理论计算,对传动机构做了更深入的分析设计,最后做了设备经济性能和可靠性能评价。
关键词:电动机;推钢机;理论计算;结构设计全套图纸,加153893706A design for 130 tons of steel machineAbstractI designed a rack pusher, the reliable work, high transmission efficiency, thrust and large travel, but their heavy equipment, the gear rack type pushing steel machine widely used. rack type pusher through engaging transmission gear rack of the rotary motion of the motor into linear motion of the push rod rack, drive complete pusher, Design analysis describes the design scheme, including the determination of the pusher and classification and characteristics of the design; the design and calculation of main drive system, including the original design parameters, calculation and check of the motor, calculation and check of coupling and reducer; design and calculation of the main parts, including rack-and-pinion meshing gear strength calculation, calculation of the strength of the shaft, bearing selection and calculation, and the selection of the key and checking; and then the equipment repair, installation, lubrication and seal design, finally the reliability and economical evaluation of equipment.Keywords: billet; pusher; rack type pusher目录1.绪论 (5)1.1轧制工艺过程简介 (5)1.1.1轧制过程 (5)1.1.2热轧 (5)1.1.3冷轧 (3)1.2推钢机的种类 (5)1.3推钢机结构特点 (6)1.4推钢机未来发展趋势 (6)2 传动方案的分析与拟定 (8)2.1 传动方案的分析 (8)2.1.1常用的传动类型及其特点 (8)2.1.2机械传动系统设计时应注意的事项 (9)3 电动机选择和计算 (11)3.1 概述 (11)3.1.1常用电动机的特点及用途.............................................................................. .. (11)3.1.2电动机选择方法 (12)3.2电动机选择计算与校核 (12)3.2.1选择电动机的结构与类型 (12)3.2.2选择电动机的容量 (12)3.2.3选定电动机的型号和参数 (13)3.2.4电机过载校核 (13)4传动装置的运动及动力参数选择和计算 (15)4.1传动比的计算与分配 (15)4.1.1传动装置的总传动比 (15)4.1.2 分配各级传动比 (15)5 减速器的选择计算 (17)5.1减速器的概述 (17)5.1.1减速器的作用 (17)5.1.2减速器的分类 (17)5.2减速器的选用 (17)6 传动机构的设计计算 (19)6.1齿轮齿条传动的强度计算 (19)6.1.1齿条的特点 (19)6.1.2齿轮齿条传动的强度计算 (19)7 轴系零部件 (24)7.1轴的设计 (24)7.1.1轴的分类 (24)7.1.2轴的常用材料 (24)7.1.3轴的强度计算 (25)7.2轴承的选择预计算 (28)7.2.1概述 (28)7.2.2轴承的分类 (28)7.2.3轴承的寿命校核 (29)7.2.4验证轴承的极限转速 (31)7.3键的设计与校核 (31)7.3.1键联接的选择 (31)7.3.2键的尺寸的选择与校核 (32)7.4推杆的稳定性校核 (33)8.设备安装、维修、润滑及密封 (35)8.1设备安装 (35)8.2设备维修 (35)8.2.1设备维修保养 (35)8.2.2设备检查 (35)8.2.3设备修理 (35)8.3润滑及密封 (36)8.4设备可靠性与经济性评价 (37)8.4.1机械设备的有效度 (37)结束语 (38)致谢 (39)参考文献1.绪论1.1轧制的工艺过程1.1.1轧制过程轧制过程:轧件通过摩擦力拉进旋转轧锟之间,受到塑性变形的压缩过程,通过轧制的金属有一定的形状、尺寸和性能。
一、工况分析经分析计算得到的推钢机动力滑台运动参数和动力参数见表1-1表1-1 动力滑台的运动参数和动力参数表1-2 动力滑台液压缸外负载计算结果滑台液压缸在各工作阶段的外负载计算结果见表1-2.由表1-1和表1-2即可绘制出液压缸的行程-时间循环图(L t-图)、速度时间循环图(v t-图)和负载-时间循环图(F t-图),见图1-1.图1-1 液压缸的L t-图、v t-图和F t-图二、确定主要参数,编制工况图表1-3 根据主机类型选择液压执行器的设计压力表1-4 液压执行器的被压力表1-5 液压缸、气缸的内径和活塞杆外径尺寸系列(GB/T 2348—1993)/mm注:括号内的尺寸为非优先采用直。
按表1-3,初选液压缸的设计压力124p MPa =。
为了减小液压泵的流量,将液压缸的无杆腔作为主工作腔,并在快进时差动连接,则液压缸无杆腔与有杆腔的有效面积1A 与2A 应满足122A A =(即液压缸内径D 和活塞杆直径d间应满足D =)。
为防止工作结束时发生前冲,液压缸需保持一定回油被压。
参考表1-4暂取被压0.8MPa ,并取液压缸机械效率=0.9cm η,则可算得液压缸无杆腔的有效面积6221621 1.058410A 4.9810()0.80.9(24)10()22cm Fm p p η-⨯===⨯⨯-⨯-液压缸内径0.2519()D m ===按GB/T 2348-1993,表1-5,将液压缸内径圆整为25025D mm cm ==;因122A A =,故活塞杆直径为/250/180(d D mm ==≈标准直径)则液压缸实际有效面积为222125A 49044D cm ππ⨯===222222()(2518)236.344A D d cm ππ=-=-=212253.7A A A cm =-=差动连接快进时,液压缸有杆腔压力2p 必须大于无杆腔压力1p ,其差值估取210.5,p p p MPa ∆=-=并注意到启动瞬间液压缸尚未移动,此时0p ∆=;另外,取快退时的回油压力损失为0.7MPa 。
重庆科技学院80T推钢机设计设计题目:80T推钢机设计********学号:**********系别:机械与动力工程学院专业班级:机电设备维修与管理11级1班指导教师:***摘要液压技术是现代制造的基础,它的出现和广泛应用于工业上,极大程度上代替了普通成型加工,全球制造业发生了根本性变化。
因此,液压技术的水准、拥有和普及程度,已经成为衡量一个国家综合国力和现代化水平的重要标志。
本次就是要设计一款热轧推钢机液压系统。
液压技术已被世界各国列为优先发展的关键工业技术,成为当代国际间科技竞争的重点。
本书为机械类液压设计说明书,是根据液压设计手册上的设计程序及步骤编写的。
本书的主要内容包括:组合机床动力滑块液压缸的设计课题及有关参数;工况分析;液压缸工作压力和流量的确定;液压系统图的拟定;驱动电机及液压元件的选择;设计体会;参考文献等。
编写本说明时,力求满足液压缸可以实现行程终点锁紧和满足其他系统要求;详细说明了液压系统的设计方法,以及各种参数的具体计算方法,如压力的计算、各种工况负载的计算、液压元件的规格选取等。
目录设计题目:80T推钢机设计 (1)题目:80T推钢机设计 (2)1. 设计任务及目的 (3)1.1设计任务 (3)1.2设计目的 (3)2.推钢机类型选择 (3)3.液压推钢机的设计 (4)3.1液压推钢机工作原理 (4)3.2液压系统的工作要求 (4)3.3负载分析和运动分析 (5)3.3.1 确定执行元件的形式 (5)3.3.2 进行负载分析和运动分析 (5)4.确定液压缸主要参数 (9)5.拟定液压系统原理图 (14)6.液压推钢机在实际使用中存在的问题 (15)小结: (16)在这次毕业设计中,通过同学间的相互协同工作,查阅多方面的资料,以及指导老师的热心帮助与指导,经过长时间的努力,我们终于完成了液压推钢机的基本设计。
在这个设计过程中,我们学到了很多,掌握了液压推钢机的工作原理和基本结构,了解到推钢机在工作中可能出现的一些问题,相信在以后的工作中也会更加得心应手。
┊┊┊┊┊┊┊┊┊┊┊┊┊装┊┊┊┊┊订┊┊┊┊┊线┊┊┊┊┊┊┊┊┊┊┊┊┊毕业设计(论文)任务书课题名称产量120t/h(混合煤气)推钢式连续加热炉设计学院专业班级热能与动力工程042班姓名学号049014196毕业设计(论文)的工作内容:(1)文献调研(2)炉子热工计算,用计算机进行(3)绘图:用autocad绘出加热炉的三视图(4)设计说明书(5)翻译与课题有关的外文文献一篇起止时间:2008 年 3 月20 日至2008 年 6 月20 日共周指导教师签字系主任签字院长签字加热能力为120吨/小时加热炉设书┊┊┊┊┊┊┊┊┊┊┊┊┊装┊┊┊┊┊订┊┊┊┊┊线┊┊┊┊┊┊┊┊┊┊┊┊┊摘要论文开始就工业炉的历史,现在的状况和其发展方向做了陈述,着重对工业炉的结构以及工业炉的操作制度,节能技术改进和“三高一低”理论的介绍,接着对工业炉的配套设备及烧嘴,换热器,烟囱等的相关结构和选用进行分析陈述。
然后对120吨/小时的推钢式加热炉的设计计算。
本文设计的加热炉是三段式推钢加热炉,在设计的参数选择上体现了“三高一低”的理论,并对该加热炉一些技术和经济指标进行评述。
关键字:工业炉节能“三高一低”AbstractThe paper started on the industry stove's history, present's condition and its development direction has made the statement, emphatically to industry stove's structure┊┊┊┊┊┊┊┊┊┊┊┊┊装┊┊┊┊┊订┊┊┊┊┊线┊┊┊┊┊┊┊┊┊┊┊┊┊as well as industry stove's operating duty, energy conservation technical change and “three high one low” theory introduction, then to the industry stove's supplementary equipment and the burner nozzle, the heat interchanger, the chimney and so on related structure and selected carries on the analysis statement. Then pushes the steel type heating furnace's design calculation to 120 tons/ hour.this article designs the heating furnace is the triad pushes the steel heating furnace, has manifested “three high one low” the theory in the design parameter choi ce, and carries on the narration to this heating furnace some technologies and the economic indicator.Key words: Industry stove Energy conservation“three high one low”目录文献综述 (5)1.1.工业炉的发展史 (6)1.2.工业炉的基本类型 (6)1.2.1 火焰炉结构 (6)┊┊┊┊┊┊┊┊┊┊┊┊┊装┊┊┊┊┊订┊┊┊┊┊线┊┊┊┊┊┊┊┊┊┊┊┊┊1.2.1.1 火焰炉的组成 (7)1.2.1.2现代推钢式连续加热炉 (11)1.3.燃烧系统及其控制 (13)1.3.1 烧嘴及其分布 (13)1.3.2 燃烧控制技术 (13)1.4.排烟系统 (14)1.4.1烟道 (14)1.4.2 烟囱 (15)1.4.2.1 排烟方式 (15)1.4.3 换热器及其保护 (15)1.4.4 炉膛压力控制 (16)1.5.工业炉的节能 (16)1.5.1 工业炉节能的几个措施 (16)1.5.2 燃料炉的节能 (17)1.5.3 加热工艺设计节能 (18)1.5.3.1 常规加热工艺规程节能 (18)1.5.4结论 (19)1.6 推钢机的结构特点及应用 (19)1.6.1 推钢机种类 (19)1.6.2 双机架齿轮齿条式推钢机结构及特点 (20)1.7加热炉耐火材料的选用 (20)1.7.1 使用性能 (20)1.7.1.1 热性能 (20)1.7.1.2 其它特殊性能要求 (22)1.7.2 工艺性能 (22)1.7.3 加热炉内衬选材方案的评价 (23)1.7.4 结论 (23)1.8 工业炉的发展方向 (24)1.8.1“三高一低”理论 (25)1.8.2 “三高一低”理论的技术基础 (25)2.1设计任务: (26)2.2热工计算 (27)2.2.1燃料燃烧计算 (27)2.2.2炉膛热交换计算 (29)2.2.3 金属加热计算 (31)2.2.3.1 钢坯的均热时间及温度参数 (31)2.2.3.2 加热段炉气温度 (32)2.2.3.3 燃料利用系数及预热段加热时间 (33)2.2.3.4 各段金属加热时间 (36)2.2.4 炉子主要尺寸计算 (37)2.2.4.1 炉子长度计算 (37)2.2.4.2 炉门数量和尺寸的确定 (37)┊┊┊┊┊┊┊┊┊┊┊┊┊装┊┊┊┊┊订┊┊┊┊┊线┊┊┊┊┊┊┊┊┊┊┊┊┊2.2.5炉膛热平衡与燃料消耗量计算 (39)2.2.5.1炉膛热收入Q入 (39)2.2.5.2炉膛热支出Q出 (40)2.2.5.3炉膛热平衡与燃料消耗量 (44)2.2.5.4炉子工作指标 (44)2.2.6 烧嘴的选用 (45)2.2.7空气换热器设计计算 (46)2.2.8.空气管路阻力损失计算及鼓风机选择 (54)2.2.9烟道阻力损失及烟囱计算(引风机选择) (60)结论 (65)附录:英文翻译及原文 (66)文献综述前言高产、优质、低耗、低成本、低污染反映了轧钢加热炉的综合技术经济指标,用少投入实现产能的最大化,是企业和热工工作者的追求目标,亦是轧钢加热炉的发展趋向。
【关键字】设计前言高产、优质、低耗、低成本、低污染反映了轧钢加热炉的综合技术经济指标,用少投入实现产能的最大化,是企业和热工工作者的追求目标,亦是轧钢加热炉的发展趋向。
目前,国内的连续式加热炉正在经历从推钢式到步进式的转变过程,虽然步进式加热炉有其优点,但是推钢式加热炉也有很多可取之处,推钢式炉和步进式炉有同等的效果,并且推钢式加热炉一次性投资少,维护运行费用低。
本文对加热炉的结构,附件的技术概况进行分析,借此找到改进的方案。
1.1.工业炉的发展史工业炉是在工业生产中,利用燃料燃烧或电能转化的热量,将物料或工件加热的热工设备。
中国在商代出现了较为完善的炼铜炉,在春秋战国时期,人们在熔铜炉的根底上进一步掌握了提高炉温的技术,从而生产出了铸铁。
1794年,世界上出现了熔炼铸铁的直筒形冲天炉。
后到1864年,法国人马丁运用英国人西门子的蓄热式炉原理,建造了用气体燃料加热的第一台炼钢平炉。
他利用蓄热室对空气和煤气进行高温预热,从而保证了炼钢所需的1600℃以上的温度。
1900年前后,电能供应逐渐充足,开始使用各种电阻炉、电弧炉和有芯感应炉。
20世纪20年代后又出现了能够提高炉子生产率和改善劳动条件的各种机械化、自动化炉型。
工业炉的燃料也随着燃料资源的开发和燃料转换技术的进步,而由采用块煤、焦炭、煤粉等固体燃料逐步改用发生炉煤气、城市煤气、天然气、柴油、燃料油等气体和液体燃料,并且研制出了与所用燃料相适应的各种燃烧装置。
二十世纪50年代,无芯感应炉得到迅速发展。
后来又出现了电子束炉,利用电子束来冲击固态燃料,能强化表面加热和熔化高熔点的材料。
为便于加热大型工件,又出现了适于加热钢锭和大钢坯的台车式炉,为了加热长形杆件还出现了井式炉。
随着现代化管理水平的提高,计算机控制系统的不断完善,现代连续加热炉也应运而生. 现代连续加热炉炉型可以归入两大类:推钢式炉和步进式炉。
两类炉型的根本区别,仅在于炉内的输料方式。
115t/h燃焦炉煤气推钢式连续加热炉的设计热能与动力工程专业摘要推钢式连续加热炉是传统的、使用最广泛的连续加热炉,它是靠推钢机完成炉内运料任务的连续加热炉。
该加热炉具有结构简单、操作方便、运行可靠、造价低廉的特点,运用于各种轧制前的加热和某些锻造前的加热,自本世纪初沿用至今。
该设计是在所学《传热学》《工程热力学》《火焰炉》等专业课的基础上,查阅大量加热炉设计资料,对加热炉进行整体设计。
该设计为产量为115t/h(焦炉煤气)方坯推钢式连续加热炉。
设计内容包括文献综述、热工计算、金属加热计算、炉子主要尺寸确定、炉膛热平衡与燃料消耗量计算、煤气烧嘴的选用、空气换热器设计计算、空气管路阻力损失计算及鼓风机选择、烟道阻力损失及烟囱计算、英文文献翻译等几部分。
最后运用CAD对加热炉本体进行总体绘图。
关键词:推钢式加热炉热平衡AbstractPusher-type furnace is a kind of traditional furnace that is the most widely used by pushing steel machine for material transport tasks completely. It has many advantageslisted below: simple in structure, convenient operation, reliable working low cost. It is applied to a variety of pre-rolling heating and some pre-forging heating, since the beginning of this century is in use.This design is based on the Heat Transfer, Engineering Thermo dynamics, Flame Furnace and other course, and referred to a large number of furnace design information for the overall design of the furnace. The production of the continuous slab pusher-type furnace is designed as 115t/h..The design includes literature review, thermal calculation, metal heating calculation, the determine to the furnace main dimensions, furnace heat balance and fuel consumed, the choice of the gas burner, heat exchanger design and calculation, air lines pressure drop calculation and air blower choice, flue resistance loss and the chimney calculation, the English translation of the literature and others. Finally, the CAD software is used to draw the whole body of the furnace.Keyword: Pusher-type Furnace Heat balance1.文献综述加热炉的概述[1]加热炉是将物料或工件加热的设备。
重庆科技学院毕业设计(论文)题目拔钢机设计院(系)机械与动力工程学院专业班级机设普2009-01学生姓名宗贵成学号2009440919 指导教师王换亮职称教授评阅教师何正春职称工程师2013年6 月8 日注意事项1.设计(论文)的内容包括:1)封面(按教务处制定的标准封面格式制作)2)原创性声明3)中文摘要(300字左右)、关键词4)外文摘要、关键词5)目次页(附件不统一编入)6)论文主体部分:引言(或绪论)、正文、结论7)参考文献8)致谢9)附录(对论文支持必要时)2.论文字数要求:理工类设计(论文)正文字数不少于1万字(不包括图纸、程序清单等),文科类论文正文字数不少于1.2万字。
3.附件包括:任务书、开题报告、外文译文、译文原文(复印件)。
4.文字、图表要求:1)文字通顺,语言流畅,书写字迹工整,打印字体及大小符合要求,无错别字,不准请他人代写2)工程设计类题目的图纸,要求部分用尺规绘制,部分用计算机绘制,所有图纸应符合国家技术标准规范。
图表整洁,布局合理,文字注释必须使用工程字书写,不准用徒手画3)毕业论文须用A4单面打印,论文50页以上的双面打印4)图表应绘制于无格子的页面上5)软件工程类课题应有程序清单,并提供电子文档5.装订顺序1)设计(论文)2)附件:按照任务书、开题报告、外文译文、译文原文(复印件)次序装订3)其它学生毕业设计(论文)原创性声明本人以信誉声明:所呈交的毕业设计(论文)是在导师的指导下进行的设计(研究)工作及取得的成果,设计(论文)中引用他(她)人的文献、数据、图件、资料均已明确标注出,论文中的结论和结果为本人独立完成,不包含他人成果及为获得重庆科技学院或其它教育机构的学位或证书而使用其材料。
与我一同工作的同志对本设计(研究)所做的任何贡献均已在论文中作了明确的说明并表示了谢意。
毕业设计(论文)作者(签字):年月日重庆科技学院本科生毕业设计摘要摘要拨钢机是炼钢车间钢坯搜集的主要设备之一,其作用是将六机六流方坯连铸机的方坯输送到钢坯存放台。
一、工况分析经分析计算得到的推钢机动力滑台运动参数和动力参数见表1-1表1-1 动力滑台的运动参数和动力参数表1-2 动力滑台液压缸外负载计算结果滑台液压缸在各工作阶段的外负载计算结果见表1-2.由表1-1和表1-2即可绘制出液压缸的行程-时间循环图(L t-图)、速度时间循环图(v t-图)和负载-时间循环图(F t-图),见图1-1.图1-1 液压缸的L t-图、v t-图和F t-图二、确定主要参数,编制工况图表1-3 根据主机类型选择液压执行器的设计压力表1-4 液压执行器的被压力表1-5 液压缸、气缸的内径和活塞杆外径尺寸系列(GB/T 2348—1993)/mm注:括号内的尺寸为非优先采用直。
按表1-3,初选液压缸的设计压力124p MPa =。
为了减小液压泵的流量,将液压缸的无杆腔作为主工作腔,并在快进时差动连接,则液压缸无杆腔与有杆腔的有效面积1A 与2A 应满足122A A =(即液压缸内径D 和活塞杆直径d间应满足D =)。
为防止工作结束时发生前冲,液压缸需保持一定回油被压。
参考表1-4暂取被压0.8MPa ,并取液压缸机械效率=0.9cm η,则可算得液压缸无杆腔的有效面积6221621 1.058410A 4.9810()0.80.9(24)10()22cm Fm p p η-⨯===⨯⨯-⨯-液压缸内径0.2519()D m ===按GB/T 2348-1993,表1-5,将液压缸内径圆整为25025D mm cm ==;因122A A =,故活塞杆直径为/250/180(d D mm ==≈标准直径)则液压缸实际有效面积为222125A 49044D cm ππ⨯===222222()(2518)236.344A D d cm ππ=-=-=212253.7A A A cm =-=差动连接快进时,液压缸有杆腔压力2p 必须大于无杆腔压力1p ,其差值估取210.5,p p p MPa ∆=-=并注意到启动瞬间液压缸尚未移动,此时0p ∆=;另外,取快退时的回油压力损失为0.7MPa 。
根据上述假定条件经计算得到液压缸工作循环中各阶段的压力、流量和功率(见表1-6),并可绘出其工况图(图1-2)。
表1-5 液压缸工作循环中各阶段的压力、流量和功率工作阶段计算公式负载/F kN回油腔压力2/p MPa工作腔压力1/p MPa输入流量3/(/)q m s输入功率/N kW快进启动21cmFA PpAη+∆=11;q Av N p q==156.8 — 6.87 ——加速107.1 7.66 7.16 ——恒速78.4 5.4 4.9 0.0048 23.52 工进2211cmFp ApAη+=121;q A v N p q==1058.4 0.8 16.00 0.0049 120快退启动2112cmFp ApAη+=211;q A v N p q==156.8 —7.37 ——加速107.1 0.7 8.82 ——恒速78.4 0.7 5.14 0.0045 23图1-2 液压缸的工况图三、拟定液压系统原理图此推钢机,采用4 套泵机组和3 个阀组组成,正常情况下三开一备,3 台变量柱塞泵分别为3 套阀组供油控制相应的液压缸,泵4 作为其他3 台泵的备用泵,在系统需检修或更换能源系统中某组中的元件时;通过打开、关闭相应的高压球阀,起动备用系统,以满足工作需要。
系统的最高压力通过变量泵调节,系统工作压力由先导式溢流阀4 设定。
1. 油箱2. 电机3. 恒压变量泵4. 先导式溢流阀5 ,7 ,13. 单向阀6 ,11. 高压球阀 8. 电液换向阀9.双液控单向阀 10. 双单向节流阀 12.先导式顺序阀14. 电磁换向阀 15. 压力继电器16. 液压缸17. 回油过滤器图 1-3 80 吨液压推钢机液压系统原理起动泵机组后,油液经过单向阀5、球阀6 分别到1 # 、2 # 、3 # 推钢机的阀台,通过每个阀台上电磁阀各自相应的动作,分别控制相应的液压缸动作。
当电磁铁1DT 通电,7DT 通电,电液换向阀8 左侧接通,经双液控单向阀9 ,双单向节流阀10 后,经由电磁换向阀14 后,形成差动回路,推钢机以0.19 m/ s 的速度快进;当推头推到板坯后,随着推力增加,系统压力上升,当系统压力达到10 MPa (通过压力继电器15设定) 时,7DT 断电,差动回路断开,系统压力进一步增大到10.5 MPa (通过先导式顺序阀12 设定) ,先导式顺序阀12 打开,油液经先导式顺序阀12 ,经双单向节流阀10 ,双液控单向阀9 ,单向阀7 ,回油过滤器17 回油箱1 ,推钢机以0.1 m/ s 的速度工进;当电磁铁2DT 通电, 电液换向阀8 右边接通,推钢机以0.21 m/ s 的速度快退。
在油路上设有双单向节流阀10 ,可对两缸的工作速度进行调节。
表1-6 电磁铁动作顺序表四、组成液压元件设计(1)液压泵及其驱动电机计算与选定① 液压泵的最高工作压力计算 由液压缸的工况图1-2或表1-5可以查的液压缸的最高工作压力出现在工进阶段,即116p MPa =,而压力继电器的调整压力应比液压缸最高工作压力大0.5MPa 。
此时缸的输入流量较小,且进油路原件较少,故泵至缸间的进油路损失估取0.8p MPa ∆=。
则小流量泵的最高工作压力1P p 为1160.50.817.3()P p MPa =++=大流量泵仅在快速进退时向液压缸供油,由图1-2可知,快退时液压缸的工作压力比快进时大,取进油路压力损失为0.4MPa ,则大流量泵最高工作压力2P p 为28.820.49.22()P p MPa =+=② 液压泵的流量计算 液压泵的最大供油流量P q 按液压缸的最大输入流量33(4.910/)m s -⨯进行估算。
取泄漏系数 1.1K =,则33331.1 4.910/ 5.3910/220.4/min P q m s m s L --=⨯⨯=⨯=考虑到溢流阀的最小温度流量为2/min L ,快退时的流量为334.510/m s -⨯(220.4/min L ),则小流量泵的流量至少应为222.4/min L 。
③ 确定液压泵及其驱动电机的规格 根据以上计算结果查阅产品样本,选用规格相近的1200/220YB -型双联叶片泵。
由工况图 1-2知,最大功率出现在工进阶段,由液压泵类型及特性,取泵的总效率为0.80,p η=则所需电机功率为6239.2210(200220)10140.4()0.806010P PP Pp q P kW η-⨯+⨯===⨯⨯ ④选用电动机型号 查《机械设计手册》,选用规格相近的X 型封闭式三相异步电动机,其额定功率160kW 。
根据所选择的液压泵规格及系统工作情况,可算出液压缸的各阶段的实际进、出流量,运动速度和持续时间(见表1-7),从而为其他液压元件的选择及系统的性能计算尊定基础。
(2)液压控制阀和液压辅助元件根据系统工作压力与通过各液压控制阀及部分辅助元件的最大流量,查产品样本所选择的元件型号规格如表1-8所列。
管件尺寸由选定的标准元件油口尺寸确定。
油箱容积按式P V q ζ=计算,取经验系数8ζ=,得油箱容积为8(200220)3360()P V q L ζ==⨯+=五、验算液压系统性能(1)验算系统压力损失按选定的液压元件接口尺寸确定管道直径为18d mm =,进、出油管道长度均取为2;l m = 取油液运动黏度42110/,m s ν-=⨯ 油液密度330.917410/kg m ρ=⨯。
由表1-5查得工作循环中进、回油管道中通过的最大流量1223/min q L =发生在快退阶段,由此计算得雷诺数3344487010Re 102612320601810110vdq d νπνπ---⨯⨯====>⨯⨯⨯⨯⨯故可推论出:各工况下的进、回油路中的液流均为紊流,只有工进时的液流为层流。
将适用于层流的沿程阻力系数75/Re 75/(4)dv q λπ==和管道中液体流速24/()v q d π=代入沿程压力损失计算公式得344344754750.91751011020.8322(1810)l p q q q d λρνππ--⨯⨯⨯⨯⨯⨯⨯∆===⨯⨯ 在管道具体结构尚未确定情况下,管道局部压力损失ζp ∆常按以下经验公式计算λζp p ∆=∆1.0各工况下的阀类元件的局部压力损失按相应公式计算,即2)/(n n v q q p p ∆=∆根据以上三式计算出的各工况下的进回管道的沿程、局部和阀类元件的压力损失如表1-9所列。
表1-7 液压缸在各阶段的实际进出流量、运动速度和持续时间表1-8 推钢机液压系统中控制阀和部分辅助元件的型号规格将回油路上的压力损失折算到进油路上,可求得总的压力损失,555236.32.3874100.84810 2.79610()490p Pa ∆=⨯+⨯⨯=⨯∑ 其余工况以此类推。
尽管上述计算结果与估取值不同,但不会使系统工作压力超过其能达到的最高压力。
(2)估算系统效率、发热和温升由表1-7的数据可看到,本液压系统的进给缸在其工作循环持续时间中,工进所占的时间比例哒96%,所以系统发热和油液温升可用工进时的情况来计算。
工进时液压缸的有效功率为:60222 1.0584100.1 1.7660P p q Fv kW ⨯⨯==== 这时泵的总输入功率为33661122200102201016100.510606066.80.80P P P P Pi Pp q p q P kW η--⨯⨯⨯⨯+⨯⨯+=== 根据系统的发热量计算公式可算出工进阶段的发热功率(1)66.8(10.103)59.9Pi H P kW η=-=⨯-=取散热系数15/(C)K W m =•,算得系统温升为328.57()t C ∆===低于该液压系统所允许的温升值。