2019中考化学专题复习: 实验探究题 突破训练(含答案)
- 格式:docx
- 大小:783.85 KB
- 文档页数:8
2019年九年级化学中考实验探究题一、实验探究题(共10题;共43分)1、(湘潭市2019)根据下列实验装置图回答问题:(1)写出图中仪器a的名称:________。
(2)实验室用高锰酸钾制取氧气应选用的发生装置为________(填字母序号),写出该反应的化学方程式。
若用E装置来收集氧气,集满气体的集气瓶移出水面后应________(填“正放”或“倒放”)在桌面上。
(3)实验室可利用装置F来检验生成的二氧化碳,其现象为,请写出有关的化学方程式。
(4)若用G装置来去除CO中混有的少量CO2,则该装置中最好加入下列哪种试剂________(填字母序号),混合气体应从________(填“M”或“N”)端导管口进入。
A浓硫酸B紫色石蕊溶液C氢氧化钠溶液2、(镇江市2019).请结合下图回答问题:(1)仪器名称:①________,②________。
(2)实验室用氯酸钾和二氧化锰制取并收集O2,可选用发生装置________(选序号)和收集装置D组合,反应的化学方程式为(3)实验室制取CO2的化学方程式为,用装置C相对于B的优点是,可用装置E收集,理由是.(4)实验室用和稀反应制取FeS 和H2SO4反应制取H2S。
H2S是有毒气体,能溶于水,其水溶液为氢硫酸。
①制取的化学方程式为.②图中“防倒吸装置”应选择________(选填“甲”或“乙”)③NaOH溶液的作用是.3、(湖北2019)请根据下图回答相关问题:(1)写出两种仪器的名称;a________,d________.(2)收集干燥的CO2气体,可选用________(填“C”或“D”)装置;若改用G、H和I这个组合装置收集,H装置的作用是。
(3)制氢气时若用E装置收集氢气,气体应从________(填“b”或“c”)端进入。
4. (1)为测定空气中氧气的含量,某课外活动小组对课本上的实验做了如下改进:如图1所示,在一个注射器和装有较多铜丝的硬质装璃管内共封闭80mL空气,然后给硬质玻璃管加热,并缓慢向右推动注射器的活塞。
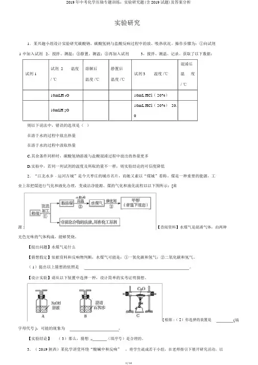
实验研究1.某兴趣小组设计实验研究碳酸钠、碳酸氢钠与盐酸反响过程中的放、吸热状况。
操作步骤为:①向试剂1 中加入试剂 2,搅拌、测温;②静置、测温;③再加入试剂3,搅拌、测温、记录。
获取了以下数据:试剂 2混淆后试剂 1温度溶解后 静置后试剂 3温度 /℃温度 /℃温度 /℃温度/ ℃/ ℃10mLH 2O10mL HCl ( 20%)10mLH 2O10mL HCl ( 20%) 20.则以下说法中,错误的选项是( ) 在溶于水的过程中放出热量 在溶于水的过程中汲取热量C.其余条件同样时,碳酸氢钠溶液与盐酸混淆过程中放出的热量更多D.实验中,若同一列试剂的温度及所取的量不一样,则实验结论的可信度降低2.“江北水乡﹒运河古城”是今天枣庄的城市名片,而她又素以“煤城”着称。
煤是一种重要的能源,工业上常把煤进行气化和液化办理,变成洁净能源。
煤的气化和液化流程以以下图所示:[来源 :【查阅资料】水煤气是混淆气体,由两种无色无味的气体构成,能够焚烧。
【提出问题】水煤气是什么【猜想假定】依据资料和反响物判断,水煤气可能是:①一氧化碳和氢气;②二氧化碳和氢气。
( 1)提出以上猜想的依照是。
【设计实验】请从以下装置中选择一种,设计简单的实考证明猜想。
[ 根源 :( 2)你选择的装置是(填字母代号 ),可能的现象为。
【实验结论】 ( 3)那么,猜想(填序号)是合理的。
3.( 2019陕西)某化学讲堂环绕“酸碱中和反响” ,将学生疏成若干小组,在老师指引下展开研究活动。
以下是教课片段,请你参加学习并帮助填写空格(包含表中空格 )。
【演示实验】将必定量的稀H2 4加入到盛有 NaOH 溶液的小烧杯中。
[根源 :【学生板演】该反响的化学方SO程式。
【提出问题】实验中未察看到明展现象,部分同学产生了疑问:反响后溶液中溶质是什么呢【假定猜想】针对疑问,太家纷繁提出猜想。
甲组同学的猜想以下:猜想一:只有 Na2 4 24 24SO 猜想二:有 Na SO 和H SO猜想三:有 Na2 4和 NaOH 24 2 4SO 猜想四:有 Na SO 、H SO 和 NaOH乙组同学对以上猜想提出怀疑,以为有一种猜想是不合理的。
福建化学实验探究题(16道)1.某研究性学习小组对中和反应进行探究,请你参与实验。
实验1:证明酸和碱发生了反应(1)稀盐酸和NaOH溶液混合没有明显现象,小丽同学按图甲进行实验,证明了盐酸和NaOH溶液有发生化学反应,他依据的实验现象是。
实验2:证明酸和碱反应有水生成小明同学取变色硅胶(吸水后由蓝色变红色)、无水醋酸(一种酸,常温下为无色液体)和氢氧化钠固体进行图乙所示的三个实验。
(2)实验①②的实验目的是。
(3)加入试剂后,要迅速塞紧橡胶塞的原因是。
(4)能证明酸和碱反应有水生成的现象是。
实验3:测量酸和碱反应过程中的pH、温度变化取一定量的稀盐酸,逐滴匀速滴加NaOH溶液,用传感器实时获得溶液的pH、温度曲线如图。
(5)0~t1时,溶液的酸碱性变化情况是。
(6)由图分析,酸和碱发生反应的依据是,酸和碱的反应是(填“吸热”或“放热”)反应。
归纳:(7)盐酸与氢氧化钠反应的化学方程式为。
2.实验室有一瓶标签受到腐蚀的无色溶液,如图所示。
这瓶无色溶液是放在存放盐溶液的柜子里。
化学兴趣小组开展探究。
[提出问题] 这瓶无色溶液究竟是什么盐的溶液?[猜想与假设] 该无色溶液可能是碳酸钠、碳酸氢钠、氯化钠、硫酸钠、硝酸钠中某一种的溶液。
[初步分析](1)库尔班同学根据标签上的组成元素认为一定不是________溶液。
(2)艾力同学提出,碳酸氢钠、硝酸钠的溶液也不可能,他的依据是____________________。
[实验结论] (3)该瓶无色溶液的溶质是________(填化学式),生成白色沉淀的化学反应方程式是________________________。
[实验反思] (4)玉素甫同学认为原设计的实验还可简化,同样达到鉴别的目的。
他设计的实验如下(将实验操作及实验现象填入相应的空格中):液呈碱性,提出测溶液的酸碱性来确定更简便。
她采用_______测量溶液的pH______7(填“>”“<”或“=”),则结论与以上同学一致。
中考化学实验与探究专题训练1.氯气(Cl2)是黄绿色气体,水溶液叫氯水。
把品红试纸(染有品红的纸)伸入氯水中,品红褪色。
【发现问题】氯水中的哪些成分能使品红褪色呢?【查阅资料】氯气溶于水,部分与水反应,方程式为Cl2 + H2O = HCl + HClO。
其中,HClO的名称叫次氯酸,是一种弱酸,具有强氧化性。
【猜想】猜想1:是氯水中的水使品红褪色的;猜想2:是氯水中的(填化学式)使品红褪色的;猜想3:是氯水中的盐酸使品红褪色的;猜想1:是氯水中的次氯酸使品红褪色的。
综合分析:氯水中的(填化学式)使品红褪色,具有漂白作用(能使品红等有色物质褪色)。
【反思】(1)HClO中氯元素的化合价为价。
(2)氯水中加入AgNO3溶液有白色沉淀生成,化学方程式为。
(3)向氯水中滴加紫色石蕊试液,观察到的现象是。
2.某实验小组对实验室中A、B、C、D四瓶无色溶液进行鉴别,它们分别是硫酸钠、稀硫酸、澄清石灰水、氯化钠溶液四种物质的一种。
可供使用的实验用品有:稀盐酸、稀硫酸、碳酸钠、紫色石蕊溶液、硝酸钡溶液、硝酸银溶液、稀硝酸溶液、玻璃棒、试管、胶头滴管。
请利用提供的实验用品,验SO42-时,亚硫酸根离子(SO32-)的存在干扰了SO42-的检验。
如往亚硫酸钠(Na2SO3 )溶液滴加硝酸钡溶液后有沉淀生成,再加足量的稀硝酸酸依然有白色沉淀。
【提出问题】若某无色溶液中可能含有硫酸根离子(SO42-)与亚硫酸根离子(SO32-)中的一种或两种,该如何检验?【查阅资料】亚硫酸钡(BaSO3)是无色晶体或白色粉末,微溶于水,在水中是白色沉淀。
中性或碱性条件下NO3-不能和SO32-反应,但在酸性条件下,NO3-能和H+反应相遇时(HNO3)具有强氧化性,易把SO32-氧化生成SO42-。
往亚硫酸钡中加入盐酸能发生类似于碳酸钡与盐酸的反应,生成有刺激性的气体。
【猜想】该无色溶液中含有(1)SO42- (2)SO32-(3)。
化学实验探究专题复习一、精典例析1:王老师在某工厂废水处理池中提取一瓶含有AgNO3、Cu(NO3)2和Al(NO3)3的工业废水样品带回实验室。
静置,取上层清液,加入锌粉,充分反应后过滤,得到滤液甲和滤渣乙。
请你和你的化学小组完成以下探究(不考虑杂质干扰)。
【提出问题】滤渣乙是什么?【做出猜想】小明认为滤渣乙是银,小东认为滤渣乙是银和铜,小华认为滤渣乙是银、铜和铝,你认为滤渣乙还可能是______________。
【交流讨论】大家经过讨论后,认为小华的猜想错误,理由是_______________________。
,也能得出实验1的结论。
二、堂清练习:1、做完氢氧化钠与稀硫酸中和反应的实验后,兴趣小组的同学对反应后溶液中的溶质成分产生了兴趣,请你与他们一起进行以下探究。
【提出问题】溶液中的溶质是什么物质?【作出猜想】(1)甲同学认为溶液中的溶质只有Na2SO4一种物质。
(2)乙同学认为溶液中的溶质是Na2SO4和两种物质。
(3)丙同学认为溶液中的溶质是Na2SO4和NaOH两种物质。
【查阅资料】①Na2SO4溶液显中性。
②Al与强碱NaOH溶液反应生成偏铝酸钠(NaAlO2)等物质。
一步分析,丁同学认为猜想(2)也不成立,他的理由是。
兴趣小组的同学经过充分讨论,一致认为猜想(3)成立。
【知识拓展】(1)生活中能否用铝制品来盛放强碱性溶液?(填“能”或“不能”)(2)乙同学的实验中铝片与溶液发生了反应,请写出..铝与该溶液发生反应的化学方程式。
..2、小红、小军、小明三人化学学习小组在实验中,用到了三个分别盛有KCl溶液、KOH溶液、K2SO4溶液的滴瓶.小军发现小红将三个滴瓶中的三只滴管混用,认为小红实验操作不规范,滴瓶中的试剂会因此受污染而无法再次使用,学习小组就盛有KCl溶液的滴瓶是否被另外两种试剂污染进行了如下探究.【提出问题】该滴瓶中溶质的成分是什么?【提出猜想】通过分析,提出如下猜想:猜想Ⅰ溶质成分只有:KCl;猜想Ⅱ溶质成分为:KCl和KOH;猜想Ⅲ溶质成分为:;猜想Ⅳ溶质成分为:KCl、KOH和K2SO4.【实验探究】为证明猜想,小军设计了如下实验方案,请你一起完成下列实验报告;实验操作实验现象结论或解释产生白色沉淀该反应的化学方程式为(1)取该滴瓶内溶液烧了于试管中,向试管中加入适量BaCl2溶液(2)将上述反应后的混合液过滤,取滤液于另证明猜想Ⅳ成立一支试管中,向该试管中加入【实验反思】小明认为该实验方案并未证明猜想Ⅱ、Ⅲ是否成立,应补充相应实验予以证明,你是否赞同?(选填“是”或“否”).3:人们使用天然气(主要成分为甲烷)过程中要注意通风,如果氧气不足会产生一氧化碳,使人中毒。
实验探究题类型一连续性装置实验探究1.某同学对CO2通入滴有紫色石蕊试液的蒸馏水变红色进行了深入研究。
问题是什么物质使紫色石蕊变红色。
假设 a.水使紫色石蕊变红色;b;c.。
实验装置如图T5-2。
图T5-2请回答下列问题。
(1)写出仪器的名称:①,②。
(2)写出装置A中发生反应的化学方程式:。
(3)装置B的作用是。
(4)①实验中,装置C内蓝色石蕊试纸的颜色始终没有变化,说明;②装置D中胶头滴管中的蒸馏水在二氧化碳气体生成前滴到蓝色石蕊试纸上,未见试纸发生颜色变化,当有二氧化碳通过时发现湿润的蓝色石蕊试纸变红,此现象说明。
③写出装置E中发生反应的化学方程式:。
结论原假设(填序号)成立。
2.图T5-3是一个“化学多米诺实验”,只需装置A中的反应发生,其余装置内的反应就像“多米诺骨牌游戏”一样依次连续进行。
图T5-3(1)①实验开始前首先进行的操作是。
②打开装置A中活塞,实验开始,装置C中反应的化学方程式为。
③装置F中澄清石灰水变浑浊,反应的化学方程式为,D中的物质是(写名称)。
(2)本实验过程中,在装置(填序号)中会有化合反应发生。
3.已知碳酸易分解,草酸与碳酸有相似的化学性质,在受热的条件下草酸也会分解,仅生成三种氧化物。
某研究性学习小组对此展开探究:提出问题生成的三种氧化物是什么?查阅资料无水硫酸铜是一种白色粉末物质,遇水变成蓝色硫酸铜晶体。
化学方程式如下:CuSO4(白色粉末)+5H2O CuSO4·5H2O(蓝色晶体)。
提出猜想生成的氧化物中有H2O、CO2和CO。
实验探究张亮将生成的气体,依次通过如图T5-4所示装置,验证猜想。
图T5-4(1)观察到A中,证明生成物中有水。
(2)B中澄清石灰水变浑浊,证明。
(3)D中红色粉末是(填名称),实验现象是。
交流讨论陈军认为通过E中石灰水变浑浊也能推断出生成物中有CO。
你是否支持他的观点:(填“支持”或“不支持”),理由是____________________________________________________________________________________________________________________________________________________________________________________ ________。
专题四实验研究题, 备考攻略 )实验研究题是中考的常考内容,难度中等,考察分值在 5 ~8 分,近几年来,主要考察物质变化后的成分、性质的研究,此中包含实验设计、操作步骤、现象、结论、环保、化学反响方程式、计算等多方面,综合性强,波及知识点多,是一种对多方面知识查验和应用的综合性考察题。
估计2018 年中考取,仍将多方面的知识综合在一同,对物质变化后的成分或金属的活动性次序进行研究,考察分值在4~7 分。
同学们在进行此类题的练习时,应着重对所学知识的应用。
(2015 年中考 16 题, 2016 年中考 16 题, 2017 年中考 17 题)研究题是中考考察中的一种常有题型,近几年的中考取都有波及到,它是实验题的延长和发展,用于考察同学们自己能够亲身着手实验,在实验中发现新问题,提出新问题,解决新问题。
对提升创新能力,拥有促使作用,一般步骤是:提出问题、猜想与假定、拟订计划、进行实验、采集凭证、解说与结论、反省与评论,推理与拓展等。
解答此类试题时,依据提出的问题,利用所学的化学知识和题中所赐予的查阅资料(查阅资料要当作已知条件,在题中要获得充足利用,在回答题中的每一个问题时,都要看一看能否与其有联系 ) ,勇敢提出猜想,而后对提出的猜想进行考证,只需提出的猜想有依据,切合题意也合理,那么提出猜想就是正确的。
进行实验的过程中要注意三个问题:①选择试剂的合理性,选择试剂与其物质发生反响,出现的现象能真切地反应与结论的关系;②着重所加入的试剂的量( 如:适量或过度是有很大区其余 ) ,加入不一样的量,反响进行程度不一样,可能会得出不一样的结论;③注意扰乱要素,加入的试剂不可以引入扰乱要素,对原有的扰乱物,要考虑进行清除。
反省与评论:对解决问题中出现的亮点,成功点或不行功点进行评论,进而加深对问题的理解,每做一道研究题,只需进行反省,对问题的理解就能更深入一个层次;推理与拓展是知识的延长,拥有开放性,对全部回答的问题,显得较为宽容,也较易回答。
化学实验探究题专题训练1、为确定木炭还原氧化铜后的固体成份,请你与兴趣小组的同学完成以下探究【对固体猜想】猜想I :全部是金属铜; 猜想Ⅱ:除铜外,还含有氧化铜;猜想Ⅲ:除铜外,还含有木炭; 猜想Ⅳ:除铜外,还含有氧化铜、 。
【进行实验】实验流程见下图:【问题与讨论】(1)步骤②包括溶解、 两步操作,它们共同用到的玻璃仪器是烧杯、 。
(2)C 的化学式为 ,D 的化学式为 ,由此推出固体B 中含有 (写化学式),步骤④发生反应的化学方程式为 。
(3)结合(2)的结论推断:如果溶液A 显蓝色,则溶液A 的溶质的化学式为 ,说明样品中含有 ,则证明猜想 成立;如果溶液A 无色,则证明猜想 成立。
2、2010年法国佳士得公司拍卖我圆明园兔首和鼠首两件文物,但中国对其拥有不可置疑的所有权.这两件文物均为青铜器,其表面呈绿色,小芳查阅资料得知,这是铜器长期暴露在空气中生成了铜绿[Cu2(OH )2CO3],铜绿不稳定,受热后可生成三种氧化物。
(1)制作兔首鼠首的青铜合金材料属于( )A .金属材料B .复合材料C .合成材料D .无机非金属材料(2)根据铜绿的化学式,你认识铜绿的形成是铜与空气中的氧气、 和 共同作用的结果。
写出该反应的化学方程式 .结合所学知识,请说出两种防止金属生锈的方法 、 。
(3)为探究铜绿的组成,小芳同学从其它铜器上取下适量的铜绿,放入图所示装置中,加热后,可能出现的现象是 ,根据实验现象说明,铜绿加热后可生成 、 和 .(4)为验证铜绿的组成中含有铜元素,你能设计一个实验证明吗?写出简要的操作步骤、可能的现象及结论 .3、松花皮蛋是我们喜爱的食品。
某小组同学查阅资料得知,制皮蛋料泥的原料主要是:生石灰、纯碱、草木灰(含K2CO3)等。
同学们对料泥进行了如下探究:【猜想】猜想I :料泥的主要成份是Ca(OH)2、NaOH 、KOH 、CaCO3、灰份; 猜想Ⅱ:料泥的主要成份是Na2CO3、NaOH 、KOH 、CaCO3、灰份。
重点题型突破 题型七 探究性试题类型1 反应后物质成分的探究(南充)某化学兴趣小组的同学在做氢氧化钙与盐酸中和反应的实验时,忘记滴加指示剂,因而无法判断酸碱是否恰好完全反应。
于是他们对反应后溶液中的溶质大胆提出猜想,进行了以下探究,请你和他们一起完成下列实验报告。
【提出问题】:该溶液中的溶质含有哪些成分? 【查阅资料】:CaCl 2溶液呈中性 (1)【猜想与假设】:猜想Ⅰ:溶液中的溶质只有________ 猜想Ⅱ:溶液中的溶质有CaCl 2 HCl 猜想Ⅲ:溶液中的溶质有CaCl 2 Ca(OH)2猜想Ⅳ:溶液中的溶质有CaCl 2 Ca(OH)2 HCl(2)请写出该反应的化学方程式________________________________。
经过讨论,同学们直接得出猜想________是不正确的。
为了验证余下的哪一个猜想是正确的,同学们又做了以下实验。
(4)有气泡生成的化学方程式为________________________________。
(5)【拓展】:还可以单独用下列哪种物质来证明上述猜想是正确的________。
A. CuO B. AgNO 3 C. Cu D. NaOH反应的化学方程式为________________________________________。
,,, 解题思路:⇨猜想与假设反应后物质的成分存在两种情况:①只有生成物;②生成物和其中一种过量的反应物(【注意】因为反应物之间会发生反应,所以不能共存)。
按照下列步骤提出合理的猜想:第一步:写出化学方程式,A +B →C +D第二步:进行猜想⎩⎪⎨⎪⎧恰好完全反应:反应后物质的成分为C +DA 过量:反应后物质的成分为C +D +AB 过量:反应后物质的成分为C +D +B【注意】若为陌生反应,则依据质量守恒定律之元素守恒及题中资料和实验现象进行分析。
【针对本题】氢氧化钙与盐酸恰好完全反应→溶液中的溶质只有CaCl 2 氢氧化钙过量→溶液中的溶质有CaCl 2和Ca(OH)2 盐酸过量→溶液中的溶质有CaCl 2和HCl ⇨进行实验第一步:确定所要检验的物质。
2019年中考化学复习《化学肥料》考点突破训练一、选择题1. 在阳台上用营养液进行无土栽培蔬菜,己成为城镇居民“亲近自然,享受绿色生活”的家庭时尚。
营养液配方中属于复合肥料的是()A.CO(NH2)2B.K2SO4C.NH4H2PO4D.Ca(H2PO4)22. 下列依据实验目的设计的实验方案中合理的是()A.除去铁制品表面的铁锈,用过量的稀硫酸长时间浸泡B.验证甲烷中含有H2,点燃.在火焰上方罩一只干冷烧杯,观察内壁是否出现液滴C.鉴别化肥KNO3和NH4CI,取样与熟石灰混合研磨,闻气味D.检验NaOH是否变质,取样,加水溶解后滴加酚酞试液,观察溶液颜色是否变红3. 化学肥料“三要素”是()A.C、H、O B.N、C、K C.N、S、P D.N、P、K4. 下列物质的性质和用途表述没有..直接联系的是()5. 下列物质属于复合肥的是()A.KNO3B.CO(NH2)2C.K2CO3D.Ca3(PO4)26. 下列属于复合肥的是()A.NH4H2PO4B.NH4HCO3C.CO(NH2)2D.K2SO47. 小强看到自家的小麦叶色淡黄,并有倒伏现象,则小麦应施用的肥料是()A.KNO3B.NH4NO3C.Ca(H2PO4)2D.K2SO48. 农作物种植过程中可以施用下列化肥,其中属于复合肥的是( )A .NH 4NO 3B .KNO 3C .Ca(H 2PO 4)2D .CO(NH 2)29. 碳酸氢铵是白色固体,在生产生活中应用广泛。
它稍微受热就能快速分解:NH 4HCO 3=====△NH 3↑ + H 2O + CO 2↑。
下列有关叙述错误的是( )A .碳酸氢铵要密封保存在阴凉干燥处B .加热碳酸氢铵时,白色固体会逐渐消失C .食品工业上常用碳酸氢铵作膨松剂D .碳酸氢铵与草木灰混合施用能提高肥效10. 下列对化肥的认识不正确的是( )A .KNO 3是一种复合肥B .施用氮肥,能促进植物茎叶生长C .铵态氮肥不能与碱性肥料混合使用D .化肥能提高粮食产量,施用越多越好11. 鉴别下列各组物质,不能达到目的的是( )A .黄铜片和纯铜片:相互刻划比较硬度B .棉线和羊毛线:灼烧后闻气味C .硫酸铵固体和氯化铵固体:加熟石灰混合研磨后闻气味D .氢氧化钠固体和硝酸铵固体:加水溶解后测温度12. 下列化肥分别与熟石灰混合研磨后。
2019中考化学专题突破训练: 综合实验题 (含答案)1.某研究性学习小组利用下列装置进行气体的实验室制取。
请分析并填空:(1)小明选用AC 装置的组合来制取某常见的气体,请帮他写出反应的化学方程式:__2H 2O 2=====MnO 22H 2O +O 2↑__。
若小明选用AF 装置的组合制取该气体,则a 应与__b__(选填“b ”或“c ”)连接。
(2)装置B 与A 相比,其优点是__能够随时控制反应的进行或停止__。
(3)小丽在实验室制取了CO 2气体,并将CO 2通入某澄清石灰水中,观察到石灰水没有变浑浊。
请分析造成此现象的可能原因:__所用盐酸为浓盐酸__(答一条即可)。
2.某化学兴趣小组的同学,通过咨询老师,准备用亚硫酸钠溶液与浓硫酸反应来制备一定量的SO 2[Na 2SO 3+H 2SO 4(浓)=== Na 2SO 4+SO 2↑+H 2O] 。
老师给他们提供了一瓶亚硫酸钠溶液并告知该瓶溶液放置时间可能较长,不知是否变质。
兴趣小组的同学分成甲、乙两小组对该瓶亚硫酸钠溶液成分进行实验探究。
【提出问题】①该瓶溶液中溶质的成分是什么? ②该瓶溶液中亚硫酸钠的质量分数是多少? 【查阅资料】(1)Na 2SO 3有较强还原性,在空气中易被氧气氧化:2Na 2SO 3+O 2=== 2Na 2SO 4; (2)Na 2SO 3能与酸反应产生SO 2气体;(3)SO 2-3、SO 2-4均能与Ba 2+反应产生白色沉淀,BaSO 3可溶于稀盐酸。
【做出猜想】猜想1:没有变质,成分是Na 2SO 3; 猜想2:完全变质,成分是Na 2SO 4;你认为还可能有的猜想3:部分变质,成分是Na 2SO 3和Na 2SO 4。
【实验探究Ⅰ】甲、乙两组分别进行实验探究溶液是否变质:理由是含有硫酸钠和亚硫酸钠的溶液也能和稀盐酸反应生成气体。
【实验探究Ⅱ】甲组同学设计如下实验测定Na2SO3溶液的溶质质量分数。
福建化学实验探究题(16道)1.某研究性学习小组对中和反应进行探究,请你参与实验。
实验1:证明酸和碱发生了反应(1)稀盐酸和NaOH溶液混合没有明显现象,小丽同学按图甲进行实验,证明了盐酸和NaOH溶液有发生化学反应,他依据的实验现象是。
实验2:证明酸和碱反应有水生成小明同学取变色硅胶(吸水后由蓝色变红色)、无水醋酸(一种酸,常温下为无色液体)和氢氧化钠固体进行图乙所示的三个实验。
(2)实验①②的实验目的是。
(3)加入试剂后,要迅速塞紧橡胶塞的原因是。
(4)能证明酸和碱反应有水生成的现象是。
实验3:测量酸和碱反应过程中的pH、温度变化取一定量的稀盐酸,逐滴匀速滴加NaOH溶液,用传感器实时获得溶液的pH、温度曲线如图。
(5)0~t1时,溶液的酸碱性变化情况是。
(6)由图分析,酸和碱发生反应的依据是,酸和碱的反应是(填“吸热”或“放热”)反应。
归纳:(7)盐酸与氢氧化钠反应的化学方程式为。
2.实验室有一瓶标签受到腐蚀的无色溶液,如图所示。
这瓶无色溶液是放在存放盐溶液的柜子里。
化学兴趣小组开展探究。
[提出问题] 这瓶无色溶液究竟是什么盐的溶液?[猜想与假设] 该无色溶液可能是碳酸钠、碳酸氢钠、氯化钠、硫酸钠、硝酸钠中某一种的溶液。
[初步分析](1)库尔班同学根据标签上的组成元素认为一定不是________溶液。
(2)艾力同学提出,碳酸氢钠、硝酸钠的溶液也不可能,他的依据是____________________。
[实验结论] (3)该瓶无色溶液的溶质是________(填化学式),生成白色沉淀的化学反应方程式是________________________。
[实验反思] (4)玉素甫同学认为原设计的实验还可简化,同样达到鉴别的目的。
他设计的实验如下(将实验操作及实验现象填入相应的空格中):液呈碱性,提出测溶液的酸碱性来确定更简便。
她采用_______测量溶液的pH______7(填“>”“<”或“=”),则结论与以上同学一致。
2019 中考化学实验研究必备训练题1.某研究性学习小组在考证“碱使酚酞试液变红”的实验时,发现一个不测现象:将酚酞试液滴人某NaOH 溶液中,溶液变为了红色,但是过一会儿红色却消逝了。
【提出问题】是什么原由致使滴有酚酞的NaOH 溶液由红色褪为无色【猜想与假定】他们分别对这类不测现象作以下猜想:甲同学:可能是酚酞与O2发生了反响;乙同学:可能是NaOH 溶液与空气中的CO2发生了反响;丙同学:可能与NaOH 溶液浓度大小有关;你以为可能还与 _________________________________ 有关(写一条即可)。
【设计实验】三位同学分别设计实验考证自己的猜想:(1)甲同学设计了以下实验,请你填写下表。
实验步骤设计这一步骤的目的实验现象实验结论1.将 NaOH 溶液加热煮沸溶液变红,过一会甲同学猜想___________(填2.向冷却后的溶液中滴人酚酞,并滴儿红色消逝“正确”或不正一些植物油在其上方确”)(2)乙同学设计如图装置进行实验,一段时间后,试管中溶液的红色褪去,于是认定自己的猜想正确。
请写出CO2与NaOH 溶液反响的化学方程式:________________________。
甲同学以为乙同学的实验不够谨慎,原由是___________________________________ 。
(3)丙同学使用了色度传感器测溶液的颜色。
他在a、 b、 c 三个比色皿中分别加入等量5%、 10%、 20%的NaOH1 溶液,而后各滴加 2 滴酚酞试液。
溶液颜色的变化曲线如图[说明:溶液无色时色度值(透过率)为100%]。
请你察看右图回答问题。
①写出两条规律性结论:______________________________________________ ;______________________________________________ 。
②推断5%的NaOH 溶液滴加2 滴酚酞试液后褪为无色的时间约为( )A.小于30s B. 30-90s C.90-140sD. 140-180s E. 180-280s F.大于280s【答案】滴入酚酞溶液的多少、滴入酚酞溶液的浓度大小以及氢氧化钠溶液中含有的杂质等.( 1)实验步骤设计这一步骤的目的实验现象实验结论1 .将 NaOH 溶液加热煮沸除掉溶液中的氧气溶液变红,过一会儿红色甲同学猜想不2.向冷却后的溶液中滴入酚酞,并滴一些植隔断氧气消逝正确物油在其上方( 2) 2NaOH+CO2=Na2CO3+H2O;若制取的二氧化碳气体中混有氯化氢气体,试管中溶液的红色也能褪去( 3)①氢氧化钠溶液的浓度越大,酚酞试液变红后退色越快;氢氧化钠溶液的浓度越小,色度值越大.② F 2.已知木炭复原氧化铜实验中发生的主要反响:C+2CuO2Cu+CO↑.化学兴趣小组对该实验产物(假定反响物已完好反响)作以下研究:研究一:查验产物的成份【提出问题】实验产物是暗红色固体,很难察看到紫红色固体.暗红色固体是什么【查阅资料】氧化亚铜( Cu2O)为红色固体;224 4 2 Cu O+H SO ═ CuSO +Cu+H O.【猜想与假定】暗红色固体除铜外还可能含有Cu2O.【设计实验】取少许暗红色固体,加入稀硫酸,假如察看到现象:,说明暗红色固体含有 Cu2O.研究二:测定产物中 Cu2O 的含量原理: Cu2O+H2 2Cu+H2O,称取必定质量的固体样品,用如图装置进行实验(固定装置略去,碱石灰为氧化钙和氢氧化钠的混淆物),经过测定反响前后装置 d 的质量达到实验目的.( 1)装置 a 顶用稀硫酸而不用稀盐酸,原由是;( 2)若不加装置e,实验结果会偏高,原由是;( 3)点燃酒精灯前波及的部分操作以下,正确的次序是①翻开 K2,封闭 K1②检查装置的气密性③连结仪器④封闭 K2,翻开 K1,通氢气一段时间( 4)还可经过测定反响前后装置(填“ a”、“ b ”或“ c”)的质量达到实验目的.【答案】研究一:【设计实验】固体部分溶解,溶液变为蓝色.研究二:(1)盐酸易挥发,挥发出的氯化氢能被碱石灰汲取,影响测定结果.(2) d 中的碱石灰能够汲取空气中的水和二氧化碳.(3)③②④①.(4) c.3.在化学实验研究课上,化学老师交给化学兴趣小组一包可能含有Na2SO4、NaNO2(亚硝酸钠)、NaCl(起码含有两种物质)的白色粉末,请你和同学们一起参加研究该白色粉末的主要成分(1)提出问题:该白色粉末的主要成分是什么(2)查阅资料化学式酸碱性与稀盐酸作用毒性NaNO 碱性放出棕红色气体有2NaC1 中性不反响无( 3)提出猜想:猜想Ⅰ:只含有NaCl、 Na2 4猜想Ⅱ:只含有NaCl、NaNO2SO猜想Ⅲ:只含有猜想Ⅳ:含有NaCl、 Na2SO4、 NaNO2( 4)进行研究步骤实验操作实验现象结论步骤一取少许固体样品于两支试管中,加蒸馏水溶解,向试管 1 滴入试管 1:溶液变红色必定有,无色酚酞溶液,向试管 2 滴入过度的氧化钡溶液.试管 2:无明展现象必定没有.步骤二另取适当固体样品于试管中,加蒸馏水溶解,滴加硝酸银溶液有白色积淀产生必定有.( 5)经过实验,猜想建立.( 6)写出步骤二中发生的化学方程式.( 7)拓展:粗盐中常含有可溶性和不溶性杂质,粗盐提纯的基本操作步骤是溶解、、蒸发.【答案】( 3) Na2 4、NaNO 2SO(4) NaNO2、 Na2SO4, NaCl(5)Ⅱ(6) AgNO3+NaCl=AgCl↓ +NaNO3(7)过滤4.学习了 CO 的有关知识后,同学们查阅资料发现Mg 能在 CO 中焚烧: 2Mg+CO ═ 2MgO+C,所以镁着火不可以来 CO2 2 2 2来灭火,但没有找到有关Na 可否与 CO2反响的介绍.于是同学们睁开了钠着火可否用2来灭火的研究.CO【提出猜想】钠能发生近似于CO2 与镁的反响,可能的化学方程式为_________ .【实验】将燃着的钠伸入装有CO2 的集气瓶中,钠能在集气瓶中持续焚烧.进一步【查阅资料】得悉:①Na2O 是白色固体,能与 CO2反响生成 Na2CO3,也能与 H2O 反响生成 NaOH.② Ba( OH)2溶于而 BaCO3不溶于水.③ Na2CO3的存在会扰乱NaOH 的检测.鉴于以上资料,同学们以为钠在CO2中焚烧的产物状况有所不一样,并对产物提出了以下几种猜想:Ⅰ. Na2O、 C;Ⅱ2 2 3_________ 、 C;Ⅲ. NaOH、 C;Ⅳ. Na O、 Na CO 、 C经过理论剖析,猜想_________ (填序号)必定错误的,原由是_________【考证猜想】步骤实验操作主要实验现象结论(焚烧产物判断)(1)将产物溶于适当水中部分溶解,试管底部有黑色固体焚烧产物中必定有 C(2)取少许( 1)所得上层溶液,加入过_________ 焚烧产物中必定有Na2 3CO 量的 BaCl2溶液(3)取少许( 2)所得上层清液,加入有蓝色积淀生成焚烧产物中必定有_________ _________ 溶液在步骤( 2)中 BaCl2溶液为何要加入至过度其原由是:_________ .【结论】猜想_________ (填序号)是正确的.【答案】【提出猜想】 4Na+CO2 22Na O+C;【实验】 Na2CO3;Ⅲ; NaOH 中有氢元素而反响物中没有氢元素,依据质量守恒定律可知Ⅲ错误;【考证猜想】步骤实验操作主要实验现象结论(焚烧产物判断)( 1)( 2)有白色积淀生成( 3)CuSO2 2 O4 Na(或 CuCl )完好除掉 Na2CO3,免得 Na2CO3扰乱 NaOH 的查验;【结论】Ⅳ.5.定性和定量联合既是化学的重要思想,也是研究物质构成的重要方法.某研究性学习小组为检测实验室用H2复原 CuO 所得红色固体Cu 中能否含有Cu2O(红色),进行了仔细的研究.请你一起踏上研究之路,回答以下问题.【查阅资料】①无水 CuSO4遇水变蓝②高温灼烧CuO 生成 Cu2O 和 O2③Cu2O 与稀 H2SO4反响: Cu2O+H2SO4=Cu+CuSO4+H2O【设计实验方案】方案 1 取该红色固体加入适当稀H2SO4,实验现象为,结论为红色固体中含有 Cu2O.方案 2 装置以下图,拟经过干燥管中CuSO4变蓝来判断红色固体能否含有Cu2O.( 1)为保证研究的科学、合理、安全.实验中还应采纳的举措有;(填序号)①加热前先排尽装置中的空气②在氢气发生器与硬质玻璃管之间加一个干燥装置③在盛有 CuSOH2SO4的洗气瓶4 的干燥管后再连结一个装有浓( 2)由方案 2 实验后得出结论:红色固体中含有Cu2O.写出红色固体Cu2 O 与 H2反响的化学方程式.方案 3 称得干燥坩埚(常用于固体加热的容器)的质量为ag,取红色固体置于坩埚中称得总质量为bg,在空气中高温灼烧至质量恒定,称得最后坩埚与固体总质量为cg.( 1)该实验方案最少得进行次称量;( 2)若确认红色固体中含有 Cu2 O,则 c 与 a, b 应切合的数学关系式为.【答案】方案1:溶液变为蓝色;方案 2 :( 1)①②③;( 2) H2 +Cu2 O 2Cu+H2O ;方案 3:(1)4;( 2) c く.6.小敏和小玉在实验室用盐酸和石灰石反响,分别用甲、乙装置(气密性均优秀)进行二氧化碳的制取及性质实验,但均未发现澄清石灰水边污浊.针对此现象,同学们提出了自己的想法.小敏同学实验时澄清石灰水未变污浊的原由是.【提出问题】小玉同学实验时澄清石灰水为何没有变污浊呢【作出猜想】猜想一:澄清石灰水变质.猜想二:反响产生的气体除了有二氧化碳外,还有氯化氢.【查阅资料】氯化氢气体溶于水形成盐酸.【实验研究】实验实验步骤实验现象实验结论实验Ⅰ将纯净的 CO2通入到该实验所用的澄清石灰水中澄清的石灰水边污浊猜想一不建立实验Ⅱ将反响产生的气体通入到猜想二建立同学们经过议论发现,用丙装置(如图)在A、 B 中均加入实验Ⅱ所用试剂即可同时达成上述两个猜想的研究,此中 B 装置所起的作用是.假如看到现象,则两个猜想都建立.【实验反省】由实验可知,小玉同学实验时可能错误使用了一种药品,她使用的药品是.( 1)产生的气体从长颈漏斗中逸出;( 2)【实验研究】硝酸银溶液中;有白色积淀产生;查验氯化氢气体能否除尽; A 中有白色积淀产生,B, C 中无变化的;( 3)浓盐酸7.一种名为“污渍爆炸盐”的清洗产品能高效去除衣物上的固执污渍,某校化学研究性学习小组的同学在老师的指导下对该产品睁开了以下研究活动。
2019中考化学专题复习: 实验探究题 (含答案)1.某研究性学习小组利用下列装置进行气体的实验室制取。
请分析并填空:(1)小明选用AC 装置的组合来制取某常见的气体,请帮他写出反应的化学方程式:__2H 2O 2=====MnO 22H 2O +O 2↑__。
若小明选用AF 装置的组合制取该气体,则a 应与__b__(选填“b ”或“c ”)连接。
(2)装置B 与A 相比,其优点是__能够随时控制反应的进行或停止__。
(3)小丽在实验室制取了CO 2气体,并将CO 2通入某澄清石灰水中,观察到石灰水没有变浑浊。
请分析造成此现象的可能原因:__所用盐酸为浓盐酸__(答一条即可)。
2.小红与妈妈做面包,发现妈妈揉面粉时加入了一种白色粉末,做出的面包疏松多孔,口感很好。
她很感兴趣,想探究这种“神奇粉末”的成分。
【查阅资料】通过对市场上相关产品进行调查,小红发现了如图所示的三种商品。
其中,①快速发酵粉与水混合后,产生大量气体,你认为该气体是__CO 2__。
②纯碱和小苏打的性质如表所示。
小红妈妈告诉她所用的白色粉末就是以上三种商品中的一种。
这种白色粉末是什么? 【设计实验】小红进行了如下实验:(1)取少量白色粉末于试管中,加入适量蒸馏水,白色粉末溶解,无其他明显现象。
说明白色粉末不是__快速发酵粉__。
(2)测定(1)中溶液的酸碱度。
方法是:__将pH 试纸放在干净的玻璃片上,用玻璃棒蘸取试管内的液体滴在pH 试纸上__,读得溶液pH ≥10。
(3)另取少量白色粉末于试管中,加入__盐酸(或醋酸)__,有无色气体产生。
根据上面的实验现象,小红认为白色粉末是纯碱。
【实验反思】你认为小红同学的结论正确吗?说明理由:__不正确,因为NaHCO 3溶液也具有碱性,也能与盐酸(或醋酸)反应产生无色气体__。
【知识拓展】若白色粉末为小苏打,则加热白色粉末后,根据__将生成的气体通入澄清石灰水,石灰水变浑浊__的现象,可以得到验证。
加热白色粉末发生反应的化学方程式为:__2NaHCO 3=====△Na 2CO 3+H 2O +CO 2↑__。
3.根据如图所示的实验回答问题:(1)甲实验中仪器a 的名称是__试管__;停止加热时,要先将导管移出水面,再熄灭酒精灯,原因是__防止水倒吸入试管,使试管炸裂__。
(2)乙实验验证了硫酸铵的物理性质:__能溶于水(合理即可)__(答一条即可);化学性质:__能与熟石灰(或碱)反应__。
(3)配制50 g 10%的氯化钠溶液,量取水的操作如图丙所示,其他操作都正确,所配溶液中氯化钠的质量分数__>__(选填“>”“<”或“=”)10%。
4.经过监测和治理,我省的土壤质量已经得到了很好的改善,但个别地区仍然存在盐碱地。
某校化学兴趣小组的同学们为此开展了实践活动,他们采集了本地的土样,并对土样围绕两个问题进行探究。
【查阅资料】①枸杞和合欢均可在轻度盐碱地中生存。
②盐碱地显碱性。
③该土样中的可溶性物质只含NaCl 、CaCl 2和Na 2CO 3。
【探究过程】(1)甲组探究土样的酸碱度具体操作是__取土壤样品于烧杯中,加入蒸馏水搅拌、静置,用玻璃棒蘸取上层清液滴在pH 试纸上,将试纸显示颜色与标准比色卡对照,读出pH 值__,由此得出,该土样的pH >7。
(2)乙组探究土样的成分(如图所示)向土样中加入足量的蒸馏水,发生反应的化学方程式为__Na 2CO 3+CaCl 2===CaCO 3↓+2NaCl__。
同学们对溶液I 中的溶质成分很感兴趣,作出如下猜想:猜想①:只有氯化钠猜想②:含有氯化钠、氯化钙猜想③:含有氯化钠、碳酸钠设计实验,继续探究:【反思与评价】①通过交流,甲组认为乙组的方案一不太严谨,理由是__若溶液中含有氯化钙,滴加AgNO3溶液和稀硝酸,也会产生白色沉淀__。
②同学们对沉淀CaCO3的来源展开了热烈的讨论。
一致认为CaCO3也可能来自土样本身。
请解释土样中存在CaCO3的原因:__在灌溉或雨水的作用下,碳酸钠和氯化钙也会反应生成碳酸钙沉淀__。
【总结与提升】改良我省的盐碱地,充分利用土地资源,造福山西人民,我们任重而道远。
以下建议你认为正确的是__ac__。
a.轻度盐碱地可以种植枸杞b.可以用熟石灰改良盐碱地c.盐碱地应避免施用碱性化肥5.“对比实验”是科学探究常用的方法,根据下列所示的实验示意图回答问题。
(1)实验1中,将大小相同的滤纸片和乒乓球碎片放在薄铜片的两侧,加热铜片的中部,观察现象。
通过此实验,可说明燃烧的条件之一的是__C__(填序号)。
A.可燃物B.空气C.温度达到着火点(2)实验2中,把干燥的紫色纸花和湿润的紫色石蕊纸花分别伸入两瓶干燥的二氧化碳气体中,下列有关说法正确的是__AD__(填序号)。
A.CO2与水发生了反应B.水具有酸性C.干燥的紫色石蕊纸花变红D.湿润的紫色石蕊纸花变红(3)实验3是探究铁钉生锈条件的实验,会出现明显现象的是试管__Ⅰ__(填序号),说明铁生锈实际上是铁与__氧气、水__发生反应。
6.乙炔(C2H2)气体和氧气反应能产生高温火焰,工人师傅常用氧炔焰切割或焊接金属。
它由碳化钙(块状固体,化学式为CaC2)与水反应生成,同时生成一种白色固体。
【提出问题】白色固体是什么物质?【做出猜想】小明经过思考认为有以下几种可能:猜想一:CaO;猜想二:CaCO3;猜想三:Ca(OH)2。
他的依据是__化学变化过程中元素不变__。
【交流反思】经过同学们交流讨论,认为猜想一不成立。
否定猜想一的理由是:__CaO 能与水反应__。
【进行实验】(1)取少量白色固体放入试管中,滴加稀盐酸,没有观察到__有气泡冒出__,证明猜想二不成立。
(2)取少量白色固体加入到水中,取上层清液,__通入二氧化碳气体(或滴加碳酸钠溶液)__,有白色沉淀出现,证明猜想三成立。
该反应的化学方程式为:__Ca(OH)2+CO2===CaCO3↓+H2O[或Ca(OH)2+Na2CO3===CaCO3↓+2NaOH]__。
【结论】白色固体是Ca(OH)2。
【拓展应用】已知碳化钙与水反应非常剧烈乙炔的密度比空气略小。
实验室欲制取并收集纯净的乙炔,要求做到节约、安全、随时发生、随时停止,你选择的装置是__C、F__(填图中的装置序号)。
7.根据如图所示的实验回答问题:甲乙丙(1)图甲是蒸发溶液的实验,仪器a的名称是__铁架台__,用玻璃棒不断搅拌的目的是__使液体受热均匀,防止液滴飞溅__。
(2)图乙是探究燃烧条件的实验。
打开分液漏斗的活塞前,白磷不燃烧,而打开后,白磷燃烧。
比较打开活塞前后的现象,证明白磷燃烧需要__氧气__。
烧杯中水的作用是__隔绝氧(空)气,使白磷的温度达到其着火点__。
(3)图丙是一组对比实验,实验目的是__比较同种溶质在不同溶剂中的溶解性(或比较氯化钠在水和汽油中的溶解性)__。
8.某化学兴趣小组同学对家用普通干电池中含有的物质产生了浓厚的兴趣。
他们剥开电池时闻到氨味且发现有黑色物质。
【提出问题】为什么有氨味?黑色物质的成分是什么?【猜想假设】能闻到氨味说明含有铵盐(如NH4Cl);黑色固体可能有铁粉、氧化铜或二氧化锰。
【实验探究】同学们分别设计实验进行探究。
实验I.小聪取适量黑色物质与__熟石灰(或烧碱或其他碱性物质)__混合置于研钵内研磨,嗅到强烈氨味,再用湿润的红色石蕊试纸检测,观察到试纸变蓝,证明黑色物质中含有铵盐。
实验II.小敏将黑色物质加入适量的水中搅拌溶解,静置后过滤,取不溶物进行实验。
9.根据如图所示的实验回答下列问题。
(1)甲实验中,硬质玻璃管中的现象是__红色粉末变为黑色__;装有澄清石灰水的试管出现白色浑浊。
浑浊原因的化学方程式为:__CO2+Ca(OH)2===CaCO3↓+H2O__。
(2)乙实验中,当向U形管左右两端同时逐滴加一定量的氢氧化钠溶液和稀盐酸,开始时,__左__端溶液呈红色,充分反应后U形管中溶液全部成无色,除酚酞外,此时溶液中一定含有的溶质是__NaCl__。
(3)丙实验中,要将试管口略向下倾斜的原因是:__防止冷凝水回流炸裂试管__。
10.2017年5月,我国在南海海域成功开采天然气水合物—可燃冰,可燃冰是甲烷与水在低温、高压的条件下形成的无色、冰状固体,是最具开发前景的能源之一。
可燃冰的主要成分是CH4·n H2O,在开采过程中若甲烷泄漏,会导致严重的温室效应。
某校化学兴趣小组的同学对甲烷燃烧的产物产生了兴趣,请你参与:【提出问题】甲烷燃烧后生成哪些物质?【查阅资料】含碳元素的物质完全燃烧生成CO2,不完全燃烧生成CO;无水CuSO4遇水变蓝。
【猜想与假设】甲同学:CO2、H2O;乙同学:CO、H2O;丙同学:NH3、CO2、H2O;丁同学:CO2、CO、H2O 你认为__丙__同学的猜想是错误的。
【实验探究】为了验证上述猜想与假设,将甲烷在一定量的纯净氧气中燃烧的产物依次通过下列装置,进行验证:(1)A、B装置的顺序不能颠倒,原因是__颠倒后无法确定水是来自于生成物还是来自于澄清石灰水__。
(2)实验中用纯净O2而不用空气的原因是__空气中含有水和二氧化碳,影响对产物的检验__。
(3)实验中观察到A中__无水CuSO4变蓝__,B、D中澄清石灰水变浑浊,C中红色粉末变成黑色,由此推断__丁__同学的猜想成立。
(4)请写出B中澄清石灰水变浑浊的化学方程式:__Ca(OH)2+CO2===CaCO3↓+H2O__。
11.科技节活动中,化学实验小组做了如图所示的实验,请回答以下问题:(1)图A所示实验可观察到“铁树”上浸有无色酚酞溶液的棉团由白色变为__红__色,该实验中没有涉及的性质是__B__(填字母)。
A.氨分子是不断运动的B.氨分子有一定质量C.浓氨水具有挥发性(2)图B所示实验,将注射器中浓石灰水注入瓶中,会看到鸡蛋被“吞”入瓶中,该实验中涉及的化学方程式为__Ca(OH)2+CO2===CaCO3↓+H2O__。
(3)图C所示实验,当通过导管向热水中通入氧气时,实验现象是__白磷在水下燃烧__。
(4)图D所示实验,观察紫色小花(用石蕊试纸做成的)无法变色,其反应原理(用化学方程式表示)是__H2O+CO2===H2CO3__。
12.请根据如图实验,回答下列问题:△(1)图甲是实验室用高锰酸钾制取氧气的装置,该反应化学方程式为__2KMnO4===== K2MnO4+MnO2+O2↑__。
(2)图乙装置中,热水的作用是__给铜片上的可燃物提供能量,并使热水中的白磷与氧气隔绝__;铜片上红磷不能燃烧的原因是__温度未达到红磷的着火点__。
(3)如图丙所示,进行蜡烛在氧气中燃烧的实验后,往广口瓶中加入澄清石灰水,可观察到的现象是:__澄清的石灰水变浑浊__。