塑钢门窗制作规范手册2017
- 格式:doc
- 大小:797.50 KB
- 文档页数:28
塑钢门窗技术要求及做法1、本工程采取塑钢门窗外门窗为蓝灰色和白色双色共挤型材,内门窗为白色型材。
塑钢窗为内平开窗、外开上悬窗及推拉窗;门为平开门。
门窗分格、开启形式及开启方向均需乙方依据本工程要求进行深化设计并经甲方设计部确定。
型材采取海螺牌,型材应捆扎牢,用塑料薄膜或其它材料包装。
2、本工程建筑外门窗抗风压性能不低于4级,抗风压值大于2500pa(4#车库为2级),气密性能不低于6级,水密性分级为4级,保温性能分级为5级,传热系数W2.7W//.K。
空气隔声性能为3级。
3、塑钢门窗力学性能、抗风压性能、气密性能、水密性、保温性能、隔声性能、采光性能应同时满足《未增塑聚氯乙烯(PVC-U)塑料窗》JG/T140-、《未增塑聚氯乙烯(PVC-U)塑料门》JG/T180-和本工程设计要求。
4、本工程面积大于1.5皿窗玻璃、距离可踏面高度900mm以下窗玻璃、7层及7层以上建筑外开窗玻璃、全部门玻璃均采取钢化玻璃。
钢化玻璃通常性能、安全性能等应符合《建筑用安全玻璃第二部分:钢化玻璃》GB15763.2-要求。
钢化玻璃需有ccc强制性认证标志。
5、本工程所用型材,共挤层厚度大于0.2mm。
塑钢窗主型材可视面最小实测壁厚大于2.5mm,非可视面大于2.0 mm;塑钢平开门主型材可视面最小实测壁厚大于2.8mm,非可视面大于2.5mm。
平开窗、外悬窗及平开门采取60系列,塑钢推拉窗采取80系列。
门窗外可视面老化时间大于6000h,内可视面老化时间大于4000h。
塑钢门窗型材其它性能应符合《门窗用未增塑聚氯乙烯(PVC-U)型材》GB/T8814-及《门窗用未增塑聚氯乙烯彩色型材》JG/T263-要求。
6、塑钢门窗主型材构件长度大于450mm时,内腔应设增强型钢,窗型钢最小壁厚大于1.5mm,门型钢最小壁厚大于2.0mm,型钢应采取镀锌防腐处理。
型钢距型材端头内角距离小于15mm,且不影响焊接,型钢和型材内腔配合间隙小于1mm。
塑钢门窗制作的工艺规程塑钢门窗是指采用塑钢材料制作的门窗产品,其具有耐候性好、隔热性能好、使用寿命长等优点,在市场上有着广泛的应用。
为了保证塑钢门窗的质量和使用效果,制作过程中需要按照一定的工艺规程进行操作。
下面是一份关于塑钢门窗制作的工艺规程,详细描述了制作过程的各个环节。
一、制作准备1.对材料进行检查,确保符合相关标准要求。
2.准备好所需的工具和设备,并保持其正常运转。
二、测量和设计1.根据实际尺寸测量开启部位的大小,并进行精确记录。
2.根据测量结果,制作门窗的设计图纸,并进行合理布局和比例调整。
三、材料切割1.根据设计图纸,将塑钢型材进行切割,确保尺寸和角度的准确性。
2.切割要保持刀口平整,并进行必要的打磨处理。
四、型材加工1.根据门窗的不同部位,进行型材的加工,如角铰槽的开槽、连接件的加工等。
2.加工过程中要保证平整度和精度,避免出现划痕和变形等情况。
五、型材组装1.将各个加工好的型材按照设计图纸进行组装,使用合适的连接件进行固定。
2.组装过程中要注意排水孔的位置和通风孔的设置,确保门窗的正常使用功能。
六、钢化玻璃安装1.根据设计要求,选择合适的钢化玻璃,并进行必要的清洗和处理。
2.将钢化玻璃安装到门窗上,使用胶条进行密封固定,并保证密封性和安全性。
七、五金件安装1.选择合适的五金件,如门锁、合页、开关等,并进行清洁和调试。
2.将五金件安装到门窗上,确保其使用功能正常,并注意调整合页的强弱度。
八、检验和调试1.对制作好的塑钢门窗进行检验,检查尺寸和视觉效果是否满足要求。
2.对门窗进行开关、锁闭等功能的调试,确保操作灵活、安全可靠。
九、包装和运输1.对制作好的塑钢门窗进行包装,保护其不受损坏。
2.选择适当的运输方式,将门窗送达到用户所在地。
以上是一份关于塑钢门窗制作的工艺规程,包括了制作准备、测量和设计、材料切割、型材加工、型材组装、钢化玻璃安装、五金件安装、检验和调试以及包装和运输等各个环节。
塑钢门窗技术规范一、设计规范1.窗型设计1)密封性能和保温性能要求高的采用平开窗,否则采用推拉窗2)一般情况下,考虑到滑轮的承重及材料本身的抗风压强度,双扇推拉窗宽度不宜超过1800mm,扇高不宜大于1500mm3)洞口宽度小于600mm时,不宜采用推拉窗,应考虑采用平开窗或上悬窗4)平开扇宽度不宜大于600mm,中空玻璃平开扇以不大于550mm为宜,装平开铰链的窗扇,高不宜大于1500mm;装滑撑的窗扇,高不宜大于1200mm5)平开窗以内开为宜,可有效提高安全性能,若设计院要求外开,应在设计中增加安全防护措施;7层以上建筑不采用外开窗;悬窗扇高度不宜大于800 mm,宽度不宜大于1200mm6)一般情况下,考虑到滑轮的承重及材料的刚度,推拉门扇宽度不宜大于2000mm,高度不宜超过2200mm,若超过此规格,需选用专用的加重型滑轮及型材7)一般情况下,平开门扇宽度不宜大于900mm,高度不宜大于2200mm,双扇平开门宽度应在1200-1800mm之间,超出此范围需考虑增加固定分格8)窗型分格设计应上下、左右照应,横框和竖框应尽量分别对齐,窗扇高度位置应考虑其使用便利性9)平开窗应考虑避免和建筑物中的水管等设施发生干涉10)尽量减少采用三扇推拉窗,若必须采用,宜采用4等分的形式,可保证接近二分之一的通风量,当必须采用3等分时,应在工艺尺寸中合理计算,保证功能完备性2.型材选型及结构设计1)对一般的多层、小高层的推拉窗,宜选用80系列,高层或商铺较大型推拉窗,宜采用88或85系列2)80、88系列推拉窗、60系列推拉门、60系列平开门窗均可选用双色共挤料3)60系列推拉门窗:(1) 推拉窗扇在一般情况下采用小扇,推拉门扇选用大扇。
(2) 带上亮或下亮推拉门窗:宽度≤2100mm的采用一体化型材。
(3) 带横梃的固定窗,宽度≤1500mm采用中梃。
宽度1500mm<B≤2400mm采用小拼条拼接。
塑钢门窗技术规范一、设计规范1.窗型设计1)密封性能与保温性能要求高得采用平开窗,否则采用推拉窗一般情况下,考虑到滑轮得承重及材料本身得抗风压强度,双扇推拉窗宽度不宜超过1800mm,扇高不宜大于1500mm3)洞口宽度小于600mm时,不宜采用推拉窗,应考虑采用平开窗或上悬窗平开扇宽度不宜大于600mm,中空玻璃平开扇以不大于550mm为宜,装平开铰链得窗扇,高不宜大于1500mm;装滑撑得窗扇,高不宜大于1200mm平开窗以内开为宜,可有效提高安全性能,若设计院要求外开,应在设计中增加安全防护措施;7层以上建筑不采用外开窗;悬窗扇高度不宜大于800 mm,宽度不宜大于1200mm一般情况下,考虑到滑轮得承重及材料得刚度,推拉门扇宽度不宜大于2000mm,高度不宜超过2200mm,若超过此规格,需选用专用得加重型滑轮及型材一般情况下,平开门扇宽度不宜大于900mm,高度不宜大于2200mm,双扇平开门宽度应在1200-1800mm之间,超出此范围需考虑增加固定分格8)窗型分格设计应上下、左右照应,横框与竖框应尽量分别对齐,窗扇高度位置应考虑其使用便利性9)平开窗应考虑避免与建筑物中得水管等设施发生干涉尽量减少采用三扇推拉窗,若必须采用,宜采用4等分得形式,可保证接近二分之一得通风量,当必须采用3等分时,应在工艺尺寸中合理计算,保证功能完备性2.型材选型及结构设计1)对一般得多层、小高层得推拉窗,宜选用80系列,高层或商铺较大型推拉窗,宜采用88或85系列2)80、88系列推拉窗、60系列推拉门、60系列平开门窗均可选用双色共挤料3)60系列推拉门窗:(1) 推拉窗扇在一般情况下采用小扇,推拉门扇选用大扇。
(2) 带上亮或下亮推拉门窗:宽度≤2100mm得采用一体化型材。
(3) 带横梃得固定窗,宽度≤1500mm采用中梃。
宽度1500mm<B ≤2400mm采用小拼条拼接。
(4) 带竖梃得固定窗,高度≤1500mm采用中梃。
勐海浩宇大城一期二标段塑钢门窗安装工程项目管理制度为了使本工程在建设实施过程中,建设、监理和施工等各种单位对本工程进行项目管理和监理工作之间能规范有序,及时有效,协调统一,正常顺利地互动开展推进,相互间支持配合和通力协作,为了确保过程时段工作目标能按时按质且安全文明地圆满完成,直至移交物管,建设单位、监理单位和施工单位等各方共同讨论协商一致,特制定此工程项目管理制度。
一、质量控制目标:1、材料要求:推拉门窗80系列,可视壁厚不低于2.2mm;平开固定门窗60系列,可视壁厚不低于2.5mm。
钢衬可视壁厚不低于1.2mm。
玻璃:单片玻璃大于1.5㎡及立樘高度低于900mm的采用5mm厚钢化玻璃;其余采用5mm厚普通玻璃。
高度配置须满足规范要求。
2、塑料门窗的品种、类型、规格、尺寸、开启方向、安装位置、连接方式及填嵌密封处理应符合设计要求,内衬增强型钢的壁厚及设置应符合国家现行产品标准的质量要求。
3、型钢与型材内腔尺寸一致,增强型钢与型材内腔之间配合间隙每边以±0.5mm 为宜,其长度的确定以不影响端头的焊接为宜。
每根型材仅允许使用一根增强型钢,用于固定每根增强型钢的紧固件应不少于3个,其间距不大于300mm。
4、固定片的位置应距离角中竖框、中横框150-200mm,固定片之间的间距应小于或等于600mm,不得将固定片直接安装在槽框、中横框的挡头处。
5、塑料门窗扇应开关灵活、关闭严密,无倒翘。
推拉门窗必须有防坠落措施。
6、玻璃密封条与玻璃及玻璃槽口的接缝应平整,不得卷边、脱槽。
7、门窗均应有排水,使浸入框内的水及时排除出室外。
塑钢门窗安装的允许偏差见表Ⅱ二、分部分项工程报验程序:1、施工单位对工程采用的塑钢型材、型钢、玻璃、压条、锁紧器、铰链、滑轮、胶条、毛条等材料样品与建设单位、监理单位对材料的品牌、规格、型号、厚度根据施工合同或建设单位签发的书面文件进行检测确定后封样。
(注:样品一式三份,建设单位、监理单位、施工单位各一份)2、材料确定后施工单位组织材料、设备进场,材料到场后施工单位应将材料质量证明文件、自检结果、材料清单填报材料报审表报监理单位。
塑钢门窗技术标准推拉门窗采用88系列(PVC)塑料门窗;平开门窗采用60系列内开塑料门窗。
二、提供塑钢截断样品、材料样板及五金件样品;及门窗物理性能及力学性能检测报告。
三、材料标准:1.门窗采用的异型材采用保定德玛斯“宝硕.海豚”、北新“龙牌”、LG、大连实德、“鹏翔”、山东“鲁宏”等UPVC系列产品,异型材应符合现行的国家标准《门窗框用硬聚氯乙烯型材》(GB8814),其颜色由甲方考察后最终确定。
2.主要增强型钢为闭口型式,应使用不低于GB/T 11253规定中Q235钢带材料轧制,内外表面应进行热镀锌处理;增强型钢材料厚度不应小于1.5mm,要求做防腐处理。
3.密封条均采用三元乙丙密封条,密封材料采用硅酮耐候密封胶,应符合《塑料门窗用密封条》(GB12002)的有关规定,填充发泡材料采用比利时速得牌。
4.门窗用五金件采用北新建材系列。
门窗采用的紧固件、五金件、增强型钢及金属衬板等,应符合下列要求:(1)紧固件、五金件、增强型钢及金属衬板等,应进行表面防腐处理;(2)五金件型号、规格和性能均应符合国家现行标准的有关规定;滑撑铰链不得使用铝合金材料。
5.固定片厚度应大于或等于1.5mm,最小宽度应大于或等于15mm,其材质应采用Q235-A冷轧钢板,其表面应进行镀锌处理。
6.组合窗及连窗门的拼樘料应采用与其内腔紧密吻合的增强型钢作为内衬,型钢两端应比拼樘料长出10~15mm。
外窗的拼樘料截面尺寸及型钢形状、壁厚,应能使组合窗承受该地区的瞬时风压值。
7.玻璃及玻璃垫块、窗纱的质量应符合下列要求:(1)玻璃须采用洛玻、秦皇岛耀华净白色浮法玻璃等同档次产品,中空玻璃采用的规格为5mm+9A+5mm;单层玻璃采用的规格为5mm,其品种、规格及质量应符合国家现行产品标准的规定,并应有产品出厂合格证及检测报告;单块面积大于1.5平方米的窗玻璃和落地玻璃须采用安全玻璃;(2)中空玻璃的安装尺寸应比相应的框、扇(梃)内口尺寸小4mm~6mm;(3)玻璃垫块应选用邵氏硬度为70~90(A)的硬橡胶或塑料,不得使用硫化再生橡胶、木片或其他吸水性材料。
1、总则为了提高塑钢门窗安装工程施工质量,加强施工过程的质量、材料、安全文明、环保控制,严格遵循工程建设标准强制性条文施工,认真贯彻执行现行的国家标准、验收规范,制定了本工艺标准。
2、适用范围2.1本工艺标准适用于本企业新建、扩建、改建和既有建筑的塑钢门窗工程的施工及质量验收。
2.2本工艺标准作为企业标准,与现行国家标准《建筑装饰装修工程施工质量验收规范》GB50210-2001和《建筑工程施工质量验收统一标准》GB50300-2001配套使用。
2.3塑钢门窗安装工程的施工除应执行本标准外,尚应符合国家现行有关标准和规范的规定。
3、一般规定3.1塑钢门窗安装前,应对门窗洞口尺寸和标高尺寸进行复核。
3.2塑钢门窗工程应对隐蔽工程项目进行验收。
<?xml:namespace prefix = st1 ns ="urn:schemas-microsoft-com:office:smarttags" /> 3.2.1混凝土预埋砖,预埋件和锚固件。
3.2.2隐蔽部位的防腐、填嵌处理。
3.3建筑外门窗的安装必须牢固;门窗框与墙面的固定要按要求埋设预埋件,在砌体上安装门窗必须设置混凝土预制砖,严禁用射钉固定。
3.4塑钢门窗安装应采用预留洞口的方法施工,按照尺寸留设洞口,安装后洞口每侧有5mm的间隙,不得采用边安装边砌口或先安装后砌口的方法施工。
3.5塑钢门窗组合时,其拼樘料的尺寸、规格、壁厚应符合设计要求。
3.6立门窗樘前,应核对门窗樘的型号、规格、开启方向、安装位置及连接方式等,应符合设计要求,门樘下口的锯口线应与楼地面标高相同。
3.7塑钢门窗扇必须安装牢固,并应开关灵活、关闭严密,无倒翘、回弹现象,推拉门窗扇必须有防脱落措施,门窗扇的安装应在室内、外装修基本完成后进行。
3.8塑钢下滑道要设泻水孔,以便排水,推拉窗扇上口要设止卸块,两侧框要有防撞块,下槽口两端要加设橡胶角垫,并用玻璃胶满打,推拉窗扇下的滑轮应安装在同一条直线上。
类别房建施工子类别目录编码ZLSC-017(01)分项名称门窗具体说明铝合金门窗关键性功能要求1、安全防护检查方法1、钢尺量2、满足外立面效果,美观大方2、样板施工3、牢固3、冲撞试验4、防光污染4、三性检测5、采光保温5、破坏性试验质量通病1、容易划伤防治关键点1、做好防护2、门窗两侧连接片位置2、下料尺寸计量准确3、连接点不牢固3、施工过程中及时检查4、窗边渗水4、洞口周边采取有利防水措施,设置有效的泄水孔5、容易腐蚀5、严禁擦、砸、碰和损坏铝合金门窗樘料质量标准控制要点1、原材料进场检查,型材厚度检查,合格证检验报告检查,玻璃检测,外墙胶、发泡剂、五金件、密封胶条等质量检查图例(照片)2、下料尺寸控制,及半成品检查3、每层洞口需吊垂线4、与主体连接牢固性检查5、防雷接地处理6、外墙清洗、外架拆除及地坪浇筑时的成品保护7、检查外观质量和表面的平整度,如发现有划痕、缺棱和翘曲不平、严重损伤、外观色差大等缺陷构造图片(示例)类别房建施工子类别目录编码ZLSC-017(02)分项名称门窗具体说明塑钢门窗关键性功能要求1、安全防护检查方法1、钢尺量2、满足外立面效果,美观大方2、样板施工3、牢固3、冲撞试验4、防光污染4、三性检测5、采光保温5、破坏性试验质量通病1、容易划伤防治关键点1、做好防护2、门窗两侧连接片位置2、下料尺寸计量准确3、连接点不牢固3、施工过程中及时检查4、窗边渗水4、洞口周边采取有利防水措施,设置有效的泄水孔5、容易腐蚀5、严禁擦、砸、碰和损坏塑钢门窗樘料质量标准控制要点1、原材料进场检查,型材厚度检查,合格证检验报告检查图例(照片)2、下料尺寸控制,及半成品检查3、按照标高高度控制线安装4、数层洞口控制在一条线上5、与主体连接牢固性检查6、防雷接地处理7、外墙清洗、外架拆除及地坪浇筑时的成品保护8、检查外观质量和表面的平整度,如发现有劈棱、窜角和翘曲不平、严重超标、严重损伤、外观色差大等缺陷构造图(示例)。
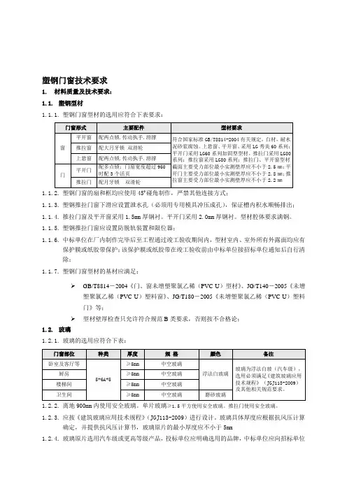
塑钢门窗技术要求1.材料质量及技术要求:1.1.塑钢型材1.1.1.塑钢门窗型材的选用应符合下表要求:1.1.2.塑钢门窗的扇和框均应使用450碰角制作,严禁其他连接方式;1.1.3.塑钢推拉门窗下滑应设置泄水孔(必须用专用模具冲压成孔),保证槽内积水顺畅排出;1.1.4.推拉门窗及平开窗采用1.5mm厚钢衬。
平开门采用2.0mm厚钢衬。
型材腔体要求满钢。
1.1.5.塑钢推拉门窗应设置防脱轨装置和限位器;1.1.6.中标单位在厂内制作完毕后至工程通过竣工验收期间内,型材室内、室外所有外露面均应有保护膜或纸胶带保护;该保护膜或纸胶带在竣工验收前由中标单位接招标单位通知后自行清除;1.1.7.塑钢门窗型材的基材应满足:➢GB/T8814-2004《门、窗未增塑聚氯乙稀(PVC-U)型材》、JG/T140-2005《未增塑聚氯乙稀(PVC-U)塑料窗》、JG/T180-2005《未增塑聚氯乙稀(PVC-U)塑料门》等;➢型材壁厚检查只允许符合规范B类要求,否则按不合格论;1.2.玻璃1.2.1.玻璃的选用应符合下表:1.2.2.离地900mm内使用安全玻璃。
单片玻璃≥1.5平方使用安全玻璃。
推拉门使用安全玻璃。
1.2.3.应按《建筑玻璃应用技术规程》(JGJ113-2009)进行设计。
玻璃具体厚度应根据抗风压计算确定,并提供抗风压计算书,玻璃原片的最小厚度应不小于5mm1.2.4.玻璃原片选用汽车级或更高等级产品,投标单位应明确选用的品牌,中标单位应向招标单位提供购买凭证;1.2.5.玻璃原片指定的品牌为:成玻、台玻、洛玻。
1.2.6.除卫生间选用磨砂玻璃外,其余部位门窗都选用白玻;1.2.7.投标单位应在投标文件中提供所有门窗型的玻璃设计详图,详细注明每个分隔的玻璃使用的种类及规格,并对本工程门窗玻璃配置负全部责任。
1.2.8.所有玻璃厚度须由投标单位进行玻璃抗风压计算设计、防热炸裂设计、镶嵌结构设计提出选择意见;并对隔热、保温等要求进行进行验算。
塑钢窗,型材55,规范篇一:塑钢窗工程技术标准及质量要求塑钢门窗、商服外门技术要求一、塑钢门窗1.1. 塑钢型材1.1.1. 塑钢门窗型材的选用应符合下表要求:01.1.2. 塑钢门窗的扇和框均应使用45碰角制作,严禁其他连接方式;1.1.3. 平开窗窗框、窗扇采用1.5mm厚U型增强型钢,平开门门扇采用2.0mm 厚U型增强型钢。
梃使用2mm方管增强型钢。
1.1.4. 增强型钢装加在PVC型材的增强型钢腔内,增强型钢与增强型钢腔的配合间隙应为1?0.5mm,以保证增强型钢加装方便,且受风压后能恢复原状。
增强型钢在加工时,外形尺寸允差为-0.1~-0.5mm1.1.5. 增强型钢应与型材内腔尺寸相一致,增强型钢与型材内腔之间的配合间隙每边以1mm?0.5mm为宜,所用增强型钢的端头与焊缝的距离不应大于5mm,并且不应影响端头的焊接,每根型材仅允许使用一根1增强型钢。
用于固定每根增强型钢的紧固件,不得少于3个,其间距不应大于300mm,分两排错位排列,紧固件与型材焊缝的最大距离不应大于20mm,固定后的增强型钢不得松动。
1.1.6. 需要焊接的型材的焊缝处,增强型钢应尽可能长接近焊缝,对于45o 焊缝处,型钢也应切成45o,见下图示:1.1.6中标单位在厂内制作完毕后至工程通过竣工验收期间内,型材室内、室外所有外露面均应有保护膜或纸胶带保护;该保护膜或纸胶带在竣工验收前由中标单位接招标单位通知后自行清除;1.1.7塑钢门窗型材的基材应满足:? GB/T8814,2004《门、窗未增塑聚氯乙稀(PVC-U)型材》、JG/T140,2005《未增塑聚氯乙稀(PVC-U)塑料窗》、JG/T180,2005《未增塑聚氯乙稀(PVC-U)塑料门》等;? 型材壁厚检查只允许符合规范A类要求,否则按不合格论;1.1.8型材指定厂家:中大、中财、皇家。
1.2. 玻璃1.2.1. 玻璃的选用应符合下表:21.2.2. 应按《建筑玻璃应用技术规程》(JGJ113-2009)进行设计。
塑钢门窗施工工艺一、材料加工1、型材加工(1)、根据现场实测洞口宽度下料,对于现场土建尺寸偏差超过规定值的,土建单位应先进行处理。
(2)、所有焊接缝采用45°焊接,平均值不低于3000N,最小值不低于平均值的70%,同一直线上型材必须拉通,玻璃压线置于室内。
(3)、每块玻璃的下边框型材上都应开有内、外腔贯通排水孔,其上边框型材上开有内外腔贯通气压平衡孔;排水孔严禁与其他腔体特别是钢衬腔贯通,排水孔必须由专用盖帽。
(4)、焊接完成后3~10min进行清角处理,清角不得划伤型材表面。
2、钢衬(1)、(包括框料、中挺、拼管等、钢衬必须型材沿全长贯通,对焊型材应在焊接过程中将钢衬及时穿入型材。
(2)、用于固定每根钢衬的自攻钉,不得少于3个,其间距不应大于300mm,固定后的钢衬不得松动。
3、玻璃安装(1)、玻璃垫块安装位置应合理,下部承重垫块靠近铰链位置。
承受玻璃重量的中横框型材垂直方向的挠度值不大于3mm。
(2)、为避免玻璃和窗扇间产生逆水,玻璃到镶嵌槽底的深度不小于5mm。
二、门窗的密封1、框扇搭接处搭接量不得小于8mm,且不影响五金件的使用。
2、为避免建筑门窗的密封胶条脱槽,安装密封胶条应在90度拐角处剪口,并采用45度角胶粘结方式,粘贴不得出现硬结现象;胶条的接头部位位于窗框的上部,接头处用三元乙丙专用粘接剂粘接。
密封胶条安装时不允许拉延。
3、所有固定在钢衬上的固定钉均采用钻尾自攻钉,一次性攻入连接;拼樘料处若为钢板采用不锈钢对拉螺杆固定,若为拼管采用自攻钉固定。
5、五金件(1)、平开门窗采用的连杆多点锁:锁点离转角处不大于150mm,两锁点之间的距离不大于800mm;合页(或铰链、一侧,合页(或铰链、之间距离大于1000mm以上时,每不大于800mm设置一个暗置锁点;平开扇宽度大于800mm的,上下边也应设置锁点。
(2)、宽度小于800mm的上悬窗可以采用单点执手,宽度大于800mm的按照平开窗五金件执行。
塑钢窗规范塑钢窗作为建筑中常见的窗户类型之一,具有坚固耐用、节能环保、隔音隔热等优点,被广泛应用于住宅、办公楼、商业建筑等场所。
为了保证塑钢窗的质量和使用效果,有关部门制定了相应的规范和标准,下面将详细介绍塑钢窗规范。
1. 适用范围:塑钢窗规范适用于塑钢窗的设计、制造、安装和使用过程中,包括材料的选用、结构设计、制作要求、安装要求等方面。
2. 材料选择:塑钢窗的主要材料包括塑料和钢材,规范要求使用优质的塑料和钢材,保证窗框的坚固性和稳定性。
塑料部分要求使用聚氯乙烯(PVC)材料,钢材要求采用冷轧钢板或优质钢材。
3. 结构设计:塑钢窗的结构设计要满足强度、刚度和密封性的要求。
规范要求窗框和窗扇的槽口尺寸要符合标准,连接件要牢固可靠,保证整个窗户的稳定性。
4. 制作要求:塑钢窗的制作过程中,要注意细节,保证每个步骤的质量。
规范要求窗框和窗扇制作精度要达到一定的要求,焊接工艺要正确,表面处理要均匀细致,确保窗户的外观和品质。
5. 安装要求:塑钢窗的安装过程中,要注意安装位置、安装方法和安装材料的选择。
规范要求窗框与墙体之间要有一定的嵌缝,使用胶垫和密封胶来保证窗框与墙体之间的密封性,防止水和气体渗透。
6. 使用管理:规范对塑钢窗的使用和管理也有相应要求。
用户应按照使用说明书正确使用窗户,定期进行清洁和保养,注意防火、防盗等安全事项。
7. 检测评价:规范要求对塑钢窗进行检测和评价,以评判其质量和性能是否符合标准要求。
检测内容包括窗框的强度、密封性、隔热性能等。
检测方法可以采用实验室测试或现场检验。
总之,塑钢窗规范对于保证塑钢窗的质量和使用效果起到了重要的作用。
通过严格执行规范要求,可以确保塑钢窗具有良好的性能和可靠的品质,满足人们对于建筑物的舒适性和安全性的需求。
同时,规范的执行也促进了塑钢窗行业的发展,推动了技术的创新和进步。
塑钢门窗的一些规范1 楼2006-6-23 11:16:59 我提供塑钢门窗一些规范(过客) 发表于搜房网- 长沙业主论坛- 鑫天芙蓉中华人民共和国国家标准PVC塑料窗力学性能、耐候性技术条件(节录)GB 11793.2-893 技术要求3.1 窗用型材应符合GB 8814门、窗框用硬聚氯乙烯(PVC)型材的要求。
3.2 各类塑料窗的力学性能检测项目按表1规定进行,其力学性能应满足表2所列的要求。
表1 各类塑料窗的力学性能检测项目窗的种类模拟非正常受力窗撑和开启限位器窗的开关力开关疲劳大力关闭角强度悬端吊重翘曲或弯曲扭曲对角线变形平开窗垂直轴内开√ √ ———√ √ √ √外开√ √ ——√ √ √ √ √滑轴平开窗√ √ ——√ √ √ √悬窗上悬窗—√ ——√ √ √ √ √中悬窗—√ ——√ √ √ √ √下悬窗—√ ——√ √ √ √ √立转窗√ √ ——√ √ √ √ √推拉窗左右推拉窗—√ √ √ √ √ √ —√上下推拉窗—√ √ —√ √ ——√注:“√”符号表示应检测的项目。
表2 塑料窗的机械力学性能要求序号性能项目技术要求1 窗开、关过程中移动窗扇的力不大于50N2 悬端吊重在500N力作用下,残余变形应不大于3mm,试件应不损坏,仍保持使用功能。
3 翘曲或弯曲在300N力作用下,允许有不影响使用的残余变形,试件不允许破裂,仍保持使用功能4 扭曲在200N力作用下,试件不允许损坏,不允许有影响使用功能的残余变形5 对角线变形6 开关疲劳平开窗开关速度为10-20次/min,经不少于一万次的开关,试件及五金不应损坏,其固定处及玻璃压条不应松脱推拉窗7 大力关闭经模拟7级风连续开关10次,试件不损坏,仍保持原有开关功能8 窗撑试验能支持200N力,不允许移位,联接处型材不应破裂9 开启限位器10N力10次,试件不应损坏10 角强度平均值不低于3000N,最小值不低于平均值的70%3.3 耐候性耐用候性试验方法分以下三类:人工老化试验、自然耐候性试验以及整樘塑料窗耐候性试验。
塑钢窗工程规范大全第一篇:塑钢窗工程规范大全中国沈阳市皇姑区【中海·寰宇天下项目】二期E区高层E63#、E65#、E66#楼塑钢门窗制作安装工程工程规范工程规范一、工程规范1.依据设计文件的要求,本招标工程项目的材料、设备、施工须达到现行中华人民共和国以及省、自治区、直辖市或行业的工程建设标准、规范,辽宁省地方相关节能规范的要求。
2.根据工程设计要求,该项工程下列项目的材料、施工除必须达到以上标准外,还应满足下列标准要求:《塑料门窗安装及验收规程》(JGJ103-96)《建筑玻璃应用技术规程》(JGJ113-2003)《聚氯乙烯(PVC)门窗滑撑》(JG/T127-2000)《PVC塑料地弹簧门》(JG/T3051-1998)《PVC塑料窗》(JG/T3018-94)《PVC塑料门》(JG/T3017-94)《PVC塑料窗力学性能、耐候性试验方法》(GB11793.3-89) 《PVC塑料窗力学性能、耐候性技术条件》(GB11793.2-89) 《PVC塑料窗建筑物理性能分级》(GB11793.1-89)《聚氯乙烯(PVC)门窗增强型钢》(JG/T131-2000)《聚氯乙烯(PVC)门窗半圆锁》(JG/T130-2000)《聚氯乙烯(PVC)门窗滑轮》(JG/T129-2000)《聚氯乙烯(PVC)门窗撑挡》(JG/T128-2000)《聚氯乙烯(PVC)门窗执手》(JG/T124-2000)《聚氯乙烯(PVC)门窗合页(铰链)》(JG/T125-2000)《聚氯乙烯(PVC)门窗固定片》(JG/T132-2000)《聚氯乙烯(PVC)门窗传动锁闭器》(JG/T126-2000)S/1第二篇:塑钢窗工程合同建设工程施工专业分包合同建设工程名称:发包单位:承包单位:(门窗工程)发包方:承包方:根据《中华人民共和国合同法》、《中华人民共和国建筑法》及其它有关法律、行政法规,就信用的原则,经双方友好协商达成如下协议:第一条:工程范围:第二条:乙方应根据甲方的计划安排和工程实际进度情况,及时进行的塑钢门窗的供应和安装。
塑钢门窗制作规范手册2017塑钢门窗制作规范手册陕西大旺实业发展有限公司目录第一章PVC塑料门窗制作工艺 (4)第一节型材下料 (4)第二节铣排水孔和气压平衡孔 (6)第三节铣五金件安装槽孔 (8)第四节增强型钢的切割与装配 (8)第五节型材焊接 (10)第六节中梃螺接 (14)第六节焊瘤清理 (15)第七节密封条的安装 (16)第八节五金配件的选择与安装 (18)第九节玻璃、压条装配 (23)第十节门窗质量检查 (25)第十一节门窗的包装、入库 (26)附件:焊接工序工艺规则 (26)第一章PVC塑料门窗制作工艺第一节型材下料在塑料门窗制作过程中,第一步工序是型材的下料,下料精度对门窗的质量有重要的影响。
为保证门窗良好的使用性能,在下料工序中,要严格按规范操作。
应保证所选型材为合格品,型材的外观及尺寸满足标准要求。
一、框、扇的下料1、设备(1)型材下料设备主要是双脚切割锯和任意角度锯。
(2)根据设备使用说明书制定科学的操作规范、并严格执行2、切割开始切割时,根据下料依据和工艺要求确认下料尺寸,切割过程中,应保证锯片和工作台清洁,无水、油污、灰尘等杂物,以免影响后续工序的进行。
切割后,要做到首件三检,并抽检。
所有材料必须满足以下技术要求:(1)长度允许偏差±0.5mm(需对型材大小面两侧长度同时进行测量);(2)端面角度允许偏差±0.5度;(3)切削面与型材两侧面的垂直度应不影响焊接质量,待焊面清洁,无水、油污、料屑等杂物。
二、中梃的下料1、设备选择设备为双角切割锯、任意角度锯及中梃锯。
2、切割根据设计订单上的下料尺寸进行切割,切割后首件三检,并抽检,材料应满足以下技术要求(中梃锯除外):参见图1-1(1)切割后型材端部尖角与中心线偏移允差±0.5mm;(2)下料长度符合设计要求,允差±0.5mm(需对型材大小面两侧长度同时进行测量);(3)构件切削面与型材两侧面的垂直度有保证,待焊面清洁,无水、油污、料屑等杂物。
塑钢门窗国家标准作业指导书一、执行标准:1、《PVC塑料窗》JG/T3018-942、《建筑外窗承受机械力的检测方法》GB9158-883、《建筑外窗抗风压性能分级及检测方法》GB/T7106-20024、《建筑外窗气密性能分级及检测方法》GB/T7107-20025、《建筑外窗水密性能分级及检测方法》GB/T7108-2002二、检测内容:1、尺寸偏差2、开启力3、抗风压性能4、气密性5、水密性三、检测设备:XMCY-C型门窗检测仪、卷尺、测力计四、检测细则:4.1:外观质量:窗的表面应平滑,颜色应基本均匀一致,无裂纹、无气泡、焊缝平整,不得有影响使用的伤痕,杂质等缺陷。
4.2:尺寸偏差:4.2.1:窗框、窗扇外形尺寸的允许偏差见表4.3开启力:4.3.1试样数量及取样方法:同一种窗的试件数量为三件。
试样选取方式为随机抽样或选送。
4.3.2试件的要求:试件应为生产厂的合格产品,不可附加多余的零配件或采用特殊的组装工艺。
a、试件的镶嵌应符合设计要求,或按有关规范进行。
(如因玻璃质量问题或镶嵌质量不符合有关规范要求而在检测过程中发生不正常的玻璃破碎现象时,应重新测定。
)b、玻璃厚度、型号和镶嵌方式应符合生产厂的规定。
4.3.3试件的安装:试件的安装应可能接近实际使用时的受力情况,安装好的试件应符合设计时的标准状态,如,窗面要竖直,下框要水平,不允许由于安装而产生变形。
4.3.4检测方法:窗扇开启力:4.3.4.1静力:松开窗扇的锁,但不打开窗扇,在执手或操纵装置上沿开启方向施加静力,测量能使窗开启的最小静力。
4.3.4.2动力:如静力超过了规定值,需用猛拉窗扇的方式使窗扇开启时,应作下述动力试验。
用由50N重物自由下落时产生的力猛拉窗扇,确定能使窗扇开启的重物下落高度(以mm计)。
该重物系在长度为1m,直径为2-3mm的七股钢丝合成的钢绳上,钢绳的另一端和执手或操纵装置相连接,测定时先将窗扇的锁松开,然后在开启方向施加动力。
塑钢门窗标准中华人民共和国国家标准塑料门窗安装及验收规程 JG103-96( Acceptance of UPVC Door and Windows)1总则1.1为保证塑料门窗安装施工的质量,做到技术先进,经济合理,安全可靠,制定本规程。
1.2本规程适用于(UPVC)塑料门窗的安装与验收。
1.3建筑塑料门窗的安装及验收,除应按照本规程的规定执行外,尚应符合国家现行的有关标准、规范的规定。
2门窗质量要求2.1材料质量要求,应符合下列要求:,应进行表面防腐处理;,紧固件的尺寸、螺纹、公差、十字槽及机械性能等技术条件应符合现行国家标准《十字槽盘头自攻螺钉》(GB845)、《十字槽沉头自攻螺钉》(GB846)的有关规定;;滑撑铰链不得使用铝合金材料。
,最小宽度应大于或等于15mm,其材质应采用Q235-A冷轧钢板,其表面应进行镀锌处理。
,型钢两端应比拼樘料长出10~15mm。
外窗的拼樘料截面尺寸及型钢形状、壁厚,应能使组合窗承受该地区的瞬时风压值。
,并应有产品出厂合格证,中空玻璃应有检测报告;;,不得使用硫化再生橡胶、木片或其他吸水性材料。
其长度宜为80mm~150mm,厚度应按框、扇(梃)与玻璃的间隙确定,并宜为2mm~6mm。
,其性能应与PVC塑料具有相容性。
2.2门窗质量要求;门窗中竖框、中横框或拼樘料等主要受力杆件中的增强型钢,应在产品说明中注明规格、尺寸。
门窗的抗风压、空气渗透、雨水渗漏三项基本物理性能应符合《PVC塑料门》(JG/T3017)、《PVC塑料窗》(JG/T3018)中对这三项性能分级的规定及设计要求,并附有该等级的质量检测报告。
如果设计对保温、隔声性能提出要求,其性能也应符合《PVC塑料门》(JG/T3017)、《PVC塑料窗》(JG/T3018)的规定及设计要求。
门窗产品应有出厂合格证。
表2.2.2 洞口与窗框间隙墙体饰面材料洞口与窗框间隙(mm)清水墙 10墙体外饰面水泥砂浆与贴马赛克 15-20墙体外饰面贴釉面瓷砖 20-25墙体外饰面贴大理石或花岗岩板 40-50注:窗下框与洞口的间隙可根据设计要求选定。
塑钢门窗制作规范手册陕西大旺实业发展有限公司目录第一章PVC塑料门窗制作工艺 (3)第一节型材下料 (3)第二节铣排水孔和气压平衡孔 (5)第三节铣五金件安装槽孔 (7)第四节增强型钢的切割与装配 (7)第五节型材焊接 (9)第六节中梃螺接 (12)第六节焊瘤清理 (14)第七节密封条的安装 (15)第八节五金配件的选择与安装 (17)第九节玻璃、压条装配 (22)第十节门窗质量检查 (24)第十一节门窗的包装、入库 (24)附件:焊接工序工艺规则 (25)第一章PVC塑料门窗制作工艺第一节型材下料在塑料门窗制作过程中,第一步工序是型材的下料,下料精度对门窗的质量有重要的影响。
为保证门窗良好的使用性能,在下料工序中,要严格按规范操作。
应保证所选型材为合格品,型材的外观及尺寸满足标准要求。
一、框、扇的下料1、设备(1)型材下料设备主要是双脚切割锯和任意角度锯。
(2)根据设备使用说明书制定科学的操作规范、并严格执行2、切割开始切割时,根据下料依据和工艺要求确认下料尺寸,切割过程中,应保证锯片和工作台清洁,无水、油污、灰尘等杂物,以免影响后续工序的进行。
切割后,要做到首件三检,并抽检。
所有材料必须满足以下技术要求:(1)长度允许偏差±0.5mm(需对型材大小面两侧长度同时进行测量);(2)端面角度允许偏差±0.5度;(3)切削面与型材两侧面的垂直度应不影响焊接质量,待焊面清洁,无水、油污、料屑等杂物。
二、中梃的下料1、设备选择设备为双角切割锯、任意角度锯及中梃锯。
2、切割根据设计订单上的下料尺寸进行切割,切割后首件三检,并抽检,材料应满足以下技术要求(中梃锯除外):参见图1-1(1)切割后型材端部尖角与中心线偏移允差±0.5mm;(2)下料长度符合设计要求,允差±0.5mm(需对型材大小面两侧长度同时进行测量);(3)构件切削面与型材两侧面的垂直度有保证,待焊面清洁,无水、油污、料屑等杂物。
三、V 型口的下料1.设备选择V 型口的切割是在V 型切割锯上进行的。
2.切割根据设计订单上的下料尺寸具体门窗制作时,V 口在型材小面上的深度为:所焊接中梃小面宽度的一半减去焊接余量。
切割后,首件三检,并抽检。
所有构件切割后必须满足以下技术要求:(1)切割后V 口角度允差±0.3°;(2)切割后V 口深度允差±0.5mm;(3)构件切削面与型材两侧面的垂直度有保证,待焊面清洁,无水、油污、料屑等杂物。
第二节铣排水孔和气压平衡孔塑料门窗要具有良好的水密性,必须在门窗上打排水孔,使门窗内的积水能够排到室外;为了保证雨水在排水腔内能够顺利排出,必须在门窗的上侧或竖侧打气压平衡孔。
根据其所处的位置及作用,可将排水孔和气压平衡孔分为内排水孔和外排水孔、内气压平衡孔和外气压平衡孔。
排水孔与气压平衡孔的规格与尺寸。
1)排水孔规格:不小于5mm×30mm;2)气压平衡孔规格:不小于3×∮5mm。
在加工门窗的内、外排水孔时,要特别注意以下几点:1、不要把排水腔与增强型钢腔打通,防止雨水进入主腔体内,腐蚀增强型钢。
2、开内、外排水孔时要注意尽量开在型材排水腔最低的位置,防止造成型材内部积水,内排水孔不能与外排水孔相对,应相互错开一定距离。
下列情况必须铣排水孔和气压平衡孔:1、凡是外墙上的外门、外窗都应设置排水系统;2、外门、外窗的每块玻璃下边框型材上都应开有内、外排水孔,每块玻璃的上边框型材上都应开有气压平衡孔,型材的内部也要开有气压平衡孔。
一、排水孔的数量及分布推荐排水孔的数量及分布如下① L<1500mm:开设2个排水孔,两侧排水孔中心线距角部不小于75mm;② 1500mm≤L≤2000mm:开设3个排水孔,两侧排水孔中心线距角部不小于75mm、中间排水孔位置应均布;③ L>2000mm:开设4个排水孔,两侧排水孔中心线距角部不小于75mm、中间排水孔位置应均布。
一般情况下,每一个外排水孔应该对应一个内排水孔。
对于平开门窗的扇和推拉门窗的扇而言,由于其制作尺寸的限制,只需在其下边构件上打一个内排水孔和一个外排水孔。
排水孔的数量及其分布,应视该地区的气候条件及降雨量而定。
降雨量较大的地区,排水孔的个数可以稍多,规格尺寸也可以稍大一些。
二、气压平衡孔的数量及分布直接装在门窗框、门窗扇上的每一块玻璃,其上边框室外一侧的中央应该铣一个或多个外气压平衡孔,铣一个内气压平衡孔,内、外气压平衡孔可以不错开。
排水孔与气压平衡孔打法示例。
第三节铣五金件安装槽孔1.设备(1)锁孔、传动器槽、滑轮槽在仿形铣床上进行。
(2)根据设备使用说明书制定科学的操作规程并严格执行。
2.注意事项在具体加工时,可以根据传动器的尺寸更换刀具和进给量,实现对槽、孔的加工。
例如,在进行传动器执手孔的加工时,要注意中间孔所用的铣刀直径为Φ12,而两边孔径为Φ10,切不可以刀具互用。
铣削后,孔径位置正确,周边光滑、无毛刺,利于传动器的安装。
第四节增强型钢的切割与装配1、增强型钢的作用(1)提高门窗的刚性和强度;(2)防止型材变形;(3)使安装的五金件更牢固。
2、增强型钢的技术要求(1)增强型钢的材质及表面处理一般用冷轧Q235 钢带加工制成,表面经防腐或镀锌处理,以防锈蚀。
壁厚≥1.2mm,一般可为1.2mm、1.5mm、2.0mm、2.5mm、3.0mm,目前工程中一般使用1.5mm、2.0mm 厚增强型钢。
(2)增强型钢的尺寸、形状,增强型钢装加在PVC 型材的增强型钢腔内,增强型钢与腔体的配合间隙应为1±0.5mm,以保证增强型钢加装方便,且受风压后能恢复原状。
增强型钢在加工时,外形尺寸允差为-0.1~-0.5mm。
增强型钢的形状应根据型材内腔形状、型材类型、五金件安装要求等进行设计,一般有封闭矩形、圆形、U 型、半封闭U 型、方型等。
(3)增强型钢的外观a. 增强型钢要求内外表面平整,不允许裂缝、分层、搭焊缺陷存在;b. 增强型钢两端其切口斜度应小于7°,外形平整、棱角清晰,不应有毛刺。
3、增强型钢的加装原则建议所有型材增强型钢腔加装增强型钢。
以下条件下必须加装增强型钢:(1)经抗风压计算,框、扇、梃的强度达不到安全值时,必须加装增强型钢;(2)框、扇、梃上需要用自攻螺钉固定,安装五金件时,必须加装增强型钢,使自攻螺钉拧紧在增强型钢的壁上,保证五金件的安装有必要的牢固度。
4、增强型钢的下料增强型钢使用无齿锯进行切割。
增强型钢距型材端部的最小垂直距离为5~10mm,保证五金件的连接螺钉可以打到增强型钢上,加强五金件的牢固度。
增强型钢切割后必须校正,应保证端头无毛刺,每延长米的直线度不允许超过1.5mm,扭拧度不大于1°,角度偏差不应大于±1.5°,内角半径不大于1.4t(t 为壁厚)。
5、增强型钢的装配增强型钢的装配主要有两种方式:(1)在不影响焊接的部位可预先插入;(2)十字型或T 型焊接部位,增强型钢在对接后及时插入。
增强型钢与型材的连接紧固件建议最好使用自攻自钻螺钉,可以使用圆头螺钉,禁止使用抽芯铆钉。
用于固定每根增强型钢的连接紧固件不得少于3 个,其间距≤300mm ,距增强型钢端头≤100mm。
固定后的增强型钢不得松动。
增强型钢装入型材增强型钢腔后,应保证型材内部无划伤、变形等现象,不影响传动器执手和门锁的安装,当增强型钢与型材配合尺寸不合适时,不得强行加装增强型钢。
第五节型材焊接焊接是塑料门窗制作过程中的关键工序之一,焊接的质量直接影响到成窗性能。
一、焊接设备焊接设备有单点焊机、四角焊机、多头焊机、多层焊机、共挤焊机、无缝焊机、Y 型焊机等。
单点焊机可进行0°~180°角的焊接;四角焊机主要用于矩形框、扇的焊接;多头焊机还可用于中梃和横梁的焊接;共挤焊机实现两个机头的两个压钳共同运动,可以提高焊角强度;无缝焊机可用于共挤型材的焊接;Y 型焊机可以实现65 系列平开、60 系列外平开带固定部分的梃与框的焊接。
焊接设备的选择应根据塑料门窗的组装工艺方案来确定,并选择质量稳定、加工尺寸及工艺参数准确、工人操作方便、便于调整维修的焊机。
二、焊接顺序焊接顺序的选定直接关系到门窗框、扇的焊接质量和生产效率,在焊接前,应根据窗型确定焊接顺序,焊接顺序主要根据焊机的形式功能来确定。
无分格的框、扇可以用四角焊机一次焊接成形,带梃的多分格的窗要先焊接梃后焊接框,要注意焊接顺序。
三、焊接工艺参数焊接工艺参数直接影响塑料门窗的质量,尤其是成窗的焊角强度,因此,严格制定和控制焊接工艺参数尤为重要。
焊接工艺参数主要包括如下:焊接温度:240℃~ 270℃夹紧压力:0.4MPa ~ 0.6MPa熔融压力:0.3MPa ~ 0.4MPa对接压力:0.4MPa ~ 0.5MPa熔融时间:20s ~ 30s对接时间:25s ~ 35s以上是几个基本的工艺参数,因不同设备、不同条件、不同规格型材,参数值是可以变化的,应通过实验找出最合适的焊接参数(焊接前,应对各参数仪表进行校正,保证其显示值与实际值相符合)。
其中:1、应调整焊接温度在工艺参数范围内,并保证焊接结合面处于最佳塑化区,调整时,每次调整1~2℃,可通过表面状态(焊瘤微黄)来确定具体温度。
2、熔融时间先设定在20s~30s 范围内,调整好焊接温度后,再微调时间。
对接时间应控制在25s~35s,可适当加长。
3、夹紧压力在0.4MPa ~ 0.6MPa 之间调整,保证型材在对接时不能出现移位及变形。
熔融压力在0.3MPa ~ 0.4MPa 之间调整,保证焊件端面很快平整。
对接压力在0.4MPa ~ 0.5MPa 之间调整,以保证足够压力。
时间、温度、压力是影响焊接质量的三个重要参数,在实际生产中应以焊角强度测试结果灵活调整,以使三个参数达到最佳匹配,保证焊接质量。
四、焊前准备1、检查焊机的电源、气压是否正常,各个压力表数值是否在允许工作范围之内,开机后提前20~30 分钟打开加热板加热开关进行预热。
2、焊接时保证环境温度在18ºC 以上,且型材在焊接前应在室温条件下放置24 小时,以使型材与加热温度之间的温度梯度降低,提高焊角强度。
3、按框、扇需要选择并调整挡板,调整焊接时间、焊接温度、焊接压力。
4、焊件应作标识并放置在规定位置,注意安装孔、铰链、执手、排水孔位置,以防错焊。
5、切勿让毛条、胶条、保护膜熔于焊缝中,毛条、胶条的下料见密封条部分,保护膜在焊接部位应沿焊口剪掉,留出焊接余量,杜绝把保护膜熔到焊缝中。
五、焊接1、焊接时一定要保证焊件可视面与焊板正交,允差± 0.5º,同时要保证焊接面的清洁,防止造成焊角处有黑色暗线。