单相交直交变频电路设计
- 格式:doc
- 大小:714.24 KB
- 文档页数:24
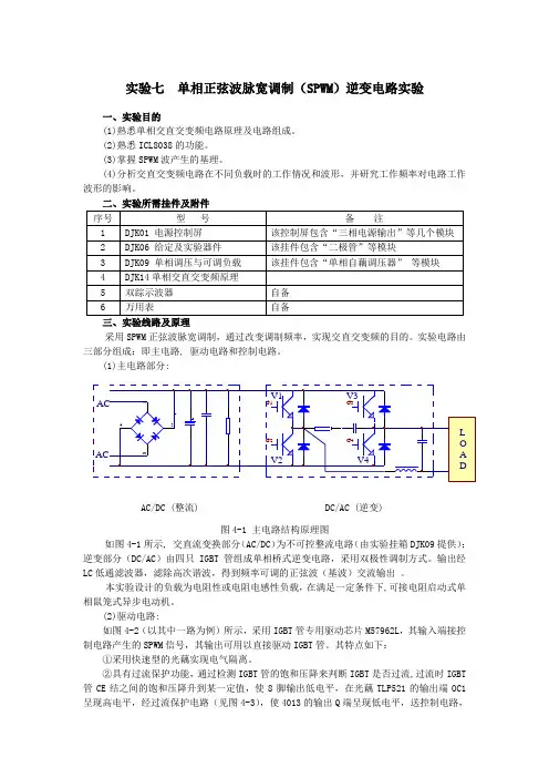
实验七单相正弦波脉宽调制(SPWM)逆变电路实验一、实验目的(1)熟悉单相交直交变频电路原理及电路组成。
(2)熟悉ICL8038的功能。
(3)掌握SPWM波产生的基理。
(4)分析交直交变频电路在不同负载时的工作情况和波形,并研究工作频率对电路工作波形的影响。
采用SPWM正弦波脉宽调制,通过改变调制频率,实现交直交变频的目的。
实验电路由三部分组成:即主电路, 驱动电路和控制电路。
(1)主电路部分:AC/DC (整流) DC/AC (逆变)图4-1 主电路结构原理图如图4-1所示, 交直流变换部分(AC/DC)为不可控整流电路(由实验挂箱DJK09提供);逆变部分(DC/AC)由四只IGBT管组成单相桥式逆变电路,采用双极性调制方式。
输出经LC低通滤波器,滤除高次谐波,得到频率可调的正弦波(基波)交流输出。
本实验设计的负载为电阻性或电阻电感性负载,在满足一定条件下,可接电阻启动式单相鼠笼式异步电动机。
(2)驱动电路:如图4-2(以其中一路为例)所示,采用IGBT管专用驱动芯片M57962L,其输入端接控制电路产生的SPWM信号,其输出可用以直接驱动IGBT管。
其特点如下:①采用快速型的光藕实现电气隔离。
②具有过流保护功能,通过检测IGBT管的饱和压降来判断IGBT是否过流,过流时IGBT 管CE结之间的饱和压降升到某一定值,使8脚输出低电平,在光藕TLP521的输出端OC1呈现高电平,经过流保护电路(见图4-3),使4013的输出Q端呈现低电平,送控制电路,起到了封锁保护作用。
图4-2 驱动电路结构原理图图4-3保护电路结构原理图(3)控制电路:图4-4 控制电路结构框图TLP521SPWM1图4-5控制电路结构原理图控制电路如图4-5所示,它是由两片集成函数信号发生器ICL8038为核心组成,其中一片8038产生正弦调制波U r,另一片用以产生三角载波U c,将此两路信号经比较电路LM311异步调制后,产生一系列等幅,不等宽的矩形波U m,即SPWM波。
《自动控制元件及线路》课程实习报告异步电动机变频调速系统1.4.1 系统原理框图及各部分简介本文设计的交直交变频器由以下几部分组成,如图1.1所示。
图1.1 系统原理框图系统各组成部分简介:供电电源:电源部分因变频器输出功率的大小不同而异,小功率的多用单相220V,中大功率的采用三相380V电源。
因为本设计中采用中等容量的电动机,所以采用三相380V电源。
整流电路:整流部分将交流电变为脉动的直流电,必须加以滤波。
在本设计中采用三相不可控整流。
它可以使电网的功率因数接近1。
滤波电路:因在本设计中采用电压型变频器,所以采用电容滤波,中间的电容除了起滤波作用外,还在整流电路与逆变电路间起到去耦作用,消除干扰。
逆变电路:逆变部分将直流电逆变成我们需要的交流电。
在设计中采用三相桥逆变,开关器件选用全控型开关管IGBT。
电流电压检测:一般在中间直流端采集信号,作为过压,欠压,过流保护信号。
控制电路:采用8051单片机和SPWM波生成芯片SA4828,控制电路的主要功能是接受各种设定信息和指令,根据这些指令和设定信息形成驱动逆变器工作的信号。
这些信号经过光电隔离后去驱动开关管的关断。
1.4.2 变频器主电路方案的选定变频器最早的形式是用旋转发电机组作为可变频率电源,供给交流电动机。
随着电力半导体器件的发展,静止式的变频电源成为了变频器的主要形式。
静止式变频器从变换环节分为两大类:交-直-交变频器和交-交变频器。
1.交-交型变频器:它的功能是把一种频率的交流电直接变换成另一种频率可调电压的交流电(转换前后的相数相同),又称直接式变频器。
由于中间不经过直流环节,不需换流,故效率很高。
因而多用于低速大功率系统中,如回转窑、轧钢机等。
但这种控制方式决定了最高输出频率只能达到电源频率的1/3~1/2,所以不能高速运行。
2.交-直-交型变频器:交-直-交变频器是先把工频交流通过整流器变成直流,然后再直流变换成频率电压可调的交流,又称间接变频器,交-直-交变频器是目前广泛应用的通用变频器。
电力电子仿真实验实验报告院系:电气与电子工程学院班级:电气1309班学号: 17学生姓名:王睿哲指导教师:姚蜀军成绩:日期:2017年 1月2日目录实验一晶闸管仿真实验........................................ 错误!未定义书签。
实验二三相桥式全控整流电路仿真实验.......................... 错误!未定义书签。
实验三电压型三相SPWM逆变器电路仿真实验..................... 错误!未定义书签。
实验四单相交-直-交变频电路仿真实验.......................... 错误!未定义书签。
实验五 VSC轻型直流输电系统仿真实验.......................... 错误!未定义书签。
实验一晶闸管仿真实验实验目的掌握晶闸管仿真模型模块各参数的含义。
理解晶闸管的特性。
实验设备:MATLAB/Simulink/PSB实验原理晶闸管测试电路如图1-1所示。
u2为电源电压,ud为负载电压,id为负载电流,uVT 为晶闸管阳极与阴极间电压。
图1-1 晶闸管测试电路实验内容启动Matlab,建立如图1-2所示的晶闸管测试电路结构模型图。
图1-2 带电阻性负载的晶闸管仿真测试模型双击各模块,在出现的对话框内设置相应的模型参数,如图1-3、1-4、1-5所示。
图1-3 交流电压源模块参数图1-4 晶闸管模块参数图1-5 脉冲发生器模块参数固定时间间隔脉冲发生器的振幅设置为5V,周期与电源电压一致,为(即频率为50Hz),脉冲宽度为2(即º),初始相位(即控制角)设置为(即45º)。
串联RLC分支模块Series RLC Branch与并联RLC分支模块Parallel RLC Branch的参数设置方法如表1-1所示。
表1-1 RLC分支模块的参数设置元件串联RLC分支并联RLC分支类别电阻数值电感数值电容数值电阻数值电感数值电容数值单个电阻R0inf R inf0单个电感0L inf inf L0单个电容00C inf inf C 在本系统模型中,双击Series RLC Branch模块,设置参数如图1-6所示。
单相交直交变频电路实验报告嘿,大家好!今天咱们聊聊单相交直交变频电路实验,听起来是不是有点拗口?但别担心,咱们慢慢来,轻松一点就好。
你得知道,变频电路可不是随随便便的东西,它能让电机在不同的频率下转动,简直就像是给电机加了个调音器,想让它快点、慢点,全凭你的一念之差,真的是神奇极了!在实验室里,咱们一边玩电,一边学东西,真是一举两得的好事。
咱们这次实验用的就是单相交直交变频电路,听上去挺高大上的吧?其实它的工作原理也不复杂。
想象一下,你在调节音量一样,电压的大小直接影响着电机的转速。
这电路里有个“变频器”,它的作用就像是电机的心脏,负责调整频率,搞得电机心甘情愿地按照你的意愿来转。
你知道,这可不是随便玩玩就能搞定的,得小心翼翼地连接线缆,像是绣花一样,每根线都要放在正确的位置,真是一点马虎不得啊!在开始之前,我们得准备一些设备。
电源、变频器、负载电机,还有各种测量工具,真是忙得不可开交。
像是厨房里做菜,材料得齐全,不然就只能干着急。
然后就是连接线缆了,仿佛在搭建一座小房子,每根线都要接得稳稳的,千万不能出错。
要是搞错了,那可是得不偿失,得重新来过,心里想想就觉得无奈啊。
实验开始时,咱们先给变频器通电,心里那个紧张啊,生怕一不小心就把什么搞坏了。
不过,这个变频器的显示屏还挺友好的,数字一闪一闪的,像是在跟我打招呼。
我们先试着调整频率,看看电机转动的样子。
哎呀,转得可欢了,仿佛在说:“快来啊,快来玩我!”我心里一阵得意,感觉自己仿佛是一位电机大师。
调高频率,电机转得飞快,调低频率,哎,像是进入了慢动作,真的是有趣得不得了。
实验中也有些小插曲。
比如有一次,我把频率调得太高了,电机居然发出咕噜咕噜的声音,像是快喘不过气来。
我心里一惊,赶紧把频率降下来,生怕电机受不了,简直是虚惊一场,哈哈。
这样的实验真是让人又紧张又刺激,心跳加速,仿佛在体验一场冒险。
等到一切都准备妥当,我开始记录数据。
测量电流、电压、频率,这些数字就像是我的小伙伴,帮我分析电路的表现。
单相交直交变频电路设计一、设计原理单相交直交变频电路的设计原理基于电力传输和转换的基本原理。
在单相交流电路中,电压和电流是以正弦波形式周期性变化的,一般为50Hz或60Hz。
通过变频电路,可以将交流电转换成直流电。
具体来说,设计单相交直交变频电路需要以下几个步骤:1.变压器:将输入的交流电转换成所需的电压级别。
可以使用变压器将输入的交流电变压成适合电路中其他元件工作的电压。
变压器的设计需要考虑输入和输出的电压、电流、功率以及变压器的效率等因素。
2.整流:将变压器输出的交流电转换成直流电。
可以使用整流电路,如整流桥等,将交流电的负半周去掉,只保留正半周的波形,得到直流电。
3.滤波:将整流后的波形进行滤波处理。
可以使用滤波电路,如滤波电容器和滤波电感器,去除直流电中的纹波。
4.变频:将直流电转换成需要的频率。
可以使用电子元件,如变频器、可控硅等,将直流电转换成所需的频率,供其他设备使用。
二、设计步骤下面介绍单相交直交变频电路设计的具体步骤:1.确定输入和输出参数:根据设计的要求,确定输入交流电的电压、电流和频率,以及输出直流电的电压和频率。
2.变压器设计:根据输入和输出的电压、电流和功率计算变压器的参数,如绕组的匝数、铁心的尺寸和材料等。
根据设计要求选择合适的变压器。
3.整流电路设计:根据所需的直流电压和电流,选择适当的整流电路,如整流桥,计算所需的电阻和电容等参数。
4.滤波电路设计:根据直流电的纹波要求和设计的负载特性,选择合适的滤波电容器和滤波电感器,计算其容值和电感值。
5.变频电路设计:根据所需的输出频率和功率,选择合适的变频器或可控硅等元器件,计算相关参数。
6.整体电路设计:将以上设计的各个部分组合成一个整体电路。
根据实际的电路布局和连接要求,将元件依次连接,形成单相交直交变频电路。
7.电路分析和仿真:使用电路仿真软件,如PSpice等,对设计的电路进行分析和仿真,检查电路的性能和工作过程是否满足设计需求。
附件1:学号:0121011350327基础强化训练题目单相交直交变频电路性能研究学院自动化学院专业班级姓名指导教师2012年7月10日1 总体原理图 (4)1.1方框图 (4)1.2电路原理图 (4)1.2.1 主回路电路原理图 (4)1.2.2 整流电路 (4)1.2.3 滤波电路 (5)1.2.4 逆变电路 (6)2 电路组成 (8)2.1控制电路 (8)2.2驱动电路 (9)2.3主电路 (10)3 仿真结果 (11)3.1仿真环境 (11)3.2仿真模型使用模块提取的路径及其单数设置 (11)3.3具体仿真结果 (14)3.3.1仿真电路图 (14)3.3.2整流滤波输出电压计算与仿真 (15)3.3.3逆变输出电压计算与仿真 (16)4 小结心得 (18)5 参考文献 (19)基础强化训练任务书学生姓名:专业班级:指导教师:工作单位:题目: 单相交直交变频电路性能研究初始条件:输入为单相交流电源,有效值220V。
要求完成的主要任务:(1)掌握单相交直交变频电路的原理;(2)设计出系统结构图,并采用matlab对单相交流调压电路进行仿真;(3)采用protel设计出单相交直交变频电路主电路、驱动电路、控制电路时间安排:2012年7月9日至2012年7月13日,历时一周,具体进度安排见下表参考文献:[1]王兆安,刘进军.《电力电子技术》第5版.北京:机械工业出版社,2011指导教师签名:年月日系主任(或责任教师)签名:年月日1 总体原理图1.1 方框图图1 总体方框图1.2 电路原理图1.2.1 主回路电路原理图图2 主回路原理图如图所示,交直流变换电路为不可控整流电路,输入的交流电通过变压器和桥式整流电路转化为直流电,滤波电路用电感和电容滤波,逆变部分采用四只IGBT 管组成单项桥式逆变电路,采用双极性调制方式,输出经LC 低通滤波器滤波,滤除高次谐波,得到频率可调的交流电输出。
1.2.2 整流电路整流电路的功能是把交流电源转换成直流电源。
附件1:学号:27基础强化训练单相交直交变频电路性能研题目究学院自动化学院专业班级姓名指导教师2012年7月10日1 总体原理图 (4)1.1方框图 (4)1.2电路原理图 (4)1.2.1 主回路电路原理图 (4)1.2.2 整流电路 (5)1.2.3 滤波电路 (6)1.2.4 逆变电路 (6)2 电路组成 (9)2.1控制电路 (9)2.2驱动电路 (10)2.3主电路 (11)3 仿真结果 (12)3.1仿真环境 (12)3.2仿真模型使用模块提取的路径与其单数设置 (12)3.3具体仿真结果 (16)3.3.1仿真电路图 (16)3.3.2整流滤波输出电压计算与仿真 (17)3.3.3逆变输出电压计算与仿真 (18)4 小结心得 (20)5 参考文献 (21)基础强化训练任务书学生姓名:专业班级:指导教师:工作单位:题目: 单相交直交变频电路性能研究初始条件:输入为单相交流电源,有效值220V。
要求完成的主要任务:(1)掌握单相交直交变频电路的原理;(2)设计出系统结构图,并采用matlab对单相交流调压电路进行仿真;(3)采用protel设计出单相交直交变频电路主电路、驱动电路、控制电路时间安排:2012年7月9日至2012年7月13日,历时一周,具体进度安排见下表参考文献:[1]王兆安,刘进军.《电力电子技术》第5版.北京:机械工业出版社,2011指导教师签名: 年 月 日 系主任(或责任教师)签名: 年 月 日 1 总体原理图1.1 方框图图1 总体方框图1.2 电路原理图1.2.1 主回路电路原理图图2 主回路原理图如图所示,交直流变换电路为不可控整流电路,输入的交流电通过变压器和桥式整流电路转化为直流电,滤波电路用电感和电容滤波,逆变部分采用四只IGBT管组成单项桥式逆变电路,采用双极性调制方式,输出经LC低通滤波器滤波,滤除高次谐波,得到频率可调的交流电输出。
1.2.2 整流电路整流电路的功能是把交流电源转换成直流电源。
由于传统能源的枯竭,各国对环境保护的重视以及现存电力系统的种种弊端,分布式发电将在未来的供电系统中发挥越来越重要的作用。
近年来以燃料电池发电技术,微型燃气轮机发电技术,光伏电池发电技术和风力发电技术为代表的新型分布式发电技术发展迅速。
但是分布式发电技术发出的电都不是与电网供电系统相同的交流电,无法与大电网联网或者直接供给普通负载使用,都需要变频装置将其变换成负载可以使用的交流电或者与大电网电压、频率相匹配的工频交流电。
因此,针对特定的分布式发电技术研究与其相配套的变频电源就很有必要。
本文针对内燃机拖动永磁发电机的中小功率分布式发电系统,设计一套变频电源,将发电机发出的中频交流电变换为相电压220V,频率50Hz的工频交流电。
在论述和分析了变频电源及其控制技术发展的概况和趋势的基础上,结合本课题任务的实际情况,设计了一套中小功率的逆变电源。
系统中PWM控制信号采用专用集成芯片SA4828生成,减轻了控制器的工作量也提高了系统的可靠性。
控制器选用集成了A/D转换器的单片机,使得系统的硬科复杂性降低,提高了可靠性。
Since the exhaustion of the traditional energy, the high opinion of the environment anda variety of defeats of the current power system, distributed generation would bring into play more and more significant action. Recent years, some new distributed generation technology,such as fuel cell, micro gas turbine, solar cell and wind power generation, developed rapidly.But electricity generated by them can not merge into the electrified。
姓名学号年级专业系(院)指导教师一、引言较流-交流变流电路,即把一种形式的交流变成另一种形式交流的电路。
在进行交流-交流变流时,可以改变相关的电压(电流)、频率和相数等。
交流-交流变流电路可以分为直接方式(无中间直流环节方式)和间接方式(有中间直流环节方式)两种。
而间接方式可以看做交流-直流变换电路和直流-交流变换电路的组合,故交-交变流主要指直接方式。
其中,只改变电压、电流或对电路的通断进行控制,而不改变频率的电路称为交流电力控制电路,改变频率的电路称为变频电路。
采用相位控制的交流电力控制电路,即交流调压电路;采用通断控制的交流电力控制电路,即交流调功电路和交流无触点开关。
交流调压电路广泛用于灯光控制(如调光台灯和舞台灯光控制)及异步电动机的软启动也用于异步电动机调速。
在电力系统中,这种电路还常用于对无功功率的连续调节。
此外,在高电压小电流或低电压大电流直流电源中,也常采用交流调压电路调节变压器一次电压。
在这些电源中如果采用晶闸管相控整流电路,高电压小电流可控直流电源就需要很多晶闸管串联,低电压大电流直流电源需要很多晶闸管并联,十分不合理。
采用交流调压电路在变压器一次侧调压,其电压、电流值都比较适中,在变压器二次侧只要用二极管整流就可以了。
这样的电路体积小、成本低、易于设计制造。
其分为单相和三相交流调压电路,前者是后者基础,这里只讨论单相问题。
交流调功电路常用于电炉的温度控制,其直接调节对象是电路的平均输出功率。
像电炉温度这样的控制对象,其时间常数往往很大,没有必要对交流电源的每个周期进行频繁的控制,只要以周波数为单位进行控制就足够了。
通常控制晶闸管导通的时刻都是在电源电压过零的时刻,这样,在交流电源接通期间,负载电压电源都是正弦波,不对电网电压电流造成通常意义的谐波污染。
RO图4-1u 1u oi o VT 1VT 2u 1u o i o u V TωtO ωtO ωtO ωt三、设计方案选择及论证3.1 带电阻性负载 3.1.1 原理图1为电阻负载单相交流调压电路图及其波形。
100W单相交-直-交变频电路要点引言100W单相交-直-交变频电路是一种常见的电力电子设备,用于将交流电源转换为直流电源,并通过变频器将直流电转换为可调频交流电。
本文将介绍100W单相交-直-交变频电路的基本原理和要点。
主要构成100W单相交-直-交变频电路主要由三个部分组成:整流器、滤波器和逆变器。
整流器整流器的作用是将交流输入电压变成直流输出电压,常用的整流器有单相桥式整流器和三相桥式整流器。
单相桥式整流器有4个二极管和一个电容组成,三相桥式整流器则是在单相桥式整流器的基础上增加3个并联的二极管和3个电容。
滤波器滤波器的作用是在整流器直流输出电压上起到平滑作用,通常采用电容滤波器和电感滤波器相结合的方式。
逆变器逆变器的作用是将滤波后的直流电压转换成可调频的交流电源,常用的逆变器有单相桥式逆变器和三相桥式逆变器。
单相桥式逆变器有4个开关管和一个三角形电感组成,三相桥式逆变器则是在单相桥式逆变器的基础上增加3个并联的开关管和3个三角形电感。
实现方法100W单相交-直-交变频电路可以采用基于单片机的PWM调制方式、基于模拟电路的多电平逆变法、基于功率开关器件的电压源逆变法等几种实现方法。
基于单片机的PWM调制方式基于单片机的PWM调制方式是一种较为成熟的控制方式,通过单片机的PWM控制,将电源电压变成与PWM脉宽成正比的电压,从而达到可调输出电压的效果。
基于模拟电路的多电平逆变法基于模拟电路的多电平逆变法是一种利用多电平逆变器的特性来实现输出电压可调的方法,通过对逆变器控制电路进行优化,降低变压器分接线的数量,减少电感、电容等元器件,从而实现高效低成本的电源设计。
基于功率开关器件的电压源逆变法基于功率开关器件的电压源逆变法是一种采用了IGBT、MOSFET等功率开关器件的控制方式,通过电压源逆变器进行控制,将直流输入电流通过变换器器件,进行可控输出的电压变换。
通过本文对100W单相交-直-交变频电路的构成、实现方法等方面的介绍,可以发现在电力电子领域中,交-直-交变频电路作为一种常用电源,其构成要点和实现方法具有一定的复杂性,需要根据实际情况设计和改进。
题目单相交-直-交变频电路设计摘要 (1)1 综合设计的目的及意义 (3)2 设计要求 (3)3 方案选择 (3)3.1 整流模块 (3)3.2 逆变模块 (4)3.3 PWM控制方式 (4)4 单相交直交变频电路的原理 (5)4.1 整流原理 (5)4.2 逆变原理 (6)4.3 滤波原理 (6)4.4 PWM调制原理 (6)5 仿真模型的建立 (6)5.1 主电路的搭建 (6)5.2 调制电路的搭建 (7)6 器件选型依据 (7)6.1 二极管 (7)6.2 绝缘栅双极晶体管IGBT (8)6.3 滤波电容和电感 (8)7 仿真结果的分析 (8)8 结论 (12)9 心得体会 (13)参考文献 (14)附录 (15)随着电力电子技术、计算机技术以及自动控制技术的快速发展,单相交直交变频系统也得到了迅速发展,它显著的变频能力,广泛的应用范围,完善的保护效力和易于实现的变频功能,得到了广大使用者的认可,在运行的安全可靠、安装使用以及维修维护等方面也给使用者带来了极大的益处。
本课题研究的是单相交直交变频电路设计,主要分为主电路和控制电路两部分,其中主电路还分为整流电路、滤波电路和单相桥式逆变电路,逆变部分则需要用到PWM控制电路。
本课题的整流部分选用不可控的桥式整流电路;滤波部分则选用LC低通滤波;逆变部分选用四个IGBT管组成的单相桥式逆变电路;控制电路则由三角波作为载波,正弦波作为调制波,二者滞环比较,形成PWM波,其中载波则由方波积分形成。
用MATLAB软件仿真出设计的电路,对其阻感性负载进行数据和波形分析,并采取相关措施使最后输出的波形接近正弦波。
关键词:整流、滤波、逆变、IGBT、PWM、MATLABAbstractWith the rapid development of power electronics technology, computer technology, automatic control technology, single-phase orthogonal frequency system has been developing rapidly, its remarkable frequency capability, a wide range of applications, perfect protection, as well as easy to implement the conversion function, has been recognized by the majority of users in the safe and reliable operation, installation, repair and maintenance, etc., but also to bring users great convenience.Research of single-phase AC-DC-AC inverter circuit design divided into the main circuit and control circuit, which can be divided into the main circuit rectifier circuit, filter circuit and single-phase bridge inverter circuit, and inverter control part of the need to use PWM control circuit. Subject rectifier bridge rectifier using uncontrollable; filtering section using LC low-pass filter; inverter part of the single-phase bridge inverter circuit composed of four IGBT tube; The control circuit uses a triangle wave as a carrier wave and a sine wave as a modulation wave. A hysteresis comparator is used to compare the two to form a PWM wave. The carrier wave is formed by integrating square waves. The designed circuit is simulated with MATLAB software, and the resistive and inductive load is analyzed for data and waveforms, and relevant measures are taken to make the final output waveform close to a sine wave.Keyword: rectifier、filter、inverter、IGBT、PWM、MATLAB1 综合设计的目的及意义(1)促进知识的融通,培养知识转化至解决实际工程问题的能力。
单相交直交变频电路参数关系一、引言单相交直交变频电路是一种常见的电力电子设备,广泛应用于交流电动机的控制系统中。
在实际应用中,了解和掌握单相交直交变频电路的参数关系对于电路设计和性能优化具有重要意义。
本文将围绕单相交直交变频电路的参数关系展开讨论,并给出相关的分析和计算方法。
二、单相交直交变频电路的基本结构单相交直交变频电路由交流电源、整流器、滤波器、逆变器和控制系统等组成。
其中,整流器用于将交流电源的电能转换为直流电能,滤波器则用于消除整流器输出的脉动电压,逆变器则将直流电能转换为交流电能,最后由控制系统对交流电动机进行控制。
三、单相交直交变频电路的参数1. 输入电压单相交直交变频电路的输入电压为交流电源的电压,通常为220V 或380V。
在电路设计中,需要根据实际需求选择合适的输入电压。
2. 输出电压单相交直交变频电路的输出电压为逆变器的输出电压,其幅值和频率可调节。
在电机控制中,可以根据需要改变输出电压的幅值和频率,从而实现电机的调速控制。
3. 输出频率单相交直交变频电路的输出频率为逆变器的输出频率,其范围通常为0-50Hz或0-60Hz。
通过调节逆变器的输出频率,可以实现电机的调速控制,满足不同工况下的需求。
4. 调制方式单相交直交变频电路的调制方式有脉宽调制(PWM)和脉码调制(PCM)两种。
其中,PWM调制方式具有调制精度高、谐波含量低等优点,在实际应用中更为常见。
5. 输出功率单相交直交变频电路的输出功率取决于逆变器的输出电压和输出电流。
输出功率的大小直接影响电机的负载能力和工作效果,需要根据实际需求进行设计和选择。
6. 效率单相交直交变频电路的效率是衡量电路性能的重要指标之一。
效率的大小与电路的损耗有关,主要包括整流器、逆变器和滤波器的损耗等。
在电路设计中,需要合理选择元器件和控制策略,以提高电路的效率。
7. 功率因数单相交直交变频电路的功率因数是指电路输入功率与输入电压和电流的乘积之比。
辽宁工业大学电力电子技术课程设计(论文)题目:单相交—交变频电路设计院(系):电气工程学院专业班级:自动化学号:学生姓名:中书子指导教师:(签字)起止时间:2014.12.29-2015.1.9课程设计(论文)任务及评语院(系):电气工程学院教研室:自动化注:成绩:平时20% 论文质量60% 答辩20% 以百分制计算摘要本次课程设计任务是对单相交—交变频电路的设计。
在正式课程设计之前,先了解课程设计过程。
详细比较分析了当前交-交变频技术的特点,在此基础上提出了单相交-交变频原理。
利用单个功率器件构成双向交流开关,施加于传统的交流调压电路并进行相应的改造,实现了单个功率器件的单相交-交变频变压目的。
通过周期性地施加触发脉冲,获得频率可调的输出电压;采用按正弦规律变化的变脉宽高频脉冲信号对输出电压进行调制,获得了幅值可调的输出电压,并且具有较好的正弦度。
输出电压波形进行了详细的理论分析,发现单相交—交变频电路的输出特点。
在MATLAB环境下进行了单相交—交变频系统的仿真研究,得出仿真结果并且与文中的理论分析结果也完全一致,从而验证了本文提出的单相交-交变频原理的正确性。
关键词:单相;交交变频;MATLAB;目录第1章绪论 0第2章课程设计的方案 (1)2.1 概述 (1)2.2 系统组成总体结构 (1)第3章单相交—交变频电路设计 (3)3.1 主电路设计 (3)3.2 触发角调制模块电路设计 (4)3.3 整流与逆变电路 (4)3.4 输出正弦电压调制方法 (6)第4章仿真设计 (7)4.1 仿真软件说明 (7)4.2 仿真模型搭建 (8)4.2.1 触发角模块电路介绍 (9)4.2.2 同步六脉冲触发器介绍 (10)第5章仿真分析 (12)5.1 仿真参数设置 (12)5.2 阻感性负载 (12)第6章课程设计总结 (14)参考文献 (15)第1章绪论本次设计是在学完了大学电力电子技术专业课之后而进行的一次课程设计。
电力电子单相交—直—交变频装置设计一、概述随着电力电子技术的发展,交—直—交变频装置在工业和家庭用途中得到了广泛应用。
本文将设计一种单相交—直—交变频装置,用于实现电能的高效转换和调节。
二、设计原理单相交—直—交变频装置由三个部分组成:整流器、逆变器和控制系统。
1.整流器:将交流电转换为直流电。
采用整流桥式电路,由四个二极管组成,能够将输入的交流电转换为恒定的直流电。
2.逆变器:将直流电转换为交流电。
采用全桥逆变电路,由四个开关管组成,能够将输入的直流电转换为可调频率和可调幅度的交流电。
3.控制系统:用于控制和调节逆变器的输出。
采用微处理器控制,通过测量输入信号和反馈信号,对开关管的开启和关闭时间进行调节,从而实现对逆变器输出电压和频率的精确控制。
三、设计要点1.整流器设计:根据输入电压和负载电流确定整流器的参数,选择合适的二极管并进行散热设计,以保证整流器的正常工作。
2.逆变器设计:选择合适的开关管并进行散热设计,以满足逆变器输出电压和频率的要求。
通过改变开关频率和占空比,实现对输出电压和频率的调节。
3.控制系统设计:选用适当的微处理器和控制算法,对逆变器进行精确的控制。
设计辅助电路,包括AD转换和PWM模块等,以实现对输入和反馈信号的测量和处理。
四、设计步骤1.确定输入电压和负载电流,计算整流器和逆变器的参数。
2.设计整流器电路,选择合适的二极管和散热器。
3.设计逆变器电路,选择合适的开关管和散热器。
4.设计控制系统电路,选用适当的微处理器和控制算法。
5.组装和调试整个系统,测试输入和输出电压、频率等参数。
6.进行系统优化和改进,提高系统的稳定性和效率。
五、应用场景1.工业应用:适用于各种电动机的变频调速,如风机、泵等。
2.家庭应用:适用于家电产品的电能调节和控制,如变频空调、变频洗衣机等。
3.新能源应用:适用于太阳能、风能等新能源的变频利用。
六、总结本文设计了一种单相交—直—交变频装置,通过整流器、逆变器和控制系统实现电能的高效转换和调节。