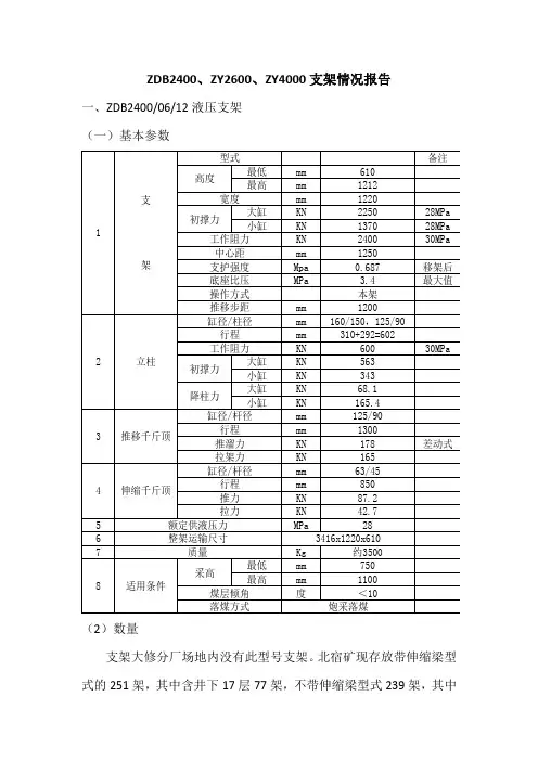
ZY4000
- 格式:pdf
- 大小:85.53 KB
- 文档页数:2
zy4000-12-26综采支架说明书综合机械化采煤是煤炭工业加速发展,大幅提高煤碳产能,实现煤炭工业现代化发展战略的关键措施,不但生产效率高、产量大、生产成本低廉,而且能减轻工作人员的劳动强度,是煤炭工业技术的发展方向。
液压支架是综合机械化采煤设备中最重要的设备之一,它在综合机械化采煤中起到支护顶板、推移采煤机和刮板输送机的作用,其安全性与可靠性直接影响综采工作面的安全。
本文根据赵家梁煤矿5-2号煤层的顶板条件,进行ZY4000型掩护式液压支架的开发设计以及有限元仿真分析与优化技术研究,为提高液压支架综合性能与结构改进优化提供参考。
总结了液压支架的工作原理、类型及结构特点,分析了集中外载荷作用下的液压支架整架受力状况。
采用现代液压支架设计技术,确定了液压支架架型选择、四连杆机构设计方法以及液压支架部件的结构类型,完成了 ZY4000型掩护式液压支架的开发设计。
利用PRO/E三维设计软件,建立了液压支架顶梁、底座及掩护梁等关键部件的三维实体模型,结合支架在实际工况下的工作高度,完成了液压支架三维实体装配模型,运用三维设计软件对其进行了干涉检查,避免了液压支架各部件在工作时不会出现干涉问题。
结合有限元分析理论,将液压支架三维实体模型导入ANSYS有限元分析软件,设定了边界条件、材料相关参数及外载荷大小,然后在四种不同工况条件下对支架整体及部件进行了有限元静力分析,获得了 ZY4000型液压支架整架及其关键部件应力和位移的变化规律,对支架中应力集中和位移较大的部位进行了结构优化改进,分析结果表明顶梁、掩护梁和底座的强度、刚度很好地满足了设计的要求,同时通过结构改进优化减轻了液压支架整架重量,为企业ZY4000型掩护式液压支架整体优化设计提供了依据。
本论文通过对ZY4000型掩护式液压支架整体设计及其ANSYS有限元分析优化方法进行了较为系统的研究,为液压支架的设计与分析优化提供了参考,代替了以往只能通过实际工程试验进行产品性能验证的局限性,为液压支架的结构改进与优化,提高液压支架的性能与质量具有一定的指导作用。
12601综采工作面ZY4000型支架更换软连接拉架推溜安全技术措施12601综采工作面ZY4000/14/32型支架更换软连接拉架、推溜安全技术措施一、工程说明12601工作面由于ZY4000/14/32型液压支架推拉框架短,推移行程不足600mm,和工作面其他支架不配套,造成工作面煤机在ZY4000/14/32型支架段割煤时无法挑顶,使工作面在此段无法实现正规循环,特需将工作面ZY4000/14/32型支架十字头全部换成10T卸扣和三连环,为保证更换后回采时拉架、推溜安全,特编制此措施,审批后严格执行。
二、现场施工条件12601工作面安装ZY4000/14/32型液压支架13架,从机头架开始算编号从,由于推移行程不足600mm,造成工作面每次推溜时此段必须推拉两次才能将工作面运输机推直,但由于支架拉移两次后煤机无法挑顶,形成工作面运输机、支架不配套,使我队生产期间在此段无法实现正规循环。
三、施工准备1、准备好更换所需的10T卸扣、三连环。
2、准备好推溜所需的单体及注液枪。
3、施工前做好敲帮问顶工作,防止煤壁片帮伤人。
4、每次割煤后及时伸出伸缩梁及护帮板护住顶帮。
四、施工要求(一)工序流程1、将工作面13架ZY4000/14/32型液压支架十字头全部换成10T卸扣和三连环与工作面运输机槽板相邻。
2、更换好后拉架时根据规定滞后煤机3-5m跟机拉架。
3、煤机反向清煤后用单体一边顶柱运输机底槽板,一边顶柱支架底座进行推溜,推溜后及时将单体移除,等待下一次推溜。
(二)支架拉移方法1、拉架前对支架的机械系统、液压系统、卸扣、三连环连接情况等进行全面检查,发现问题及时处理。
2、移架前先收回护帮板、伸缩梁和侧护板,然后降立柱和前梁,确定支架已离顶卸载,停止顶梁的降落,扳动推移手把,把支架向前移到预定位置,推移手把打到“零位”。
3、把支架升起接实顶板后继续供液3,5秒,确认支架达到初撑力后,伸出侧护板和护帮板,所有手把停止动作,并打到“零位”,上机械锁。
煤矿新技术新工艺、新设备新材料张风春肥矿技师学院2014.2一、教学目的通过对掘进、采煤新技术、新工艺、新设备新材料的运用,提高生产效率、保证安全生产、节约生产成本的目的。
二、教学重点掘进锚、网、喷技术实现快速掘进。
综采放顶煤技术的运用与实施三、教学难点锚索支护放顶煤步距四、教学方法讲授。
五、教学用具板书、幻灯片。
六、课时分配第一部分掘进新技术新工艺6课时。
第二部分综采液压支架在特殊情况下的处理4课时。
第三部分综采放顶煤工艺流程及技术4课时七、教学内容第一部分掘进新技术新工艺综掘机在半煤岩巷道中的快速掘进,巷道支护是制约掘进速度的大问题,如何才能在保证支护安全可靠的前提下快速的安设巷道支护,半煤岩巷道复合顶板是巷道支护技术的一个重点,也是影响矿井的正常生产和安全的主要方面之一,因此,综掘机怎样在半煤岩巷道中的快速掘进具有非常重要的现实意义。
采用锚杆、锚网、锚索联合支护的施工方案有效控制了半煤岩巷道复合顶板的稳定和变形,一次进巷成功,避免了施工后由于压力显现的返修,顶板及两帮采用等强螺纹钢锚杆和金属网,根据围岩特性,合理选择支护参数,降低了成本投入,节约了支护材料和劳动力,获得了较好的经济效益。
锚杆、锚网、锚索联合支护的施工技术方案不仅在技术上可行,安全上可靠,经济上合理,为综掘机在半煤岩巷道快速掘进,提供了一条行之有效的技术途径。
结合矿井的具体条件,依靠科技进步,坚持“安全第一、预防为主、综合治理”的原则,认真贯彻执行国家和地方的煤矿安全生产法律法规,建立精简高效的矿井安全管理机构,完善矿井安全技术措施、设施、装备,按照高产高效现代化矿井模式,力争把平禹凤翅山矿建设成为安全设施齐备,抗灾能力强、安全高效的现代化矿井。
根据半煤岩复合顶板巷道变形破坏机理,21100机巷顶板以深灰色砂质泥岩、泥岩为主,厚1.50~9.00m,局部有炭质泥岩伪顶0.30~0.50m。
底板为深灰色泥岩、砂质泥岩为主,厚5~10m。
ZY4000/17.5/38型掩护式支架使用维护说明书郑州煤矿机械集团有限责任公司2007年 6 月20 日地址:郑州市华山路105号邮编:450013电话:0371—67891188传真:0371-********目录前言第一章综合安全指南第一节提高操作人员及其他有关人员的安全意识第二节个人安全指南第三节检修安全指南第四节操作安全指南第五节拆装安全指南第六节运输安全指南第二章储存、运输、安装及试运转第一节储存第二节地面支架运输第三节下井前地面联调试运转第四节井下运输及安装第三章操作第一节支护方式第二节操作方式第三节操作步骤第四节对支架操作维护的要求第四章液压系统第一节液压系统的组成第二节液压系统中主要液压部件的功能与原理第五章液压支架主要技术特征第一节液压支架主要技术参数第二节液压支架及配套设备及支架下井状态第三节液压支架主要结构件第六章液压支架常见故障与排除前言本使用维护说明书,是一份如何正确使用液压支架的综合性资料。
其主要目的是将该产品的主要性能、技术参数、架型、结构及如何正确使用、维护、运输、储存,较为系统的叙述给直接或间接使用该液压支架的有关人员,提供一份正确使用液压支架的重要指南。
请该产品有关的工作人员务必认真阅读,严格遵守各章节中的操作规程,特别是与安全有关的内容.在遵守该使用维护说明书规章的同时,也要遵守国家及各矿自己所制定的各种规章制度。
若有因违犯说明书中的操作规程而造成的所有后果,厂家概不负责。
在该使用说明书中因为说明支架而涉及到其它设备的内容只是给大家提个醒,便于叙述,仅供参考,不作依据。
支架型号说明第一节提高操作人员及其他有关人员的安全意识该套液压支架是按照给定的地质条件和要求,设计制造而成,并符合国家煤炭设备各项安全条例.尽管如此当你操作液压支架时,还可能存在一些危险,诸如由于不可避免的外部的影响,设备损坏或操作错误等,故液压支架工作人员在任何时候都要熟悉液压支架使用维护说明的各章节的内容,并遵守国家及该矿制定的人员和设备等方面的安全条例。
ZY系列掩护式液压支架支架特点:支架结构简单,操作方便,升降架调整方便,适用于顶板较为破碎,随采随冒,老顶周期来压不明显的顶板条件。
产品型号支架高度m 工作阻力KN 支护强度MPa 底板比压MPa 推移步距mmZY2800/13/28 1.3-2.8 2800 0.68-0.76 1.1-1.8 700ZY3800/16/32 1.6-3.2 3800 0.65 1.4 700ZY4000/13/28 1.3-2.8 4000 0.58-0.67 1.57-2.35 700ZY5000/13/27 1.3-2.7 5000 0.77-0.85 0.9-1.8 700ZY6700/20/40 2.0-4.0. 6700 1.06-1.09 1.6-2.85 900ZY9000/24/50 2.4-5.0 9000 1.08-1.1 1.6-2.8 900ZY13000/30/65 3.0-6.5 13000 1.12-1.15 1.8-2.9 900ZF系列放顶煤式液压支架支撑稳定,放煤口连续,背脊损失少,放煤效果好,对厚煤层开采,设备投入小,性价比高。
适用于煤层中等硬度以下,节理、裂隙发育明显或良好的厚煤层。
产品型号支架高度m 工作阻力KN 支护强度MPa 底板比压MPa 推移步距mmZF3200/16.5/25 1.65-2.5 3200 0.68-0.76 1.1-1.8 700ZF3800/17/28 1.7-2.8 3800 0.65-0.67 0.9-1.8 700ZF5000/17/32 1.7-3.2 5000 0.79-0.82 1.2-1.8 700ZF6400/17.5/28 1.75-2.8 6400 0.94-0.96 平均2.5 700ZF8000/17/32 1.7-3.2 8000 1.09-1.12 1.3-1.8 900ZF9200/22/32 2.2-3.2 9200 1.07-1.09 1.15-1.17 900ZF11000/20/38 2.0-3.8 11000 1.11 平局2.98 900ZF15000/23/43 2.3-4.3 15000 1.46 2.48-3.26 900超前端头锚固系列液压支架主要技术参数产品型号支架高度(m) 工作阻力(KN) 支护强度(Mpa) 底板比压(Mpa) 推移步距(mm)ZTC30000/28/50 2.8-5.0 30000 0.556 平均1.66 900ZTZ20000/28/50 2.8-5.0 2000 0.53 平均1.3 900ZTC13000/24/36 2.4-3.6 13000 0.47 平均2.4 900ZTZ13800/24/36 2.4-3.6 13800 0.57 平均2.6 900ZTC10200/19/33 1.9-3.3 10200 0.48 平均1.6 900ZTZ10200/19/33 1.9-3.3 10200 0.39 平均1.3 900ZTC24000/25/56 2.5-5.6 24000 0.46 平均1.33 900ZTZ8000/25/56 2.5-5.6 8000 0.42 平均0.77 900ZTH6870/25/56 2.5-5.6 6870 0.68 平均1.46 900ZTC30000/25/50 2.5-5.0 30000 0.58 平均1.66 900ZTZ20000/25/50 2.5-5.0 20000 0.53 平均1.3 900ZTH6600/25/50 2.5-5.0 6600 0.62 平均1.46 900ZTC39200/23/42 2.3-4.2 39200 0.47 平均1.3 900ZTZ25000/23/42 2.3-4.2 25000 0.81 平均1.5 900综采液压支架系列公司生产的ZZ2600/06/12、ZY3200/7.5/16、ZY2800/8.5/19、ZY3200/09/20薄煤层掩护式液压支架,以及ZY3000/12/26、ZY5000/13/27、ZY3200/15/36、 ZY6700/20/40 掩护式液压支架适用于一次采全高工作面,工作面采高正常范围为:1.1-3.8m,适应煤层倾角不大于45º; 制造的ZF6400/17/32、ZF9200/22/32、ZF15000/23/43型放顶煤支架适用于4~12米厚煤层、煤层倾角不大于30º;公司还制造ZC2600/14/22B矸石充填液压支架,公司可根据客户的实际需求,设计、制造满足用户需求的液压支架。
ZY4000/10/20型掩护式液压支架产品说明书北京开采研究所二。
O五年八月一.概述二.适用条件及工作面的主要配套设备三.支架特点主要技术特征四.主要结构件五.液压系统及主要液压元件六.支架的验收、运输和安装七.支架的操作和维护八.支架常见的故障、原因及排除一、概述ZY4000/10/20型两柱掩护式液压支架,根据平顶山十一矿煤层地质条件,以及其他要求设计而成。
适用条件及工作面主要配套设备1.适用条件采煤方法:后退式走向长壁工作面,全部冒落法管理顶板采高:1.3〜1.8米顶板:1、11级老顶和1、2类直接顶底板:ni、w类直接底2.工作面主要配套设备采煤机:MG2X100/456-WD采煤机输送机:SGZ764/2X250输送机支架技术特点及主要技术参数1.支架技术特点1.1支架采用两柱掩护式型式。
1.2支架顶梁为整顶梁结构型式。
1.3顶梁、掩护梁为单侧活动侧护板1.4支架前连杆为双单连杆,后连杆为整体连杆,。
1.5支架底座为底分式,封底结构。
1.6推杆采用短推杆。
2.主要技术参数ZY4000/10/20型掩护式支架技术参数六、主要结构件6.1顶梁顶梁是用于支护、控制、管理工作面上方的顶板,顶板的压力通过顶梁传递到两根立柱上。
为了更好地支护煤壁上方刚暴露出的顶板,顶梁前端上翘41mm,顶梁为单侧活动侧护板。
顶梁活动侧护板、掩护梁等也固定或铰接在顶梁上,因受力较大并且工作状况恶劣,要求顶梁有足够的强度和刚度。
前端带有伸缩梁,采煤机割过煤后能够及时支护顶板。
6.2顶梁活动侧护板通过侧推千斤顶的导杆、弹簧套筒,连接在顶梁上。
它不但可以防止顶梁之间矸石下落,更主要的是在工作面倾角较大时,起到支架防倒、防止咬架的作用,在移架时起到导向、调架作用。
本支架顶梁一侧为活动侧护板,另一侧为固定侧护板。
6.3掩护梁顶板来压后,经顶梁与掩护梁连接销轴,把来压传递到掩护梁上,再通过掩护梁传递到连杆以及底座上。
在传递过程中掩护梁承受扭矩、弯矩的作用。
ZDY-4000型矿用全液压钻机操作规程一、主要危险源及有害因素辨识1、煤岩松动、片帮、来压见水或孔内水量、水压突然增大或减小以及顶钻时,拔出钻杆易造成透水伤人事故。
2、钻孔过程中孔内气体压力异常,封孔不及时易造成人员窒息或中毒。
3、机器运转时接触机械运转部位,易绞伤人员。
4、使用工具安、卸钻杆时,无专人看护钻机启动按钮,误操作易造成钻机伤人。
5、钻机固定不牢,易导致钻机倾倒伤人。
6、电气设备不完好,易引发触电事故。
7、带电检修开关,易造成电击伤人。
8、延伸或退出钻杆时配合不协调,易造成钻杆碰伤人员事故。
9、作业地点瓦斯浓度超过0.8%时打钻,易发生瓦斯事故二、一般规定1、钻机操作工应经过专门培训,并考核合格,持证上岗。
2、钻机操作工必须掌握ZYW-4000型全液压钻机的操作要领和保养及排除故障的知识。
3、钻机操作工应掌握瓦斯抽放、煤层注水、注浆、防突等各种钻孔的封孔并网规范和施工方法。
4、钻机操作工必须正确使用坡度规、罗盘等测量工具。
5、钻机操作工必须熟练掌握透水预兆、瓦斯突出预兆及防突的各项措施。
三、钻机说明ZYW-4000型全液压钻机主要用于煤矿井下钻进瓦斯抽(排)放孔、注浆防灭火孔、煤层注水孔、防突卸压孔、地质勘探孔及其他工程孔。
1、型号表示方法Z————钻机;Y————液压;W————无极调速;4000————额定输出转矩4000N·m;2、基本参数钻孔深度(m)400 钻杆直径(mm)73 可钻孔倾角(°)-90°至+90°额定电压(v)660\1140 额定转速(r/min)1480 额定功率(Kw)55 开孔直径(mm)94、113、133 最大给进\起拔力(KN)110\150 主机外形尺寸(长×宽×高):(2240×1060×1540)mm整机重量:2931kg(不包括钻杆)四、钻机的操作方法(一)开钻前准备1、检查油箱油量是否充足。
Xxx煤矿机械集团股份有限公司(以下简称“郑煤机集团”)始建于1958年,是国家“一五”重点建设项目,承担国家“七五”至“十一五”时期的多个科技攻关项目,是中国第一台液压支架的诞生地。
企业占地47万平方米,总资产38亿元,拥有在岗员工4400余人,其中技术研发人员400余人,6人享受政府特殊津贴。
是目前中国最大的集煤炭综采设备(液压支架、刮板输送机等)研发、制造、销售、服务于一体的装备制造企业,拥有国内液压支架企业唯一的国家级企业技术中心、国家级博士后科研工作站,具备年产15000台(架)综采设备的生产能力,已累计生产液压支架、刮板输送机10万余架次,产品遍布全国26个产煤省的各大煤业集团,享有“中国煤机行业第一品牌”的美誉。
近年来,郑煤机集团通过坚持科技先行,推行品牌战略,营造品质差异化优势等举措,自主创新研发成功的高端产品全面打破了欧美煤机巨头对国内综采支护设备市场的垄断,并以纵深的模式向海外发展,跻身煤炭综采装备国际舞台,产品远销至俄罗斯、印度、土耳其、美国等国家。
2009年郑煤机集团实现工业总产值60.39亿元,连续第9年保持强劲增长,综合实力稳居中国煤炭机械工业50强之首,入选中国煤炭工业100强、全国机械工业企业500强。
郑煤机集团先后荣获“中国煤炭工业优秀企业”、“中国煤炭机械工业优秀企业”、“煤炭工业科技创新优秀企业”、“全国煤炭工业企业信息化管理示范企业”、“创新型试点企业”等荣誉称号,并连续两年被评为“全国煤炭工业十佳科技进步企业”。
郑煤机集团的发展得到了党和国家领导人的亲切关怀和大力支持。
2007年5月1日,中共中央总书记、国家主席、中国军委主席胡锦涛视察郑煤机集团,对企业的发展成果给予了充分肯定,并情深意切的寄以“一流的产品,一流的效益,而且还要创出世界名牌,关键是提高国际竞争力”的殷切希望,为郑煤机集团的发展增添了无穷动力。
2009年2月26日,中央政治局委员、国务院副总理、国务院安全生产委员会主任张德江冒雪视察郑煤机集团,欣慰地说;“看到你们的产品,我对煤矿安全心里就有底了”。
ZY系列掩护式液压支架支架特点:支架结构简单,操作方便,升降架调整方便,适用于顶板较为破碎,随采随冒,老顶周期来压不明显的顶板条件。
产品型号支架高度m 工作阻力KN 支护强度MPa 底板比压MPa 推移步距mmZY2800/13/28 1.3-2.8 2800 0.68-0.76 1.1-1.8 700ZY3800/16/32 1.6-3.2 3800 0.65 1.4 700ZY4000/13/28 1.3-2.8 4000 0.58-0.67 1.57-2.35 700ZY5000/13/27 1.3-2.7 5000 0.77-0.85 0.9-1.8 700ZY6700/20/40 2.0-4.0. 6700 1.06-1.09 1.6-2.85 900ZY9000/24/50 2.4-5.0 9000 1.08-1.1 1.6-2.8 900ZY13000/30/65 3.0-6.5 13000 1.12-1.15 1.8-2.9 900ZF系列放顶煤式液压支架支撑稳定,放煤口连续,背脊损失少,放煤效果好,对厚煤层开采,设备投入小,性价比高。
适用于煤层中等硬度以下,节理、裂隙发育明显或良好的厚煤层。
产品型号支架高度m 工作阻力KN 支护强度MPa 底板比压MPa 推移步距mmZF3200/16.5/25 1.65-2.5 3200 0.68-0.76 1.1-1.8 700ZF3800/17/28 1.7-2.8 3800 0.65-0.67 0.9-1.8 700ZF5000/17/32 1.7-3.2 5000 0.79-0.82 1.2-1.8 700ZF6400/17.5/28 1.75-2.8 6400 0.94-0.96 平均2.5 700ZF8000/17/32 1.7-3.2 8000 1.09-1.12 1.3-1.8 900ZF9200/22/32 2.2-3.2 9200 1.07-1.09 1.15-1.17 900ZF11000/20/38 2.0-3.8 11000 1.11 平局2.98 900ZF15000/23/43 2.3-4.3 15000 1.46 2.48-3.26 900以下是各种型号的技术参数:型号zxz ZY2800/14/32 ZY2600/09/20 ZY2400/12/26 ZYQ1700-14/30 支架工作阻力kN 2800 2541-1883 2350-2472 1700支护强度Mpa 0.53-0.60 0.46-0.34 0.50-0.53 0.32-0.4 支撑高度mm 1400-3200 900-2000 1200-2600 1400-3000对底板比压Mpa 0.50-1.35 1.06-1.30 0.73-1.02 1.21泵站压力Mpa 31.5 31.5 31.531.5初撑力kN 1978 2134 2026 1130操纵方式本架操作本架操作邻架操作本架操作重量kg 9050 7900 7690 6530•产品名称:轻型放顶煤液压支架产品型号: ZFQ2000-16-24ZFQ2000/16/24型轻型放顶煤液压支架支架型号 SupportType:ZFQ2000/16/24支架工作阻力 YieldLoad:2000 KN支架高度 Height Range:1600-2400 mm支护强度 SupportDensitY:0.5 Mpa底板比压 Base pressure: 1.32 Mpa推溜力 PUSH Force For Conveyor:120 KN拉架力 Pull Force For Suport:264 KN简短说明:适用于煤质中硬,煤层中厚。
序号型号支架特点配套设备重量高强板比例备注受力号附总图设计书使用书ZY3800/16/35单侧活前后均单整体顶梁带护帮整体底座正装推移立柱250单伸缩加长推移160(差动)采煤机MG250/475—W(上海)运输机SGZ730/400(西北)总13.5结构件11Q460占15.6%16Mn占78%成套图有有有有ZY3600/09/19单侧活前后均双整体顶梁整体底座正装推移立柱250推移140采煤机MG132/315—WD(鸡西)运输机SGZ630/220(西北)转载机SZZ730/75总9.6结构件7.68称9450Q460占66%成套图有有有有ZY2800/14/32双侧活前后均单整体顶梁带护帮整体底座正装推移立柱200单伸缩加长推移140(差动)采煤机MG150/375—W运输机SGZ630/264转载机SZZ630/264总9.1结构件7.07Q460占10%成套图已整改有有有有ZY3800/15/30双侧活前后均单铰接顶梁带护帮整体底座倒装推移分体推杆立柱250单伸缩加长推移140采煤机MG200/491—WD(鸡西)运输机SGZ730/320转载机SZZ764/132(西北)总12.095结构件9.015称11780Q550占21%Q460占39%成套图已整改有有有有ZY2400/08/19单侧活前后均双整体顶梁整体底座正装推移整体推杆立柱210推移125采煤机MG200—BW2运输机SGZ630/220总6.497结构件5.038Q460占57.5%成套图有有有有ZY2800/14/32单侧活前后均单整体顶梁带护帮整体底座正装推移立柱200推移140(差动)采煤机MG150/375—W运输机SGZ630/220转载机SZD630/264总9.1结构件7.07Q460占10%成套图有有有有ZY10000/24/50ZY10000/26/56ZY11000/28/63ZY3400/12/28ZY4000/09/20ZY5000/09/20ZY5200/11/24ZY6800/14/28ZY6800/17/36ZY6800/19/40ZY3400/11/25ZY3500/17/35ZY3600/15/35ZY3800/11.5/23ZY4000/12/22ZY4000/13/30ZY4000/15/32ZY6000/10/21ZY6800/14/32ZY6800/23/47ZY8000/19/40ZY8000/24/50DZY3200/14/28ZY2600/14/30ZY4000/14/29ZY3400/14.5/32ZY4600/17/38ZY4400/10/20ZY4400/8.5/18ZY6200/9.5/17ZY6400/12.5/28ZY4400/8.5/18掩护式液压支架ZY5000/08/16ZY5200/16/32ZY6400/12/24ZY6400/17/35ZY3800/12/24ZY2800/07/17ZY3000/10/23ZY3400/12/28(C) ZY3400/13/32ZY3400/14/34ZY4000/17/38(B) ZY3000/10/20ZY3200/07/17ZY3200/14/28ZY4800/18.5/35 ZY5000/13.5/28(A) ZY6000/14/26ZY6000/15/35ZY6000/21/42ZY6000/22/45ZY6200/16/32ZY2000/12/23ZY2600/11/24ZY2700/14/32ZY3000/09/19ZY3300/07/13DZY3300/8.5/15D ZY3300/8.5/17D ZY3500/09/19ZY2800/07/16ZY3200/14/28ZY3400/15/32ZY2100/11/22(A) ZY3200/14.5/31.5 ZY3800/16/35ZY4000/17.5/38 ZY2800/08/19ZY3400/12/23ZY2500/12/26ZY3200/13/30ZY3300/7.5/15D ZY3300/7.5/15D ZY3200/09/18ZY5000/11/24ZY5000/8.5/17D ZY3200/14/28ZY3200/18/37 ZY3300/11/26 ZY3300/16/33 ZY4600/15/33 ZY3200/08/18 ZY3600/9.5/22 ZY3000/08/18 ZY3200/07/15 ZY3200/10/19 ZY3200/10/19 ZY3200/12/24 ZY3200/13/26 ZY3200/13/30 ZY3200/14/34 ZY3600/16/36 ZY4000/16/40 ZY5000/25/50 ZY6000/22/45 ZY2800/11/25 ZY2800/12/25 ZY4000/22/44 ZY4800/20/40 ZY5000/17/35 ZY2000/07/14 ZY3000/07/14 ZY3200/17/36 ZY4100/15/30 ZY5000/16/35 ZY2500/12/26 ZY2500/14/32 ZY2800/09/19 ZY2800/09/21 ZY3000/13/26 ZY3000/13/28 ZY3200/08/18 ZY3200/11/26 ZY3400/17/39 ZY3600/12/28 ZY3800/11/26 ZY3800/17/38 ZY4000/10/23 ZY4000/12/26 ZY4000/13/31 ZY4000/14/32 ZY4000/17/37 ZY4200/16/36。
ZY系列掩护式液压支架支架特点:支架结构简单,操作方便,升降架调整方便,适用于顶板较为破碎,随采随冒,老顶周期来压不明显的顶板条件。
产品型号支架高度m 工作阻力KN 支护强度MPa 底板比压MPa 推移步距mmZY2800/13/28 1.3-2.8 2800 0.68-0.76 1.1-1.8 700ZY3800/16/32 1.6-3.2 3800 0.65 1.4 700ZY4000/13/28 1.3-2.8 4000 0.58-0.67 1.57-2.35 700ZY5000/13/27 1.3-2.7 5000 0.77-0.85 0.9-1.8 700ZY6700/20/40 2.0-4.0. 6700 1.06-1.09 1.6-2.85 900ZY9000/24/50 2.4-5.0 9000 1.08-1.1 1.6-2.8 900ZY13000/30/65 3.0-6.5 13000 1.12-1.15 1.8-2.9 900ZF系列放顶煤式液压支架支撑稳定,放煤口连续,背脊损失少,放煤效果好,对厚煤层开采,设备投入小,性价比高。
适用于煤层中等硬度以下,节理、裂隙发育明显或良好的厚煤层。
产品型号支架高度m 工作阻力KN 支护强度MPa 底板比压MPa 推移步距mmZF3200/16.5/25 1.65-2.5 3200 0.68-0.76 1.1-1.8 700ZF3800/17/28 1.7-2.8 3800 0.65-0.67 0.9-1.8 700ZF5000/17/32 1.7-3.2 5000 0.79-0.82 1.2-1.8 700ZF6400/17.5/28 1.75-2.8 6400 0.94-0.96 平均2.5 700ZF8000/17/32 1.7-3.2 8000 1.09-1.12 1.3-1.8 900ZF9200/22/32 2.2-3.2 9200 1.07-1.09 1.15-1.17 900ZF11000/20/38 2.0-3.8 11000 1.11 平局2.98 900ZF15000/23/43 2.3-4.3 15000 1.46 2.48-3.26 900超前端头锚固系列液压支架主要技术参数产品型号支架高度(m) 工作阻力(KN) 支护强度(Mpa) 底板比压(Mpa) 推移步距(mm)ZTC30000/28/50 2.8-5.0 30000 0.556 平均1.66 900ZTZ20000/28/50 2.8-5.0 2000 0.53 平均1.3 900ZTC13000/24/36 2.4-3.6 13000 0.47 平均2.4 900ZTZ13800/24/36 2.4-3.6 13800 0.57 平均2.6 900ZTC10200/19/33 1.9-3.3 10200 0.48 平均1.6 900ZTZ10200/19/33 1.9-3.3 10200 0.39 平均1.3 900ZTC24000/25/56 2.5-5.6 24000 0.46 平均1.33 900ZTZ8000/25/56 2.5-5.6 8000 0.42 平均0.77 900ZTH6870/25/56 2.5-5.6 6870 0.68 平均1.46 900ZTC30000/25/50 2.5-5.0 30000 0.58 平均1.66 900ZTZ20000/25/50 2.5-5.0 20000 0.53 平均1.3 900ZTH6600/25/50 2.5-5.0 6600 0.62 平均1.46 900ZTC39200/23/42 2.3-4.2 39200 0.47 平均1.3 900ZTZ25000/23/42 2.3-4.2 25000 0.81 平均1.5 900综采液压支架系列公司生产的ZZ2600/06/12、ZY3200/7.5/16、ZY2800/8.5/19、ZY3200/09/20薄煤层掩护式液压支架,以及ZY3000/12/26、ZY5000/13/27、ZY3200/15/36、 ZY6700/20/40 掩护式液压支架适用于一次采全高工作面,工作面采高正常范围为:1.1-3.8m,适应煤层倾角不大于45º; 制造的ZF6400/17/32、ZF9200/22/32、ZF15000/23/43型放顶煤支架适用于4~12米厚煤层、煤层倾角不大于30º;公司还制造ZC2600/14/22B矸石充填液压支架,公司可根据客户的实际需求,设计、制造满足用户需求的液压支架。
ZY4000/10/23型支架在鲍店煤矿6212工作面的选型应用摘要本文介绍了兖矿集团首个2层煤工作面成功回采过程中液压支架的选型应用及改造情况,掌握2层煤顶底板对设备的要求,从而提高了工作面回采率,减少顶板事故。
关键词支架;选型;改进1 所在工作面地质条件简介6212工作面位于六采区北部,是六采区第十二个区段的第一个2煤综采工作面。
2煤, 黑褐色,以亮煤为主,暗煤次之,为半暗半亮型煤,具有条带状结构,层状构造,硬度f=3.5,厚度0.59~1.50/1.20m;工作面煤层产状变化较大,总体成一宽缓向斜,工作面煤层总体趋势为南北高中间低,西高东低;煤层起伏变化较大,煤层倾角3°~19°,平均7o;煤层总体走向大致为135°~0°~32°,倾向为45°~90°~122°。
顶底板特征见表1。
2 液压支架的选型2.1 液压支架选型思路液压支架是综合机械化采煤工作面主要装备之一,它与采煤机、刮板输送机配套使用,起着管理顶板隔离围岩的作用,并维护作业空间,与刮板输送机配套能自行前移,推进采煤工作面连续作业。
结合工作面地质构造,选用合理的回采工艺,装备可靠、先进的液压支架,可有效地提高工效、增加产量、降低成本、减少损耗。
在改善工作面劳动条件、有效地保护采煤工作面设备和人身安全的同时,可获得很高的经济效益。
支架选型应考虑:支护强度与工作面矿压相适应;支架结构与煤层赋存条件相适应;支护断面与通风要求相适应;推移连接装置与采煤机,刮板输送机等设备相匹配。
1)支护强度支护强度取决于顶板性质和煤层厚度,支护强度可按下列公式估算q=KγH×10-5=0.3MPa式中:K为作用于支架上的顶板岩石系数,一般取5~8,考虑最不安全的情况,取K=8;H为采高,取1.5m;γ为顶板岩石密度,取平均值2.5×103kg/m3。
经计算,支架的支护强度一般为0.5MPa~0.7MPa。
ISO9001:2000认证企业煤炭科学研究总院重庆研究院产品使用说明书ZYWL—4000煤矿用履带式全液压钻机感谢您选购本产品!为了保证安全并获得最佳效能,安装、使用产品前,请详细阅读本使用说明书并妥善保管,以备今后参考。
◆用户应负责钻机的安全操作和劳动组织,编制相应的安全操作规程,承担操作人员和设备的安全责任。
◆用户应加强对操作人员的安全培训,提高操作人员的安全意识;◆操作人员必须经过培训才可使用本钻机;◆操作人员使用钻机前必须详细阅读本使用说明书;◆钻机钻孔过程中,应有专职安全员跟班作业。
执行标准:MT/T356-2005Q/MKC433-2009版本号:出版日期:2009/01安全警示:1)操作人员随身衣物应合身并束紧,以免缠上钻机的运动部件而对肢体造成损伤;2)液压系统中溢流阀和功能阀组出厂时均已调定,不能随意调整压力。
如确需重新调定时,必须由专业技术人员或经过专业培训的技术工人严格按照说明书要求调定钻机工作压力;3)操作人员操作履带车行走、转弯、爬坡时,注意履带钻机行车安全;操作履带钻机上坡和下坡时,操作人员一定要站在钻机上方;下坡时,操作人员在上方,向下开履带钻机;上坡时,操作人员同样站在上方,向后(及向坡上)倒着开履带钻机,防止因坡度过大或地面浮煤导致履带钻机向下滑动,引起事故;4)钻机工作时,履带车锚固必须牢固,防止倒下伤人;5)启动钻机前,操作人员应通知所有人员注意安全,仔细检查电路电缆,检验漏电保护装置状态,检查钻机锚固是否牢固,只有在确认人员和设备都安全后,方可启动钻机运转;6)调定转速时,应在停车状态下进行;7)钻机在钻孔过程中,当钻杆之间采用螺纹连接时,动力头严禁反转,只有在加接或拆卸钻杆时,夹持器夹住钻杆后才可反转。
当钻杆之间采用四方扣或六方扣传递转矩,并用U型销或高强度螺栓连接时,在卡钻、抱钻时动力头才可反转;8)钻机钻孔过程中加接钻杆时,夹持器必须夹紧钻杆,防止钻杆从钻孔中滑落伤人;如使用螺旋钻杆,未使用夹持器时,钻机只能钻进近水平孔,且操作人员应采取相应安全措施,防止钻杆从钻孔中滑落伤人;9)钻机钻孔过程中,钻机前方严禁站人,操作人员站在钻机的侧面,严禁操作人员正对钻杆操作;10)钻机钻孔过程中,操作人员靠近钻机外露运动部件时,应注意安全;11)更换碟簧应由专业维修人员负责,更换碟簧时卡盘油缸必须在伸出位置,慢慢拆卸油缸前端盖形螺母,以防盖形螺母弹出伤人;12)使用调斜油缸时一定要慢慢推动手把,严禁突然推动(或拉动)手把,使得机架升降过快而引起安全事故;13)钻机液压系统不得在泄漏状态下运转,当液压油有泄漏时,应及时掩埋;14)钻机配置的电动机应使用YBK型防爆电机;钻机配套电机、液压胶管应有安全标志,且安全标志在有效期内;15)停机不用时,卡盘油缸必须在伸出位置,切断电源。