纸杯设计尺寸及扇形的画法汇总
- 格式:pdf
- 大小:709.86 KB
- 文档页数:27
2盎司纸杯尺寸3盎司纸杯尺寸4盎司纸杯尺寸底部直径:36 mm;底部直径:40 mm;底部直径:;口部直径:52 mm;口部直径:56 mm;口部直径:;纸杯高度:;纸杯高度:51 mm;纸杯高度:55 mm;用途:热冷饮纸杯用途:热冷饮纸杯用途:冰淇淋纸杯5盎司纸杯尺寸盎司纸杯尺寸7盎司纸杯尺寸底部直径:;底部直径:49 mm;底部直径:51 mm;口部直径:;口部直径:73 mm;口部直径:;纸杯高度:;纸杯高度:75 mm;纸杯高度:;用途:热冷饮纸杯用途:热冷饮纸杯用途:热冷饮纸杯8盎司纸杯尺寸9盎司纸杯尺寸 10盎司纸杯尺寸底部直径:51mm;底部直径:52mm;底部直径:51mm;口部直径:77mm;口部直径:77mm;口部直径:71mm;纸杯高度:92mm;纸杯高度:94mm;纸杯高度:100mm;用途:热冷饮纸杯用途:热冷饮纸杯用途:热冷饮纸杯12盎司纸杯尺寸13盎司纸杯尺寸 14盎司纸杯尺寸底部直径:51mm;底部直径:59mm;底部直径:52mm;口部直径:81mm;口部直径:84mm;口部直径:84mm;纸杯高度:110mm;纸杯高度:120mm;纸杯高度:125mm;用途:热冷饮纸杯用途:热冷饮纸杯用途:热冷饮纸杯16盎司纸杯尺寸18盎司纸杯尺寸22盎司纸杯尺寸底部直径:61mm;底部直径:61mm;底部直径:61mm;口部直径:89mm;口部直径:89mm;口部直径:89mm;纸杯高度:130mm;纸杯高度:137mm;纸杯高度:;用途:热冷饮纸杯用途:热冷饮纸杯用途:热冷饮纸杯32盎司纸杯尺寸底部直径:;口部直径:109mm;纸杯高度:用途:热冷饮纸杯12型纸杯机适用于2-12盎司的纸杯,一分钟55-66个产量纸杯16型纸杯机适用于2-16盎司的纸杯一分钟45-50个产量纸杯22型纸杯机适用于8-32盎司的纸杯一分钟35-45个产量纸杯。
纸杯刀模的画法及拼版方法纸杯是柔印应用最广泛的领域之一,这小小的纸杯其实加工起来并不简单,本文就简单介绍一下纸杯的扇形片画法和拼版方法,以供大家交流。
首先我们会从做摸具的供应商哪得到一个扇形图纸如图 1所示。
解读该扇形图:1.刀模的大圆半径 R1: 396.71mm,2.刀模的小圆半径 R4: 277.27mm , 3•扇形 角度37.07度,4.纸杯的粘合宽度为8mm,5.图案在墨切部位的出血为 1.5mm,6. 图案在粘合部的出血为2.5mm (粘合宽度8mm-图1右边的白边宽度5.5mm ),7.图 案的大圆半径 R3: 371mm,8.图案的小圆半径 R2: 299mm,9.粘合部底部切除宽 6mm,长7mm ,10.为减少粘合部位卷口厚度带来的故障将卷口部位外侧切长 11mm 宽1.5mm 斜边,11.扇形片左下和右上做半径2mm 的圆角,其他角做半径1mm 的圆角R396.502 4.0500000R2.0 R371. 0 37. 075. 5 L00图片1 注:本图中图案部分面积比较小是为了满足2012年6月1日推行的新国标 GB/T 27590-2011 解读了扇形图纸后我们来画出扇形片,可以用 AutoCAD 或Adobe illustrator两个软件来画,方法相同,只是软件操作上有差异,本文使用AutoCAD。
第一步:如图2画出所有的同心圆:R1,R2,R3,R4第二步:如图3从圆心向上至大圆外画出粘合重叠部位中线L3、将L3原位复制一根线左移4mm得到模切刀线L2、再将L3原位复制一根左移5.5mm得到印刷出血线L1、再将L3原位复制一根右移7mm得到切角点的定位线的L4<L2 L4LI L3第三步:如图5将L1、L2、L3和L4以L3下端点(即圆心)为旋转基点向左旋转扇形片角度37.07度的一半18.535度。
第四步:如图4从圆心向上至大圆外画出粘合重叠部位中线L5将L5原位复制一根线左移1.5mm得到印刷出血线L6,将L5原位复制一根左移2mm得到右下角切角的一根辅助线L7,将L5原位复制一根右移4mm得到模切线L8。
纸杯制作方法
纸杯制作方法:
材料准备:
1. 特制纸板
2. 剪刀
3. 双面胶带或胶水
4. 标尺
步骤:
1. 使用标尺在纸板上量出所需纸杯的尺寸,通常为直径为7-10厘米的圆形。
根据尺寸在纸板上画一个圆形。
2. 使用剪刀沿着画好的线剪下圆形纸板。
确保剪得整齐。
3. 将剪好的纸板沿着直径的一半对折,并将纸板折叠成一个半圆形的形状。
4. 使用双面胶带或胶水,将半圆形的两个端部粘合在一起,形成一个圆筒形。
5. 确保粘合处紧密,并用手指按压几秒钟以确保粘合牢固。
6. 从纸杯的底部向上,沿着边缘将纸杯的顶部部分向外折叠,形成杯口的边缘。
7. 用手指把纸杯的底部稍微向内按压,使其更牢固。
8. 至此,一个自制的纸杯制作完成,可以根据需要进行装饰和使用。
注意事项:
1. 在使用剪刀时要小心,以免划伤手指。
2. 确保纸杯粘合处紧密,以免出现漏水情况。
3. 可以根据个人喜好和需要对纸杯进行装饰,如贴上纸质花朵、贴纸等。
纸杯设计、制作一、纸杯的用途1.纸杯在饮料包装方面的用途纸杯的最大功能就是用来装饮料,如碳酸饮料、咖啡、牛奶、冷饮等,这是它最早、最基本的用途。
饮料纸杯可分为冷杯和热杯两种。
冷杯用来装冷饮料,如碳酸类饮料、冰咖啡等;热杯用来装热饮料,如咖啡、红茶等。
区分冷饮杯和热饮纸杯,它们“各司其职”,一旦“错位”,就会威胁到消费者的健康。
冷饮纸杯的表面要经过喷蜡或浸蜡处理。
因为冷饮料会使纸杯表面积水,导致纸杯软化,涂上蜡后便可防水。
在在0~5℃之间时这种蜡是非常稳定和安全。
但如果用来装热饮只要饮料的温度超过62℃,蜡就融化纸杯会吸水变形.融化后的石蜡杂质含量高,特别是它里面含有的多环芬泾有机化合物,是种可能致癌的物质,随饮料进入人体会危害人的健康.热饮纸杯的表面会黏贴一层国家认可的特殊聚乙烯薄膜不仅耐热性好而且在高温饮料的浸泡下也无毒害.纸杯应贮存在通风、阴凉、干燥及无污染的空间内,贮存期从生产日期起一般不要超过两年。
2.纸杯在广告宣传方面的用途目前,广告商或厂商还把纸杯作为一种广告宣传媒介来使用。
设计在杯体上的图案,可以给人以不同的饮用心情,同时也是宣传某种产品的“符号”。
因为产品的商标、名字、生产商、经销商等,都可以设计在纸杯的表面上。
人们在饮用饮料时,就能从这些信息中认识、了解产品,纸杯为人们了解这些新产品提供了平台。
二、纸杯的注意事项1.不要使用廉价的劣质纸杯.现在生产纸杯的厂家很多,但是真正能够做到为客户着想的却很少.我们可以在市面上看的价格在4-5分左右的纸杯这样的纸杯质量是很差的生产厂家的利润也的确十分有限,甚至低到一箱货(2000只)只赚0.50-1.00元。
能否在制作的每个工序中确保卫生和质量是很值得怀疑的。
而且纸杯使用的纸张因为很薄容易杯身变形,放热水会烫手等。
存在很大的安全隐患。
特别是企业单位更不要使用劣质的纸杯,这样会影响到公司的形象。
正规的生产厂家都有义务向客户提供当季度的国家卫生部门提供的产品卫生合格检查报告以确保纸杯的卫生2.纸杯漏水的问题。
设计——纸杯——规格尺寸2 盎司纸杯尺寸底部直径:36mm口部直径:52mm纸杯高度:51mm用途:热冷饮纸杯---------------------------------3 盎司纸杯尺寸底部直径:40mm口部直径:56mm纸杯高度:55mm用途:热冷饮纸杯--------------------------------4 盎司纸杯尺寸底部直径:55.2mm口部直径:68.9mm纸杯高度:45.1mm用途:冰淇淋纸杯--------------------------------5 盎司纸杯尺寸底部直径:47.5mm口部直径:66.5mm纸杯高度:71.5mm用途:热冷饮纸杯--------------------------------6 盎司纸杯尺寸底部直径:49mm口部直径:73mm纸杯高度:75mm用途:热冷饮纸杯------------------------------7 盎司纸杯尺寸底部直径:51mm口部直径:73.5mm纸杯高度:77.5mm用途:热冷饮纸杯-----------------------------8 盎司纸杯尺寸底部直径:51mm口部直径:77mm纸杯高度:92mm用途:热冷饮纸杯-----------------------------9 盎司纸杯尺寸底部直径:52mm口部直径:77mm纸杯高度:94mm用途:热冷饮纸杯-----------------------------10 盎司纸杯尺寸底部直径:51mm口部直径:71mm纸杯高度:120mm用途:热冷饮纸杯-----------------------------12 盎司纸杯尺寸底部直径:51mm口部直径:81mm纸杯高度:110mm用途:热冷饮纸杯-----------------------------13 盎司纸杯尺寸底部直径:59mm口部直径:84mm纸杯高度:120mm用途:热冷饮纸杯----------------------------14 盎司纸杯尺寸底部直径:52mm口部直径:84mm纸杯高度:128mm用途:热冷饮纸杯---------------------------16 盎司纸杯尺寸底部直径:61mm口部直径:89mm纸杯高度:124mm用途:热冷饮纸杯----------------------------18 盎司纸杯尺寸底部直径:61mm口部直径:89mm纸杯高度:137mm用途:热冷饮纸杯---------------------------22 盎司纸杯尺寸底部直径:61mm口部直径:89mm纸杯高度:149.2mm用途:热冷饮纸杯----------------------------32 盎司纸杯尺寸底部直径:89.1mm口部直径:109mm纸杯高度:156.1mm用途:热冷饮纸杯----------------------------5 盎司冰淇淋纸杯尺寸底部直径:59.6mm口部直径:74.3mm纸杯高度:51.6mm用途:冰淇淋纸杯---------------------------400cc 纸杯尺寸底部直径:65.8mm口部直径:92.4mm纸杯高度:92.1mm用途:冰淇淋纸杯---------------------------474cc 纸杯尺寸底部直径:74.9mm口部直径:98.1mm纸杯高度:98.7mm用途:冰淇淋纸杯--------------------------750cc 纸杯尺寸底部直径:128.4mm口部直径:130mm纸杯高度:92mm用途:冰淇淋纸碗。
纸杯刀模的画法及拼版方法纸杯是柔印应用最广泛的领域之一,这小小的纸杯其实加工起来并不简单,本文就简单介绍一下纸杯的扇形片画法和拼版方法,以供大家交流。
首先我们会从做摸具的供应商哪得到一个扇形图纸如图1所示。
解读该扇形图:1. 刀模的大圆半径R1:396.71mm,2.刀模的小圆半径R4:277.27mm,3.扇形角度37.07度,4.纸杯的粘合宽度为8mm,5.图案在墨切部位的出血为1.5mm,6.图案在粘合部的出血为2.5mm(粘合宽度8mm-图1右边的白边宽度5.5mm),7.图案的大圆半径R3:371mm,8.图案的小圆半径R2:299mm,9.粘合部底部切除宽6mm,长7mm,10.为减少粘合部位卷口厚度带来的故障将卷口部位外侧切长11mm宽1.5mm斜边,11.扇形片左下和右上做半径2mm的圆角,其他角做半径1mm的圆角。
图片1注:本图中图案部分面积比较小是为了满足2012年6月1日推行的新国标GB/T 27590-2011解读了扇形图纸后我们来画出扇形片,可以用AutoCAD或Adobe illustrator两个软件来画,方法相同,只是软件操作上有差异,本文使用AutoCAD。
第一步:如图2画出所有的同心圆:R1,R2,R3,R4;第二步:如图3从圆心向上至大圆外画出粘合重叠部位中线L3、将L3原位复制一根线左移4mm得到模切刀线L2、再将L3原位复制一根左移5.5mm得到印刷出血线L1、再将L3原位复制一根右移7mm得到切角点的定位线的L4。
图2 图3第三步:如图5将L1、L2、L3和L4以L3下端点(即圆心)为旋转基点向左旋转扇形片角度37.07度的一半18.535度。
第四步:如图4从圆心向上至大圆外画出粘合重叠部位中线L5、将L5原位复制一根线左移1.5mm得到印刷出血线L6,将L5原位复制一根左移2mm得到右下角切角的一根辅助线L7,将L5原位复制一根右移4mm得到模切线L8。
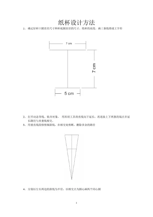
纸杯设计方法
1、确定好杯口圆直径尺寸和杯底圆直径的尺寸、纸杯的高度,画三条线排成工字形
2、打开动态导线、贴齐对象,用形状工具将直线向下延长,再连接上下两条的端点并延
长路径与直垂线相交。
3、用垂直线段修剪倾斜线,在相交处剪断,删除多余的路径
4、分别以左右两边的斜线为半径,以相交点为圆心画两个同心圆
5、用计算器算出杯口直径÷大圆直径×3600,得出扇形的角度,然后画两条线段为这个角度,角的端点与两个同心圆的中心点贴齐
7、用小圆剪去大圆,用两条角度张剪去圆环,删除多余的线段,旋转放正位置。
纸杯设计素描结构知识点设计纸杯时,了解其结构知识点是非常重要的。
通过素描的方式,我们可以更清晰地了解纸杯的构造和设计要点。
本文将介绍纸杯设计素描的相关知识点,帮助读者更好地理解纸杯的结构和设计原则。
一、纸杯的基本结构纸杯通常由底部、侧壁和顶部三个部分组成。
底部是纸杯的支撑点,侧壁是承载液体的部分,顶部则用于盖住液体,防止溢出。
通过素描,我们可以清晰地表现出纸杯的基本结构。
在纸杯的底部,我们可以描绘一个较粗的圆形来表示纸杯的支撑点。
侧壁可以用一条垂直的曲线来表达,曲线可以是直线或者略微弯曲的线条,取决于纸杯的设计风格。
顶部可以用一条水平的曲线或者多个弯曲的线条来表示,以便更好地描绘纸杯的盖子。
二、纸杯的细节设计除了基本结构外,纸杯还有一些细节设计需要注意。
比如纸杯的把手和纹理等。
通过素描,我们可以更好地表现出这些细节。
对于纸杯的把手,可以使用一条曲线或直线来表示,将其连接到侧壁上。
纹理可以通过绘制一些曲线或交叉的线条来表现,以突出纸杯的质感。
此外,还可以根据实际需要,在纸杯的侧壁上添加一些图案或文字等细节。
三、纸杯的比例和透视在进行纸杯设计素描时,正确的比例和透视效果非常重要。
通过合理运用比例和透视,可以使纸杯的素描更加逼真和生动。
首先,我们可以通过参考实际纸杯的大小来确定素描中纸杯的比例。
根据纸杯的高度和半径,可以按比例绘制纸杯的底部、侧壁和顶部等部分。
在透视方面,可以使用透视线和消失点来创建透视效果,使纸杯在素描中更具立体感。
四、纸杯的阴影和光线效果阴影和光线效果是使纸杯素描更加生动和立体的关键。
通过合理运用阴影和光线效果,可以突出纸杯的立体感和质感。
在素描中,可以使用交叉线和渐变阴影来表现纸杯的阴影效果。
阴影的位置取决于光源的位置,光线照射到纸杯上的部分会明亮一些,而光线无法直接照射到的部分则会变暗。
通过绘制不同长度和间距的交叉线,可以模拟出纸杯上的阴影效果,使其更加栩栩如生。
五、色彩应用与材质表现最后,我们可以考虑为纸杯素描添加一些色彩。
专业纸杯设计与定做方法:
最常见的规格主要有3盎司、6.5盎司、7盎司、8盎司、9盎司、12盎司几种规格我们仔细分析一下常规9盎司设计与制作:
容量:9盎司(250ML)
纸张:268克
规格:杯高8.8cm、上口7.5cm、下底5.3cm
一.纸杯设计需要注意的地方:
1.在设计过程中,采用网格模式,以便编辑弧形文字。
2.纸杯的底部弧形的直径510mm,以便编辑位图弧形。
3.文字编辑范围必须在红色的范围之内,以便制作时被机器挂到与掩盖。
4.在设计中,图片和文字一定不要到图中红色区域,在生产制作中,杯面和杯底要贴合,机器贴合是会加热刮合,红色区域的颜色就会变色,印象纸杯整体效果。
5.设计纸杯市最好不要面板印刷:这样做出来的纸杯会有油墨味,印象纸杯对人体健康,采用方法:印刷一点谈谈的颜色底纹,既不印象美观,有没有味道,
最佳的方法:不要有底纹印刷。
纸杯扇形做法教程材料准备:1.彩色纸杯:选择自己喜欢的颜色和形状的纸杯,最好是较大的纸杯。
2.剪刀:用于剪裁纸杯。
3.扇骨:可以用竹签或者筷子代替。
步骤一:准备纸杯首先,我们需要准备纸杯。
从彩色纸张上切下一个较大的圆形,直径要比纸杯的上口大2-3cm。
然后将纸杯的底部切掉,使底部成为一个平坦的开口。
步骤二:制作扇骨接下来,我们需要制作一个运行的扇骨,用于撑开纸杯。
你可以使用竹签或者筷子来制作,只需要将其切成合适的长度即可。
长度要适中,太长可能会使纸杯过于张开,太短则不能撑开纸杯。
步骤三:安装扇骨将扇骨插入纸杯中,通过纸杯的竖向开口进入。
确保扇骨插入纸杯底部后能够均匀地分布在纸杯周围。
如果发现纸杯较大,扇骨长度略显不足,可以将扇骨剪短,并调整长度。
步骤四:制作纸杯扇形现在,扇骨已经成功地插入纸杯内部,我们可以开始制作纸杯扇形了。
首先,将纸杯按照中心线对折,然后再次对折,使纸杯外观呈现扇形。
步骤五:完善纸杯扇形接下来,我们可以修整纸杯的边缘,使扇形更加整齐。
使用剪刀将纸杯底部的边缘剪平,以使扇形更加均匀。
步骤六:装饰纸杯扇形你可以选择在纸杯扇形上添加一些装饰,以增加其美观度。
例如,在纸杯外侧贴上一些彩色纸条,或者用彩色笔在纸杯表面绘制图案等等。
这些装饰可以根据个人喜好进行创意设计。
制作完成后,你可以根据需要将纸杯扇形放置在你喜欢的地方,如书桌上、窗台上或者挂在墙上。
当它遇到微风时,它会自然展开,形成一个美丽的纸杯扇形。
纸杯展开图的制作方法
绘制纸杯平面展开图:
1:把画面水平垂直修正角度
2:用斜切工具,强制把图像的相对梯形,调整为长方形
3:发挥想象力,比如这个图形,肯定是圆形的,拉伸调整到圆形差不多的比例
4:大量时间的钢笔抠图(抠矢量路径)
5:设纸杯的大口直径为2a,小口直径为2b,纸杯的斜长(应该叫做斜高,不是说纸杯子的高度,斜高稍大一点。
)为c。
展开后的侧面是圆环的一部分,叫做“断环”。
6:大口圆的周长为2πa。
侧面展开后,断环所在的最大个的圆的半径R等于a*c/(a-b)。
这不难用相似比得到。
7:我们的目的是求出这是“多少度的断环”。
实际上,我们也就推出了一个“扇形圆心度数公式”:度数n=360*2πa/2πR=360*a/R。
这样,纸杯的展开图就完成了。
纸杯设计、制作一、纸杯的用途1.纸杯在饮料包装方面的用途纸杯的最大功能就是用来装饮料,如碳酸饮料、咖啡、牛奶、冷饮等,这是它最早、最基本的用途。
饮料纸杯可分为冷杯和热杯两种。
冷杯用来装冷饮料,如碳酸类饮料、冰咖啡等;热杯用来装热饮料,如咖啡、红茶等。
区分冷饮杯和热饮纸杯,它们“各司其职”,一旦“错位”,就会威胁到消费者的健康。
冷饮纸杯的表面要经过喷蜡或浸蜡处理。
因为冷饮料会使纸杯表面积水,导致纸杯软化,涂上蜡后便可防水。
在在0~5℃之间时这种蜡是非常稳定和安全。
但如果用来装热饮只要饮料的温度超过62℃,蜡就融化纸杯会吸水变形.融化后的石蜡杂质含量高,特别是它里面含有的多环芬泾有机化合物,是种可能致癌的物质,随饮料进入人体会危害人的健康.热饮纸杯的表面会黏贴一层国家认可的特殊聚乙烯薄膜不仅耐热性好而且在高温饮料的浸泡下也无毒害.纸杯应贮存在通风、阴凉、干燥及无污染的空间内,贮存期从生产日期起一般不要超过两年。
2.纸杯在广告宣传方面的用途目前,广告商或厂商还把纸杯作为一种广告宣传媒介来使用。
设计在杯体上的图案,可以给人以不同的饮用心情,同时也是宣传某种产品的“符号”。
因为产品的商标、名字、生产商、经销商等,都可以设计在纸杯的表面上。
人们在饮用饮料时,就能从这些信息中认识、了解产品,纸杯为人们了解这些新产品提供了平台。
二、纸杯的注意事项1.不要使用廉价的劣质纸杯.现在生产纸杯的厂家很多,但是真正能够做到为客户着想的却很少.我们可以在市面上看的价格在4-5分左右的纸杯这样的纸杯质量是很差的生产厂家的利润也的确十分有限,甚至低到一箱货(2000只)只赚0.50-1.00元。
能否在制作的每个工序中确保卫生和质量是很值得怀疑的。
而且纸杯使用的纸张因为很薄容易杯身变形,放热水会烫手等。
存在很大的安全隐患。
特别是企业单位更不要使用劣质的纸杯,这样会影响到公司的形象。
正规的生产厂家都有义务向客户提供当季度的国家卫生部门提供的产品卫生合格检查报告以确保纸杯的卫生2.纸杯漏水的问题。
纸杯的生产都是流水线生产,单位客户每次的需求数量大多是数万以上。
从客观的角度来分析,在数以万计的纸杯中,存在有极个别的漏水的现象是难免的。
但是如果漏水的纸杯数量过多,超过了可以容忍的量,那么消费者可以向厂家提出如数退货的要求,厂家也应无条件的为客户退换。
三、纸杯几种印制方式比较纸杯的承印方式有多种,不同的印刷方式有着不同的印刷特点。
1.胶印胶印是利用油水相斥的原理,图文部论文选登图1《江山美人》电影宣传纸杯分亲油抗水,空白部分亲水抗油,通过橡皮布滚筒将图文转印到承印物上。
胶印纸杯的优势在于图案颜色饱满、鲜艳,清晰度高。
无论是渐变还是细小精细的线条都能较好地显现,使得纸杯的外表更漂亮,更能吸引顾客的眼球。
但是胶印并不适合印刷食用纸杯,因为胶印油墨不是很环保。
2.丝印丝印由于版面柔软、有弹性,有着很大的灵活性和适用性。
不仅适合在纸张和布料等软质物品上印刷,而且也适合在硬质物品上印刷,例如玻璃、陶瓷等,且不受承印物表面形状及面积大小的限制。
但是丝网印刷纸杯,其优势并不能很好地体现出来,而且丝网印刷对图文再现有很大的限制,处理渐变、再现图像精度等都有一定的困难。
3.柔印柔印由于使用水基油墨,而被称为“绿色印刷”。
现在很多公司的产品外包装都在向柔印方向发展。
由于柔印机器的结构相对简单,相比胶印机的庞大机身、昂贵的材料造价,柔印机就显“单薄”。
从成本上来说,柔印机的设备投资要低于相同规模的胶印机,一般可节省30%~40%之多。
生产投资之小,吸引着小型印刷企业的加入。
柔印在原稿的选材上不像丝网印刷那样来得狭隘,颜色上的规定也比较宽泛,不过相比胶印还是逊色一些。
柔印是纸杯印刷目前主要使用的工艺,纸杯的印刷质量在很大程度上取决于印前制作。
现就其印前制作中应注意的问题加以阐述。
四、纸杯设计印前中应注意的问题1.尽量不要设计和使用满版色的纸杯。
满版色的纸杯油墨堆砌过重,并且纸杯生产出来直接进行密封包装。
溶剂油墨在干燥过程中排放出的有机化合物、酒精湿润液中的异丙醇,上光涂料的挥发气体等均有害人体健康。
在密封的空间内满版纸杯底色覆盖整个杯身,在接近杯口处,我们使用纸杯喝水时嘴唇会接触到杯口一定位置,就容易将上述的各种化学物质随液体一起带入体内影响身体健康。
.所以我们一般建议客户在设计制作纸杯的时候不宜设计成满版色,而且色块越小越好。
同样在接近杯口处也不宜设计图形,特别是块色墨。
否则会产生同样的坏作用。
2.靠近杯底的条形,文字设计应抬升5mm.因为杯片上机后,杯底部5mm处要进行压合以保证杯底的牢固性.但是经过机器的高温和压力作用很容易使靠近杯底的图形和文字弄花,影响美观。
因此在设计制作图形的时候靠近杯底的文字条形图案都应该根据杯底的高度抬升5mm左右。
制作流程笔者实习的柔印公司,在制作纸杯时一般使用Illustrator或者Artpro等处理软件,制作流程大致如图2。
1.刀模纸杯根据尺寸大小可分为3、4、5、6.5、7、8、9、10、12盎司,分别对应的高度为5.2、6、7、7.3、7.6、8.4、8.8、9.3、11.7cm。
由于规格不同,对应的刀模尺寸也不同。
有时刀模可以调用以前做过的文件,但有一些客户给的刀模尺寸特殊,这就必须按照规定的尺寸画,画好后要必须叠印(柔印各产品的刀模都必须叠印)。
之后新建一层画两个圆,分别对应外刀模,再用这两个圆通过混合工具混合出多个圆。
图2纸杯印前制作流程图3刀模的制作完成样图然后扩展成图形(见图3)。
2.整理颜色包装印刷中经常要用到大量的专色,这就加大了工艺的复杂性。
运用专色的原因是多方面的:首先,包装印刷中使用色相三原色组合一般是无法实现的,尤其是那些纯净的、鲜艳的颜色以及某些特殊的颜色(如金色、银色或者荧光色等)。
其次,商品包装中经常要印刷公司的标志,这些标志有时是设计公司的内部颜色,虽然这些颜色可以用三原色混合得到,但在大多数情况下还需要使用专色。
第三,在包装印刷中,专色通常用于彩色网目调图像的分色。
实际上,在印刷咖啡色或者褐色时,与其用黄、品红、青和黑色四色混合叠印,还不如单独用一种褐色油墨印刷来得简单、容易,而且印刷后的颜色效果更逼真一些。
所以在柔印制作中,接到客户来稿,首先要有专门的人员进行分色处理,然后再由制作人员以分色结果来进行制作。
尽量使所有颜色能用专色来替代。
但有时也会用叠色来制作,一般是由于客户的颜色无法用一种专色来替代而得到,而客户却对颜色的要求十分严格,所以就只能通过客户给出的各基本色数值的混合进行叠加得到。
图43.陷印陷印在整个制作过程中都是十分必要的,因为柔性版材有弹性的缘故,容易出现套印不准的情况,陷印处理就是能够保证即使稍稍出现套准偏差也不会引起露白或者另一种不协调颜色。
陷印处理一般是从相对较浅的颜色向相对较深的颜色进行“扩张”,最外面的那层叠印,叠印大小一般在0.15~0.25mm,具体由客户来决定。
例如,品红色和青色的交接处就要使用陷印处理,在色相上品红色要稍浅于青色,所以品红色往青色里做陷印。
对于一些叠色相对较多而且比较复杂的,有时候还需要利用路径查找器中的相加或相减工具加以实现,完成陷印。
如果套准精确的话,陷印的重叠区域呈现的应该是相邻两种油墨的混合色。
文字部分往往采用黑色,小号文字笔画较细,这种情况下往往采用直压(文字直接叠印)。
两个颜色之间没有相同颜色成分就要制作叠印效果,如果两个颜色之间具有相同颜色成分则不需要制作叠印效果(见图4)。
4.抠图、打字产品制作的内容应尽可能为矢量图,由于客户的原稿有时为JPG格式,图片放大后会出现锯齿边,所以要进行抠图制作。
利用钢笔工具和文字工具,进行抠图和打字。
抠图尽可能在轮廓形式下进行,可使得抠出的图案和原来的样稿尽可能一致。
除了复杂的图片,其余的图案均要进行抠图。
打字的时候注意文字的大小以及字体的相同,制作时要将文字变为矢量图,要做到和原来的样稿一致。
如果来稿文件中的文字笔画太细,印刷时会由于版材上的网点站不住而印不出,这时就需要把文字加粗。
还要注意的是,笔画之间的空隙宽度,因为如果两笔之间的距离太小,在印刷时由于油墨的铺张造成文字模糊,所以这时需要把文字拉大,使笔画间的空隙变大。
5.反白扣反白扣并不是只要遇到白的地方就必须做,而是和白色相邻的颜色是由两色或两色以上叠印时,就必须要做反白扣。
其图5反白扣的示意图方法就是白的地方扩出去零点几乃至零点零几个毫米,三色也是如此,填充两色,总之,一般反白扣的大小为0.07mm,具体由客户来定。
如果是两色叠印扩出来的地方,就要填充两色中与叠印出来颜色反差较小的一色,反白的宗旨就是要让出一个颜色(见图5)。
不过由于柔印中大量使用专色,遇到反白的情况并不是很多。
6.网点补偿由于柔性版的版材有弹性,1%的网点不能很好站立,在印刷时非常容易丢失,2%的网点为印刷能站立的最小网点,而2%的网点在印刷后常常会增大到10%,印刷样张上最小的网点是10%,10%以下的网点无法印刷出来。
这时可用以下几种办法巧妙地回避和解决。
⑴在不影响印刷效果的前提下忽略一些层次,即将2%以下(0%~2%)的网点改成2%。
⑵把所有2%以下的高光点都改成2%网点。
因为人眼对色彩的感觉是相对的,在某些情况下会产生一种错觉,把2%的网点看作高光点。
⑶把某一颜色用其他颜色替换,如食品包装中常用黑色替代蓝色,树叶中用黑色替代红色,或者用相同色相的浅色替代深色等,方法不一而同。
7.注意条码收细留白、文字线条粗细柔性版印刷印出来的线条一般会变粗,造成条码糊掉,所以要进行条码收细,左右也必须留白,还要注意最小文字线条应控制在0.04mm以上。
8.排列纸杯中的所有文字、图案都必须按照所画的圆(对刀模的圆)的弧度进行仔细排列,使得文字及图案在产品包成杯状后在横向上处于一条线上。
在竖向上,应以从圆中心的一条以一定角度拉出的直线为基准对齐,这样的直线在制作中应该多做几条,以便于不同位置的文字或图案进行对齐校准。
在排列之前必须要注意把文字全部转为轮廓的形式,这样方便某一行或者某几个字的调动,同时也避免在制作时由于电脑的更换因缺少该字体而无法继续正常的工作,所以在进行文字排列前必须检查文字的输入是否有错误,因为转曲线后的文字再进行修改会相当麻烦(见图6)。
图6图文排列示意图9.拼版纸杯制作拼联时要注意以下内容。
⑴压条的制作压条的作用是为了保护版材上的图文部分(即实地、线条、连续调图像部分),防止印版在印刷时移动而使印刷过程不能很好地完成。
有了压条后,在版子两边会出现两条实地竖线,在印刷时作为中国柔印依托。
因此,压条必须出现在每一个块色版上,且为全色,每根压条上还要必须要有“十字线”。
⑵拼版方式纸杯拼版分S型(联机模切)和T型(单张纸模切)两种方式。