铁路工程试验检测项目及频率
- 格式:doc
- 大小:259.50 KB
- 文档页数:34
铁路工程试验技术要求及检测频率表铁路试验检测规范目录铁路类:客运专线类:1.铁路工程土工试验规程 TB10202---2004 1.客运专线铁路路基工程施工技术指南 TZ212---20052.铁路路基设计规范 TB10001---2005 2.客运专线铁路路基工程施工质量验收暂行标准铁建设〔2005〕160号3.铁路路基施工规范 TB10202—2002 3.客运专线铁路隧道工程施工技术指南 TZ214---20054.铁路路基工程施工质量验收标准 TB10414---2003 4.客运专线铁路隧道工程施工质量验收暂行标准铁建设〔2005〕160号5.铁路隧道施工规范 TB10204---2002 5.客运专线铁路桥涵工程施工技术指南 TZ213---20056.铁路设计规范 TB10003---2005 6. 客运专线铁路桥涵工程施工质量验收暂行标准铁建设〔2005〕160号7.铁路隧道工程施工质量验收标准 TB10417—2003 7.客运专线高性能混凝土暂行技术条件科技基〔2005〕101号8.铁路隧道防排水技术规范 TB10119---2000 其他类:9.铁路隧道衬砌质量无损检测规程 TB10223---2004 水泥、钢筋、细骨料、粗骨料 ----采用国标10.铁路桥涵施工规范 TB10203---2002 普通混凝土力学性能试验方法标准 GB/T50081---200211.铁路桥涵地基和基础设计规程 TB10002.5---2005 普通混凝土拌合物性能试验方法标准 50050---200212.铁路桥涵工程施工质量验收标准 TB10415---2003 普通混凝土配合比设计规程 JGJ 55---200013.铁路混凝土工程施工技术指南 TZ210---2005 砌筑砂浆配合比设计规程 JGJ 98---200014.铁路工程结构混凝土强度基础规程 TB10426---2004 建筑砂浆基本性能试验方法 JGJ 70---9015.铁路混凝土与砌体工程施工质量验收标准 TB10424---2003 预应力筋用锚具、夹具和连接器应用技术规程 JGJ 85---200216.铁路混凝土强度强度检验评定标准 TB10425---9417.铁路混凝土工程施工质量验收补充标准铁建设〔2005〕160号18.铁路混凝土结构耐久性设计暂行规定铁建设〔2005〕157号如规范有更新,请以新规范进行修改并执行!!!!水泥原材料钢材原材料砂原材料碎石原材料外加剂原材料隧道原材料粉煤灰原材料水原材料隧道原材料隧道原材料隧道原材料隧道现场试验隧道现场试验桥涵现场试验路基现场试验。
高速铁路工程检测项目抽检频率及试验方法大全各检测项目的抽检频率要求一、桥梁工程检测项目检测方法检测频次说明桥梁基桩完整性低应变法100%桩径<2m,桩长≤40m的基桩无损检测均采用低应变法声波透射法100%桩径≥2m或桩长>40m的基桩均采用声波透射法钻芯法桩身质量有怀疑或前两种方法进行验证或特殊要求时采取钻芯法检测二、路基工程1、软基处理(1)原地面处理:原地面处理前,区间正线路基沿线路纵向连续长度每100m、站场路基折合正线双线每100m抽检2点,采用静力触探试验。
原地面冲击碾压质量检测(按《铁路工程土工试验规程》TB10102规定的试验方法进行检验):区间正线路基沿线路纵向连续长度每100m、站场路基折合正线双线每100m 抽检4点,至少有一点在碾压范围边线上。
换填基底开挖处理后的基底压实质量检测(按《铁路工程土工试验规程》TB10102规定的试验方法进行检验):区间正线路基沿线路纵向连续长度每100m、站场路基折合正线双线每100m抽检3点,其中线路中间1点,两侧距换填边缘2m处各1点。
(2)强夯(重锤夯实):每一工点每3000m2抽样检验12点,其中标准贯入试验6点(或动力触探3点),静力触探试验3点,平板载荷试验3点。
(3)砂(碎石)桩:桩身密实度:采用标准贯入或动力触探试验,按桩数的2%抽样检验,且每检验批不少于3根。
可液化土地基桩间土的加固效果:采用标准贯入、静力触探或动力触探试验,按桩数的2%抽样检验,且每检验批不少于3根。
复合地基承载力:采用平板载荷试验,按桩数的2%抽样检验,且每工点不少于3根。
(4)强夯置换:强夯碎石墩的墩长、墩身密实度:采用重型圆锥动力触探,按总墩数的2‰,每工点检验不少于3墩。
墩间土的强度:采用静力触探或动力触探,每3000m2抽样检验6点。
强夯碎石墩单墩承载力:采用平板载荷试验,检测机构抽样检验总墩数的2‰,且每检验批不少于3个墩。
(5)挤密桩:水泥土挤密桩压实系数,压实系数按按《铁路工程土工试验规程》TB10102规定的试验方法进行检验,按总桩数的2‰,且每工点不少于3根。
各检测项目的抽检频率要求一、桥梁工程检测项目检测方法检测频次说明桥梁基桩完整性低应变法100%桩径<2m,桩长≤40m的基桩无损检测均采用低应变法声波透射法100%桩径≥2m或桩长>40m的基桩均采用声波透射法钻芯法桩身质量有怀疑或前两种方法进行验证或特殊要求时采取钻芯法检测二、路基工程1、软基处理(1)原地面处理:原地面处理前,区间正线路基沿线路纵向连续长度每100m、站场路基折合正线双线每100m抽检2点,采用静力触探试验。
原地面冲击碾压质量检测(按《铁路工程土工试验规程》TB10102规定的试验方法进行检验):区间正线路基沿线路纵向连续长度每100m、站场路基折合正线双线每100m 抽检4点,至少有一点在碾压范围边线上。
换填基底开挖处理后的基底压实质量检测(按《铁路工程土工试验规程》TB10102规定的试验方法进行检验):区间正线路基沿线路纵向连续长度每100m、站场路基折合正线双线每100m抽检3点,其中线路中间1点,两侧距换填边缘2m处各1点。
(2)强夯(重锤夯实):每一工点每3000m2抽样检验12点,其中标准贯入试验6点(或动力触探3点),静力触探试验3点,平板载荷试验3点。
(3)砂(碎石)桩:桩身密实度:采用标准贯入或动力触探试验,按桩数的2%抽样检验,且每检验批不少于3根。
可液化土地基桩间土的加固效果:采用标准贯入、静力触探或动力触探试验,按桩数的2%抽样检验,且每检验批不少于3根。
复合地基承载力:采用平板载荷试验,按桩数的2%抽样检验,且每工点不少于3根。
(4)强夯置换:强夯碎石墩的墩长、墩身密实度:采用重型圆锥动力触探,按总墩数的2‰,每工点检验不少于3墩。
墩间土的强度:采用静力触探或动力触探,每3000m2抽样检验6点。
强夯碎石墩单墩承载力:采用平板载荷试验,检测机构抽样检验总墩数的2‰,且每检验批不少于3个墩。
(5)挤密桩:水泥土挤密桩压实系数,压实系数按按《铁路工程土工试验规程》TB10102规定的试验方法进行检验,按总桩数的2‰,且每工点不少于3根。
4地基处理:路基换填施工单位每换填10000m3检查2组,每增加5000m3增加1组检验。
监理单位按施工单位抽检次数的10%分别进行平行检验和见证检验均不少一次。
碎石桩检验数量:同一产地、品种、规格且连续进场的碎石,每3000m3为一批不足3000m3亦按一批计。
施工单位每批检验一组。
监理单位按施工单位抽检次数的10%分别进行平行检验和见证检验均不少一次。
砂(碎石)垫层4.13.3砂垫层应采用中、粗、砾砂,其含泥量不得大于5%;碎石垫层应采用未风化的碎(卵)石和砾石,最大粒径不得大于50mm,其含泥量不得大于5%,且不含草根、垃圾等有机杂物。
垫层用砂、碎石进场时应进行验收,并对其杂物含量和料径级配进行检验。
检验数量:同一产地、品种、规格且连续进场的砂每10000m3、碎石每3000m3为一批,不足上述数量时亦为一批。
施工单位每批检验1组;监理单位按施工单位抽检次数的10%分别进行平行检验和见证检验,均不少于一次。
检验方法:筛析法、有机质含量试验;草根、垃圾采用观察。
砂垫层4.3.3 砂垫层应采用天然级配的中、粗、砾砂,不含草根、垃圾等杂质,其含泥量不得大于5%,用作排水固结地基的砂垫层其含泥量不得大于3%。
检验数量:同一产地、品种、规格且连续进场的砂料,每3000m3为一批,当不足3000m3时也按一批计。
施工单位每批抽样检验1组;监理单位按施工单位抽检次数的10%分别进行平行检验和见证检验,均不少于一次。
检验方法:现场抽样检验砂子含泥量,并进行筛分试验,在施工过程中观察查有无草根、垃圾等杂质。
4.3.4碎石垫层应采用未风化的干净砾石或碎石,其最大粒径不得大于50mm,含泥量不得超过5%,且不含草根、垃圾等杂质。
检验数量:同一产地、品种、规格且连续进场的碎石,每3000m3为一批,当不足3000m3时也按一批计。
施工单位每批抽样检验1组;监理单位按施工单位抽检次数的10%分别进行平行检验和见证检验,均不少于一次。
铁路工程试验常规检测项目、检测标准、检测频率、取样方法嘿,咱今儿个就来唠唠铁路工程试验那些事儿!你知道铁路工程里常规检测项目都有啥不?这可多了去啦,就像建房子得用好多材料一样,铁路也得好好检测一番才放心呀!比如说,那钢材的检测就很重要呀!咱得看看它够不够结实,能不能扛得住火车跑来跑去的压力。
还有水泥呀,这可是基础中的基础,质量不好咋行呢?还有砂石料,这就好比是铁路的“细胞”,得一个个都合格才行嘞!那检测标准又是啥呢?这可不能马虎,得有严格的要求才行!就像你考试得有个及格线一样,达不到标准那可不行哟!每种材料都有它自己的标准,这是为了保证铁路的质量和安全呀。
要是标准低了,铁路修好了不牢固,那多吓人呀!检测频率也不能忽视呢!总不能就检测一次就不管了吧?那可不行,得经常去看看,就像你隔一段时间就得去体检一样。
时不时地去检查一下这些材料有没有问题,这样才能及时发现及时处理呀。
再说说取样方法,这可也是有讲究的哟!不能随便抓一把就拿去检测呀,得按照规定的方法来。
不然检测出来的结果不准确,那不就白忙活啦?就好像你做饭放盐,不能乱撒一通吧,得有个适量的度呀。
你想想,要是铁路工程的这些检测不认真对待,那以后火车在上面跑着跑着出问题了咋办?那可不是闹着玩的呀!这关系到多少人的生命安全和出行方便呀!所以呀,这些常规检测项目、检测标准、检测频率、取样方法都得好好重视起来,一个都不能马虎!咱就说,要是铁路修得歪歪扭扭的,火车能开得稳吗?要是材料质量不过关,能经得起时间的考验吗?这可不是开玩笑的事儿呀!咱得对铁路负责,对每一个坐火车的人负责!铁路工程就像是一个庞大的机器,而这些检测就是保证机器正常运转的关键零部件。
只有每个零部件都好好的,这个机器才能发挥出它最大的作用呀!你说是不是这个理儿?咱可不能小看了这些检测,它们可是保障铁路安全的重要环节呢!就像人的身体检查一样,只有经常检查,才能保持健康呀。
铁路也是一样,只有通过这些严格的检测,才能让我们放心地在上面飞驰呀!所以呀,大家都要重视起来,让我们的铁路工程更加坚固、更加可靠!你说好不好呀?。
高速铁路客运专线路基检测标准和检测频率
高速铁路客运专线路基检测标准和检测频率
高速铁路客运专线路基检测标准和检测频率
注:如有设计规定,按设计标准执行。
高速铁路客运专线路基原材料检验频次
化学改良土外掺料的检验数量及检验方法
化学改良土使用前应进行配合比和无侧限抗压强度验证试验
原地面处理:
一、地质核查
(1)原地面处理前,应对地基的地质资料进行核查,地基条件应符合设计文件。
核查的地质条件与设计资料不符时,应及时反馈。
(2)检验数量:区间正线路基沿线路纵向连续长度每100米、站线路基折合正线双线每100米,施工单位抽检2点。
(3)检验方法:静力触探等。
(4)监理:全部见证试验。
二、换填基底
(1)换填基底开挖处理后的基底压实质量应符合设计要求。
(2)检验数量:区间正线路基沿线路纵向连续长度每100米、站线路基折合正线双线每100米,施工单位抽检3点,其中线路中间1点,两侧距换填边缘2米处各1点。
(3)检验方法:按《铁路工程土工试验规程》方法检验。
(4)监理:平行检验1点。
三、垫层
(1)采用砂垫层时,应碾压密实。
采用碎石垫层时,路堤填高≤3米,顶面压实质量应满足K30≥150MPa/m;路堤填高>3米,顶面压实质量应满足K30≥130MPa/m;
(2)检验数量:区间正线路基沿线路纵向连续长度每100米、站场路基折合正线双线每100米,施工单位抽检3点,其中线路中间1点,两侧距路基边缘2米处各1点。
(3)检验方法:按《铁路工程土工试验规程》方法检验。
(4)监理:平行检验1点。
铁路路基新验标(TB10424-2018)规定试验检测项⽬及频率表室出场后压实前含⽔率每⼯班检验1次10%平检拌和物不应含有灰团及未消解⽣⽯灰块,粒径⼤于15mm的⼟块含量≤15%,且最⼤粒径≤30mm每⼯班检验2次50%见证观察、筛分、尺量灰⼟(⽔泥⼟)品种规格应符合设计要求,不得含有草⽪、树根、垃圾等杂物同⼀产地、品种、规格且连续进场每5000m 3抽检1组20%见证筛析法、称量法,观察满⾜设计要求,并符合下列规定:①粒径⼤于1.7mm颗粒的洛杉矶磨耗率≤30%,硫酸钠溶液浸泡损失率≤6%②粒径⼩于0.5mm颗粒的液限≤25%,塑性指数≤6③不均匀系数Cu≥15,曲率系数Cc为1~3⑤黏⼟团及其他杂质含量≤2%⑥I型级配碎⽯0.02mm以下粒径质量≤3%,压实系数为0.97时渗透系数<1.0×10-6m/s;Ⅱ型级配碎⽯0.075mm以下粒径质量≤3%,压实后≤5%,持⽔率≤5%,渗透系数>5.0×10-6m/s每⼀料场检验①~③项⽬及压实后的持⽔率(Ⅱ型)和渗透系数2次平检1次取样委托委外试验每⼯班抽样检验粒径级配、细长及扁㎡颗粒含量、压碎指标、黏⼟团及其他杂质含量10%平检现场检验监督指导满⾜设计要求,并符合下列规定:①碎⽯颗粒中针状和⽚状碎⽯含量≤20%②质软和易破碎的碎⽯含量≤10%③黏⼟团及有机物含量≤2%④颗粒级配要求出场前检验最⼤⼲密度每5000m 3检验1次20%见证取样委托室内试验出场后压实前含⽔率每⼯班检验1次10%平检现场检验监督指导安定性、凝结时间、胶砂强度每500t检验1次10%见证同上⽂取样委托室内试验⽔泥允许偏差为试验配合⽐确定掺量0~+1.0%每⼯班检验1次20%见证滴定法或仪器法现场检验监督指导砂、⽯等粗、细⾻料、拌和⽤⽔、养护⽤⽔取样委托室内试验监督指导监督指导现场检验现场检验《铁路⼯程⼟⼯试验规程》TB10102《铁路⼯程⼟⼯试验规程》TB10102《铁路⼯程⼟⼯试验规程》TB10102基床表层基床表层以下过渡段掺⼊⽔泥良⼟填料级配碎⽯原材料符合《铁路混凝⼟⼯程施⼯质量验收标准》TB10424的规定每⼯班检验1次10%平检室砂垫层应采⽤中、粗、砾砂;⼩于0.075mm颗粒含量≤5%,排⽔固结地基的砂垫层及沙袋⽤砂,⼩于0.075mm颗粒含量≤3%;不应含有草根、垃圾等有机杂质每1万m3检验1次20%见证筛析法、有机质试验,现场观察现场检验监督指导砂桩所⽤砂料:渗⽔率较⾼的中粗砂、砾砂,⼩于0.075mm颗粒含量≤5%;所⽤碎⽯:粒径为20~50mm,⼩于0.075mm颗粒含量≤5%每5000m3检验1次20%见证《铁路⼯程⼟⼯试验规程》TB10102取样委托室内试验碎⽯垫层未风化的碎卵⽯或砾⽯,最⼤粒径≤50mm⼩于0.075mm颗粒含量≤10%不含草根、垃圾等有机杂质每5000m3检验1次20%见证筛析法、有机质试验,现场观察现场检验监督指导强夯置换的置换料级配良好的块⽯、碎⽯、矿渣等坚硬粗颗粒材料,粒径⼤于300mm的颗粒含量不宜超过30%观察、尺量现场检验-⽚⽯混凝⼟⽤⽚⽯质地坚硬、不易风化、⽆裂纹、⽆⽔锈⽯块中部厚度≥15cm,最⼩块径>15cm强度等级MU≥30寒冷地区应做冻融循环试验每400m3检验1次,寒冷地区每料场做1次冻融循环试验20%见证《铁路⼯程岩⼟试验规程》TB10115取样委托室内试验砌筑及防护⽯料质地坚硬、不易风化、⽆裂纹、⽆⽔锈类别、规格和质量要求见《铁路路基⼯程施⼯质量验收标准》TB10414-2018附录J强度等级MU≥30最⼩块径>15cm寒冷地区应做冻融循环试验每400m3检验1次,寒冷地区每料场做1次冻融循环试验20%见证《铁路⼯程岩⼟试验规程》TB10115取样委托室内试验路基⽤碎⽯、卵砾⽯、黏⼟材料符合设计要求每3000m3检验1次20%见证《铁路⼯程⼟⼯试验规程》TB10102取样委托室内试验⽔泥、掺合料、外加剂、钢筋等取样委托室内试验⼟⼯格室符合设计要求及相关产品标准要求每2.5万㎡检验1次全部见证⼟⼯格栅符合设计要求及相关产品标准要求每10万㎡检验1次全部见证⼟⼯膜符合设计要求及相关产品标准要求每10万㎡检验1次全部见证⼟⼯⽹符合设计要求及相关产品标准要求每2.5万㎡检验1次全部见证⼟⼯布符合设计要求及相关产品标准要求每10万㎡检验1次全部见证⼟⼯排⽔材料符合设计要求及相关产品标准要求㎡⾯类每1万㎡,管类每5000㎡检验1次全部见证相关产品标准及试验⽅法砂⽯⼟类天然材料⽔泥、钢材、⼟⼯材料、⽯灰等⼯业产品全部检验符合《铁路混凝⼟⼯程施⼯质量验收标准》TB10424的规定处理层。
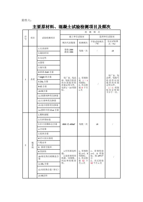
铁路工程试验检测项目及频率名称序号检测项目技术要求检测方法检测频率主要检测仪器检测评定依据试验结论取样数量水泥1 比表面积[m2/kg] 300~350 GB/T8074-2008同厂家、同编号、同生产日期且连续进场的散装水泥每500t[袋装每200t]为一批,不足上述数量也按一批计。
施工单位每批抽检,监理单位按10%见证试验,但至少1次。
水泥净浆搅拌机、水泥胶砂搅拌机、比表面积测定仪、李氏比重瓶、维卡仪、雷氏膨胀测定仪、沸煮箱、水泥胶砂振动台、压力试验机、电子天平、电子分析天平GB/T8074-2008《水泥比表面积测定方法[勃氏法]》GB/T1346-2001《水泥标准稠度用水量、凝结时间、安定性检验方法》GB/T17671-1999《水泥胶砂强度检验方法[ISO法]》GB/T208-1994《水泥密度测定方法》GB175-2007《通用硅酸盐水泥》TB10424-2010《铁路混凝土工程施工质量验收标准》该批水泥所检项目符TB10424-2010《铁路混凝土工程施工质量验收标准》中P.O42.5的技术要求。
12kg 2凝结时间初凝[min] ≥45GB/T1346-2001终凝[min] ≤6003 安定性沸煮法合格4 强度3天抗折≥3.5GB/T17671-199928天抗折≥6.53天抗压≥17.028天抗压≥42.5粉煤灰/ / C50以下砼C50及以上砼/同厂家、同编号、同出厂日期的产品每200t为一批,不足200t时也按一批计。
施工单位每批抽检一次,监理单位按施工单位抽检次数的10%进行平行检验,但至少1次。
负压筛析仪、水泥胶砂流动度仪、水泥胶砂搅拌机、高温电阻炉、电子天平、分析天平GB/T1596-2005《用于水泥和混凝土中的粉煤灰》GB/T176-2008《水泥化学分析方法》TB10424-2010《铁路混凝土工程施工质量验收标准》该批粉煤灰所检项目符合TB10424-2010《铁路混凝土工程施工质量验收标准》C50以下混凝土[或C50及以上混凝土]的技术要求。
检测项目周期及价目表
检测项目周期及价目表
版本号: 001/04
部门:企划中心
编制:鲁君平
批准人:王渊峰
发布日期:2017年02月15日生效日期:2017年02月20日
检测项目周期及价目表
艾谱产品检测中心下设综合实验室、电子实验室、计量室三个专业实验室,可独立完成包括防盗保险箱/柜整机型式试验及配套零部件专业检测,电子类、机械类、力学、表面处理、包装、模拟试验、计量器具检定(校准)维修等基础综合检测项目。
检测项目及周期见下表:
整理丨尼克
本文档信息来自于网络,如您发现内容不准确或不完善,欢迎您联系我修正;如您发现内容涉嫌侵权,请与我们联系,我们将按照相关法律规定及时处理。