隔离开关GW4详细介绍 (图文) 民熔
- 格式:docx
- 大小:652.89 KB
- 文档页数:5
GW4C-27.5T(D)(W)(X)型电气化铁道户外交流高压隔离开关,垂直开启型,是频率为50HZ的户外高压电器设备,供交流27.5kV接触网高压线路在有电压无负载情况下进行换接,以及对被检修的高压母线、断路器等电器设备与带电的高压线路进行电气隔离之用。
也可用于分、合很小的电容电流和电感电流。
(注:D-带接地刀,W-防污,X-消弧)二、使用环境条件1)海拔高度不超过1000m;2000m2)环境温度:上限+40℃,下限-30℃;3)风速不超过35m/s;4)地震烈度不超过8度;5)绝缘子污秽等级:防污型为Ⅲ级重污秽(盐密0.3毫克/厘米2) ;6)安装场所:户外混凝土单极电杆上。
三、分类和技术数据隔离开关的分类见表1GW4C-27.5T(D)(W) 垂直开启型电气化铁道户外交流高压隔离开关性能可靠、结构简单、安装方式灵活、维修容易、适用范围广,通用性系列性强。
GW4C-27.5T 垂直开启型户外隔离开关是单极隔离开关组成的高压电器,又是派生其它结构的基本单元,以下称为普通型隔离开关。
GW4C-27.5T(D) 垂直开启型户外隔离开关是在普通型隔离开关上增设接地刀而成的,其中分一次操作型和二次操作型两种,以下称为接地型隔离开关。
GW4C-27.5T(D)W 垂直开启型户外隔离开关、是在普通型(接地型)隔离开关的基础上将普通型棒式柱绝缘子改成防污型棒式支柱绝缘子而成,适用于重污秽或高海拔地区。
1.隔离开关结构单极隔离开关是由二个棒式支柱绝缘子分别固定在同一个底架上,外形结构见下图。
GW4C-27.5TW单极户外高压隔离开关每极隔离开关由底座,绝缘支柱及导电部分组成。
隔离开关支柱绝缘子安装在同一底架上,主要由底架部分,绝缘子,主导电回路部分、传动部分等组成。
基座部分由型钢焊接,表面经热镀锌处理而成;主导电回路主要由触头、触头座和导电板组成。
全部为电解铜加工而成,表面经特殊防腐处理;传动部分由传动轴、绝缘拉杆、拐臂等组成.本系列隔离开关配用CS11(不接地及单接地一次操作传动型)和CJ11A-G 型电动机构CJ11A-G 电动机构的结构CJ11A-G 电动机构的结构另见其使用维护说明书GW4C-27.5TW垂直开启型户外双极不接地电动隔离开关安装图(H93支柱,配CJ11A-G免维护型电动机构)。
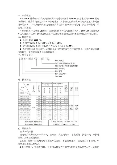
一、产品概述GW4-40.5型系列户外交流高压隔离开关适用于频率为50Hz,额定电压为40.5kV的电力系统中,作为有电压无负荷时分合电路用。
其中防污型的隔离开关可满足重污秽地区用户的要求,并可以有效的解决隔离开关在运行中出现的污闪问题。
产品分不接地、单接地、双接地。
本系列隔离开关满足GB1985《交流高压隔离开关与接地开关》、IEC60129《交流隔离开关与接地开关》和IEC60694《高压开关设备和控制设备共用条款》等标准的相关要求。
二、使用环境1. 海拔不超过1000米;2. 周围空气温度不高于+40℃及不低于-10℃;3. 空气相对温度不大于90%的户内场所(当温度为+25℃);4. 无导电性尘埃的环境中;无破坏金属和绝缘的腐蚀性气体的物体;无剧烈震动和冲击的地方;无燃烧与爆炸危险的环境中。
三、型号及定义四、技术参数五、结构简介隔离开关本体隔离开关均为双柱水平旋转式,由底架、支柱绝缘子、导电系统、接地开关(不接地除外)及传动系统组成:1)底架:底架一端或两端焊有接地开关支座,备装接地开关。
隔离开关有不接地、单接地及双接地三种形式;2)支柱绝缘子:每级有两柱,按使用条件分为普通型与耐污型及高原型三种。
支柱绝缘子下端固定在轴承座的转动板上,支柱绝缘子上端固定主导电部分。
3)导电系统:导电部分固定在支柱绝缘子的上端,主闸刀分成两半,接触部分在中间,接触部分触头合闸时圆柱形触头嵌入两排触指内,630A、1250A、1600A结构型式基本相同、仅导电杆截面及表面处理有所区别。
4)接地开关:产品所配装的接地刀组装于底座转动轴上,静触头装于主导电系统导电杆上,接地开关分Ⅰ型(单接地)与Ⅱ型(双接地)。
5)传动系统:配用CS系列机构。
六、外形及安装尺寸图七、订货须知:用户订货时请注明:1) 隔离开关的型号、规格和数量;2) 配用接地开关数量及形式(单接地或双接地);3) 操作机构:手动机构型号,辅助开关级数(4级或8级);4) 要求提供备件的代号名称及数量。
隔离开关民熔隔离开关是一种主要用于“隔离电源、倒闸操作、用以连通和切断小电流电路”,无灭弧功能的开关器件。
由于隔离开关的使用量大,工作可靠性要求高,所以对变电所、电厂的设计、建立和安全运行的影响均较大。
民熔35kV户外隔离开关采用陶瓷绝缘子。
变老不容易,也不容易持久。
表面具有抗氧化能力。
它能提高零件的耐腐蚀性。
整体锁紧装置安全可靠。
本文将介绍民间熔化隔离开关的学习手册。
如果你觉得这篇文章对你有帮助,请按照下面的编辑来做gw4-35/630a系列轻型操作扭矩免维护户外交流高压隔离开关是应用于铁路自闭、遥控系统和车站供电系统的新一代户外产品。
CX-1电动机构可方便地与遥控系统接口,实现遥控、遥信、遥测。
Gw4-35系列轻型转矩型免维护户外交流高压隔离开关是根据GB 1985-89《交流高压隔离开关和接地开关》的要求,结合电气化铁路的具体要求制造的。
适用于频率为50Hz、10kV的供电网络,用于高压母线、断路器等电气设备的检修和高压带电线路的空载电隔离。
它也可以用来打开和关闭非常小的电容和感应电流。
23.1海拔高度不超过3000m;3.2环境温度-30℃-40℃;3.3风速不大于35m/s;3.4地震烈度不大于8度;3.5冰厚不大于10mm;3.6适用于无严重烟雾、易燃物质、爆炸危险的场所化学腐蚀3.7适用于Ⅲ级及以下污染区域(用户有特殊要求可进行特殊设计;非水平安装场所不适用3.8)。
三、民熔35KV户外隔离开关特点1. 隔离开关结构和产品耐腐蚀方面作了重大改进。
2. 隔离开关配用CS11-1手动机构,可就地操作;配用CX-1型电动机构既可电动也可手动,能进就地和远方操作,实观遥控。
3. 隔离开关操作力矩长期恒定在1.1kg· m范围内。
4. 使用环境为-40℃至 40℃在寒冬地带和高温地区。
5. 该产品所有铸钢件、铁件均采用热镀锌防腐措施,所有标准件全部采用不锈钢件,导电部分采用热压铸结构6. 型号后面带a的产品为不锈钢加强型,绝缘子瓷件和连杆的上下附件均为不锈钢。
隔离开关民熔隔离开关是一种主要用于“隔离电源、倒闸操作、用以连通和切断小电流电路”,无灭弧功能的开关器件。
由于隔离开关的使用量大,工作可靠性要求高,所以对变电所、电厂的设计、建立和安全运行的影响均较大。
民熔隔离开关是采用陶瓷绝缘子浇筑而成,不易老化经久耐用,民熔隔离开关的表面有抗氧化能力,加强零件的抗锈蚀能力,民熔的隔离开关是一体锁扣装置、安全可靠,放心选择。
本文将会介绍关于民熔隔离开关GW4-35系列介绍,感觉这篇文章对你有帮助的话,可以关注下小编1.民熔Gw4-35系列隔离开关Gw4-35系列隔离开关为35kV户外隔离开关,额定电流630-2000a,Gw4-35系列隔离开关结构图见图3-2。
它是一种双柱结构,一般做成单极形式。
三级联动隔离开关可由连杆组成,但也可用于单极。
从图3-2可以看出,gw4-35系列隔离开关的左刀闸3和右刀闸5分别安装在支柱绝缘子2上,支柱绝缘子安装在1民熔gw4-35系列隔离开关民熔gw4-35系列隔离开关为35kV户外隔离开关,额定电流630-2000a,gw4-35系列隔离开关结构图见图3-2。
它是一种双柱结构,一般做成单极形式。
三级联动隔离开关可由连杆组成,但也可用于单极。
由图3-2可见,民荣gw4-35系列隔离开关的左刀闸3和右刀闸5分别安装在支柱绝缘子2上,支柱绝缘子安装在底座1两端的轴承座上。
图3-2显示了隔离开关的闭合状态。
分闸操作时,操作机构通过十字联动机构带动两个支柱绝缘子分别反向旋转90°,使开关叶片在水平面上旋转,实现分闸。
图3-2 民熔gw4-35系列隔离开关(单相)结构图1-底座;2-柱形绝缘子;3-左闸刀开关;4-触点保护罩;5-右闸刀开关;6-端子;7-软连接;8-轴;9-十字连杆2.民熔GW5-35系列隔离开关民熔GW5-35系列隔离开关为35kV户外式隔离开关,额定电流为630~2000A。
GW5-35系列隔离开关的结构示意图如图3-3所示,为双柱式V形结构,制成单极形式,借助连杆组成三极联动隔离开关。
隔离开关一般安装调试GW4型分离器的方法是在线路中,分离器的数量通常是开关量的2~4倍。
由于隔离开关数量较多,安装调试能力较大,在110KV以下电压下,以GW4型隔离开关为主导设备,如果隔离开关的安装工艺和机械尺寸设置不符合要求,分离器不开闭,触点过热,甚至瓷瓶坏了。
所以这是必要的,接线开关的安装调试方法在笔者根据自己的工作经验,将这种隔离开关的安装调试方法总结如下。
介绍了1gw4分离器的结构和工作原理。
为了更好地理解隔离开关的安装过程和调试方法,需要对隔离开关的结构和功能原理有足够的了解。
1.1.1.分离开关的结构1.1.1.分离开关的结构GW4型分离器由三个单步组成的水平、两列旋转结构组成,每一步都配有一个底座、隔离柱和导电部件,带有手动或电动操作机构。
1.1.2接地开关的结构由固定在隔离开关管上的静触头和安装在底座上的活动触头组成。
1.1.3.手持机构的建立手动操作机构由在水平面(甚至表面)旋转90度(或180度)的手柄、防雨罩和辅助开关组成。
1.1.4电动操作机构的电气机构的主要部件有电机、速度、辅助开关、边界开关、传动开关、屏蔽、开关等。
1.2隔离开关动作原理1.2.1.分离开关动作原理:操作机构输出波旋转90-176;180-176;)垂直管工作波旋转90-1766;180-176;)臂被操作,工作相的有源极旋转90-176;其余的有源极旋转90-176;交叉电路杆使从动杆旋转90转;17666转;转动方向盘实现三极。
1.2.2接地开关的作用原则、使用传动轴和水平连杆将主轴转向一定角度的有效机构,从而分闸。
1.2.3手柄工作时的手动操作原则、输出轴机构旋转,导致辅助开关与机构主轴连接,包括当断开时,当断开作用时,相应的接点即断开或关闭,并发出相应的分离合信号。
1.2.4电机起动机电机构、蜗轮蜗轮传动机构、主轴旋转、断路机构的作用原则,主轴耦合2.1隔离开关的安装2.1隔离开关安装和调试原则是其正常运行的先决条件。
隔离开关举例: GW4-12D/630、 GN10-35G/1000①字母G-代表隔离开关。
②字母代表安装地点。
N-户内,W-户外。
?数字,为设计序号,代表不同的系列。
④数字,代表额定电压(kV)。
⑤字母,代表补充特性,T-统-设计,G-改进型,D-带接地刀闸,C-穿墙式。
⑥数字,代表额定电流(A)型号:HGW10-12/630A隔离开关牌子推荐民熔电气2、隔离开关基本要求分开后应具有明显的断开点,易于鉴别设备否与电网隔开。
断开点之间应有足够的绝缘距离,以保证在电压及相间闪络的情况下,不致引起击穿而J及工作人员的安全。
有足够的动热稳定、机械强度、绝缘强度。
分、合闸时的同期要好,要有最佳的分合闸度,以尽可能降低操作过电压。
应结构简单动作可靠。
带有接地刀闸的隔离开关必须装设联锁机构,以保证隔离开关的正确操作。
3、技术参数额定电压:指隔离开关长时间运行能承受的正常工作电压。
(决定了绝缘水平、尺寸)额定电流:指隔离开关的触头结构和导电部分在规定环境温度下允许通过的长期工作电流,其相应的发热温度不会超过国家标准。
(决定了截面,结构)动稳定电流:指隔离开关在闭合位置时,所能通过的最大短路电流。
亦称额定峰值耐受电流,它表明隔离开关在冲击短路电流作用下,承受电动力的能力。
这个值的大小由导电及绝缘等部分的机械强度所决定。
隔离开关的初步认识(典藏),变电站资深电工都有收藏,民熔热稳定电流:指隔离开关在规定时间内,允许通过的最大电流,它表示隔离开关承受短路电流热效应的能力。
以短路电流的有效值表示。
隔离开关的铭牌规定一一定时间(1、2、4秒)的热稳定电流。
1.清扫瓷件表面的尘土,检查瓷件表面是否掉釉、破损,有无裂纹和闪络痕迹,绝缘子的铁、瓷结合部位是否牢固。
若破损严重,应进行更换;2.用汽油擦净刀片、触点或触指上的油污,检查接触表面是否清洁,有无机械损伤、氧化和过热痕迹及扭曲、变形等现象;3.检查触点或刀片上的附件是否齐全,有无损坏;4.检查连接隔离开关和母线、断路器的引线是否牢固,有无过热现象;5.检查软连接部件有无折损、断股等现象;6.检查并清扫操作机构和传动部分,并加入适量的润滑油脂;7.检查传动部分与带电部分的距离是否符合要求;定位器和制动装置是否牢固,动作是否正确;8.检查隔离开关的底座是否良好,接地是否可靠。
户内外高压隔离开关厂家中文名GW4高压隔离开关(12KV-110kv)(其他型号隔离开关请联系厂家咨询)简称隔离开关主要作用根据运行需要,换接线路等产品分类按防污等级、电流、电压分定义用于户外线路生产厂商上海民熔电气有限公司(PS:上海民熔还有其他您可能需要的相关产品资料:高压真空断路器高压隔离开关高压氧化锌避雷器高压计量箱高压电缆分支箱ZW32真空断路器智能真空断路器等相关资料,如果您有需要可登陆上海民熔官网查询或下载资料)一、概述GW4-101535/630-2000A型圆棒式隔离系列开关带避雷器、硅橡胶,是我厂针对原GW4开关存在的一系列问题,按现行的国家标准和国际标准改型设计而成的一种新型开关。
开关本身带有接地闸刀(专利号:86208985)能有效防止“带电挂地线和带地线合闸”等误操作,操作人员也不必再另接地线。
该产品其电气性能和机械性能优良,是现行10-35KV级户外开关的更新产品。
二、适用范围开关用于三线交流50Hz电路,供有电压无负荷时分合电路之用。
其基本使用条件如下:(1)海拔高度不超过3000m,环境温度不低于-40℃不高于+40℃。
(2)风速不大于35mm/S,地震烈度不超过8度。
(3)适应于大城市、工矿附近等污秽地区。
(4)不适应于有燃烧和爆炸危险、有剧烈震动和冲动、有严重腐蚀金属和绝缘材料的化学物质的场所。
三、技术参数型号额定电压(千伏)额定电流(A)极限通过电流峰(KA)5秒稳定电流(KA)GW4-10带(W)为防污型10220A105400A2010600A50141000A8021.51600A9025GW4-1515200A155 4010A2510 600A5014 1250A8021.5GW4-35带(D)为接地(W)为防污型35400A3010600A5014630A56151000A8021.51250A90232000A10445GW4-60(D为带接地)(W为防污型)60600A50141000A8021.5GW4-110110600A5014GW4-110D1000A8021.5GW4-220220630A5014GW4-220D1250A8021.5三、产品用途及适用范围1、GW4系列户外隔离开关适用于装置在户外高压配电设备线路上,供线路在有电压,无负载时做分合操动之用。
GW4隔离开关技术参数1.额定电压:GW4隔离开关的额定电压通常在6kV至35kV之间。
这决定了设备能够承受的最大电压。
2.额定电流:GW4隔离开关的额定电流一般在630A至3150A之间。
这是设备能够承受的最大电流。
3.对称短路电流:GW4隔离开关的对称短路电流一般在20kA至50kA之间。
这表示设备能够承受的最大对称短路电流。
4.隔离开关额定短时耐受电流:GW4隔离开关的额定短时耐受电流一般在20kA至50kA之间。
这表示设备能够在短时间内正常工作而不受损坏的最大电流。
5.动作次数:GW4隔离开关的动作次数一般在1000次至3000次之间。
这表示设备能够正常开关的最大次数。
6.绝缘水平:GW4隔离开关的绝缘水平一般为类P级。
这是设备能够在高电压下保持绝缘的能力。
7.防护等级:GW4隔离开关的防护等级一般为IP4X。
这表示设备能够防止固体物体的进入。
8. 外形尺寸:GW4隔离开关的外形尺寸取决于其额定电流和电压。
一般来说,设备越大,外形尺寸越大。
例如,对于额定电流为3150A的隔离开关,其外形尺寸可能为1600mm x 1450mm x 600mm。
9. 重量:GW4隔离开关的重量也取决于其额定电流和电压。
一般情况下,设备越大,重量越重。
例如,对于额定电流为3150A的隔离开关,其重量可能为1000kg左右。
10.使用环境:GW4隔离开关适用于室内环境,通常工作温度在-40°C至+40°C之间。
总结:以上是GW4隔离开关的一些主要技术参数,包括额定电压、额定电流、对称短路电流、额定短时耐受电流、动作次数、绝缘水平、防护等级、外形尺寸、重量和使用环境。
这些参数决定了设备的性能和适用范围,用户可根据实际需求选择适合的GW4隔离开关。
每极由三个独立的单极组成,每个单极是由底座,绝缘支柱及导电部分组成。
每极有两个绝缘支柱分别固定在底座两端的衬套上、以连杆连结,每个绝缘支柱可以水平旋转,转角为90°,绝缘支柱上装有导电接线座、左、右触头(图4b)。
左、右触头通过导电管在两个绝缘支柱中间接触。
1、接地开关的结构
接地开关静触头固定在隔离开关的导电管上,动触头安装在底座上的接地闸刀钢管的端部。
2、隔离开关与接地开关的机械联锁
隔离开关与接地开关的机械联锁部分是通过CS8-6D型手动机构上的联锁盘来实现的。
3、手动机构的结构
手动机构分为CS11不接地机构(图5)、CS8-6D单接地机构(图6)两种。
其操作手柄为水平旋转,转动角度为90°; CS14G机构安装尺寸与CS11机构相同,只是转动角度为180°,用于双接地隔离开关的主刀手动机构。
九、成套供应
隔离开关以三个单极和配用的手动为一组,带接地开关时所配用的手动机构也配套供应,并附有安装所需的零部件。
十、订货须知
1、订货时应说明∶
(1)产品型号。
(2)额定电压。
(3)额定电流。
(4)有无接地装置或接地开关种类、方向和类型。
(5)污秽等级:(未注按0级供货)。
(6)机构型号,辅助极点数目:(未注按CS11机构供货)。
(7)有无电磁锁或电磁锁型号及控制电压。
附录7:GW4户外高压隔离开关使用说明一用途GW4-27.5T(D)(W)型电气化铁道户外交流高压隔离开关是频率为50HZ的户外高压电器设备,供交流27.5kV接触网高压线路在有电压无负载情况下进行换接,以及对被检修的高压母线、断路器等电器设备与带电的高压线路进行电气隔离之用。
也可用于分、合很小的电容电流和电感电流。
二使用环境条件1.海拔高度不超过4700米。
2.环境温度:上限+40℃,下限-40℃。
3.风速不超过35m/s。
4.不适用于有易燃物质、爆炸危险、化学腐蚀及剧烈运动场所使用。
5.绝缘子污秽等级:防污型为Ⅲ级重污秽(盐密0.3毫克/平方厘米)。
6.安装场所:户外混凝土单极电杆上。
三分类和技术参数1.隔离开关的分类特性结构方式有无接地开关 1.无接地开关;2.带一个接地闸刀;安装方式 1.水平安装;接地闸刀传动方式带接地闸刀一次操作型;带接地闸刀二次操作型;操作方式CS11(CS8-6D)手动操作机构或CX-6电动操作机构工作环境Ⅲ级重污秽2.隔离开关的主要技术参数型号额定电压Kv最高工作电压Kv额定电流A额定峰值耐受电流KA4秒额定短时耐受电流KA单相重量KgGW4-27.527.531.56305020906325112 12508031.5100 16008031.5120 20008031.5120四结构GW4-27.5T(D)(W)型电气化铁道户外交流高压隔离开关性能可靠、结构简单、安装方式灵活、维修容易、适用范围广,通用性系列性强。
GW4-27.5T型户外隔离开关是单极隔离开关组成的高压电器,又是派生其它结构的基本单元,以下称为普通型隔离开关。
W4-27.5T(D)型户外隔离开关是在普通型隔离开关上增设接地刀而成的,其中分一次操作型和二次操作型两种,以下称为接地型隔离开关。
GW4-27.5T(D)W型户外隔离开关、是在普通型(接地型)隔离开关的基础上将普通型棒式柱绝缘子改成防污型棒式支柱绝缘子而成,适用于重污秽或高海拔地区。
每极由三个独立的单极组成,每个单极是由底座,绝缘支柱及导电部分组成。
每极有两个绝缘支柱分别固定在底座两端的衬套上、以连杆连结,每个绝缘支柱可以水平旋转,转角为90°,绝缘支柱上装有导电接线座、左、右触头(图4b)。
左、右触头通过导电管在两个绝缘支柱中间接触。
1、接地开关的结构
接地开关静触头固定在隔离开关的导电管上,动触头安装在底座上的接地闸刀钢管的端部。
2、隔离开关与接地开关的机械联锁
隔离开关与接地开关的机械联锁部分是通过CS8-6D型手动机构上的联锁盘来实现的。
3、手动机构的结构
手动机构分为CS11不接地机构(图5)、CS8-6D单接地机构(图6)两种。
其操作手柄为水平旋转,转动角度为90°; CS14G机构安装尺寸与CS11机构相同,只是转动角度为180°,用于双接地隔离开关的主刀手动机构。
九、成套供应
隔离开关以三个单极和配用的手动为一组,带接地开关时所配用的手动机构也配套供应,并附有安装所需的零部件。
十、订货须知
1、订货时应说明∶
(1)产品型号。
(2)额定电压。
(3)额定电流。
(4)有无接地装置或接地开关种类、方向和类型。
(5)污秽等级:(未注按0级供货)。
(6)机构型号,辅助极点数目:(未注按CS11机构供货)。
(7)有无电磁锁或电磁锁型号及控制电压。
手动机构分为CS11不接地机构(图5)、CS8-6D单接地机构(图6)两种。
其操作手柄为水平旋转,转动角度为90°; CS14G机构安装尺寸与CS11机构相同,只是转动角度为180°,用于双接地隔离开关的主刀手动机构。
同时CJ2、CJ5、CJ6、CJ11(电动机构),电磁锁也可供用户选配。
五、动作原理1、隔离开关动作原理隔离开关的操作机构通过连接管与隔离开关的主动级相连,机构主轴旋转90°,带动主动级的绝缘支柱旋转90°,底座内的连杆带动另一侧绝缘支柱按相反方向旋转,实现分、合闸动作,主动级通过极间联动管、带动另外两个从动极转动,从而保持三相同步动作。
机构中的辅助开关与机构主输出轴相连,在分合闸位置时发出相应的分合信号。
2、接地开关动作原理三相接地开关的主轴,用水平连接管通过接头连接起来,操作机构的手柄水平旋转90°,通过连杆带动水平连接管转动,实现接地开关分、合闸动作。
3 、手动机构动作原理操作机构通过连接管与隔离开关及接地开关的主轴相连,CS11手动机构配不带接地刀的隔离开关,CS8-6D手动机构配带接地刀的隔离开关,其输出轴设有机械联锁板,保证按规定的程序(主分-地合-地分-主合)进行操作。
六、安装与调整1、隔离开关的安装调整应达到下列各项要求:(1)配用手动机构时,一般体力的操作人员应能独立进行分、合闸操作,动作灵活。
(2)隔离开关的三相联动的合闸同期性数值为:40.5kV不大于5mm。
2 、隔离开关的安装调整(1)将每极隔离开关底座固定在水平基础上,并使三极的接地刀转轴成一直线。
(2)将操作机构置于隔离开关主动级侧面的转动主轴下方,在隔离开关主体和机构隔离开关操作主轴处于合闸位置时,用水煤气管连接,当主、从动两绝缘支柱不同步时,可以调整极间正反牙螺杆来达到分、合闸同步。
(3)隔离开关的三相联动的合闸同期性的安装调整,在两接线端承受正常母线拉力的条件下,调整相间正反牙连杆长度,达到上述要求。
GW4-40.5/72.5/126KV户外高压隔离开关安装尺寸结构简介1)35kV 成套隔离开关由GW4-40.5(D)(W)型隔离开关本体、CSⅡ、CS17或CS8-6D型人力操动机构、传动附件等组成,也可配用CJ6型等电动机构。
110kV 成套隔离开关由GW4-126(D)(W)型隔离开关本体、CS14G人力操动机构、传动附件等组成,也可配用CJ6型等电动机构。
2)该隔离开关属双柱水平开启式隔离开关。
制成单极型式,当三极同步使用时,极间用连接杆连接起来。
各单级都由基座、支柱绝缘子、出线座及触头等部分组成,两支柱绝缘瓷瓶相互平行地安装在基座两端地轴承上,且与基座垂直。
主导电部分分别安装在两支柱绝缘瓷瓶上方,随支柱绝缘瓷瓶作约90°转动。
3)隔离开关的每个轴承座内装有轴装配,两轴装配间通过连扳、调节螺杆等连接传动。
4)出线座中的紫铜编织带软连接分别紧固在导电杆和接线板上,接线板供用户连接路之用。
5)中间触头部分的触指称为装配,采用外压式或自力型触指,其形式为转入式,以减少分、合闸时触头与触指间的磨损,提高使用寿命。
6)隔离开关附有接地开关时,主导电回路与接地开关的联锁用基座上的扇形板与弧形板保证,在主导电回路合闸时,接地开关不可合闸,接地开关合闸时,主导电回路不可合闸。
配用CS8-6D或CS17-Ⅱ型时隔离开关与接地开关联锁由机构上的连锁板实现。
产品特点 GW4-40.5/72.5/126KV户外高压隔离开关安装尺寸1)隔离开关采用双柱中开、触头转入式结构,具有自动清洁触头的能力,提高了接触可靠性;2)触指采用高强度、高导电率、高弹性的新型材料制造。
依靠触指自身的弹力夹紧触头,避免了目前因弹簧锈蚀、发热退火而引起的触头夹紧力降低,接触电阻增加,触头发热家具的恶性循环;3)隔离开关转动部分按免维护的要求设计。
转动座设计成密封结构,水汽、尘埃、有害气体无法进入。
使轴承、二硫化钼锂基锂基润滑脂永远工作在良好的环境中,轴承永不生锈、润滑脂无法柳市,永不干涸,使隔离开关长期运行后的操作力距不会增加。
每极由三个独立的单极组成,每个单极是由底座,绝缘支柱及导电部分组成。
每极有两个绝缘支柱分别固定在底座两端的衬套上、以连杆连结,每个绝缘支柱可以水平旋转,转角为90°,绝缘支柱上装有导电接线座、左、右触头(图4b)。
左、右触头通过导电管在两个绝缘支柱中间接触。
1、接地开关的结构
接地开关静触头固定在隔离开关的导电管上,动触头安装在底座上的接地闸刀钢管的端部。
2、隔离开关与接地开关的机械联锁
隔离开关与接地开关的机械联锁部分是通过CS8-6D型手动机构上的联锁盘来实现的。
3、手动机构的结构
手动机构分为CS11不接地机构(图5)、CS8-6D单接地机构(图6)两种。
其操作手柄为水平旋转,转动角度为90°; CS14G机构安装尺寸与CS11机构相同,只是转动角度为180°,用于双接地隔离开关的主刀手动机构。
九、成套供应
隔离开关以三个单极和配用的手动为一组,带接地开关时所配用的手动机构也配套供应,并附有安装所需的零部件。
十、订货须知
1、订货时应说明∶
(1)产品型号。
(2)额定电压。
(3)额定电流。
(4)有无接地装置或接地开关种类、方向和类型。
(5)污秽等级:(未注按0级供货)。
(6)机构型号,辅助极点数目:(未注按CS11机构供货)。
(7)有无电磁锁或电磁锁型号及控制电压。
GW4户外隔离开关GW4交流高压释放开关适用于额定电压126kV的电力系统。
用于高压线路的无负荷连接,被测高压母线的电绝缘,高压带电线路的停电及其他电气设备。
GW4由一个中间的双柱打开和在结构中的接触旋转组成。
如果三个电极同时使用,则电极由连接电极使用这个每级两柱的绝缘瓷瓶在底座两端的轴承上相互平行并垂直于基地。
那个电器主要部件是放在两个绝缘瓷瓶上安装立柱。
上部与锯子的绝缘瓷瓶一起转动90次理事会中触指成对组装,选用自力式接触指,形状为旋转式。
产品特性1对轴承转盘结构进行了改进,使承载座水密以及配有油对中孔和调节螺丝,开关整体性强,维修更方便、更舒适。
2控制棒和触头之间以及控制棒和触头指座之间采用铜焊工艺。
另外,在触指与触指座之间安装了软连接,大大降低了产品主电路对螺纹连接的电阻,减少了触头在运行中的发热问题。
2接地导杆采用导电性好的铝合金,接触件采用铜件。
在控制杆与底座、接地指座之间的连接处安装了软连接,大大提高了接地环的土壤安全性。
三个。
干流外露部分采用镀银层表面处理工艺。
表面光滑、美观、耐腐蚀、耐用。
四个。
改进轴孔的适当形状:将铁与铜的配合改为铜与铜或不锈钢与铜的配合,以解决长期以来外部区域的腐蚀问题。
见标准不锈钢零件经热浸处理开关的耐腐蚀性更强。
五个。
为了更换焊接零件,大量的铸造零件被用来减少焊接不良等安全问题。
六个。
施工现场接地开关可左右切换,同轴连接方式转换为单极联动,大大降低了现场安装难度。
当隔离开关与接地开关连接时,主电路和接地开关之间的锁定由扇形板和弧形底板实现。
主回路闭合时,接地开关不闭合;接地开关闭合时,主回路不闭合。
隔离开关
民熔GW4隔离开关是发电厂和变电站电气系统中重要的开关电器,需与高压断路器配套使用。
隔离开关适用于三相交流50Hz,额定电压12KV的户内装置。
供高压设备的有电压而列负荷载的情况下接通,切断或转换线路之用。
其主要功能是:
保证高压电器及装置在检修工作时的安全,起隔离电压的作用,不能用与切断、投入负荷电流和开断短路电流,仅可用于不产生强大电弧的某些切换操作,即是说它不具有灭弧功能
民熔GW4高压隔离开关均采用热镀锌工艺进行防腐处理。
不能满足热浸镀锌要求的零件一般采用不锈钢制造。
M8以下紧固件采用不锈钢,其余部分采用热浸镀锌。
民荣GW4型高压隔离开关采用双柱中分闸、触头翻转结构。
具有自清洁触点的能力,提高了触点的可靠性。
接触指采用高强度、高导电性、高弹性的新材料制成。
开关采用绝缘钩杆操动机构,部分开关设有自锁装置。
民荣GW4高压隔离开关旋转部分按免维护要求设计。
采用不锈钢轴销,无油自润滑轴承结构。
钢构件采用热浸镀锌,保证操作灵活、密封结构、轻便可靠、永不生锈
介绍了民用熔断GW4型交流高压隔离开关的基本情况。
如果你能注意到这篇文章,编辑会帮你吗
铭荣gw4-12、24、35、40.5、72.5、126系列户外交流高压隔离开关(以下简称隔离开关)。
它适用于频率为50Hz、额定电压为11、24、35、40.5、72.5、126kV 的电力系统,作为电压无载分时电路。
防污型隔离头能满足重污染地区用户的要求,能有效解决隔离开关运行中的污闪问题。
隔离开关与产品之间的联锁机构顺序正确。
30-110kv接地开关分为I型和II型,15和220kV为II型。
II型接地开关动、热稳定值与隔离开关相同。
本产品具有以下规格:
1根据有无接地开关,可分为不接地、单接地和双接地
2按使用面积可分为普通型和防污型。
本系列隔离开关的特点如下:
(1)连接端采用软连接过渡,导电接点可靠性如下:
(2)接地刀采用外部闭合布置,保证闭合过程中接地刀与其他电气端子之间的可靠绝缘距离:(3)gw4-220配有折叠和折叠接地刀,以减少接地刀占用的空间。
民熔GW4高压隔离开关运行环境条件
1.1.1海拔:1000~3000m。
1.1条。
环境温度不高于+40℃,
1.1.2低温不低于-35℃(高寒地区不低于-40℃)。
1.1.3风速不超过34m/s。
地震烈度小于8.1度。
1.1.5覆冰厚度不得超过10 mm。
1.1.6耐污染产品适用于重污染地区。
1.1.7不适用于易燃、有爆炸危险、化学腐蚀和剧烈振动的场所。
1.2民用熔化型GW4高压隔离开关主要规格及技术参数见表1
民熔GW4高压隔离开关外形及安装尺寸。